钢桁架吊装方案(单吊)
- 格式:doc
- 大小:30.00 KB
- 文档页数:7
钢桁架吊装施工方案项目概述:本文主要介绍了滨州北海铝材项目厂区综合管网工程钢桁架吊装施工的方案。
方案包括编制依据、工程概况、吊装工艺流程、吊装施工技术措施、施工组织措施、施工质量保证措施和安全、文明保证措施。
第一章:编制依据本方案的编制依据包括新建1号转载点至卸载点带式输送机栈桥施工图纸、《钢结构工程施工质量验收规范》(GB-2001)、《建筑钢结构焊接技术规程》(81-2002)、《工程建设安装工程起重机施工规范》(HG-2000)、《起重机械安全规程》(GB6067-85)以及汽车吊性能表。
第二章:工程概况本工程采用砼支墩架空,设过路钢桁架(13m;16m各一个)。
第三章:吊装工艺流程吊装工艺流程包括场地清理及平整、土建牛腿支撑面验收、吊车就位钢桁架吊点检查、吊装机械及吊具检查、钢桁架试吊、钢桁架就位、钢桁架找正焊接、拆除吊装索具、钢桁架复检和吊车退场。
钢桁架吊装顺序根据工程现场实际情况和土建进度安排,分为4次,具体顺序和平面示意图见附图。
第四章:吊装施工技术措施吊装前的准备包括最后检查和施工区域的轴标记。
吊装过程中,应保证索具、工具符合安全要求,钢桁架编号、控制线齐全,安全设施齐备,道路平整,起重设备完好。
吊装后,应进行复检。
第五章:施工组织措施施工组织措施包括施工人员配备、施工计划编制、安全教育培训、现场管理等方面的规定。
第六章:施工质量保证措施施工质量保证措施包括质量检查、质量记录、质量整改和质量验收等方面的规定。
第七章:安全、文明保证措施安全、文明保证措施包括安全管理、文明施工、应急预案和环境保护等方面的规定。
在进行吊装前,必须对钢桁架的两侧进行清理,清除杂物,以便于吊装作业。
同时,吊装现场的场地也需要进行平整,以确保吊车可以就位并稳定运行。
吊装人员必须经过安全培训,且必须持有相应的上岗工作证书,否则不得进入施工现场。
在进行吊装前,需要编制专项施工方案,并向吊装操作人员进行技术和安全交底。
一、编制说明为确保钢桁架柱吊装工程的顺利进行,加强施工现场管理,落实各项安全、质量控制措施,保证钢桁架柱安装质量满足设计及相关规范要求,特编制此专项方案。
本方案将作为现场施工作业指导书,指导班组现场施工。
二、编制依据1. 《钢结构工程施工质量验收规范》(GB50205-2001)2. 《建筑施工高处作业安全技术规范》(JGJ80-91)3. 《施工现场临时用电安全技术规范》(JGJ46-2005)4. 《建设工程施工现场供电安全规范》(JGJ50194-93)5. 《建筑机械使用安全技术规程》(JGJ33-2001)三、工程概况1. 工程名称:XX工程项目钢桁架柱吊装工程2. 工程地点:XX市XX区XX街道3. 工程规模:建筑面积XX平方米,钢桁架柱共计XX根4. 主要材料:Q345B钢材,高强度螺栓等5. 施工期限:预计XX个月四、施工准备1. 人员准备:组织一支经验丰富的施工队伍,包括项目经理、技术负责人、施工员、安全员等。
2. 设备准备:根据工程规模和吊装要求,选择合适的起重机械和吊装设备。
3. 材料准备:提前准备好钢桁架柱、高强度螺栓等材料,并确保质量符合规范要求。
4. 场地准备:清理施工现场,确保吊装作业区域平整、开阔,满足吊装要求。
五、施工工艺1. 吊装顺序:按照先主柱后次柱的顺序进行吊装。
2. 吊装方法:采用起重机进行吊装,吊装过程中注意吊钩与桁架柱的垂直度,确保安全。
3. 定位校正:吊装到位后,对桁架柱进行定位校正,确保桁架柱垂直、水平,满足设计要求。
4. 连接固定:使用高强度螺栓将桁架柱与基础连接固定,确保连接牢固。
六、安全措施1. 人员安全:施工人员必须穿戴安全帽、安全带等个人防护用品,确保施工安全。
2. 机械设备安全:对起重机械和吊装设备进行检查、维护,确保设备安全可靠。
3. 吊装安全:吊装过程中,吊钩与桁架柱保持垂直,防止发生倾斜、摆动等意外情况。
4. 电气安全:施工现场设置明显的警示标志,防止触电事故发生。
钢结构桁架吊装安装专项施工方案一、工程概况本工程是钢结构桁架吊装安装工程,主要包括吊装方案的制定、吊装设备的选择与调试、起吊平衡控制以及吊装过程的安全措施等内容。
本工程施工地点位于XX市XX区XX路,总建筑面积XX平方米,图纸编号为XX。
二、吊装方案制定根据工程现场情况以及钢结构桁架的具体情况,制定以下吊装方案:1.吊装设备选择:根据桁架的净重和吊装高度,选择适当的起重机械进行吊装。
预计使用XX吨履带式起重机进行吊装。
2.吊装点的设置:根据桁架的重心及重量的分布情况,合理设置吊装点。
3.吊装过程中的平衡控制:保证起吊的桁架保持平衡,避免倾倒或损坏。
在吊装过程中,通过吊装索具的合理利用以及吊装速度的控制,保持桁架的平衡。
4.吊装方向的确定:结合施工现场的地形和布置,确定吊装方向,并进行相应的防护措施。
三、吊装设备的选择与调试1.吊装设备的选择:根据工程需求以及现场条件,选择适当的起重机械进行吊装。
预计使用XX吨履带式起重机进行吊装。
2.吊装设备的调试:在吊装施工前,对起重机械进行必要的调试,包括起重机械的起吊能力测试、工作范围测试、安全装置的检查以及机械的稳定性检测等工作。
四、起吊平衡控制1.吊装点的设置:根据桁架的重心及重量的分布情况,合理设置吊装点,并使用合适的吊装索具进行连接。
2.吊装过程中的平衡控制:通过调整吊装索具的长度和位置,使得桁架保持平衡。
在吊装过程中,应注意检查桁架的倾斜情况,并采取相应的修正措施,确保桁架的稳定。
五、吊装过程的安全措施1.施工现场围护:在施工现场设立必要的警示标志,划定施工作业区域,并设置警戒线,确保施工区域的安全。
同时,为工人提供安全帽、安全鞋等必要的个人防护用品。
2.吊装作业区域的安全防护:在吊装作业区域的周围设置安全防护网,并设立指挥点和监控点,及时掌握吊装过程中的安全情况。
3.吊装索具的检查:对吊装索具进行必要的检查,确保其完好,避免发生断裂或损坏的情况。
钢桁架吊装方案第一章工程概况整个工程的难点在于桁架重量大,就位高度高。
因此我们决定采用将桁架分段吊装,空中组对的方法进行安装。
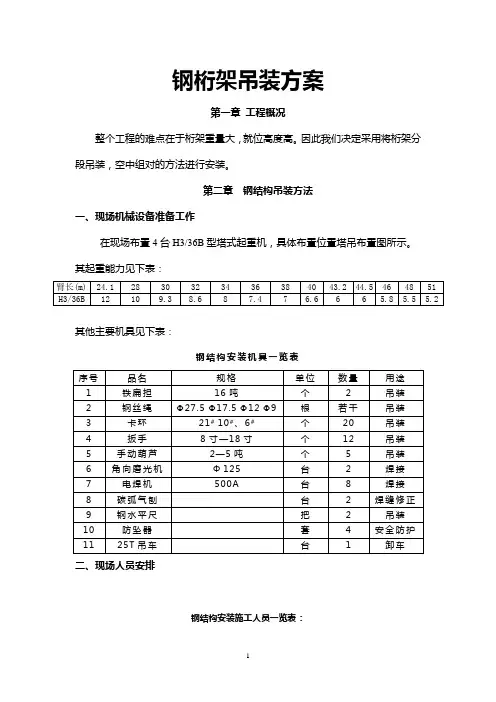
第二章钢结构吊装方法一、现场机械设备准备工作在现场布置4台H3/36B型塔式起重机,具体布置位置塔吊布置图所示。
其起重能力见下表:其他主要机具见下表:钢结构安装机具一览表二、现场人员安排钢结构安装施工人员一览表:三、现场安装1、桁架分段根据塔吊的起重性能将桁架上下弦杆分成5段,并将腹杆与桁架分解。
每段重量根据图纸计算在9.5吨左右。
分段情况见桁架分段图。
桁架下弦杆与腹杆、斜撑杆分解时,在下弦杆上留部分。
在安装对接时,先采用螺栓固定然后焊接。
这样可以避免腹杆、斜撑杆与桁架下弦杆在受力情况2⑴桁架的立面安装顺序下弦杆→下弦水平杆→腹杆、斜撑杆→上弦杆→上弦水平杆⑵桁架的平面安装顺序由15轴线向2轴线的顺序安装。
3、桁架的分段安装⑴安装混凝土结构上的钢结构构件⑵安装D轴线桁架第一步吊装桁架第一分段的下弦杆件。
由于杆件与混凝土结构相邻,在桁架与混凝土结构相连接的部位用钢索与混凝土进行拉接。
(拉接形式见桁架安装临时拉接图)作为第一段桁架的临时固定支撑。
同时作好第一段桁架与混凝土结构的连接,使其形成一个稳定的结构。
此时吊装用1号塔吊进行。
第二步安装桁架下弦的第二段。
第二段与第一段连接采用临时耳板,用高强螺栓连接。
此时吊装采用1号塔吊进行。
第三步吊装桁架下弦第三段。
由于第三段与混凝土结构相邻,所以采用安装第一段的方法作好钢索拉接。
在吊装第三段时,用2号塔吊,同时1号塔吊吊住第二段不松钩。
⑶以同样方法安装E轴线的桁架。
⑷D、E轴线的桁架安装同时进行,当两榀桁架的第一段安装完毕,将桁架间的H型钢连杆同时安装。
在安装桁架第二段时,利用2号、4号塔吊将第二段桁架间的H型钢连杆安装。
⑸安装桁架的腹杆与斜撑杆安装前,在下弦杆平面搭设操作平台。
并搭设临时支撑。
⑹安装桁架上弦杆。
上弦杆安装与安装下弦杆件相同。
我司承接的项目施工组织方案主要有三大块一、钢桁架的吊装方案1、钢桁架在开始安装前,检查钢桁架即将安装的位置及其它结构的定位线的精确度及钢支撑座、耳板位置。
无误后开始钢桁架的吊装工作。
2、钢桁架的安装流程吊车起吊将下端对准标点就位,上部对准槽口插销轴。
为确保吊装的稳定性与牢固性吊装点定在钢架上部1/3处,并采用两点固定。
同时并用小块地毯保护吊装点。
4、铝横梁的安装铝横梁由架在钢横梁上的专用吊装设备吊装(构造见附图)。
在铝横梁的吊装过程中,为保护铝横梁采用三点吊装,在每一端的1/4处起吊,在吊点用厚帆布保护,防止铝横梁的划伤;在吊装过程中要保持卷扬机的牵引速度,防止铝横梁弯曲。
吊装到位后进行铝横梁的垂直、水平方向检查,防止铝横梁倾斜、错位等问题出现。
横梁吊装设备铝横梁定位检查无误后,进行铝横梁与钢横梁的焊接,在焊接中先根据铝横梁上的安装节点确定下部节点板在钢横梁上的定位。
4、玻璃的安装1、玻璃的吊装玻璃最大重量为450kg,选用功率为1000瓦的卷扬机,传动机构与卷扬机连成一体,配重1000kg,可保证卷扬机的稳定,缆绳选用φ16的钢丝绳吊装。
玻璃到位后,由工人拉进工作面进行后续工作。
在整个过程中注意不要将玻璃放在脚手架上,防止脚手架弯曲变形,发生安全事故。
在玻璃的吊装中,为了更好的保护玻璃,我司采用两根承重为1吨的吊装带吊装玻璃,吊点在距玻璃两端1/5边长的位置,在玻璃的中间用一根吊装带固定两根吊带,防止吊带沿玻璃边缘滑动。
二、EWS-2、3系统的施工方案包括玻璃幕墙、铝合金百叶窗、铝合金百叶门、不锈钢地弹簧门等系统。
1、EWS-2型组合式玻璃幕墙系统安装程序测量放线→结构检查→角钢连接件安装→竖龙骨安装→横龙骨的安装→铝合金扣盖安装→玻璃安装→铝合金封盖安装→铝合金百叶安装上部节点细部下部节点构造2、EWS-3系统的施工工艺EWS-3型组合式铝板幕墙系统安装程序测量放线→预埋件检查及处理→连接件的安装→钢立柱安装→铝龙骨安装→防火层的安装→保温层安装→面材安装→铝合金扣盖安装节点安装示意图。
南京高等职业技术学校四期体育馆屋面工程钢桁架吊装方案一、结构吊装工程质量保证体系1.1、土建施工负责:建筑物及塔架结构混凝土的强度应符合设计标准;轴线偏差、柱顶标高、外形尺寸不得超差;预埋件位置、平整度应符合设计要求。
1.2、钢结构施工负责:1.2.1、根据土建提供的现场实测位置尺寸,对施工现场与钢桁架吊装有关的构件进行分中、弹线、抄平,清理予埋件上的杂物,并将钢桁架吊装所使用的各种工机具事先准备齐全。
1.2.2、保证钢桁架结构的几何尺寸,对钢桁架及零部件的型号尺寸进行复核。
保证钢桁架安装的垂直度,位移;桁架安装时焊接及紧固的质量。
1.2.3、钢桁架吊装前,质检人员应对钢桁架构件进行检查,复核,检查合格后及时通知监理检查,经监理检查合格后方可进行吊装。
二、钢桁架施工区域布置图及吊车行走路线:(详见后附图)组装完毕,即可进行吊装。
整体桁架吊装可按3~8轴吊装钢桁架。
三、吊装前的准备工作3.1、吊装前的最后检查:索具、工具是否齐全,符合安全要求。
所有桁架编号,控制线是否齐全。
安全设施是否齐备,道路是否平整,起重设备是否完好。
3.2、钢结构桁架吊装前必须提供各建筑结构、混凝土门架书面的水准控制点、施工坐标;各建筑结构、混凝土门架梁上预埋件的准确标高和建筑结构与门架、门架与门架之间的轴线测量报告;3.3、对关键控制点进行复核,复核后,及时在门架预埋件安装位置画线,并在门架预埋安装部位设置焊接定位角钢。
做到标记齐全,位置准确、色泽鲜明。
画出钢桁架支座底板的中心线,位置准确、色泽鲜明。
3.4、根据设计标高,拉通长钢丝轴线,作为吊装高程及轴线控制基准线。
3.5、轴线、标高复核:钢桁架结构安装前应对混凝土门架、结构轴线和标高再次进行检查,并应符合如下要求:3.5.1、门架之间及与柱有安装联系的主体结构间距符合标准要求。
3.5.2、门架之间及与桁架有安装联系的主体结构垂直度符合标准要求。
3.5.3、认真检查预埋件位置是否准确,预埋螺栓误差不得超过2mm。
九龙节能环境保护产业园一期1#厂房管桁架吊装专项施工方案编制:审核:同意:XX企业三月目录一.编制根据 (2)1、工程文献 (2)2、遵照原则和规范 (2)二.工程概况 (3)三、施工工艺技术 (7)1、技术根据 (7)2、测量作业 (7)3、预埋安装................................................................................................................................ .74、钢构件运送进场 (7)5、管桁架现场拼装 (8)6、管桁架吊装 (10)7、吊装工序安排 (15)8、吊装工艺及措施 (17)四、施工安全保障措施 (17)1、安全管理组织 (18)2、安全管理制度 (19)3、施工现场安全管理 (26)五、应急预案 (27)1、指挥方案 (27)2、机构分工 (27)3、事故处理 (28)4、工程抢险抢修 (28)5、现场医疗救护 (28)钢构造吊装专题施工方案一.编制根据本施工方案是以施工图纸为根据,参照我司以往在类似工程中旳施工经验,结合本工程旳实际状况及特点,并根据对应旳计算、分析成果基础上进行编制而成。
1、工程文献(1)九龙节能环境保护产业园一期1#厂房旳钢构造设计图纸;(2)重庆市有关建筑工程管理等法规及规定;(3)现行国家(或行业)施工验收规范与原则;(4)类似工程旳施工经验及有关旳技术文献;2、遵照原则和规范现行国家有关旳规程、规范、原则:(1)《建筑工程施工质量验收统一原则》GB50300—(2)《钢构造工程施工质量验收规范》GB50205-(3)《建筑构造荷载规范》GB50009-()(4)《钢构造设计规范》GB50017-(5)《碳素钢焊条》GB/T5117(6)《熔化焊用钢丝》GB/T14957(7)《气体保护焊用钢丝》GB/T14958(8)《钢构造高强度大六角头螺栓、大六角螺母、垫圈与技术条件》GB/T1228~1231 (9)《建筑钢构造焊接规程》JGJ81-(10)《钢构造高强度螺栓连接旳设计、施工及验收规程》JGJ82-91(11)《钢构造制作安装施工规程》YB9254-95二.工程概况本工程位于重庆九龙坡区九龙园区C区(铜陶路),玻璃幕墙约2625.92㎡,铝单板幕墙约4523.55㎡,铝单板内衬约1200.16㎡,铝合金门窗约235.47㎡本工程钢框架,屋盖采用钢管空间桁架构造体系,钢框架立柱与混凝土基础刚接, 屋顶钢框架立柱与混凝土梁铰接,立面支撑与混凝土梁铰接。
一、工程概况1、本工程为邯郸市邯郸洗选厂精煤汽运装车系统工程。
本吊装方案主要用于施工时调运钢筋、模板、脚手架以及加气块砌筑时使用。
其他吊装不在此方案内。
吊装重量控制在0.5kg以内。
二、起重机机械选择1、考虑起升起重机的起重能力,现场道路安全及经济效益等各方面因素,结合现场物件重量,几何尺玻寸安装高度来选择起重机。
2、载荷计算起吊高度、吊装载荷及钢丝绳、卸扣的选用分别按下列公式计算1)起吊高度的计算:H = h1 + h2 + h3 + h4h1------设备高度(包括设备鞍座)(m);h2------设备基础高度(m);h3------索具高度(m);h4------设备吊离基础顶部的间隙(m)。
H = h1 + h2 + h3 + h42)吊机吊臂的长度计算:L=[(H+B-C)2+R2]1/2L-----所需起重臂的长度(m);H-----所需的起吊高度(m);B-----吊钩至吊臂顶部的距离(m);C-----吊机回转台至地面的高度(m);R-----吊机的回转半径(m);3)吊装载荷计算P=(Q+g)×KQ—设备重量g—吊钩和一套索具重K—不均衡系数及动载系数取K=1.054)钢丝绳的计算:F=K2QN/McosαK2——不均衡系数K2=1.05N——安全系数 N=6M——钢丝绳股数 M=4α——钢丝绳垂直方向的夹角α=3005)卸扣的选用Q〃=KQ/n/cosα(α=300)n——卸扣数量6)吊装参数计算根据现场测量,吊装吊机工作半径为10米。
起吊高度吊臂长度的计算:H=h1+h2+h3+h4=2.8+24+9+0.5=36.3mL=[(H+B-C)2+R2]1/2=[(36.3+2-2)2+102]1/2=37.65m最大起吊高度是sin65°×(15+32)-2=40米7)吊装载荷计算P=(Q+g)×K=(0.5+1.5)*1.05=2.1t8)钢丝绳的计算F=K2QN/Mcosα=1.05×0.5×6÷4÷cos30°=9.10t=91KN根据五金手册查出φ34.5钢丝绳(6×37+1)破断拉力为612.01KN,大于446KN,故选用φ34.5钢丝绳(6×37+1)符合吊装要求。
1.1.1Q1区桁架吊装演示及分析(1)Q1区桁架西侧吊装Q1区西侧为地面,标高为±0.000米,目前为钢筋棚。
该处为吊点一,吊装的构件编号为 HJ1-1、HJ1-2、HJ1a-1、HJ1a-2、HJ1b-1、HJ1b-2、HJ2-1、HJ2-2、HJ2-3、HJ2a-2(共8根), 其中HJ2a-2分上下弦杆散装。
吊点一吊装示意图(地面为加固自然地面)桁架吊装分析示意图吊点一吊装立面图(2)Q1区桁架南侧吊装Q1区南侧为物资中心,荷载为32KN/M2,标高为-2.000米。
该处为吊点二,吊车位置固定。
HJ2a-3、HJ2b-3、HJ1b-3、HJ1b-4、HJ1a-3、HJ1a-4从Q1区南侧整体吊装,HJ2b-2构件局部从南侧散装。
示意图及立面图如下:吊点二吊装示意图吊点二吊装立面图(3)Q1区桁架北侧吊装Q1区北侧为动力中心,荷载为40KN/M2,标高为-4.050米,该区域与裙楼之间局部有一个标高-1.100米,9米宽的平台,吊装时可以避开。
该处为吊点三,吊车位置固定。
HJ2a-1、HJ1-3、HJ1-4从Q1区北侧整体吊装。
HJ2b-2构件局部从Q1区北侧散装。
示意图及立面图如下:吊点三吊装立面图1.2Q2区桁架安装1.2.1Q2区桁架布置及吊点位置Q2区桁架布置图1.2.2Q2区桁架分段Q2区钢桁架上弦顶标高18.24m,共3榀,分别为HJ3、HJ3a、HJ3b,如图 Q2区桁架布置图。
每榀桁架重量详见下表:桁架HJ3、HJ3a、HJ3b分三段安装,如图 HJ3、HJ3a、HJ3b分段图。
HJ3、HJ3a、HJ3b分段图HJ3、3a、3b分段后,每段重量及构件吊装顺序详见下表:1.2.3Q2区桁架吊装(1)Q2区桁架北侧吊装Q2区北侧为动力中心,荷载为40KN/M2,标高为-4.050米,动力中心-4.050米楼面与Q2裙楼之间有一个标高-1.100米,6米宽的平台。
该处为吊点四,吊车位置固定。
大跨度钢桁架专项吊装方案大跨度的钢桁架的吊装难度高、单体吊装时间长的施工段,在施工中我单位将会采用大吨位的吊装设备进行吊装,由于施工中路上的交通比较密集,为保证安全施工,特制定本专项吊装方案。
1、桁架梁组拼及焊接(1)做组装平台:组装平台要搭做牢固,搭好后要测平,以保证组装人员的安全和组装构件的精度。
(2)组装前,零部件应经检查合格,连接接触面和沿焊缝边缘每边30~50mm范围内的铁锈、毛刺、污垢、水渍等要清除干净。
(3)板材、型材的拼接,应在组装前进行,构件的组装在部件组装、焊接、矫正后进行,拼接时腹板及翼缘拼接焊缝间距应不大于200mm,并在组装前完成。
翼缘板只允许横向拼接。
(4)组装时采用螺丝夹或卡具夹紧固定,同时要考虑焊接收缩量,对全熔透焊缝可用临时垫板以保证间隙,定位焊所采用的焊接材料型号,应与焊件材质相匹配,焊缝厚度不亦超过设计焊缝厚度的2/3,焊缝长度不小于25mm,定位焊位置应布置在焊道以内,并应由持合格证的焊工施焊,所用焊条与正式用焊条相同。
(5)施焊的焊工必须持有焊工合格证,严禁无证上岗操作,焊工停焊时间超过6个月,需重新考核上岗;结构件的所有焊缝必须严格按照焊接工艺评定报告所制定的焊接工艺指导书进行。
(6)焊丝、焊条在使用前须清除油垢、铁锈,焊条、焊剂使用前按产品说明书规定的烘焙时间和规定进行烘焙,并要求有烘焙记录。
焊接时,不得使用焊皮脱落或焊芯生锈的焊条和受潮结块的焊剂及已熔烧过的渣壳。
低氢型焊条经烘焙后放入保温箱内,随取随用。
(7)施焊前,选择合理的焊接方式和焊接顺序,对称施焊,以达到减少焊接变形和焊接应力的目的。
同时焊工复查焊件接头质量和焊区的处理情况,如不符合要求,需经维修合格方可施焊。
(8)施焊时,构件焊缝两端应配置引弧板和引出板,其材质和坡口形式应与被焊工件相同,引弧和引出的焊缝长度:埋弧焊应大于50mm,手工焊及气体保护焊应大于20mm。
焊接完成后应采用气割切除引弧和引弧板,并修磨平整,不得用锤击落;焊接金属表面焊纹均匀,无裂纹。
**酒店宴会厅桁架吊装方案XX工程公司年月日一、工程概况:1、宴会厅桁架共12 榀,跨度32 米、高2 米、每榀重约18 吨,分三段制作,每段约6 吨,现场组装焊接后吊装。
2、桁架安装于裙房+23.4 米标高处。
3、吊装方法:3.1、采用吊车吊至宴会厅楼面,组装焊接后,用抱杆整体吊装。
3.2、在宴会厅楼面N8 轴搭设满堂脚手架及支撑,用吊车或塔吊吊至组装架上后组对焊接,后在两侧砼梁上铺设滑移轨道,滑移就位。
二、编制依据:1、《**钢构安装手册》2、《钢结构工程施工质量验收规范》GB50205—20013、《建筑钢结构焊接规程》JGJ81—914、《高层民用建筑钢结构技术规程》JGJ99—985、《建筑工程施工质量验收统一标准》GB50300—20016、《建筑施工高处作业安全技术规范》JGJ80—917、《建筑工程施工现场供用电安全规范》GB50194—938、《工程测量规范》GB50026—939、《组合钢模板技术规范》GB50214—200110、《建筑施工安全检查标准》JGJ95—9911、《钢结构高强螺栓连接的设计、施工验收规范》JGJ82—9113、其它相关现行国家标准、规范和规程。
14、上海**大酒店扩建图纸三、施工准备工作:1、技术准备:1.1、熟悉施工图,了解设计意图及参照的施工规范和技术标准。
1.2、根据施工组织设计编制吊装及现场焊接方案。
1.3、根据图纸要求及施工组织设计,编制作业指导书及操作规程。
1.4、对所有持证特殊工种进行技术交底和岗前技术培训。
2、机械设备:本工程需要如下设备及工具,在吊装前进场。
3、材料准备:根据施工图及施工组织设计要求,编制材料进场计划。
本工程吊装辅材用量(计划)如下:4、劳动力按排:投入劳动力40 人,另根据施工进度情况调整人员。
1 吊车司机人 4 含塔吊司机2 测量工人 23 起重工人 64 安装工人85 电焊工人 66 气焊工人 27 电工人 18 架子工人 55、临时设施及现场按排:办公用房由总包公司提供,焊条及小型工具放在现场仓库内,工人住宿在施工区域外租房。
钢桁架吊装施工方案(编号:)目录第一章编制依据 (1)第二章工程概况 (2)第三章吊车计算选用 (3)第四章吊装工艺流程 (4)第五章吊装施工技术措施 (5)第六章施工组织措施 (9)第七章施工质量保证措施 (11)第八章安全、文明保证措施 (11)第一章编制依据1、新建1号转载点至卸载点带式输送机栈桥施工图纸;2、《钢结构工程施工质量验收规范》(GB50205-2001);3、《建筑钢结构焊接技术规程》(JGJ81-2002);4、《工程建设安装工程起重机施工规范》(HG20201-2000);5、《起重机械安全规程》(GB6067-85);6、汽车吊性能表:400吨汽车吊图片:400吨汽车吊性能表:第二章工程概况本工程为新建1号转载点至卸载点带式输送机栈桥工程,栈桥断面尺寸均为3.2m宽×3.1m高,支座标高13.48m,共由四榀桁架组成。
分别为:新建1号转载点至2号支架钢桁架4,跨度39.579m(○5~○6轴);2号支架至拉紧间钢桁架3,跨度29m(○4~○5轴);拉紧间至1号支架钢桁架1,跨度40.881m(○2~○3轴);1号支架至煤矸石卸载点钢桁架2,跨度53.468m(○1~○2轴)。
第三章吊车计算选用一、单机整体吊装法单机整体吊装法以吊装钢桁架1(跨越铁路段)为例。
1、吊车位置选址:根据现场工地实际情况,吊车位置选在余吾热电公司场区内、电缆沟北侧原硬化混凝土地面,此位置离钢桁架1中心吊点位置距离30m。
2、吊车工作臂长:钢桁架1吊装高度H=混凝土支架牛腿标高13.48m+钢桁架1高度3.7m+安装间隙0.5m+吊绳高度8m=25.68m。
吊车臂长=√(302+25.682)=39.49m3、起吊重量=钢桁架1重量29t+吊钩重量1t=30t4、吊车选用:根据以上参数:作业半径30m,汽车吊工作臂长39.5m,起吊重量30t。
参照汽车吊性能参数表选用400t汽车轮胎吊车,作业半径30m,汽车吊工作臂长41.1m,起吊重量为31t,满足要求。
桁架钢结构吊装专项施工方案一、前期准备工作1.组建项目管理团队,确定项目经理、技术负责人和安全负责人等。
2.了解工程图纸和设计要求,制定详细的施工计划。
3.购买或租借吊装设备,并确保设备正常运行。
4.确定吊装区域,清除障碍物,确保操作空间畅通。
5.对吊装人员进行培训,掌握相关操作技能和安全知识。
二、吊装方案设计1.根据结构形式和吊装要求,确定吊装方案和作业方法。
2.评估吊装重量、尺寸和重心位置。
3.计算结构的稳定性,确保吊装过程中不会发生结构倾斜或损坏。
4.制定详细的吊装图纸和工艺流程,包括吊装点位、吊装机械参数和吊装顺序等。
三、安全措施1.建立完善的安全生产管理制度,确保吊装过程中的安全。
2.配备必要的安全防护设施,如吊装带、安全帽、安全网等。
3.制定应急预案,提前安排好逃生通道和救援措施。
4.定期检查吊装设备,确保其正常运行,并进行必要的维修和保养。
四、施工步骤1.安装吊装设备,调试其功能和操作。
2.在吊装区域内标定吊装点位,确认吊装的位置和高度。
3.根据吊装方案,进行吊装预备工作,包括加固结构、安装吊装带等。
4.进行试吊操作,确保吊装设备和结构的协调运行。
5.根据吊装顺序,逐个吊装结构件,保持稳定,确保安全。
6.吊装完成后,对吊装设备和结构进行检查,确认无异常后进行下一步操作。
五、质量管理1.对吊装设备和结构进行质量检测,确保其符合设计要求。
2.对吊装过程中的各个环节进行质量把关,确保吊装操作的准确性和可靠性。
3.按照施工图纸和设计要求进行验收,确保吊装工程质量。
4.记录吊装过程中的关键数据和操作情况,以备后期参考和分析。
六、施工总结1.梳理吊装过程中的问题和不足,总结经验教训,为后续施工提供参考。
2.对吊装施工的组织管理和工艺流程进行总结和评估。
3.提出改进措施,并进行整改,以提高吊装工程的质量和安全性。
总结:桁架钢结构吊装是一项复杂而危险的施工工作,需要严格遵守安全规范和施工要求,严密组织和周密计划各个环节。
钢结构桁架吊装方案第一篇:钢结构桁架吊装方案水井坊桁架安装吊装方案一、吊装机具的选择由于该工程桁架自重较重,长度较大,高度较高,同时还有建筑物阻挡,吊装难度特别大,因此构件安装时,所选择的起重机以行走灵活的自行式起重机和塔式起重机为主,所选择的起重机械的臂长度就具备足够的覆盖面、足够的起重能力及不碰撞的回转空间,因此选用25T吊车2台,进入地下室顶板区域进行吊装,并在吊车行走道路及打腿位置垫上30#轻型槽钢,以消除地下室顶板承重时的影响。
二.吊装前期准备工作:安装前应对基础轴线和标高,地脚螺栓位置、预埋与混凝土紧贴性进行检查,检查和办理交接手续,其基础应符合如下要求:、2.1.基础混凝土强度达到设计要求2.2.基础的轴线标志和标高基准点准确、齐全。
2.3.基础顶面预埋钢板为柱的支撑面,其支撑面、地脚螺栓的允许偏差应符合规范要求。
2.4.超出规定的偏差,在吊装之前应设法消除,此外,为便于校正钢柱的平面位置和垂直度,屋架的标高等,需在钢柱的底部和上部标出纵横向的轴线,在钢柱底部适当高度处标出标高准线。
钢结构制作允许偏差应符合规范要求。
1.5.准备好所需的吊具、吊索、钢丝绳、电焊机及劳保用品,为调整构件的标高准备好各种规格的铁垫片等。
钢结构安装时,必须对地脚螺栓位置及固定措施进行检查,保证预埋地脚螺栓的位置的准确性。
三、钢柱的吊装:共4数 100MM为宜(使用时加垫块)。
B、支承地面(或轨道)应平整并有足够的耐力。
方案2)爬梯:上下钢柱的爬梯可用钢梯或竹梯,梯子的强度、步距应符合国家规范,使用前须检查完好性。
若须接长使用,其接头绑捆应可靠,接头不宜超过两处,梯子与地面夹角65°±5°,上端作适当固定,下端垫平垫稳。
(见附图二)(附图二)四、桁架的吊装桁架在地面拼装并用高强螺栓连接紧固,屋面梁宜采用两点对称,便于施工人员高空操作,钢梁吊装宜缓慢进行,吊装过柱顶后由操作工人扶正对位,用螺栓穿过连接板与钢柱临时固定,并进行校正,钢梁的校正主要是垂直度检查,梁跨中垂直度偏差不大于H/250(H为钢梁高),并不得大于20㎜,钢梁校正后应及时进行高强螺栓紧固,退下临时螺栓,换上高强螺栓,做好永久固定,按规范进行初拧、终拧高强螺栓。
钢结构桁架吊装施工方案1、运装场地硬化处理钢桁架在拼装平台上拼装,拼装完成后用25t汽车吊将拼装好钢桁架梁吊运至安装位置,为保证吊装施工的正常进行,要求25t汽车吊行走路线场地需要平整、硬化处理,硬化处理范围7m* 198m。
2、吊装起重设备选择(1)主桁架其中设备选择屋面钢桁架最大重量一榀4.985吨,跨度38M,高度±0以上8M。
吊装采用单榀桁架整体吊装。
拼焊完成后按焊缝等级要求进行超声波探伤,检测焊缝内部质量,合格后转移到起吊位置进行起吊安装。
钢桁架吊装用2台25吨汽车吊抬吊,按平均每台吊重2.5T考虑。
25T汽车吊全视图:以吊装重量最大的桁架进行吊装分析,对25吨汽车吊的起吊能力进行吊装分析如下:构件说明名称38m跨桁架重量(t) 2.5长度(m) 38安装高度(m) 8吊装机械及性能型号QY25型25t汽车吊臂长(m) 20.75作业半径(m) 8提升高度(m) 8.5钩、索具重量 1额定吊重(t) 6.6允许吊重(t) 5.6径8m,允许吊重5.6吨。
由于采用双机抬吊,考虑0.75折减系数,则实际允许吊重为5.6×0.75=4.2吨,可以满足吊装要求。
(2)次构件起重设备选择垂直支撑、系杆、天窗架等的吊装另选用一台16吨汽车吊起吊,配合桁架吊装。
16T汽车吊全视图:工作范围图:以吊装重量最大的垂直支撑(立面桁架)进行吊装分析,对16吨汽车吊的起吊能力进行吊装分析如下:构件说明名称垂直支撑(立面桁架)重量(t) 0.45T长度(m) 8.75安装高度(m) 8吊装机械及性能型号QY16型16t汽车吊臂长(m) 23.5作业半径(m) 8提升高度(m) 22.5钩、索具重量0.5额定吊重(t) 4.3允许吊重(t) 3.8因此选用16吨汽车吊主臂长度按23.5m,吊臂回转半径钢桁架吊装受力分析图G=2500kg=25KN,sinα=0.866,则F=(G/2)*sinα=10.825KN, (F为最大受力处)选用6*37φ24mm钢丝绳, 查表得a=0.82,Fg=326.5KN,取安全系数K=8。
目录一、编制依据 (3)二、工程概况 (3)三、工程难点 (6)3.1、构件尺寸大、重量大、拼装、吊装难度大、安装精度高 (6)3.2、现场拼装场地狭小 (6)3.3、现场焊接量大,高空焊接多 (6)四、施工准备 (6)4.1、桁架重量 (6)4.2、吊索的选用 (7)4.3、桁架分段 (7)4.3.1、连接桁架的分段 (8)4.3.2、伸臂桁架的分段 (9)4.4、桁架总体安装思路 (13)4.4.1、拼装平台的搭设 (13)4.4.2、伸臂桁架支撑平台的搭设 (17)4.5、胎架支撑体系的验算 (19)4.5.1、计算依据 (19)4.5.2、计算基本参数 (20)4.5.3、承载支点脚手架验算 (20)4.5.4、楼层承受力验算 (20)4.6、支撑胎架的搭设与拆除施工注意事项 (23)4.6.1、脚手架材料的选用 (23)4.6.2、脚手架的搭设 (23)4.6.3、脚手架的交接验收 (24)4.6.4、脚手架的使用 (24)4.6.5、脚手架的拆除 (24)五、施工方法 (24)5.1、连接桁架的吊装 (24)5.1.1、牛腿安装 (24)5.1.2、桁架下弦杆件的拼装 (25)5.1.3、杆件的整体吊装 (25)5.1.4、上弦杆件的施工 (26)5.1.5、腹杆的安装 (26)5.2、伸臂桁架的吊装 (27)5.3、桁架测量 (28)5.3.1、桁架吊装测量流程 (28)5.3.2、轴线位移校正 (28)5.3.3、垂直度校正 (28)5.3.4、桁架测量校正 (28)5.4、桁架焊接 (29)5.4.1、焊接概述 (29)5.4.2、施工准备 (29)5.5、桁架安装过程中的注意事项 (31)六、质量保证措施 (32)6.1、质量保证体系 (32)6.2、质量保证措施 (32)6.2.1、安装过程质量控制 (32)6.2.2、焊接过程中质量控制 (32)七、安全保证、文明施工措施 (33)7.1、安全文明施工管理体系 (33)7.2、安全文明施工管理措施 (33)一、编制依据《钢结构工程施工质量验收规范》 GB50205—2001《工程测量规范》 GB50026-93《建筑钢结构焊接技术规程》 JGJ81-2002《钢结构用扭剪型高强度螺栓连接副》 GB3632《钢结构用扭剪型高强度螺栓连接副技术条件》 GB3633《建筑施工扣件式钢管脚手架安全技术规范》 JGJ/130-2001《建筑施工高空作业安全技术规范》 JGJ80-91二、工程概况广州保利威座大厦工程为钢结构框架体系,用地面积约7691㎡,总建筑面积为202739 ㎡。
光明乳业有限公司日生产2000吨乳制品中央自动控制技术生产线改造项目(华东中央工厂)-门卫及停车库钢结构吊装专项方案编制人:潘雅丽审核人:郑世利审批人:许仲坡浙江天鸿钢结构工程有限公司二0一三年四月十七日一、工程概况工程简介:本工程由光明乳业有限公司投资兴建、由中国海诚工程科技股份有限公司、钢结构部分由浙江天鸿钢结构有限公司承建;本工程位于上海闵行经济开发区,紫东路南面,吊装区20米内无高压电缆,底下管道。
二、编制的目的及吊装方案1、目的:该单项工程总面积为约:30平方。
2、(1)、由于该工程门卫及停车库的桁架顶标高为+米。
(土建平台标高为+,桁架自身高度为18米)会给安装施工带来一定的吊装难度。
为此,我公司针对该工程制定以下方案。
2、吊装流程:、吊装工序的安排为保证优质、安全、高效完成吊装任务,严格按如下钢结构吊装流程图施工。
钢结构吊装流程图如下:三、吊装前准备工作 项目部、劳动力配备A.根据工程的具体情况,项目部人员配备如下:B.根据工程的具体情况,我公司将挑选有丰富经验施工人员组成钢结构吊装队。
C.班长负责施工指挥、协调各工种间的联系,班组长是施工操作的组织者,对操作质量和安全负直接责任。
D.吊车设二名起重工指挥持证上岗。
非起重工严禁指挥起重设备。
E.电工负责施工现场的电力供给、电气设备的正常运行和安全使用。
F.对进场工人做好入场培训工作,并做好培训记录,不让任何一个未经安全培训的人员上岗作业。
做好安全技术交底工作,下达任务的同时,必须有书面的安全注意事项及要求。
进入工地必须戴安全帽,高处作业必须系安全带。
G.认真学习有关安全操作规程,按规程规定操作施工,各工种在参加吊装过程中,必须设专人统一指挥,密切配合,设专职或兼职安全员。
H.安全员加强施工人员班前与班后的安全教育及安全技术交底与检查工作,工作人员不准远离施工现场,防止意外事故发生。
吊装时,未焊接牢固和未连接紧固的各种零部件不允许起吊作业。
南京高等职业技术学校
四期体育馆屋面工程钢桁架吊装方案
一、结构吊装工程质量保证体系
1.1、土建施工负责:
建筑物及塔架结构混凝土的强度应符合设计标准;轴线偏差、柱顶标高、外形尺寸不得超差;预埋件位置、平整度应符合设计要求。
1.2、钢结构施工负责:
1.2.1、根据土建提供的现场实测位置尺寸,对施工现场与钢桁架吊装有关的构件进行分中、弹线、抄平,清理予埋件上的杂物,并将钢桁架吊装所使用的各种工机具事先准备齐全。
1.2.2、保证钢桁架结构的几何尺寸,对钢桁架及零部件的型号尺寸进行复核。
保证钢桁架安装的垂直度,位移;桁架安装时焊接及紧固的质量。
1.2.3、钢桁架吊装前,质检人员应对钢桁架构件进行检查,复核,检查合格后及时通知监理检查,经监理检查合格后方可进行吊装。
二、钢桁架施工区域布置图及吊车行走路线:
(详见后附图)
组装完毕,即可进行吊装。
整体桁架吊装可按3~8轴吊装钢桁架。
三、吊装前的准备工作
3.1、吊装前的最后检查:索具、工具是否齐全,符合安全要求。
所有桁架编号,控制线是否齐全。
安全设施是否齐备,道路是否平整,
起重设备是否完好。
3.2、钢结构桁架吊装前必须提供各建筑结构、混凝土门架书面的水准控制点、施工坐标;各建筑结构、混凝土门架梁上预埋件的准确标高和建筑结构与门架、门架与门架之间的轴线测量报告;
3.3、对关键控制点进行复核,复核后,及时在门架预埋件安装位置画线,并在门架预埋安装部位设置焊接定位角钢。
做到标记齐全,位置准确、色泽鲜明。
画出钢桁架支座底板的中心线,位置准确、色泽鲜明。
3.4、根据设计标高,拉通长钢丝轴线,作为吊装高程及轴线控制基准线。
3.5、轴线、标高复核:钢桁架结构安装前应对混凝土门架、结构轴线和标高再次进行检查,并应符合如下要求:
3.5.1、门架之间及与柱有安装联系的主体结构间距符合标准要求。
3.5.2、门架之间及与桁架有安装联系的主体结构垂直度符合标准要求。
3.5.3、认真检查预埋件位置是否准确,预埋螺栓误差不得超过2mm。
3.6、为了保证桁架吊装的安全和质量,吊装前必须具备以下条件:3.6.1、拟定专项安全吊装作业措施,并向操作人员安全交底;
3.6.2、进场起重机械应经检验合格,并报审;
3.6.3、焊缝质量合格,焊接工艺评定报告齐全;
3.6.4、桁架组装检验批,报验、验收合格;
3.6.5、混凝土门架结构及与柱有安装联系的主体结构全部施工结束,
并有工序交接资料;
3.6.6、认真检查组装好的桁架构件是否放平、垫实,防止变形扭曲;
3.6.7、起重工应认真检查好吊具,如钢丝绳,卡环,倒链等各种吊具;
3.6.8、吊装工作必须有专业人员指挥吊装。
四、桁架的吊装
4.1、桁架吊装要求
4.2、根据结构物特点及施工现场实际情况,将钢桁架上下弦水平支撑、竖向支撑等拼装成整体,一次进行吊装,有利于保证其吊装稳定性。
由于桁架的跨度、重量和安装高度不同,钢桁架可用汽车吊进行吊装。
吊装时桁架上应绑扎圆木杉杆或木方,作为临时加固措施,绑扎时垫上破布,防止损伤桁架表面漆膜。
为使桁架吊起后不发生大的摇摆,起吊前应在桁架两端绑扎溜绳或稳绳,随吊随放松,以保持其正确位置。
4.3吊升、对位与临时固定
4.3.1、在桁架吊装就位前,必须将门架上安装部位的预埋件处清理干净。
再次测量各塔架、结构的标高、轴线,当门架、结构支座标高或水平度不符合要求时,可采用垫铁或刨削预埋件支座底面的方法来调节。
4.3.2、桁架在起吊前应进行试吊。
即将桁架平行起吊到距地面200~300mm 高度,检查各钢丝绳受力是否均匀,持续5min 后,再看有无下沉现象,如情况良好,可正式起吊。
4.3.3、桁架起吊的速度应均匀缓慢,同时将桁架上的稳绳固定在各个角度,使起吊中不致摆动。
当由水平状态逐渐倾斜时,应注意绑绳处所垫的破布、木块等是否滑落。
当桁架逐渐落到门架、结构安装位置上时应特别小心,防止损坏预埋板的承力面,并使桁架支腿尽量抵靠限位角钢。
此时可以察看桁架支座底板的中心线与门架、结构上预埋件的中心线是否吻合,并在桁架悬吊状态下进行调整。
43.4、桁架吊升时先将桁架吊离地面约200~300mm 高度,然后将桁架转至吊装位置下方,再将桁架提升超过建筑物结构或混凝土门架、安装位置约300-500mm ,然后将桁架缓慢降至安装位置进行对位,安装对位应以建筑物的定位轴线为准。
因此在桁架吊装前,应用经纬仪或其它工具在门架、结构安装位置上放出定位轴线。
如截面中线与定位轴线偏差过大时,应调整纠正。
桁架对位后,立即进行临时固定。
临时固定稳妥后,吊车方可摘去吊钩。
4.5、校正和最后固定
钢桁架就位采取低端先做临时固定,而后继续起吊高端就位,桁架经对位、临时固定后,主要校正桁架垂直度偏差。
规范规定:垂直度偏差不大于h/250 ,且不应大于15mm;相邻两结构门架间、门架与建筑结构物上,安装栈桥支腿的预埋钢板的设计标高的高差,不应大于L/1500,且不应大于10mm。
检查时可用垂球或经纬仪,校正无误后,立即用电焊焊牢作为最后固定,焊接时应采用对角施焊,以防焊缝收缩导致桁架倾斜。
五、吊装计算:
5.1、单机吊装:
5.1.1、桁架吊装
⑴、由于场地限制以上钢桁架只能采用单机吊装。
选第4轴上一榀桁架进行吊装计算。
桁架自重9.5吨+索具重量1 T(查表)=10.5吨。
⑵、起升高度:
在塔架上安装高度为:吊装低端14米、高端为16米。
钢桁架吊装的起升高度:
h1= 16m——(吊升的高端高度)
h2= 0.3~0.5 m——(安装时,桁架支座到塔架安装位置标高的调整距离)
h3= 1.3m——(桁架腿高)
h4= 6.0m——(索具高度)
总高H= h1 +h2 +h3 +h4=16m+ 0.5m+1.3m+6.0m=23.8m。
屋架梁吊装绳的长度根据吊点位置,吊装角度计算绳长为16m,吊装中保持角度55~60°。
⑶、起重机械选用:
桁架吊重11吨,吊升高度23.8m。
选用QY200汽车起重机,当吊臂36.9米,工作幅度20米,吊起高度为30时的起重量为13.5T。
故13.5T>10.5T,可满足吊装要求。
也可满足其它长度20米以内钢桁架的吊装要求。
特点:机械稳定性好,操作变幅平稳。
⑷、吊装钢丝绳选择:
受力分析:
式中:F——1根吊索的拉力;
G——构件重力;
β——吊索与垂直线的夹角
式中:a——钢桁架纵向吊点的距离;
b——钢桁架横向吊点的距离;
h——起重机吊钩至桁架上表面的距离
钢桁架吊装受力分析
吊装重量10T
钢桁架纵向吊点的距离a =8.0m
钢桁架横向吊点的距离b =3.6m
起重机吊钩至桁架上表面的距离h4 =6
cosβ=1.194
钢桁架整体构件吊装选4个吊点,采用4根钢丝绳,钢丝绳与桁架水平杆件夹角为60~65°。
则每根钢丝绳需承受的拉力:(桁架选4个点,受力在平面空间略有变化,忽略不计)
P1= P2= P3= P4=13.7÷4÷sin60=3.95T
查表选绳,选6×37、直径24mm,抗拉强度为1550N/mm2钢丝绳。
其破断拉力总和G=32.65T,修正系数=0.82,取安全系数K=8。
32.65×0.82÷6=4.46T>3.95T(其中8为安全系数)故选用此绳安全。
吊点:
经计算钢桁架分成三段,两头11.5米,中间10米的部位,刚好是钢桁架支撑点。
(见图)
六场地要求
6.1.要求把进场道路两边的水泥砖清理、场地平整;
6.2要求把钢筋棚拆除及堆放钢筋的场地清理出来,场地平整;
6.3要求把靠球场的围墙拆除约10米左右,吊车之腿必需在球场上。
腿下垫20厚钢板,具体拆除位置我公司将划线;
6.4要求把靠球场围墙的钢管脚手架拆至圈梁以下。