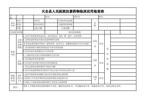
医疗机构抗菌药物临床应用管理检查表(最新)
- 格式:doc
- 大小:57.50 KB
- 文档页数:3
科室:检查病历号:
用药合理性评价项目存在相应问题的病历号主要诊断、抗菌药物名及病历号
1.无指征用药(预防∕治疗)
2.用药疗程不合理(过长∕过短)
3.越线用药(有无相关级别医生签名)
4.联合应用不合理(无指征、抗菌谱重叠、联用品种多、
有拮抗、增加毒性、无协同作用)
5.药物选择不合理(有禁忌症、档次过高、有过敏)
6.对疗效不佳的患者未及时调整给药方案
7.给药剂量不合理(过大或者过小)
注:每次根据每科住院病人数,检查使用抗菌药物病历3-10份(住院时间少于3天的不检),存在问题每份每项扣0.2分。
在相应条目栏写明住院病历号。
在主要诊断、抗菌药物名及病历号栏注明住院病历号,之后写明与使用抗菌药物相关的诊断病名和抗菌药名。
检查人:
1
检查时间:年月日
科室:检查病历号:
用药合理性评价项目存在相应问题的病历号主要诊断、抗菌药物名及病历号
8.频繁换药没有指征或依据
9.围手术期给药时机不合理
10.围手术期术前给药时间不合理
11.局部用药不合理
12.手术时间>4h或出血量>1500ml术中未追加抗菌药物
13.未及时送检和复查各种细菌培养标本或无本院报告异
常结果,没有依据仍持续使用抗菌药物
14.给药方法不合理(给药途径、给药次数、给药间隔时
间、溶媒选择)
15.缺相关病程记录(无用药原因分析、无疗效分析、无
停药原因分析、未记录药物不良反应及处理情况)
2
检查时间:年月日。
抗菌药物临床应用专项整治活动督导检查表(2012)(加分制,总分300分)医院检查时间:检查人:总分重点检查项目检查内容具体情况得分(一)医疗机构抗菌药物临床应用管理情况(100分)1.1抗菌药物临床应用管理基本情况(22分)1.1.1设立抗菌药物管理工作组,建立完善的工作机制,保障工作顺利开展。
(4分)抗菌药物管理工作组组成合理,符合规定。
(1分)医务、药学等各部门职责分工明确,落实责任制,工作机制具有操作性。
(1分)组织开展工作并有详细记录。
(1分)将抗菌药物临床应用情况纳入医师、药师职称晋升、评先评优、定期考核、收入分配、绩效考核体系,有具体落实办法。
(1分)1.1.2医疗机构主要负责人与临床科室负责人签订抗菌药物合理应用责任状。
(5分)所有临床科室均已签署责任状。
(1分)责任状指标设定科学,能够结合2011年责任状情况持续改进。
(1分)对各临床科室2011年责任状完成情况有考核、有评估、有干预措施。
(3分)1.1.3严格医师抗菌药物处方权限和药师抗菌药物调剂资格管理。
(8分)对医师或药师培训并考核合格后,授予相应级别抗菌药物处方权限和调剂资格。
(1分)处方权和调剂资格授予有正式文件。
(1分)有落实处方权限和调剂资格管理的相应措施,具有可操作性。
(1分)抽取5名临床医师进行现场考核,考核合格。
(5分)1.1.4建立抗菌药物临床应用情况排名、内部公2012年上半年本机构限制使用级和特殊使用级抗菌药物使用情况向上级卫生行政部门报告情况。
(1分)对临床科室抗菌药物使用量、使用率和使用强度等情况进行排名并予以内部公示。
(1分)示、报告、诫勉谈话和奖惩制度。
(5分) 对有明显不合理使用的医师进行批评教育,诫勉谈话或采取相应惩罚措施。
(1分)对合理使用抗菌药物行为采取相应奖励措施。
(2分)1.2抗菌药物临床应用管理支撑体系建设(16分)1.2.1感染性疾病科建设。
(6分)有独立的感染性疾病科建制,配备感染性疾病专业医师,明确工作职责。
抗菌药物临床使用调查表医疗机构抗菌药物临床应用情况调查表医疗机构名称:统计时间:年月填表人:内容:1.抗菌药物使用情况以药品通用名计(种)以药品品规计(个)抗菌药物口服剂型品规数(个)抗菌药物注射剂型品规数(个)头霉素类抗菌药物品规(个)三代及四代头孢菌素(含复方制剂)口服剂型品规数(个)三代及四代头孢菌素(含复方制剂)注射剂型品规数(个)碳青霉烯类注射剂型品规数(个)氟喹诺酮类口服剂型品规数(个)氟喹诺酮类注射剂型品规数(个)深部抗真菌类品种数(个)医院药品总品种数(种)2.药品使用情况总医院西药总品种数(种)医院中成药总品种数(种)医院中药饮片总品种数(种)3.药品品规情况医院西药总品规数(个)医院中成药总品规数(个)4.抗菌药物使用金额(按销售金额计,万元)5.药品总金额(按含中药销售金额计,万元)6.抗菌药物费用占药费总额的百分率(%)7.门诊患者抗菌药物处方比例(%)8.门诊患者静脉用抗菌药物处方比例(%)9.急诊患者抗菌药物处方比例(%)10.急诊患者静脉用抗菌药物处方比例(%)11.住院患者抗菌药物使用率(%)12.抗菌药物使用量注射剂型累计DDD数(按统一DDD值计算)口服剂型累计DDD数(按统一DDD值计算)13.住院患者抗菌药物使用强度(DDD)14.特殊使用级抗菌药物使用强度(DDD)15.特殊使用级抗菌药物使用率(%)16.Ⅰ类切口手术抗菌药物预防使用率(%)17.经血管途径介入诊断手术患者抗菌药物预防使用率(%)注:不包括抗结核药、寄生虫药、抗病毒药、植物类药及局部用药。
一张处方中无论使用了几种抗菌药物(包括不同剂型),都只记为使用了抗菌药物的一张处方。
门诊处方不包括急诊处方。
一个病历中无论使用了几种抗菌药物(包括不同剂型),都只记为一例使用了抗菌药物的病历。
填表日期:填表人联系18.抗菌药物预防使用率(%):这个指标反映了医院在手术和治疗中预防性使用抗菌药物的比例。
医院应该根据指南和规范来合理使用抗菌药物,避免滥用和误用。
附表医疗机构抗菌药物临床应用情况调查表医院名称: 开放床位数:张统计时间范围:月—月填表日期:说明:1、药品DDD数=该药品销售总量(g)/该药DDD值2、某类抗菌药物的累计DDD数=该类抗菌药物DDD数之和3、注射剂型累计DDD数=所有使用的抗菌药物注射剂DDD数之和。
(不包括抗结核、抗病毒、寄生虫、植物类药及局部用药)4、口服剂型累计DDD数=所有使用的抗菌药物口服剂DDD数之和。
(不包括抗结核、抗病毒、寄生虫、植物类药及局部用药)5、抗菌药物销售金额占药品销售总金额的比例(%)=抗菌药物销售金额×100/同期药品销售总金额6、门诊抗菌药物处方比例(%)=门诊使用抗菌药物处方数×100/同期处方总数(使用抗菌药物处方暂不包括局部用药)7、住院患者抗菌药物使用率(%)=出院患者使用抗菌药物总例数×100/同期总出院人数(使用抗菌药物处方暂不包括局部用药)8、住院患者抗菌药物使用强度(DDD)=住院患者抗菌药物消耗量(累计DDD数)×100/同期收治患者人天数注:①DDD值:WHO推荐的药物应用日处方协定剂量②某个抗菌药物消耗量(某个抗菌药物的DDD数)=该药消耗总量(g)/该药DDD值(WHO计算方法)③抗菌药物消耗量(累计DDD数)=所有抗菌药物DDD数的和。
④同期收治患者人天数=同期出院患者人数×同期患者平均住院天数9、Ⅰ类切口手术抗菌药物预防使用率(%)=Ⅰ类切口手术预防用抗菌药物总例数×100/同期Ⅰ类切口手术总例数10、介入治疗抗菌药物预防使用率(%)=介入手术预防用抗菌药物总例数×100/同期介入治疗总例数11、外科手术预防使用抗菌药物时间控制在术前30分钟至2小时内的比例(%)=外科手术预防使用抗菌药物时间控制在术前30分钟至2小时内的手术例数×100/同期外科手术使用抗菌药物总例数12、Ⅰ类切口手术预防使用抗菌药物时间不超过24小时的比例(%)=Ⅰ类切口手术预防使用抗菌药物时间不超过24小时的手术例数×100/同期Ⅰ类切口手术使用抗菌药物总例数13、Ⅰ类切口手术预防使用抗菌药物人均用药天数(天)=Ⅰ类切口手术预防使用抗菌药物总用药天数/同期Ⅰ类切口手术预防使用抗菌药物总例数14、接受抗菌药物治疗住院患者微生物检验样本送检率(%)=接受抗菌药物治疗住院患者微生物检验样本送检例数×100/同期接受抗菌药物治疗住院患者总例数欢迎您的下载,资料仅供参考!。
附件2
2021年抗菌药物临床应用专项整治活动督导检查表医院抽样时刻:年月日至年月日病人出院人数:
素类;8〕大环内酯类;9〕糖肽类;10〕林可酰胺类;11〕喹诺酮类;12〕硝基呋喃类;13〕硝基咪唑类;14〕磺胺类;15〕其它;16〕抗真菌药。
2.抗菌药物,包括抗生素类和合成抗菌药物类,不含植物成分的抗菌药〔见医保名目分类〕;抗结核病药、抗麻风病药、抗病毒药、抗寄生虫药在此表中不列为抗菌药。
3.注射药物:疫苗、溶媒、局麻、封闭、结膜下、球后注射药等,不列进使用注射药物的统计范围。
4.医院应提供经药事治理与药物治疗学委员会遴选制定的“药品处方集〞和“全然药品提供名目〞。
附件3
药品〔西药〕品种排序表〔按金额〕
〔排在前20位品种〕
附件4医院?全然药物提供名目?抗菌药物调查表
医院名称:
抽样时刻:201 年月至201 年月第页共页
附件5医院临时采购抗菌药物调查表
医院名称:抽样时刻:年
附件6局部抗菌药物品种及品规数统计表
附件7住院患者抗菌药物使用情况调查表
医院:抽样时刻:20 年月至20 年月第页共页。
附表医疗机构抗菌药物临床应用情况调查表医院名称: 开放床位数:张统计时间范围:月—月填表日期:说明:1、药品DDD数=该药品销售总量(g)/该药DDD值2、某类抗菌药物的累计DDD数=该类抗菌药物DDD数之和3、注射剂型累计DDD数=所有使用的抗菌药物注射剂DDD数之和。
(不包括抗结核、抗病毒、寄生虫、植物类药及局部用药)4、口服剂型累计DDD数=所有使用的抗菌药物口服剂DDD数之和。
(不包括抗结核、抗病毒、寄生虫、植物类药及局部用药)5、抗菌药物销售金额占药品销售总金额的比例(%)=抗菌药物销售金额×100/同期药品销售总金额6、门诊抗菌药物处方比例(%)=门诊使用抗菌药物处方数×100/同期处方总数(使用抗菌药物处方暂不包括局部用药)7、住院患者抗菌药物使用率(%)=出院患者使用抗菌药物总例数×100/同期总出院人数(使用抗菌药物处方暂不包括局部用药)8、住院患者抗菌药物使用强度(DDD)=住院患者抗菌药物消耗量(累计DDD数)×100/同期收治患者人天数注:①DDD值:WHO推荐的药物应用日处方协定剂量②某个抗菌药物消耗量(某个抗菌药物的DDD数)=该药消耗总量(g)/该药DDD值(WHO计算方法)③抗菌药物消耗量(累计DDD数)=所有抗菌药物DDD数的和。
④同期收治患者人天数=同期出院患者人数×同期患者平均住院天数9、Ⅰ类切口手术抗菌药物预防使用率(%)=Ⅰ类切口手术预防用抗菌药物总例数×100/同期Ⅰ类切口手术总例数10、介入治疗抗菌药物预防使用率(%)=介入手术预防用抗菌药物总例数×100/同期介入治疗总例数11、外科手术预防使用抗菌药物时间控制在术前30分钟至2小时内的比例(%)=外科手术预防使用抗菌药物时间控制在术前30分钟至2小时内的手术例数×100/同期外科手术使用抗菌药物总例数12、Ⅰ类切口手术预防使用抗菌药物时间不超过24小时的比例(%)=Ⅰ类切口手术预防使用抗菌药物时间不超过24小时的手术例数×100/同期Ⅰ类切口手术使用抗菌药物总例数13、Ⅰ类切口手术预防使用抗菌药物人均用药天数(天)=Ⅰ类切口手术预防使用抗菌药物总用药天数/同期Ⅰ类切口手术预防使用抗菌药物总例数14、接受抗菌药物治疗住院患者微生物检验样本送检率(%)=接受抗菌药物治疗住院患者微生物检验样本送检例数×100/同期接受抗菌药物治疗住院患者总例数欢迎您的下载,资料仅供参考!。
抗菌药物临床使用调查表医疗机构抗菌药物临床应用情况调查表医疗机构名称:统计时间:年月填表人:内容:1.抗菌药物使用情况以药品通用名计(种)以药品品规计(个)抗菌药物口服剂型品规数(个)抗菌药物注射剂型品规数(个)头霉素类抗菌药物品规(个)三代及四代头孢菌素(含复方制剂)口服剂型品规数(个)三代及四代头孢菌素(含复方制剂)注射剂型品规数(个)碳青霉烯类注射剂型品规数(个)氟喹诺酮类口服剂型品规数(个)氟喹诺酮类注射剂型品规数(个)深部抗真菌类品种数(个)医院药品总品种数(种)2.药品使用情况总医院西药总品种数(种)医院中成药总品种数(种)医院中药饮片总品种数(种)3.药品品规情况医院西药总品规数(个)医院中成药总品规数(个)4.抗菌药物使用金额(按销售金额计,万元)5.药品总金额(按含中药销售金额计,万元)6.抗菌药物费用占药费总额的百分率(%)7.门诊患者抗菌药物处方比例(%)8.门诊患者静脉用抗菌药物处方比例(%)9.急诊患者抗菌药物处方比例(%)10.急诊患者静脉用抗菌药物处方比例(%)11.住院患者抗菌药物使用率(%)12.抗菌药物使用量注射剂型累计DDD数(按统一DDD值计算)口服剂型累计DDD数(按统一DDD值计算)13.住院患者抗菌药物使用强度(DDD)14.特殊使用级抗菌药物使用强度(DDD)15.特殊使用级抗菌药物使用率(%)16.Ⅰ类切口手术抗菌药物预防使用率(%)17.经血管途径介入诊断手术患者抗菌药物预防使用率(%)注:不包括抗结核药、寄生虫药、抗病毒药、植物类药及局部用药。
一张处方中无论使用了几种抗菌药物(包括不同剂型),都只记为使用了抗菌药物的一张处方。
门诊处方不包括急诊处方。
一个病历中无论使用了几种抗菌药物(包括不同剂型),都只记为一例使用了抗菌药物的病历。
填表日期:填表人联系18.抗菌药物预防使用率(%):这个指标反映了医院在手术和治疗中预防性使用抗菌药物的比例。
医院应该根据指南和规范来合理使用抗菌药物,避免滥用和误用。