常用钢材化学成分与力学性能
- 格式:doc
- 大小:1.29 MB
- 文档页数:48
常用钢材化学成分及力学性能01.碳素钢板(一)Q235-A.F钢(二)Q235-A钢板(三)Q235-B钢板(四)Q235-C钢板(五)20HP钢板(六)15MnHP钢板(七)20R钢板02.低合金高强度钢板(一)16MnR钢板(三)15MnVNR钢板(四)18MnMoNbR钢板(五)13MnNiMoNbR钢板03.低温钢板(一)16MnDR钢板(二)09Mn2VDR钢板(三)15MnNiDR钢板(四)09MnNiDR钢板(五)07MnNiCrMoVDR钢板04.中温抗氢钢板(一)15CrMoR钢板(二)12Cr2Mo1R钢板05.不锈钢板(一)0Cr13钢板(二)0Cr18Ni9钢板(三)1Cr18Ni9Ti钢板(四)0Cr18Ni10Ti钢板(五)0Cr17Ni12Mo2钢板(六)0Cr18Ni12Mo2Ti钢板(七)0Cr19Ni13Mo3钢板( 八)00Cr19Ni10钢板(九)00Cr17Ni14Mo2钢板(十)00Cr19Ni13Mo3钢板(十一)00Cr18Ni5Mo3Si2钢板(十二)铁素体型或马素体型钢板(十三)奥氏体型钢管(十四)奥氏体--铁素体型钢板06.碳素钢和低合金高强度钢钢管(一)GB8163中的10和20钢管(无缝管)(二)GB9948中的10和20钢管(无缝管)(三)GB6479中的10、20G、16Mn和15MnV钢管(无缝管)07.低温钢管(一)GB6479中的10、20G和16Mn钢管(无缝管)(二)09Mn2VD钢管(无缝管)08.中温抗氢钢管(一)GB9948中的12CrMo和15CrMo钢管(无缝管)(二)GB6479中的12CrMo、15CrMo、10MoWVNb、12Cr2Mo和1Cr5Mo钢管(无缝管)(三)GB5310中的12Cr1MoV钢管(无缝管)09.不锈钢管 (一)GB/T14976 中的钢管表 9-12 钢管的许用应力(二)GB13296 中的钢管表9~14 钢管的常温力学性能表9-15 GB150 推荐的钢管高温屈服强度表 9-16 钢管的许用应力10.碳素钢和低温合金钢锻件表10-1 常用钢号(一)20 钢锻件表10-2 钢的化学成分表10-3 钢锻件的常温力学性能表10-4 GB150 标准推荐的高温屈服强度表10-5 钢锻件的许用应力(二)35 钢锻件的许用应力表10-6 化学成分表10-7 钢锻件的常温力学性能表10-8 GB150 标准推荐的高温屈服强度表10-9 钢锻件的许用应力(三)16Mn 钢锻件表10-10化学成分表10-11 钢锻件的常温力学性能表10-12 GB150 标准推荐的高温屈服强度表10-13 钢锻件的许用应力(四)15MnV 钢锻件表10-14化学成分表10-15 钢锻件的常温力学性能表10-16 GB150 标准推荐的高温屈服强度表10-17 钢锻件的许用应力(五)20MnMo钢锻件表10-18化学成分表10-19 钢锻件的常温力学性能表10-20 JB4726对钢锻件高温屈服强度的规定表10-21 钢锻件的许用应力(六)20MnMoNb 钢锻件表10-22化学成分注:对真空碳脱氧钢,允许Si含量小于或等于0.12%表10-23 钢锻件的常温力学性能表10-24 JB4726对钢锻件高温屈服强度的规定表10-25 钢锻件的许用应力(七)15CrMo 钢锻件表10-26化学成分注:对真空碳脱氧钢,允许Si含量小于或等于0.12%表10-27 钢锻件的常温力学性能表10-28 JB4726对钢锻件高温屈服强度的规定表10-29 15CrMo钢锻件的许用应力(八)35CrMo钢锻件表10-30化学成分注:对真空碳脱氧钢,允许Si含量小于或等于0.12%表10-31 钢锻件的常温力学性能表10-32 JB4726对钢锻件高温屈服强度的规定表10-33 钢锻件的许用应力(九)12Cr1MoV钢锻件表10-34化学成分注:对真空碳脱氧钢,允许Si含量小于或等于0.12%表10-35 钢锻件的常温力学性能表10-36 JB4726对钢锻件高温屈服强度的规定表10-37 钢锻件的许用应力(十)12Cr2Mo1 钢锻件注:对真空碳脱氧钢,允许Si含量小于或等于0.12%表10-38 钢锻件的常温力学性能表10-39 JB4726对钢锻件高温屈服强度的规定表10-40 钢锻件的许用应力(十一)1Cr5Mo钢锻件表10-41化学成分注:对真空碳脱氧钢,允许Si含量小于或等于0.12%表10-42 钢锻件的常温力学性能表10-43 GB150 标准推荐的高温屈服强度表10-44 钢锻件的许用应力11.低温钢锻件表11-1 中国常用钢号(一)20D 钢锻件表11-2 钢的化学成分表11-3 钢锻件的常温拉伸和低温冲击性能表11-4 钢锻件的许用应力(二)16MnD 钢锻件表11-5化学成分表11-6 钢锻件的常温拉伸和低温冲击性能表11-7 钢锻件的许用应力(三)09Mn2VD 钢锻件表11-8化学成分表11-9 钢锻件的常温拉伸和低温冲击性能表11-10 钢锻件的许用应力(四)09MnNiD 钢锻件表11-11化学成分表11-12 钢锻件的常温拉伸和低温冲击性能表11-13 钢锻件的许用应力(五)16MnMoD 和20MnMoD 钢锻件表11-14 钢的化学成分表11-15 钢锻件的常温拉伸和低温冲击性能表11-16 钢锻件的许用应力(六) 08MnNiCrMoVD 钢锻件表11-17化学成分表11-18 钢锻件的常温拉伸和低温冲击性能表11-19 钢锻件的许用应力(七)10Ni3MoVD 钢锻件表11-20化学成分表11-21 钢锻件的常温拉伸和低温冲击性能表11-22 钢锻件的许用应力12.不锈钢锻件(一)0Cr13和1Cr13钢锻件(二)0Cr18Ni9和00Cr19Ni10钢锻件(三)0Cr17Ni12Mo2和00Cr17Ni14Mo2钢锻件(四)1Cr18Ni9和0Cr18Ni10Ti钢锻件(五)00Cr18Ni5Mo3Si2钢锻件13.超高压容器锻件1、34CrNi3MoA钢化学成分2、34CrNi3MoA钢锻件的力学性能14.螺柱用钢材(一)Q235-A镇静钢(二)35钢(三)螺柱用合金结构钢15.碳素钢和低温合金钢铸件 (一)ZG200-400H铸钢(二)ZG230-450H铸钢(三)ZG275-485H铸钢16.不锈钢铸件(一)ZG1Cr13铸钢(二)ZG0Cr18Ni9和ZG00Cr18Ni10(三)ZG1Cr18Ni9Ti和ZG0Cr18Ni9Ti铸钢(四)ZG0Cr18Ni12Mo2Ti铸钢。
是性能良好的渗碳钢,淬透性较高,经渗碳淬火后具有硬而耐磨的表面与坚韧的心部,具有较高的低温冲击韧性,焊接性中等,正火后可切削性良好。
用于制造截面30mm的承受高速、中等或重载荷、冲击及摩擦的重要零件,如齿轮、齿圈、齿轮轴十字头等。
是18CrMnTi的代用钢,广泛用作渗碳零件,在汽车.拖拉机工业用于截面在30mm以下,承受高速.中或重负荷以及受冲击.摩擦的重要渗碳零件,如齿轮.轴.齿圈.齿轮轴.滑动轴承的主轴.十字头.爪形离合器.蜗杆等。
20CrMnTi钢板40、美国AISI/SAE/ASTM标准钢号5140、日本JIS标准钢SCr440(H)/SCr440、国际标准化组织ISO标准钢号41C德国DIN标准钢号41Cr4/42Gr4、英国EN标准钢号18、41Cr4、法国AFNOR标准钢号42C4、法国NF标准钢号38焊接工艺要点: 1、一般在退火(正火)状态下进行焊接。
2、焊接方法不受限制 3、用较大线能量,适当提高预热温度,一般预热 4、焊接材料应保证熔敷金属的成分与母材基本相 5、焊后应及时进行调质热处间退火或在高于预热的温度下保温一段时间,以排除扩散结构复杂、焊缝较多的产品,可在焊完一定数量的焊缝后火。
生铁屑保护摆动回火规范 (670±10)℃×2h,随炉℃×2h,随炉降温,(670±10)℃×2h,随炉升温,(7再随炉降温,(670±10)℃×2h,随炉升温, (710±10温,共3个循环,再降温至550℃,出炉空冷。
处理后硬度1交货状态 40Cr交货状态以热处理(正火、退火或高温回火)◆圆钢:每米重量(公斤)=0.00617×直径×直径(注:螺◆扁钢:每米重量(公斤)=0.00785×厚度×边宽◆管材:每米重量(公斤)=0.02466×壁厚×(外径-壁厚◆板材:每米重量(公斤)=0.785×厚度(σ20Cr钢40Cr钢板/ASTM标准钢号5140、日本JIS标准钢号40、国际标准化组织ISO标准钢号41Cr4。
常用钢材化学成分及力学性能01.碳素钢板(一)Q235-A.F钢(二)Q235-A钢板(三)Q235-B钢板(四)Q235-C钢板(五)20HP钢板(六)15MnHP钢板(七)20R钢板02.低合金高强度钢板(一)16MnR钢板(三)15MnVNR钢板(四)18MnMoNbR钢板(五)13MnNiMoNbR钢板03.低温钢板(一)16MnDR钢板(二)09Mn2VDR钢板(三)15MnNiDR钢板(四)09MnNiDR钢板(五)07MnNiCrMoVDR钢板04.中温抗氢钢板(一)15CrMoR钢板(二)12Cr2Mo1R钢板05.不锈钢板(一)0Cr13钢板(二)0Cr18Ni9钢板(三)1Cr18Ni9Ti钢板(四)0Cr18Ni10Ti钢板(五)0Cr17Ni12Mo2钢板(六)0Cr18Ni12Mo2Ti钢板(七)0Cr19Ni13Mo3钢板( 八)00Cr19Ni10钢板(九)00Cr17Ni14Mo2钢板(十)00Cr19Ni13Mo3钢板(十一)00Cr18Ni5Mo3Si2钢板(十二)铁素体型或马素体型钢板(十三)奥氏体型钢管(十四)奥氏体--铁素体型钢板06.碳素钢和低合金高强度钢钢管(一)GB8163中的10和20钢管(无缝管)(二)GB9948中的10和20钢管(无缝管)(三)GB6479中的10、20G、16Mn和15MnV钢管(无缝管)07.低温钢管(一)GB6479中的10、20G和16Mn钢管(无缝管)(二)09Mn2VD钢管(无缝管)08.中温抗氢钢管(一)GB9948中的12CrMo和15CrMo钢管(无缝管)(二)GB6479中的12CrMo、15CrMo、10MoWVNb、12Cr2Mo和1Cr5Mo钢管(无缝管)(三)GB5310中的12Cr1MoV钢管(无缝管)09.不锈钢管 (一)GB/T14976 中的钢管表 9-12 钢管的许用应力(二)GB13296 中的钢管表9~14 钢管的常温力学性能表9-15 GB150 推荐的钢管高温屈服强度表 9-16 钢管的许用应力10.碳素钢和低温合金钢锻件表10-1 常用钢号(一)20 钢锻件表10-2 钢的化学成分表10-3 钢锻件的常温力学性能表10-4 GB150 标准推荐的高温屈服强度表10-5 钢锻件的许用应力(二)35 钢锻件的许用应力表10-6 化学成分表10-7 钢锻件的常温力学性能表10-8 GB150 标准推荐的高温屈服强度表10-9 钢锻件的许用应力(三)16Mn 钢锻件表10-10化学成分表10-11 钢锻件的常温力学性能表10-12 GB150 标准推荐的高温屈服强度表10-13 钢锻件的许用应力(四)15MnV 钢锻件表10-14化学成分表10-15 钢锻件的常温力学性能表10-16 GB150 标准推荐的高温屈服强度表10-17 钢锻件的许用应力(五)20MnMo钢锻件表10-18化学成分表10-19 钢锻件的常温力学性能表10-20 JB4726对钢锻件高温屈服强度的规定表10-21 钢锻件的许用应力(六)20MnMoNb 钢锻件表10-22化学成分注:对真空碳脱氧钢,允许Si含量小于或等于0.12%表10-23 钢锻件的常温力学性能表10-24 JB4726对钢锻件高温屈服强度的规定表10-25 钢锻件的许用应力(七)15CrMo 钢锻件表10-26化学成分注:对真空碳脱氧钢,允许Si含量小于或等于0.12%表10-27 钢锻件的常温力学性能表10-28 JB4726对钢锻件高温屈服强度的规定表10-29 15CrMo钢锻件的许用应力(八)35CrMo钢锻件表10-30化学成分注:对真空碳脱氧钢,允许Si含量小于或等于0.12%表10-31 钢锻件的常温力学性能表10-32 JB4726对钢锻件高温屈服强度的规定表10-33 钢锻件的许用应力(九)12Cr1MoV钢锻件表10-34化学成分注:对真空碳脱氧钢,允许Si含量小于或等于0.12%表10-35 钢锻件的常温力学性能表10-36 JB4726对钢锻件高温屈服强度的规定表10-37 钢锻件的许用应力(十)12Cr2Mo1 钢锻件注:对真空碳脱氧钢,允许Si含量小于或等于0.12%表10-38 钢锻件的常温力学性能表10-39 JB4726对钢锻件高温屈服强度的规定表10-40 钢锻件的许用应力(十一)1Cr5Mo钢锻件表10-41化学成分注:对真空碳脱氧钢,允许Si含量小于或等于0.12%表10-42 钢锻件的常温力学性能表10-43 GB150 标准推荐的高温屈服强度表10-44 钢锻件的许用应力11.低温钢锻件表11-1 中国常用钢号(一)20D 钢锻件表11-2 钢的化学成分表11-3 钢锻件的常温拉伸和低温冲击性能表11-4 钢锻件的许用应力(二)16MnD 钢锻件表11-5化学成分表11-6 钢锻件的常温拉伸和低温冲击性能表11-7 钢锻件的许用应力(三)09Mn2VD 钢锻件表11-8化学成分表11-9 钢锻件的常温拉伸和低温冲击性能表11-10 钢锻件的许用应力(四)09MnNiD 钢锻件表11-11化学成分表11-12 钢锻件的常温拉伸和低温冲击性能表11-13 钢锻件的许用应力(五)16MnMoD 和20MnMoD 钢锻件表11-14 钢的化学成分表11-15 钢锻件的常温拉伸和低温冲击性能表11-16 钢锻件的许用应力(六) 08MnNiCrMoVD 钢锻件表11-17化学成分表11-18 钢锻件的常温拉伸和低温冲击性能表11-19 钢锻件的许用应力(七)10Ni3MoVD 钢锻件表11-20化学成分表11-21 钢锻件的常温拉伸和低温冲击性能表11-22 钢锻件的许用应力12.不锈钢锻件(一)0Cr13和1Cr13钢锻件(二)0Cr18Ni9和00Cr19Ni10钢锻件(三)0Cr17Ni12Mo2和00Cr17Ni14Mo2钢锻件(四)1Cr18Ni9和0Cr18Ni10Ti钢锻件(五)00Cr18Ni5Mo3Si2钢锻件13.超高压容器锻件1、34CrNi3MoA钢化学成分2、34CrNi3MoA钢锻件的力学性能14.螺柱用钢材(一)Q235-A镇静钢(二)35钢(三)螺柱用合金结构钢15.碳素钢和低温合金钢铸件 (一)ZG200-400H铸钢(二)ZG230-450H铸钢(三)ZG275-485H铸钢16.不锈钢铸件(一)ZG1Cr13铸钢(二)ZG0Cr18Ni9和ZG00Cr18Ni10(三)ZG1Cr18Ni9Ti和ZG0Cr18Ni9Ti铸钢(四)ZG0Cr18Ni12Mo2Ti铸钢。
钢板Q235B(一)
Q235B钢板,是一种低碳钢。
一、含义:Q+数字+质量等级符号组成。
钢号冠“Q”,Q代表屈服点,用“屈”大写“Q”字母表,数字表示屈服数值,单位“MPa”。
刚好后面的字母代表质量等级。
Q235质量等级分为:A、B、C、D。
A不做冲击试验,B在常温下做冲击试验,C在0℃做冲击试验,D在-20度做冲击试验。
脱氧方法符号:F为沸腾钢,B半镇静钢,Z镇静钢,TZ特殊镇静钢。
例:Q235B 表示屈服点为235MPa的碳素结构钢,质量等级为B
二、元素含量
三、力学性能
四、用途
Q235B是国内最常见的钢材之一,价格低廉能够胜任大多数对性能要求不高的产品
Q235B有一定的伸长率、强度,良好的韧性和铸造性,易于冲压和焊接,广泛用于一般的机械零件的制造,主要用于建筑、桥梁工程上质量要求不高的焊接结构件
五、加工与切割
所有材质均可切割,我司可按客户图纸要求进行钢板的全自动数控切割异型件、切割法兰圆盘、仿形件、钻孔,外协加工各类机械零部件、模具钢、轴承座、齿轮盘、钢结构件及焊接预埋件等,产品广泛应用于工程机械设备、锅炉容器配件、电力设备、矿山设备、机床、冶金设备、煤矿机械设备、造船、锻压件、发电设备等领域。
公司提供的钢板深加工切割业务,可以最大限度的为使用企业节省人力物力,实现其原材料零库存和大幅减少采购成本与减少设备投入和缩短加工交货周期的目的。
业务遍布于上海、江苏、浙江、山东、安徽、福建、江西、辽宁等省市。
六、尺寸与规格。
常用钢材化学成分及力学性能01.碳素钢板(一)Q235-A.F钢(二)Q235-A钢板(三)Q235-B钢板(四)Q235-C钢板(五)20HP钢板(六)15MnHP钢板(七)20R钢板02.低合金高强度钢板(一)16MnR钢板(三)15MnVNR钢板(四)18MnMoNbR钢板(五)13MnNiMoNbR钢板03.低温钢板(一)16MnDR钢板(二)09Mn2VDR钢板(三)15MnNiDR钢板(四)09MnNiDR钢板(五)07MnNiCrMoVDR钢板04.中温抗氢钢板(一)15CrMoR钢板(二)12Cr2Mo1R钢板05.不锈钢板(一)0Cr13钢板(二)0Cr18Ni9钢板(三)1Cr18Ni9Ti钢板(四)0Cr18Ni10Ti钢板(五)0Cr17Ni12Mo2钢板(六)0Cr18Ni12Mo2Ti钢板(七)0Cr19Ni13Mo3钢板( 八)00Cr19Ni10钢板(九)00Cr17Ni14Mo2钢板(十)00Cr19Ni13Mo3钢板(十一)00Cr18Ni5Mo3Si2钢板(十二)铁素体型或马素体型钢板(十三)奥氏体型钢管(十四)奥氏体--铁素体型钢板06.碳素钢和低合金高强度钢钢管(一)GB8163中的10和20钢管(无缝管)(二)GB9948中的10和20钢管(无缝管)(三)GB6479中的10、20G、16Mn和15MnV钢管(无缝管)07.低温钢管(一)GB6479中的10、20G和16Mn钢管(无缝管)(二)09Mn2VD钢管(无缝管)08.中温抗氢钢管(一)GB9948中的12CrMo和15CrMo钢管(无缝管)(二)GB6479中的12CrMo、15CrMo、10MoWVNb、12Cr2Mo和1Cr5Mo钢管(无缝管)(三)GB5310中的12Cr1MoV钢管(无缝管)09.不锈钢管 (一)GB/T14976 中的钢管表 9-12 钢管的许用应力(二)GB13296 中的钢管表9~14 钢管的常温力学性能表9-15 GB150 推荐的钢管高温屈服强度表 9-16 钢管的许用应力10.碳素钢和低温合金钢锻件表10-1 常用钢号(一)20 钢锻件表10-2 钢的化学成分表10-3 钢锻件的常温力学性能表10-4 GB150 标准推荐的高温屈服强度表10-5 钢锻件的许用应力(二)35 钢锻件的许用应力表10-6 化学成分表10-7 钢锻件的常温力学性能表10-8 GB150 标准推荐的高温屈服强度表10-9 钢锻件的许用应力(三)16Mn 钢锻件表10-10化学成分表10-11 钢锻件的常温力学性能表10-12 GB150 标准推荐的高温屈服强度表10-13 钢锻件的许用应力(四)15MnV 钢锻件表10-14化学成分表10-15 钢锻件的常温力学性能表10-16 GB150 标准推荐的高温屈服强度表10-17 钢锻件的许用应力(五)20MnMo钢锻件表10-18化学成分表10-19 钢锻件的常温力学性能表10-20 JB4726对钢锻件高温屈服强度的规定表10-21 钢锻件的许用应力(六)20MnMoNb 钢锻件表10-22化学成分注:对真空碳脱氧钢,允许Si含量小于或等于0.12%表10-23 钢锻件的常温力学性能表10-24 JB4726对钢锻件高温屈服强度的规定表10-25 钢锻件的许用应力(七)15CrMo 钢锻件表10-26化学成分注:对真空碳脱氧钢,允许Si含量小于或等于0.12%表10-27 钢锻件的常温力学性能表10-28 JB4726对钢锻件高温屈服强度的规定表10-29 15CrMo钢锻件的许用应力(八)35CrMo钢锻件表10-30化学成分注:对真空碳脱氧钢,允许Si含量小于或等于0.12%表10-31 钢锻件的常温力学性能表10-32 JB4726对钢锻件高温屈服强度的规定表10-33 钢锻件的许用应力(九)12Cr1MoV钢锻件表10-34化学成分注:对真空碳脱氧钢,允许Si含量小于或等于0.12%表10-35 钢锻件的常温力学性能表10-36 JB4726对钢锻件高温屈服强度的规定表10-37 钢锻件的许用应力(十)12Cr2Mo1 钢锻件注:对真空碳脱氧钢,允许Si含量小于或等于0.12%表10-38 钢锻件的常温力学性能表10-39 JB4726对钢锻件高温屈服强度的规定表10-40 钢锻件的许用应力(十一)1Cr5Mo钢锻件表10-41化学成分注:对真空碳脱氧钢,允许Si含量小于或等于0.12%表10-42 钢锻件的常温力学性能表10-43 GB150 标准推荐的高温屈服强度表10-44 钢锻件的许用应力11.低温钢锻件表11-1 中国常用钢号(一)20D 钢锻件表11-2 钢的化学成分表11-3 钢锻件的常温拉伸和低温冲击性能表11-4 钢锻件的许用应力(二)16MnD 钢锻件表11-5化学成分表11-6 钢锻件的常温拉伸和低温冲击性能表11-7 钢锻件的许用应力(三)09Mn2VD 钢锻件表11-8化学成分表11-9 钢锻件的常温拉伸和低温冲击性能表11-10 钢锻件的许用应力(四)09MnNiD 钢锻件表11-11化学成分表11-12 钢锻件的常温拉伸和低温冲击性能表11-13 钢锻件的许用应力(五)16MnMoD 和20MnMoD 钢锻件表11-14 钢的化学成分表11-15 钢锻件的常温拉伸和低温冲击性能表11-16 钢锻件的许用应力(六) 08MnNiCrMoVD 钢锻件表11-17化学成分表11-18 钢锻件的常温拉伸和低温冲击性能表11-19 钢锻件的许用应力(七)10Ni3MoVD 钢锻件表11-20化学成分表11-21 钢锻件的常温拉伸和低温冲击性能表11-22 钢锻件的许用应力12.不锈钢锻件(一)0Cr13和1Cr13钢锻件(二)0Cr18Ni9和00Cr19Ni10钢锻件(三)0Cr17Ni12Mo2和00Cr17Ni14Mo2钢锻件(四)1Cr18Ni9和0Cr18Ni10Ti钢锻件(五)00Cr18Ni5Mo3Si2钢锻件13.超高压容器锻件1、34CrNi3MoA钢化学成分2、34CrNi3MoA钢锻件的力学性能14.螺柱用钢材(一)Q235-A镇静钢(二)35钢(三)螺柱用合金结构钢15.碳素钢和低温合金钢铸件 (一)ZG200-400H铸钢(二)ZG230-450H铸钢(三)ZG275-485H铸钢16.不锈钢铸件(一)ZG1Cr13铸钢(二)ZG0Cr18Ni9和ZG00Cr18Ni10(三)ZG1Cr18Ni9Ti和ZG0Cr18Ni9Ti铸钢(四)ZG0Cr18Ni12Mo2Ti铸钢。
常用钢材化学成分及力学性能01.碳素钢板(一)Q235-A.F钢(二)Q235-A钢板(三)Q235-B钢板(四)Q235-C钢板(五)20HP钢板(六)15MnHP钢板(七)20R钢板02.低合金高强度钢板(一)16MnR钢板15MnVR(三)15MnVNR钢板(四)18MnMoNbR钢板(五)13MnNiMoNbR钢板03.低温钢板(一)16MnDR钢板(二)09Mn2VDR钢板(三)15MnNiDR钢板(四)09MnNiDR钢板(五)07MnNiCrMoVDR钢板04.中温抗氢钢板(一)15CrMoR钢板(二)12Cr2Mo1R钢板05.不锈钢板(一)0Cr13钢板(二)0Cr18Ni9钢板(三)1Cr18Ni9Ti钢板(四)0Cr18Ni10Ti钢板(五)0Cr17Ni12Mo2钢板(六)0Cr18Ni12Mo2Ti钢板(七)0Cr19Ni13Mo3钢板( 八)00Cr19Ni10钢板(九)00Cr17Ni14Mo2钢板(十)00Cr19Ni13Mo3钢板(十一)00Cr18Ni5Mo3Si2钢板(十二)铁素体型或马素体型钢板(十三)奥氏体型钢管(十四)奥氏体--铁素体型钢板06.碳素钢和低合金高强度钢钢管(一)GB8163中的10和20钢管(无缝管)(二)GB9948中的10和20钢管(无缝管)(三)GB6479中的10、20G、16Mn和15MnV钢管(无缝管)07.低温钢管(一)GB6479中的10、20G和16Mn钢管(无缝管)(二)09Mn2VD钢管(无缝管)08.中温抗氢钢管(一)GB9948中的12CrMo和15CrMo钢管(无缝管)(二)GB6479中的12CrMo、15CrMo、10MoWVNb、12Cr2Mo和1Cr5Mo钢管(无缝管)(三)GB5310中的12Cr1MoV钢管(无缝管)09.不锈钢管 (一)GB/T14976 中的钢管表 9-12 钢管的许用应力(二)GB13296 中的钢管表9~14 钢管的常温力学性能表9-15 GB150 推荐的钢管高温屈服强度表 9-16 钢管的许用应力10.碳素钢和低温合金钢锻件表10-1 常用钢号(一)20 钢锻件表10-2 钢的化学成分表10-3 钢锻件的常温力学性能表10-4 GB150 标准推荐的高温屈服强度表10-5 钢锻件的许用应力(二)35 钢锻件的许用应力表10-6 化学成分表10-7 钢锻件的常温力学性能表10-8 GB150 标准推荐的高温屈服强度表10-9 钢锻件的许用应力(三)16Mn 钢锻件表10-10化学成分表10-11 钢锻件的常温力学性能表10-12 GB150 标准推荐的高温屈服强度表10-13 钢锻件的许用应力(四)15MnV 钢锻件表10-14化学成分表10-15 钢锻件的常温力学性能表10-16 GB150 标准推荐的高温屈服强度表10-17 钢锻件的许用应力(五)20MnMo钢锻件表10-18化学成分表10-19 钢锻件的常温力学性能表10-20 JB4726对钢锻件高温屈服强度的规定表10-21 钢锻件的许用应力(六)20MnMoNb 钢锻件表10-22化学成分注:对真空碳脱氧钢,允许Si含量小于或等于0.12% 表10-23 钢锻件的常温力学性能表10-24 JB4726对钢锻件高温屈服强度的规定表10-25 钢锻件的许用应力(七)15CrMo 钢锻件表10-26化学成分注:对真空碳脱氧钢,允许Si含量小于或等于0.12% 表10-27 钢锻件的常温力学性能表10-28 JB4726对钢锻件高温屈服强度的规定表10-29 15CrMo钢锻件的许用应力(八)35CrMo钢锻件表10-30化学成分注:对真空碳脱氧钢,允许Si含量小于或等于0.12% 表10-31 钢锻件的常温力学性能表10-32 JB4726对钢锻件高温屈服强度的规定表10-33 钢锻件的许用应力(九)12Cr1MoV钢锻件表10-34化学成分注:对真空碳脱氧钢,允许Si含量小于或等于0.12% 表10-35 钢锻件的常温力学性能表10-36 JB4726对钢锻件高温屈服强度的规定表10-37 钢锻件的许用应力(十)12Cr2Mo1 钢锻件注:对真空碳脱氧钢,允许Si含量小于或等于0.12% 表10-38 钢锻件的常温力学性能表10-39 JB4726对钢锻件高温屈服强度的规定表10-40 钢锻件的许用应力(十一)1Cr5Mo钢锻件表10-41化学成分注:对真空碳脱氧钢,允许Si含量小于或等于0.12% 表10-42 钢锻件的常温力学性能表10-43 GB150 标准推荐的高温屈服强度表10-44 钢锻件的许用应力11.低温钢锻件表11-1 中国常用钢号(一)20D 钢锻件表11-2 钢的化学成分表11-3 钢锻件的常温拉伸和低温冲击性能表11-4 钢锻件的许用应力(二)16MnD 钢锻件表11-5化学成分表11-6 钢锻件的常温拉伸和低温冲击性能表11-7 钢锻件的许用应力(三)09Mn2VD 钢锻件表11-8化学成分表11-9 钢锻件的常温拉伸和低温冲击性能表11-10 钢锻件的许用应力(四)09MnNiD 钢锻件表11-11化学成分表11-12 钢锻件的常温拉伸和低温冲击性能表11-13 钢锻件的许用应力(五)16MnMoD 和20MnMoD 钢锻件表11-14 钢的化学成分表11-15 钢锻件的常温拉伸和低温冲击性能表11-16 钢锻件的许用应力(六) 08MnNiCrMoVD 钢锻件表11-17化学成分表11-18 钢锻件的常温拉伸和低温冲击性能表11-19 钢锻件的许用应力(七)10Ni3MoVD 钢锻件表11-20化学成分表11-21 钢锻件的常温拉伸和低温冲击性能表11-22 钢锻件的许用应力12.不锈钢锻件(一)0Cr13和1Cr13钢锻件(二)0Cr18Ni9和00Cr19Ni10钢锻件(三)0Cr17Ni12Mo2和00Cr17Ni14Mo2钢锻件(四)1Cr18Ni9和0Cr18Ni10Ti钢锻件(五)00Cr18Ni5Mo3Si2钢锻件13.超高压容器锻件1、34CrNi3MoA钢化学成分2、34CrNi3MoA钢锻件的力学性能14.螺柱用钢材(一)Q235-A镇静钢(二)35钢(三)螺柱用合金结构钢15.碳素钢和低温合金钢铸件 (一)ZG200-400H铸钢(二)ZG230-450H铸钢(三)ZG275-485H铸钢16.不锈钢铸件(一)ZG1Cr13铸钢(二)ZG0Cr18Ni9和ZG00Cr18Ni10(三)ZG1Cr18Ni9Ti和ZG0Cr18Ni9Ti铸钢(四)ZG0Cr18Ni12Mo2Ti铸钢。
q235力学性能和化学成分-中英
Q235是一种碳素钢,其中碳的含量小于0.22%,铬的含量不超过
0.35%,硫的含量小于或等于0.045%,钼的含量小于或等于0.3%,铁的含量可以为99.2%以上。
Q235是一种中碳素钢,该材料的电弧焊性能良好,适用于简单的焊接,用于消费件,结构件,汽车,桥梁,管道等,特别是广泛应用于建筑行业,工业行业,机械制造行业。
Q235钢材具有良好的热处理性能,该材料具有良好的热处理性能,可以在常温下进行热处理,在进行正确的热处理之后,可以提高材料的抗拉强度,抗弯强度和塑性等性能,并且可以改善试样的组织形貌,提高材料的机械性能。
Q235的化学成分主要包括碳、硅、磷、锰、铬、铜、镁、钼、镍、钴、钒、铁等元素。
其中,碳在0.17-0.22%之间,硅在0.10-0.35%之间。
cf53钢材密度(1)特性中碳高强度碳素结构钢,该钢可切削性中等,冷变形塑性低,焊接性差,热处理时无回火脆性,但淬透性较低,水中临界直径为13*30mm,且水淬时有开裂倾向。
此钢通常在正火或淬火回火,或高频表面淬火等热处理后使用。
(2)供货状态及硬度未热处理态,硬度≤241HBW;退火态,硬度≤207HBS。
(3)化学成分(质量分数,%)C 0.47~0.55、Si 0.17~0.37、Mn 0.50~0.80、P≤0.035、S≤0.035、Ni≤0.30、Cr≤0.15、Cu≤0.25、.(4)参考对应钢号德国DIN标准材料编号1.1213、德国DIN标准钢号Cf53、我国GB的标准钢号是50、英国BS标准钢号060A52、法国AFNOR标准钢号XC48TS、法国NF标准钢号C50、意大利UNI标准钢号C53、比利时NBN标准钢号C53、瑞典SS标准钢号1674、美国AISI/SAE/ASTM标准钢号1050、日本JIS标准钢号S50C/S53C、国际标准化组织ISO标准钢号C50E4。
(5)临界点温度(近似值)Ac1=725℃,Ac3=760℃,Ar3=721℃,Ar1=690℃(6)正火规范温度830℃±10℃,空气冷却。
(7)普通淬火、回火规范淬火温度830℃±10℃,水、油冷却;回火温度600℃±10℃,水、油冷却。
cf53钢材密度(8)适用于:制造动负载、冲击载荷不大以及要求耐磨性好的机械零件,如锻造齿轮、轴摩擦盘、机床主轴、发动机主轴、轧辊、拉杆、弹簧垫圈等。
55号钢介绍优质碳素结构钢为高强度中碳钢,经处理后有高的表面硬度和强度,但塑性、韧性较差,切削加工性能中等,焊接性、淬透性差,水淬具有形成裂纹的倾向。
一般在正火或淬火后使用,用作要求较高的强度和耐磨性或弹性、动载荷及冲击负荷不大的零件,如齿轮、轮缘、扁弹簧、曲轴等,也可作铸件。
热处理规范:正火,820℃;淬火,820℃;回火,600℃。
常用钢材化学成分及力学性能01.碳素钢板(一)Q235-A.F钢(二)Q235-A钢板(三)Q235-B钢板(四)Q235-C钢板(五)20HP钢板(六)15MnHP钢板(七)20R钢板02.低合金高强度钢板(一)16MnR钢板(三)15MnVNR钢板(四)18MnMoNbR钢板(五)13MnNiMoNbR钢板03.低温钢板(一)16MnDR钢板(二)09Mn2VDR钢板(三)15MnNiDR钢板(四)09MnNiDR钢板(五)07MnNiCrMoVDR钢板04.中温抗氢钢板(一)15CrMoR钢板(二)12Cr2Mo1R钢板05.不锈钢板(一)0Cr13钢板(二)0Cr18Ni9钢板(三)1Cr18Ni9Ti钢板(四)0Cr18Ni10Ti钢板(五)0Cr17Ni12Mo2钢板(六)0Cr18Ni12Mo2Ti钢板(七)0Cr19Ni13Mo3钢板( 八)00Cr19Ni10钢板(九)00Cr17Ni14Mo2钢板(十)00Cr19Ni13Mo3钢板(十一)00Cr18Ni5Mo3Si2钢板(十二)铁素体型或马素体型钢板(十三)奥氏体型钢管(十四)奥氏体--铁素体型钢板06.碳素钢和低合金高强度钢钢管(一)GB8163中的10和20钢管(无缝管)(二)GB9948中的10和20钢管(无缝管)(三)GB6479中的10、20G、16Mn和15MnV钢管(无缝管)07.低温钢管(一)GB6479中的10、20G和16Mn钢管(无缝管)(二)09Mn2VD钢管(无缝管)08.中温抗氢钢管(一)GB9948中的12CrMo和15CrMo钢管(无缝管)(二)GB6479中的12CrMo、15CrMo、10MoWVNb、12Cr2Mo和1Cr5Mo钢管(无缝管)(三)GB5310中的12Cr1MoV钢管(无缝管)09.不锈钢管(一)GB/T14976 中的钢管表9-12 钢管的许用应力(二)GB13296 中的钢管表9~14 钢管的常温力学性能表9-15 GB150 推荐的钢管高温屈服强度表9-16 钢管的许用应力10.碳素钢和低温合金钢锻件表10-1 常用钢号(一)20 钢锻件表10-2 钢的化学成分表10-3 钢锻件的常温力学性能表10-4 GB150 标准推荐的高温屈服强度表10-5 钢锻件的许用应力(二)35 钢锻件的许用应力表10-6 化学成分表10-7 钢锻件的常温力学性能表10-8 GB150 标准推荐的高温屈服强度表10-9 钢锻件的许用应力(三)16Mn 钢锻件表10-10化学成分表10-11 钢锻件的常温力学性能表10-12 GB150 标准推荐的高温屈服强度表10-13 钢锻件的许用应力(四)15MnV 钢锻件表10-14化学成分表10-15 钢锻件的常温力学性能表10-16 GB150 标准推荐的高温屈服强度表10-17 钢锻件的许用应力(五)20MnMo 钢锻件 表10-18化学成分表10-19 钢锻件的常温力学性能表10-20 JB4726对钢锻件高温屈服强度的规定表10-21 钢锻件的许用应力(六)20MnMoNb 钢锻件表10-22化学成分注:对真空碳脱氧钢,允许Si含量小于或等于0.12%表10-23 钢锻件的常温力学性能表10-24 JB4726对钢锻件高温屈服强度的规定表10-25 钢锻件的许用应力(七)15CrMo 钢锻件表10-26化学成分注:对真空碳脱氧钢,允许Si含量小于或等于0.12%表10-27 钢锻件的常温力学性能表10-28 JB4726对钢锻件高温屈服强度的规定表10-29 15CrMo钢锻件的许用应力(八)35CrMo钢锻件表10-30化学成分注:对真空碳脱氧钢,允许Si含量小于或等于0.12%表10-31 钢锻件的常温力学性能表10-32 JB4726对钢锻件高温屈服强度的规定表10-33 钢锻件的许用应力(九)12Cr1MoV钢锻件表10-34化学成分注:对真空碳脱氧钢,允许Si含量小于或等于0.12%表10-35 钢锻件的常温力学性能表10-36 JB4726对钢锻件高温屈服强度的规定表10-37 钢锻件的许用应力(十)12Cr2Mo1 钢锻件注:对真空碳脱氧钢,允许Si含量小于或等于0.12%表10-38 钢锻件的常温力学性能表10-39 JB4726对钢锻件高温屈服强度的规定表10-40 钢锻件的许用应力(十一)1Cr5Mo钢锻件表10-41化学成分注:对真空碳脱氧钢,允许Si含量小于或等于0.12%表10-42 钢锻件的常温力学性能表10-43 GB150 标准推荐的高温屈服强度表10-44 钢锻件的许用应力11.低温钢锻件表11-1 中国常用钢号(一)20D 钢锻件表11-2 钢的化学成分表11-3 钢锻件的常温拉伸和低温冲击性能表11-4 钢锻件的许用应力(二)16MnD 钢锻件表11-5化学成分表11-6 钢锻件的常温拉伸和低温冲击性能表11-7 钢锻件的许用应力(三)09Mn2VD 钢锻件表11-8化学成分表11-9 钢锻件的常温拉伸和低温冲击性能表11-10 钢锻件的许用应力(四)09MnNiD 钢锻件表11-11化学成分表11-12 钢锻件的常温拉伸和低温冲击性能表11-13 钢锻件的许用应力(五)16MnMoD 和20MnMoD 钢锻件表11-14 钢的化学成分表11-15 钢锻件的常温拉伸和低温冲击性能表11-16 钢锻件的许用应力(六)08MnNiCrMoVD 钢锻件表11-17化学成分表11-18 钢锻件的常温拉伸和低温冲击性能表11-19 钢锻件的许用应力(七)10Ni3MoVD 钢锻件表11-20化学成分表11-21 钢锻件的常温拉伸和低温冲击性能表11-22 钢锻件的许用应力12.不锈钢锻件(一)0Cr13和1Cr13钢锻件(二)0Cr18Ni9和00Cr19Ni10钢锻件(三)0Cr17Ni12Mo2和00Cr17Ni14Mo2钢锻件(四)1Cr18Ni9和0Cr18Ni10Ti钢锻件(五)00Cr18Ni5Mo3Si2钢锻件13.超高压容器锻件1、34CrNi3MoA钢化学成分2、34CrNi3MoA钢锻件的力学性能14.螺柱用钢材(一)Q235-A镇静钢(二)35钢(三)螺柱用合金结构钢15.碳素钢和低温合金钢铸件(一)ZG200-400H铸钢(二)ZG230-450H铸钢(三)ZG275-485H铸钢16.不锈钢铸件(一)ZG1Cr13铸钢(二)ZG0Cr18Ni9和ZG00Cr18Ni10(三)ZG1Cr18Ni9Ti和ZG0Cr18Ni9Ti铸钢(四)ZG0Cr18Ni12Mo2Ti铸钢。
常用金属材料中各种化学成分对性能的影响1.碳钢:碳钢中最主要的化学成分是碳,其含量在0.08%至1.2%之间。
碳的含量越高,碳钢的强度越大,但韧性较低。
碳钢中还含有其他元素,如锰、硅、磷和硫等。
锰可以提高碳钢的强度和韧性,硅可以提高耐磨性,磷和硫的含量较高会使钢材质量下降,降低其可焊性。
2.不锈钢:不锈钢中含有铬、镍和其他合金元素,主要目的是提供抗腐蚀性能。
铬是不锈钢最主要的合金元素,通过形成铬氧化物保护膜来防止钢材被氧化腐蚀。
镍提高了不锈钢的强度和韧性,同时也增加了抗腐蚀性能。
其他合金元素如钼、钛和铜等可以进一步提高不锈钢的机械性能和耐蚀性能。
3.铝合金:铝合金中含有铝以外的元素,如铜、锌、镁、锰和硅等。
这些元素的添加可以改变铝合金的性能。
铜可以提高铝合金的强度和耐蚀性,但降低了其可焊性。
锌可以增加铝合金的抗腐蚀性能和硬度。
镁能够显著提高铝合金的强度和韧性,同时也降低了其耐蚀性。
锰和硅的添加可以提高铝合金的耐蚀性和硬度。
4.铜:铜具有良好的导电性、导热性和可塑性。
纯铜具有较低的强度,但可以通过合金化来提高其力学性能。
通常,铜合金中添加的元素包括锡、锌、镍和铝等。
锡的添加可以提高铜的抗腐蚀性能和强度。
锌可以提高铜的硬度和强度。
镍可以增加铜的抗腐蚀性能和塑性。
铝的添加可以提高铜的强度和硬度。
5.镁合金:镁合金中含有较高比例的镁元素,其含量可达到90%以上。
镁合金具有较低的密度和良好的机械性能。
常见的合金元素包括铝、锌、锰和稀土元素等。
铝的添加可以提高镁合金的强度和韧性,同时增加其耐腐蚀性能。
锌可以提高镁合金的耐腐蚀性和硬度。
锰的添加可以提高镁合金的强度。
总之,常用金属材料中的化学成分对其性能影响深远。
通过控制化学成分的含量以及合金化可以调整金属材料的强度、韧性、耐腐蚀性和其他机械性能。
这些信息对于选择合适的金属材料以及进行材料设计和工程应用至关重要。
常用钢材的型号化学成分用途及性能1.碳素结构钢型号:Q195、Q215、Q235、Q275等化学成分:主要成分为碳(C)和少量的硅(Si)、锰(Mn)、硫(S)和磷(P)用途:常用于建筑、桥梁、机械制造等领域,如制造轧制钢板、焊管和角钢等。
性能:具有较好的可塑性、可加工性和焊接性,在一般力学性能、耐久性和表面硬度方面表现良好。
2.低合金结构钢型号:Q345、Q390、Q420、Q460等化学成分:除含有较高的碳含量外,还含有一定的锰、铬、镍等合金元素用途:常用于制造大型建筑、重型机械、远洋船舶等,如制造大型铁塔、大型金属构件等。
性能:具有较高的强度和耐磨性,可满足工程结构的加工和使用要求。
3.不锈钢型号:201、304、316、321等化学成分:主要成分为铬(Cr)、镍(Ni)等合金元素用途:常用于制备厨具、压力容器、制药设备等,如制造不锈钢水槽、不锈钢管道等。
性能:具有优良的耐腐蚀性、耐高温性和韧性,表面光滑易清洁,长时间使用不易生锈。
4.工具钢型号:T8、T10、T12等化学成分:含有较高的碳含量和少量的硅、锰等用途:用于制造刀具、模具等工具,如制造钣金切割工具、冲模等。
性能:具有较好的耐磨性、硬度和切削性,可以承受较高的压力和温度。
5.弹簧钢型号:60Si2MnA、50CrVA等化学成分:含有锰、硅等合金元素用途:用于制造弹簧和弹性元件,如制造汽车减震弹簧、工业机械弹簧等。
性能:具有良好的弹性、韧性、耐磨性和耐疲劳性,能够在较大变形范围内保持较好的弹性恢复性能。
以上只是常用钢材的一部分型号、化学成分、用途及性能,实际使用中还有许多其他种类的钢材,每一种钢材都有其特定的应用场景和要求。
选择适合的钢材需要根据具体使用环境和要求进行判断,并综合考虑其化学成分、力学性能、耐蚀性等因素。
10、号20号、35号、45号、A3钢性能对比10号钢牌号:10钢●10号钢管化学成份:碳C :0.07~0.14"硅Si:0.17~0.37锰Mn:0.35~0.65硫S :≤0.04磷P :≤0.35铬Cr:≤0.15镍Ni:≤0.25铜Cu:≤0.25●10号钢管力学性能:抗拉强度σb (MPa):≥410(42) ;屈服强度σs (MPa):≥245(25)伸长率δ5 (%):≥25断面收缩率ψ(%):≥5,硬度:未热处理,≤156HB,试样尺寸:试样尺寸25mm●10号钢管热处理规范及金相组织:热处理规范:正火,910℃,空冷。
金相组织:铁素体+珠光体。
●10号钢管交货状态:以不热处理或热处理(退火、正火或高温回火)状态交货。
要求热处理状态交货的应在合同中注明,未注明者按不热处理交货。
李光涛优质碳素结构钢(GB/T699-1999)10号钢管中除含有碳(C)元素和为脱氧而含有一定量硅(Si)(一般不超过0.40%)、锰(Mn)(一般不超过0.80%,较高可到1.20%)合金元素外,不含其他合金元素(残余元素除外)。
此类钢必须同时保证化学成分和力学性能。
其硫(S)、磷(P)杂质元素含量一般控制在0.035%以下。
若控制在0.030%以下者叫高级优质钢,其牌号后面应加“A”,例如20A;若P控制在0.025%以下、S控制在0.020%以下时,称特级优质钢,其牌号后面应加“E”以示区别。
对于由原料带入钢中的其他残余合金元素,如铬(Cr)、镍(Ni)、铜(Cu)等的含量一般控制在Cr≤0.25%、Ni≤0.30%、Cu≤0.25%。
有的牌号锰(Mn)含量达到1.40%,称为锰钢。
10号钢管重量计算公式:[(外径-壁厚)*壁厚]*0.02466=kg/米(每米的重量)20号钢【牌号】20【化学成分】C:0.17%~0.23%Si:0.17%~0.37%Mn:0.35%~0.65%Cr≤0.25%Ni≤0.3%Cu≤0.25%【力学性能】试样毛坯尺寸25mm推荐热处理正火910℃??抗拉强度σb≥410MPa屈服强度σs≥245MPa断后伸长率δ5≥25%断面收缩率ψ()≥55%钢材交货状态硬度HBS10/3000,未热处理钢≤156【主要特征】强度硬度稍高于15F,15钢,塑性焊接性都好,热轧或正火后韧性好。
常用钢铁材料化学成份.力学性能一、《蜗炉用钢板》GB 723--199720gC≤0.20 Si 0.15~0.30 Mn 0.50~0.90P≤0.035 S≤0.035 (试样,横向)σb 400~520 σs≥225 δ5≥25A kv≥27 J A ku≥29 J·cm-2 d=1.5a16MngC≤0.20 Si 0.20~0.55 Mn 1.20~1.60P≤0.035 S≤0.030 (试样,横向)σb 490~630 σs≥325 δ5≥19(a>16~25)A kv≥27 J A ku≥29 J·cm-2 d=3a(180°)19MngC 0.15~0.22 Si 0.30~0.60 Mn 1.00~1.60P≤0.03 S≤0.025σb 510~650 σs≥345δ5≥20(a>16~40)A kv≥31 J d=3a(180°试样,横向)二、《压力容器用钢板》GB 6654--199620RC≤0.22 Si 0.15~0.30 Mn 0.35~0.90P≤0.035 S≤0.030σb 400~520 σs≥235 δ5≥25(a>16~36)A kv≥31 J(20°)d=2a(180°试样,横向) 16MnRC≤0.20 Si 0.20~0.55 Mn 1.20~1.60P≤0.035 S≤0.030σb 490~620 σs≥325 δ5≥21(a>16~36)A kv≥31 J(20°)d=2a(180°)15MnVRC≤0.18 Si 0.20~0.55 Mn 1.20~1.60V 0.04~0.12 P≤0.035 S≤0.030σb 510~645 σs≥370 δ5≥19(a>16~36)A kv≥31 J(20°)d=2a(180°试样,横向) 15CrMoRC 0.12~0.18 Si 0.15~0.40 Mn 0.40~0.70 Mo 0.45~0.60 Cr 0.80~1.20P≤0.030 S≤0.030 (试样,横向)σb 450~590 σs≥295 δ5≥19(a>6~60)A kv≥31 J(20°)d=2a(180°)三、《碳素结构钢》GB /T700--1988Q235-AC 0.14~0.22 Mn 0.30~0.65P≤0.045 S≤0.050 (试样,纵向)σb 375~500 σs≥235 δ5≥26(a<16)σb 375~500 σs≥225 δ5≥25(a>16~40)σb 375~500 σs≥215 δ5≥24(a>40~60)A kv≥无d=a(180°)Q235-BC 0.12~0.20 Si ≤0.30 Mn 0.30~0.70P≤0.045 S≤0.045 (试样,纵向)σb 375~500 σs≥235 δ5≥26(a<16)σb 375~500 σs≥225 δ5≥25(a>16~40)σb 375~500 σs≥215 δ5≥24(a>40~60)A kv≥27 J(20°)d=a(180°)Q235-CC ≤0.18 P≤0.040 S≤0.040Si ≤0.30 Mn 0.35~0.80σb 375~500 σs≥235 δ5≥26(a<16)σb 375~500 σs≥225 δ5≥25(a>16~40)σb 375~500 σs≥215 δ5≥24(a>40~60)A kv≥27 J(0°试样,横向)d=1.5a(180°)四、《伏质碳素结构钢》GB /T699--199915#C 0.12~0.18 Si 0.17~0.37 Mn 0.35~0.65P≤0.035 S≤0.035σb≥375 σs≥225 δ5≥26 (试样,φ25)A kU≥27 J ψ≥55HBS≤14320#C 0.17~0.24 Si 0.17~0.37 Mn 0.35~0.65P≤0.035 S≤0.035σb 340~470 σs≥215 δ5≥24 (试样,≤φ100)σb 320~470 σs≥205 δ5≥23 (试样,100~250) σb 320~470 σs≥195 δ5≥22 (试样,250~500) ψ≥53A kU≥54 J HBS 105~15625#C 0.22~0.29 Si 0.17~0.37 Mn 0.50~0.80P≤0.035 S≤0.035σb≥450σs≥275 δ5≥23(试样,φ25)ψ≥50 A kU≥71 J HBS ≤170JB /T6397--1992σb 410~540 σs≥235 δ5≥20(试样,≤φ100) ψ≥50A kU≥49 J HBS 120~155σb 390~520 σs≥225 δ5≥19(试样,100~250) ψ≥48A kU≥39 J HBS 120~155σb 390~520 σs≥215 δ5≥18(试样,250~500) ψ≥40A kU≥39J HBS 120~15535#C 0.32~0.39 Si 0.17~0.37 Mn 0.50~0.80P≤0.035 S≤0.035⑴σb≥530 σs≥315 δ5≥20(试样,φ25)ψ≥45 A kU≥55 J HBS ≤197JB /T6397--1992⑵σb490~630 σs≥255 δ5≥18 (试样,≤100) ψ≥43A kU≥34 J HBS 140~172 (正火)⑶σb450~590 σs≥240 δ5≥17(试样,100~250) ψ≥40A kU≥29 J HBS 140~172 (正火)⑷σb450~590 σs≥220 δ5≥16(试样,250~500) ψ≥27A kU≥29 J HBS 140~172 (正火)⑸σb550~700 σs≥320 δ5≥20 (试样,40~100) ψ≥45A kU≥40 J HBS 196~241 (调质) ⑹σb 490~640 σs≥295 δ5≥22 (试样,100~250)ψ≥40 A kU≥40 J HBS 189~229 (调质) ⑺σb 490~640 σs≥275 δ5≥21 (试样,250~500)ψ≥无A kU≥38 J HBS 163~219 (调质)45#C 0.42~0.50 Si 0.17~0.37 Mn 0.50~0.80P≤0.035 S≤0.035⑴σb≥600 σs≥355 δ5≥16 (试样,φ25)ψ≥40 A kU≥39 J HBS ≤229JB /T6397--1992⑵σb 570~710 σs≥295 δ5≥14 (试样,≤100)ψ≥38 A kU≥29 J HBS 170~207 (正火) ⑶σb 550~690 σs≥280 δ5≥13 (试样,100~250)ψ≥35 A kU≥24 J HBS 170~207 (正火) ⑷σb 550~690 σs≥260 δ5≥12 (试样,250~500)ψ≥32 A kU≥24 J HBS 170~207 (正火) ⑸σb 630~780 σs≥370 δ5≥17 (试样,40~100)ψ≥40 A kU≥31 J HBS 207~302 (调质) ⑹σb 590~740 σs≥345 δ5≥18 (试样,100~250)ψ≥35 A kU≥31 J HBS 197~286 (调质) ⑺σb 590~740 σs≥345 δ5≥17 (试样,250~500)ψ≥无A kU≥无HBS 187~255 (调质)五、《低合金结构钢》GB /T700--1988Q295—A/B(Q295代替09MnV,09MnNb, 09Mn2, 12Mn) C≤0.16 Mn 0.80~1.50 V 0.02~0.15Si≤0.55 Nb 0.015~0.060 Ti 0.02~0.20⑴σb 390~570 σs≥295 (试样,≤16)⑵σb 390~570 σs≥275 (试样,16~35)⑶σb 390~570 σs≥255 (试样,35~50)⑷σb 390~570 σs≥235 (试样,50~100)d=2a(≤16)d=3a(>16)(180°)〔δ5≥23 , A:A kv无, B: A kv≥34 J(20°)〕Q345—A/B/C/D/E(Q345代替12MnV,14MnNb,16Mn, 16MnRE, 18Nb)C≤0.20 Mn 1.00~1.60 V 0.02~0.15Si≤0.55 Nb 0.015~0.060 Ti 0.02~0.20Al≥0.015〔A/B:无Al〕⑴σb 470~630 σs≥345 δ5≥21 (试样,≤16)⑵σb 470~630 σs≥325 (试样,16~35)⑶σb 470~630 σs≥295 (试样,35~50)⑷σb 470~630 σs≥275 (试样,50~100)〔A:A kv无B: A kv≥34 J(20°) C: A kv≥34 J(0°)〕〔D: A kv≥34 J(-20°) E: A kv≥27 J(-40°)〕〔A/B: δ5≥21 C/D/E: δ5≥22〕d=2a(≤16)d=3a(>16) (180°)Q390—A/B/C/D/E(Q390代替15MnV, 16MnNb, 16MnTi,) C≤0.20 Mn 1.00~1.60 V 0.02~0.20Si≤0.55 Nb 0.015~0.060 Ti 0.02~0.20Al≥0.015〔A/B:无Al〕Ni≤0.70 Cr≤0.30⑴σb 490~650 σs≥390 (试样,≤16)⑵σb 490~650 σs≥370 (试样,16~35)⑶σb 490~650 σs≥350 (试样,35~50)⑷σb 490~650 σs≥330 (试样,50~100)〔A:A kv无B: A kv≥34 J(20°) C: A kv≥34 J(0°)〕〔D: A kv≥34 J(-20°) E: A kv≥27 J(-40°)〕〔A/B: δ5≥19 C/D/E: δ5≥20〕d=2a(≤16)d=3a(>16)(180°)Q420—A/B/C/D/E( Q420代替15MnVN, 14MnVTiRE ) C≤0.20 Mn 1.00~1.70 V 0.02~0.20Si≤0.55 Nb 0.015~0.060 Ti 0.02~0.20Al≥0.015〔A/B:无Al〕Ni≤0.70 Cr≤0.40⑴σb 520~680 σs≥420 (试样,≤16)⑵σb 520~680 σs≥400 (试样,16~35)⑶σb 520~680 σs≥380 (试样,35~50)⑷σb 520~680 σs≥360 (试样,50~100)〔A:A kv无B: A kv≥34 J(20°) C: A kv≥34 J(0°)〕〔D: A kv≥34 J(-20°) E: A kv≥27 J(-40°)〕〔A/B: δ5≥18 C/D/E: δ5≥19〕d=2a(≤16)d=3a(>16)(180°)Q460—/C/D/EC≤0.20 Mn 1.00~1.70 V 0.02~0.20Si≤0.55 Nb 0.015~0.060 Ti 0.02~0.20Al≥0.015 Ni≤0.70 Cr≤0.70⑴σb 550~720 σs≥460 (试样,≤16)⑵σb 550~720 σs≥440 (试样,16~35)⑶σb 550~720 σs≥420 (试样,35~50)⑷σb 550~720 σs≥400 (试样,50~100)δ5≥17 〔C: A kv≥34 J(0°) 〕〔D: A kv≥34 J(-20°) E: A kv≥27 J(-40°)〕d=2a(≤16)d=3a(>16)(180°)六、《合金结构钢》GB /T3077—199940CrMnMo JB /T6396—1992C 0.37~0.45 Si 0.17~0.37 Mn 0.90~1.20Cr 0.90~1.20 Mo 0.20~0.30优质钢P≤0.035 S≤0.035 Cu≤0.30 高级优质钢P≤0.025 S≤0.025 Cu≤0.25 特级优质钢P≤0.025 S≤0.015 Cu≤0.25 ⑴σb≥980 σs≥785 δ5≥10 (试样,φ25)ψ≥45 A kU≥63 J HBS ≤217(供货状态) 以下为JB /T6396--1992⑵σb≥885 σs ≥735 δ5≥12 (试样,≤100)ψ≥45 A kU≥39 J⑶σb≥835 σs ≥640 δ5≥12 (试样,101~300)ψ≥42 A kU≥39 J⑷σb≥785 σs ≥570 δ5≥12 (试样,301~500)ψ≥40 A kU≥31 J⑸σb≥735 σs ≥490 δ5≥12 (试样,501~800)ψ≥35 A kU≥23 J六、《不锈钢冷、热轧钢板》GB/T3280—1992、GB/T4237—1992《不锈钢化学成份、力学性能》( GB/T1220—1992、GB/T1221—1992 )1.1Cr18Ni9TiC ≤0.12 Si ≤1.00 Mn ≤2.00Ni 8.00~11.00 Cr 17.00~19.00P≤0.035 S≤0.030 Ti (C%-0.02~0.80) σb≥520 σs≥205 δ5≥40 (ψ≥55)HBS ≤187(供货状态: 固容处理)2.1Cr18Ni9C ≤0.15 Si ≤1.00 Mn ≤2.00Ni 8.00~10.00 Cr 17.00~19.00P≤0.035 S≤0.030σb≥520 σs≥205 δ5≥40HBS ≤187(供货状态: 固容处理)3.0Cr18Ni9 ( 304 )C ≤0.07(0.08) Si≤1.00 Mn ≤2.00Ni 8.00~11.00(10.50) Cr 17.00~19.00P≤0.035 S≤0.030 (Cr 18.00~20.00)σb≥520 σs≥205 δ5≥40HBS ≤187(供货状态: 固容处理)4.00Cr19Ni10 ( 304L )C ≤0.03 Si ≤1.00 Mn ≤2.00Ni 8.00~12.00 Cr 18.00~20.00P≤0.035 S≤0.030 (Ni 9.00~13.00)σb≥480 σs≥177 δ5≥40HBS ≤187(供货状态: 固容处理)5.0Cr19Ni9NC ≤0.08 Si ≤1.00 Mn ≤2.50Ni 7.00~10.50 Cr 18.00~20.00P≤0.035 S≤0.030 N 0.10~0.25σb≥550 σs≥275 δ5≥35HBS ≤217(供货状态: 固容处理)6.0Cr23Ni13C ≤0.08 Si ≤1.00 Mn ≤2.00Ni 12.00~15.00 Cr 22.00~24.00P≤0.035 S≤0.030 N 0.10~0.25σb≥520 σs≥205 δ5≥40HBS ≤187(供货状态: 固容处理)7.0Cr25Ni20C ≤0.08 Si ≤1.50 Mn ≤2.00Ni 19.00~22.00 Cr 24.00~26.00P≤0.035 S≤0.030σb≥520 σs≥205 δ5≥40HBS ≤187(供货状态: 固容处理) 8.1Cr25Ni20Si2C ≤0.20 Si 1.50~2.50 Mn ≤1.50Ni 18.00~21.00 Cr 24.00~27.00P≤0.035 S≤0.030σb≥540 σs≥-- δ5≥35HBS ≤187(供货状态: 固容处理)9.0Cr17Ni12Mo2 ( 316 )C ≤0.08 Si ≤1.00 Mn ≤2.00Ni 10.00~14.00 Cr 16.00~18.00P≤0.035 S≤0.030 Mo.2.00~3.00σb≥520 σs≥205 δ5≥40HBS ≤187(供货状态: 固容处理)10.00Cr17Ni14Mo2 ( 316L )C ≤0.03 Si ≤1.00 Mn ≤2.00Ni 12.00~15.00 Cr 16.00~18.00P≤0.035 S≤0.030 Mo.2.00~3.00σb≥480 σs≥177 δ5≥40HBS ≤187(供货状态: 固容处理)11.1Cr17MoC ≤0.12 Si ≤1.00 Mn ≤1.00Mo 0.75~1.25 Cr 16.00~18.00P≤0.035 S≤0.030σb≥450 σs≥205 δ5≥22HBS ≤183(供货状态: 退火处理)12.1Cr17Ni2C 0.11~0.17 Si ≤0.80 Mn ≤0.80Ni 1.5 ~2.5 Cr 16.00~18.00P≤0.035 S≤0.030σb≥1080 σs≥-- δ5≥10 A k≥39 J HBS ≤285(供货状态: 退火处理)13.1Cr17Ni7C ≤0.15 Si ≤1.00 Mn ≤2.00Ni 6.00 ~8.00 Cr 16.00~18.00P≤0.035 S≤0.030σb≥520 σs≥205 δ5≥60HBS ≤187(供货状态: 固容处理) 14.≥≤=。
钢材质量指标
钢材质量指标通常包括化学成分、力学性能、物理性能、工艺性能等方面。
1.化学成分:钢材的化学成分对其性能有重要影响,常见的化学成分包括碳(C)、硫(S)、磷(P)、
锰(Mn)、硅(Si)、铬(Cr)、镍(Ni)等元素。
这些元素的含量需要控制在一定范围内,以保证钢材的性能和质量。
2.力学性能:力学性能是钢材质量的重要指标之一,包括强度、硬度、塑性、韧性等。
强度指标主
要包括屈服强度和抗拉强度,用于衡量钢材抵抗变形和断裂的能力。
硬度指标用于衡量钢材表面抵抗硬物压入的能力,常见的硬度指标有布氏硬度、洛氏硬度和维氏硬度。
塑性指标用于衡量钢材产生变形而不断裂的能力,常见的塑性指标有伸长率和断面收缩率。
韧性指标用于衡量钢材抵抗冲击变形的能力,常见的韧性指标有冲击值。
3.物理性能:物理性能是指钢材的物理指标,如密度、电阻值、磁性能、热膨胀系数等。
这些指标
对于钢材的使用性能也有重要影响。
4.工艺性能:工艺性能是指钢材在加工制造过程中表现出来的性能,如可焊性、切削性、耐磨性等。
这些指标对于钢材的加工制造和使用寿命有重要影响。
此外,钢材还可以按照质量、化学成分、成形办法、金相组织等进行分类。
例如,按质量分类可分为普通钢、优钢原料钢和高档优质钢;按化学成分分类可分为碳素钢和合金钢;按成形办法分类可分为锻钢、铸钢、热轧钢和冷拉钢;按金相组织分类可分为退火状况的亚共析钢、共析钢、过共析钢和莱氏体钢等。
总之,钢材质量指标是一个综合性的评估体系,需要考虑多个方面的因素。
这些指标对于钢材的性能、使用寿命和加工制造等方面都有重要影响。
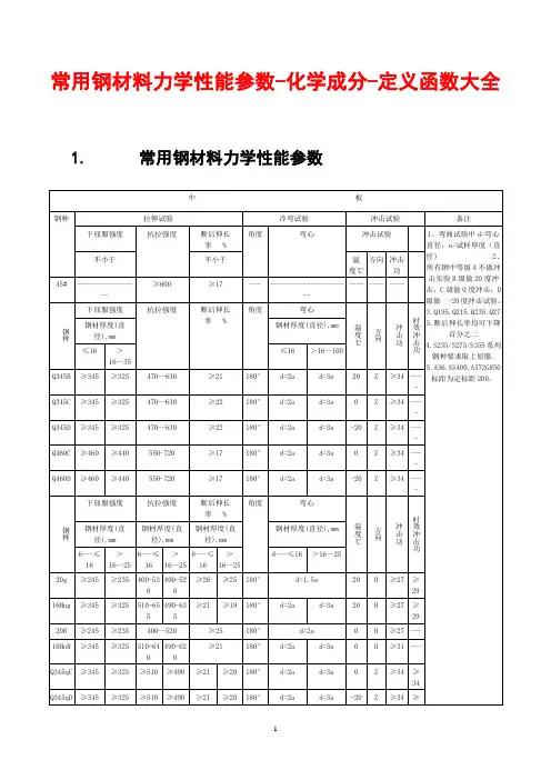
常用钢材化学成分及力学性能
01.碳素钢板
(一)Q235-A.F钢
(二)Q235-A钢板
(三)Q235-B钢板
(四)Q235-C钢板
(五)20HP钢板
(六)15MnHP钢板
(七)20R钢板
02.低合金高强度钢板(一)16MnR钢板
(三)15MnVNR钢板
(四)18MnMoNbR钢板
(五)13MnNiMoNbR钢板
03.低温钢板
(一)16MnDR钢板
(二)09Mn2VDR钢板
(三)15MnNiDR钢板
(四)09MnNiDR钢板
(五)07MnNiCrMoVDR钢板
04.中温抗氢钢板(一)15CrMoR钢板
(二)12Cr2Mo1R钢板
05.不锈钢板
(一)0Cr13钢板
(二)0Cr18Ni9钢板
(三)1Cr18Ni9Ti钢板
(四)0Cr18Ni10Ti钢板
(五)0Cr17Ni12Mo2钢板
(六)0Cr18Ni12Mo2Ti钢板
(七)0Cr19Ni13Mo3钢板
( 八)00Cr19Ni10钢板
(九)00Cr17Ni14Mo2钢板
(十)00Cr19Ni13Mo3钢板
(十一)00Cr18Ni5Mo3Si2钢板
(十二)铁素体型或马素体型钢板
(十三)奥氏体型钢管
(十四)奥氏体--铁素体型钢板
06.碳素钢和低合金高强度钢钢管
(一)GB8163中的10和20钢管(无缝管)
(二)GB9948中的10和20钢管(无缝管)
(三)GB6479中的10、20G、16Mn和15MnV钢管(无缝管)
07.低温钢管(一)GB6479中的10、20G和16Mn钢管(无缝管)
(二)09Mn2VD钢管(无缝管)
08.中温抗氢钢管(一)GB9948中的12CrMo和15CrMo钢管(无缝管)
(二)GB6479中的12CrMo、15CrMo、10MoWVNb、12Cr2Mo和1Cr5Mo钢管(无缝管)
(三)GB5310中的12Cr1MoV钢管(无缝管)
09.不锈钢管 (一)GB/T14976 中的钢管
表 9-12 钢管的许用应力
(二)GB13296 中的钢管
表9~14 钢管的常温力学性能
表9-15 GB150 推荐的钢管高温屈服强度
表 9-16 钢管的许用应力
10.碳素钢和低温合金钢锻件表10-1 常用钢号
(一)20 钢锻件
表10-2 钢的化学成分
表10-3 钢锻件的常温力学性能
表10-4 GB150 标准推荐的高温屈服强度
表10-5 钢锻件的许用应力
(二)35 钢锻件的许用应力
表10-6 化学成分
表10-7 钢锻件的常温力学性能
表10-8 GB150 标准推荐的高温屈服强度
表10-9 钢锻件的许用应力
(三)16Mn 钢锻件
表10-10化学成分
表10-11 钢锻件的常温力学性能
表10-12 GB150 标准推荐的高温屈服强度
表10-13 钢锻件的许用应力
(四)15MnV 钢锻件
表10-14化学成分
表10-15 钢锻件的常温力学性能
表10-16 GB150 标准推荐的高温屈服强度
表10-17 钢锻件的许用应力
(五)20MnMo钢锻件
表10-18化学成分
表10-19 钢锻件的常温力学性能
表10-20 JB4726对钢锻件高温屈服强度的规定
表10-21 钢锻件的许用应力
(六)20MnMoNb 钢锻件
表10-22化学成分
注:对真空碳脱氧钢,允许Si含量小于或等于0.12% 表10-23 钢锻件的常温力学性能
表10-24 JB4726对钢锻件高温屈服强度的规定
表10-25 钢锻件的许用应力
(七)15CrMo 钢锻件
表10-26化学成分
注:对真空碳脱氧钢,允许Si含量小于或等于0.12% 表10-27 钢锻件的常温力学性能
表10-28 JB4726对钢锻件高温屈服强度的规定
表10-29 15CrMo钢锻件的许用应力
(八)35CrMo钢锻件
表10-30化学成分
注:对真空碳脱氧钢,允许Si含量小于或等于0.12% 表10-31 钢锻件的常温力学性能
表10-32 JB4726对钢锻件高温屈服强度的规定
表10-33 钢锻件的许用应力
(九)12Cr1MoV钢锻件
表10-34化学成分
注:对真空碳脱氧钢,允许Si含量小于或等于0.12% 表10-35 钢锻件的常温力学性能
表10-36 JB4726对钢锻件高温屈服强度的规定
表10-37 钢锻件的许用应力
(十)12Cr2Mo1 钢锻件
注:对真空碳脱氧钢,允许Si含量小于或等于0.12% 表10-38 钢锻件的常温力学性能
表10-39 JB4726对钢锻件高温屈服强度的规定
表10-40 钢锻件的许用应力
(十一)1Cr5Mo钢锻件
表10-41化学成分
注:对真空碳脱氧钢,允许Si含量小于或等于0.12% 表10-42 钢锻件的常温力学性能
表10-43 GB150 标准推荐的高温屈服强度
表10-44 钢锻件的许用应力
11.低温钢锻件
表11-1 中国常用钢号
(一)20D 钢锻件
表11-2 钢的化学成分
表11-3 钢锻件的常温拉伸和低温冲击性能
表11-4 钢锻件的许用应力
(二)16MnD 钢锻件
表11-5化学成分
表11-6 钢锻件的常温拉伸和低温冲击性能
表11-7 钢锻件的许用应力
(三)09Mn2VD 钢锻件
表11-8化学成分
表11-9 钢锻件的常温拉伸和低温冲击性能
表11-10 钢锻件的许用应力
(四)09MnNiD 钢锻件
表11-11化学成分
表11-12 钢锻件的常温拉伸和低温冲击性能
表11-13 钢锻件的许用应力
(五)16MnMoD 和20MnMoD 钢锻件
表11-14 钢的化学成分
表11-15 钢锻件的常温拉伸和低温冲击性能
表11-16 钢锻件的许用应力
(六) 08MnNiCrMoVD 钢锻件
表11-17化学成分
表11-18 钢锻件的常温拉伸和低温冲击性能
表11-19 钢锻件的许用应力
(七)10Ni3MoVD 钢锻件
表11-20化学成分
表11-21 钢锻件的常温拉伸和低温冲击性能
表11-22 钢锻件的许用应力
12.不锈钢锻件
(一)0Cr13和1Cr13钢锻件
(二)0Cr18Ni9和00Cr19Ni10钢锻件
(三)0Cr17Ni12Mo2和00Cr17Ni14Mo2钢锻件
(四)1Cr18Ni9和0Cr18Ni10Ti钢锻件
(五)00Cr18Ni5Mo3Si2钢锻件
13.超高压容器锻件1、34CrNi3MoA钢化学成分
2、34CrNi3MoA钢锻件的力学性能
14.螺柱用钢材(一)Q235-A镇静钢
(二)35钢
(三)螺柱用合金结构钢
15.碳素钢和低温合金钢铸件 (一)ZG200-400H铸钢
(二)ZG230-450H铸钢
(三)ZG275-485H铸钢
16.不锈钢铸件(一)ZG1Cr13铸钢
(二)ZG0Cr18Ni9和ZG00Cr18Ni10
(三)ZG1Cr18Ni9Ti和ZG0Cr18Ni9Ti铸钢
(四)ZG0Cr18Ni12Mo2Ti铸钢。