如何制作简易信息图
- 格式:docx
- 大小:909.50 KB
- 文档页数:9
《适合小学生的PPT制作简易教程》
欢迎小朋友们来到PPT制作的有趣世界!今天,我们将一起学习如何制作一个简单而又充满趣味的PPT。
让我们开始吧!
准备工作
在开始制作PPT之前,我们需要准备好以下材料:-一台电脑-PowerPoint软件-图片素材-文字内容
步骤一:选择主题
让我们选择一个主题,比如关于动物、植物或者你喜欢的故事。
主题可以帮助我们更好地组织PPT内容。
步骤二:插入幻灯片
打开PowerPoint软件,点击“新幻灯片”按钮,插入新的幻灯片。
根据你的主题,选择合适的布局,可以插入图片和文字。
步骤三:添加内容
在每个幻灯片上,你可以添加文字和图片。
文字可以简洁明了地表达你想要传达的信息,而图片可以让PPT更生动有趣。
步骤四:设计布局
尝试不同的布局和颜色搭配,让你的PPT看起来更具吸引力。
记得保持简洁,不要让PPT显得过于拥挤。
步骤五:添加动画
为了让PPT更生动,你可以尝试添加一些简单的动画效果。
比如让文字逐个显示,或者让图片从一边滑入。
步骤六:预览和调整
完成所有幻灯片的设计后,不要忘记预览一遍整个PPT。
看看是否需要做一些调整,确保内容流畅连贯。
恭喜你,你已经完成了一个简易的PPT制作!希望这个教程能帮助你更好地展示你的想法和创意。
继续努力,享受PPT制作的乐趣吧!
希望这个简易PPT制作教程能够帮助小朋友们更好地掌握PPT的制作技巧。
加油!。
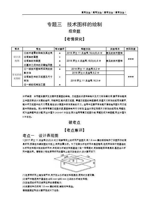
专题三技术图样的绘制挖命题【考情探究】分析解读本专题主要涉及方案构思草图的绘制、三视图的识读与绘制以及尺寸标注等内容,要求学生能用立体图反映设计方案的结构、功能特征,能识读三视图、掌握三视图的绘图要领,知道尺寸标注的规范性要求,能分析三视图中的尺寸信息,能在设计草图中标注简单的尺寸。
选考中还要求学生能不借助轴测图补充三视图中所缺线条。
预计学考考查三视图识读,草图绘制与尺寸标注,备选内容还包括尺寸标注的规范性,考题形式为选择题与设计题,所占分值为2+2+3=7分左右;预计选考考查三视图补线,考题形式为绘图题,所占分值为3分左右。
破考点【考点集训】考点一设计表现图1.[2017浙江11月选考(2)(3),6分]小明参考网上的杯托产品图片,用1.5 mm厚的钢板制作了如图所示的简易杯托,安装在书桌侧面的木板上,用来放置水杯。
为了观察水杯在杯托中是否稳定,他找来各种不同直径的水杯和饮料瓶分别放到杯托中,发现当水杯或饮料瓶直径小到一定程度时,受到触碰后容易晃动,甚至会从杯托中翻出来。
请帮助小明在原有杯托的基础上进行改进设计,设计要求如下:(1)在原有杯托上增加调节件,用于防止水杯或饮料瓶晃动,使用时方便可靠;(2)调节件能适用于直径在ϕ35 mm~ϕ80 mm之间的水杯或饮料瓶;(3)改进后的杯托仍保持足够的承载能力;(4)主要材料仍采用1.5 mm厚的钢板,辅助材料自选。
请根据描述和设计要求完成以下任务:(2)画出改进后杯托的设计草图,必要时可用文字说明;(3)在设计草图上标注调节件的主要尺寸。
答案见解析解析本题考查方案构思、草图绘制及尺寸标注。
(2)如图所示(3)根据设计图合理标出尺寸即可。
2.[2018浙江嘉兴期末,15(1)(2),6分]如图甲所示为家用健身器结构图。
构件1与靠背(可转动)、构件2连接,构件2与水平椅面(可转动)、构件1连接。
构件1与构件2均为金属材料,其中构件1上、下端为内径为5 mm、长为20 mm的管子,构件2是一根管子,两侧均匀分布着若干通孔,其结构、尺寸如图乙所示。
用Graphpad Prism5快速做出8种符合SCI投稿要求的统计图1.折线图折线图作为统计图中很常见的一类图,它的特点是可以显示随时间而变化的连续数据,因此每个数据点都有一个相应的X轴值和Y轴值,所以我们在用graphpad做折线图时在数据表类型的选择上一般选XY图(XY graphs)。
如下文实例。
1.1根据Table1的1组原始数据(4个样本在4个时间点分别测得的OA值)做折线图Time (days)OA0。
0.9420。
8460。
6910。
5154.0。
7170。
8360。
6530。
48324。
0.4080。
3670.3420。
23148.0.4510.4090.3350。
196打开Graphpad prism5软件,选择XY图(XY graphs),折线图图标,因为是原始数据,需要软件帮你计算均值和误差,因此你要告诉软件你的Y值的样本数是多少,这边的样本数是4,因此我们把样本数设为4,如下图在Data分栏中将数据粘贴进去,如下图软件就会自动帮你算出均值和误差值,并做好折线图,把字体和坐标轴方向改成你想要的格式后,如下图一幅漂亮的折线图就做好了。
1.2根据Table2的原始数据(治疗组和对照组的4个样本在4个时间点分别测得的OA值做折线图Time (days)Control Treated0.0。
7170。
9420.6910.3030。
9420.8460.6910.5154.0.8360。
5270.9880。
3210.7170.8360。
6530.48324。
0。
6530.4010.6910。
1690。
4080。
3670。
3420。
23148。
0。
4830。
3420.7760.9170。
4510.4090.3350.196打开insert 菜单的New Data Table功能,加入一张新的数据表,见下图仍然选择XY图(XY graphs),告诉软件样本数是4在Data栏中输入数据软件已经自动帮你把图做好了,稍微美化后得下图1。
建造Excel表格简易教程之杨若古兰创作贾庆山2004年8月10日本教程次要讲授使用Microsoft Excel 2002进行基本的表格建造.本教程图文并茂,读者可以对照进修使用.鉴于Microsoft Excel系列软件的兼容性和界面的分歧性,本教程对于使用其他版本的Microsoft Excel软件也有必定的参考价值.第1章:引言建造Excel表格,将表格实现电子化,可以方便数据的保管与统计,极大提高办公的效力,是实现办公主动化的基础技术.Microsoft Excel软件的功能是强大的,但是本教程集中介绍最基础的部分.使用这些基础功能,曾经可以满足目前办公主动化中的大部分需求.下文从两方面介绍:如何创建一个最简单的表格,如何利用Excel的统计功能.每个功能的实现都分步列出,同时给出响应的操纵示意图,方便读者对照履行.第2章:创建表格).单击鼠标右键运转.此时程序主动创建一个空白表格(图2.2).图2.1:运转Microsoft Excel 2002.图2.2:程序主动创建的空白表格.图2.3:保管Excel表格.一个表格由很多行(用阿拉伯数字标识)和列(用英文字母标识)构成.每个小格子叫做单元格.用鼠标左键单击选中某一个单元格,就可以直接在其中输入文字或者数字.第二步,保管表格.方法:在窗口上部菜单栏当选择“文件”-“保管”,然后会弹出一个对话框,请求输入保管的地位和文件名(图2.3).选择合适的文件名和地位后选择“保管”,就完成保管当前的表格了.第三步,调整单元格大小.在表格中,有的格子比较大,用来保管较长的文字或数字;有的格子和其他几个格子一样宽(例如题目栏).而主动生成的表格中每个单元格的大小都是完整不异的.要调整单元格的大小,操纵起来非常简单.方法:如要调整单元格的宽度,将鼠标挪动到英文字母(A,B,C…)标识栏中相邻两列之间,会看见鼠标酿成一个横的双向箭头两头有一个竖杠.此时按住鼠标左键,摆布拖动,可以调整一列的宽度,至合适的地位时放开鼠标左键,则一列中所有单元格的宽度就被调整至所需的大小了(图2.4).类似的,将鼠标移到窗口左边的数字标识栏中相邻两行之间,会看见鼠标酿成一个竖的双向箭头两头有一个横杠.此时按住鼠标左键,上下拖动,可以调整一行的高度,至合适的地位时放开鼠标左键,则一行中所有单元格的高度就被调整至所需的大小了(图2.5).图2.4:调整单元格的宽度.上面介绍如何调整一个单元格的宽度、高度到其他几个单元格宽度、高度之和.这项功能普通用于暗示表格中一项内容可以包含几个小项(例如:一个季度的收入可以分成三个月的月收入).这时候,须要通过合并几个小的单元格为一个大单元格来实现.方法:选中但愿合并的单元格,然后单击鼠标右键,在弹出的菜单列表当选择“设置单元格格式”(图2.6).在弹出的对话框当选择“对齐”,然后在设置栏当选中“合并单元格”(图2.7),选择“确定”即可将本来选中的单元格合并成一个单元格(图2.8).图2.5:调整单元格的高度.图2.6:设置单元格格式.图2.7:合并单元格.图2.8:合并单元格后第一行的右边三个单元格合并成一个大单元格了.有时须要对一个建造中的表格进行点窜,例如要拔出或者删除某行、某列、某单元格.如果只是删除单元格中的内容,只需用选中响应单元格后单击鼠标右键,在弹出的菜单当选择“清除内容”即可.如果要删除某行、某列、或者某单元格,只需选中那一行、列或者单元格,单击鼠标右键,在弹出的菜单当选择“删除”,会弹出一个对话框请求确定是删除一行、一列、还是一个单元格(图2.9).如果删除单元格,须要选择删除后对本来表格的点窜方式.有两种选择.其一是让该单元格右边的单元格顺次左移一列;另一种是让该单元格下方的单元格顺次上移一行.按照须要选择即可.拔出和删除的操纵类似,这里不再赘述.图2.9:删除一个单元格.有时须要调节一个单元格的边框的色彩、宽度等等.这个也能够在“设置单元格格式”中通过选择“边框”然后挑选合适的款式来实现.这里不再具体介绍.至此我们曾经进修了如何建造一张Excel表格.须要说明的是,一个Excel文件中可以包含多张表格.请留意在窗口下方有“sheet1”、“sheet2”、“sheet3”等,这些分别暗示“表一”、“表二”、“表三”.用鼠标左键单击选平分歧的表格就可以显示响应的内容.还可以通过双击表名来点窜表格名称.“全部工业总产值”、“次要工业产品产量”、“农业”、“教育”和“卫生”五张表.第3章:基本统计方法3.1. 四则运算Excel表格的一个次要功能是统计功能.在本章我们从经常使用的四则运算入手介绍一种通用的利用Excel表格进行计算的方法.表格统计中的一项经常使用计算是求和.上面我们用一个例子来说明.例如,在图2.9所示的表格中我们想统计从1989年到2002年一共生产了多少万件服装(就是表格中最初一列中数字之和).方法:选中最初一列中的响应数字,然后点击屏幕上方工具栏中的S符号,就可以在最初一列最初一行上面的单元格中出现一个数字21041.这就是所请求取的总和.选中这个单元格,可以在窗口上部的函数栏(fx)中看见一个表达式=SUM(I3:I16)(图3.1).这其实就是Excel表格通用的计算方法——用表达式来计算.只不过对于经常使用的计算,Microsoft Excel软件曾经集成为分歧的函数.这里使用的对分歧列求和的函数就是SUM()函数.括号中的I3和I16暗示第I列的第3行和第16行,两头的冒号暗示从第3行到第16行.所以,合在一路SUM(I3:I16)暗示对第I列从第3行到第16行的数字求和.图3.1:在Excel表格中求和.另一个经常使用的函数是求平均函数AVERAGE().例如,我们可以选中第I列第17行的单元格(用I17)暗示.然后再在窗口上部的函数栏中输入=AVERAGE(I3:I16),如许就可以求第I列从第3行到第16行的所无数字的算术平均值,并将结果保管在I17单元格中.利用这类表达式的方式可以对Excel表格中任意元素进行四则运算,而且将结果保管在任意指定的单元格中.只需先选中欲保管计算结果的单元格,然后输入等号,此时就进入函数栏输入形态.输入想计算的表达式,按回车就可以得到结果.在输入表达式时,每个单元格用“列字母行数字”的格式暗示.可以直接在函数栏中输入代表某个单元格的“列字母行数字”,也能够直接用鼠标选中响应单元格,就会在函数栏中出现响应的“列字母行数字”.3.2. 排序除了四则计算,另一种经常使用的统计方法是排序.例如:我们须要将图2.9中的表格按照每年的服装产量进行排序.方法:选中表格中任意一个单元格,选择窗口上部菜单栏中“数图3.2:排序.图3.3:按每年服装产量升序排序结果.据”-“排序”,然后会弹出一个对话框(图3.2),请求选择“次要关键字”、“第二关键字”和“第三关键字”.这里关键字只按照什么来排序.而第二关键字是为了在次要关键字取值不异时来进一步区分分歧年份.第三关键字顺次类推.选择合适的关键字后,按确定,就可以得到按照请求排序的结果.例如,我们把按照每年服装产量排序的结果显示在图3.3中.3.3. 作图Excel表格提供了非常简单的作图工具,可以画折线图、直方图、饼图等.这里我们介绍普通步调.例如:我们想绘制出图2.9中从1989年到2002年13年间每年服装产量的变更折线图.方法:首先,我们选中这13年的服装产量,就是第I列从第3行到第16行的数字.然后选中窗口上部工具栏中的一个小直方图图标,就可以弹出一个对话框——图表导游(图3.4).在图表导游中列出了分歧的图表类型和子类型.这里我们选择“折线图”,而且图3.4:用图表导游作图.选择了一种子类型.然后按“完成”,可以发生响应的折线图(图3.5).上面我们给这幅图加上坐标名称和整幅图的题目.方法:用鼠标右键选中该图,在弹出的菜单列表当选择“图表选项”,以后可以弹出图表的细节选项(图3.6).在响应地位输入“图表题目”和横轴(X轴)和纵轴(Y轴)的题目就可以了.第4章:小结本教程简单介绍了使用Microsoft Excel 2002创建Excel 表格,并进行简单统计功能的普通步调,包含求和、求平均、排序、作图等等.对照本教程的图示,读者可以一步步学会上述基本操纵.总和利用这些基本操纵可以完成绝大部分的办公需求.图3.5:生成的简单折线图.图3.6:细节设置图表选项.。
用GraphpadPrism5快速做出8种符合SCI投稿要求的统计图1.折线图折线图作为统计图中很常见的一类图,它的特点是可以显示随时间而变化的连续数据,因此每个数据点都有一个相应的X轴值和Y轴值,所以我们在用graphpad做折线图时在数据表类型的选择上一般选XY图(XYgraphs)。
如下文实例。
1.1根据Table1的1组原始数据(4个样本在4个时间点分别测得的OA值)做折线图48.0.4830.3420.7760.9170.4510.4090.3350.196打开insert菜单的NewDataTable功能,加入一张新的数据表,见下图仍然选择XY图(XYgraphs),告诉软件样本数是4在Data栏中输入数据软件已经自动帮你把图做好了,稍微美化后得下图1.3用已经处理好的1组数据做折线图如果你的数据是用其他软件(excel,origin,etc..)已经处理过的,Graphpadprism也可以帮你完成剩下的作图工作,你只需告诉软件你输入的数据是已经计算好的就行了,比如你想用Table3的1组数据做折线图Table3Time(days)OAMean SD0. 1.0000.17软件即时生成的图如下图所示折线图的处理讲完了,简单吧,让我们来看看柱状图怎么做2.柱状图柱状图可以很直观地表示出不同组别之间的数值差异,和折线图不同的一点是它的X轴对应的是组别而不是数值,因此在GraphPad分类栏的选择上也有所不同,见下文的实例2.1根据Table5的原始数据做柱状图Table5ControlA ControlBSample10.9420.717Sample20.8460.836Sample30.6910.653Sample40.5150.483选择Columngraphs栏,因为该栏默认输入的都是原始数据,因此没有输入样本数的地方,只需选择数据处理类型为(Mean&SD),如下图。
B 1.7250.21C 2.1330.41D 1.8590.56仍然选择Grouped栏,告诉软件你输入的值是已经计算好的,如下图软件及时生成柱状图,如下图2.4用两组计算好的数据做一个两组比较的柱状图用Table8的数据做成两组比较的柱状图Control TreatedA 1.0000.17 3.6040.31B 1.7250.21 2.5340.43C 2.1330.41 3.3810.74D 1.8590.56 3.9130.93操作步骤和2.3一样,只需多输入一组数据,仍然选择Grouped栏,告诉软件你输入的值是已经计算好的,如下图在data3.点击点击点击4.我们用photoshop打开这张刚导出的图片。
简易地球仪制作过程引言地球仪是一种用来表示地球表面地理特征的工具。
它可以帮助我们更好地了解地球上的国家、大陆、海洋等地理信息。
在本文中,我们将介绍如何制作一个简易的地球仪,以便在家中进行地理学习或装饰用途。
材料准备制作简易地球仪所需的材料如下:1.一个大型的塑料或泡沫球2.一张世界地图或地球仪图纸3.一把剪刀4.一瓶白胶或胶水5.一根牙签或细木棍6.一些彩色纸或颜料(可选)制作步骤1. 准备球体首先,将塑料或泡沫球准备好。
如果你使用的是塑料球,确保它的表面是光滑的。
如果使用的是泡沫球,可以使用砂纸将其表面打磨光滑。
2. 制作地图或图纸接下来,使用剪刀将世界地图或地球仪图纸剪成合适的大小,以便贴在球体上。
确保地图或图纸的大小适合球体的大小,以便能够完整地覆盖球体表面。
3. 粘贴地图或图纸将剪好的地图或图纸用白胶或胶水均匀地涂抹在球体表面。
确保地图或图纸贴合紧密,没有起皱或起泡。
4. 绘制地理特征(可选)如果你希望地球仪更加生动,可以使用彩色纸或颜料添加一些地理特征,如大陆、国家和海洋。
你可以根据地图或图纸上的标记进行绘制,或者根据自己的想象进行创作。
5. 添加地理坐标为了使地球仪更加准确,可以使用牙签或细木棍在球体上标记地理坐标,如赤道、南北极、经线和纬线等。
可以根据地图或图纸上的标记进行标记,或者使用尺子进行测量。
6. 完成地球仪在完成地理坐标的标记后,你的简易地球仪就制作完成了!你可以将它放在书桌上,用作地理学习的工具,或者作为装饰品放在房间里。
结论通过本文的介绍,我们学习了如何制作一个简易的地球仪。
制作地球仪不仅可以帮助我们更好地了解地球上的地理特征,还可以培养我们的动手能力和创造力。
希望你在制作地球仪的过程中能够享受乐趣,并从中获得知识和启发!。
流体隔膜吸排烟装置-第一届发明大赛获奖项目名称:流体隔膜吸排烟装置?所属类别:能源?获奖情况:三等奖?简介:作者揭示了厨房油烟的运动规律,提出全新的低位强排排风设计理念,采用流体隔膜吸排烟尘技术。
一种流体隔膜吸排烟尘装置,装置的压力流体源和流体吸入口相互配合,将污染源产生的烟尘集中在吹出口和流体吸入口之间的烟尘通道中,不会使烟尘向四周扩散,与现有排烟装置比较具有显着的进步。
名称:文化月饼?所属类别:其他?获奖情况:三等奖?简介:???月饼馅料中具有可食的精美图案结构。
在文化月饼被切开后,馅料横断面中呈现精美图案,给月饼增加装饰,同时,月饼自身能够承载更多的文化信息,如祝福的文字,吉祥的图案,使月饼增加了文化情趣色彩。
该发明同时公开一种新的加工工艺:被包容食物具有的可食用的文化表达工艺构件是压力挤出成型模具制造的;复杂横街面图案工艺机构构件是用套装组合压力挤出成型模具加工工艺制造的。
名称:积压揉搓式洗衣机技术?所属类别:其他?获奖情况:三等奖?简介:?该洗衣机具有全自动洗涤功能。
该技术主要特点是:?(1)模仿手洗的方式在洗涤盆内注水、洗涤,水泡过衣物即可,节水效果极为明显;?(2)不用强力搅动水和衣物,功率消耗低,节省用电;?(3)采用均匀的挤压、搓揉方式,消除机件对衣物的高速摩擦而产生的磨损和撕搅被坏,延长衣物的寿命,适应洗涤的衣物种类多;?(4)最大限度地提高洗涤剂在洗涤液中的浓度;强化了洗涤液对织物的交流和渗透作用;采用循环洗涤和脱水方式,确保衣物漂洗的效果。
名称:国境口岸媒介生物采样箱?所属类别:其他?获奖情况:三等奖?简介:?目前,国内外用于媒介生物采集的工具都是针对一种媒介所生产的,目标单一。
可导致实际工作中盲目操作、经验采集错误以及大量的漏检漏报问题。
由于对预处理技术重视不够,造成标本损坏严重,影响了标本的分类、鉴定。
本发明突破以往单一目标采样的局限,实现了多目标复合采样的目的;同时,针对流行病学侦检和生物入侵检验的要求,采用多样化的样本保存技术,以保证虫媒病原体分离、检测和分析的需要;提高防护水平,确保采样安全。
项目二绘制简单二维图形任务三绘制简易拨号盘任务内容绘制图标任务分析目标图形由一个正五边形,五个等大圆组成。
每个圆与五边形一条边相切且相互之间也是相切关系。
唯一知道的尺寸是五边形相隔两顶点距离为94.5,如何得到这个五边形将是绘图的关键之一。
而如何确定内部五个等大圆的半径也是一个关键。
任务实施一、绘制正五边形1.发布“正多边形”命令可以通过以下方式发布“正多边形”命令:(1)命令输入: PO(Polygon)(2)选择菜单“绘图”>“正多边形”知识铺垫“正多边形”命令使用正多边形命令,可以创建具有 3 到 1024 条等长边的闭合多段线。
创建正多边形是绘制正方形、等边三角形、八边形等图形的简单方法。
正多边形的绘制方法有两种:中心点模式和边长模式。
1.中心点模式:指定多边形的中心点,并通过指定圆的半径大小以决定正多边形的大小。
在中心点模式下,需要确定正多边形大小时,要求选择“内接”或“外切”项。
在内接模式下,十字光标定位于正多边形的顶点,外切模式下,十字光标定位于正多边形边的中点,如图2-3-1所示。
图2-3-1 内接模式图2-3-2 外切模式2.边长模式:指定正多边形的边长,并以逆时针方向绘制命令窗口显示如图2-3-3所示信息,需要输入正多边形的边数:图2-3-3 显示输入侧面数信息2.输入多边形的边数5。
命令窗口显示如图2-3-4所示信息,需要指定正多边形的绘制模式:图2-3-4 显示指定绘制模式信息3.鼠标在绘图区点取一点,指定正多边形的中心点。
命令窗口显示如图2-3-5所示信息,需要指定“中心点绘制正多边形”模式下,确定正多边形大小的选项:图2-3-5 显示输入选项信息4.回车选择系统默认选项“内接于圆(I) ”。
命令窗口显示如图2-3-6所示信息,需要输入正多边形的边数:图2-3-6 显示指定圆的半径信息5.鼠标在绘图区点取任意点,确定内接圆半径,结果如图2-3-7所示图2-3-7 正五边形绘制结果二、“缩放”正五边形到符合尺寸要求1.发布“缩放”命令可以通过以下方式发布“缩放”命令:(1)命令输入:SC(Scale)(2)选择菜单“修改”>“缩放”知识铺垫“缩放”命令缩放命令可以实现在 X、Y 和 Z 方向按相同比例放大或缩小对象。
简易信号寻迹、发生两用机电路图及制作方法!(图文)2012-03-08 11:38:31 来源: 浏览:649次内容提要:这里向青少年朋友介绍一种线路简单、体积小巧(形如钢笔)、利于携带和使用方便的讯号寻迹、发生两用器,用它可以很方便地寻找和确定收音机、收录机、扩音机等的故障所在。
这里向青少年朋友介绍一种线路简单、体积小巧(形如钢笔)、利于携带和使用方便的讯号寻迹、发生两用器,用它可以很方便地寻找和确定收音机、收录机、扩音机等的故障所在。
一、工作原理讯号寻迹、发生两用器的电路如图1所示,它由晶体三极管VT1、VT2和阻容元件等构成。
在用作讯号寻迹器时,插孔XS内需接入一个8Ω的低阻耳塞机。
这时VT1与VT2构成直接耦合式放大器,R1作为两管的偏流电阻器,C1作为输入端隔直流电容器。
由于VT1的工作点选择得比较低,处于放大特性曲线的弯曲部分,因而VT1具有检波作用。
无论在探头与地线夹之间输入高频率或中频率调幅波讯号,还是输入低频率讯号,在耳塞机里都可听到被放大了的音频信号声。
不过在寻迹低频率讯号时略有失真,但不影响实际使用。
当用作讯号发生器时,插孔XS空着不用。
此时C2接成电路的正反馈电容器,使VT1与VT2构成一个音频自激多谐振荡器,在探头与地线夹子之间输出音频讯号。
由于输出波形近似为方波,高次谐波十分丰富,可以从音频一直延伸到几十兆赫兹的高频范围去,所以该讯号发生器既可用于检修收音机等音响装置的低频部分,又可用于检修中频和高频部分,使其功能得到扩展。
二、元器件选择晶体管VT1选用9011或3DG6、3DG201型硅NPN小功率三极管,VT2选用9015或3CG21型硅PNP小功率三极管,两管电流放大系数β均取40~100之间为宜。
R1、R2均用RTX-1/8W型碳膜电阻器。
C1、C2应分别采用CJ10-400V和CJ10-250V型金属化纸介电容器,两者耐压均选择得比较高,目的是为了能够检修交流电子管收、扩音机。
使用XMind软件画出思维导图——让我们用XMind整理和挖掘思维深处吧。
一线教师教学过程中都热衷于使用“思维导图”来引导学生记忆、学习和思考知识。
但是,我们如果制作出符合逻辑且精美的思维导图呢?XMind软件!!一款符合我们需求的思维导图软件。
下面让我们进入本课程的学习吧>>>>>使用XMind软件画出思维导图XMind的简介XMind的版本XMind4个版本:1.XMind Free(免费版);2.XMind Plus(增强版);3.XMind Pro(专业版);4.XMind Pro Subscription(专业订阅版)。
XMind Free是一款开源软件,作为基础版本,其虽然免费,但功能强大,并在(全球最大开源社区)的2009社区选择奖中荣获“最佳教育软件项目”。
XMind软件下载可从XMind官方网站免费下载。
https:///使用XMind软件画出思维导图XMind新手入门创建思维导图七步骤②添加分支主题④添加主题信息的可视化关系⑥完成思维导图的创建③添加主题信息⑤设置好导图格式⑦XMind思维导图的应用①新建导图图;称。
第二步添加分支主题按Enter键或Insert键可以快速添加分支主题/子主题,也可以点击工具栏上插入主题按钮后面的小黑三角,插入分支主题。
双击一样可以输入项目名称。
第二步添加分支主题如果分支主题下还需要添加下一级内容,可以再创建子主题,可按Ctrl+Enter键或Insert键,或点击工具栏上插入主题按钮后面的小黑三角,选择父主题。
重要信息:如果不需要某个主题,可以选中主题,按Delete键即可。
使用工具栏可快速访问图标、图片、附件、标签、备注、超链接和录音这些主题信息。
些主题信息。
通过工具栏可快速访问外框、概要和联系来为主题添加特殊标记来对主题进行编码和分类、使用箭头展示主题之间的关系和使用外框功能环绕主题组。
可视化关系。
第五步设置好导图格式种设计精良的风格工具选中,当然,您也可以通过属性栏自己设计喜爱的风格。
为什么 Visual.ly 无法导入 Excel 或 CSV 文件来创建信息图呢?Stew 认为,一是处理这些数据对于网站来说并不容易,二是他们的最终用户不会上传 Excel、CSV 文件来制作信息图,这些用户更加希望能够与 Facebook、Twitter、Fitbit、Mint、Spotify 等其它他们所使用的服务相连,因为这些网站才包含了他们的“数据人生”。
Visual.ly 的思路是抓住每个数据来源的特性,从而制作相对应的信息图模板,最终实现自动化制图这个功能。
因此目前这种限定数据来源的做法具有一定的合理性。
比如 Twitter 和 Facebook,两个服务的数据侧重点并不相同,如果采用一个通用的模板去生成信息图,那么数据一定会有偏颇。
信息图以直观明了的方式,让人能够感受到数据背后的含义,然而制作信息图在目前来说并不
容易,Visual.ly 发布的自动化制图工具正好对应了这种需求。
题图来自 Betakit
来源:/77889
人人都是产品经理()中国最大最活跃的产品经理学习、交流、分享平台。
剪映简易动画宣传片制作方法步骤一:准备素材在开始制作之前,准备好你想要使用的素材,包括图片、视频、背景音乐等。
这些素材应该是与你的宣传内容相关的,并能够吸引目标受众的注意力。
步骤二:新建项目在剪映中新建一个项目,选择适合宣传片制作的画面比例,如16:9步骤三:导入素材点击右下角的"+"按钮,将你准备好的素材导入到剪映中。
你可以点击素材进行预览,确保素材内容符合你的需求。
步骤四:剪辑视频将你选择的视频素材拖动到时间轴上,进行视频剪辑。
你可以删除不需要的片段,调整视频的顺序,添加转场效果等。
步骤五:添加动画效果剪映提供了多种动画效果,可以让你的宣传片更加生动有趣。
点击下方的“动画”按钮,选择一个适合的效果。
例如,你可以选择"动态字幕"效果,在视频中添加字幕,并设置字幕的进入方式和持续时间。
步骤六:添加图片除了视频素材,你还可以添加图片来丰富你的宣传片。
点击下方的“图片”按钮,选择你想要添加的图片素材。
将图片拖动到时间轴上,通过调整切换时间和添加动画效果,让图片和视频有机地融合在一起。
步骤七:调整音乐剪映还提供了丰富的背景音乐库,可以为你的宣传片添加适合的音乐。
点击下方的“音乐”按钮,在音乐库中选择一段背景音乐。
你可以通过调整音乐的音量和起止时间,使音乐与视频内容更加协调。
步骤八:添加字幕步骤九:渲染和导出步骤十:分享和推广以上是剪映简易动画宣传片制作方法的详细步骤。
通过灵活运用剪映提供的功能,你可以轻松制作出有趣而又吸引人的动画宣传片,为你的产品、服务或活动吸引更多目标受众的关注。
祝你创作成功!。
如何制作简易信息图
导语:
信息图在日常工作中,有时候会需要绘制各种图表,将数据用一些可视化的图表来展示,似乎越来越成为一种趋势。
那你知道如何绘制可视化的内容呢?当那你知道如何制作信息图呢,本文将带你一起来学习了解。
免费获取信息图软件:/infographics/
信息图工具有哪些?
一般做信息展示和整理一般都会使用Word、Excel、PPT等软件,信息图工具其实除了这些,还有亿图信息图。
软件各种信息可视化图都可制作,什么线形图、散点图、蜘蛛图、仪表图都不在话下;还可以一键导出你的图表作品到各种格式的图片、Html、PDF、SVG、office等。
如何用亿图制作专业的信息图
首先需要现在电脑上下载安装好亿图信息图软件
亿图信息图软件支持绘制:信息图、海报、地图、图表、宣传单、卡片、宣传册、流程图、时间线、新闻稿、横幅、PPT演示文稿等图。
安装完成后,打开软件,在新建“预定义模板和例子”中,选择你需要的绘图类型,双击即可快速开始绘图。
添加形状
在绘图页面的左侧,有一个符号库,里面放着很多漂亮实用的图形,双击图形或者用鼠标拖拽到绘图页面即可。
信息图软件中内置丰富的图形符号,包含常用的基本符号、基本图表、地图标记、人物等精美的素材。
修改形状样式
打开软件右侧的工具栏,可以对形状的颜色、线条、形状属性、图层等进行详细的设置。
导入Excel文件快速生成图表
以柱状图为例,点击形状右上角的浮动按钮,选择“从文件加载数据”。
就能将Excel文件中的数据快速导入到软件中,并自动生成相应的柱状图。
如果需要在软件中对已经生成的柱状图进行修改,只要点击动作按钮中的“编辑图表数据”即可进行修改。
改变图表数值
只需拖出图表元素,用鼠标拖动黄色的控制点,就可以随意调整出自己想要的数值。
裁剪图片和抠图
这个功能可以把图片剪裁成任意形状,也可以把一个图片需要的部位扣出来。
插入图片,在右侧图片工具栏中,选择预定义裁剪形状,或者根据下图中1的位置提供的几种模式,使用钢笔工具将需要扣出的形状画出来,然后点击对应的抠图模式即可。
设置图层
以下图为例,这张图是由多个图形组合而成的,如果不设置图层,可能就会出现显示不全或者被遮挡的情况。
在信息图软件中,可以通过设置图形图层显示的先后顺序,来实现该显示的部分显示,该隐藏的部分隐藏。
自定义图形
符号菜单下的钢笔工具,可以用来自己DIY设计图形。
功能和PS的钢笔工具类似,但是又不至于太复杂。
复制页
点击软件下方页面显示的地方,鼠标右键点击“页-1”,可以新增页、复制页、复制页面背景、页面重新排序、删除页等操作。
亿图云共享
软件中自带的亿图云,可以让你随时可以查看、分享已经绘制好的文件。
获取更多信息图软件使用技巧:/software/infographic/。