横道图绘制方法
- 格式:doc
- 大小:85.50 KB
- 文档页数:3
绘制横道图
横道图也称甘特图,是美国人甘特在20世纪20年代率先提出的,在Excel 中,可以用“悬浮的条形图”来实现。
Step1 启动Excel2003(其它版本请仿照操作),仿照图1的格式,制作一份
表格,并将有关工序名
称、开(完)工时间和工
程持续时间等数据填
入表格中。
A1单元格中请不要输入数据,否则后面制作图表时会出现错误。
“完成时间”也可以不输入。
同时选中A1至C12单元格区域,执行“插入→图表”命令,或者直接按“常用”工具栏上的“图表向导”按钮,启动“图表向导-4步骤之一-图表类型”(如图2)。
Setp2 切换到“自定义类型”标签下,在“图表类型”下面的列表中,选中“悬浮的条形图”选项,单击“完成”按钮,图表插入到文档中。
然后用鼠标双击图表的纵坐标轴,打开“坐标轴格式”对话框,切换到“刻度”标签下,选中“分类次序反转”选项;再切换到“字体”标签下,将字号设置小一些,确定返回。
小技巧:经过此步操作,图表中有关“工序名称”就按开工顺序从上到下排列了,这样更符合我们的实际情况。
Step3 仿照上面的操作,打开横坐标轴的“坐标轴格式”对话框,在“刻度”标签中,将“最小值”和“交叉于”后面的方框中的数值都设置为“37994”(即日期2004-1-8的序列值,具体应根据实际情况确定);同时,也在“字体”标签中,将字号设置小一些,确定返回。
调整好图表的大小和长宽比例,一个规范的横道图制作完成(图3)。
你也可以利用相应的设置对话框,修改图表的格式、颜色等设置,感兴趣的读者请自己练习设置。
施工组织设计横道图、网络图引言概述:施工组织设计是建筑工程管理中的重要环节,它直接影响到工程的进度、质量和成本。
横道图和网络图是施工组织设计中常用的工具,能够帮助项目管理者合理安排施工任务,优化资源配置,提高施工效率。
本文将详细介绍施工组织设计中的横道图和网络图。
一、横道图1.1 横道图的概念横道图是一种以时间为横轴、工程活动为纵轴的图表,用于展示工程活动的先后顺序、持续时间和交叉关系。
通过横道图,施工管理者可以清晰地了解工程活动的执行顺序,合理安排施工进度。
1.2 横道图的制作步骤制作横道图的步骤包括确定工程活动、估算活动持续时间、确定活动关系、绘制横道图。
在确定工程活动时,需要考虑活动的先后关系和依赖关系;在估算活动持续时间时,要综合考虑资源、技术和环境等因素;在确定活动关系时,要分清楚活动的逻辑关系,如先后、并行、依赖等;最后,根据以上步骤绘制横道图,清晰展示工程活动的执行顺序和持续时间。
1.3 横道图的优势横道图能够直观展示工程活动的关系和时间,帮助管理者合理安排施工进度;同时,横道图还能够及时发现工程活动的瓶颈和冲突,有利于及时调整施工计划,保证工程顺利进行;此外,横道图还可以帮助管理者预测工程进度和成本,提前做好准备。
二、网络图2.1 网络图的概念网络图是一种以节点和弧线表示工程活动及其关系的图表,用于展示工程活动的逻辑关系和时间顺序。
通过网络图,施工管理者可以清晰地了解工程活动的先后顺序和依赖关系,帮助合理安排施工进度。
2.2 网络图的制作方法制作网络图的方法包括确定活动、绘制网络图、确定关键路径。
在确定活动时,需要考虑活动的前后关系和依赖关系;在绘制网络图时,要根据活动的先后关系和持续时间绘制节点和弧线;最后,根据网络图确定关键路径,即影响工程总工期的关键活动序列,有助于管理者重点关注和管理。
2.3 网络图的优势网络图能够清晰展示工程活动的逻辑关系和时间顺序,帮助管理者合理安排施工进度;同时,网络图还能够帮助管理者快速识别关键路径,有利于及时调整施工计划,保证工程按时完工;此外,网络图还能够帮助管理者优化资源配置,提高施工效率。
施工进度横道图详细介绍及画法施工进度横道图是一种用于展示工程项目施工进度的图表。
它以时间为轴,横向排列各个工程阶段,用条形图的方式呈现各个阶段的完成情况。
每个阶段的长度代表该阶段的工期,颜色则代表该阶段的完成情况。
以下是对施工进度横道图的详细介绍和画法。
首先,施工进度横道图通常包括项目的开始和结束日期,以及各个工程阶段的名称和工期。
开始和结束日期可以标注在图表的顶部,并用直线连接。
工程阶段的名称和工期可以标注在时间轴上方的各个位置。
接下来,每个工程阶段的完成情况可以用不同的颜色呈现。
一种常见的方法是使用绿色表示已完成的阶段,黄色表示进行中的阶段,红色表示延迟的阶段,灰色表示尚未开始的阶段。
当然,根据实际情况,你也可以选择其他颜色。
在绘制工程阶段的条形图时,每个阶段的长度应该与其工期相匹配。
可以使用横向的矩形来表示每个阶段,矩形的长度取决于工期的长度。
例如,如果一些阶段需花费3个月的时间,则对应的矩形长度应为3个单位。
为了更清晰地展示工程进度,可以根据实际需求,将图表进行分组。
例如,可以按照不同的施工区域或工程部分进行分组,并用不同的颜色进行标记。
这样可以更方便地查看每个部分的完成情况和整体进度。
当工程进度发生变化时,可以通过修改相应阶段的颜色或长度来更新图表。
例如,如果一些阶段的进度延迟了一周,则可以将该阶段的颜色从黄色改为红色,并将其长度增加一周的单位。
在制作施工进度横道图时1.图表上的文字要清晰可读,建议使用大号字体,并使用粗体或斜体来突出重要信息。
2.时间轴的刻度要均匀分布,以便准确显示工期和进度。
3.添加图例,解释各种颜色的含义。
4.使用有序的顺序排列工程阶段,以便更好地展示整体进度。
总结起来,施工进度横道图是一种直观有效的展示工程项目施工进度的工具。
通过清晰地展示每个工程阶段的完成情况和整体进度,可以帮助项目团队和相关利益相关方更好地了解项目的进展情况,及时做出调整和决策。
2023年绘制横道图的步骤绘制横道图是一种常用的工具,用于展示不同项目、任务或活动之间的关系和依赖性。
它是一种可视化的方式,可以帮助团队成员更好地理解工作流程和任务间的关联。
下面是绘制横道图的步骤:第一步:明确任务和关系在绘制横道图之前,需要先明确所有的任务和它们之间的关系。
可以通过和团队成员进行讨论、查看项目计划或者沟通相关人员来收集这些信息。
确保你拥有准确和完整的任务列表,以及它们之间的前后关系。
第二步:确定时间轴在绘制横道图时,需要确定一个时间轴。
这个时间轴可以代表项目的整个时间范围,或者是特定的时间段,具体取决于你所绘制的横道图的目的。
确保时间轴是与任务和项目的实际时间要求相匹配的。
第三步:绘制横道图现在开始绘制横道图。
这可以通过手绘或使用计算机绘图工具进行。
根据你的喜好和方便程度选择合适的方法。
在绘制横道图时,需要注意以下几点:1. 使用横道图的标准符号和标记。
这些符号和标记可以帮助读者更好地理解图表中的任务和关系。
2. 使用直线或曲线连接任务。
这些线表示任务之间的关系,如前置任务、并行任务或依赖任务等。
3. 使用适当的字体和颜色。
确保字体清晰易读,并使用不同的颜色来区分不同的任务或类别。
4. 标注重要的里程碑或关键任务。
这些标注可以帮助读者更好地识别项目的关键节点。
5. 可以根据需要添加说明或解释。
这些说明可以帮助读者理解横道图中的特定部分或细节。
第四步:审查和优化横道图完成横道图绘制后,需要进行审查和优化。
检查整体布局是否清晰,任务是否正确连接,关键信息是否突出等。
如果发现错误或需要调整的地方,及时做出修正。
在审查和优化横道图时,可以通过请团队成员进行反馈或找出绘图工具提供的相关功能来辅助。
第五步:分享和使用横道图最后,分享和使用横道图。
将绘制好的横道图分享给团队成员、项目参与者或其他相关人员。
确保每个人都能够理解和使用横道图,以达到更好的工作协调和项目管理效果。
绘制横道图是一个简单但实用的方法,可以帮助团队更好地了解和管理任务和项目。
如何利用Excel绘制施工进度横道图
1.打开Excel表格,新建表格数据文件
按三列依次输入“开工日期”“施工时间”“完工日期”,再根据你手中的进度计划将其中的信息做成表格(时间是根据计划换算)如下图所示:
2.选择A1~C8区域
(注意:完工时间可不计入图表)
点击上方的“插入”菜单,选择“图表”
在插入图表的类型中选择“条形图”中的“堆积条形图”, 点击“确定”,进度横道图就初见雏形了。
3.虽然雏形出来了
但对比我们以前所认识的横道图还是需要调整。
在坐标纵轴上单击右键,选择“设置坐标轴格式”
坐标轴位置选择“刻度线之间”,同时选中“逆序类别”
这样就把所有类别都显示出来了,并且使得图表内容的显示和我们施工计划表的输入顺序保持一致。
4.右键选中蓝色条,单击,在菜单上选择“设置数据系列格式
将线条和颜色都设置成“无”,即“无填充”和“无线条”
再把每项工作的持续时间显示出来,将“数据标签”打钩
这样就大功告成了,生成施工进度计划横道图,大家还可以根据自己的喜好
去调整,如图所示:
欢迎您的下载,
资料仅供参考!
致力为企业和个人提供合同协议,策划案计划书,学习资料等等
打造全网一站式需求。
施工进度横道图详细介绍及画法导读横道图,即甘特图,也可称为条状图。
以横竖轴表格的形式,将时间与活动(项目)相结合,表示一个任务、计划、或者项目的完成情况(进度)。
横道图在工程进度计划制定、项目管理等方面运用非常频繁,是项目管理人员的必备工具之一。
横道图的定义历史横道图的出现,要归功于一位名叫亨利·劳伦斯·甘特的科学管理运动先驱者。
他于1917年第一次提出横道图(甘特图),并将之运用到项目管理中。
横道图又名甘特图,即是以这位发明者为命名的.含义横道图结构非常简单,包括横轴与纵轴,横轴表示时间,纵轴表示活动(项目),横向的线条则表示对应期间内计划和实际的工作任务的完成情况。
横道图直观描述了什么任务计划在什么时候进行,计划多久时间完成,实际已经完成多少等信息。
甘特图包含以下三个含义:1、以图形或表格的形式显示活动;2、一种通用的显示进度的方法;3、构造时应包括实际日历天和持续时间,并且不要将周末和节假日算在进度之内。
下面,我们用一个实际例子来形象地理解一下横道图。
如图所示,在这个关于室内装修的横道图中,我们可以看到以下信息:纵轴依照室内装修工程的流程步骤依次列出室内装修工程的任务,其中包括大致步骤的任务,部分任务又包括它的多个子任务(分项目);横轴有任务的计划开始时间、计划完成时间、持续时间、实际完成进度等时间要素;图表内部用百分比表示任务的进度,长条棒状图形与横轴的时间对应,具体表示任务的持续情况;每一个任务的完成时间是其所有子任务的时间之和(子任务计划时间有重叠部分,不重复计算)。
横道图有哪些特点:1、以图形或表格的形式显示活动;2、是一种通用的显示进度的方法,是企业管理者在工作中常用的一种图;3、构造时应包括实际日历天数以及持续时间,并且不要将周末和节假日算在进度之内;4、横道图具有简单、醒目和便于编制等特点;5、横道图可以直观地表达出任务计划的开始、结束时间,实际进展情况等等。
建筑工程施工-横道图建筑工程施工-横道图1. 引言横道图是建筑工程施工过程中的重要工具,用于展示和规划建筑物各个部分的水平位置和关系。
本文档旨在详细介绍横道图的制作过程和相关注意事项。
2. 横道图的定义横道图是建筑工程施工中的水平布置图,用于显示建筑物的平面布置和关键尺寸。
它包括建筑物的各个部分、楼层、墙体、楼梯、电梯、管道等,以及它们之间的位置和关联。
3. 制作横道图的步骤3.1 收集资料横道图的制作需要大量的施工图纸和相关资料,包括建筑设计图纸、结构设计图纸、安装工程图纸等。
收集这些资料是制作横道图的第一步。
3.2 绘制基础平面在横道图中,基础平面是建筑物的起点。
根据设计图纸,绘制基础平面,包括地面、地下室等。
3.3 绘制墙体和分区根据设计图纸中的墙体尺寸和位置,绘制墙体和分区。
确保墙体的位置准确,并标注墙体的厚度和材料。
3.4 安排楼层和楼梯根据设计图纸,确定建筑物的楼层布局和楼梯位置。
在横道图中,标注每个楼层的高度,并确保楼梯的位置符合规范和设计要求。
3.5 安装管道和设备根据安装工程图纸,标注管道和设备的位置和路径。
确保管道的位置准确,并注明管道的类型和尺寸。
3.6 标注关键尺寸和位置在横道图中,标注建筑物各个部分的关键尺寸和位置,如门窗的宽度和高度、墙体的厚度、房间的面积等。
这些尺寸和位置对后续施工工作非常重要。
4. 注意事项4.1 熟悉设计图纸在制作横道图之前,要充分熟悉设计图纸和相关资料,包括尺寸、材料和工艺要求等。
只有了解这些细节,才能制作出准确的横道图。
4.2 保持准确性和一致性制作横道图时,要保持准确性和一致性。
所有的尺寸和位置应该与设计图纸保持一致,并进行必要的校验和修正。
4.3 标注详细信息在横道图中,标注足够的详细信息是必要的,以便施工人员能够清楚地了解每个部分的要求和关联。
这包括尺寸、材料、工艺要求等。
5. 附件本文档所涉及附件如下:- 建筑设计图纸- 结构设计图纸- 安装工程图纸6. 法律名词及注释- 建筑工程:指按照设计要求和施工规范进行的建筑物结构、设备、装修等方面的工程。
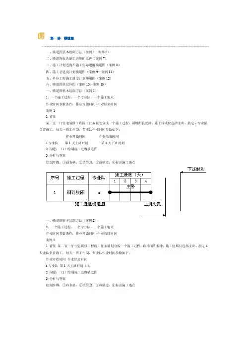
第一讲横道图一、横道图基本绘制方法(案例1—案例6)二、横道图表达施工进度的原理(案例7)三、施工计划进度和施工实际进度横道图(案例8)四、施工总进度计划横道图(案例9—案例11)五、单位工程施工进度计划横道图(案例12)六、横道图其它应用(案例13—案例15)一、横道图基本绘制方法(案例1)1、一个施工过程,一个专业队,一个施工地点作业时间参数条件:作业开始时间/作业结束时间案例11.背景某二室一厅住宅装修工程施工任务被划分成一个施工过程:刷墙面乳胶漆,施工区域仅包括主卧,指定a专业队负责施工,每天一班工作制,专业队作业时间参数如下:作业开始时间作业结束时间a专业队第1天上班时刻第4天下班时刻2.问题:(1)绘制施工进度横道图3.分析与答案绘制步骤:①画表格;②填信息;③画横道;④标出施工地点一、横道图基本绘制方法(案例2)2、一个施工过程,一个专业队,一个施工地点作业时间参数条件:作业开始时间/作业持续时间案例21.背景某二室一厅住宅装修工程施工任务被划分成一个施工过程:刷墙面乳胶漆,施工区域仅包括主卧,指定a 专业队负责施工,每天一班工作制,专业队作业时间参数如下:作业开始时间作业结束时间a专业队第1天上班时刻 4天2.问题:(1)绘制施工进度横道图3.分析与答案绘制步骤:①画表格;②填信息;③画横道;④标出施工地点一、横道图基本绘制方法(案例3)3、两个施工过程,两个专业队,一个施工地点作业时间参数条件:作业开始时间/作业结束时间作业开始时间/作业持续时案例31.背景某两室一厅烛照装修工程施工任务被划分为两个施工过程;地龙骨、铺木地板,施工区域仅包括主卧,制定a专业队负责钉地龙骨施工;制定b专业队负责铺木地板施工,每天一班工作制,专业队作业时间参数如下:作业开始时间作业结束时间作业持续时间a专业队第1上班时刻第3天下班时刻b专业队第4天上班时刻2天2.问题:绘制施工进度横道图并指出工期3.分析与答案绘制步骤:①画表格;②填信息;③画横道;④标出施工地点一、横道图基本绘制方法(案例4)4、一个施工过程,一个专业队,两个施工地点作业时间参数条件:作业开始时间/作业结束时间案例41.背景某两室一厅住宅装修工程施工任务被划分成一个施工过程;刷墙面乳胶漆,施工区域包括主卧和次卧,制定a专业队负责施工,每天一班工作制,专业队作业时间参数如下2.问题:绘制施工进度横道图并指出工期3.分析与答案绘制步骤:①画表格;②填信息;③画横道;④标出施工地点一、横道图基本绘制方法(案例5)5、一个施工过程,一个专业队,两个施工地点作业时间参数条件:作业开始时间/作业持续时间案例51.背景某二室一厅住宅装修工程施工任务被划分成一个施工过程:刷墙面乳胶漆,施工区域包括主卧和次卧,指定a专业队负责施工,每天一班工作制,专业队作业时间参数如下:2.问题(1)绘制施工进度横道图(表达出a专业队在主卧和次卧房间的作业进度)3.分析与答案绘制步骤:①画表格;②填信息;③画横道;④标出施工地点一、横道图基本绘制方法(案例6-1,6-2)6、两个施工过程,两个专业队,两个施工地点作业时间参数条件:作业开始时间/作业持续时间案例6-11.背景某两室一厅住宅装修工程施工任务被划分为两个施工过程:钉地龙骨,铺木地板,施工区域包括主卧和次卧,指定a专业队负责钉地龙骨施工;指定b专业队负责铺木地板施工,每天一班工作制,专业队作业时间参数如下:2.问题(1)绘制施工进度横道图3.分析与答案绘制步骤:①画表格;②填信息案例6-21.背景某二室一厅住宅装修工程施工任务被划分为两个施工进度:钉地龙骨、铺木地板,施工区域包括主卧和次卧,指定a 专业队负责钉地龙骨施工;指定b 专业队负责铺木地板施工,每天一班工作制,专业队作业时间参数如下:2.问题:(1)绘制施工进度横道图3.分析与答案绘制步骤:①画表格;②填信息;③画横道;④标出施工地点二、横道图表达施工进度的原理(案例7)案例71.背景某二室一厅住宅装修工程施工任务被划分成两个施工过程:钉地龙骨、铺木地板,施工区域仅包括主卧,指定a 专业队负责钉地龙骨施工;指定b专业队负责铺木地板施工,每天一班工作制。
绘制横道图的步骤横道图是一种常用的工具,用于表示项目、计划或流程中的各个阶段或任务。
横道图还可以用于规划和管理资源、分配任务和跟踪进度。
本文将介绍如何绘制横道图,包括以下步骤:1. 定义项目或计划:在绘制横道图之前,需要明确项目或计划的目标和任务。
这通常需要与相关人员进行磋商,并明确每个任务的开始和结束日期以及任务之间的依赖关系。
2. 确定项目的时间范围:根据任务的开始和结束日期,确定整个项目或计划的时间范围。
这可以帮助确定绘制横道图所需的时间刻度和时间轴的长度。
3. 绘制时间轴:在绘制横道图之前,需要绘制一个时间轴,以表示整个项目或计划的时间范围。
时间轴应包括开始日期和结束日期,并用等间隔的刻度表示时间跨度。
时间轴的长度应足以包含所有任务和相关信息。
4. 绘制任务条:在时间轴上,绘制每个任务的条形图。
任务条的长度应表示该任务的持续时间,通常以天为单位。
任务条的高度可以固定,也可以表示该任务的重要性或资源需求。
5. 连接任务条:确定任务之间的依赖关系,并用连接线将它们相互连接。
连线表示一个任务的完成必须在另一个任务开始之前。
连接线的类型可以根据依赖关系的种类进行选择,如结束-开始、开始-开始、结束-结束等。
6. 添加关键事件:在任务条上,加入项目或计划中的关键事件或里程碑。
这些事件通常代表项目或计划的重要阶段或完成任务的标志。
关键事件可以用粗线条或标注的方式表示,并在左侧或右侧标注事件的名称和日期。
7. 添加约束:在任务条中,添加任何必要的约束条件,例如最早开始时间、最晚结束时间、资源限制等。
8. 添加注释:在横道图的边缘或下方,添加注释,以解释横道图中的任务和依赖关系。
例如,可以解释每个任务的目标和责任人,以及整个项目或计划的目标和截止日期。
9. 审查和修改:绘制横道图后,需要对横道图进行审核和修改。
这可以帮助确保横道图准确反映项目或计划的关键任务和依赖关系。
10. 共享和更新:完成横道图后,需要与项目团队和其他相关人员进行共享,并定期更新和维护横道图,以反映实际进展和变化。
横道图简易制作横道图是一种常用的数据可视化工具,用来呈现不同数据之间的关系和趋势。
制作横道图的过程需要遵循一定的规则,下面我们将介绍制作横道图的具体步骤。
1. 确定横道图的目的在制作横道图之前,我们需要明确其目的,即需要呈现什么样的数据以及要达到什么样的效果。
这可以帮助我们更精确的选择数据和制作方式,以达到最佳的呈现效果。
2. 收集数据横道图需要依托于数据来呈现不同的趋势和关系,因此我们需要准备好相关数据。
通常情况下,使用 Excel 等办公软件进行数据的整理和存储可以提高效率和精度。
在收集数据时,需要保证数据的准确性和完整性。
3. 选择合适的数据分类方式根据需要显示的数据,选择合适的数据分类方式。
数据可以按照不同的时间段或者不同的类别进行分类。
一般情况下,时间序列等分类方式是横道图的主要分类方式。
4. 绘制横道图在绘制横道图时,我们需要按照以下步骤进行:(1)打开 Excel 或其他绘图工具,选择合适的数据源,将数据导入绘图工具。
(2)设定横轴和纵轴,分别可以表示时间或者其他数据。
这需要根据具体情况来选择。
通常,时间线是横道图的横轴。
(3)在横轴和纵轴的基础上,开始描绘数据点和数据线。
不同的数据点和数据线需要使用不同的颜色和形状进行标记,以便于区分和识别。
(4)添加标题和图例。
标题需要简洁明了,能够从标题中了解到横道图所表示的数据和趋势。
图例需要详细说明不同的颜色、形状和标记所代表的含义,方便读者理解。
5. 调整横道图视觉效果绘制好横道图之后,需要对其进行调整,以使其更具视觉效果和清晰度。
主要操作有:(1)根据需要调整数据点和数据线的颜色、形状、粗细等,使其更醒目突出。
(2)选择合适的字体,大小和颜色,定位标题和图例的位置和大小。
(3)添加必要的注释和说明,以帮助读者更快地理解和掌握数据。
6. 输出横道图最后,我们需要将制作好的横道图输出为图片或者其他形式的文件,方便读者查看和使用。
制作横道图需要遵循以上步骤,做到准确、简洁、生动,以达到最佳的数据呈现效果。
横道图(施工进度计划)简介横道图是一种常用的施工进度计划表。
其主要用于规划和管理建筑施工进度,并帮助团队了解项目的实时状态和更好地安排工作流程。
本文将为您详细介绍横道图的概念、作用、制作方法和注意事项。
概念横道图是一种详细记录建筑施工计划的图表。
该图表包含了一个完整项目的所有具体活动,以及预计每个活动的开始和结束时间。
这种图表旨在帮助管理层更好地掌握项目进度,并在需要时进行必要的调整。
作用横道图的主要作用是帮助团队规划和管理建筑施工进度。
它可以帮助团队了解项目完整的时间表,并提醒他们哪些活动是必须提前完成的。
在项目进行中,横道图还可以通过更新时间表来保持状态的最新信息,以便提高团队的响应能力。
制作方法横道图的制作需要以下步骤:1. 确定项目任务首先,需要在横道图中列出项目的所有任务。
这些任务需要从项目计划中进行确定,并根据其实际用时进行修改。
2. 确定任务时间其次,需要为每个任务带上开始和结束时间。
这些时间应根据实际可用资源和所需工作量进行确定。
3. 绘制横道图最后,将每个任务填入横道图表格中。
这样,就可以看到每个任务的开始和结束时间,以及任务之间的关系。
在绘制横道图时,应该尽可能地预测所有可能存在的延误,并将其添加到计划中。
注意事项在制定横道图时,应该注意以下几点:1. 基于可行性分析制定横道图应该基于现实的可行性分析制定,以确保所有任务的时间预测尽可能准确。
2. 资源的合理分配考虑到施工过程中可能存在的资源不足的情况,我们应该合理地分配时间,确保到所有任务完成,资源的持续利用。
3. 定期更新横道图不应该被视为一次性工具,而是应该在项目安排的不同阶段进行反复检查和更新。
启动和完成后的每次检查都将为建筑师和管理层提供有价值的信息,以维护一个健康的、预测性的项目管理过程。
横道图是一个关键的、有力的工具,可以帮助团队规划和管理建筑施工进度。
它可以帮助您了解项目的实时状态,以便及时安排加速任务并避免延误。
绘制横道图的步骤横道图,也称为甘特图,是一种项目管理工具,以时间为轴展示项目中各个任务的起止时间,帮助团队成员和项目经理了解项目进展以及任务之间的依赖关系。
绘制横道图的步骤包括确定项目任务,确定任务的起止时间,绘制任务条形图以及添加依赖关系。
下面将详细介绍每个步骤。
步骤一:确定项目任务在绘制横道图之前,首先需要明确项目的任务。
对于较复杂的项目,可以将项目分解为多个子任务,并逐一列出。
每个任务应该具体明确,可衡量和可操作。
任务的明确定义可以帮助项目团队理解任务的具体内容和目标。
步骤二:确定任务的起止时间针对每个任务,需要确定任务的起止时间。
任务的起止时间应该基于项目管理的需求和实际可行性。
在确定起止时间时,可以参考以往类似项目的经验,参考专家意见,以及与团队成员的讨论。
可以将任务的起止时间按天进行量化,便于后续绘制横道图。
步骤三:绘制任务条形图在绘制横道图时,任务条形图是一个重要的组成部分。
每个任务在条形图中占据一定的时间跨度,代表任务的起止时间。
任务条形图应该按照任务的顺序依次排列,任务之间应该有一定的间隔,以便于区分不同的任务。
可以使用纸笔绘制任务条形图,也可以使用电子绘图工具进行绘制。
步骤四:添加依赖关系任务之间的依赖关系对于项目管理非常重要。
在横道图中,可以使用箭头表示任务之间的依赖关系。
箭头的起点表示前置任务,箭头的终点表示后续任务。
依赖关系可以分为两种类型:开始-完成(start-to-finish)和完成-完成(finish-to-finish)。
开始-完成依赖表示后续任务必须在前置任务开始之后才能开始,而完成-完成依赖表示后续任务必须在前置任务完成之后才能开始。
根据实际需求,可以添加适当的依赖关系到横道图中。
步骤五:检查和调整在绘制完横道图后,应该对图表进行检查和调整。
检查的目的是确保任务的起止时间和依赖关系的准确性。
同时,还需要检查横道图的可读性和美观性。
如果需要对任务进行调整,可以根据实际情况修改任务的起止时间或依赖关系。
施工进度计划横道图(总进度计划)引言概述:施工进度计划横道图,又称总进度计划,是施工项目管理中的重要工具之一。
它通过图形化的方式展示了项目的整体进度安排,匡助项目团队和相关方了解项目的时间安排、关键路径和资源分配情况。
本文将详细介绍施工进度计划横道图的概念、制作方法、应用场景、优势和注意事项。
一、概念1.1 施工进度计划横道图是指将项目的各项工作按照时间顺序罗列在一个时间轴上,通过箭头表示工作的先后顺序和持续时间,从而形成一个整体的进度计划图。
1.2 横道图通常包括项目的所有工作任务、估计工期、关键路径、资源分配等信息,是项目管理团队制定计划、监控进度和调整资源的重要依据。
1.3 通过施工进度计划横道图,项目管理团队可以清晰地了解项目的整体进度安排,及时发现问题并采取措施,确保项目按时按质完成。
二、制作方法2.1 确定项目范围和目标,将项目分解为具体的工作任务,并确定各项任务的先后顺序和依赖关系。
2.2 根据任务的持续时间和资源需求,绘制出整体的进度计划图,标注关键路径和里程碑节点。
2.3 不断更新和调整横道图,根据实际进度情况和资源变化进行优化,确保项目的进度计划与实际执行保持一致。
三、应用场景3.1 施工进度计划横道图适合于各类施工项目,包括建造工程、道路工程、水利工程等,匡助项目管理团队有效管理项目进度和资源。
3.2 在项目启动阶段,横道图可以匡助团队制定详细的工作计划和时间安排,确保项目按时启动和发展顺利。
3.3 在项目执行阶段,横道图可以匡助团队监控进度情况,及时调整资源和工作安排,保证项目按计划完成。
四、优势4.1 施工进度计划横道图可以直观地展示项目的整体进度安排,匡助团队和相关方了解项目的执行情况。
4.2 通过横道图,可以清晰地识别项目的关键路径和关键节点,及时发现问题并采取措施,确保项目的顺利进行。
4.3 横道图可以匡助团队合理分配资源和调整工作安排,提高项目的执行效率和质量。
如何利用Excel绘制施工进度横道图
1. 打开Excel表格,新建表格数据文件
按三列依次输入“开工日期”“施工时间”“完工日期”,再根据你手中的进度计划将其中的信息做成表格(时间是根据计划换算)如下图所示:
2. 选择A1~C8区域
(注意:完工时间可不计入图表)
点击上方的“插入”菜单,选择“图表”
在插入图表的类型中选择“条形图”中的“堆积条形图”, 点击“确定”,进度横道图就初见雏形了。
3.虽然雏形出来了
但对比我们以前所认识的横道图还是需要调整。
在坐标纵轴上单击右键,选择“设置坐标轴格式”
坐标轴位置选择“刻度线之间”,同时选中“逆序类别”
这样就把所有类别都显示出来了,并且使得图表内容的显示和我们施工计划表的输入顺序保持一致。
4. 右键选中蓝色条,单击,在菜单上选择“设置数据系列格式
将线条和颜色都设置成“无”,即“无填充”和“无线条”
再把每项工作的持续时间显示出来,将“数据标签”打钩
这样就大功告成了,生成施工进度计划横道图,大家还可以根据自己的喜好去调整,如图所示:。
如何简单快速绘制横道图导语:在日常工作中,经常需要展开一些项目。
做项目就必须要有项目进度规划,这就需要用到计划类型的横道图。
甘特图是通过活动列表和时间刻度,形象地表示出任何特定项目的活动顺序与持续时间的一种图表。
其绘制方法主要是利用软件进行绘制,如果你不知道如何绘制甘特图,可以通过本篇文章的学习来了解一下。
什么软件可以画横道图?进入了科技时代以后,互联网的兴起也带动了软件行业的发展,由于软件业的飞速发展,横道图这种广泛应用于项目管理的软件也已经同其他项目管理软件相融合。
比如亿图图示,这是一款全能型的绘图软件,当然会内置横道图功能。
使用亿图图示绘制横道图对项目进行管理、安排任务、管理时间、查看进度毫无压力,软件采用拖拽的绘图方式,界面简单明了,操作方便,用户即看即会,无需花费多少时间学习。
亿图图示怎么画横道图?新建横道图:新建“项目管理”,选择“横道图”模板或者例子。
然后从软件左侧的“横道图”符号库中拖拽一个横道图形状开始绘图。
拖拽“横道图”至绘图页面后,会自动跳出“横道图选项”窗口,可以在这里设置一些基本数据,比如:日期格式、工作日期、日期单位等等,设置好之后点击“OK”即可开始设置任务。
温馨提示:“横道图选项”,“日期单位”中的“开始/结束日期”,是用来控制横道图右侧时间条显示的开始和结束时间,并非是“Start/Finish”的时间。
新增任务:1、点击横道图,将鼠标移至任务所在的一行,右键新增任务或者子任务。
2、点击横道图,在“横道图”菜单栏,选择插入新任务或者添加子任务。
温馨提示:新增任务会加在现有任务上方,新增子任务会加在现有子任务下方。
调整横道图列宽:鼠标移动至两列之间的连接线处,如下图所示,拖动该线条来调整列宽。
调整任务类型:鼠标右键,选择“凸排/缩进”,或者在“横道图”菜单栏中选择“凸排/缩进”。
此操作可以在相同的任务优先级向上或向下移动任务,也可以把它带到之前任务的下一级。
改变任务的时间轴:双击文本框输入任务的开始时间和结束时间,进展条可以自动根据新的时间更新。
用EXCEL绘制施工进度图
众所周知,从事工程建设的,绘制施工进度计划图是一项重要的工作。
现在就让我们一起来看看如何用Excel绘制建设工程进度计划图吧。
建设工程进度计划的表示方法有多种,常用的有“横道图”和“网络图”两类。
先让我们来看看横道图的制作吧。
横道图也称甘特图,是美国人甘特在20世纪20年代率先提出的,在Excel中,可以用“悬浮的条形图”来实现。
Step1 启动Excel2003(其它版本请仿照操作),仿照图1的格式,制作一份表格,并将有关工序名称、开(完)工时间和工程持续时间等数据填入表格中。
A1单元格中请不要输入数据,否则后面制作图表时会出现错误。
“完成时间”也可以不输入。
同时选中A1至C12单元格区域,执行“插入→图表”命令,或者直接按“常用”工具栏上的“图表向导”按钮,启动“图表向导4步骤之一图表类型”(如图2)。
Setp2 切换到“自定义类型”标签下,在“图表类型”下面的列表中,选中“悬浮的条形图”选项,单击“完成”按钮,图表插入到文档中。
然后用鼠标双击图表的纵坐标轴,打开“坐标轴格式”对话框,切换到“刻度”标签下,选中“分类次序反转”选项;再切换到“字体”标签下,将字号设置小一些,确定返回。
小技巧:经过此步操作,图表中有关“工序名称”就按开工顺序从上到下排列了,这样更符合我们的实际情况。
Step3 仿照上面的操作,打开横坐标轴的“坐标轴格式”对话框,在“刻度”标签中,将“最小值”和“交叉于”后面的方框中的数值都设置为“37994”(即日期2004-1-8的序列值,具体应根据实际情况确定);同时,也在“字体”标签中,将字号设置小一些,确定返回。
调整好图表的大小和长宽比例,一个规范的横道图制作完成(图3)。
你也可以利用相应的设置对话框,修改图表的格式、颜色等设置,感兴趣的读者请自己练习设置。