企业职工安全教育培训档案
- 格式:docx
- 大小:75.82 KB
- 文档页数:10
职工安全教育培训档案管理为了确保职工的安全和健康,各企事业单位都需要进行职工安全教育培训。
而对于这些培训的记录和管理,就需要建立起职工安全教育培训档案管理制度,以便随时查阅和监督。
职工安全教育培训档案管理的目的是为了记录和管理每一位职工的安全教育培训情况,包括培训内容、培训时间、培训地点、培训方式等。
档案管理的目的是为了方便监督和评估培训效果,及时发现和纠正培训中存在的问题,提高职工的安全意识和安全素质。
职工安全教育培训档案管理的内容主要包括以下几个方面。
首先是建档,即建立每一位职工的安全教育培训档案,包括个人信息、培训记录等。
其次是整理和归档,将每一次培训的相关资料整理并归档,确保档案的完整和准确性。
再次是保管和存档,将档案妥善保管,并按照规定的时间存档,以备查阅和复核。
最后是利用和分析,根据档案中的数据和记录进行分析和评估,及时发现和解决培训中存在的问题。
职工安全教育培训档案管理的流程一般包括以下几个环节。
首先是培训计划的确定,根据企业的实际情况和安全教育培训的要求,制定出培训计划。
其次是培训实施,按照计划进行培训,并记录培训的相关信息。
然后是档案整理和归档,将培训的相关资料整理并归档,确保档案的准确和完整。
最后是档案的保管和利用,将档案妥善保管,并根据需要进行查阅和利用。
职工安全教育培训档案管理的意义重大。
首先,档案管理可以帮助企业及时了解和掌握职工的安全培训情况,为企业制定更加科学和有效的安全生产措施提供依据。
其次,档案管理可以帮助企业及时发现和解决安全培训中存在的问题,提高培训的质量和效果。
再次,档案管理可以为企业提供依据,防范和应对安全事故的发生,保障职工的人身安全和财产安全。
职工安全教育培训档案管理是企业安全管理的重要环节,对于提高职工的安全意识和安全素质,预防和减少安全事故的发生具有重要意义。
企业需要建立起科学、规范的档案管理制度,并严格执行,以确保职工安全教育培训的有效进行和管理。
企业职工三级安全教育培训档案1. 引言企业职工的安全意识和培训水平直接关系到企业生产经营的安全和稳定。
为了提高职工的安全意识和技能,企业需要进行三级安全教育培训。
本文档对企业职工三级安全教育培训档案进行详细的介绍和说明。
2. 背景企业面临着各种安全风险,为了保障职工的人身安全和降低企业的安全风险,企业需要进行安全教育培训。
职工的安全教育培训分为三个级别,包括入职培训、定期培训和临时培训。
每个级别的培训目标和内容略有不同,但都是为了提高职工的安全意识和技能。
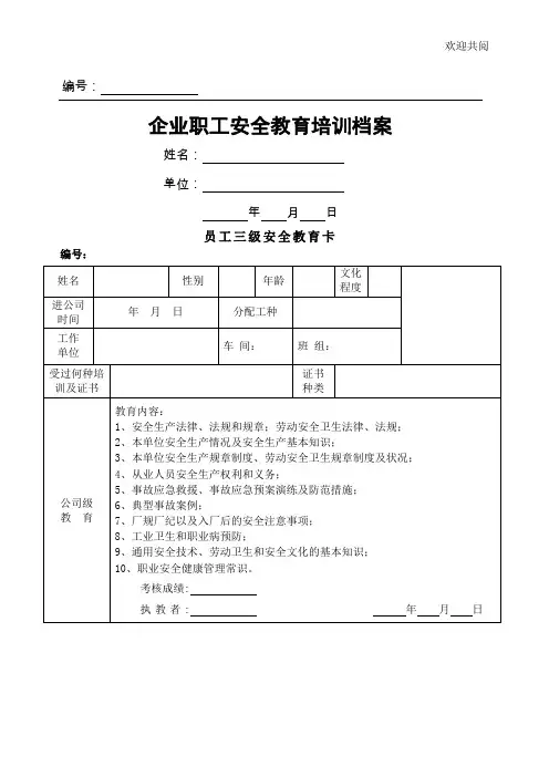
3. 档案内容3.1 入职培训档案入职培训是新员工接受的第一次安全培训,主要目的是让新员工了解企业的安全制度和规定,掌握基本的安全知识和技能。
入职培训档案应包括以下内容:•新员工的基本信息,包括姓名、性别、年龄、入职日期等;•入职培训计划和培训内容,包括培训时间、培训地点、培训人员等;•培训考核结果和证书,包括考核成绩、考核时间、颁发机构等。
3.2 定期培训档案定期培训是对在职员工进行的定期安全教育培训,目的是通过培训提高员工的安全意识和技能,增强员工的安全防范能力。
定期培训档案应包括以下内容:•员工的基本信息,包括姓名、性别、年龄、所属部门等;•定期培训计划和培训内容,包括培训时间、培训地点、培训人员等;•培训考核结果和证书,包括考核成绩、考核时间、颁发机构等。
3.3 临时培训档案临时培训是针对特定岗位或特定工作任务而进行的临时安全教育培训,目的是提高员工在临时任务中的安全意识和技能。
临时培训档案应包括以下内容:•员工的基本信息,包括姓名、性别、年龄、所属部门等;•临时培训计划和培训内容,包括培训时间、培训地点、培训人员等;•培训考核结果和证书,包括考核成绩、考核时间、颁发机构等。
4. 档案管理企业职工三级安全教育培训档案是企业管理安全教育培训工作的重要依据,对于提高职工的安全意识和技能起到至关重要的作用。
企业应建立完善的档案管理制度,确保档案的完整性、准确性和可访问性。
第1篇一、前言为了加强员工安全教育培训工作,提高员工安全意识和安全技能,保障企业安全生产,根据《中华人民共和国安全生产法》、《企业职工安全教育培训规定》等相关法律法规,结合企业实际情况,特制定本员工安全教育培训档案。
二、培训目标1. 提高员工安全意识,增强安全责任感。
2. 培养员工安全技能,提高应急处置能力。
3. 规范员工安全行为,降低事故发生率。
4. 促进企业安全生产,实现经济效益和社会效益的统一。
三、培训对象1. 企业全体员工。
2. 新入职员工。
3. 转岗员工。
4. 从事特种作业的员工。
5. 企业领导及管理人员。
四、培训内容1. 安全生产法律法规及政策。
2. 企业安全生产规章制度及操作规程。
3. 安全生产基本知识、安全技能和安全操作规程。
4. 事故案例分析及预防措施。
5. 应急处置及逃生技能。
6. 心理素质培养。
五、培训方式1. 理论培训:通过课堂讲授、案例分析、讨论交流等方式进行。
2. 实践培训:通过现场观摩、实操演练、技能考核等方式进行。
3. 网络培训:利用企业内部网络平台,开展在线学习、考试和考核。
4. 外部培训:邀请专业机构或专家进行专题讲座、培训。
六、培训时间1. 新员工入职培训:入职前必须完成安全教育培训,合格后方可上岗。
2. 定期培训:每半年组织一次全员安全教育培训,培训时间不少于4小时。
3. 特种作业人员培训:每两年组织一次特种作业人员培训,培训时间不少于24小时。
4. 专项培训:针对特定岗位或特定情况,组织专项培训。
七、培训考核1. 考核方式:理论考试、实操考核、案例分析、答辩等。
2. 考核内容:安全生产法律法规、企业规章制度、安全操作规程、应急处置及逃生技能等。
3. 考核结果:分为合格、不合格。
不合格者,重新培训,直至合格。
八、档案管理1. 建立员工安全教育培训档案,包括员工个人信息、培训记录、考核结果等。
2. 档案管理实行电子化,方便查询、统计和分析。
3. 档案保存期限:根据相关法律法规和企业实际情况确定。
企业职工安全教育培训档案一、背景随着经济的发展和科技的进步,企业作为现代经济社会中的基本单位,已经成为国民经济发展的重要力量。
然而,随着企业规模的扩大和生产设备的复杂化,职工面临的工作风险也越来越大,更高的安全生产要求对企业安全教育培训提出了更高的要求。
因此,为了提高职工安全防范意识和技能水平,减少安全生产事故的发生,企业必须进行全面、系统、科学的安全教育培训。
二、目的本文旨在探讨企业职工安全教育培训档案的建立和管理,以求提高职工的安全意识和技能水平,预防和减少安全事故的发生。
三、档案的建立内容(一)档案的基本信息档案的基本信息是档案建立的基础,应包括企业名称、档案编号、职工姓名、性别、出生年月、入职日期、部门、职务、教育背景、个人联系方式等。
同时,还需维护一个统一管理的企业职工安全教育培训档案数据库,以便随时查询和更新档案信息。
(二)档案的培训记录档案的培训记录是档案建立的重要内容,应当包括职工参加的安全教育培训的时间、地点、培训内容、培训方式、培训人员及其资质、培训成果,以及职工的反馈意见等。
应确保相关的培训证明文件齐全,例如培训计划、讲义、参训人员签到表、考试试题及答案、成绩单以及发放的奖项等。
(三)档案的考核评价档案的考核评价主要是为了评估职工在安全教育培训中所取得的成绩和效果,应当根据培训对职工的要求和工作实际需要,对职工进行不定期的评估和考核。
档案中应记录职工的考核情况,包括考核方式、时间、考核内容、评分标准和评分结果等。
(四)档案的讲解记录档案的讲解记录是指企业针对职工安全教育培训需要进行的现场讲解记录,应当包括讲解的时间、地点、内容、方式以及参加人员等。
在讲解的过程中应当记录讲解者的资质和讲解内容,并要求参加人员签到确认,以便核实讲解的结果及时处理安全教育培训中存在的问题。
(五)档案的管理与维护档案的管理与维护是档案建立的关键环节,应当有专人负责,严格按照相关法律法规要求和企业制度规定进行档案管理。
企业职工安全教育培训档案背景现代企业的发展离不开安全,尤其是在高风险行业中,职工的安全意识和应急处置能力尤其重要。
因此,企业需要对职工进行安全教育培训,并妥善保管培训档案,以确保培训工作的实效性和职工的安全。
建立职工安全教育培训档案的目的职工安全教育培训档案是企业管理中非常重要的一环,建立职工安全教育培训档案的目的主要是:1.保障职工在工作中的安全;2.提高职工的安全意识和应急处置能力;3.合规管理,符合相关法律法规和企业的安全标准;4.提高企业绩效,减少安全风险和事故的发生。
建立职工安全教育培训档案的意义建立职工安全教育培训档案的意义在于增强企业对职工安全教育培训工作的管理和监督能力,确保职工安全生产和公司可持续发展。
具体意义如下:1. 为职工的安全提供保障职工在工作中必须有一定的安全意识和应急处置能力。
针对不同工种和工作岗位,企业应定期进行安全教育培训,以提高职工在安全事故发生时的应急处置能力,保障职工的安全。
2. 促进职工能力的提升职工安全培训是提高职工整体素质、促进其综合能力提升的重要途径。
建立完善的职工安全教育培训档案可为公司职工搭建更好的成长平台。
3. 提高安全管理水平职工安全教育培训档案的建立和管理,有助于企业提高安全管理水平。
通过培训、评估等手段,公司能够更明确地掌握各工种职工的安全技能水平,以便对职工安全工作进行更有针对性的管理。
4. 符合法律法规建立职工安全教育培训档案还可以帮助企业符合法律法规,使企业按照国家和地方的有关职业安全标准进行管理,以保障职工的健康、安全和合法权益。
建立职工安全教育培训档案的步骤建立职工安全教育培训档案主要分为以下几个步骤:1. 制定安全教育培训计划企业首先需要制定一份安全教育培训计划,明确每个职工的培训内容、培训时间、培训方式等。
根据不同工种和工作岗位的特点、职工的地域和文化背景等因素,定期组织培训。
2. 安排培训机构或培训专家企业应根据自身的情况选择培训机构或专家,确保培训的质量。
化工企业职工安全教育培训档案化工企业职工安全教育培训档案是化工企业为了加强职工安全意识和技能而制定的一套培训记录和管理系统。
该档案包含了职工参加安全教育培训的基本信息,培训内容、培训时间、培训方式及培训效果等重要信息。
化工企业职工安全教育培训档案的内容包括:
1. 职工基本信息:档案应包括职工的姓名、性别、年龄、职务、工龄等基本信息。
2. 培训需求分析:化工企业应根据职工的工作内容和风险等级,分析职工需要接受哪些安全教育培训。
3. 培训计划:化工企业应根据分析结果制定合理的安全教育培训计划。
4. 培训记录:化工企业应记录职工参加的每次安全教育培训的时间、地点、讲师、培训内容和培训效果等。
5. 培训评估:化工企业应对职工接受安全教育培训的效果进行
评估,并将评估结果记录在档案中。
6. 管理制度:化工企业应建立一套完善的安全教育培训管理制度,规范化工企业职工的安全教育培训。
化工企业职工安全教育培训档案的建立和使用,有利于化工企业做好职工安全教育培训工作,提高职工的安全意识和技能,防范和减少事故的发生,保证企业的安全生产。
员工安全教育培训档案范本
前言
随着现代社会的发展,企业安全问题日益凸显。
为了保障员工的人身安全和财产安全,企业人力资源部门应当给员工全面的安全教育培训。
本文将提供员工安全教育培训档案范本,供企业人力资源部门参考。
知识点训练
岗位安全教育
•岗位安全操作规程
•电器安全用电知识
•预防火灾小常识
•预防人为纵火知识
•按钮起重机的操作规程
紧急避险知识
•消防安全常识
•灭火器的使用方法
•急救操作流程
•应急避险和逃生逃生方法
实操培训
消防安全演练
7月1日,公司在企业文化节期间举行消防安全演练。
所有员工参加了消防安全演练。
灭火器使用培训
8月9日和8月10日,公司在二楼办公会议室开展灭火器使用培训,培训时间约为1小时左右。
急救知识培训
公司邀请了当地急救中心的专业教师,为员工进行急救知识培训。
同时,教师还对现场的员工进行了手抽烟灭火实操演练。
收获
公司员工对公司举行的安全教育培训非常满意。
员工表示加强了对安全问题的认识和应对能力,增强了安全意识,提升了工作安全风险预防和处理的能力。
建立好员工安全教育培训档案范本,方便企业将来的培训工作。
结语
员工安全教育培训档案范本可以提高企业的安全管理水平和安全管理效率,为员工打造更安全的工作环境。
因此企业人力资源部门应当认真对待员工的安全教育培训,并建立好相应的档案。
企业职工安全教育培训档案随着经济的飞速发展和科技的不断进步,企业竞争日趋激烈。
企业内部发生的安全事故和突发事件,不仅会导致经济损失,更会对企业的形象造成不良影响,甚至会危及职工的生命安全。
因此,为了保障企业职工的安全,必须加强职工安全教育培训档案管理。
一、什么是企业职工安全教育培训档案?企业职工安全教育培训档案指的是企业为职工进行安全教育和培训所进行的记录和管理。
这些记录包括职工接受安全教育和培训的内容、时间、地点、培训成绩等。
对于企业而言,将职工安全教育培训档案进行科学、规范的管理,可以有助于预防和减少事故的发生,提高职工的安全意识和自我保护能力。
二、企业职工安全教育培训档案的意义1、帮助企业预防和减少事故的发生企业职工安全教育培训档案可以帮助企业全面了解职工的安全培训情况,有针对性的进行安全教育和培训,强化职工的安全意识和技能,提高职工的安全保护能力,从而预防和减少事故的发生。
2、法律法规的遵守根据《中华人民共和国安全生产法》,企业必须对职工进行安全教育和培训,企业必须建立职工安全教育培训档案并保存至少5年以上。
企业职工安全教育培训档案管理符合国家法律法规的要求,不仅可以避免企业受到罚款等处罚,还可以保障企业的高效运转。
3、记录和留存管理需要的资料职工参加安全教育和培训的档案也是企业管理职工的一个重要途径,好的管理要求有科学、规范和有效的管理制度,有良好的服务,也需要及时的记录和保留管理的必要文件和资料,方便管理和追溯。
三、企业职工安全教育培训档案的管理要点1、建立健全相关制度企业要建立健全职工安全教育培训档案的管理制度,明确安全教育培训内容和培训计划,规定记录和管理流程,建立完整的档案管理制度体系。
2、加强对档案内容的把控和记录企业要严格按照相关要求进行记录和管理,保证档案内容的完整性和可靠性,记录所有职工接受的安全教育和培训的详细信息,包括培训时间、地点、培训方式、教育内容、培训成果等,记录的信息应该是全面、准确和实时更新的。
第1篇一、档案概述员工安全教育培训档案是企业对员工进行安全教育培训工作的记录和总结,是保障员工安全、预防事故的重要手段。
本档案旨在全面、系统地记录员工安全教育培训的全过程,为企业管理层提供决策依据,提高员工安全意识和自我保护能力。
二、培训内容1. 安全生产法律法规:培训员工熟悉国家安全生产法律法规,提高法律意识,确保在生产过程中依法操作。
2. 安全生产责任制:培训员工了解企业安全生产责任制,明确各自职责,确保安全生产。
3. 安全生产操作规程:培训员工掌握本岗位的操作规程,提高操作技能,预防事故发生。
4. 事故案例分析:通过分析典型事故案例,使员工深刻认识到事故的危害,提高安全意识。
5. 应急救援知识:培训员工掌握应急逃生、急救等技能,提高自救互救能力。
6. 安全生产管理制度:培训员工熟悉企业安全生产管理制度,确保生产过程有序进行。
7. 安全生产文化建设:培养员工安全文化意识,提高企业整体安全水平。
三、培训方式1. 课堂教学:邀请专业讲师进行授课,确保培训内容系统、全面。
2. 实地参观:组织员工参观安全生产示范单位,实地感受安全生产的重要性。
3. 案例分析:通过分析典型事故案例,使员工深刻认识到事故的危害。
4. 演练培训:组织应急演练,提高员工应对突发事件的能力。
5. 安全知识竞赛:开展安全知识竞赛,激发员工学习安全知识的兴趣。
6. 交流分享:组织员工交流安全生产心得,共同提高安全意识。
四、培训时间1. 新员工入职培训:入职前进行为期一周的安全教育培训。
2. 定期培训:每年至少组织一次全员安全教育培训。
3. 特殊培训:针对新设备、新技术、新工艺等开展专项安全培训。
五、培训对象1. 全体员工:包括生产、管理、技术、后勤等各个岗位。
2. 特殊岗位员工:如电工、焊工、起重工等,需进行专项安全培训。
3. 管理人员:提高管理人员的安全意识和管理能力。
六、培训效果评估1. 培训参与率:统计员工参加培训的比例,确保培训覆盖面。
一、培训背景随着我国经济的快速发展和企业规模的不断扩大,安全生产已成为企业持续发展的重要基石。
为了提高员工的安全意识,加强安全生产管理,降低安全事故发生率,根据国家相关法律法规和公司实际情况,特制定本安全教育培训档案。
二、培训目标1. 提高员工的安全意识,树立“安全第一”的思想观念。
2. 增强员工的安全操作技能,降低安全事故发生率。
3. 熟悉并掌握安全生产规章制度和操作规程。
4. 提高员工应对突发事件的能力,确保企业安全生产。
三、培训对象1. 公司全体员工。
2. 新员工入职培训。
3. 转岗、复岗员工。
4. 特殊岗位员工(如电工、焊工、叉车司机等)。
四、培训内容1. 安全生产法律法规及政策解读- 《中华人民共和国安全生产法》- 《中华人民共和国消防法》- 《中华人民共和国职业病防治法》- 行业安全生产标准及规范2. 公司安全生产规章制度- 安全生产责任制- 安全生产操作规程- 安全生产奖惩制度- 应急预案3. 安全生产基本知识- 安全生产基本概念- 安全生产基本要求- 安全生产基本技能- 安全生产基本装备4. 常见事故案例分析- 交通事故案例分析- 火灾事故案例分析- 机械设备事故案例分析- 职业病案例分析5. 应急救援与急救知识- 突发事件应急处置- 常见伤害的现场急救- 火灾逃生与自救6. 特殊岗位安全操作技能培训- 电工安全操作技能- 焊工安全操作技能- 叉车司机安全操作技能- 化学品操作安全五、培训方式1. 集中授课- 邀请专业讲师进行授课,确保培训内容的系统性和专业性。
2. 现场观摩- 组织员工到现场观摩,直观了解安全生产的实际操作。
3. 案例分析- 通过分析典型事故案例,提高员工的安全意识和防范能力。
4. 实操演练- 开展应急演练和技能培训,提高员工应对突发事件的能力。
5. 在线学习- 利用公司内部培训平台,提供在线学习资源,方便员工随时学习。
六、培训时间1. 新员工入职培训:入职前3个月内完成。
企业职工安全教育培训档案企业职工安全教育培训档案是指企业对职工进行安全教育和培训的记录和资料。
该档案包括职工参加安全教育培训的时间、地点、内容、讲师、参训人数等基本信息,以及课程材料、考试成绩、获得证书等学习成果,还包括职工掌握的安全知识、操作技能、事故案例等情况的记录。
企业职工安全教育培训档案的建立和维护是企业安全管理的重要组成部分,也是企业法定安全责任的重要体现。
该档案可以帮助企业了解职工安全教育培训情况,及时发现和解决安全问题,提高企业安全管理水平和职工安全素质,保障职工生命财产安全和企业可持续发展。
企业职工安全教育培训档案的建立应遵循以下原则:1. 完整性原则:档案应包含职工参加的所有安全教育培训活动和相关证明材料。
2. 时效性原则:档案应及时更新,保证记录的内容最新完整。
3. 保密性原则:档案内容涉及到职工个人信息和企业机密,应严格保密。
4. 规范性原则:档案内容应符合法律法规、标准规范和企业安全管理要求。
企业职工安全教育培训档案的管理应做到以下几点:1. 规范记录:对职工参加的每一次安全教育培训,要规范记录,包括时间、地点、授课人、学习内容和成果等。
2. 定期更新:档案要定期更新,删除无用记录,及时更新最新的内容。
3. 做好保密:档案内容涉及到职工个人信息和企业机密,应严格保密。
4. 提高可查找性:建立分类索引,将档案分门别类,提高查找效率。
5. 定期审查:定期对档案进行审查,发现问题及时修改和补充。
企业职工安全教育培训档案是企业安全管理的重要组成部分,它不仅可以帮助企业了解职工安全教育培训情况,提高职工安全素质和企业安全管理水平,也是企业法定安全责任的重要体现,具有重要的现实意义和价值。
职工安全教育培训档案管理随着社会的发展和科技的进步,职工安全教育培训不仅是企业的法定义务,也是保障职工生命财产安全的重要手段。
而职工安全教育培训档案管理作为安全管理的一项基础工作,对于企业来说具有重要的意义。
职工安全教育培训档案管理是指对企业职工安全教育培训过程中所产生的档案进行管理和维护的工作。
该档案包括职工培训的相关信息,如培训内容、培训时间、培训人员、培训地点等。
通过对这些信息的记录和整理,可以为企业提供参考和依据,从而更好地开展职工安全教育培训工作。
职工安全教育培训档案管理对企业来说具有多方面的好处。
首先,它可以帮助企业了解职工的培训情况,掌握职工的安全知识掌握情况,及时发现和解决培训中存在的问题。
职工安全教育培训档案管理的具体操作包括几个方面。
首先,要建立健全档案管理制度,明确档案的收集、整理、归档和保管等环节的责任和程序。
其次,要确定档案的内容和格式,统一档案的建立标准和规范。
第三,要加强对档案的管理和维护,确保档案的完整性和准确性,防止档案的丢失和损坏。
第四,要定期对档案进行复查和更新,保证档案信息的及时性和有效性。
最后,要加强档案的保密工作,确保档案信息不被泄露和滥用。
在实际操作中,职工安全教育培训档案管理还可以借助信息化技术手段进行。
通过建立电子档案系统,可以更方便地管理和查询档案信息,提高工作效率和准确性。
此外,还可以利用云存储技术,实现档案信息的备份和共享,提高档案管理的安全性和便捷性。
需要指出的是,职工安全教育培训档案管理工作不仅仅是一项机械性的任务,更是一项需要持续改进和优化的工作。
只有不断完善档案管理制度,提高档案管理水平,才能更好地为企业的安全管理提供支持和保障。
职工安全教育培训档案管理是企业安全管理的基础工作之一,对于提高企业的安全管理水平和保障职工的生命财产安全具有重要意义。
企业应重视职工安全教育培训档案管理工作,建立健全档案管理制度,加强档案的管理和维护,并借助信息化技术手段进行档案管理,不断完善和优化工作,为企业的安全管理提供可靠的支持和依据。
员工安全生产教育培训档案一、员工安全生产教育培训的重要性员工是企业的重要资产,他们的安全生产意识和技能培训对于企业的可持续发展至关重要。
有效的安全生产培训不仅可以保障员工的生命安全和身体健康,还可以提升企业的生产效率和形象,减少事故发生的可能性,降低生产成本,提高整体竞争力。
因此,建立完善的员工安全生产教育培训档案是企业的基本管理要求。
二、员工安全生产教育培训档案的内容1.基本信息–员工姓名–员工编号–所在部门–职务–入职时间2.安全教育培训计划–培训时间–培训内容–授课讲师–培训形式(如讲座、实操、演练等)3.培训记录–培训日期–培训地点–参与人员名单–培训内容摘要–培训效果评估4.培训证书–员工参加培训后颁发的证书或资格证书三、建立员工安全生产教育培训档案的意义1.规范管理:建立档案可以规范员工安全生产教育培训的管理流程,保障培训工作的有序进行。
2.资料查阅:档案记录了员工的培训历史,便于管理人员查阅员工的培训情况,做出相应的决策和安排。
3.追溯责任:在事故发生时,可以通过档案追溯员工是否接受过相应的安全生产培训,对责任的界定更加准确。
四、建立员工安全生产教育培训档案的操作方法1.提前计划:根据企业安全生产培训计划,提前安排员工参加培训,并做好培训记录准备工作。
2.签到登记:培训时进行签到登记,确保所有员工的参与情况被准确记录。
3.档案整理:将培训记录、培训资料、培训证书等整理归档,建立档案库进行管理。
4.定期更新:定期对员工安全生产教育培训档案进行更新和归档,确保档案信息的准确性和完整性。
五、总结建立完善的员工安全生产教育培训档案对于企业安全生产工作至关重要。
通过建档,企业可以规范管理员工培训工作,保障员工的安全生产素质和技能提升。
同时,在发生事故时,也可以依据档案信息做出相应的责任追溯和决策,有力地保障了企业的安全生产管理工作。
职工安全教育培训档案建立及管理规范(实用版)编制人:__________________审核人:__________________审批人:__________________编制单位:__________________编制时间:____年____月____日序言下载提示:该文档是本店铺精心编制而成的,希望大家下载后,能够帮助大家解决实际问题。
文档下载后可定制修改,请根据实际需要进行调整和使用,谢谢!并且,本店铺为大家提供各种类型的实用资料,如管理制度、企业管理、岗位职责、心得体会、工作总结、工作计划、演讲稿、合同范本、作文大全、其他资料等等,想了解不同资料格式和写法,敬请关注!Download tips: This document is carefully compiled by this editor.I hope that after you download it, it can help you solve practical problems. The document can be customized and modified after downloading, please adjust and use it according to actual needs, thank you!And, this store provides various types of practical materials for everyone, such as management systems, enterprise management, job responsibilities, experiences, work summaries, work plans, speech drafts, contract templates, essay compilations, and other materials. If you want to learn about different data formats and writing methods, please pay attention!职工安全教育培训档案建立及管理规范第1篇职工安全教育培训档案建立及管理规范1 公司安环部对每位职工要建立职工安全教育培训档案,档案要详细记录每位职工所接受的教育培训情况,职工档案和考试成绩试卷应保存完好。