止水台技术交底内容
- 格式:docx
- 大小:17.36 KB
- 文档页数:5
防水施工技术交底
为了确保施工的顺利进行,提高施工质量和安全性,特对防水施工技术进行详细交底如下:
1、施工人员必须持有相关证书,具备一定的防水施工经验,严格按照施工图纸和规范进行操作。
2、在进行施工前,需对施工现场进行认真勘测,对施工材料和设备进行检查确认,确保施工所需的一切准备工作完备。
3、防水卷材施工时,首先要对基层的平整度和承重性进行检查,必须保证基层结实干净无杂质,并进行打磨处理,涂刷底漆。
4、根据具体情况选择适合的防水卷材,确保质量合格,符合国家标准,选择好胶水和焊接剂,并按照使用说明书正确搭配使用。
5、在进行施工过程中,严格按照防水卷材的铺贴规范进行操作,注意保持卷材的整齐平整,避免产生皱折和空鼓现象。
6、焊接接头时,需确保焊缝牢固,无漏焊现象,焊接温度和速度要适中,保证焊接质量达标。
7、在涂料防水施工中,必须选用优质的防水涂料,涂刷均匀,涂料层厚度要符合设计要求,保证防水涂料的完整性和耐久性。
8、在进行施工前,施工人员必须配备完善的防护设备,保护好自身安全,避免发生意外事故。
9、施工结束后,对施工质量进行检查验收,确保施工质量符合规范要求,对不合格部分及时整改。
以上为防水施工技术交底内容,希望施工人员严格按照要求进行操作,确保施工质量和安全。
施工技术交底包括的内容(1)施工单位总工程师或主任工程师向施工队或工区施工负责人进行技术交底的内容应包括以下几个主要方面:1)工程概况和各项技术经济指标和要求;2)主要施工方法,关键性的施工技术及实施中存在的间题;3)特殊工程都位的技术处理细节及其注意事项;4)新技术、新工艺、新材料、新结构施工技术要求与实施方案及注意事项;5)施工组织设计网络计划、进度要求、施工部暑、施工机械、劳动力安排与组织;6)总包与分包单位之间互相协作配合关系及其有关问题的处理。
7)施工质量标准和安全技术;尽量采用本单位所推行的工法等标准化作业。
(2)施工队技术负责人向单位工程负责人、质量检查员、安全员技术交底的内容包括以下几个方面:1)工程情况和当地地形、地貌、工程地质及各项技术经济指标;2)设计因纸的具体要求、做法及其施工难度;3)施工组织设计或施工方案的具体要求及其实施步骤与方法;4)施工中具体做法,采用什么工艺标准和本企业哪几项工法;关键都位及其实施过程中可能遇到问题与解决办法;5)施工进度要求、工序搭接、施工部暑与施工班组任务确定;6)施工中所采用主要施工机械型号、数量及其进场时间、作业程序安排等有关问题;7)新工艺、新结构、新材料的有关操作规程、技术规定及其注意事项;8)施工质量标准和安全技术具体措施及其注意事项。
(3)单位工程负责人或技术主管工程师向各作业班组长和各工种工人进行技术交底的内容应包括以下几个方面:1)侧重交清每一个作业班组负责施工的分部分项工程的具体技术要求和采用的施工工艺标准或企业内部工法;2)备分部分项工程施工质量标准;3)质量通病预防办法及其注意事项;4)施工安全交底及介绍以往同类工程的安全事故教训及应采取的具体安全对策。
四、建筑分项工程施工技术交底的重点由于一项工程,特别是大型复杂的建筑工程项目,其分部分项工程很多,需要不同工种的作业班组分期分阶段来完成。
所以,技术交底的内容应按照分部分项工程的具体要求,根据设计图纸的技术要求以及施工及验收规范的具体规定,针对不同工种的具体特点,进行不同内容和重点的技术交底。
交底与施工技术交底的内容与要求(仅供参考)概述技术交底是施工企业极为重要的一项技术管理工作,其目的是使参与建筑工程施工的技术人员与工人熟悉和了解所承担的工程项目的特点、设计意图、技术要求、施工工艺及应注意的问题。
根据建筑工程施工复杂性、连续性和多变性的固有特点,各级建筑施工企业必须严格贯彻技术交底责任制,加强施工质量检查、监督和管理,以达到提高施工质量的目的.一、技术交底的任务与目的建筑工程从施工蓝图变成一个个工程实体,在工程施工组织与管理工作中,首先要使参与施工活动的每一个技术人员,明确本工程的特定的施工条件、施工组织、具体技术要求和有针对性的关键技术措施,系统掌握工程施工过程全貌和施工的关键都位,使工程施工质量达到国家施工验收规范的标准。
对于参与工程施工操作每一个工人来说,通过技术交底,了解自己所要完成的分部分项工程的具体工作内容,操作方法、施工工艺、质量标准和安全注意事项等,做到施工操作人员任务明确,心中有数;各工种之间配合协作和工序交接井井有条,达到有序地施工,以减少各种质量通病,提高施工质量的目的。
因此,施工一项工程,必须在参与施工的不同层次的人员范围内,进行不同内容重点和技术深度的技术交底。
特别是对于重点工程、工程重要部位、特殊工程和推广与应用新技术、新工艺、新材料、新结构的工程项目,在技术交底时更需要作内容全面、重点明确、具体而详细的技术支底。
二、技术交底的分类技术交底一般是按照工程施工的难易程度、建筑物的规模、结构的复杂程度等情况,在不同层次的施工人员范围内进行技术交底;技术交底的内容与深度也各不相同。
1.设计交底.设计单位根据国家的基本建设方针政策和设计规范进行工程设计,经所在地区建设委员会和有关部门审批后,由设计人员向施工单位就设计意图、图纸要求、技术性能、施工注意事项及关键部位的特殊要求等进行技术交底。
2.施工单位总工程师或主任工程师向施工队或工区施工负责人进行施工方案实施技术交底。
洗手台工程技术交底标题:洗手台工程技术交底引言概述:洗手台作为洗手间的重要设施之一,其安装和使用需要专业的工程技术交底。
本文将详细介绍洗手台工程技术交底的内容和要点。
一、洗手台的选材与尺寸1.1 选材要求:洗手台的材料应选用耐磨、耐腐蚀的材质,如不锈钢、大理石等。
1.2 尺寸规范:洗手台的尺寸应根据使用场所的大小和人流量确定,普通标准尺寸为长宽高分别为1200mm、500mm、800mm。
二、洗手台的安装位置与排水设计2.1 安装位置:洗手台应安装在通风良好、光线充足的位置,便于使用和清洁。
2.2 排水设计:洗手台的排水设计应考虑排水管道的走向和斜度,确保排水畅通,避免积水和异味产生。
2.3 排水口设置:排水口应设置在洗手台的最低点,避免水滞留。
三、洗手台的水龙头与配件选择3.1 水龙头选择:水龙头应选用质量可靠、节水节能的产品,符合卫生标准。
3.2 配件安装:配件如肥皂盒、纸巾盒等应与洗手台搭配安装,方便使用。
3.3 防溅设计:水龙头应设计防溅水功能,避免水花溅出造成湿滑。
四、洗手台的照明与插座设置4.1 照明设计:洗手台周围应设置良好的照明设施,确保使用者能清晰看到手部清洁情况。
4.2 插座设置:洗手台附近应设置防水插座,方便使用电动设备如电动吹风机。
4.3 安全考虑:插座应远离水源,避免发生漏电事故。
五、洗手台的维护与清洁方法5.1 维护方法:定期检查水龙头、排水口等部件是否正常工作,及时更换损坏的配件。
5.2 清洁方法:使用中性清洁剂清洁洗手台表面,避免使用强酸碱清洁剂损坏表面。
5.3 频率要求:洗手台应每日清洁,保持干燥,避免细菌滋生。
结语:洗手台工程技术交底是保障洗手台安全使用和正常运行的重要环节,惟独严格按照规范要求进行施工和维护,才干确保洗手台的功能和卫生效果。
希翼本文的内容能够对相关人员有所匡助,提高洗手台工程技术交底的质量和水平。
ZTJDQJ04JL-15-04
主送单位工程部编号
工程名称及部位隧道二衬施工日期
内容:
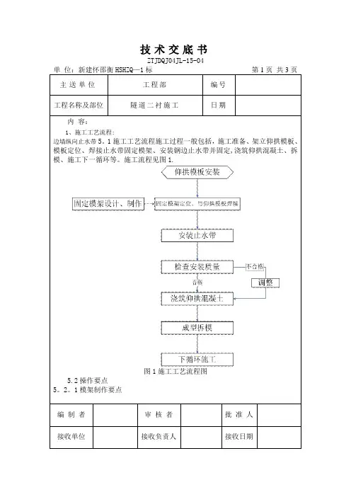
1、施工工艺流程:
边墙纵向止水带5。
1施工工艺流程施工过程一般包括,施工准备、架立仰拱模板、模板定位、焊接止水带固定模架、安装钢边止水带并固定,浇筑仰拱混凝土、拆模、施工下一循环等。
施工流程见图1.
图1施工工艺流程图
5.2操作要点
5。
2。
1模架制作要点
编制者审核者批准人
接收单位接收负责人接收日期
ZTJDQJ04JL—15—04
ZTJDQJ04JL-15-04
主送单位工程部编号
工程名称及部位隧道二衬施工日期内容:
编制者审核者批准人接收单位接收负责人接收日期
ZTJDQJ04JL—15—04
ZTJDQJ04JL-15-04
ZTJDQJ04JL—15—04
ZTJDQJ04JL—15—04
主送单位编号
工程名称及部位日期
内容:
先浇混凝土表面必须凿毛,并凿除先浇混凝土表面的水泥砂浆和松软层,冲洗干净,凿毛时,混凝土必须达到强度:人工凿毛为2。
5MPa,风动机凿毛为10MPa。
纵向施工缝后浇混凝土前,在凿毛后的先浇混凝土表面上,涂一层混凝土界面剂,然后及时浇筑混凝土。
变形缝处衬砌外缘与防水板结合部位以聚硫密封胶封堵,衬砌内缘3cm范围内以聚硫密封胶封堵,其余空隙采用沥青木丝板填塞.
橡胶止水带街头宜采用热压机硫化搭接胶合,接头强度不应低于母材的80%。
采用以冷接法专用粘结剂连接时,搭接长度不得小于20cm,粘结剂涂刷应均匀并压实。
编制者审核者批准人
接收单位接收负责人接收日期。
主体工程二次结构施工质量交底为了确保公司项目二次结构施工质量,规范施工操作和质量检查验收,特制定本质量交底。
一、施工准备1、各楼层二次结构施工前,必须完成一次结构缺陷修补,清除一次结构残留混凝土结块,楼面垃圾清理干净并清扫浮灰,垃圾运出楼层。
2、各工种周转材料清理干净,并运出楼层,由项目部指定地点分类堆放。
二、施工放线1、二次结构施工前,项目技术员须在一次结构墙柱面先弹出建筑1米水平线,楼地面弹出二次结构外边线、门窗洞口线及控制线。
2、弹线完成后应认真复核放线尺寸准确无误,经项目技术负责人验证确认后方可进行二次结构施工。
三、技术交底1、项目技术负责人或技术员对二次结构施工班组进行书面施工技术交底,交底内容要有针对性,应具体、详尽、细致。
2、施工技术交底须由交底人签字,接收人为项目质检员、安全员、施工班组长,确认无异议后分别签字接受。
所有接受人人手一份,认真研读,认真落实施工及验收。
3、施工班组长必须按施工技术交底对本班组施工人员进行施工交底,督促本班组施工人员严格按施工技术交底要求进行施工作业。
四、工序施工1、止水坎台(1)所有卫生间、厨房、天井等设计要求浇筑混凝土止水的部位必须设置混凝土止水坎台,止水坎台高度≥200mm,厚度同墙厚。
外墙线条、空调板与室内交接部位的坎台高出完成面≥120mm。
(2)坎台底部及侧墙先采用云石机在坎台边线向里2mm左右切割,切割深度2m-4mm,切割范围内采用簪子剔凿至露见石子,清除碎屑,用水冲洗干净。
(3)木工支模须认真按楼地面弹出的结构边线准确定位,保证止水坎台断面尺寸、模板刚度和支撑牢固。
门洞口两侧须牢固安装闸板。
(4)混凝土须按混凝土强度配合比拌制,振捣密实,保证断面尺寸,浇筑中若有模板歪斜时须及时调整矫正,止水带应无侧倾、上口表面平整、压实搓平。
2、二次结构植筋(1)所有植筋钢筋规格必须符合设计要求,腰梁、构造柱植筋外露搭接长度须>35d。
(2)植筋位置正确,数量符合设计要求,严格按技术员现场划线钻孔植筋。
一、交底目的为确保施工现场止水板施工安全,提高施工人员的安全意识和操作技能,特制定本安全技术交底。
二、交底对象所有参与止水板施工的施工人员、监理人员、管理人员。
三、交底内容1. 施工准备(1)材料准备:止水板、焊条、钢筋、混凝土等材料必须符合设计要求和国家标准。
(2)机具准备:电焊机、切割机、振动棒、水准仪、线锤等。
(3)人员准备:施工人员必须具备相应的施工技能和安全知识。
2. 施工工艺(1)施工前,应对施工现场进行勘察,确保施工环境安全。
(2)根据设计图纸和规范要求,进行止水板的安装和焊接。
(3)止水板安装时,应保证其平整、牢固,不得出现翘曲、变形等现象。
(4)焊接作业应遵守相关焊接规范,确保焊接质量。
3. 安全注意事项(1)施工人员必须佩戴安全帽、安全带、防尘口罩等个人防护用品。
(2)高空作业时,必须系好安全带,严禁攀爬、跳跃。
(3)电焊作业时,应保持通风良好,防止一氧化碳中毒。
(4)施工过程中,严禁酒后作业、疲劳作业。
(5)施工过程中,严禁将火种带入施工现场。
(6)施工完成后,应对施工现场进行清理,确保无安全隐患。
4. 应急处理(1)发生火灾时,立即切断电源,使用灭火器进行灭火。
(2)发生触电事故时,立即切断电源,使用绝缘材料进行救援。
(3)发生高空坠落事故时,立即进行救援,并拨打急救电话。
四、交底时间[填写交底时间]五、交底人[填写交底人姓名]六、接收人[填写接收人姓名]七、签字确认[填写交底人和接收人签字]八、备注1. 施工过程中,如遇特殊情况,应立即停止施工,并报告相关负责人。
2. 施工人员应定期参加安全教育培训,提高安全意识和操作技能。
3. 本安全技术交底为现场止水板施工安全指导,如有变更,以最新交底为准。
完整版)防水工程技术交底SG-006技术交底工程名称:达州仁和春B地块项目监理单位:XXX交底部位:主体与屋面建设单位:XXX施工单位:XXX交底日期:交底内容:一、材料及要求1)地下室采用4mm厚SBS II型改性沥青防水卷材,规格:卷材厚度为4mm,幅宽1m,卷长10m。
外观检查:卷材面应平滑、无空洞、裂纹、折皱等缺陷,5mm以下的疙瘩每平方米不超过3个。
2)防水卷材的贮存和运输要避免雨淋、日晒和受潮,严禁接近火源。
卷材应直立堆放,高度不得超过两层,两层存放或运输时应在两层之间放一块托板。
短途运输平放不得超过4层。
应避免与化学介质及有机溶剂等有害物质接触。
二、施工器材序号名称用途备注1 扫帚、小铁铲、钢丝刷清理基面2 卷尺、2m直尺、塞尺测量检查3 剪刀裁剪卷材4 电动搅拌器搅拌基层处理剂5 粉线弹线6 长柄滚刷涂刷基层处理剂7 手持压辊滚压接缝、立面卷材8 扁平辊滚压阴阳角9 大压辊平面滚压大面卷材10 棕榈刷涂刷基面11 液化气火焰喷枪热熔防水卷材12 干粉灭火器防火三、检测抽检检验批:以同品种、同标号、同等级的卷材每100卷(相当于m2)为一批,少于m2的按一批做。
将取样的一卷卷材切除距外层卷筒2500mm后,顺纵向截取长度为500mm的全幅卷材试样二块,一块作物理性能检测试件用,一块备用。
四、作业条件1、基层表面清洁平整,用2m直尺检查,最大空隙不应大于5mm,不得有空鼓、开裂及起砂、脱皮等缺陷,空隙只允许平缓变化。
阴阳角处应做成半径为50mm的圆角。
在施工前,必须对地下防水工程进行认真审核图纸,并熟悉防水工程施工方案,进行技术交底。
操作人员需要熟练掌握施工机械的使用。
地下室防水卷材施工的工艺流程包括基层清理、撒拉缝处理、弹线定位、预留搭接施工、附加层施工、保护层、卷材铺贴和排气、压实。
在基层清理阶段,必须确保基础垫层混凝土在混凝土终凝前采用机械压光收浆,局部不平整处表面用1:2水泥砂浆找平。
图一3、焊接固定: 止水钢板位置确定好后, 用墙体拉钩筋临时上下夹紧固定, 然后进行钢板接缝焊接。
用Φ12钢筋固定钢板时应焊接在钢板中间位置间距600mm, 不得在钢板上下端头焊接固定, 详见下图2图24、钢板接缝焊接, 搭接长度应为50-100mm,四面满焊, 做法见下图3图35、暗柱箍筋切断焊接: 由于柱箍筋间距小, 中间有一道箍筋穿过止水钢板, 止水钢板接缝焊好后, 将切断的箍筋与钢板焊接, 焊接长度不小于10d, 将箍筋和钢板焊死. 做法见下图4图46、转角部位其中一侧的伸出长度不小于50mm如下图5图57、竖向交接部位如图6图6(二)后浇带1、止水钢板施工工艺流程止水钢板安装工艺流程:止水钢板定位→固定→接头焊接→钢丝网绑扎→检查验收2、止水钢板定位:止水钢板放置在底板、外墙、顶板中间,止水带两端燕尾朝向迎水面。
外墙后浇沿竖向设置和每道水平止水钢板交圈焊接严密。
水平钢板止水带确定水平标高后,应根据建筑物的标高控制点在钢板止水带上口拉通线,以保持其上口平直。
3、底板后浇带3.1焊接定型模块1)直段:用钢筋焊接定型模块骨架,主筋间距400mm,拉筋间距60mm。
外侧用快易收口网点焊在模块骨架上,注意止水钢板中线与施工缝重合(图7)底板后浇带封口断模外墙后浇带封口断摸2)转角处:将两片搭接止水钢板两翼各切开3cm,上下分块搭接,严丝合缝(见下图8)图82、安装位置线用红油漆标记在钢筋上,拉线定位。
3、安装定性模块,用短钢筋固定在底板下铁附加筋上。
4、水平方向和垂直方向的钢板交接处做法。
5、止水钢板搭接5cm焊接,且双面满焊。
5、安装上部钢筋,完毕后进行校正加固七、技术质量要求。
一、交底目的为确保止水钢板施工过程中的安全,预防事故发生,提高施工人员的安全意识,特进行安全技术交底。
二、交底对象参与止水钢板施工的所有工人。
三、交底内容1. 安全意识教育(1)增强安全意识,充分认识到止水钢板施工过程中的安全重要性。
(2)遵守国家有关安全生产的法律法规和操作规程。
(3)自觉接受安全教育和培训,提高自身安全素质。
2. 施工现场安全要求(1)进入施工现场必须佩戴安全帽,穿好工作服,严禁穿拖鞋、高跟鞋。
(2)高空作业时,必须系好安全带,并采取防坠落措施。
(3)禁止酒后作业,禁止在施工现场吸烟、使用明火。
(4)施工现场严禁攀登、跨越防护设施。
(5)注意用电安全,严禁私拉乱接电线,使用电器设备时必须确保设备完好。
3. 止水钢板施工安全要点(1)施工前,认真检查施工设备和工具,确保其完好。
(2)止水钢板安装过程中,严格按照设计要求进行,确保安装牢固。
(3)焊接过程中,注意焊接设备的通风和散热,防止火灾事故发生。
(4)焊接作业人员必须佩戴防护眼镜、手套等防护用品。
(5)防止焊接火花飞溅,对周围环境进行清理,避免引起火灾。
(6)注意钢板焊接过程中的高温作业,避免烫伤。
4. 事故处理(1)发生事故时,立即停止作业,保护现场。
(2)迅速组织救援,拨打急救电话。
(3)按照事故处理程序,妥善处理事故。
5. 其他注意事项(1)加强施工过程中的沟通与协调,确保施工顺利进行。
(2)定期对施工人员进行安全检查,及时发现和消除安全隐患。
(3)施工结束后,做好现场清理工作,确保施工场地整洁。
四、交底人(此处填写交底人姓名及职务)五、交底时间(此处填写交底时间)六、接收人(此处填写接收人姓名及职务)七、备注本安全技术交底适用于所有参与止水钢板施工的工人,请认真阅读并遵守。
如有疑问,请及时向交底人咨询。
技术交底记录编号:工程名称交底日期施工单位交底项目交底内容:室内部分一、设备及材料质量检查1、各种管材必须有生产厂家的合格证明书,材料的物理及化学性能试验单,否则应补作所缺项目的检验,其指标应符合现行国家或部颁标准,严禁以次充好,严禁随意改变管径界面。
2、安装前应按设计使用要求核对其规格、型号、材质。
3、管材进行外观检查时,其表面要求为:(1) 无裂纹、缩孔、夹渣、重皮、斑纹和结疤等缺陷。
(2) 不得有超过壁厚负偏差的锈蚀或凹陷。
(3) 螺纹密封面良好,精度应达到制作标准。
(4) 合金钢管应有材质标记。
4、各种管件必须有生产厂家的合格证明书,并具备有关的技术数据资料。
5、阀门安装前应作强度及严密性试验,试验应以每批(同牌号,同规格、同型号) 数量中抽查10%,且不少于一个。
对于安装在主管上起切断作用的闭路阀门,应逐个作强度和严密性试验。
6、主要器具、设备必须有完整的安装使用说明书。
7、主要器具、设备进场时要根据说明书进行清点机组的箱数、台数以及配件的数目,确保完整而不遗漏。
8、进行外观检查:观察器具及机体是否受到撞损。
法兰连接是否平滑密实铭牌数据是否符合使用要求,水泵的进出水管是否堵塞,否则要进行解体检查。
二、施工方法及主要技术措施2.1 配合土建预留、预埋预留预埋是本专业在主体施工中的工作重点,它主要包括地下水池防水套管、管道穿防水墙套管,管道穿墙、管道穿楼板孔洞、设备基础预留孔洞及预埋件等。
预留预埋准确与否对整个安装工程至关重要,它将直接影响安装的顺利进行。
1、施工准备期间,专业班组长认真熟悉施工图纸,找出所有预埋预留点,并统一编号,同时与其他专业沟通,以避免今后安装有冲突、交叉现象,减少不必要的返工。
2、严格按标准图集(05S2P194)加工制作防水套管、穿墙套管,套管长度按结构施工图尺寸确定,套管管径要求比给排水管管径大两级。
2.2 套管安装1、刚性套管制作:按图纸要求确定套管规格、数量,准备好施工机具(电焊机、气割、切割机、角磨机等)。
交底内容:止水台施工工程一、放线(1)准备工作1、测量放线前要认真阅读施工图纸,了解设计意图及施工要求;对图纸的设计尺寸及标高,要认真核对;检查总尺寸和分尺寸是否一致,总平面图和大样图尺寸是否一致,不符之处要及时向设计单位提出,进行核对修正。
测量放线前要对施工现场进行实地勘查,根据实际情况编制测设详图,计算测设数据。
2、测量放线所使用的仪器,工具必须是经检验过的合格品,每次测量前应先检验校正,否则不得使用。
(2)建筑测量放线1、建筑主轴线的测设1)主轴线的布设形式:根据装饰布局图的布置情况和施工现场实际条件,放出主轴控制线位置。
2)依据主轴线位置,止水台宽度要求放出止水台边线。
3)逐步放出止水台网络图。
2、误差控制止水台长度控制偏差控制在5mm以内,止水台宽度偏差控制在1mm以内。
各房间净空误差控制在3mm 以内。
二、支模板(1)编制依据1、《建筑结构荷载规范》GB50009-2001中国建筑工业出版社。
2、《混凝土结构设计规范》GB50010-2002中国建筑工业出版社。
3、《建筑施工手册》第四版中国建筑工业出版社。
4、《建筑施工扣件式钢管脚手架安全技术规范》JGJ130-2001 中国建筑工业出版社。
5、《钢结构设计规范》GB 50017-2003中国建筑工业出版社。
6、本工程施工图纸。
(2)材料准备:1、木模板及其支撑体系材料应符合国家相关规范规定:①模板料:木模板、胶合板。
②背楞材料:30×40方木。
③拉结支撑料:30×40方木。
④其它辅助材料:钢钉,双面胶,脱模剂,透明胶带。
2、木模板加工质量要求:模板几何尺寸准确,拼缝严密,表面平整,表面无缺陷,刷隔离剂,骨架结构刚度、强度、整体性能良好。
模板加工完毕后,必须经过试拼合格后方可使用。
(3)技术准备:1、木模板的安装准备:模板体系施工前要进行配板设计和计算,即保证模板的周转利用又保证模板尺寸匹配。
模板安装时,位置要保证正确。
2、木模板的拆除a达到养护强度后,模板的拆除顺序应遵循先支后拆、后支先拆、先非承重部位、后承重部位以及自上而下的原则。
b结构支撑拆除时混凝土强度应符合设计要求和规范规定。
c拆除模板,应轻拆轻放,杜绝向下抛扔,继续周转的模板,应清理干净、刷油、分规格堆放整齐。
(4)施工方法:1、模板的施工方法:A工艺流程a、弹出轴线及边线—→模板底找平—→对准边线安装模板—→加固、校正。
(5)质量要求:1、进场模板质量标准a.技术性能必须符合相关质量标准(通过收存、检查进场木胶合板出厂合格证和检测报告来检验)。
b.外观质量检查标准(通过观察检验)任意部位不得有腐朽、霉斑、鼓泡。
不得有板边缺损、起毛。
每平方米单板脱胶不大于。
每平方米污染面积不大于㎡c.规格尺寸标准厚度检测方法:用钢卷尺在距板边20mm 处,长短边分别测3 点、1 点,取8 点平均值;各测点与平均值差为偏差。
长、宽检测方法:用钢卷尺在距板边100mm 处分别测量每张板长、宽各2点,取平均值。
对角线差检测方法:用钢卷尺测量两对角线之差。
翘曲度检测方法:用钢直尺量对角线长度,并用楔形塞尺(或钢卷尺)量钢直尺与板面间最大弦高,后者与前者的比值为翘曲度。
2、模板安装质量要求必须符合《混凝土结构工程施工及验收规范》(GB 50204-2002)及相关规范要求。
即"模板及其支架应具有足够的承载能力、刚度和稳定性,能可靠地承受浇筑混凝土的重量、侧压力以及施工荷载"。
A模板垂直度控制1)对模板垂直度严格控制,在模板安装就位前,必须对每一块模板线进行复测,无误后,方可模板安装。
2)模板拼装配合,工长及质检员逐一检查模板垂直度,确保垂直度不超过3mm,平整度不超过2mm。
3)模板就位前,检查顶模棍位置、间距是否满足要求。
B模板的变形控制1)浇筑混凝土时,做分层尺竿,并配好照明,分层浇筑,严防振捣不实或过振,使模板变形。
2)为提高模板周转、安装效率,事先按工程轴线位置、尺寸将模板编号,以便定位使用。
拆除后的模板按编号整理、堆放。
安装操作人员应采取定段、定编号负责制。
3、模板拆除要求A模板拆除根据强度达到施工要求后,方可拆模。
B模板及其支架在拆除时混凝土强度要达要求,保证其表面及棱角不因拆除模板而受损后方可拆除。
C拆除模板的顺序与安装模板顺序相反,先支的模板后拆,后支的先拆。
D模板拆除吊至存放地点时,模板保持平放,然后用铲刀、湿布进行清理。
支模前刷脱模剂。
模板有损坏的地方及时进行修理,以保证使用质量。
E模板拆除后,及时进行板面清理,涂刷隔离剂,防止粘结灰浆。
4、其他注意事项a胶合板选统一规格,面板平整光洁、防水性能好的。
b进场木方先压刨平直统一尺寸,并码放整齐,木方下口要垫平。
c模板配板后四边弹线刨平,以保证浇筑体顺直。
5、安全、环保文明施工措施1)拆模时操作人员必须挂好、系好安全带。
2)支模前必须搭好相关脚手架。
3)浇筑混凝土前必须检查支撑是否可靠、扣件是否松动。
浇筑混凝土时必须由模板支设班组设专人看模,随时检查支撑是否变形、松动,并组织及时恢复。
经常检查支设模板吊钩、斜支撑及平台连接处螺栓是否松动,发现问题及时组织处理。
4)木工机械必须严格使用倒顺开关和专用开关箱,一次线不得超过3m,外壳接保护零线,且绝缘良好。
电锯和电刨必须接用漏电保护器,锯片不得有裂纹(使用前检查,使用中随时检查);且电锯必须具备皮带防护罩、锯片防护罩、分料器和护手装置。
使用木工多用机械时严禁电锯和电刨同时使用;使用木工机械严禁戴手套;长度小于50cm 或厚度大于锯片半径的木料严禁使用电锯;两人操作时相互配合,不得硬拉硬拽;机械停用时断电加锁。
5)大模板堆放场地要求硬化、平整、有围护,阴阳角模架设小围护架放置。
安装就位后,要采取防止触电保护措施,将大模板加以串联,并同避雷网接通,防止漏电伤人。
6)环保与文明施工:夜间22:00~6:00 之间现场停止模板加工和其他模板作业。
现场模板加工垃圾及时清理,并存放进指定垃圾站。
做到工完场清。
整个模板堆放场地与施工现场要达到整齐有序、干净无污染、低噪声、低扬尘、低能耗的整体效果。
三、植筋(1)施工流程弹线定位→钻孔→洗孔→钢筋处理→注胶→植筋→固化养护→抗拔试验→绑钢筋(2)材料要求1、锚固胶:锚固胶的性能应通过专门的试验确定。
对获准使用的锚固胶,除说明书规定可以掺入定量的剂外,中不宜随意添加掺料。
植筋用锚固胶的粘结强度设计值fbd应符合《结构加固设计规范》GB50367-2006的规定。
2、钢筋:钢筋规格为Φ8。
(3)施工操作(4)1、弹线定位(5)根据变更的钢筋数量及位置,标注出植筋位置。
经我质检部门验收,位置符合设计要求后才可以钻孔。
(6)2、钻孔(7)用钻孔,直径应比稍大,钢筋直径为Φ8。
钻孔深度符合图纸要求,钻头始终与保持垂直。
(8)3、洗孔(9)洗孔是植筋中最重要的一个环节,因为孔钻完后内部会有很多灰粉、,直接影响植筋的质量,所以一定要把孔内杂物清理干净。
方法是:用不掉毛的,套上加长棒,伸至孔底,来回反复抽动,把灰尘和碎渣带出,再用吹出浮沉。
吹完后再用沾或擦洗孔壁。
但不能用水擦洗,因为用酒精或丙酮容易挥发,水不易挥发。
再者用水后孔内不会很快干燥。
洗孔完成后需要经我质检部门验收,自检合格后报监理验收,验收合格后方可注胶。
(10)4、钢筋处理(11)部分要清除表面锈迹及其他污物,一般采用配,打磨至露出金属光泽为止,若钢筋锈蚀严重,需有效除锈厚方可使用。
(12)5、注胶(13)锚固胶要选用合格的植筋专用胶水,产品要有合格证明,要能够满足我项目承台植筋施工要求。
注胶要从孔底开始,这样可以排出孔内的空气,为了使钢筋植入后孔内胶液饱满,又不能使胶液外流,孔内注胶达到孔深的1/3或计算孔内的用胶量,应扣除钢筋体积,孔内注完胶后应立即植筋。
(14)6、植筋(15)首先将配置好的注入孔内(宜孔深的1/3或计算孔内的用胶量,应扣除钢筋体积),并将结构胶涂于钢筋锚固端(宜2-3㎜),然后缓慢将钢筋插入孔内,同时要求钢筋旋转,使结构胶从孔口溢出,排出孔内空气,钢筋外露部分长度保证工程需要。
(16)7、养护(17)植筋施工完毕后注意保护,24小时之内严禁有任何扰动,以保证结构胶的正常固化。
(18)8、检测试验(19)在植筋前,要对所用钢筋及植筋胶进行现场试验,以确定钢筋及植筋胶是否符合设计要求。
(20)8、绑钢筋浇筑混凝土(21)检测试验合格后就可进行下道工序施工。
9、植筋注意事项1、植筋后,一般不允许在所植钢筋上焊接,如确实需要焊接时,焊点距离基材混凝土表面应大于15d,且应采用冰水的毛巾包裹植筋外露部分的根部。
2、针对本工程在厂房内部施工,故无需考虑天气因素的影响。
3、钢筋必须按要求除锈,钢筋表明不能有油渍等杂物。
4、植筋所用的锚固胶必须是合格产品,各项性能指标要符合规范要求。
5、为了保证植筋质量,必须避免第四条中提到的影响植筋质量缺陷的各个因素发生,我们要从工、料、机、工艺、环境以及方法等几个方面综合考虑,要做到万无一失。
6、植筋施工用电要按照项目的用电规程操作,避免违章。
7、植筋所用的设备及机具必须按找该设备或机具的操作,不允许。
8、植筋所用的材料不能到处乱扔污染环境。
9、植筋的密度必须符合要求。
四、浇筑防水混凝土1、准备工作(1)钢筋的隐检工作已经完成,并已核实预埋件、线管、孔洞的位置、数量及固定情况无误。
(2)模板的预检工作已经完成,模板标高、位置、尺寸准确符合设计要求,支架稳定,支撑和模板固定可靠,模板拼缝严密,符合规范要求。
(3)防水混凝土浇筑前组织施工人员进行方案的学习,设专人负责现场监督施工,做到人人心中有数。
(4)浇筑混凝土用架子、走道及工作平台,安全稳固,能够满足浇筑要求。
(5)混凝土浇筑前,仔细清理泵管内残留物,确保泵管畅通(6)各流水段结合部位施工缝均采用多层板(根据钢筋保护层厚度及钢筋间距切口)分隔。
2、施工顺序(1)清理:在混凝土浇筑前先用一台12立方米空压机将模板内杂物吹扫干净。
(2)混凝土浇筑和振捣一般要求(3)每一流水段内混凝土连续浇筑,如必须间歇,间歇时间尽量缩短,并在下层混凝土初凝前将上层混凝土浇筑完毕。
(4)浇筑混凝土时要有效防止混凝土分层离析。
混凝土有离析现象时,要有效重新搅拌。
(5)浇筑混凝土时设专人看模,经常观察模板、支架、钢筋、预埋件和预留孔洞的情况,当发生变形移位时立即停止浇筑,并在已浇筑的混凝土凝结前修整完好。
(6)振捣必须到位,针对止水台宽度较小,大型机械不好使用的情况呀,要用木棒充分搅动,避免蜂窝麻面及空洞、石窝。
3、注意事项:A、施工缝浇灌砼前,将施工缝处的混凝土表面凿毛,清除浮粒和杂物,用水冲洗干净,保持湿润或充分养护。
再铺上一层20~25mm厚的1:1水泥砂浆。