电解银作业指导书
- 格式:doc
- 大小:40.50 KB
- 文档页数:6
电解银的实际操作方法
电解银的实际操作方法包括以下几个步骤:
1.准备工作:在操作前需要准备好所需的设备和材料。
设备包括电解槽、电源、电流表、阳极(可使用银或银制品)、阴极(可使用不锈钢或铜)、导线等。
材料包括硝酸银溶液、硝酸和蒸馏水。
2.清洁阳极和阴极:将阳极和阴极分别清洗并擦净,确保表面干净和无杂质。
3.准备电解液:将硝酸银溶液按照一定的比例配制好,一般可以使用2%~4%的硝酸银溶液。
4.安装电解槽:将电解槽放置在平稳的工作台上,并将阳极和阴极固定在槽内,使其相互分隔一定的距离。
5.连接电源:将电源正极与阳极连接,电源负极与阴极连接,确保连接牢固。
6.调节电流和时间:调节电源的电流和时间参数,一般可以根据具体需要调节电流密度和电解时间。
注意避免电流过大或时间过长,以避免产生不良后果。
7.开始电解:打开电源,开始电解过程。
期间可以观察到阳极溶解,而阴极则逐渐镀银。
8.结束电解:根据需要调整电解时间,一般10分钟到数小时不等。
结束电解后,关闭电源,将阳极和阴极取出。
9.清洗产品:将银制品取出后,用蒸馏水冲洗并擦净,以去除表面的残留电解液和杂质。
需要注意的是,在进行电解银的操作过程中,要保证操作环境清洁和安全,严禁在无通风的环境中操作,避免银盐的蒸气对人体造成伤害。
操作时要戴好防护眼镜和手套,并注意避免溶液的接触和飞溅。
银电解1.原辅材料:主要原辅材料有:朵尔合金板、银电解液(主要含硝酸、硝酸银)。
2.设备:银电解槽、银粉刮板装置、电动单梁双钩起重机、银电解液循环槽、银电解液换热器、电解液冷却泵、银电解液循环泵、废电解液输送泵(磁力泵)、银粉干燥风机、银粉干燥加热器、残极洗涤装置、银阳极泥真空过滤器、银电解真空泵、银电解区域液碱搅拌槽、银电解区域液碱计量泵。
3.操作条件:①电解液成分通常为:Ag:135g/l,Cu:<30-35g/l电解液PH值:;②电解液银含量>=120g/l;③阴极导电头和母线板接触处电压降应<5mv阳极导电棒和母线板接触处电压降应<15mv;④电解液温度:45~55℃;⑤槽电压:;⑥电流:1200-1300A。
⑦阳极周期:34-38h;⑧同极距:135-140mm;⑨电解液循环速度:min。
4.工艺原理:电解精炼银是为了制取纯度较高的银。
电解时阳极泥熔炼所得的金银合金作阳极,以不锈钢作阴极,以硝酸银的水溶液作电解液,在电解槽中通以直流电,进行电解。
银电解精炼的电解过程,可视为下列电化学系统中所发生的过程:Ag(阴极)∣AgNO3、HNO3、H2O、杂质∣Ag杂质(阳极)电解液中各组分,部分或全部电离:AgNO3====Ag++NO3--HNO3====H++NO3--H2O====H++OH--在直流电的作用下,阳极发生电化学溶解。
阳极板中的银氧化成一价银离子。
但是,当电流密度小时还可能氧化成半价银离子,半价银离子可自行分解生成一价银离子,并分解出一个金属银原子进入阳极泥中:Ag-e→Ag+2Ag+e→Ag2+Ag2+→Ag↓+Ag+此外,阳极板还含有其他金属杂质,如,铜等贱金属,同时也被氧化而进入溶液。
银、铜金属在阳极上除了电化溶解以外,还有一系列的化学溶解:NO3---e==NO2+[O]2Ag+[O]==Ag2OAg2O+2HNO3==2AgNO3+H2O2NO2+H2O==HNO3+HNO2HNO2+[O]==HNO3MeO+HNO3==Me(NO3)2+H2O在阴极上,主要是阴离子放电析出金属银:Ag++e→Ag但应指出,阴极上除发生析出银的反应外,也可能发生消耗电能和硝酸的下列有害反应(副反应),如:H++e→1/2H22NO3--+10H++8e→NO2↑+5H2ONO3--+4H++3e→NO2↑+2H2ONO3--+2H++e→NO2↑+H2ONO3--+3H++2e→HNO3+H2O在电解过程中生成的氮氧化物需经过处理达标后才能排放。
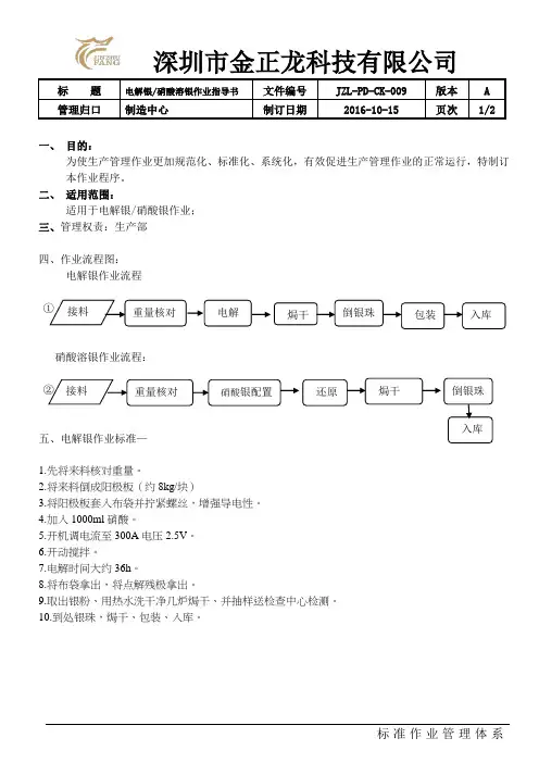
标 题电解银/硝酸溶银作业指导书文件编号 JZL-PD-CK-009 版本 A 管理归口 制造中心制订日期2016-10-15页次1/2一、 目的:为使生产管理作业更加规范化、标准化、系统化,有效促进生产管理作业的正常运行,特制订 本作业程序。
二、 适用范围:适用于电解银/硝酸银作业; 三、管理权责:生产部四、作业流程图: 电解银作业流程①硝酸溶银作业流程:②五、电解银作业标准—1.先将来料核对重量。
2.将来料倒成阳极板(约8kg/块)3.将阳极板套入布袋并拧紧螺丝,增强导电性。
4.加入1000ml 硝酸。
5.开机调电流至300A 电压2.5V 。
6.开动搅拌。
7.电解时间大约36h 。
8.将布袋拿出,将点解残极拿出。
9.取出银粉、用热水洗干净几炉焗干、并抽样送检查中心检测。
10.到处银珠,焗干、包装、入库。
重量核对 接料 电解包装 焗干接料 重量核对还原硝酸银配置 焗干 入库入库倒银珠倒银珠标题电解银/硝酸溶银作业指导书文件编号JZL-PD-CK-009 版本 A 管理归口制造中心制订日期2016-10-15 页次2/2六、硝酸溶银标准1.将来料核对重量,放入反应釜内。
2.加入适量的纯净水。
3.加入10L/10kg银的硝酸。
4.开动搅拌并加热。
5.反应约3小时后放下来过滤机过滤。
6.将过滤后的硝酸银加入HCI沉出氯化银至乳白色。
7.将氯化银洗干净然后加NaOH反应,最后再加入白糖还原。
8.将还原好的银洗干净,入炉焗干、到水珠、称重入库。
电镀作业指导书一、背景介绍电镀是一种将金属沉积在物体表面的工艺,通过电解的方式,将金属离子还原成金属,在物体表面形成一层金属保护层或者装饰层。
电镀广泛应用于金属制品、汽车零部件、电子产品等行业,具有防腐、美观、提高硬度和导电性能等优点。
二、操作准备1. 设备准备- 电镀槽:根据需要选择合适的电镀槽,确保其容量和尺寸满足作业要求。
- 电源:选用稳定可靠的直流电源,根据电镀对象的材质和要求进行调整。
- 水槽和水源:用于清洗和冲洗电镀件,确保水质清洁。
- 电镀液:根据电镀对象的材质和要求选择合适的电镀液,确保质量稳定。
- 配件:如导电条、电镀篮、电镀架等。
2. 人员准备- 操作人员:具备一定的电镀工艺知识和相关经验,能够熟练操作电镀设备。
- 安全人员:负责监督和保障作业过程中的安全,如佩戴防护用品、遵守操作规程等。
三、操作步骤1. 准备工作- 清洗电镀件:将待电镀的物体进行清洗,去除表面的油污、氧化物等。
- 选择合适的电镀液:根据电镀对象的材质和要求,选择合适的电镀液并进行检测,确保其质量合格。
- 调整电源参数:根据电镀液的要求,调整电源的电压、电流和电镀时间等参数。
2. 进行电镀- 将清洗后的电镀件放入电镀篮或者电镀架中,确保电镀件与电极的良好接触。
- 将电镀篮或者电镀架放入电镀槽中,确保电镀件彻底浸入电镀液中。
- 打开电源,开始进行电镀,根据需要调整电源的参数。
- 根据电镀液的要求,控制电镀时间,确保电镀层的厚度和质量符合要求。
3. 后处理工作- 关闭电源,将电镀篮或者电镀架从电镀槽中取出。
- 用清水彻底冲洗电镀件,去除表面残留的电镀液和杂质。
- 将冲洗后的电镀件晾干或者使用适当的方法进行干燥。
- 对电镀件进行检验,确保电镀层的质量和外观符合要求。
四、安全注意事项1. 佩戴防护用品:操作人员应佩戴防护手套、防护眼镜、防护服等,确保人身安全。
2. 防止触电:操作人员在操作过程中应注意避免触电,确保电源和设备的安全性能。
贵宇326镀银作业指导书一、作业概述贵宇326镀银作业是指在贵宇公司的生产线上进行的一项涂镀工艺,旨在为产品表面提供一层均匀、光滑、耐腐蚀的银镀层。
本指导书将详细介绍贵宇326镀银作业的步骤、要求及注意事项。
二、作业流程1. 准备工作a. 确保作业区域清洁整齐,消除杂物和灰尘的影响。
b. 检查设备和工具的完好性,确保正常运行。
c. 配置所需的材料和化学药剂。
2. 表面处理a. 将待镀银的产品进行表面清洗,去除油污和杂质。
b. 使用适当的方法进行表面抛光,确保表面光滑。
3. 镀银准备a. 准备好银镀液和其他所需的化学药剂。
b. 根据产品要求,调整银镀液的浓度和温度。
4. 镀银作业a. 将清洁的产品浸入银镀液中,确保彻底浸没。
b. 控制镀银时间,根据产品要求进行调整。
c. 监控镀银液的温度和浓度,进行必要的调整。
d. 定期检查镀银层的厚度和均匀性。
5. 镀银后处理a. 将镀银完成的产品进行清洗,去除银镀液残留。
b. 使用适当的方法进行表面抛光,提高镀银层的光亮度。
三、作业要求1. 安全要求a. 作业人员必须佩戴个人防护装备,如手套、护目镜等。
b. 银镀液和其他化学药剂必须储存在安全容器中,避免泄漏和事故发生。
c. 作业区域必须保持通风良好,避免有害气体积聚。
2. 质量要求a. 镀银层应均匀、光滑,无明显缺陷温和泡。
b. 镀银层的厚度应符合产品要求,确保其耐腐蚀性能。
3. 生产效率要求a. 控制好镀银时间,确保作业效率和产品质量的平衡。
b. 定期维护和保养设备,确保其正常运行,避免生产中断。
四、注意事项1. 银镀液和其他化学药剂应按照规定的比例调配和使用,避免过量或者不足。
2. 镀银作业时,应避免产品表面与其他金属接触,以免产生不良反应。
3. 镀银液中的温度和浓度应定期检测和调整,以确保作业效果和产品质量的稳定性。
4. 镀银作业结束后,及时清洗和维护设备,避免银镀液残留对设备造成腐蚀。
五、总结贵宇326镀银作业是一项关键的涂镀工艺,需要严格遵循作业流程、质量要求和注意事项。
造液
1.原辅材料:银粉、硝酸、双氧水。
2.设备:软化水泵、造液搅拌槽、硅整流器、电解液输送泵、硝酸银溶液储槽、银电解液输送泵(磁力泵)。
3.操作条件:
①银、硝酸和水的重量比通常为1:1:0.7~0.75;
②硝酸银溶液的浓度一般为300~800g/l。
4.工艺原理:
银电解精炼的电解液,由AgNO3、HNO3的水溶液组成。
电解液含Ag:115-150g/l,通常Ag:135g/l,Cu:<30-35g/l。
游离硝酸的作用,在于改善电解液的导电性,但含量不能过高,因为过高会促进阴极析出银的化学溶解,会放出NO2,并并使H+增高而放电。
为防止上述现象发生,又使电解液导电性良好,因而需往电解液中加入适量的KNO3、NaNO3。
电解液中银离了浓度的高低,视电流密度及阳极品位而定。
电流密度大,银离子浓度宜高,以保证阴极区应有的银离子浓度;阳极品位低,即杂质多,银离子浓度宜高些,以压抑杂质离子在阴极析出。
配制硝酸电解液,一般是使用含银99.86%-99.88%的电解银粉。
将银粉置于耐酸瓷缸中,先加适量水湿润后,再加入硝酸、双氧水和水,在自然条件下溶解而制得。
在加硝酸溶解银的反应过程中,连续不断地加入双氧水,主要反应式为:
2Ag+2HNO3+H2O2====2AgNO3+2H2O
以此来阻止反应过程中产出大量氮氧化合物(NO和NO2),消除氮氧化合物对环境的污染,同时减少硝酸消耗,提高造液的效率。
银的测定1、方法依据水质银的测定火焰原子吸收分光光度法GB 11907-89。
2、适用范围本标准适用于感光材料生产、胶片洗印、镀银、冶炼等行业排放废水及受银污染的地面水中银的测定。
本标准的最低检出浓度0.03mg/L,测定上限为5.0mg/L。
经稀释或浓缩测定范围可以扩展。
3、测定原理将消解处理后的试液吸入火焰,火焰类型为空气-乙炔,氧化型(蓝色)。
在火焰中,银离子形成基态原子,对波长为328.1nm 的特征电磁辐射产生吸收。
将测得试样的吸光度和标准溶液的吸光度相比较,确定试样中银的浓度。
4、干扰和消除大量氯化物、溴化物、碘化物、硫代硫酸盐对银的测定有干扰,但试样经消解处理后,干扰可被消除。
5、试剂5.1硝酸(HNO3),ρ=1.42g/L。
5.2高氯酸(HClO4),ρ=1.68g/L。
5.3硫酸(H2SO4),ρ=1.84g/L。
5.4过氧化氢(H2O2),30%(m/V)5.5硝酸溶液,1+1.5.6银标准贮备液,1000mg/L:准确称取0.1575g硝酸银(AgON3),溶于适量水中,加入2ml硝酸溶液(5.5),转入100ml容量瓶中,用水稀释至标线,摇匀。
贮与棕色细口瓶中,4℃下存放。
此溶液可保存半年。
5.7银标准溶液,50.0mg/L:准确吸取银标准贮备液(5.6)10.00ml,置于200ml棕色容量瓶中,加入4ml硝酸溶液(5.5)用水稀释至标线。
此溶液可稳定两周。
6、仪器和设备6.1原子吸收分光光度计6.2铁、锰空心阴极灯6.3乙炔钢瓶或乙炔发生器6.4空气压缩机,应备有除水、除油、除尘装置。
6.5一般实验室仪器7、采样及样品采用聚乙烯瓶这类合适的容器贮存样品,用硝酸(5.1)将水样酸化至pH1~2,并尽快分析。
感光材料的生产、胶片洗印及镀银等行业的废水,样品采集后不加酸,并立即进行分析。
含银水样应避免光照8、分析步骤8.1试料取50ml均匀样品置于150ml烧杯中,如含银浓度大于5mg/L,可适量少取样品,加水至50ml。
银检测作业指导书
1.试剂
1.1银标准储备溶液:称取0.7875g硝酸银,溶于硝酸中,并用硝酸稀释至500ml,储存于棕色玻璃瓶中。
1.2银标准中间溶液:取银标准储备溶液 5.00ml于100ml容量瓶中,用硝酸溶液稀释至刻度。
1.3银标准使用溶液:取银标准中间溶液
2.00ml于100ml容量瓶中,用硝酸溶液稀释至刻度。
1.4磷酸二氢铵:称取12g磷酸二氢铵,加水溶解并定容至100ml。
2.分析步骤
2.1吸取银标准使用溶液0ml,0.25ml,0.50ml,1.00ml,2.00ml和
3.00ml于5个100ml容量瓶内,各加入磷酸二氢铵溶液10ml,用硝酸溶液定容至刻度,摇匀。
2.2吸取10ml水样,加入1.0ml磷酸二氢铵溶液,同时取10ml硝酸溶液,加入1.0ml磷酸二氢铵溶液,作为空白。
2.3仪器参数设定后依次吸取20ul试剂空白,标准系列和样品,注入石墨管,启动石墨炉控制程序和记录仪,记录吸收峰高或峰面积。
3.计算
若样品经处理或稀释,从标准曲线查出银浓度后,按下式计算:
ρ=ρ1×V1/V
式中:
ρ——水样中银的质量浓度,单位为微克每升;
ρ1——从标准曲线上查得试样中银的质量浓度,单位为维克每升;
V1——测定样品的体积,单位为毫升;
V——原水样体积,单位为毫升。
一、置换法:用化学活动性较大的金属,如锌、铁、铝等,从废定影液中置换出银。
此法较简单,可以用金属粉、金属块或金属条直接加入或插入废定影液中,银便被置换附着在金属表面,但置换后的产品不纯,尚需进一步提纯。
二、沉淀法:用硫化钠使定影液中的银,以硫化银的形式沉淀出来,再把硫化银沉淀物加入热的浓盐酸中,并加入过量铁粉,便可得到白银,但产品也需再提纯。
有关反应式如下:
2〔Ag(S2O3)2〕3+S——→Ag2S↓+4S2O32
Ag2S+2HG+fe——→2Ag↓+FeGl2+H2S2—
因硫化氢(H2S)有毒,所以操作应在能风处进行,保证安全。
三、电解法:用电解法直接提取白银,是一种较好的方法,可一次性处理,制得的白银质量很纯。
电解法中两个电极的正确使用非常重要,当通电后,阳离子即银离子向阴极移动,得到电子被还原成银原子在阴极表面堆积;阴离子向阳极移动,失去电子被氧化。
如果电极使用不当,则会造成电极腐蚀,污染溶液。
因此应将石墨棒(即干电池的中心碳棒)接在直流电源的正极作为阳极;用银棒或不锈钢板接在直流电源的负极作为阴极,一起插入废定液中进行电解。
溶液的PH一般调节在2—4(滴加硝酸调节),电压为1伏特,电流密度为03A/Cm2。
这样,在电解过程中。
阴极上的银条便由于银的堆积而由小变大,颜色纯白。
如果电流大,银沉淀太快,则呈黑色。
当电解产物出现棕色时,说明溶液中银含量已经很少了(每公斤含银量少于1克),不宜再电解。
测定废定影液含银多少,能否电解,也可以拿一条干净的铜丝,插入溶液中,2分钟后尚不见铜丝转为银白色,说明溶液中银已经很难提取了。
提取的金银,可送给各地人民银行收购。
电解银作业指导书第一节电解银生产工艺1、电解银催化剂的制备外购银锭和氧化器里拆下来的电解银杂质比较多,通常有:硅、铁、铝、铜、锰等及其它杂质。
而作为甲醛催化剂使用的电解银必须高纯度、比表面积大的疏松海绵状的银。
因此必须通过电解获得。
电解原理及装置2、电解原理电解是在直流电的作用,使电解质溶液或熔融电解质在阴阳两极上发生氧化—还原反应的过程。
在此过程中,电能不断的转化为化学能。
因为不同的金属有各自不同的理论电极电位。
一般来说金属离子析出的理论电位越高,越容易在电极上析出,而金属离子析出的理论电位越低,越不容易在电极上析出。
因此只要我们控制一定的电解条件,就可以在阴极上析出纯的金属银。
而其他杂质则可被留在电解液里,从而达到了电解提纯的目的。
3、电解装置及原理电解装置:由电解槽、阴极、阳极、电解液、阳极盒、阳极袋以及整流器、电流表、电压表。
电解槽是用聚氯乙烯塑料板制成;阴极是纯银板;阳极是铂或镣钛制成;阳极袋是用锦纶布制成;阳极盒是用聚氯乙烯塑料板制成。
当通入电源后,槽内电压为10伏,电解槽温度为50-55C,阳极上便发生氧化作用,金属银放出电子变成银离子(Ag+)跑到电解液中,同时阴极上发生还原作用,电解液中银离子得到电子被还原成金属银而析出。
卩日极:Ag——► Ag++e阴极:Ag ++e-^ Ag第二节电解银作业一、银催化剂制备加工I、一次电解银加工、处理A、新外购银加工、处理:对新外购银的处理,电解银操作员可以直接将其放入一次电解槽进行电解。
B、生产线上退回银的加工、处理1、生产线上退回来的电解银,表面有铜网和碳黑等杂物,电解员首先应将其放入电阻炉中煅烧,温度控制在680 C左右,待银子全红后二十分钟取出自然冷却,并进行记量(当看到电解银上沾有碳黑时,银块全红后,电阻炉的门不必封闭,让氧气进去将碳黑和其他可燃物烧得更干净)。
2、电解员用草酸溶液浸泡银子24小时,浸泡后用蒸馏水洗涤直至PH=7方可放入电解槽中进行一次电解。
文件编号: WI-JXXXXX 版本号:A1Page 1 of 3序号 制/修订说明最新版本制/修订人日 期 01文件初版发行 A0 02 03 04 05产品名称螺套,螺杆,顶针,电池图纸编号产品图示产品编号 材 质铜 H59工艺流程来料检验-超声波除油-水洗-电解除油-水洗-硫酸活化-水洗-镀镍-水洗-镀银-水洗-镀保护液-水洗-烘干-QA 检验-包装出货 序号工序名称工序图示操作说明1 来 料 检 验1. 品质部IQC 对来料在指定的地方进行检验,如发现异常及时上报,并开出<品质异常单>.2 超 声 波 除 油1. 时间:10-15分钟,浓度:8-15Be2. 温度:55-70°C 除油粉3 水 洗1. 自来水洗。
2. 时间:1分钟4 电 解 除 油1. 时间:10-15分钟,浓度:5-12Be2. 温度:55-70°C3. 除油粉文件编号:WI-JXXXXX 版本号:A1 Page 2 of 35 水洗1. 自来水洗2. 时间:1分钟6 硫酸活化1.时间:1分种,浓度:200-250ml/L2.温度:N/A3.工业硫酸7 水洗1. 自来水洗2. 时间:1分钟8 镀镍1. 温度:40-60℃2. 电流:9.15V3. 时间: 30 分钟4. 硫酸钠镍、氯化镍、硼酸9 水洗1. 自来水洗2. 时间:1分钟10 镀银1. 温度: 20-25℃2. 电压:7.55V3. 时间: 90秒4. 银盐11 水洗1. 自来水洗2. 时间:1分钟文件编号:WI-JXXXXX 版本号:A1 Page 3 of 312 镀保护液1. 温度: 50-70℃2. 电流:N/A3. 时间: 3 分钟4. 保护液13 水洗1. 自来水洗2. 时间:1分钟14 烘干1. 时间:5-10分钟2. 温度: 80-100°C15 Q A 检验 1. 品质部QA对产品进行检验,如发现异常及时上报16 包装出货1. 将QA检验合格的产品,包装完好后,写好出货标签,放在出货区域,待通知可出货。
金银电解岗位安全操作规程一、安全操作前必须知道的事项1.1 危险源:金银电解岗位的危险主要来源于电解槽内的高温、高压、高电压、化学腐蚀液体、电解气体等危险因素。
1.2 工作要求:操作人员必须具有一定的金属冶炼知识和技能,并经过相关的安全培训;操作过程中穿戴符合安全标准的防护服、手套、口罩等个人防护设备,并全程监控电解岗位运行情况。
1.3 事故处理:发生事故时,应立即切断电源并使用相应的消防器材进行灭火,同时及时向上级报告事故情况。
二、电解岗位的安全操作2.1 启动前检查:操作人员在启动电解岗位前,必须认真检查各种设备的安全状态,包括电解槽、电源、电线、防护设备等,确保所有设备符合运行要求并处于良好状态。
2.2 空载启动:启动电源后,操作人员要先进行空载启动,观察设备是否运行正常,并随时关注电解槽中的电解液变化情况,如发现异常立即停止设备并进行检查。
2.3 加载操作:经过空载启动的检查后,进行加载操作,要注意防护设备的穿戴,同时防止电解槽中的电解液泼溅,确保操作过程平稳。
2.4 运行过程中的监控:在设备运行过程中,操作人员要随时监控电解槽中电解液的工作温度、浓度、流速等情况,并注意预防电解液泼溅,及时润滑除氧器的运转,保证其正常工作。
2.5 关机操作:运行完毕后,按照操作规程依次断开电源等设备的连接,停止电解岗位的运行。
三、其他注意事项3.1 安全隐患排查:在操作过程中,如发现安全隐患或者设备存在异常情况,应立即停工排查,并及时向上级领导报告详细情况。
3.2 个人卫生:为避免化学气体、化学液体对工作人员的身体危害,应注意保持良好的个人卫生,穿戴防护设备,避免直接吸入化学气体和接触化学腐蚀液体等危险物质。
3.3 废料处理:操作过程中产生的废水、废气、固体废物等应经专门处理单位处理,确保不污染环境。
四、安全应急预案4.1 安全演习:制订相应的安全应急预案,并进行定期演练。
预案中包括急救、疏散和组织交通等内容,使所有人员能熟悉整个应急预案的操作流程,做到在危急情况下能快速响应、高效救援。
金银电解岗位安全操作规程金银电解岗位是一个涉及工业化生产的岗位,在这个岗位上需要操作各种设备和机器,处理精细的化学物质。
因此,金银电解岗位的安全操作规程是非常重要的,它将对员工的安全起到至关重要的作用。
一、岗位安全规定1. 操作前检查:在开始操作前,必须进行全面检查,确保待处理的化学物质和设备都是干净的,没有任何杂质和残留。
2. 保护用品:在操作金银电解岗位时,必须穿戴好防护服、防毒面具和手套等防护用品,并确保它们的性能完好无损。
3. 禁止食品保管:不能将食品保管在工作区域,以免粉尘和化学物质污染食品。
4. 清场处理:在制作金银电解时,必须将废弃物和有毒的化学废液分类储存,并在操作结束后及时进行清场处理。
二、作业规程1. 作业前准备:在操作金银电解岗位之前,必须对设备进行检查,以确保其安全性和稳定性。
并在操作开始前准备好处理所需的化学药品和设备。
2. 作业过程中计量:必须按照规定的计量方式进行金银电解的操作,并注意在操作过程中要保证药物和设备的卫生和安全。
3. 安全操作:在操作金银电解时,必须穿戴好防护设备,并严格遵守操作规程,不得私自修改设备或操作流程,也不能修改操作指南。
4. 事故处理:如果遇到事故,必须立即报告主管,并根据指导要求进行安全疏散和药物处理。
5. 操作结束:在执行操作后,必须戴手套、口罩和防毒面罩,将药物处理并清洗操作台面。
全部工具和设备必须妥善整理归位。
三、安全考核1. 考试:针对金银电解操作岗位,必须进行安全操作考试。
2. 抽检:管理人员将通过抽检发现违反安全规程的员工,并对其进行必要的惩罚。
3. 定期检查:针对金银电解操作岗位,定期必须进行安全检查,确保操作符合环保、安全和卫生规范。
四、结论对于金银电解岗位来说,安全操作规程是非常重要的。
必须以严格的安全操作管理来规范该岗位的操作,以减少未知事件的发生,增强工作质量和员工的责任意识。
公式化的操作规范也有助于提高岗位操作人员的技术能力和安全环保素质,从而提升整个工作团队的整体素质,让金银电解的生产工作更加安全和顺利。
YF-ED-J3032可按资料类型定义编号金银电解岗位安全操作规程实用版In Order To Ensure The Effective And Safe Operation Of The Department Work Or Production, Relevant Personnel Shall Follow The Procedures In Handling Business Or Operating Equipment.(示范文稿)二零XX年XX月XX日金银电解岗位安全操作规程实用版提示:该操作规程文档适合使用于工作中为保证本部门的工作或生产能够有效、安全、稳定地运转而制定的,相关人员在办理业务或操作设备时必须遵循的程序或步骤。
下载后可以对文件进行定制修改,请根据实际需要调整使用。
一、金电解1、启动金整流柜前,认真检查电流、电压是否正常。
2、启动金整流柜时,严禁戴湿手套或湿手开启按钮。
使用过程中,如发出警报信号,应立即停机检查,待排除故障后方可重新启动。
3、一切器具必须完整方可使用,以防电解液的浪费。
4、金电解槽如有渗漏现象,必须停止使用。
补加液时缓慢加入,以防飞溅造成槽面短路和烫伤。
5、槽面导电器具须保持良好的导电性能,严禁短路、断路,以防烧槽。
6、出装槽时,导电钩及阴极挂耳必须牢固地挂在导电棒上,以防脱落。
二、银电解1、启动金整流柜前认真检查电流、电压是否正常。
2、银电解整流柜冷却水,必须保证畅通无阻,管道无阻塞漏水现象。
使用过程中,跳闸或发生警报信号,应立即停机检查。
待故障排除后方可重新启动。
3、一切操作用具必须确认完好,方可使用。
4、对循环地槽补加酸或水时,应戴好防护眼镜,倒酸速度不宜过快,以防外溅伤人。
5、一切电器设备不得随意开启或戴湿手套、湿手开启。
6、装槽时,手要拿稳阳极板,以防脱落砸脚。
7、槽面应保持良好的导电性,液不要滴在槽面上,以防烧槽。
8、银电解系统如有渗漏现象,立即停车,并补漏或更换。
最新整理电解作业安全操作规程
1、银电解电解作业前要检查电解槽是否有漏液、破损。
2、金电解造液时要检查素瓷坩埚是否有破损现象,若有破损不能继续使用。
3、电解作业添加酸液时要穿戴必要的劳保护品,并遵循酸、碱等化学物品的使用规定。
4、要经常检查电极线路及槽内液量和阴极反应情况,使导电接触良好。
5、金电解造液需经常保持槽内液量。
补加盐酸,阳极坩埚的酸液因蒸发较快更需经常补加,防止于缺液而发生断路的现象。
6、要勤检查电解槽电极情况,加强电解液搅拌,防止极板短路。
7、电解通电后,要经常测量电压,检查各接触点导电及绝缘情况。
开槽半小时内及电解过程种要检查各阴极析出情况,看是否有烧极现象。
电解银作业指导书
第一节电解银生产工艺
1、电解银催化剂的制备
外购银锭和氧化器里拆下来的电解银杂质比较多,通常有:硅、铁、铝、铜、锰等及其它杂质。
而作为甲醛催化剂使用的电解银必须高纯度、比表面积大的疏松海绵状的银。
因此必须通过电解获得。
电解原理及装置
2、电解原理
电解是在直流电的作用,使电解质溶液或熔融电解质在阴阳两极上发生氧化—还原反应的过程。
在此过程中,电能不断的转化为化学能。
因为不同的金属有各自不同的理论电极电位。
一般来说金属离子析出的理论电位越高,越容易在电极上析出,而金属离子析出的理论电位越低,越不容易在电极上析出。
因此只要我们控制一定的电解条件,就可以在阴极上析出纯的金属银。
而其他杂质则可被留在电解液里,从而达到了电解提纯的目的。
3、电解装置及原理
电解装置:由电解槽、阴极、阳极、电解液、阳极盒、阳极袋以及整流器、电流表、电压表。
电解槽是用聚氯乙烯塑料板制成;
阴极是纯银板;
阳极是铂或镣钛制成;
阳极袋是用锦纶布制成;
阳极盒是用聚氯乙烯塑料板制成。
当通入电源后,槽内电压为10伏,电解槽温度为50-55℃,阳极上便发生氧化作用,金属银放出电子变成银离子(Ag+)跑到电解液中,同时阴极上发生还原作用,电解液中银离子得到电子被还原成金属银而析出。
阳极:Ag Ag++e
阴极:Ag++e Ag
第二节电解银作业
一、银催化剂制备加工
Ⅰ、一次电解银加工、处理
A、新外购银加工、处理:
对新外购银的处理,电解银操作员可以直接将其放入一次电解槽进行电解。
B、生产线上退回银的加工、处理
1、生产线上退回来的电解银,表面有铜网和碳黑等杂物,电解员首先
应将其放入电阻炉中煅烧,温度控制在680℃左右,待银子全红后
二十分钟取出自然冷却,并进行记量(当看到电解银上沾有碳黑时,
银块全红后,电阻炉的门不必封闭,让氧气进去将碳黑和其他可燃
物烧得更干净)。
2、电解员用草酸溶液浸泡银子24小时,浸泡后用蒸馏水洗涤直至
PH=7方可放入电解槽中进行一次电解。
3、一次电解时电解员将槽内电压控制在10伏特以下,一次电解银电
流密度控制在7安培/分米2,电解溶液浓度(硝酸银)控制在2.5%
左右,并用浓硝酸溶液将PH值调到1.5~2.0,槽内温度控制在50~55
度。
每班给在阳极槽加银一次。
4、一次电解槽阴极析出的银,一般每隔30分钟电解员在阴极板上捞
银一次,并放在指定的蒸馏水桶中浸泡。
Ⅱ、二次电解银加工、处理
经过一次电解槽内电解的银需进一步进行提纯、电解,具体操作如下:1、电解员首先应将一次电解的银滤干,再用蒸馏水洗涤直到洗涤液中无
氯离子为止。
洗涤后,将银放入二次电解槽。
2、电解员每班次在电解槽的阳极加银一次,并需将银捣实。
3、二次电解时电解员将槽内电压控制在10伏特以上,电解银电流密度
控制在14安培/分米2,电解溶液浓度(硝酸银)控制在3.0%左右,并用浓硝酸溶液将PH值调到1.5~2.0,槽内温度控制在55~60度。
4、二次电解槽阴极析出的银,一般每隔20分钟电解员在阴极板上捞银
一次,并放在指定的蒸馏水桶中浸泡。
5、电解员用蒸馏水洗涤二次电解后的银,直至洗涤水中PH值为7。
洗
涤后将银装入银盒放入干燥箱烘干。
注意事项:
1、电解员捞银间隔时间需根据槽内阴极板上银量的多少而定,一般每三十分钟一次,析出的银多了不刮会造成槽内正负极连通而短路,烧坏蒸馏器。
2、随着时间的推移,电解槽内的温度会随着室温而变化(一般夏天升高,冬天下降)。
温度升高时,需用冷水盘管给电解槽降温;温度降低时,需用蒸汽管加热。
3、电解槽在电解过程中,电解员应定时通知化验室分析人员分析电解溶
液的浓度、PH值,并根据分析结果进行调整。
4、检验洗涤水中无银离子的方法:电解员用6N盐酸溶液滴入洗下来的水中,水中若无白色的氯化银沉淀,则说明无银离子,洗涤水已清洗干净。
Ⅲ、电解银的热处理
1、电解员检查干燥箱的制热是否正常,鼓风机是否能正常运转,确认
一切正常后,把洗干净的银装入银盒放入干燥箱中。
2、干燥箱的温度,电解员应控制在250℃左右,同时观察干燥箱顶部
出气孔,当没有湿气冒出时(这时银表面已经烘干,但内部还没干),
还需再烘2~3小时。
Ⅳ、电解银的二次热处理
1、首先电解员检查电阻炉是否通电;温度控制是否正常;电阻炉电流
表是否正确,一切正常后,电解员把烘干的电解银放入电阻炉中煅
烧。
2、电解员将电阻炉温度控制在680℃(超温银子易融化)煅烧两小时
后关掉电源开关,取出自然冷却至常温即可。
Ⅴ、造粒、分目包装
1、电解员首先打开造粒机电源检查造粒机粉碎区物料是否畅通,并确
认机器运转方向是否与机器上箭头方向一致。
2、开机空转2~3分钟后,电解员确认无误再进行投料。
投料时量不宜
过多,以免形成堵塞。
3、粉碎后的电解银,电解员用不同种类的分目筛筛将银粒分目。
4、分目后,电解员根据银粉的大小进行包装,以供生产需用。
二、银库进出数据及银库管理作业
1、购入银
A、购入银锭和硝酸银到触媒车间时需由生产部经理、银库监管员触媒班长、当班电解员四人同供应商一起计量、入库。
B、当班电解员在交接班记录上记录进银数据,由生产部经理、银库监管员、触媒班长、签字确认,最后交付银库保管。
2、生产用银
A、生产线重新铺新银时由生产部经理通知触媒班长或当班电解员准备电解银催化剂各目的数量并计量。
B、当班电解员把准备好的催化剂数量记录在触媒制备间交班记录上,由生产部经理、银库监管员确认无误后,在交班记录上签字。
最后由当班电解员或触媒班长将银运出至触媒制备间门外,生产部经理安排运至车间。
铺装银时,电解银班长也需在场。
3、生产退银
A、生产线需退银到触媒制备间,由生产部经理通知触媒班长和当班
电解员一并至生产现场参加取银。
B、生产线退银到触媒制备间后,由当班电解员经过一系列的处理后,
计量本次生产线的正常损耗、并记录在触媒制备间的交班记录上。
C、电解员在记录好本次生产正常损耗后,交付生产部经理、由生产
部经理和银库监管员确认签字,记录填写在交班记录上。
4、触媒制备间领用银作业
触媒制备间需领用硝酸银或银锭时,需由生产部经理确认,开出库单,并通知银库监管到银库一同领出,数量记录填写在交班记录上。
5、触媒制备盘点
A、触媒制备的盘点由于工作量大的特点,一般每月盘点一次电解银车间和银库,主要查看本月生产线的正常损耗银、库存成品银、硝酸银等。
但有时根据生产线运转情况和触媒制备生产情况也可两个月盘点一次。
B、因工作场所的特殊性盘点电解银车间和银库的人员有下列人员组成生产部经理、财务部代表、仓库银库监管员、触媒班长、电解银当班电解员,其他人员不得入内,盘点后参加盘点的人员需在触媒制备车间交接班记录上签名。
6、电解银门禁
触媒制备间由于岗位的特殊性,非岗位人员未经许可,严禁入内。
若有事需进触媒制备间的人员,必须提前到生产部开进门证,并在进门证上认真填写好进门资料,经生产部经理批准(经理不在时由触媒班长负责),操作班长确认后方可进门。
进门后,当班电解员需进行监护,并在交接班上填写好记录。