降水井施工技术交底.doc
- 格式:doc
- 大小:56.00 KB
- 文档页数:8
降水施工安全技术交底一、工程概述本工程是一座大型商业建筑,占地面积约为10万平方米,总建筑面积约为50万平方米。
该建筑包括地下两层和地上六层,建筑高度约为100米。
由于该建筑地处市区中心,周边环境复杂,地下水位较高,因此需要进行降水施工。
二、降水施工方案根据工程实际情况,我们采用深井降水的方法。
在建筑周边布置若干口深井,深度约为15米,井径约为200毫米,井管采用直径为100毫米的钢管。
在降水期间,深井将抽取地下水,通过水泵排入市政管网。
三、降水施工安全技术交底1、施工前应进行安全技术交底,向工人讲解降水施工的安全注意事项和应急措施。
2、深井施工时应采取防止人员和物体掉落井内的措施,如设置围栏和警示标志等。
3、深井水泵应按照厂家说明书进行安装和操作,确保其正常运行。
水泵应定期维护保养,保证其使用寿命和安全性。
4、深井周围应设置安全警示标志和围栏,防止人员和车辆误入深井。
5、在降水期间,应对深井进行定期检查和维护,防止出现井壁坍塌、井管破裂等问题。
如发现异常情况应及时处理,并向上级报告。
6、降水施工时应保持现场整洁有序,避免因杂乱无章而导致的安全隐患。
7、施工现场应配备消防器材和应急救援设备,并定期检查其完好性和有效性。
8、施工人员应佩戴劳动保护用品,如安全帽、安全鞋、防护手套等,确保其人身安全。
9、如遇突发事故,应立即启动应急预案,组织救援并向上级报告。
施工安全技术交底在建筑施工过程中,安全始终是首要考虑的因素。
为了确保每一个施工环节的安全性,避免可能出现的安全隐患,进行施工安全技术交底显得尤为重要。
本文将探讨施工安全技术交底的必要性、主要内容以及其在实际施工中的应用。
一、施工安全技术交底的必要性在建筑工程中,每一个环节都可能存在安全隐患。
通过施工安全技术交底,可以确保每一位工作人员了解并遵守相关的安全规定,提高他们的安全意识,减少因操作不当导致的安全事故。
同时,这也是对工程质量的保障,避免因安全事故导致的工程延期或造价超支。
一、工程名称:____________________二、施工单位:____________________三、施工部位:____________________四、施工日期:____________________五、交底人:____________________六、参加交底人员:____________________一、安全注意事项1. 施工人员必须遵守国家相关法律法规及施工现场的各项规章制度,确保安全生产。
2. 进入施工现场必须佩戴安全帽,高处作业必须佩戴安全带,穿戴合适的劳保用品。
3. 施工前对施工人员进行安全技术交底及安全教育,提高施工人员的安全意识。
4. 施工现场应设置明显的警示标志,提醒施工人员注意安全。
5. 施工现场严禁酒后作业、违章操作,确保施工安全。
二、材料与设备1. 采购的材料必须符合国家相关标准和规定,质量合格。
2. 施工设备应保持完好,定期进行维护保养。
3. 降水井施工所需材料及设备如下:(1)井管:采用无缝钢管,管径符合设计要求,壁厚符合规定。
(2)滤水管:采用不锈钢滤水管,管径符合设计要求,壁厚符合规定。
(3)滤料:采用石英砂、聚丙烯纤维等,符合设计要求。
(4)钻机:采用合适的钻机,满足施工要求。
(5)水泵:采用符合设计要求的水泵,满足施工要求。
三、施工流程1. 测量放线:按照设计图纸进行测量放线,确保井位准确。
2. 埋设护口管:在井位处埋设护口管,保证井口安全。
3. 安装钻机:将钻机安装在井位处,确保钻机稳定。
4. 成孔施工:采用钻机进行成孔施工,按照设计要求进行。
5. 清孔:成孔后进行清孔,确保孔内无杂物。
6. 换浆:按照设计要求进行换浆,保证孔内泥浆质量。
7. 下井管:将井管下至孔底,确保井管安装牢固。
8. 埋填滤料:在井管周围埋填滤料,提高降水效果。
9. 洗井:对井管进行洗井,确保井内无杂物。
10. 降水:启动水泵进行降水,按照设计要求进行。
11. 封井:降水结束后,对井口进行封井,确保井口安全。
井点降水工程施工安全技术交底
交底内容:
1、土方开挖前,必须保证一定的预抽水时间,一般轻型井点不少于7-10 天,喷射井点或真空深井井点不少于20天。
2、井点降水设备的排水口应与坑边保持一定距离,防让排出其不意水回渗入坑内。
3、降水过程必须与坑外水位观测密切配合,注意可能于隔水帐幕渗漏在降水时影响周围环境。
4、坑外降水,为减少井点降水对周围环境的影响,应采取在降水管与受保护对象之间设置回灌井点或灌砂井、砂沟等措施。
5、拔除井点管后的空洞,应立即用砂土(或其他代用材料)填实。
对于穿过不透水层进入承压含水层的井管,拔除后应用粘土球直衬封死,杜绝井管位置发生管涌。
6、补充交底内容:
①进入现场必须遵守安全生产六大纪律。
补充作业指导内容:。
工程名称环东干道七京津塘高速公路跨线桥工程施工单位中铁十三局集团有限公司分部分项工程名称降水井施工交底日期交底内容:一、施工要求1、孔径应比井管直径大300mm,深度应考虑抽水时间内沉淤物可能阻塞孔径,垂直度必须符合要求。
2、钻孔时应符合以下规定:1)孔位附近不得大量抽水;2)孔口设置护筒;3)设置泥浆坑,防止泥浆水漫流。
3、根据项目部的要求配齐所用管材,并按照沉防顺序堆放在孔位附近。
4、井管沉放前应清孔,疏干含水层应设置倒滤管,在周围填砂料后,应按规定及时洗井和单井试抽。
二、钻孔要求1、正确地按规定要求安装设备,地基要平整坚固,护口管、转盘、天车要在一条垂直线上。
钻具要经常检查补焊,保持钻具圆整。
2、开始钻进时,要低速回转,保持钻杆直立不摆动。
3、长时间停钻时,应每隔3~4h搅动井孔内的泥浆,并可适当加入泥浆,以保持孔内必要的压力。
4、不使用弯曲的钻杆,不采用钻杆自重加压而采用钻铤加压,钻压要适当,避免造成斜孔而形成键槽卡位。
5、应测量井孔的实际深度和井底沉淀物的厚度,如果井身不足或沉淀物过厚,需对井孔进行冲洗,排除沉渣。
三、施工程序降水采用直径500mm大口井,井深17.5米,间距16.67米,沿基坑两侧布置。
降水施工包括以下工序1、井位布设结合现场实际地况,井位布置间距16.67m, 沿基坑两侧布置.2、埋设护筒人工开挖井位处杂土,以挖到原土为宜,一般挖深在1.5m左右,然后埋设护筒,护筒埋设要调正,其中心位置偏离既定井位不超过10cm。
3、钻机就位钻机就位要平整,保证钻头于护筒同心,并保证钻机牢固。
4、开钻、成孔开钻初始,向孔内注水,人工控制钻头进尺速度,防止钻头偏移,根据设计深度,从地表向下成孔深入为设计深度另加30-50cm,成孔完毕后将孔内泥浆淘尽,泥浆比重控制在1.05以下。
5、选管、下管、回填过滤层:成孔后马上下管,防止井口坍塌,下管前,选择坚固无裂缝的无砂管下到最底处,管与管连接一般选用长约2m的竹片,周围均放3根,每根管的上下距管口15cm左右,用铅丝绑牢,用导向架上的钢丝绳将管一根根放入孔内,最后一根管要求露交底人参加人工程名称环东干道七京津塘高速公路跨线桥工程施工单位中铁十三局集团有限公司分部分项工程名称降水井施工交底日期交底内容:出地表20cm左右。
一、交底目的为确保沙管井降水施工过程中的安全,预防安全事故发生,提高施工人员的安全意识和操作技能,特制定本安全技术交底。
二、交底内容1. 工程概况- 工程名称:____________________- 施工单位:____________________- 施工地点:____________________- 施工期限:____________________- 施工内容:沙管井降水施工2. 安全技术要求1. 人员配备与培训- 所有参与施工人员必须经过专业培训,熟悉沙管井降水施工工艺和安全操作规程。
- 施工前,对全体施工人员进行安全技术交底,确保人人知晓安全操作要点。
2. 施工前的准备工作- 对施工场地进行清理,确保施工环境安全。
- 检查施工设备、工具是否完好,符合安全要求。
- 确保施工图纸、施工方案等技术文件齐全。
3. 施工过程安全措施- 降水井施工过程中,应严格按照设计要求进行,确保井壁稳定。
- 施工人员应穿戴好个人防护用品,如安全帽、防护手套、防护眼镜等。
- 降水井施工区域应设置警示标志,防止无关人员进入。
4. 设备操作安全- 降水设备操作人员必须持证上岗,熟悉设备性能和安全操作规程。
- 操作过程中,注意观察设备运行状态,发现异常情况立即停机检查。
- 严禁操作人员疲劳作业,确保操作准确无误。
5. 降水井封井安全- 降水井施工完成后,应立即进行封井,防止泥砂回流和塌方。
- 封井材料应选用合格产品,确保封井质量。
6. 应急救援措施- 施工现场应配备必要的应急救援物资,如急救箱、消防器材等。
- 施工人员应熟悉应急救援流程,一旦发生事故,能迅速采取有效措施。
3. 注意事项- 施工过程中,应密切关注天气变化,遇大雨、暴雨等恶劣天气,应立即停止施工。
- 施工人员应遵守国家、地方法律法规及项目部的规章制度管理规定。
- 施工过程中,如发现安全隐患,应立即停止施工,并及时上报。
三、交底要求1. 施工单位应将本安全技术交底作为施工过程中的重要依据,严格执行。
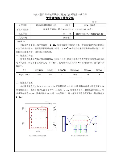
中交三航局青荣城际铁路工程施工指挥部第一项目部管井降水施工技术交底
图三:水深自动感应控制开关实图
四、降水防沉降措施
①在降水前认真做好对周围环境的调研工作,查清工程地质及水文地质情况,包括土层分布、透水层情况,地下水位变化情况、各层土的渗透系数,土体的孔隙比和压缩性等。
煤气管道、电话、电讯电缆、输电线路等各种
管、线的分布和类型,埋设年代和对差异沉降
的承受能力,考虑是否需要预先采取加固措施。
②在降水时随时注意抽出的地下水是否有
图四:管井井点降水实图
④降水保证措施:二十四小时派人轮流值班,围护降水正常进行,并且项目部安排专职人员监督降水作业,其次每天派人记录降水井水位变化情况,对比分析后制定相应措施,保证降水工作的
、井点应保证连续抽水,并设备用电源,以避免泥渣沉淀淤管及水位回升;
、井点成孔后,应立即下井点管并填入滤料,以防塌孔;
、不能及时下井点管时,孔口应盖盖板,防止物件掉入井孔内;。
4.3运行保障措施(1) 用电保障对于工程降水,在正常的降水运行过程中,必须有合理的用电保障以满足降水运行的需求。
(2)排水设施本37地块已做支护及帷幕桩体,基坑围护结构采用护坡桩+高压旋喷桩止水模式,止水效果良好,内部含水量基本定量。
不存在集体大降水情况.排水设施应满足工程降水最大出水量的需求,并保障排水的顺畅。
现场应尽量缩短降水井与排水设施之间的距离,减少降水井排水的沿程水头损失,降低抽水设备的扬程消耗。
4.4 降水井保护措施基坑开挖过程中,需加强对降水井管的保护,主要做到以下几点:(1)井位尽可能靠近支撑边,沿支撑的垂直向离支撑约80cm~100cm;井管口设置小红旗等醒目标志;对可能受车辆行走影响的电缆线以及管路加以防护,并且加强对现场的巡视力度。
(2)井周边500mm范围内的土不得用挖机操作,必须人工挖土,并有专人指挥。
(3)为便于后期泄压抽水,坑内降水井需要保留至降水工作结束。
五、降水井封井方案降水工作结束后,需对降水井进行封堵,具体封井时间参照设计要求。
(1)封井时间垫层施工完后,底板浇筑时,即可对部分坑内降水井进行封堵。
部分坑内降水井预留作为泄压井使用,待结构重量满足抗浮要求后,可采用注浆封堵。
对于坑外降水井,可待抽水运行结束后,直接回填混凝土封井。
(2)注浆封井主要工艺流程:准备封井设备材料→调配水泥浆→注浆→检查封井效果→割除井管→封井完毕。
具体封井步骤如下:(1)根据降水井剩余深度,准备好水泥,根据经验,每包水泥可充填约0.8m的井管(若井深较深,可先充填瓜子片、小石子至底板下2~3m,同时下好注浆管)。
(2)安装好注浆设备、电缆及注浆管并试运行,以保证注浆系统完好。
(3)先预搅拌2~3m3左右的水泥浆,水灰比0.8~1.0,井内下入注浆管,注浆管口距井管底部约1.5m左右。
(4)开始注浆,边注浆边缓慢上提注浆管,并且保证注浆管口位于水泥浆液面1m之下。
注浆时要求水泥浆通过滤管进入降水井周围,将滤管缝隙堵死,注浆压力0.1~0.4MPa,可根据实际调整。
井点降水安全技术交底背景介绍在基础设施建设中,深基坑和隧道等工程中存在一定的水与土压力问题,这会给工人安全和生命带来很大的威胁。
为了确保工程施工和工人安全,我们采用了井点降水技术。
井点降水技术井点降水技术(Groundwater Drawdown Technology)是利用开挖工程的排水方式,将深度开挖区域内的水压降低,以减小深度开挖带来的土体变形和失稳危险,从而保证施工顺利进行。
井点降水分区域降水和整体降水两种降水方法。
区域降水区域降水是在开挖施工时,将挖土区域内设置井点装置,通过井点从上层引入水,形成流向挖土区域的地下水流,再通过井下泵站将水泵出来,实现区域降水的目的。
整体降水整体降水通过在开挖范围内围设井点装置,在开挖前就开始降低水位,使整个开挖区域形成一定的井点降水压力差,从而控制土壤变形和水坑发生的深度和尺寸。
整体井点降水适用于大面积连续开挖,时效性强,而区域降水适用于小型开挖区域、不要求紧急停产的场合。
整体降水在工期中要根据地下水位变化情况,进行增减调整。
井点降水技术的措施为了实现井点降水技术的有效措施,我们需要在实际施工中采取以下几个方面的措施。
管网布置1.确定井点位置,将井点布置在距离现场开挖边缘合理距离的地点,以确保深度开挖区域内地下水有有效地入口;2.根据实际情况,在深度开挖区域内设置固定式及可拆卸式井点形成管网,在出水井点处安装净化设备和计量设备,测量井点吸水量及水泵流量,以确保水位控制在合理范围内。
泵站选型根据开挖区域的情况选择相应的井下泵站,确保够用的水量,根据开挖进度调整泵站的位置和数量。
检测与调整1.对管网进行巡查和维护,检查井点是否正常引入地下水,对管道泄漏和破损及时修补,并记录井点吸水量和水位高度;2.检测开挖区域内地下水位的变化,及时进行调整,以维持水位在安全范围内,并及时调整泵站的放置位置。
安全措施在整个降水过程中需要做好相应的安全保障措施,如:1.设立醒目的安全标志,提醒工人注意安全;2.通过专业培训,让工人明确降水操作流程,掌握必要的安全常识和操作技能;3.在施工现场设置专属的安全管理人员,及时处理施工过程中的各种异常情况,确保施工环节中的人员和设备安全。
4.3运行保障措施(1) 用电保障对于工程降水,在正常的降水运行过程中,必须有合理的用电保障以满足降水运行的需求。
(2)排水设施本37地块已做支护及帷幕桩体,基坑围护结构采用护坡桩+高压旋喷桩止水模式,止水效果良好,内部含水量基本定量。
不存在集体大降水情况.排水设施应满足工程降水最大出水量的需求,并保障排水的顺畅。
现场应尽量缩短降水井与排水设施之间的距离,减少降水井排水的沿程水头损失,降低抽水设备的扬程消耗。
4.4 降水井保护措施基坑开挖过程中,需加强对降水井管的保护,主要做到以下几点:(1)井位尽可能靠近支撑边,沿支撑的垂直向离支撑约80cm~100cm;井管口设置小红旗等醒目标志;对可能受车辆行走影响的电缆线以及管路加以防护,并且加强对现场的巡视力度。
(2)井周边500mm范围内的土不得用挖机操作,必须人工挖土,并有专人指挥。
(3)为便于后期泄压抽水,坑内降水井需要保留至降水工作结束。
五、降水井封井方案降水工作结束后,需对降水井进行封堵,具体封井时间参照设计要求。
(1)封井时间垫层施工完后,底板浇筑时,即可对部分坑内降水井进行封堵。
部分坑内降水井预留作为泄压井使用,待结构重量满足抗浮要求后,可采用注浆封堵。
对于坑外降水井,可待抽水运行结束后,直接回填混凝土封井。
(2)注浆封井主要工艺流程:准备封井设备材料→调配水泥浆→注浆→检查封井效果→割除井管→封井完毕。
具体封井步骤如下:(1)根据降水井剩余深度,准备好水泥,根据经验,每包水泥可充填约0.8m的井管(若井深较深,可先充填瓜子片、小石子至底板下2~3m,同时下好注浆管)。
(2)安装好注浆设备、电缆及注浆管并试运行,以保证注浆系统完好。
(3)先预搅拌2~3m3左右的水泥浆,水灰比0.8~1.0,井内下入注浆管,注浆管口距井管底部约1.5m左右。
(4)开始注浆,边注浆边缓慢上提注浆管,并且保证注浆管口位于水泥浆液面1m之下。
注浆时要求水泥浆通过滤管进入降水井周围,将滤管缝隙堵死,注浆压力0.1~0.4MPa,可根据实际调整。
一、交底目的为确保基坑降水施工过程中的安全,防止事故发生,现将基坑降水安全技术交底如下,请全体施工人员认真学习和执行。
二、交底内容1. 施工人员安全要求(1)进入施工现场必须佩戴安全帽、安全带等防护用品。
(2)遵守国家、地方法律法规及项目部的规章制度管理规定。
(3)施工前对所有施工人员进行安全技术交底及安全教育,注意自我保护。
2. 降水施工前的准备工作(1)了解施工区域内的工程地质、水文地质资料、开挖范围和深度,以及防坍、防陷、防流砂的要求。
(2)检查开挖机械设备、电器设备是否符合安全要求,严禁带病运行。
(3)做好现场排水、降水、集水措施。
3. 降水施工过程中的安全措施(1)开挖低于地下水位的基坑时,根据施工区域内的工程地质、水文地质资料,施工期间应保证地下水位经常低于基础施工面以下。
(2)井点降水设备的排水口应与坑边保持一定的距离,防止排出水回渗入基坑内。
(3)降水过程必须与坑外水位观测密切配合,注意可能由于隔水帐幕渗漏在降水时影响周围环境。
(4)坑外降水,为减少井点降水对周围环境的影响,应采取在降水管与受保护对象之间设置回灌井点或回灌砂井、砂沟等措施。
(5)拔除井点管后的孔洞,应立即用砂土或其他材料填实,对于穿过不透水层进入承压含水层的井管,拔出后应用黏土球直衬封死,杜绝井管位置发生管涌。
(6)布设降水管道的支撑梁两侧必须安装防护栏杆,严禁私自对防护栏进行拆改,严禁人员在没有防护栏杆的支撑梁上行走,严禁维护人员在支撑梁上打闹。
(7)在降水过程中应密切关注基坑内水位变化,防止突涌、机械沉陷事故发生。
(8)在降水过程中做好井孔的封盖工作,防止泥渣落入井内,造成死井。
(9)遇大雨、暴雨时,应做好雨中和雨后坑内排污工作,雨后,对降水用电系统、设备进行全面检查,加强周边环境的检测力度。
(10)为应对降水过程中的突发事件,应按降水方案要求,配置应急救援物资。
4. 降水施工结束后的安全措施(1)降水施工结束后,对井点、降水管等设备进行检查,确保其完好。
降水井技术交底记录技术交底记录编号: 工程名称尚城国际商务中心基坑支护工程交底部位降水井施工单位江苏华东基础工程总公司工序名称降水井施工交底内容:一、施工准备1、材料:无砂混凝土管(滤管)、5-15mm砂砾料。
2、机械:济宁150钻机,潜水泵、清水泵等。
3、作业条件:现场三通一平已完成。
测放井位前先与甲方、监理等有关单位联系,确定井位与土建图无冲突后再进行测放,放线工序完成后办理验收手续。
根据设计图纸中井点数量、深度施工。
4、施工前对操作人员进行安全、技术交底。
二、工艺流程井点测量定位——挖井口——钻机就位——钻孔——回填井底砂垫层——吊放井管——回填井管与孔壁间的砾石过滤层——洗井——井管内下设水泵、安装抽水控制电路——试抽水——降水井正常工作——支护完成后移交土建(封井)三、操作要点及技术要求1、定位:根据设计的井位及现场实际情况,准确定出各井位置,并做好标志,请监理验收,符合要求后方可施工。
需要注意的是,定位时应考虑井位与基础梁、柱等的位置关系。
2、采用循环钻成孔,孔径700mm,用泥浆护壁。
如果场地土质不好时,孔口应设置护筒,以防孔口塌方,并在一侧设泥浆沟、泥浆池。
3、成孔后立即清孔,并安装井管。
井管下入后,滤管应放在含水层的适当范围内,根据设计-3.1—-17.1m范围内均为滤管,并在井管与井壁间填充砾石滤料。
4、安装水泵前应洗井,冲除沉渣,直到井管内排出的水由浑变清,达到正常出水量为止。
5、水泵安装后,对水泵本身和控制系统做一次全面细致的检查,合格后进行试抽水,满足要求后转入正常工作。
6、观察井中地下水位变化,做好详细记录。
四、质量要求1、基坑周围井点应对称,同时抽水,使水位差控制在要求限度内。
2、井管安装应力求垂直并位于井孔中间,井管顶部应比自然地面高出0.5m。
3、降水井管底部要封堵,防止泥砂涌入井内。
4、井管与土壁之间填充的滤料应一次完成,从井底填到井口下1.0m左右,上部用不含砂石的粘土封口。
降水井施工技术交底
1.降水井直径600mm,井深分别为20m和24m。
2.降水井成孔施工时应采取护壁措施,防止塌孔。
3.钻机安装应平稳牢固,钻具应保持垂直,成孔垂直度偏差<1%
4.成孔后应及时下入Φ400mm井管,下管前检查井管质量并应符合
要求。
5.换浆是保证单井出水量大小的关键,钻进成孔后,应循序渐进的
进行换浆工作,逐渐降低泥浆粘度,彻底清除孔底沉渣。
6.下管时应轻提慢放,并应有导正装置,确保井管垂直下入井内,
并使井管居中,以保证井管四周砾料均匀分布。
7.井管安装后应及时填砾,砾料规格3~5mm,砾料不应含土及杂物,
填砾时应沿井管四周均匀连续填入,随填随测,当发现填入数量及深度与计算有较大出入时,应及时找出原因并排除。
8.填砾后立即进行洗井,防止井壁泥浆硬化,造成洗井困难,洗井
后井内沉渣应不上升或基本不上升。
9.成井后进行试抽水,记录流量及水位变化情况。
安全生产交底
1.必须自觉遵守安全生产规章制度,不违章作业。
2.操作工必须经过岗位安全和专业技术培训,熟悉岗位工艺技术和
熟练掌握所用设备的性能,操作规程。
3.特种作业人员必须持国家劳动部门颁发的《特种作业人员操作证》
方可进行相应工程作业,严禁无证上岗。
4.工作中服从指挥,听从分配,坚守岗位,作业时精力要集中,要
互相配合,密切协作。
5.班前严禁饮酒。
6.进入施工现场必须按规定穿好工作服,戴好安全帽,特种作业要
使用专用防护品。
7.在两米以上高空作业时必须系好安全带,安全带悬挂处必须安全
可靠,应高挂低用,不得低挂高用。
8.进入施工区必须遵守下列规定:
a.未经允许,禁止触摸、拉扯输电电线、电缆。
b.禁止擅自合上或拉下电源开关。
c.禁止私接电线。
d.禁止擅自操作、折装本岗位的设备、仪器等。
e.禁止从非安全通道通过。
f.现场严禁吸烟。
g.严禁从正在进行吊装作业的起重机吊臂下和起吊重物的活
动范围内经过或逗留。
h.非气焊操作工严禁开启乙炔气瓶。
i.严禁从基坑边坡向坑内抛扔物品。
9.设备运转时严禁以下行为:
a.跨越、靠近、触摸机械的转动、传动等危险部位。
b.在设备上方传递物件、放置工器具等。
c.擦洗设备。
10.检修设备时,必须断电,开关处派人监护,严防误操作,启动设
备伤人。
CFG桩施工技术交底
1.钻机就位后,应用钻机塔身前后左右的垂直标杆检查钻机塔身导杆,校正位
置,使钻杆垂直对准桩位中心,确保CFG桩垂直度偏差不大于1%。
2.钻孔开始时,关闭钻头阀门,向下移动钻杆至钻头触及地面时,启动马达钻
进。
一般应先慢后快,以减少钻杆的摇晃,及时纠正孔位的偏差。
3.成孔过程中,如发现钻杆摇晃或难钻时,应放慢进尺,否则较易导致桩孔偏
斜、位移。
4.在塔身相应的位置作出醒目标记,作为施工时控制桩长的依据。
5.CFG混合料灌注前,必须检查其坍落度,不符合要求的混合料不得灌入孔内。
6.混合料注入到混凝土泵储料斗时,需经过一定尺寸的过滤栅,防止大块石进
入管内造成堵管。
7.CFG桩成孔到设计标高后,停止钻进,开始泵送料,当钻杆芯管充满混合料
后开始拔管,严禁先提管后泵料。
混合料泵送量与拔管速度相配合,拔管速度应匀速控制,成桩的提拔速度宜控制在2~3m/min。
8.成桩过程宜连续进行,施工中每根桩的投料量不得少于设计灌入量。
9.钻机移位,施工下一根桩时,应根据轴线或周围桩的位置对需施工的桩位进
行复核,以确保桩位准确。
10.施工过程中应认真做好记录,并在施工图上做出标记,防止错打、漏打。
11.施工中必须保证排气阀正常工作,要经常检查排气阀是否堵塞,若发生堵塞
必须及时采取措施加以清洗。
12.施工桩顶标高宜高出设计桩顶标高0.5m。
13.成桩过程中,抽样做混合料试块,每天应做一组(3块)试块,标准养护,
测定其立方体抗压强度。
水泥粉煤灰碎石桩复合地基质量检验标准
喷射混凝土施工技术交底
1.应优先选用硅酸盐水泥或普通硅酸盐水泥,水泥强度等级不应低于3
2.5Mpa。
2.应采用坚硬耐久的中砂或粗砂,粒度模数宜大于2.5。
3.应采用坚硬耐久的卵石或碎石,粒径不宜大于15mm。
4.当工程需要采用外掺料时,掺量应通过试验确定,加外掺料后的喷射混凝土
性能必须满足设计要求。
5.干法喷射混凝土机的性能应密封良好,输料连续均匀。
6.选用的空压机应满足喷射机风压和耗风量的要求,其排风量不应小于
9m3/min。
7.输料管应能承受0.8Mpa以上的压力,并应有良好的耐磨性能。
8.混合料配合比应遵守下列规定:干法喷射水泥与砂、石之重量比宜为
1.0:4.0~1.0:4.5,水灰比宜为0.40~0.45,砂率宜为50%~60%。
9.原材料按重量计,称量的允许偏差应符合下列规定:
水泥和速凝剂均为±2%
砂、石均为±3%
10. 混合料采用人工搅拌时,搅拌次数不得少于3次。
11. 干混合料宜随拌随用,无速凝剂掺入的混合料,存放时间不应超过2h,干混合料掺速凝剂后,存放时间不应超过20min。
12. 喷射前应埋设控制喷射混凝土厚度的标志。
13. 喷射作业前应对机械设备、风、水管路,输料管路和电缆线路等进行全面检查及试运转。
14.喷射作业应分段、分片依次进行,喷射顺序应自下而上。
15. 作业开始时应先送风、后开机、再给料;结束时应待料喷完后,再关风。
16. 喷射机的风压,应满足喷头处的压力在0.1Mpa左右。
17. 喷射作业完毕或因故中断喷射时,必须将喷射机和输料管内的积料清除干净。
18. 喷射手的操作应遵守下列规定:
①喷射手应经常保持喷头具良好的工作性能;。