海信KFR变频空调电路图
- 格式:docx
- 大小:616.27 KB
- 文档页数:10
海信变频空调电路故障分析检修七例(上)□瞿贵荣例1:海信KFR -26W /77VZBP 型空调,加电 开机后外机不工作。
分析检修:检查外机电路板上除电源指示灯 (LED 5 )亮以夕卜,其他指示灯(LED 2~LED 4)均不 亮,外风机不运转,压缩机也不启动。
电源指示灯 亮,说明+310V 电源已送达外机,AC 220V 市电、 滤波电路、高压整流桥堆、直流滤波电容等均正 常,故障多发生在外机辅助开关电源电路,有关 电路如图1所示(开关变压器T 1次级整流滤波 电路未画出)。
测电源开关管Q 1(IRFIBC 20G )的D 极电压为+300V 正常值,表明F 1、L 9、C 30、T 1⑫-⑨绕组等无问题。
检查开关电源芯片I C 4MBS 9855-5001GW/BP②(NCP 1200P 60),发现其电源V C C 端⑥脚电压只 有0.3V ,因此导致开关电源停振不工作。
⑥脚电 压异常有两个原因:一是I C 4⑥脚内部电路损坏; 二是外置滤波电容C 23 (4.7t J L F /25V )不良(漏 电)。
检查C 23已击穿短路,用一只4.7|x F /50V (原耐压25V )电容更换后试机,外机恢复正常工 作,故障排除。
提示:(1)开关电源芯片NCP 1200P 60是一 款使用片内电源的集成电路,不需要从开关变压 器另设绕组进行整流、滤波供电。
该芯片直接代 换芯片型号有:N C P 1200AP 40、NCP 1200P 100、NCP 1203、N CP 1207、NCP 1377、203D 6、LD 7575、 FA 5571N 、FA 5641、FAN 7602 等。
(2)屡烧电源开关管Q 1的故障,多因反峰压吸收网络失效造成, 应重点检查 D 6 (M U R 160)、C 35(222/500V )、R 26(12kn /2W )、ZD 3(P 6KE 180A )等元件。
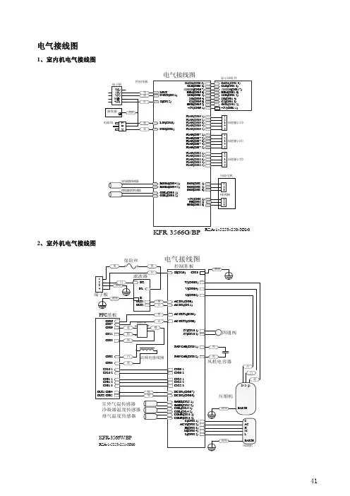
海信空调室外机电源电路和CPU三要素电路详解下图所示为海信KFR-2601GW/BP室外机电控系统电气接线图及实物图(不含压缩机、室外风机、端子排)。
室外机电控系统由主板(室外机控制板)、硅桥、滤波电感、普通电容、滤波电容(电解电容)、模块(功率模块组件)、压缩机、压缩机顶盖温度幵关(压缩机过热保护器)、室外风机(风扇电机)、四通阀线圈、室外环温传感器(外环温度)、室外管温传感器(热交温度)、压缩机排气温度传感器(压缩机排气温度)、端子排组成。
说明:本机开关电源与模块集成在一块电路板上,因此才能为室外机主板供电,其他型号的模块是否供电,由其电路板上电路决定。
—、交流输入电路下图所示为交流输入电路和直流300V电压形成电路的原理图和交流输入电路实物图。
压敏电阻Z102为过电压保护元件,当输入的电网电压过高时击穿,使前端20A保险管熔断进行保护;SA01、Z101组成防雷击保护电路,SA01为放电管;C104、L101, C107、C106、C105组成交流滤波电路,具有双向作用,既能吸收电网中的谐波,防止对电控系统的干扰,又能防止电控系统的谐波进入电网。
常见故障为L101交流滤波电感焊点幵路,交流220V电压不能输送至后级,造成室外机上电无反应故障,室内机主板报出“通信故障”的故障代码。
二、直流300V电压形成电路直流300V电压为幵关电源和模块供电,而模块的输出电压为压缩机供电,因而直流300V电压间接为压缩机供电,所以直流300V电压形成电路工作在大电流状态,电路原理图见下图。
该电路的主要元器件为硅桥和滤波电容,硅桥将交流220V电压整流后变为脉动直流300V电压,而滤波电容将脉动直流300V电压经滤波后变为平滑的直流300V电压为模块供电。
滤波电容的容量通常很大(本机容量为2200uF),上电时如果直接为其充电,初始充电电流会很大,容易造成空调器插头与插座间打火,甚至引起整流硅桥或20A 供电保险管损坏,因此变频空调器室外机电控系统设有延时防瞬间大电流充电电路,本机由PTC电阻PTC501.主控继电器RL505组成。
常见的几种变频通讯电路及其原理介绍各种变频空调器所用的通讯电路,在电路结构及信息传输原理上大同小异,不同品牌、不同机型的空调器通讯电路的主要区别就在于所采用的供电电源有所差别,下面就几种常见的通讯电路及其主要特点分别进行介绍:1、海信KFR-26GW/39BP空调器通讯电路图3所示通讯电路除了被用于海信/39BP系列交流变频空调器外,也适用于海信/06BP、/11BP、/21BP、/22BP、/29BP等系列以及28/BP×2、2601/BP×2、2801/BP×2等一拖二机型交流变频空调器,还适用于多种海信/ ZBP系列直流变频空调器,如:/76ZBP、/77ZBP、/99ZBP等系列。
值得提醒的是在不同机型的电路中元件编号的标示有所不同。
在图3电路中,上半部分为室内机电路,下半部分为室外机电路。
通讯电路的电源取自室内机,220V交流电经R10与R13分压、D6半波整流、ZD1稳压、E02滤波后得到24V直流电压,在R15、R74的限流作用下,通讯回路的工作电流大约在3mA左右。
TH01为正温度系数热敏电阻,可以对回路起到过电流保护的作用。
从接口电路与室内、外机电路的连接方式可以看出,传输中的所有信号脉冲均为正脉冲形式,即:有脉冲时为高电平,无脉冲时为低电平。
除了海信变频空调器外,其他品牌的变频空调器多数也采用此电路形式,只不过有的电路中整流二极管采用反接方式,室外机部分的稳压二极管稳压值为24V,电路中元件参数有所不同,但电路原理完全一致。
需要注意的是,此电路在用直流电压档测量内、外机接线端子时,SI端为正,N端为负,而另一类电路则为N端为正,SI端为负。
2、海信KFR-5001LW/BP空调器通讯电路图4为海信KFR5001LW/BP变频空调器通讯电路。
该电路与图3电路最大的区别在电源部分,通讯回路中没有稳压管,回路的供电电压完全依靠分压值确定。
回路中的R10、R29不仅组成回路的限流电阻,同时又和R23构成电源的分压电路。
看图学习维修空调器电路板(上)第4章继电器驱动和其他常见电路故障第1节继电器驱动电路故障继电器驱动电路以反相驱动器和继电器为核心,其故障在实际维修中也占到一定比例,本节介绍相关维修方法及技巧。
一、继电器线圈开路损坏,压缩机不运行故障说明:海信KFR-25GW空调器,开机后显示板组件上的“电源”、“运行”指示灯亮,但空调器不制冷,检查室外风机运行、压缩机不运行。
图4-1所示为压缩机继电器驱动电路原理图。
1.检查压缩机工作电压如图4-2所示,使用万用表交流电压挡在室外机接线端子处测量压缩机电压,正常电压为交流220V,实测为0V,说明室内机未向压缩机供电;在室内机接线端子上测量压缩机电压仍为0V;根据“运行”指示灯亮判断CPU已输出压缩机控制信号,故障点应在压缩机继电器驱动电路。
2.查看压缩机继电器焊点由于老式主板压缩机继电器线圈焊点容易虚焊造成压缩机无供电故障,因此首先查看焊点是否虚焊,从图4-3可以看出,本例焊点良好,没有虚焊故障。
说明:压缩机继电器有4个引脚,焊点1和焊点2为线圈引脚,焊点3和焊点4为触点引脚。
3.测量线圈两端电压如图4-4所示,遥控开机,使用万用表直流电压挡测量继电器线圈两端电压,正常为直流12V,实测为直流14V(本机主板未设7812稳压集成电路,因此测得的电压随交流220V变化),说明控制电路正常,应重点检查继电器线圈阻值是否正常。
说明:测量时红表笔接②脚,黑表笔接①脚,万用表显示屏显示的数值为正电压,否则显示数值为负电压。
4.测量线圈①脚对地电压如图4-5所示,用遥控器关机但是不拔下空调器电源插头,使用万用表直流电压挡,测量线圈①脚的电压,由于继电器线圈正常时为导通状态且阻值较小,因此正常值约等于12V电压,如果实测结果为0V,可大致判断线圈开路,应断开电源后再使用万用表电阻挡测线圈阻值,本例实测结果为0V,初步判断线圈开路损坏。
5.测量线圈电阻如图4-6所示,断开空调器电源,使用万用表电阻挡测量继电器线圈阻值,正常值为200Ω左右,实测结果为无穷大。
海尔牌变频空调器早期在市场上主要有:KFR-20Gw/(BP)、KFR-28GW/A(BP)、KFR-32Gw/(BP)、KFR-36GW/(BP)、KFR-40Gw/(BP)、KFR-50Lw/(BP)和带有负离子发生器的健康型空调器KFR-25Gw/BP×2(F)、KFR-50LW/(BPF)等。
他们的变频控制原理基本相同,本文主要以KFR-50LW(BP)金元帅柜机王为例,分析控制电路的工作原理,以抛砖引玉。
图1是室内机控制电路原理图,图2是室外机控制电路原理图,两个原理图均是作者依据实物绘制,仅供参考。
一、室内机控制电路原理室内机控制电路采用变频空调专用芯片47C862AN-Gc5l。
该芯片内部除了写入空调器专用程序外,还包含有CPU微处理器、程序存贮器、数据存贮器、输入输出接口和定时计数器电路等电路,可对输入的信号进行运算和比较,根据运算和比较的结果,对室外机、风机、定时、制冷制热、抽湿等工作状态进行控制。
1.ICI(47C862AN-GC51)主要引脚功能(1)35、64脚为供电端,典型的工作电压为+5V。
(2)芯片的32、33、34、39、48、60为接地端。
(3)31脚是蜂鸣器接口。
CPU每接到一次用户指令,31脚便输出一个高电平,蜂鸣器鸣响一次,以告知用户CPU已接到该项指令。
若整机已处于关机状态,遥接器再输出关机指令,蜂鸣器也不响。
(4)36、37、38是温度采集口,其中36、37脚为室内机热交换器温度输入口,38脚为室内温度输入口。
(5)复位电路由20脚和ICl03、R101、D101、C103、C109构成,低电平有效。
空调器每次上电后,复位电路产生一个低电压,使CPU程序复位。
当机器正常工作时,复位端为高电平。
(6)62脚为开关控制端开关控制口(多功能口),低电平有效。
应急运转时,按住电源开关,使该脚连续3秒以上持续高电平,蜂鸣器连响两下,机器即可进入应急运转状态。
第一部分控制原理图第一章控制原理图KFR-25(28、40)GW/BQ直流变频空调器电气控制框图如下所示:第二节控制原理图描述从上面的控制原理图中,可以看出KFR-25(28、40)GW/BQ直流变频空调器的室内机印刷电路板可大致分为以下几个电路单元:开关电源、上电复位电路、晶振电路、过零检测电路、室内直流风机控制电路、步进电机控制电路、温度传感器电路、空气清新控制电路、EEPROM电路、保护电路、显示驱动及遥控接收电路、应急控制电路、通讯电路等;KFR-25(28、40)GW/BQ直流变频空调器的室外机部分可分为如下电路单元:开关电源、上电复位电路、晶振电路、电压检测电路、电流检测电路、过零检测电路、保护电路、电子膨胀阀控制电路、室外直流风机驱动电路、IPM模块驱动电路及位置反馈电路、四通阀控制电路、温度传感器电路、EEPROM电路、通讯电路、电源整流及功率因数调整电路等。
具体描述如下:当室内机接通电源时,室内电源220V AC经EMI电路后,通过桥堆整流、滤波转变为280VDC直流,经开关电源转换输出35VDC、12VDC及5VDC直流电压,为单片机及其外围的电路提供电源。
同时,振荡电路和上电复位电路启动单片机开始工作。
此时,便可接受遥控器的信号,空调器开始检测室内的温度传感器、设定温度以及EEPROM中的数据等,并按照遥控器的设定状态运行;室内风机开始按指定转数运转;步进电机也开始来回摆动(如果步进电机设定为扫风状态);单片机通过显示屏将空调器的运行状态显示在显示屏上,初次上电经过3分钟左右延时,室内功率继电器给室外供电。
室内的单片机通过通讯电路与室外机进行串行半双工通讯通信,物理层为强电载体,强化抗干扰能力。
当室外机得到室内电源后,交流电220V AC经整流及功率因数调整后转换为280VDC直流,滤波输入到开关电源及IPM模块(驱动压缩机)。
经开关电源输出4路15VDC、1路12VDC、1路5VDC 电压供单片机、IPM驱动电路及其外围的电路工作。
海信KFR-60LW36BP型柜式变频空调常见故障检修例1:一台海信KFR-60LW/36BP型立柜式变频空调,开机工作15min后,外机停机。
分析检修:这是一台已使用10年的机器。
曾历经两次搬迁移机,该机外机变频模块驱动电路如下图所示。
上门检查,上电开机。
内/外机均能工作,但是制冷效果不好。
测量低压压力明显偏低,夏季R22冷媒仅有2.3bar,正常应该在4.5bar~6.5bar之间。
由于冷媒不够导致蒸发器管温传感器长时间未达到温度开启了保护。
但加了冷媒后外机反而比原来更快停机,说明不是缺冷媒的问题,后来把冷凝器使用涤尘清洗后也无效果,维修陷入困境。
多次保护停机后断电重启还是会自动停机,再次上电时听见冷媒在蒸发器内流动的声音很微弱,在外机附近明显听见临近停机状态时压缩机声音越来越沉,使用钳表测其压缩机电流也是越来越大。
恍然大悟,故障原因是过电流保护。
为什么会是过电流保护,压缩机故障会导致电流变大?但是每次刚开机声音越来越大,说明不是压缩机问题。
另外,停机平衡压力时间比较长,平衡后按压三通截止阀维修口都有大量冷媒喷出,压力也比较大,说明与冷媒无关。
为什么冷媒压力这么低,系统可能是“堵”了才导致冷媒高低压压力差大,压缩机负荷重,流过压缩机电流变大,出现过电流保护。
再次上电开机使用万用表测量如图所示的外机CPU的⑩脚,发现刚开机电压在0.8V~1.3V之间,一旦该电压达到2.4V(也就是工作电流达到24A左右),外机就保护停机。
而该脚就是压缩机过流保护输入至外机CPU的参考电压脚,用于保护空调避免过电流损坏模块、压缩机等。
回收R22冷媒。
细查后发现毛细管堵塞,使用高压氮气吹污疏通后,故障排除。
抽真空,充注冷媒至低压压力5.5bar,运行时电流为11.8A,外机CPU保护脚电压为1.2V,机器恢复正常。
从本例可以得知,机器经多次移机,如果安装时不注意操作规范就很容易导致些污物(例如穿墙孔的泥沙等)进入管路内。
看图学习维修空调器电路板(上)五、7812损坏,整机不工作故障说明:东洋KFR-35GW。
空调器,整机不工作,导风板不能自动复位,测量空调器插头阻值为294Ω,插座交流220V电压正常,说明变压器正常。
导风板不能自动复位说明CPU没有工作,应当首先测量工作电压5V是否正常。
图2-27所示为电路原理图。
1.测量直流5V电压如图2-28所示,使用万用表直流电压挡,黑表笔接7805的表面铁壳(铁壳为地端,相当于接②脚),红表笔接③脚输出端,正常电压为直流5V。
实测电压为直流0V,应当测量国脚输入端电压是否正常。
2.测量直流,2V电压仍然使用万用表直流电压挡,如图2-29所示,黑表笔不动,红表笔测量7805的①脚输入端,电压由7812输出端直接供给,正常为直流12V。
实测电压为0V,应当测量7812输入端电压是否正常。
3.测量7812输入端电压如图2-30所示,使用万用表直流电压挡,黑表笔不动(7805和7812的铁壳都是接地,在主板上是相通的),红表笔接7812的①脚输入端,电压由变压器次级经整流和滤波电路提供,正常约为直流16V。
实测为直流18V,说明前级整流电路正常,为7812损坏或12V 负载有短路故障。
4.测量12V对地阻值如图2-31所示,使用万用表电阻挡,黑表笔不动仍旧接地,红表笔接7812的③脚输出端,正常阻值为数十千欧,实测结果说明对地负载电阻正常,可大致判断7812损坏。
说明:12V对地阻值,主板不同结果也不相同,图中数值为实测结果。
5.短接7812的①脚和③脚使用引线短接7812的①脚和③脚,万用表直流电压挡黑表笔接7805的②脚,红表笔接③脚,实测电压为直流5V,确定7812损坏。
操作过程及测量结果如图2-32所示。
维修措施:更换7812稳压集成电路,如图2-33所示,上电后导风板自动关闭,测量7812输出端电压为直流12V、7805输出端电压为直流5V,遥控开机,空调器开始运行,制冷恢复正常。
海尔牌变频空调器早期在市场上主要有:KFR-20Gw/(BP)、KFR-28GW/A(BP)、KFR-32Gw/(BP)、KFR-36GW/(BP)、KFR-40Gw/(BP)、KFR-50Lw/(BP)和带有负离子发生器的健康型空调器KFR-25Gw/BP×2(F)、KFR-50LW/(BPF)等。
他们的变频控制原理基本相同,本文主要以KFR-50LW(BP)金元帅柜机王为例,分析控制电路的工作原理,以抛砖引玉。
图1是室内机控制电路原理图,图2是室外机控制电路原理图,两个原理图均是作者依据实物绘制,仅供参考。
一、室内机控制电路原理室内机控制电路采用变频空调专用芯片47C862AN-Gc5l。
该芯片内部除了写入空调器专用程序外,还包含有CPU微处理器、程序存贮器、数据存贮器、输入输出接口和定时计数器电路等电路,可对输入的信号进行运算和比较,根据运算和比较的结果,对室外机、风机、定时、制冷制热、抽湿等工作状态进行控制。
1.ICI(47C862AN-GC51)主要引脚功能(1)35、64脚为供电端,典型的工作电压为+5V。
(2)芯片的32、33、34、39、48、60为接地端。
(3)31脚是蜂鸣器接口。
CPU每接到一次用户指令,31脚便输出一个高电平,蜂鸣器鸣响一次,以告知用户CPU已接到该项指令。
若整机已处于关机状态,遥接器再输出关机指令,蜂鸣器也不响。
(4)36、37、38是温度采集口,其中36、37脚为室内机热交换器温度输入口,38脚为室内温度输入口。
(5)复位电路由20脚和ICl03、R101、D101、C103、C109构成,低电平有效。
空调器每次上电后,复位电路产生一个低电压,使CPU程序复位。
当机器正常工作时,复位端为高电平。
(6)62脚为开关控制端开关控制口(多功能口),低电平有效。
应急运转时,按住电源开关,使该脚连续3秒以上持续高电平,蜂鸣器连响两下,机器即可进入应急运转状态。
海尔变频空调电路原理及图纸海尔变频空调电路原理及图纸海尔牌变频空调器早期在市场上主要有:KFR-20Gw/(BP)、KFR-28GW/A(BP)、KFR-32Gw/(BP)、KFR-36GW /(BP)、KFR-40Gw/(BP)、KFR-50Lw/(BP)和带有负离子发生器的健康型空调器KFR-25Gw/BP×2(F)、KFR-50LW/(BPF)等。
他们的变频控制原理基本相同,本文主要以KFR-50LW(BP)金元帅柜机王为例,分析控制电路的工作原理,以抛砖引玉。
图1是室内机控制电路原理图,图2是室外机控制电路原理图,两个原理图均是作者依据实物绘制,仅供参考。
一、室内机控制电路原理室内机控制电路采用变频空调专用芯片47C862AN-Gc5l。
该芯片内部除了写入空调器专用程序外,还包含有CPU 微处理器、程序存贮器、数据存贮器、输入输出接口和定时计数器电路等电路,可对输入的信号进行运算和比较,根据运算和比较的结果,对室外机、风机、定时、制冷制热、抽湿等工作状态进行控制。
1.ICI(47C862AN-GC51)主要引脚功能(1)35、64脚为供电端,典型的工作电压为+5V。
(2)芯片的32、33、34、39、48、60为接地端。
(3)31脚是蜂鸣器接口。
CPU每接到一次用户指令,31脚便输出一个高电平,蜂鸣器鸣响一次,以告知用户CPU 已接到该项指令。
若整机已处于关机状态,遥接器再输出关机指令,蜂鸣器也不响。
(4)36、37、38是温度采集口,其中36、37脚为室内机热交换器温度输入口,38脚为室内温度输入口。
(5)复位电路由20脚和ICl03、R101、D101、C103、C109构成,低电平有效。
空调器每次上电后,复位电路产生一个低电压,使CPU程序复位。
当机器正常工作时,复位端为高电平。
(6)62脚为开关控制端开关控制口(多功能口),低电平有效。
应急运转时,按住电源开关,使该脚连续3秒以上持续高电平,蜂鸣器连响两下,机器即可进入应急运转状态。
第一部分控制原理图第一章控制原理图KFR-25(28、40)GW/BQ直流变频空调器电气控制框图如下所示:第二节控制原理图描述从上面的控制原理图中,可以看出KFR-25(28、40)GW/BQ直流变频空调器的室内机印刷电路板可大致分为以下几个电路单元:开关电源、上电复位电路、晶振电路、过零检测电路、室内直流风机控制电路、步进电机控制电路、温度传感器电路、空气清新控制电路、EEPROM电路、保护电路、显示驱动及遥控接收电路、应急控制电路、通讯电路等;KFR-25(28、40)GW/BQ直流变频空调器的室外机部分可分为如下电路单元:开关电源、上电复位电路、晶振电路、电压检测电路、电流检测电路、过零检测电路、保护电路、电子膨胀阀控制电路、室外直流风机驱动电路、IPM模块驱动电路及位置反馈电路、四通阀控制电路、温度传感器电路、EEPROM电路、通讯电路、电源整流及功率因数调整电路等。
具体描述如下:当室内机接通电源时,室内电源220V AC经EMI电路后,通过桥堆整流、滤波转变为280VDC直流,经开关电源转换输出35VDC、12VDC及5VDC直流电压,为单片机及其外围的电路提供电源。
同时,振荡电路和上电复位电路启动单片机开始工作。
此时,便可接受遥控器的信号,空调器开始检测室内的温度传感器、设定温度以及EEPROM中的数据等,并按照遥控器的设定状态运行;室内风机开始按指定转数运转;步进电机也开始来回摆动(如果步进电机设定为扫风状态);单片机通过显示屏将空调器的运行状态显示在显示屏上,初次上电经过3分钟左右延时,室内功率继电器给室外供电。
室内的单片机通过通讯电路与室外机进行串行半双工通讯通信,物理层为强电载体,强化抗干扰能力。
当室外机得到室内电源后,交流电220V AC经整流及功率因数调整后转换为280VDC直流,滤波输入到开关电源及IPM模块(驱动压缩机)。
经开关电源输出4路15VDC、1路12VDC、1路5VDC 电压供单片机、IPM驱动电路及其外围的电路工作。
海信KF(R)变频空调电路图海信KF-2809GW/BP改进的有关数据KF-2809GW/BP改三王:言并芒芙海信KF-2809GW/BP 室内外机电路图RZA-I 5251-34 I XX-OACNuN str i Lj 1 3 I :弋:1 -1;3 1 1 ;、TF11 ■■91 .1 1LzB tx e>京外机_______ 泗艸ttcuvcrx >01 i> e»c«vcezirt 1) AC rxitTTio?l “ «X5<C« •••€-•A€ Otlt »ICt >»l> AC <HJ»3ftKCKOH X1C Wl I)OCISV«CNI0 I OC«V<C)£IO >»vurv<CN«5 I) WF•«•*«» 3} VVrCtCN* , 4>vv*i<rMi».s ) KTKW ,» vw viee (Cei VKI trMaB.i •>HSWvurc (CK«J.i VUFI<CK«2.2 vvr«c*»l • wyucv«7 *' Vf<<CX20l.t> GMn (CX3»l.9> a (cz»<4 4) Y<C£XV1 ・”・••W4CZ>OI ” V<C2>OI •> v<c/rm *>•■ ▼:" 16”ucavr ncTiMi"rr (CM02 . vw raioo: • VMC (CMOS IQ VMMCMVt * t V<CX4U y fi< 30«l 4- UlC H<s» V»*C<CMM I 0ND<eXQI If • SV(CMO|.» Z(CM0«.4) YtC NOl.Sl X<CMO» • >W (CX»>I.T> v<c MOI at X (91)4C<CXS0l :〉 兄 CN,O :->>—…<> I «€*«♦ • « ,:2 < :4C< JOI 打 T»fr nxo«cx :。
, 11 : ------------------ f — C 4» 1II _ a-- 一 AC • ----------------------------------------- M -「 ----------------- L---------------- FASSC CZ1O1CZ4O1开爰:HtHUIkCOIL ROOM o控制花板PRV DISPLAY PULSE IM C2S01 CZ3OiCZ4O2MICCOft c«:e) l> C<C1 ・<HT l<r u H»< :Icott cr::? :•■eowr ex »•:・QAlKhCZ •• d%!Xt<C2 3 i<BSD -----------------------CEZ^ »vnxauiLriCW a陛J F tv IH-二一p<1—AMI——C!VAMV A*l Z AMI v< • Ml AM Z W ♦X WK 40 AN? W M II 绚KnF*2 KW -R Wl JNT!u»xouir XIMf* M0 rn Fl» ru J”i r■1TTTTTZr1:8 I) 0; 14 «M 15 09KF-2809G/BP室内控制療理图RZA-0-5172-452-YL-0115LnDl» IM«ul>4G4VU IIVII ,07t>» IXKAUnXWIXTVTg l»l4时'.'••'ICI<Tlulaw 4IU*KF ・28O9\WEP控制基板原理图R2A-0-5172-453-YL-0O^A-ESr^lS-O-VZ^l gltlIMWUKV MHi'lk :DMI.nX41 JM1UU k■ ■ b ▲Js 86ae m 二0»a •卜I'AI I T<n«T-XUN Ct»M屮w.1J -*l ll»«H•U3KVZH-3C.-I5CIZM1 4?I*14K«T50>CTK7二 • - : :二L& 曰 OC S&Z2OOG2W UX 玄 】・亍X 3・・.OX 】 9・記/6・353・3/1.5 BB 机附件ifegg/W 大几长应2*海信KFR-2809GW/BP 变频空调整机性能指标KFR-28O9GW/BP 改进的有关说2月ME 机性能拒标 额定EER KFR ——28O9GWZBI>22OV / SOI lx分佑热C 17OV U2S3Vk\V~kW kW kW 2・§6・9二3・4 相 _________J H F bi彌定定纲点rfe 渝/冠人龟沛空内岚廂轻速{茴/斤“/彳氐亍 空夕卜凤后转連疋行颓率池田 <i& 大/逑刁、3 立內航噪吞 <屜大/斑不了 运夕卜机噪呑 < /T4天/.屉八・〉 叔走输入功郴 ■入功¥值国 二V {定 COP丽环凤*电流/J&犬庖JJESK 内Qg 转:qg CK/中/4氐〉]垂处皿吆纽迄石细卒ygBM CJft 大/圾小》 左内机噪杳 <:赧头加不〉 盘夕卜机叹屈L "TM 大/握小〉 电加热坯密 ]一冋蹄垢怖也流Hz m 3/h A I./H片 / mix 、v/min H KCIB a)ciB a\〉 kW kW kWI ・O 月 C ・ 5O~ I • 93270 — 72 450WB19*C6. 0/10. O 1. 21^30/1 7 00/- 1600 78030— 120 41/34 — 43/4 £~ 3. 8O. ------- 4. B 1・45 0・4b~】・98450m /h A "/"'in r/m 1nH Nnl'>< \)dn </\ • kW* 夕卜:D»35*C?WB24-C約乃辽淤八式\ : W.空内=DB2O-CWB16X?它夕卜=DB7 X :*WBTSX?7. 40/10. O lf ;50/1700/l€>00 780】NO30 4】/3与 48/41HMJ 冷.JI 6—43删畑 Y15R22/O ・ 73 7・3 33 0—H x SO5 X 2;O270 x =50 x 三 g- ___ :30二]—HgyUVff耳;tffrsat<OT502>DCS 2V<C^ 1O«. »>0XW<«Nlg. * > $Z、<C'Ti<»5> W2<C1'IO^>zvcr oc/i-1«^»- A<> I)■AC' cnrraVl?CcCiC2O>. I> <«M1><CT>C2<> >. U>Y、wmo i.NYN2m -•» VfCx^3«>» •、•X<CZ3OI.O»W<C3*2OI.7.V«'X2OI.M» ■_yz九"w IX:IWI<C-|-|<>3»•、/« *rwto. ■ > MVCC-fV ■<* “oc rw2ccmoz>E/MITf i ccrrtof ><x*u XI(OKCXXl KKC-X 902 2> ro«】・dM. >» <7O< JO< "M.PCTX E—• >C-ON<n<C^ 20-4.2 >•- t 、A ■ Hd5・2TV4<< X5<> I.小・<0X502. I» <CZ5O2.2> *1 ><14X^tCXCiCVV?I*O<CMI S. 1> v< •>*•<c •wr< -<CJWI ,.4WT-l«-hZI5VW Kigw 5.VW f ・ <・Z vr«- «zwi s.io» VfMI <<? NIS. I i>VUB*<2< <?roo. > 5 儿•Y.csmn.N: WlK-<Wft« ZON ・» VTVW* •<•« ・T・r・H. • > VW n«rt<O2 « > VWCfOOJ. iovr«« << • tsxn. B t.w<c ・zo “V«-fQO-<> :■</<< rs»s> -vncvuT^oi ・ i >DZTAVZOl ・=> •svyzo・・d,戈《crsx》i. «i>Y<CT?<OI.»> X4Cb»i.<fc>^VK • >K>■・ V>URBir5K XNA-■・CN仔3-NQN-XX_OW O<9*1*1 A<7 CMJTiy<;u■so*>!.<*> •>c<-NO I >W«TM» 1>•'■K ;fJWSMXTTMTrie Ml»nr HI >B >K Cr»^TS**mu:踽丄瀛Xs ;:.|• T iKF-2809G/BP室内控制據理图TODISMAY*uon -IzHiw yCgEO x>««n<r;—s KA»HV»>-*!» WU 心 %C O S L >-屮i2^j5Esr海信KFR-2809GW/BP变频空调控制基板图RZA-0-5172-453-YL-0 KFR-2809W/BP控制基板原理阳。