金属板材拉伸试验标准试样尺寸
- 格式:doc
- 大小:71.00 KB
- 文档页数:2
金属(棒材)拉伸试样图纸
常用的金属拉伸短试样。
直径5mm,标距25mm,短试样,两端带有M10螺纹。
螺纹可根据拉伸试验机夹具螺纹改动。
图纸符合国标及ASTM E8M标准(公制单位)对短试样的要求。
但不满足ASTM E8(英制单位)的要求,英制标准规定试样的直径为4mm或6mm,无直径5mm试样。
试样直线段及圆弧过渡部分须进行磨削处理,不得有车刀痕等伤痕。
金属板材拉伸试样
常用的金属拉伸短试样。
图纸符合国标及ASTM E8M标准(公制单位)对短试样的要求。
试样的两个窄边,即,带有表面粗糙度Ra3.2μm要求的位置,不能仅保留线切割加工痕迹,需要采用数控机床磨削或铣削至Ra3.2μm或以下,否则会影响断后伸长率的测试结果。
金属材料室温拉伸试验方法 GB/T228-2002金属材料室温拉伸试验方法GB中华人民共和国国家标准GB/T228-2002eqv ISO 6892:1998金属材料室温拉伸试验方法Metallic materials——Tensile testing at ambient temperature发布GB/T228-2002目次前言ⅢISO前言Ⅳ1 范围12 引用标准13 原理14 定义15 符号和说明56 试样67 原始横截面积(So)的测定78 原始标距(Lo)标记79 试验设备的准确度710 试验要求811 断后伸长率(A)和断裂总伸长率(At)的测定812 最大力总伸长率(Agt)和最大力非比例伸长率(Ag)的测定913 屈服点延伸率(Ae)的测定914 上屈服强度(ReH)和下屈服强度(ReH)和下屈服强度(ReL)的测定1015 规定非比例延伸强度(Rp)的测定1016 规定总延伸强度(Rt)的测定1117 规定残余延伸强度(Rr)的验证方法1118 抗拉强度(Rm)的测定1119 断面收缩率(Z)的测定1220 性能测定结果数值的修约1421 性能测定结果的准确度1422 试验结果处理1523 试验报告15附录A(标准的附录)厚度0.1mm~<3 mm薄板和薄带使用的试样类型16附录B(标准的附录)厚度等于或大于3mm板材和扁材以及直径或厚度等于或大于4mm线材、棒材和型材使用的试样型17附录C(标准的附表录)直径或厚度小于4mm线材、棒材和型材使作的试样类型20附录D(标准的附录)管材使用的试样类型21附录E(提示的附录)断后伸长率规定值低于5%的测定方法24附录F(提示的附录)移位方法测定断后伸长率24附录G(提示的附录)人工方法测定棒材、线材和条材等长产品的最大力总伸长率25附录H(提示的附录)逐步逼近方法测定规定非比例延伸强度(Rp)26附录I(提示的附录)卸力方法测定规定残余延伸强度(Rr0。
金属材料-拉伸试验-标准试样类型及尺寸————————————————————————————————作者: ————————————————————————————————日期:金属材料拉伸试验标准试样类型及尺寸编制:审核:批准:生效日期:受控标识处:分发号:发布日期:2016年9月27日实施日期:2016年9月27日制/修订记录序号更改原因更改内容简述更改日期版本号备注1 新增程序2016-9-27 A.01.0 目的本文件规定了常温下金属材料拉伸试验标准试样的类型,形状及其尺寸测量。
2.0 范围适用于本公司常温下金属材料的拉伸试验所需的比例试样制备。
3.0 规范性应用文件下列文件对于本文件的作用是必不可少的。
凡是注日期的应用文件,仅注日期的版本适用于本文件。
凡是不注日期的应用文件,其最新版本(包括所有的修改单)适用于本文件。
3.1 G B/T 2975 钢及钢产品 力学性能试验取样位置和试样制备 3.2 GB /T 8170 数值修约规则与极限数值的表示和判定 3.3 GB/T 10623 金属材料 力学性能试验术语4.0 术语和定义4.1 试件/试样test p iec e/s pecime n通常按照一定形状和尺寸加工制备的用于试样的材料或部分材料。
4.2 标距g auge leng th用于测量试样尺寸变化部分的长度。
4.3 原始标距ori gin al gau ge length在施加试验力之前的标距长度。
4.4 断后标距final gau ge len gth a fter f racture试样断裂后的标距长度。
4.5 平行长度parall el l eng th试样两头部或加持部分(不带头试样)之间平行部分的长度。
4.6 断面收缩率per ce ntage redu ctio n of a rea断裂后试样横截面积的最大缩减量(S 0-S u)与原始横截面积(S0)之比的百分率。
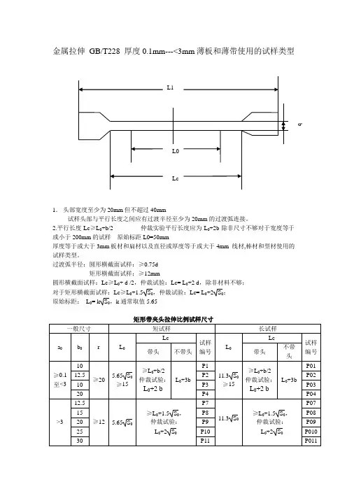
金属拉伸GB/T228 厚度0.1mm---<3mm薄板和薄带使用的试样类型1.头部宽度至少为20mm但不超过40mm试样头部与平行长度之间应有过渡半径至少为20mm的过渡弧连接。
2.平行长度Lc≥L0+b/2 仲裁实验平行长度应为L0+2b除非尺寸不够对于宽度等于或小于200mm的试样原始标距L0=50mm厚度等于或大于3mm板材和扁材以及直径或厚度等于或大于4mm 线材,棒材和型材使用的试样类型。
过渡弧半径:圆形横截面试样:≥0.75d矩形横截面试样:≥12mm圆形横截面试样:Lc≥L0+ d /2,仲裁试验:Lc= L0+2 d,除非材料不够;对于矩形横截面试样:Lc≥L0+1.5S0,仲裁试验:Lc= L0+2S0;原始标距:L0= k S0,k通常取值5.65矩形带夹头拉伸比例试样尺寸注:如相关产品标准无具体规定,优先采用短试样(比例系数k=5.65)的比例试样。
若比例标距小于15 mm,建议采用非比例试样。
GB/T 1040塑料拉伸性能的测定试样尺寸试样类型1A 1BL3—总长度≥150L1—窄平行部分的长度80±2 60.0±0.5 r—半径20到25 ≥60 L2—宽平行部分间的距离104到113 106到120 b2—端部宽度20±0.2b1—窄部分宽度10±0.2h—优选厚度4±0.2L0—标距50.0±0.5L—夹具间的初始距离115±1 (L2)0+5由于某种原因不能制成1A或1B,则可用小试样代替试样类型1BA 1BBL3—总长度≥75 ≥30L1—窄平行部分的长度30±0.5 12±0.5 r—半径≥30 ≥12 L2—宽平行部分间的距离58±2 23±2b2—端部宽度10±0.5 4±0.2 b1—窄部分宽度5±0.5 2±0.2 h—厚度≥2 ≥2L0—标距25±0.5 10±0.2GB/T 1040塑料拉伸性能的测定试样类型5A 5BL2—总长度≥75 ≥35b2—端部宽度12.5±1 6±0.5 L1—窄平行部分的长度25±1 12±0.5 b1—窄部分宽度4±0.1 2±0.1 r1—小半径8±0.5 3±0.1 r2—大半径12.5±1 3±0.1 L0—标距20±0.5 10±0.2 L—夹具间的初始距离50±2 20±2由于某种原因不能制成1A或1B,则可用小试样代替h—厚度≥2 ≥1GB/T 9431-00塑料弯曲性能试验方法试样推荐试样单位为(mm)长度l=80±2宽度b=10.0±0.2厚度h=4.0±0.3其它试样当不可能或不希望采用推荐试样时,须符合下面的要求。
⾦属拉伸试验试样lo⼩于25mm,为保证测量精度,亦可采⽤。
但在特殊情况下,根据产品标准或双⽅协议要求采⽤lo=4do或8do的试样时,亦应遵照执⾏。
此时,对矩形试样,lo应分别等于4.52根号Fo或9.04根号Fo,对于脆性材料,亦可采⽤lo=2.50d。
或2.82根号Fo的试样。
3.5 定标距试样系原始标距lo与原始横截⾯积Fo或直径间do间⽆3.4所述⽐例关系。
其标距lo和平⾏长度l,应按有关标准或双⽅协议规定执⾏。
3.6 拉伸试样的分类3.6.1 棒材试样对棒材(包括⽅和六⽅形等),⼀般采⽤圆形试样,其平⾏部分直径通常为3~25mm。
⽽各部分尺⼨之允许偏差及表⾯加⼯粗糙度符合图1的和表2的规定。
对钢、铜材通常采⽤do=10mm,lo=5do的⽐例试样,但有时为了考核产品的整体性能,也可取制do>25mm或尽可能⼤的圆形试样进⾏试验。
通常铝材尺⼨偏⼩,试样可按有关标准或双⽅协议规定执⾏。
对软⾦属,经双⽅同意,可采⽤较低表⾯粗糙度,但对⾼强材料,则要求⾼的加⼯表⾯粗糙度,直⾄抛光。
试样分为带头不带头的两种,仲裁试验时应采⽤前者,后者⼀般⽤于不宜或不经机加⼯⽽整拉的棒材。
3.6.2 板材试样对厚、薄板材,⼀般采⽤矩形试样,其宽度根据产品厚度(通常为0.10~25mm),采⽤10、12.5、15、20、25和30mm六种⽐例试样,尽可能采⽤lo=5.65⽽的短⽐例试样。
试样厚度⼀般应为原轧制厚度,但在特殊情况下也允许多号⽤四⾯机加⼯的试样。
通常试样宽度与厚度之⽐不⼤于421或821,其试样按表10规定散制,对铝钱材则⼀般可采⽤较⼩宽度。
对厚度⼩于0.5mm的薄板(带),亦可采⽤定标距试样。
试样各部分允许机加⼯偏差及侧边加⼯粗糙度应符合图2和表3的规定,对四⾯机加⼯的矩形试样,其机加⼯偏差应⽤于圆形试样,如表2所⽰。
根据有关标准要求,对厚钢板亦可取制垂直轧制⾯(Z向)的拉伸试样,此时应按钢板厚度及表2的规定,采⽤带头圆形试样为宜。
lo小于25mm,为保证测量精度,亦可采用。
但在特殊情况下,根据产品标准或双方协议要求采用lo=4do或8do的试样时,亦应遵照执行。
此时,对矩形试样,lo应分别等于根号Fo或根号Fo,对于脆性材料,亦可采用lo=。
或根号Fo的试样。
定标距试样系原始标距lo与原始横截面积Fo或直径间do间无所述比例关系。
其标距lo和平行长度l,应按有关标准或双方协议规定执行。
拉伸试样的分类棒材试样对棒材(包括方和六方形等),一般采用圆形试样,其平行部分直径通常为3~25mm。
而各部分尺寸之允许偏差及表面加工粗糙度符合图1的和表2的规定。
对钢、铜材通常采用do=10mm,lo=5do的比例试样,但有时为了考核产品的整体性能,也可取制do>25mm或尽可能大的圆形试样进行试验。
通常铝材尺寸偏小,试样可按有关标准或双方协议规定执行。
对软金属,经双方同意,可采用较低表面粗糙度,但对高强材料,则要求高的加工表面粗糙度,直至抛光。
试样分为带头不带头的两种,仲裁试验时应采用前者,后者一般用于不宜或不经机加工而整拉的棒材。
板材试样对厚、薄板材,一般采用矩形试样,其宽度根据产品厚度(通常为~25mm),采用10、、15、20、25和30mm六种比例试样,尽可能采用lo=而的短比例试样。
试样厚度一般应为原轧制厚度,但在特殊情况下也允许多号用四面机加工的试样。
通常试样宽度与厚度之比不大于421或821,其试样按表10规定散制,对铝钱材则一般可采用较小宽度。
对厚度小于的薄板(带),亦可采用定标距试样。
试样各部分允许机加工偏差及侧边加工粗糙度应符合图2和表3的规定,对四面机加工的矩形试样,其机加工偏差应用于圆形试样,如表2所示。
根据有关标准要求,对厚钢板亦可取制垂直轧制面(Z向)的拉伸试样,此时应按钢板厚度及表2的规定,采用带头圆形试样为宜。
必要时,可焊钢板于两端,以利夹持。
对中、薄高强度板材,亦可采用头部带销孔的试样,以免其在拉伸过程中的卷曲现象。
金属拉伸试验试样GB 6397-86金属拉伸试验试样GB 6397-86本标准规定了各种金属产品常温拉伸试验用试样的一般要求,试样应按有关标准或双方协议的规定选用。
本标准适用于钢铁和有色金属材料的通用拉伸试样。
如无特殊规定,棒、型、板(带)、管:线(丝)、铸件、压铸件和锻压件的试样,均按本标准规定执行。
1样坯的切取、试样的制备及标志1.1样坯从制品上切取的部位和方向应按GB2975-82《钢材力学及工艺性能试验取样规定》、有关标准或双方协议的规定执行。
1. 2切取样坯和机加工试样,均应严防因冷加工或受热而影响金属的力学性能,通常以在切削机床上进行为宜。
因烧割或冷剪法切取样坯时,边缘应留有足够的机加工余量,一般不小于制品的厚度,最低不小于20mr 但对薄板(带)等则为例外,详见GB2975- 82。
机加工试样时,切削、磨削深度及润滑(冷却)剂应适当,最后一道切、磨削深度不宜过大,以免影响性能。
建议保留机加工中心孔,以便必要时重新修整。
1. 3从外观检查合格的板材、扁材或带材上切取的矩形样坯,一般应保留其原表面层,不予损伤。
试样毛刺须清除,尖锐棱边应倒圆,圆弧半径不宜过大。
由盘卷上切取的线和薄板、(带)试样,允许校直或校平,但矫正不得对试样的力学性能有显著影响。
对不测定伸长率的试样,则可不经矫正进行试验。
1. 4不经机加工单铸试样表面上的夹砂、夹渣、毛刺、飞边等,必须加以清除。
1. 5凡不符合本标准所规定的各项要求,表面有显著横向刀、磨痕或机械损伤,有明显淬火变形或裂纹以及肉眼可见冶金缺陷的试样,均不允许用于试验。
1. 6试样标志一般应标在头部端面或侧边上(对小截面试样,可挂标志牌),以便试验时易于辨识。
2试样的符号、名称及单位(见表1)3试样形状及尺寸的一般规定3. 1拉伸试样分为比例和定标距两种,一般为经机加工试样和不经机加工的全截面试样,其横截面通常为圆形、矩形、异形以及不经机加工的全截面形状。
金属拉伸试样一、拉伸试样的分类(一)按产品形状分类拉伸试样按金属产品形状的不同可以分为板材(薄带)试样、棒材试样、管材试样、线材试样、型材试样以及铸件试样等种类。
根据其形状及试验目的的不同,试样可以进行机加工,也可以采用不经加工的原始截面试样。
对试样尺寸有一定规定,其形状分为圆形、矩形、异形及全截面。
同时试样又分为带头试样和不带头试样。
对机加工带头的圆形和矩形试样,平等部分和头部的过渡要缓和,圆弧半径r的大小可按试样的尺寸、材质和机加工工艺而定。
对脆性材料,r可适当放大。
试样头部的形状和尺寸应按试样大小、材料性能及试验机情况而定。
对带头和不带头的圆形或矩形试样,其夹持部分的长度至少应为楔形夹具长度的3/4。
(二)(二)按Lo与So的关系分类试样分为比例和定标距两种。
由于同一种材料测定的断后伸长率A值与K=Lo/的比值有关,因此,K值相同的试样称为比例试样。
通常把K=5.65A。
根据Lo=称为短比例试样,记为A;K=11.3称为长比例试样,记为11.3可知:圆截面短(长)比例试样的标距为5d(10d):矩形截面短(长)比例试样的标距为5.65 11.3 。
试验时,一般优先选用短比例试样,但要保证原始标距不小于15mm,否则,建议采用长比例试样或其他类型试样。
对于截面较小的薄带试样以及某些异型截面试样,由于其标距短或截面不用测量(例如:只测定延伸率)可以采用Lo为50mm、100mm、200mm的定标距试样。
非比例试样测定的断后伸长率应在其符号下角注明标距的长度,即用“A mm”表示。
它的标距与试样截面不存在比例关系。
二、试样的形状及尺寸常温拉伸试验符号名称和单位a 矩形、弧形试样或管壁的原始厚度au 矩形试样拉断后缩颈处的最小厚度b 矩形或弧形试样平等长度部分的原始厚度bu 矩形试样拉断后缩颈处的最大宽度d 圆形试样平等长度部分的原始直径du 圆形试样拉断后缩颈处的最小直径D 圆管试样原始外直径Lt 试样总长度L C 平行长度。
金属材料拉伸试验标准试样类型及尺寸The pony was revised in January 2021金属材料拉伸试验标准试样类型及尺寸编制:审核:批准:生效日期:受控标识处:分发号:发布日期:2016年9月27日实施日期:2016年9月27日制/修订记录目的本文件规定了常温下金属材料拉伸试验标准试样的类型,形状及其尺寸测量。
范围适用于本公司常温下金属材料的拉伸试验所需的比例试样制备。
规范性应用文件下列文件对于本文件的作用是必不可少的。
凡是注日期的应用文件,仅注日期的版本适用于本文件。
凡是不注日期的应用文件,其最新版本(包括所有的修改单)适用于本文件。
GB/T 2975 钢及钢产品力学性能试验取样位置和试样制备GB/T 8170 数值修约规则与极限数值的表示和判定GB/T 10623 金属材料力学性能试验术语术语和定义试件/试样test piece/specimen通常按照一定形状和尺寸加工制备的用于试样的材料或部分材料。
标距gauge length用于测量试样尺寸变化部分的长度。
原始标距original gauge length在施加试验力之前的标距长度。
断后标距final gauge length after fracture试样断裂后的标距长度。
平行长度parallel length试样两头部或加持部分(不带头试样)之间平行部分的长度。
断面收缩率percentage reduction of area断裂后试样横截面积的最大缩减量(S 0-S u )与原始横截面积(S 0)之比的百分率。
0U 00S -S =100%Z X S 符号和说明与试样相关的符号及说明如下:表1 符合和说明试样形状和尺寸一般要求试样的形状与尺寸取决于要被试验的金属产品的形状和尺寸。
通常从产品,压制坯或铸件切取样坯经机械加工制成试样。
但具有恒定横截面的产品(型材,棒材,线材等)和铸造试样(铸铁和铸造非铁合金)可以不经机加工而进行试验。
金属拉伸试样要求
金属拉伸试样通常有以下要求:
尺寸规格:拉伸试样的尺寸应符合标准规定或实验要求,通常包括长度、宽度和厚度等参数。
表面质量:试样表面应光滑、无裂纹、划痕和明显的锈蚀等缺陷,以确保试验结果的准确性。
标识:试样应标有相关信息,如材料类型、批次号等,以便追溯和识别。
制备:试样制备时应遵循标准程序或者确保制备过程不会影响试验结果,包括切割、刨平、抛光等处理。
取样:应在材料代表性良好的位置取样,避免明显的缺陷和变形。
试验条件:拉伸试验的条件,如拉伸速度、温度等,应根据具体标准或实验设计确定。
记录:应记录试验前后的尺寸、质量、外观等相关信息,并在试验完成后进行数据分析和结果报告。
安全:在进行拉伸试验时,应采取必要的安全措施,确保操作人员和设备的安全。
以上是一般金属拉伸试样的一般要求,具体要求可能会根据不同的标准、材料和实验目的而有所不同。
金属材料拉伸试验标准试样类型及尺寸编制:审核:批准:生效日期:受控标识处:分发号:发布日期:2016年9月27日实施日期:2016年9月27日制/修订记录1.0 目的本文件规定了常温下金属材料拉伸试验标准试样的类型,形状及其尺寸测量。
2.0 范围适用于本公司常温下金属材料的拉伸试验所需的比例试样制备。
3.0 规范性应用文件下列文件对于本文件的作用是必不可少的。
凡是注日期的应用文件,仅注日期的版本适用于本文件。
凡是不注日期的应用文件,其最新版本(包括所有的修改单)适用于本文件。
3.1 GB/T 2975 钢及钢产品 力学性能试验取样位置和试样制备 3.2 GB/T 8170 数值修约规则与极限数值的表示和判定 3.3 GB/T 10623 金属材料 力学性能试验术语4.0 术语和定义4.1 试件/试样test piece/specimen通常按照一定形状和尺寸加工制备的用于试样的材料或部分材料。
4.2 标距gauge length用于测量试样尺寸变化部分的长度。
4.3 原始标距original gauge length在施加试验力之前的标距长度。
4.4 断后标距final gauge length after fracture试样断裂后的标距长度。
4.5 平行长度parallel length试样两头部或加持部分(不带头试样)之间平行部分的长度。
4.6 断面收缩率percentage reduction of area断裂后试样横截面积的最大缩减量(S 0-S u )与原始横截面积(S 0)之比的百分率。
0U00S -S =100%Z X S5.0 符号和说明与试样相关的符号及说明如下:6.0 试样6.1 形状和尺寸6.1.1 一般要求试样的形状与尺寸取决于要被试验的金属产品的形状和尺寸。
通常从产品,压制坯或铸件切取样坯经机械加工制成试样。
但具有恒定横截面的产品(型材,棒材,线材等)和铸造试样(铸铁和铸造非铁合金)可以不经机加工而进行试验。
GB与ASTM金属材料拉伸试验方法对比1.1 拉伸试样的制作对于拉伸试样的尺寸以及试样的取样位置,国标与ASTM E8/E8M还是存在较多差别的。
GB228金属材料拉伸试验试件制作通常根据产品的特点,将平行长度段试件按截面形状分为矩形、圆形和异形(例如:多边形及管形)三类。
表1 GB228拉伸试样取样标准厚度为0.1mm~3 mm的薄板和薄带的拉伸试样采用全截面矩形试样,可采用比例试样和非比例试样,比例试样又可分为短比例试样(k=5.65)和长比例试样(K=11.3),二者都可使用的条件下应优先使用短比例试样。
对于宽度等于或小于20mm的金属制品,试样宽度可以相同于产品宽度。
对于宽度大于20mm的金属制品,其拉伸试样的宽度应机加工宽度为10mm、12.5mm、15mm、20mm(非比例试样为12.5mm、20mm)等6种不同的尺寸规格。
厚度大于或等于3mm的板材和扁材及直径和厚度大于或等于4mm的线材、棒材和型材的拉伸试样可采用矩形和圆形截面,可采用比例试样和非比例试样,比例试样又可分为短比例试样(k=5.65)和长比例试样(K=11.3),二者都可使用的条件下应,优先使用短比例试样(见GB/T 228附录B)。
通常情况下金属材料拉伸试样采用全截面试样,当直径或厚度大于25mm而试验设备能力不足时,可进行机加工减薄成比例试样,矩形截面试样推荐宽厚比不超过8:1;圆形截面试样其平行长度的直径不应小于3 mm。
直径和厚度小于4mm的线材、棒材和型材的拉伸试样采用不经机加工全截面矩形非比例试样。
ASTM E8/E8M和A370标准中均要求尽可能的采用全厚度或全截面试样,规定了3种矩形截面试样和5种圆形截面试样供选择使用。
矩形截面试样均为板材拉伸试样,适用于薄板、带材、扁线材和板材。
其与GB/228中的矩形试样相比zui大的特点是尺寸规格较少,只有3种且是定标距试样,无比例和非比例试样之说。
其宽度为40 mm的试样适应于厚度≥5 mm的板材,宽度为12.5 mm的试样适应于厚度≤19 mm的板材,宽带为6 mm的试样适应于厚度≤6 mm的板材。
金属拉伸试验试样标准金属拉伸试验是一种常用的金属材料力学性能测试方法,通过对金属试样施加拉伸力,来研究金属材料的拉伸性能和力学性能。
为了保证拉伸试验的准确性和可比性,需要严格遵守金属拉伸试验试样标准。
本文将介绍金属拉伸试验试样标准的相关内容,以便于广大科研人员和工程技术人员在进行金属拉伸试验时,能够按照标准进行操作,获得准确可靠的试验结果。
一、试样的准备。
1. 试样的形状和尺寸。
金属拉伸试验的试样通常为圆柱形,其长度大于直径,试样的尺寸应符合相关标准规定。
在进行试验前,需要对试样进行加工和抛光处理,以确保试样表面光洁、无裂纹和表面缺陷。
2. 试样的标记。
在试样上标记试样的材料、试样的编号、试样的方向等信息,以便于进行试验数据的记录和分析。
二、试验设备的准备。
1. 试验机的选择。
金属拉伸试验通常采用万能试验机进行,试验机的选择应符合相关标准的要求,同时需要对试验机进行定期的校准和维护,以确保试验机的准确性和稳定性。
2. 应变测量设备。
在进行拉伸试验时,需要配备应变测量设备,用于测量试样在拉伸过程中的应变变化,常用的应变测量设备有应变片、应变计等。
三、试验的操作。
1. 装夹试样。
将试样装夹在试验机上,并根据相关标准要求进行试验机的调试和校准,以确保试验过程中试样的受力均匀和稳定。
2. 进行拉伸试验。
通过控制试验机施加拉伸力,对试样进行拉伸,同时记录试验过程中的拉伸力和试样的变形情况,以获得拉伸试验的应力-应变曲线和拉伸性能参数。
四、试验结果的分析。
根据拉伸试验获得的数据,可以对金属材料的拉伸性能进行分析和评价,包括屈服强度、抗拉强度、断裂伸长率等参数的计算和比较,以评估金属材料的力学性能和工程应用价值。
五、试验注意事项。
在进行金属拉伸试验时,需要注意试样的制备、试验设备的选择和校准、试验操作的规范等方面的注意事项,以确保试验的准确性和可靠性。
结语。
金属拉伸试验试样标准对于保证试验的准确性和可比性具有重要意义,只有严格按照标准要求进行试验,才能获得准确可靠的试验结果。
金属材料拉伸试验的标准试验方法1围1.1 本方法适用于室温下任何形状的金属材料的拉伸试验。
特别是对于屈服强度、屈服点延伸率、抗拉强度、延伸率和断面收缩率的测定。
1.2 对于圆形试样,标距长度等于直径的4倍【E8】或5倍【E8M】〔对于E8和E8M,试样的标距长度是两个标准的最大区别,其他技术容是一致的〕。
用粉末冶金〔P/M〕材料制成的试样无此要求,以保持工业要求的材料的压力至规定的设计面积和密度。
1.3 除本方法规定外,可对特殊材料制定单独的技术规与试验方法,例如:试验方法和定义A370,试验方法B557,B557M。
1.4 除非另有规定,室温应定为10—38℃。
1.5 国际单位(SI)和英制单位相互独立,两个单位体系的数值并不完全相等,因此,它们应该独立使用。
两个单位体系结合使用得到的数值与标准不符合。
1.6本标准并不涉与所有平安的问题,如果有,也是与它的用途有关。
在使用本标准前制定适当的平安和安康规,确定使用的规章制度是本标准使用者的责任。
2 参考文件2.1 ASTM标准:A 356/A 356M 铸钢、碳素钢、低合金钢、不锈钢、蒸汽锅炉钢的产品规A370 钢产品力学性能试验方法与定义B557 锻、铸铝合金和镁合金产品的拉伸试验方法B557M锻、铸铝合金和镁合金产品的拉伸试验方法(公制)E4 试验机的力学校验方法E6 力学性能试验方法相关术语E29 用标准方法确定性能所得试验数据的有效位数的推荐方法E83 引伸计的的校验与分级方法E345 金属箔拉伸试验的测试方法E691 实验室之间探讨确定试验方法准确度的实施指南E1012 拉伸载荷下试样对中方法确实定E1856 试验机计算机数据分析处理系统的使用指导3 术语3.1 定义——在E6中出现的有关拉伸测试的名词术语均可以用在该拉伸试验方法中。
另外需补充以下术语:不连续屈服——轴向试验中,由于局部屈服,在塑性变形开场的地方观察到力的停滞或起伏〔应力-应变曲线不一定出现不连续〕。
金属材料拉伸试验试样标距的确定金属材料的拉伸试验是材料性能测定的最为常用的试验,然而拉伸试验所用试样的尺寸有很多种。
有比例试验、非比例试样,标距有50mm、80mm、100mm、200mm,钢材的形状又有很多种,从截面上来说有矩形、方形、圆形、管形以及各种型材等。
标距对试验结果,尤其是延伸率有较大的影响,那么这个标距该如何确定呢?由于金属材料的塑性变形由线性和非线性两部分组成,所以材料的延伸率在横截面积一定的情况下随着标距的不同而不同,因此要测定钢材的延伸率,试样的标距一定要按照标准规定,这样测出的结果才有可比性。
有专家研究,同样的材料在相同的截面积下,将试样加工成不同的标距进行拉伸试验,结果表明原始标距越长,断后伸长率越小,反之则越大。
下图为材料的标距与断面伸长率的关系。
断后伸长率变化曲线图关于拉伸试验国内外相关的标准如下:GB/T 228.1:2010;ASTM E 8:2013;JIS Z 2241:2011;ISO 6892-1:2009。
其中我国现行的GB/T 228.1:2010是等效采用了ISO 6892:1998《金属材料-室温拉伸试验》的基础上历经几次修订后形成的。
我国标准GB/T 228.1:2010关于试样的具体要求分别有4个规范性附录,具体如下:附录编号附录名称附录B 厚度0.1mm~<3mm薄板和薄带使用的试样类型附录C 直径或厚度小于4mm线材、棒材和型材使用的试样类型附录D 厚度等于或大于3mm板材和扁材以及直径或厚度等于或大于4mm线材、棒材和型材使用的试样类型附录E 管材使用的试样类型下面以板材为例进行说明。
我国标准GB/T 228.1:2010中关于矩形截面形状试样标距的规定按钢板厚度分为小于3mm(附录B)和大于等于3mm(附录D)两种要求,总结如下:1、矩形截面非比例试样(常用)见表1,单位为mm2、厚度3mm以下的薄板比例试样见表2,单位为mm3、厚度3mm以上的薄板比例试样见表3,单位为mm表1:矩形截面非比例(常用)试样试样平行部分宽度试样R角部分曲率半径原始标距L0试样平行长度Lc试样编号试样厚度12.525~405075P5 <3mm2080120P6/P13 不限255060P14 ≥3mm表2:厚度小于3mm的矩形截面比例试样试样平行部分宽度试样R角部分曲率半径原始标距L0试样平行长度Lc试样编号10≥20mm k0S≥L0+b0/2P1(P01)12.5 P2(P02) 15 P3(P03)20 P4(P04)注:优先采用比例系数k=5.65,。
金属拉伸试验试样 GB 6397-86金属拉伸试验试样 GB 6397-86本标准规定了各种金属产品常温拉伸试验用试样的一般要求,试样应按有关标准或双方协议的规定选用。
本标准适用于钢铁和有色金属材料的通用拉伸试样。
如无特殊规定,棒、型、板(带)、管:线(丝)、铸件、压铸件和锻压件的试样,均按本标准规定执行。
1 样坯的切取、试样的制备及标志1.1样坯从制品上切取的部位和方向应按GB2975—82《钢材力学及工艺性能试验取样规定》、有关标准或双方协议的规定执行。
1.2切取样坯和机加工试样,均应严防因冷加工或受热而影响金属的力学性能,通常以在切削机床上进行为宜。
因烧割或冷剪法切取样坯时,边缘应留有足够的机加工余量,一般不小于制品的厚度,最低不小于20mm。
但对薄板(带)等则为例外,详见GB2975—82。
机加工试样时,切削、磨削深度及润滑(冷却)剂应适当,最后一道切、磨削深度不宜过大,以免影响性能。
建议保留机加工中心孔,以便必要时重新修整。
1.3从外观检查合格的板材、扁材或带材上切取的矩形样坯,一般应保留其原表面层,不予损伤。
试样毛刺须清除,尖锐棱边应倒圆,圆弧半径不宜过大。
由盘卷上切取的线和薄板、(带)试样,允许校直或校平,但矫正不得对试样的力学性能有显著影响。
对不测定伸长率的试样,则可不经矫正进行试验。
1.4不经机加工单铸试样表面上的夹砂、夹渣、毛刺、飞边等,必须加以清除。
1.5凡不符合本标准所规定的各项要求,表面有显著横向刀、磨痕或机械损伤,有明显淬火变形或裂纹以及肉眼可见冶金缺陷的试样,均不允许用于试验。
1.6试样标志一般应标在头部端面或侧边上(对小截面试样,可挂标志牌),以便试验时易于辨识。
2 试样的符号、名称及单位(见表1)表1符号 名称单位试样平行长度 mm试样原始标距d 0 圆形试样平行长度部分原始直径或圆管试样原始内径 D 0 圆管试样原始外径a 0 矩形、弧形试样或管壁的原始厚度b 0 矩形或弧形试样平行部分原始宽度 F 0 试样平行部分原始横截面积mm2 r带头试样从头部到平行部分过渡圆弧半径mm3 试样形状及尺寸的一般规定3.1拉伸试样分为比例和定标距两种,一般为经机加工试样和不经机加工的全截面试样,其横截面通常为圆形、矩形、异形以及不经机加工的全截面形状。
金属板材拉伸试验标准试样类型及尺寸
标准试样的类型及尺寸见图2-1及表2-1。
表2-1标准试样的尺寸单位:mm
对于厚度0.1mm~3.0mm薄板和薄带:
1.优先采用比例系数k=5.65的比例试样,若比例标距小于15mm,建议采用非比例试样,或按双方约定的L0值。
2.头部宽度应至少20mm,但不超过40mm。
3.平行长度应不少于L0+b/2,仲裁试验,平行长度应为L0+2b,除非材料尺寸不足够。
4.原始横截面积(S0=AB)的测定应准确到±2%
5.应用小标记、细划线或细黑线标记原始标距(L0),但不得引起过早断裂的缺口做标记6.机加工试样的尺寸公差和形状公差应符合下表要求
表2-2标准试样的尺寸公差单位:mm
如有侵权请联系告知删除,感谢你们的配合!。