教科版物理九年级全册第三章认识电路之《电压电阻》单元测试卷3份含答案解析
- 格式:docx
- 大小:1.55 MB
- 文档页数:70
九年级上册物理电压电阻单元试卷(word版含答案)一、初三物理电压电阻易错压轴题(难)1.热敏电阻的阻值会随温度的改变而改变。
小张同学用如图甲所示的电路来探究热敏电阻R T的阻值与温度的关系。
已知M为控温器,电源电压未知但恒定不变,R为电阻箱(一种可以改变并读出阻值的变阻器)。
因实验器材的限制,利用该电路无法直接测出热敏电阻的阻值,聪明的小张进行了如下操作:①根据图甲连接电路,闭合开关前,将电阻箱的阻值调到足够大;②控制控温器中液体温度为10℃,闭合开关,调节电阻箱的阻值,使电流表的示数达到某数值,记录此时电阻箱的阻值为26Ω;③依次改变控温器中的液体温度,同时……,得到相关数据记录如下表所示。
分析并回答下列问题:(1)步骤③中“……”部分的操作是____。
(2)从表中可以得出结论:在一定温度范围,_____。
(3)在科技创新活动中,小张用该热敏电阻和电压表制成了一支指针式温度计(电路图如图乙所示,电压表未接入),它可以直接在电压表刻度盘上读出相应温度。
闭合开关后,小华发现电流表有示数,将电压表依次并在各接线柱之间发现ab间无示数,接ac、bc间有示数,此时电路中的故障是____。
小华重新正确连接电路后,若想要电压表的读数随温度的升高而增大,则应在原理图乙中_____两端接入电压表。
A.a、b B.b、c C.a、c【答案】调节电阻箱的阻值,使电流表的示数保持不变热敏电阻的阻值随温度的升高而减小定值电阻短路A【解析】【详解】(1)为了探究热敏电阻R T的阻值与温度的关系,应保持其他变量不变,即调节电阻箱阻值来保持电流表示数不变;(2)因为热敏电阻R t与电阻箱串联,而电路电流保持不变,所以电路总电阻保持不变,读表可知,那么随着温度升高,变阻箱电阻增大,即热敏电阻R T的减小。
(3)如图乙:闭合开关后,小华发现电流表有示数,说明电路没有断路,将电压表依次并在各接线柱之间发现ab间无示数,而接ac、bc间有示数,则ab间一定发生短路;想要电压表的读数随温度的升高而增大,电路总电压不变的情况下,根据串联分压原理,定值电阻ab两端电压随热敏电阻R t减小而增加,故应接在ab之间,选A。
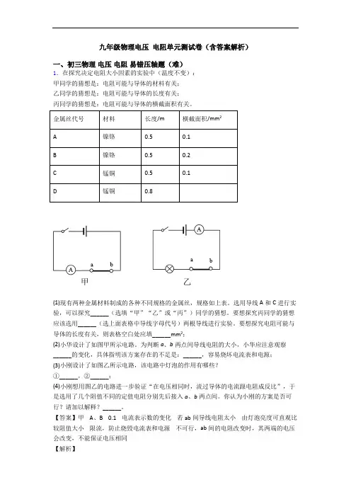
九年级物理电压电阻单元测试卷(含答案解析)一、初三物理电压电阻易错压轴题(难)1.在探究决定电阻大小因素的实验中(温度不变):甲同学的猜想是:电阻可能与导体的材料有关;乙同学的猜想是:电阻可能与导体的长度有关;丙同学的猜想是:电阻可能与导体的横截面积有关。
金属丝代号材料长度/m横截面积/mm2A镍铬0.50.1B镍铬0.50.2C锰铜0.50.1D锰铜0.8(1)现有两种金属材料制成的各种不同规格的金属丝,规格如上表。
选用导线A和C进行实验,可以探究______(选填“甲”“乙”或“丙”)同学的猜想。
要想探究丙同学的猜想应该选用______(选上面表格中导线字母代号)两根导线进行实验。
要想探究电阻可能与导体的长度有关,则表格空白处应填______mm2;(2)小华设计了如图甲所示电路。
为判断a、b两点间导线电阻的大小,小华应注意观察______的变化,具体指明该方案存在的不足是:______,容易烧坏电流表和电源;(3)小刚设计了如图乙所示电路,该电路中灯泡的作用有哪些?①______,②______;(4)小刚想用图乙的电路进一步验证“在电压相同时,流过导体的电流跟电阻成反比”,于是选用了几个阻值不同的定值电阻分别先后接入a、b两点间。
你认为小刚的方案是否可行?请加以解释?______。
【答案】甲 A、B 0.1 电流表示数的变化若ab间导线电阻太小由灯泡亮度可直观比较阻值大小限流,防止烧毁电流表和电源不可行,ab间的电阻改变时,其两端的电压会改变,不能保证电压相同【解析】【分析】【详解】(1)[1]由表中所给条件知,导线A和C的长度、横截面积相同,导体的材料不同,故可以探究甲同学的猜想。
[2]要探究横截面积与导体电阻大小的关系,就要控制导体的材料、长度相同,横截面积不同,在表格中给的导线中,只有A、B符合条件。
[3]要探究长度与导体电阻大小的关系,就要控制导体的材料、横截面积相同,导体的长度不同,在表格中给的导线中,只有C、D符合条件,故表格空白处应填0.1mm2。
九年级物理上册电压电阻单元测试卷(word版,含解析)一、初三物理电压电阻易错压轴题(难)1.在“探究串联电路电压特点”的实验中:(1)某次测量时,电压表的示数如图所示,则此时灯L1两端的电压为_____V;(2)某同学在测量了灯L1两端的电压后,断开开关,然后将AE导线的A端松开,接到D接线柱上,测量灯L2两端的电压,这一做法存在的问题是_____;(3)闭合开关S后,发现灯L1发光,L2不发光。
同学们有以下几种猜想:①灯L2灯丝断了;②灯L2的灯座短路;③灯L2也工作,但L2中电流比L1中电流小。
以上猜想中正确有_____(填序号)。
【答案】2.2 电压表的正负接线柱接反②【解析】【分析】【详解】(1)[1]由实物图可知,两灯串联,电压表测L1的电压;电源为两节干电池,则电源电压==U⨯2 1.5V3V根据串联分压的特点可知,灯L1两端的电压不可能大于3V,故图中电压表选择的是0~3V 量程,对应的分度值是0.1V,指针指在2V右面第2个小格上,读数为⨯=2V+0.1V2 2.2V(2)[2]如果将AE导线的A端松开,接到D接线柱上测量灯L2两端的电压,这样电流从电压表的“﹣”接线柱流入,从“+”接线柱流出了,开关闭合后,电压表的指针将反偏,即电压表的正负接线柱接反了,因此这种接法是错误的。
(3)[3]闭合开关S后,发现灯L1发光,L2不发光,则:①若灯L2灯丝断了,电路断路,灯泡L1也不发光,故①错误;②若灯L2的灯座短路,灯L1发光,L2不发光,故②正确;③若灯L2也工作时,由串联电路的电流特点可知,L2中电流和L1中电流相等,故③错误。
综上所述,以上猜想中正确只有②。
2.在“探究串联电路电压的特点”活动中:(1)如图所示,连接电路时,至少需要______根导线;实验中应选择规格______(相同/不同)的小灯泡;(2)在测L1两端电压时,闭合开关,发现电压表示数为零,原因可能是________________(填出一种即可);(3)小芳保持电压表的B连接点不动,只断开A连接点,并改接到C连接点上,测量L2两端电压。
九年级物理上册电压电阻单元测试卷(word版,含解析)一、初三物理电压电阻易错压轴题(难)1.有一个低压电源的电压在 30 V~36 V 间,小明要测量出它的电压(设电源电压保持不变),除了待测电源,手边有一个量程为 0~15 V 的一块电压表,及四个阻值已知的电阻,分别为R1(0.01 Ω)、R2(20 Ω)、R3(30 Ω)和R4(30 kΩ)各一个,一个开关及若干导线,请合理选择以上器材,测出电源电压。
要求:(1)在虚线框中画出实验电路图;(____)(2)写出实验步骤及所需测量的物理量________;(3)写出电源电压的表达式(用已知量和测量量表示)。
U= ______。
【答案】 a.按照电路图连接电路,开关断开;b.闭合开关 S,读出电压表的示数U1.U=2.5 U1【解析】【分析】【详解】(1)[1]由题意可知,电压表的最大量程小于电源的电压,故所用的实验电路应是串联电路,串联的两个电阻应选用20Ω和30Ω,用电压表测出其中一个电阻的电压,再根据串联电路的分压特点,可过求出另一个电阻的电压,则电源的电压亦可求出。
故电路如图:(2)[2]实验的操作过程是:a.按电路图连接电路,连接电路时开关应断开;b.闭合开关S,读出电压表的示数U1。
(3)[3]由实验操作可测出电阻R2的电压U1,而R2、R3的阻值分别为20Ω、30Ω,由串联电路的分压特点,有U1:U2=R2:R3=20Ω:30Ω=2:3即U2=1.5U1那么电源的电压U=U1+U2=U1+1.5U1=2.5U12.某物理兴建小组学习了导体电阻的知识后,对食盐水溶液的导电性能与什么因素有关提岀了以下猜想:A.食盐水溶液的导电性能与溶液的浓度有关。
B.食盐水溶液的导电性能与溶液的质量有关。
C.食盐水溶液的导电性能与溶液中两点间的距离有关。
为了验证猜想,他们设计了如图所示的装置,将电路中的a、b两金属片分别插入图甲、乙、丙、丁溶液中所示的位置(金属片a、b每次插入溶液中的深度相同)进行探究:(1)本实验电路中接入电阻R的目的是_______________。
初三物理电压电阻测试卷有答案一、选择题(共18道总分36分)1、用同种材料制成的粗细均匀的某段金属导体,对于其电阻大小下列说法正确的是()A.当导体两端电压和通过导体的电流为零时,导体的电阻为零B.当导体被均匀拉长至原来的二倍时,他的电阻减小为原来的一半C.电阻是导体本身的一种性质,所以温度无论如何变化,电阻也不可能变为零D.电阻是导体本身的一种性质,与电压和电流无关2、如图所示,是用滑动变阻器调节灯泡亮度的几种方案,你认为可能达到目的的方案是()3、假如科学家在不久的将来研制出了常温下的超导体,则它适合于制作成A.保险丝B.输电线C.灯丝D.电阻丝4、如图3所示的电路,电阻,串联在电路中,电源电压,闭合开关K,电压表的示数约为4V,则A.R1断路B.R2短路C.R3短路D.安培表示数为1.5A5、在如图所示的电路中,当开关S闭合后,灯L1不亮,L2亮,电压表有示数,则下列说法中正确的是()A.灯L1与L2并联,L1的灯丝断了B.灯L1与L2并联,L1被短路了C.灯L1与L2串联,L1的灯丝断了D.灯L1与L2串联,L1的实际功率比L2的小很多6、在如图所示的电路中,闭合开关S后,灯泡L1不亮,L2亮,电压表无示数,其故障原因可能是()A.L1断路B.L2断路C.Ll短路D.L2短路7、将两只滑动变阻器按图所示的方法连接,如果把a、b两根导线接入电路里,要使这两只变阻器接入电路中的总电阻最大,应把滑片P1、P2放在:()A.P1放在最右端,P2放在最右端;B.P1放在最左端,P2放在最左端;C.P1放在最右端,P2放在最左端;D.P1放在最左端,P2放在最右端.8、在做电学实验时,下列注意事项正确的是()A.接线过程中开关应该是断开的B.接线应该从用电器开始,开关靠近正极C.滑动变阻器的滑片应放在中间D.电流表和电压表后接9、将图12的变阻器接入电路中,当滑片向左移动时,要使电阻减少,下列哪种接法正确[]A.a和b B.a和c C.c和d D.b和d10、在一本用电常识的书中,列出了使用白炽灯泡的常见故障与检修方法,其中一项故障现象如下:故障现象可能原因检修方法灯泡不亮灯泡的灯丝断了换新灯泡灯头内的电线断了连接好灯头、开关等处的接线松动检查加固从电路的组成来看,上述故障现象的原因可以概括成A.开路B.短路C.通路D.开路或短路11、如图4甲所示的电路中,在M、N两点间接入滑动变阻器,要求闭合开关S 后,在滑片P向左滑动的过程中,灯泡的亮度逐渐变亮。
九年级上册物理电压电阻同步单元检测(Word版含答案)一、初三物理电压电阻易错压轴题(难)1.阅读下列一段文字,回答问题:我们已经知道导体的电阻是导体本身的一种性质,它的大小与导体的长度、横截面积和材料有关,进一步研究表明,在温度不变时,导体的电阻跟导体的长度成正比,跟导体的横截面积成反比,这个规律叫做电阻定律,用公式表示为LRSρ=,其中R、L、S分别表示导体的电阻、导体的长度和横截面积。
而ρ是反映材料导电性能的物理量,我们把它叫做材料的电阻率。
材料电阻率的大小与什么有关?小红提出如下猜想:猜想1:电阻率与材料的长度有关;猜想2:电阻率与材料的横截面积有关;猜想3:电阻率与材料的种类有关。
于是小红找来不同规格的导线进行测量,实验数据见下表:(1)写出电阻率ρ在国际单位制中的单位是_________________。
(2)分析比较实验序号1、2的数据,可以初步确定猜想1是________(正确/错误)的,这种探究问题的方法叫_________________。
(3)分析比较实验序号_________的数据,可以初步确定猜想2是错误的。
(4)分析比较实验序号1、4、5的数据,可得到的初步结论是__________________________。
(5)根据表中的数据,如果要制作一个滑动变阻器,应选用 _________材料作为电阻线圈,这是因为相同规格的这种材料电阻较________(大/小)。
【答案】Ω·m错误控制变量法 1、3 电阻率与导体的材料有关镍铬合金大【解析】【分析】【详解】(1)[1]已知R的单位是Ω、L的单位是m、S的单位是2m,由电阻定律公式LRSρ=。
根据等式两边的单位相等可以知道电阻率ρ在国际单位制中的单位是Ω·m ;(2)[2][3]分析比较实验序号1、2的数据长度不同时电阻率相同,故猜想1是错误的;只允许一个量发生改变,控制其他量不变的实验方法叫控制变量法;(3)[4]分析比较实验序号1、3的数据横截面积不同时,电阻率相同可以确定猜想2是错误的;(4)[5]分析比较实验序号1、4、5的数据,它们的长度、横截面积相同,而材料不同时电阻率不同,可得到的初步结论是电阻率大小与材料的种类有关;(5)[6][7]根据表格可知镍铬合金的电阻率比较大,所以如果要制作一个滑动变阻器,应选用镍铬合金材料作为电阻线圈,这是因为相同规格的这种材料电阻较大。
九年级电压电阻单元综合测试(Word版含答案)一、初三物理电压电阻易错压轴题(难)1.在“探究串联电路电压特点”的实验中:(1)某次测量时,电压表的示数如图所示,则此时灯L1两端的电压为_____V;(2)某同学在测量了灯L1两端的电压后,断开开关,然后将AE导线的A端松开,接到D接线柱上,测量灯L2两端的电压,这一做法存在的问题是_____;(3)闭合开关S后,发现灯L1发光,L2不发光。
同学们有以下几种猜想:①灯L2灯丝断了;②灯L2的灯座短路;③灯L2也工作,但L2中电流比L1中电流小。
以上猜想中正确有_____(填序号)。
【答案】2.2 电压表的正负接线柱接反②【解析】【分析】【详解】(1)[1]由实物图可知,两灯串联,电压表测L1的电压;电源为两节干电池,则电源电压2 1.5V3VU⨯==根据串联分压的特点可知,灯L1两端的电压不可能大于3V,故图中电压表选择的是0~3V 量程,对应的分度值是0.1V,指针指在2V右面第2个小格上,读数为2V+0.1V2 2.2V⨯=(2)[2]如果将AE导线的A端松开,接到D接线柱上测量灯L2两端的电压,这样电流从电压表的“﹣”接线柱流入,从“+”接线柱流出了,开关闭合后,电压表的指针将反偏,即电压表的正负接线柱接反了,因此这种接法是错误的。
(3)[3]闭合开关S后,发现灯L1发光,L2不发光,则:①若灯L2灯丝断了,电路断路,灯泡L1也不发光,故①错误;②若灯L2的灯座短路,灯L1发光,L2不发光,故②正确;③若灯L2也工作时,由串联电路的电流特点可知,L2中电流和L1中电流相等,故③错误。
综上所述,以上猜想中正确只有②。
2.阅读下列一段文字,回答问题:我们已经知道导体的电阻是导体本身的一种性质,它的大小与导体的长度、横截面积和材料有关,进一步研究表明,在温度不变时,导体的电阻跟导体的长度成正比,跟导体的横截面积成反比,这个规律叫做电阻定律,用公式表示为LRSρ=,其中R、L、S分别表示导体的电阻、导体的长度和横截面积。
《第3 章认识电路》测试题一、单选题(共18题;共36分)1.丝绸摩擦过的玻璃棒靠近一轻质小球,发现两者互相排斥,由此可鉴定( )A.小球一定带正电B.小球一定带负电C.小球可能带负电,也可能带正电D.小球一定不带电2.如图所示,开关S闭合时,灯泡与组成并联电路的是()A. B. C. D.,现要使两只灯泡并联连接,下列做法能达到目的的是()3.如图所示的电路中有两只灯泡L 、L1 2A.闭合S、S,断开S1 3 2B.闭合S、S,断开S1 2 3C.闭合S 、S,断开S2 3 1D.闭合S,断开S、S2 1 34.下列元件中不是组成电路的必要元件的是()A.验电器B.开关C. 用电器D.电源5.下列说法正确的是()A.公路边的灯要亮一起亮,要灭一起灭,所以这些灯一定是串联的B.点亮的节日小彩灯串上取下任一个,一串都不亮了,它们是串联的C.并联电路中,若一个用电器断路,则其余用电器也不可能工作D.家中的电灯、电视机、电冰箱等电器设备之间是串联的6.如图所示的电路中,闭合开关后两盏灯都可能发光的是()A.只闭合开关S1B.只闭合开关S2C. 只闭合开关S、S1 2D.开关S、S、S都闭合1 2 37.如图所示各电路图中,属于串联的是()A. B. C. D.8.如图所示的电路,下列判断正确的是()A.闭合开关S、S,断开开关S 时,灯L、L串联1 32 12B.闭合开关S,断开开关S 、S时,灯L 、L并联2 13 1 2C. 闭合开关S、S,断开开关S 时,灯L 、L不亮1 2 3 12D.同时闭合开关S、S、S时,电源短路1 2 39.关于粒子和宇宙,下列认识中正确的是()A.雾霾是由于分子不停地运动形成的B.摩擦起电的过程中创造了电荷C.卢瑟福提出的原子的核式结构模型,认为原子是原子核和电子组成的D.地球等行星围绕太阳转动,太阳是宇宙的中心10.电热水器金属内胆出水口加接一段曲长管道,在电热水器漏电且接地线失效时,能形成“防电墙”,保障人的安全,如图所示,当热水器漏电且接地线失效时,其金属内胆与大地间电压为220V,由于曲长管道中水具有电阻(简称“隔电电阻”),因而人体两端的电压不高于12V,下列说法正确的是()A.“隔电电阻”大于“人体电阻”B.曲长管道应选用导电性能好、管壁较厚的铜管C.热水器漏电且接地线失效时,“防电墙”使人体内无电流通过D.热水器漏电且接地线失效时,“隔电电阻”与“人体电阻”并联11.在如图所示的电路中,若将电源和灯L的位置互换后,下列说法正确的是()1A.灯L、L串联1 2B.灯L 、L并联1 2C.开关S 只控制L1D.开关S只控制L212.如图所示,当开关S由闭合变为断开时,下列说法中不正确的是()A.电路中的电流为零B.灯泡两端电压为零C.电灯的电阻为零D.电源两端的电压不为零13.举重比赛有甲、乙、丙三个裁判,其中甲为主裁判,乙和丙为副裁判.若裁判认定杠铃已被举起,就按一下自己面前的按钮.要求主裁判和至少一个副裁判都按下自己面前的按钮时,指示杠铃被举起的灯泡L 才亮.以下符合这一要求的电路是()A. B. C. D.14.在如图所示的电路中,电源电压为 3V ,当开关 S 、S 都闭合时,则( )1 2A. 电压表的示数为 3VB. 电流表将被烧坏C. 灯 L 不亮,灯 L 亮12D. 两只灯泡都将被烧坏15.把一根塑料绳一端扎紧,从另一端撕开成许多细丝,用干燥的手从上向下捋几下,发现细丝张开了(如 下左图所示),细丝张开的原因是( ) A. 异种电荷相吸B. 同种电荷相斥C. 分子间斥力D. 分子间引力16.如上右图是晓敏连接的电路图.同时闭合开关 S 和 S 后,灯泡 L 和 L 的发光情况分别是( ) 1 2 1 2 A. 灯泡 L 发光、L 不发光1 2 C. 灯泡 L 和 L 均不发光12 B. 灯泡 L 不发光,L 发光1 2 D. 灯泡 L 和 L 均发光1 2 17.在用滑动变阻器改变灯泡亮度的实验中,对于连接实验电路的注意事项,不必要的一点是( ) A.连入变阻器时,应使滑片位于变阻器值最大的位置 B. 开关、电流表应接在靠近电源电流流出的一端 C. 连接电路时,应先将开关断开D. 电流表应与灯泡串联,并使它的“+”接线柱,靠近电源的“+”极一端. 18.如图,下面叙述错误的是( ) A. 只有 S 闭合时只有 L 发光2 3B. S 、S 都闭合时只有 L 、L 两灯并联1 2 1 2 C. S 、S 都闭合时是三灯并联电路 1 2 D. S 、S 都断开时是三盏灯串联电路1 2 二、填空题(共 10 题;共 22 分)19.如图是简化了的电冰箱的电路图。
第三章认识电路一、单项选择题(共10小题;共30分)1. 在手电筒电路中,提供电能的是A. 电池B. 灯泡C. 导线D. 开关2. 自动售票公交车后门两侧的扶手上各装有一个红色按钮(如图所示),想要下车的乘客只要按下其中任何一个按钮,装在车内的电铃就会响起,以提醒司机停车。
选项图所示的电路图符合要求的是A. B.C. D.3. 某同学用丝绸摩擦过的玻璃棒接触验电器的金属球,观察到验电器的金属箔片由闭合到张开,如图所示。
下列说法正确的是A. 丝绸摩擦过的玻璃棒带负电B. 金属箔片张开是由于两箔片带同种电荷而互相排斥C. 金属箔片张开的瞬间,玻璃棒上的正电荷移动到箔片上D. 金属箔片张开的瞬间,产生的电流方向是从箔片流向玻璃棒4. 关于原子的结构,以下的几个模型中,最接近真实原子结构的模型是A. 如图甲所示:原子为一个不可再分的实心小球B. 如图乙所示:原子为一个带正电的小球,带负电的电子分布在小球的内部C. 如图丙所示:由不可再分的实心球的原子核以及绕原子核运动的电子组成D. 如图丁所示:由质子和中子构成的原子核以及绕原子核运动的电子组成5. 如图甲所示,验电器带负电,不带电。
用带有绝缘手柄的金属棒把验电器、、金属球连接起来的瞬间(如图乙所示),金属棒中A. 电流方向由到B. 电流方向由到C. 有电流但方向无法确定D. 始终无电流6. 如图甲所示,验电器带负电,不带电。
用带有绝缘柄的金属棒把验电器、两金属球连接起来的瞬间(如图乙所示),金属棒中A. 电流方向由到B. 电流方向由到C. 有电流但方向无法确定D. 始终无电流7. 如图所示的电路,下列判断正确的是A. 闭合开关、,断开开关时,灯、串联B. 闭合开关,断开开关、时,灯、并联C. 闭合开关、,断开开关时,灯亮、不亮D. 同时闭合开关、、时,电源短路8. 如图所示的电路,要使两个小灯泡、串联,应A. 断开电键、,闭合电键B. 断开电键、,闭合电键C. 断开电键,闭合电键、D. 断开电键,闭合电键、9. 有甲、乙、丙三个带电体,甲物体排斥乙物体,乙物体吸引丙物体。
物理九年级上册电压电阻单元测试卷(word版,含解析)一、初三物理电压电阻易错压轴题(难)1.在探究决定电阻大小因素的实验中(温度不变):甲同学的猜想是:电阻可能与导体的材料有关;乙同学的猜想是:电阻可能与导体的长度有关;丙同学的猜想是:电阻可能与导体的横截面积有关。
金属丝代号材料长度/m横截面积/mm2A镍铬0.50.1B镍铬0.50.2C锰铜0.50.1D锰铜0.8(1)现有两种金属材料制成的各种不同规格的金属丝,规格如上表。
选用导线A和C进行实验,可以探究______(选填“甲”“乙”或“丙”)同学的猜想。
要想探究丙同学的猜想应该选用______(选上面表格中导线字母代号)两根导线进行实验。
要想探究电阻可能与导体的长度有关,则表格空白处应填______mm2;(2)小华设计了如图甲所示电路。
为判断a、b两点间导线电阻的大小,小华应注意观察______的变化,具体指明该方案存在的不足是:______,容易烧坏电流表和电源;(3)小刚设计了如图乙所示电路,该电路中灯泡的作用有哪些?①______,②______;(4)小刚想用图乙的电路进一步验证“在电压相同时,流过导体的电流跟电阻成反比”,于是选用了几个阻值不同的定值电阻分别先后接入a、b两点间。
你认为小刚的方案是否可行?请加以解释?______。
【答案】甲 A、B 0.1 电流表示数的变化若ab间导线电阻太小由灯泡亮度可直观比较阻值大小限流,防止烧毁电流表和电源不可行,ab间的电阻改变时,其两端的电压会改变,不能保证电压相同【解析】【分析】【详解】(1)[1]由表中所给条件知,导线A和C的长度、横截面积相同,导体的材料不同,故可以探究甲同学的猜想。
[2]要探究横截面积与导体电阻大小的关系,就要控制导体的材料、长度相同,横截面积不同,在表格中给的导线中,只有A、B符合条件。
[3]要探究长度与导体电阻大小的关系,就要控制导体的材料、横截面积相同,导体的长度不同,在表格中给的导线中,只有C、D符合条件,故表格空白处应填0.1mm2。
第三章综合测试一、单项选择题(共20小题;共40分)1.在如图所示电路中,正确的是()A.B.C.D.2.电视机的荧光屏表面经常有很多灰尘,其主要原因是()A.荧光屏有吸附灰尘的能力B.屋子里灰尘的自然堆积C.电视机工作时,荧光屏表面温度较高D.电视机工作时,荧光屏表面有静电S闭3.为保障司乘人员的安全,轿车上设有安全带未系提示系统。
当乘客坐在座椅上时,座椅下面的开关1S断开),仪表盘上的指示灯L将亮起;若系上安全带时,安全带控合,若未系安全带(安全带控制开关2S闭合,指示灯L熄灭。
如图所示设计的四个电路图中最合理的是()制开关2A.B.C.D.4.如图所示的电路中,开关S闭合后,两个灯泡属于串联的是()A.B.C .D .5.甲、乙、丙三个轻质小球用绝缘细绳悬挂,如图所示,已知丙带正电,则( )A .甲、乙均带正电B .甲、乙均带负电C .乙带正电,甲一定带负电D .乙带正电,甲可能不带电6.如图所示的电路中,闭合开关后两盏灯都能发光的是( ) A .B .C .D .7.甲、乙两种干燥的绝缘物体,甲的原子核对核外电子的束缚能力较弱。
将它们相互摩擦后分开。
下列叙述中错误的是( ) A .乙得到了电子带负电B .甲失去了电子带正电C .甲、乙靠近会相互吸引D .摩擦产生了电荷,使甲乙带电8.如图所示电路中,要使两灯并联,下列做法正确的是( )A .12S S 、断开,3S 闭合B .12S S 、闭合,3S 断开C .123S S S 、、闭合D .1S 断开,23S S 、闭合9.左边的粒子由右边的例子构成,下列选项中正确描述物质结构的是( ) A .B .C .D .、间应接入下列物品中的()10.如图所示,要使开关S闭合后小灯泡能够发光,在金属夹A BA.橡皮B.钢直尺C.塑料尺D.干燥的小木棍11.如图为一实物电路连接图,同学们画出的与其对应的电路图,其中正确的是()A.B.C.D.、、金属球连接起来12.如图甲所示,验电器A带负电,B不带电。
九年级电压电阻单元测试卷(含答案解析)一、初三物理电压电阻易错压轴题(难)1.小宇同学在“探究串联电路电压规律”的实验时,得到“电源两端电压总大于各用电器两端电压之和”的结论,这与之前“电源两端电压等于各用电器两端电压之和”的猜想不符。
小宇用图甲所示的电路继续进行探究:(1)测量电源及灯泡两端电压,电压表接在AB两点,是为了测量灯___两端的电压,闭合开关,电压表的示数(如图乙所示)是____V;(2)接着小宇直接将电压表接A点的接线改接到D点,闭合开关后,发现电压表_______;(3)纠正错误后,小宇测出导线BC间的电压大约为0.05V。
由此得知导线分压可能是造成结论与猜想不符的原因。
为了能更明显地观察到导线分压的现象,应选择较__(选填“粗”或“细”)的导线,原因是在长度和材料相同时,__________电阻越大。
【答案】L1 1.7 指针反偏(或指针偏向0刻度线的左边)细橫截面积越小【解析】【分析】【详解】(1)[1]电压表要和被测用电器并联,当电压表接在AB两点时,和灯L1并联,所以测的是L1两端的电压。
[2]根据乙图,电压表选择的是0—3V的量程,分度值为0.1V,所以电压表的示数为1.7V。
(2)[3]将电压表接A点的接线改接到D点,闭合开关后,电流从电压表的负接线柱流入正接线柱流出,此时电压表接反了,所以指针会反向偏转。
(3)[4][5]为了让分压更加明显就是要增大导线的电阻,所以要选择更细的导线,因为在材料和长度一定是,导体的横截面积越小电阻越大。
2.小红在做“探究影响导体电阻大小的因素”实验时,做出了如下猜想猜想一:导体的电阻可能与导体的长度有关猜想二:导体的电阻可能与导体的横截面积有关:猜想三:导体的电阻可能与导体的材料有关实验室提供了4根电阻丝,其规格、材料如下表所示:编号材料横截面积S/(mm2)长度L/(m)A镍铬合金 1.00.25B镍铬合金 1.00.50C镍铬合金 2.00.25D锰铜合金 1.00.25(1)如图电路,实验前最好在导线a、b间连接___________(选填“导线”或“电阻”),在M、N之间分别接上不同导体,闭合开关,通过观察___________来比较导体电阻大小(2)为了验证猜想一,可依次把M、N跟___________(填“A”、“B”、“C”或“D”)的两端相连,闭合开关,记下电流表的示数,分析比较这两根电阻丝电阻的大小.(3)依次把M、N跟电阻丝A、C的两端连接,闭合开关,发现接电阻丝C时电流表的示数较大,分析比较A、C两根电阻丝电阻的大小,可探究电阻跟___________的关系,其结论是:导体的长度和材料一定时,横截面积越大,其阻值________________.(4)若将电阻丝C均匀拉伸,使其横截面积变为原来的一半,则此时该电阻的阻值_________(选填“等于”或“不等于”)原来的2倍.小超在做“探究影响导体电阻大小的因素”实验时,发现实验器材中电阻丝只有一根,其他器材足够,不能完成的实验探究是(______________)A.导体电阻与长度的关系 B.导体电阻与材料的关系C.导体电阻与温度的关系 D.导体电阻与横截面积的关系【答案】电阻电流表的示数 A、B 横截面积越小不等于 B【解析】【分析】【详解】(1)[1][2]为了避免电路中电流过大,实验前最好在导线a、b间连接电阻;从图中可以看到连接好电路后,电流表测的是电路中的电流,接入电路的电阻丝电阻越大、电流越小,电阻越小、电流越大,所以可以通过观察电流表的示数来比较电阻丝电阻大小;(2)[3]为了验证猜想一,应该保持电阻横截面积和材料一样,从表中可以看到,编号为A、B的导体合适,可依次把M、N跟A、B的两端相连;(3)[4][5] A、C两根电阻丝材料一样,长度也一样,横截面积不同,所以说分析比较A、C两根电阻丝电阻的大小,可探究电阻跟横截面积的关系;接电阻丝C时电流表的示数较大,那么电阻丝C的电阻较小,但是电阻丝C的横截面积较大,可推测其结论是,导体的长度和材料一定时,横截面积越大,其阻值越小;(4)[6]若将电阻丝C均匀拉伸,使其横截面积变为原来的一半,那么长度会变大,横截面积会变小,电阻丝C阻值会变大,此时该电阻的阻值不等于原来的2倍;[7]A.同一根电阻丝,其材料是相同的,横截面积也不变,可以通过改变其接入电路的长度,探究导体电阻与长度的关系,A项不合题意;B.同一根电阻丝,其材料是相同的,没有第二种材料,不能探究导体电阻与材料的关系,选项B符合题意;C.只是一根电阻丝,可以拿酒精灯加热它,让它温度发生变化,可以探究导体电阻与温度的关系,C项不合题意;D.同一根电阻丝,其材料是相同的,只要控制它的长度一样,通过对折等方法让它的横截面积变化,是可以探究导体电阻与横截面积的关系,D项不合题意.3.一实验小组用如图所示的器材探究“串联电路的电压关系”。
物理九年级上册电压电阻单元测试卷附答案一、初三物理电压电阻易错压轴题(难)1.在探究决定电阻大小因素的实验中(温度不变):甲同学的猜想是:电阻可能与导体的材料有关;乙同学的猜想是:电阻可能与导体的长度有关;丙同学的猜想是:电阻可能与导体的横截面积有关。
金属丝代号材料长度/m横截面积/mm2A镍铬0.50.1B镍铬0.50.2C锰铜0.50.1D锰铜0.8(1)现有两种金属材料制成的各种不同规格的金属丝,规格如上表。
选用导线A和C进行实验,可以探究______(选填“甲”“乙”或“丙”)同学的猜想。
要想探究丙同学的猜想应该选用______(选上面表格中导线字母代号)两根导线进行实验。
要想探究电阻可能与导体的长度有关,则表格空白处应填______mm2;(2)小华设计了如图甲所示电路。
为判断a、b两点间导线电阻的大小,小华应注意观察______的变化,具体指明该方案存在的不足是:______,容易烧坏电流表和电源;(3)小刚设计了如图乙所示电路,该电路中灯泡的作用有哪些?①______,②______;(4)小刚想用图乙的电路进一步验证“在电压相同时,流过导体的电流跟电阻成反比”,于是选用了几个阻值不同的定值电阻分别先后接入a、b两点间。
你认为小刚的方案是否可行?请加以解释?______。
【答案】甲 A、B 0.1 电流表示数的变化若ab间导线电阻太小由灯泡亮度可直观比较阻值大小限流,防止烧毁电流表和电源不可行,ab间的电阻改变时,其两端的电压会改变,不能保证电压相同【解析】【分析】【详解】(1)[1]由表中所给条件知,导线A和C的长度、横截面积相同,导体的材料不同,故可以探究甲同学的猜想。
[2]要探究横截面积与导体电阻大小的关系,就要控制导体的材料、长度相同,横截面积不同,在表格中给的导线中,只有A、B符合条件。
[3]要探究长度与导体电阻大小的关系,就要控制导体的材料、横截面积相同,导体的长度不同,在表格中给的导线中,只有C、D符合条件,故表格空白处应填0.1mm2。
九年级物理上册电压电阻单元测试卷(word版,含解析)一、初三物理电压电阻易错压轴题(难)1.有一个低压电源的电压在 30 V~36 V 间,小明要测量出它的电压(设电源电压保持不变),除了待测电源,手边有一个量程为 0~15 V 的一块电压表,及四个阻值已知的电阻,分别为R1(0.01 Ω)、R2(20 Ω)、R3(30 Ω)和R4(30 kΩ)各一个,一个开关及若干导线,请合理选择以上器材,测出电源电压。
要求:(1)在虚线框中画出实验电路图;(____)(2)写出实验步骤及所需测量的物理量________;(3)写出电源电压的表达式(用已知量和测量量表示)。
U= ______。
【答案】 a.按照电路图连接电路,开关断开;b.闭合开关 S,读出电压表的示数U1.U=2.5 U1【解析】【分析】【详解】(1)[1]由题意可知,电压表的最大量程小于电源的电压,故所用的实验电路应是串联电路,串联的两个电阻应选用20Ω和30Ω,用电压表测出其中一个电阻的电压,再根据串联电路的分压特点,可过求出另一个电阻的电压,则电源的电压亦可求出。
故电路如图:(2)[2]实验的操作过程是:a.按电路图连接电路,连接电路时开关应断开;b.闭合开关S,读出电压表的示数U1。
(3)[3]由实验操作可测出电阻R2的电压U1,而R2、R3的阻值分别为20Ω、30Ω,由串联电路的分压特点,有U1:U2=R2:R3=20Ω:30Ω=2:3即U2=1.5U1那么电源的电压U=U1+U2=U1+1.5U1=2.5U12.在“探究串联电路电压的特点”活动中:(1)如图所示,连接电路时,至少需要______根导线;实验中应选择规格______(相同/不同)的小灯泡;(2)在测L1两端电压时,闭合开关,发现电压表示数为零,原因可能是________________(填出一种即可);(3)小芳保持电压表的B连接点不动,只断开A连接点,并改接到C连接点上,测量L2两端电压。
九年级物理上册电压电阻单元测试卷附答案一、初三物理电压电阻易错压轴题(难)1.某同学用下图所示的电路探究“通过导体的电流与电压、电阻的关系”,电源电压恒为.(1)闭合开关后,电流表无示数,但电压表有示数,原因可能是__________.A.电流表断路B.电压表断路C.R1断路D.R2断路(2)探究电流与电压的关系时,应保持________不变(选填“R1”或“R2”).(3)探究电流与电阻的关系时,当R1的阻值是2Ω,电流表示数是1.0A,要使电流表示数是0.5A,R1的阻值是________Ω;多次测量后,作出的I-R1图像是图乙中的________.【答案】CR14D【解析】【分析】(1)闭合开关,电流表无示数,可能电路出现断路,电压表有示数,则与电压表并联的电路断路;(2)探究电流和电压的关系,应保持电阻不变;(3)探究电流和电阻的关系时,应保持电阻两端的电压不变,根据欧姆定律得到R1的阻值;根据电流和电阻的关系得到I-R1图像。
【详解】(1)闭合开关,电流表没有示数,可能出现断路,电压表有示数,则与电压表并联的R1断路,故选C。
(2)该实验是探究R1的电流和电压、电阻的关系,探究电流与电压的关系时,应保持R1不变;(3)R1两端的电压U=IR=1.0A×2Ω=2V,探究电流与电阻的关系时,应保持电阻两端的电压不变,要使电流表示数是0.5A,R1的阻值;因为电压不变,通过导体的电流和电阻成反比,所以作出的I-R1图像是图乙中的D。
【点睛】本题考查电流电压和电阻的关系,当导体的电阻一定时,导体中的电流与导体两端的电压成正比;当导体两端的电压一定时,导体中的电流与导体的电阻成反比。
2.在“探究导体的电阻跟哪些因素有关”的实验中.(1)小明为上述探究活动准备了四条电阻丝,电源电压恒定,并按图电路图进行连接,A、B间接入电阻丝.取得数据填入下表:编号材料长度横截面积电流(A)1镍铬合金2L S0.222锰铜合金2L S0.623镍铬合金L S0.444镍铬合金2L2S0.44(2)该实验通过比较________大小来判断接入A、B间的电阻丝的阻值大小;(3)这个实验的操作一定要小心谨慎,每次要用开关进行________,防止损坏电流表.(4)为了探究“电阻与长度的关系”,应该选用两条电阻丝________(填写所需要材料编号)分别接入A、B进行对比;如果将电阻丝1、2分别接入A、B间,可以探究电阻与________的关系;(5)在实验中发现在接入锰铜合金时,一开始电流到达了0.64A,过一会儿才变为0.62A,这说明导体的电阻与________有关.这个实验中,如果用小灯泡代替电流表,是否可行?答:________ (选填“可行”或“不可行”)【答案】电流试触 1和3 材料温度可行【解析】【分析】【详解】(2) 电源电压恒定,由URI可知,该实验通过比较电流大小来判断接入A、B间的电阻丝的阻值大小;(3)这个实验的操作一定要小心谨慎,每次要用开关进行试触,防止损坏电流表.(4)为了探究“电阻与长度的关系”,应该选用材料相同、横截面积相同的两条电阻丝,分别接入A、B进行对比,1和3就可以满足要求;电阻丝1和2材料不同,长度和横截面积相同,如果将电阻丝1、2分别接入A、B间,可以探究电阻与材料的关系;(5)在实验中发现在接入锰铜合金时,一开始电流到达了0.64A,过一会儿才变为0.62A,这说明导体的电阻与温度有关,温度升高电阻变大,电流变小.这个实验中,如果用小灯泡代替电流表,可行,可以通过观察小灯泡的亮暗比较电流大小,进而比较电阻的大小.3.用如图甲所示的电路可以测量一个未知电阻的阻值,其中R x为待测电阻,R为电阻箱(符号为),S为单刀双掷开关,R0为定值电阻.某同学用该电路进行实验,主要步骤有:A.把开关S接b点,调节电阻箱,使电流表的示数为IB.读出电阻箱的示数RC.把开关S接a点,读出电流表的示数为ID.根据电路图,连接实物,将电阻箱的阻值调至最大(1)上述步骤的合理顺序是(只需填写序号).(2)步骤A中电阻箱调节好后示数如图乙所示,则它的示数为Ω.若已知R0的阻值为10Ω,则待测电阻的阻值为____Ω.(3)本实验采用的物理思想方法可称为_____(选填“控制变量法”或“等效替代法”).【答案】(1)DCAB.(2)47Ω;47Ω.(3)等效替代法.【解析】【分析】【详解】(1)实验前,首先根据电路图,连接实物,将电阻箱的阻值调至最大,然后把开关S接a 点,读出电流表的示数为I;再接入电阻箱来替代,最后读出电阻箱的示数R,即为待则电阻的阻值.故上述步骤的合理顺序是:DCAB.(2)电阻箱×1000档位指示0,×100档位指示0,×10档位指示4,×1档位指示7.故电阻箱示数为47Ω.待测电阻的阻值为47Ω.(3)电路接入电阻箱和接入待则电阻,电流表示数一样,是采用等效替代法.4.小刚同学在探究串联电路电压规律的实验中,提出了猜想:串联电路中各用电器两端的电压相等,总电压等于各部分电压之和。
《电压电阻》单元测试卷1一、选择题(每小题2分,共24分)1.在如图所示的电路中,电源电压为3V,当开关S1、S2都闭合时,则()A.电压表的示数为3V B.电流表将被烧坏C.灯L1不亮、灯L2亮D.两只灯都将被烧坏2.如图所示的电路中,当开关S闭合后,发现电压表的指针仍指“零”处,其原因不可能是()A.L2灯丝断了,其他完好B.L1灯丝断了,其他完好C.灯L1发生短路D.电压表因接线不牢而开路3.张兰同学在做“探究串联电路的电压规律”实验时,连接好电路后闭合开关,灯L1和L2都不亮,她用电压表去检测电路的故障,她将电压表先并联在灯L1两端时发现电压表没有示数,灯都不亮;然后并接在灯L2两端时发现两灯均不亮,但电压表有示数,则()A.灯L1短路B.灯L1断路C.灯L2断D.灯L2短路4.如图所示是小红测定小灯泡电阻的电路图,当闭合开关S时,发现灯L不亮,电流表、电压表均无示数.若电路故障只出现在灯L和变阻器R中的一处,则下列判断正确的是()A.灯L短路 B.灯L断路 C.变阻器R短路 D.变阻器R断路5.如图所示,电源电压不变,开关S闭合时,电表的示数变化情况是()A.电压表示数变大,电流表示数变小B.电流表、电压表示数均变小C.电流表、电压表示数均变大D.电压表示数变小,电流表示数变大6.超导现象是20世纪的重大发现之一,科学家发现某些物质在温度很低时,如铅在﹣265.95℃以下,电阻就变成零.若常温下超导体研制成功,则超导体适合做()A.保险丝B.输电线C.滑动变阻器的线圈 D.电炉丝7.以下有关电阻的观点中,你认为错误的是()A.不同的导体,电阻一般不同B.导体被加热后,电阻一般会随温度升高而增大C.一个导体两端的电压越大,电流越大,则它的电阻就越小D.导体的电阻大小决定于导体的材料、长度、横截面积和温度8.照明电路中的一个灯泡正常工作时的电阻为R 1,不工作时的电阻为R 2,下列说法正确的是( )A .R 1>R 2B .R 1<R 2C .R 1=R 2D .无法确定9.下列说法中正确的是( )A .导体对电流的阻碍作用越大,导体的电阻越小B .滑动变阻器不管怎样接到电路中都能起到改变电阻的作用C .在闭合开关之前,滑动变阻器的滑片要调到阻值最小D .滑动变阻器在电路中不仅能起到改变电阻的作用,而还能改变电路中的电流10.给你两根长度相同但横截面积不同的镍铬合金线、一个电源、一只电流表、一只滑动变阻器、一个开关、若干根导线,现需要研究的课题有:①导体的电阻跟它的长度的关系;②导体的电阻跟它的横截面积的关系;③导体的电阻跟它的材料的关系.利用上述实验器材,可以完成的研究课题是( )A .只有①B .只有②C .①和②D .①、②和③11.在如图电路中,电源电压保持不变,当开关S 1闭合,S 2断开时,电压表的读数是3V ;当开关S 1断开,S 2闭合时,电压表的示数是5V ,则S 1断开时,灯L 1和L 2两端的电压分别为( )A .2V 和3VB .3V 和2VC .2V 和8VD .2V 和5V12.有甲、乙、丙、丁四根导线,其中甲、乙、丙三根是铜线,丁是镍铬合金线.甲、乙导线粗细相同,甲比乙短、乙、丙两导线长短一样,乙比丙粗,丙、丁长短粗细相同,则四根导线按其电阻大小排列是( )A .R 甲>R 乙>R 丙>R 丁B .R 丁>R 丙>R 乙>R 甲C.R丙>R乙>R甲>R丁D.R乙>R丁>R甲>R丙二、填空题13.如图所示,电源电压保持不变,R1为一热敏电阻,其阻值随温度的降低而增大.现往R1上擦一些酒精后,热敏电阻的温度(升高/降低),电流表的读数(变大/变小).14.如图所示,在图甲、乙的○内填上适当电表符号,要求闭合开关后灯泡都能发光.15.调节收音机音量的旋钮开关,实际上是一个,它的原理是,在电路中起的作用是.16.如图是大型电子地磅的电路图.当称重物时,在压力作用下滑片P向下端滑动,变阻器连入电路的电阻,电流表的示数.(选填“变大”“变小”或“不变”).这样把电流对应的重量刻在电流表的刻度盘上,就可以读出被称物体的重量.17.小明用两节干电池和一个灯泡连接了如图所示的电路,用来探究铅笔芯AB的导电性.闭合开关后发现灯泡能发光,这说明铅笔芯是,发出微弱的光说明有通过灯泡,当P向右移动时灯泡亮度增大,说明铅笔芯接入电路的电阻(选填增大或减小),这个实验说明导体的电阻跟导体的有关.18.用灯泡、导线、开关和钨丝组成串联电路如图,闭合开关,小灯泡发光.再用酒精灯对钨丝进行加热,会发现灯泡亮度变,由此你可以得出结论是.三、作图与实验探究题(3+4+9+6=22分)19.图中给出了几种元件,在图上用笔画线表示导线把电路元件连接起来,要求L1、L2并联,用滑动变阻器改变通过L2的电流大小,滑片P向右移动时灯L2变亮.20.实验课上,老师拿出如图甲所示的电路板,当开关S闭合后发现,灯L不亮,现已确定是由于灯L的短路或断路引起的.要求检测是哪一种故障.小羽同学做了如图乙的检测电图.将故障电路的开关S断开,分别把M、N接到a、b的接线柱上.若检测灯亮,则故障是;若检测灯不亮,则故障是.21.如图1所示的实验器材,现用电流表、电压表分别测出通过灯泡的电流和灯泡两端的电压,电路中电流约为0.5A,并用变阻器改变小灯泡的电流,要求滑片向右滑动时灯泡变亮.(1)按要求连接实物图.(2)在图2虚线框内画出相应的电路图.(3)在闭合开关前,滑动片P应调到端.(4)滑动变阻器的作用是.(5)当接变阻器的两个接线柱接入电路的两种情况下,灯泡很亮,移动变阻器不起变阻作用.22.小华通过调查发现,人们选择电线时都尽可能选择铜线,并且要较粗的,都是从电阻的角度来考虑的,于是他想导体的电阻是否与导体的和有关,他设计并完成了实验,填写到表.观察表并回答:(1)通过对该表格的分析只能得出导体的电阻与有关.(2)如果要知道与横截面积的关系,在导线选择上应选取和长度相同,而不同的导线.参考答案与试题解析一、选择题(每小题2分,共24分)1.在如图所示的电路中,电源电压为3V,当开关S1、S2都闭合时,则()A.电压表的示数为3V B.电流表将被烧坏C.灯L1不亮、灯L2亮D.两只灯都将被烧坏【考点】电路的动态分析.【专题】应用题;电路变化分析综合题.【分析】由电路图可知,当开关S1、S2都闭合时,两灯泡和电压表被短路,电流从正极出发,经电流表后,直接回到电源的负极;然后根据短路特点得出电路现象.【解答】解:由电路图可知,当开关S1、S2都闭合时,两灯泡和电压表被短路,电流从正极出发,经电流表后,直接回到电源的负极,∵用电器短路时,不能工作,∴两灯泡不亮且不会被烧坏,电压表无示数,故ACD不正确,∵电源短路时,电流过大,会烧坏电源和电流表,∴电流表将被烧坏,故B正确.故选B.【点评】分析好开关闭合后电路的连接方式和利用好电路的三种状态是解决本题的关键.2.如图所示的电路中,当开关S闭合后,发现电压表的指针仍指“零”处,其原因不可能是()A.L2灯丝断了,其他完好B.L1灯丝断了,其他完好C.灯L1发生短路D.电压表因接线不牢而开路【考点】电流表、电压表在判断电路故障中的应用.【分析】若电压表没有读数,则可能是所并联的地方短路或其他地方开路了,或电压表本身没有接好.【解答】解:A、可能,L2灯丝断了,电压表的两个接线柱不能都接到电源两极上,故没有示数.B、不可能,当L1灯丝断了,其他完好,电压表能通过L2接到电源,应有示数.C、可能,当灯L1发生短路时,它两端没有电压.D、可能,电压表因接线不牢而开路,故没有示数.故选B.【点评】用电压表判断故障时,若电压表有读数,可能是所并联的地方开路或其他地方短路了,若电压表没有读数,则可能是所并联的地方短路或其他地方开路了.3.张兰同学在做“探究串联电路的电压规律”实验时,连接好电路后闭合开关,灯L1和L2都不亮,她用电压表去检测电路的故障,她将电压表先并联在灯L1两端时发现电压表没有示数,灯都不亮;然后并接在灯L2两端时发现两灯均不亮,但电压表有示数,则()A.灯L1短路B.灯L1断路C.灯L2断D.灯L2短路【考点】电流表、电压表在判断电路故障中的应用.【专题】电流和电路.【分析】电路故障分为短路和断路.短路时电路中还有电流,有灯泡会亮.断路时,电路中没有电流,灯泡不亮.【解答】解:将电压表接到L1两端时,电压表没有示数,说明灯泡L1完好;将电压表接到L2两端时,电压表有示数,灯泡都不亮,说明灯泡说明灯L2断路.故选C.【点评】此题考查用电压表判断电路中的故障,要记住短路和断路的区别以仪表表在电路中的不同特征.4.如图所示是小红测定小灯泡电阻的电路图,当闭合开关S时,发现灯L不亮,电流表、电压表均无示数.若电路故障只出现在灯L和变阻器R中的一处,则下列判断正确的是()A.灯L短路 B.灯L断路 C.变阻器R短路 D.变阻器R断路【考点】电流表、电压表在判断电路故障中的应用.【专题】压轴题;推理法;图析法.【分析】灯泡不亮说明电路某处断路或灯短路;若电压表无示数,说明电压表被短路或与电源不能相通;电流表无示数说明是某处断路或电流表短路;综合分析进行判断.【解答】解:A、灯泡L短路,灯不亮,电压表示数为0,电流表有示数,不符合题意,故A错;B、灯泡L发生断路,灯不亮,电压表的正负接线柱与电源正负极之间连接是连通的,电压表有示数;电压表的电阻无限大,使得电路中的电流为0,电流表的示数为0,不符合题意,故B错;C、变阻器短路,灯亮,电压表和电流表都有示数,不符合题意,故C错;D、变阻器断路,灯不亮,电流表和电压表都无示数,符合题意,故D正确.故选D.【点评】本题考查了学生利用电流表、电压表判断电路故障的分析能力,电路故障分短路和开路两种情况,平时做实验时试一试,多总结、提高分析能力.5.如图所示,电源电压不变,开关S闭合时,电表的示数变化情况是()A.电压表示数变大,电流表示数变小B.电流表、电压表示数均变小C.电流表、电压表示数均变大D.电压表示数变小,电流表示数变大【考点】欧姆定律的应用;电流表的使用;电压表的读数方法;电阻的串联.【专题】应用题;动态预测题.【分析】由电路图可知,当开关S断开时,两电阻串联,电压表测R2两端的电压,电流表测电路中的电流;当开关S闭合时,电路为R2的简单电路,电压表测电源的电压,电流表被短路,据此判断电流表示数的变化;根据串联电路的电压特点确定电压表示数的变化.【解答】解:开关断开时,等效电路图如图1所示;开关闭合时,等效电路图如图2所示.∵开关S闭合前电压表测R2两端的电压,闭合后测电源的电压;∴根据串联电路总电压等于各分电压之和可知,开关S闭合时电压表的示数变大;∵开关S闭合前电流表测图1中的电流,闭合后被短路,∴开关S闭合时,电流表的示数变小.故选A.【点评】本题考查了串联电路的特点和欧姆定律的应用,关键是开关闭合前后电路连接方式的辨别和电表所测电路原件的判断.6.超导现象是20世纪的重大发现之一,科学家发现某些物质在温度很低时,如铅在﹣265.95℃以下,电阻就变成零.若常温下超导体研制成功,则超导体适合做()A.保险丝B.输电线C.滑动变阻器的线圈 D.电炉丝【考点】超导体在磁悬浮列车、超导输电的应用;超导体的特点;滑动变阻器的工作原理;熔断器的作用及保险丝的选择方法;电热.【专题】应用题;信息给予题.【分析】由于超导体的电阻为0,则没有内能的产生,不会放热.根据这一特点,分析选项.【解答】解:A、保险丝的作用,是当电流过大时,自动熔断来保护电路.B、用超导体做输电线,可以有效地减小电能的损耗.C、线圈的电阻较大,通过滑片位置的改变可以进行调节.D、电炉丝需要电阻较大的材料,才能发出较多的热量.故选B.【点评】本题考查超导体具体应用,需要从使用目的上和其他用电器进行区分.7.以下有关电阻的观点中,你认为错误的是()A.不同的导体,电阻一般不同B.导体被加热后,电阻一般会随温度升高而增大C.一个导体两端的电压越大,电流越大,则它的电阻就越小D.导体的电阻大小决定于导体的材料、长度、横截面积和温度【考点】影响电阻大小的因素.【专题】电压和电阻.【分析】电阻是导体本身的阻碍电流的性质,其大小与导体的材料、长度、横截面积、温度有关,而与导体两端的电压、通过的电流无关.据此分析判断.【解答】解:A、影响导体电阻的大小的因素有:长度、横截面积和材料,还与温度有关,因此,不同的导体,材料不同,所以电阻一般不同,故A不符合题意;B、电阻的大小与电阻丝的温度有关,大多数导体的电阻随温度的升高而增大,如灯丝;也有少数导体,电阻随温度的升高而减小,故B不符合题意;C、电阻大小取决于导体的材料、长度、横截面积以及温度有关,与导体两端电压和通过的电流无关,导体两端的电压越大,通过的电流越大,但电阻不变,故C符合题意;D、影响导体电阻的大小的因素有:长度、横截面积和材料,还与温度有关,故D不符合题意.故选C.【点评】此题主要考查影响电阻大小的因素,是一道基础题;解答此题的关键是我们要知道电阻的大小和电压和电流无关.8.照明电路中的一个灯泡正常工作时的电阻为R1,不工作时的电阻为R2,下列说法正确的是()A.R1>R2B.R1<R2C.R1=R2D.无法确定【考点】影响电阻大小的因素.【专题】电压和电阻.【分析】影响电阻的因素有材料、长度、横截面积以及温度.【解答】解:因为灯丝的电阻随温度的升高而增大,所以灯丝工作时,电阻较大,即R1>R2.故选A.【点评】本题考查影响电阻大小的因素,灯丝的电阻与温度有关,温度越高,电阻越大.9.下列说法中正确的是()A.导体对电流的阻碍作用越大,导体的电阻越小B.滑动变阻器不管怎样接到电路中都能起到改变电阻的作用C.在闭合开关之前,滑动变阻器的滑片要调到阻值最小D.滑动变阻器在电路中不仅能起到改变电阻的作用,而还能改变电路中的电流【考点】电阻;滑动变阻器的使用.【专题】电压和电阻.【分析】(1)导体的电阻是导体的一种性质,反映了导体对电流阻碍作用的大小;电阻大小与导体的材料、长度、横截面积有关,与导体中的电流、导体两端的电压大小无关.(2)滑动变阻器通过改变连入电路中电阻线的长度,改变电阻的大小;从而改变电路中的电流;使用时,必须上下接线柱任选一个;且滑片要滑到阻值最大处.【解答】解:A、导体对电流的阻碍作用越大,导体的电阻就越大;故A错误;B、滑动变阻器使用时,必须上下接线柱任选一个;故B错误;C、滑动变阻器使用时,滑片要滑到阻值最大处,起到保护电路的作用;故C错误;D、滑动变阻器通过改变连入电路中电阻线的长度,改变电阻的大小,从而改变电路中的电流;故D正确;故选D.【点评】深入理解电阻概念和滑动变阻器的原理、使用规则,是解答此题的关键.10.给你两根长度相同但横截面积不同的镍铬合金线、一个电源、一只电流表、一只滑动变阻器、一个开关、若干根导线,现需要研究的课题有:①导体的电阻跟它的长度的关系;②导体的电阻跟它的横截面积的关系;③导体的电阻跟它的材料的关系.利用上述实验器材,可以完成的研究课题是()A.只有①B.只有②C.①和②D.①、②和③【考点】控制变量法与探究性实验方案.【专题】探究型实验综合题.【分析】根据控制变量法的思路,要探究电阻与某个因素的关系,就要保证这个因素要不同,其他的因素都一样.要探究电阻跟长度的关系,要保证材料和横截面积不变改变长度.要探究电阻跟横截面积的关系,要保证材料和长度不变改变横截面积.要探究电阻跟材料的关系,要保证长度和横截面积不变改变材料.【解答】解:①在研究导体的电阻跟导体横截面积的关系时,需要控制长度相同、材料相同,横截面积不同的实验器材,而两根长度相同、横截面积不同的、均匀的镍铬合金线正好符合实验要求;②在研究导体的电阻跟导体长度的关系时,要有材料相同、横截面积相同,长度不同的实验器材,我们可以把其中一根合金丝截断,这样就会有长度不同,材料相同、横截面积相同的实验器材,可以实验;③探究导体的电阻跟它的材料的关系,应控制导体的长度、横截面积都相等而材料不同,由题意可知,两合金线的材料相同,因此不能探究导体的电阻跟它的材料的关系,故③错误;由以上分析可知,可以验证①②,故C正确;故选C.【点评】在运用控制变量法时,要注意控制好变量.根据控制变量法的思路,在探究物理量与某个因素的关系,就要保证这个因素要不同,其他的因素都要相同.11.在如图电路中,电源电压保持不变,当开关S1闭合,S2断开时,电压表的读数是3V;当开关S1断开,S2闭合时,电压表的示数是5V,则S1断开时,灯L1和L2两端的电压分别为()A .2V 和3VB .3V 和2VC .2V 和8VD .2V 和5V【考点】串联电路的电压规律.【专题】应用题;电压和电阻.【分析】当开关S 1闭合、S 2断开时,两灯泡串联,电压表测L 1两端的电压;当S l 、S 2都闭合时,灯泡L 2短路,电压表测量的是电源电压;当S 1断开、S 2闭合时,两灯泡串联,电压表测电源的电压;【解答】解:在如图电路中,电源电压保持不变,当开关S 1闭合,S 2断开时,电压表测L 1两端的电压,即为3V ;当S l 、S 2都闭合时,灯泡L 2短路,电压表测量的是电源电压,即为5V ;故S 1断开时,灯L 1和L 2串联,故L 2的电压是:5V ﹣3V=2V ;故选B .【点评】本题考查了电压表的使用和串联电路的电压的特点,分清各种情况下电路的连接方式和电压表所测的电路元件是关键.12.有甲、乙、丙、丁四根导线,其中甲、乙、丙三根是铜线,丁是镍铬合金线.甲、乙导线粗细相同,甲比乙短、乙、丙两导线长短一样,乙比丙粗,丙、丁长短粗细相同,则四根导线按其电阻大小排列是( )A .R 甲>R 乙>R 丙>R 丁B .R 丁>R 丙>R 乙>R 甲C .R 丙>R 乙>R 甲>R 丁D .R 乙>R 丁>R 甲>R 丙【考点】影响电阻大小的因素.【专题】应用题;推理法.【分析】影响电阻大小的因素是导体的材料、长度、横截面积,并且与长度成正比,与横截面积成反比;要比较不同导体的电阻大小,就要从以上三个因素入手考虑.【解答】解:甲和乙都是铜导线,材料相同,横截面积相同,但乙比甲长,由于导体的电阻与长度成正比,所以乙的电阻大于甲的电阻.丙和乙都是铜导线,材料相同,长度相同,但乙比丙粗,即乙的横截面积大,由于导体的电阻与横截面积成反比,所以乙的电阻小于丙的电阻.丙和丁的长度、横截面积都相同,但材料不同,由于镍铬合金的电阻率大于铜的电阻率,所以在长度和横截面积都相同的情况下,丙的电阻小于丁的电阻.综上分析故选:B.【点评】利用题目中告诉的甲乙丙丁它们之间:材料、长度、横截面积的关系根据欧姆定律确定它们之间电阻的大小关系是解决此题的关键.二、填空题13.如图所示,电源电压保持不变,R1为一热敏电阻,其阻值随温度的降低而增大.现往R1上擦一些酒精后,热敏电阻的温度降低(升高/降低),电流表的读数变小(变大/变小).【考点】欧姆定律的应用;汽化及汽化吸热的特点.【分析】往R1上擦一些酒精后,酒精蒸发,吸收热量,热敏电阻的温度减低.根据欧姆定律,可判断电流表的读数的变化.【解答】解;(1)往R1上擦一些酒精后,酒精蒸发,吸收热量,热敏电阻的温度减低.(2)电源电压保持不变,热敏电阻的阻值随温度的降低而增大,热敏电阻的温度减低,所以,电阻增大.根据欧姆定律I=可判断;电流表的读数变小.故答案是:降低;变小.【点评】考查了欧姆定律的应用和酒精蒸发吸热的知识点.14.如图所示,在图甲、乙的○内填上适当电表符号,要求闭合开关后灯泡都能发光.【考点】电路图及元件符号.【专题】电流和电路.【分析】电流表是串联使用的,并且电流表在电路中相当于导线;电压表是并联使用的,并且电压表在电路中相当于开路,据此分析解答.【解答】解:甲:根据电路图可知,上面圈与灯泡并联,因此上面为电压表,下面圈与灯泡串联,因此下面圈为电流表;乙:如果上面圈为电流表,将形成电源短路,故上面为电压表,为了形成通路,则下面圈为电流表,如下图所示:【点评】本题考查了电流表和电压表的使用方法.解题的关键是明白电压表是并联使用,电流表是串联使用.15.调节收音机音量的旋钮开关,实际上是一个滑动变阻器,它的原理是改变接入电路电阻丝的长度,来改变接入电路的电阻,在电路中起的作用是改变电路中的电流.【考点】滑动变阻器的工作原理.【专题】电压和电阻.【分析】收音机的旋钮开关实际上是一个滑动变阻器,滑动变阻器工作原理:移动滑片改变接入电路电阻丝的长度,来改变接入电路的电阻,来改变电路中的电流.【解答】解:收音机的旋钮开关实际上是一个滑动变阻器,移动滑片,改变接入电路电阻丝的长度,来改变接入电路的电阻,来改变电路中的电流,从而能改变收音机的音量.故答案为:滑动变阻器;改变接入电路电阻丝的长度,来改变接入电路的电阻;改变电路中的电流.【点评】收音机中调节音量的旋钮开关是一种滑动变阻器.16.如图是大型电子地磅的电路图.当称重物时,在压力作用下滑片P向下端滑动,变阻器连入电路的电阻变小,电流表的示数变大.(选填“变大”“变小”或“不变”).这样把电流对应的重量刻在电流表的刻度盘上,就可以读出被称物体的重量.【考点】滑动变阻器的使用;欧姆定律的应用.【专题】应用题;压轴题.【分析】滑动变阻器是通过改变连入电路中电阻丝的长度来改变电阻的,由图可知,滑片P向下滑动,连入电路中的电阻丝长度变短,阻值变小,根据欧姆定律可知,电流变大.【解答】解:滑片P向下滑动→PB段变短→变阻器连入电阻变小→总电阻变小→电流变大故答案为:变小,变大.【点评】本题考查滑动变阻器的原理和滑动变阻器的作用,此题联系生活,让学生能感受到物理学是有用的.17.小明用两节干电池和一个灯泡连接了如图所示的电路,用来探究铅笔芯AB的导电性.闭合开关后发现灯泡能发光,这说明铅笔芯是导体,发出微弱的光说明有电流通过灯泡,当P向右移动时灯泡亮度增大,说明铅笔芯接入电路的电阻减小(选填增大或减小),这个实验说明导体的电阻跟导体的长度有关.【考点】导体;滑动变阻器的使用;欧姆定律的应用.【专题】实验题.【分析】灯泡能够发光也就说明了有电流通过灯泡,铅笔芯可以导电是导体.。