日立螺杆冷水机组维保报价
- 格式:doc
- 大小:55.50 KB
- 文档页数:6
日立螺杆冷水机组维保报价制冷主机(RCU100SC)维保方案报价一、? ?? ?? ?? ??大修项目内容1、机组型号:RCU100SC(2台)。
2、对机组排水,并打开机组冷凝器和蒸发器两侧端盖。
3、检查有无泄漏。
4、维修、解决泄漏问题。
5、彻底清洗蒸发器、冷凝器铜管。
6、用涡轮无损探伤仪对蒸发器、冷凝器铜管进行逐根探伤,更换损坏的铜管并对新铜管镀膜(或用塞子塞住损坏铜管)。
7、对1#压缩机报警维修。
8、机组维修、更换配件(过滤器)、除湿、打压。
9、机组开机调试。
二、? ?? ?? ?? ??大修技术方案1、排出机组蒸发器、冷凝器及油分离器内部水分,放出机组内部润滑油(蒸发器、冷凝器中水分和制冷剂用专用抽氟机抽到专用冷媒罐中并封存) 。
2、拆除机组蒸发器和冷凝器进出水管。
3、使用工业高纯(99.999%)氮气对机组整体加压到12公斤,保压24小时,对整机进行检漏。
4、对已漏冷凝器铜管使用铜塞(长40MM)堵塞。
5、安装上机组蒸发器和冷凝器进出水管。
6、连接专用清洗设备对机组蒸发器和冷凝器铜管进行物理、化学清洗。
7、拆除北侧机组蒸发器和冷凝器进出水管。
10、使用专用涡轮无损铜管探伤仪对机组蒸发器和冷凝器内部未漏损的铜管进行逐根探伤,并记录每根铜管损伤情况。
11、使用专用拔管机对损伤铜管拔出来,使用专用胀管器胀接新的铜管(或用铜塞子塞住所有损坏铜管)。
12、对机组进行打压试验,使用工业高纯(99.999%)氮气对机组整体加压到20公斤,保压24小时,压力不变为合格。
13、对机组进行抽湿处理。
14、全部拆开油路管路和油路配件,清洗内部锈和杂物。
15、拆开机组轴封,检查动环和静环接触面,清洗动环和静环,重新安装轴封。
16、打开压缩机三个检查口,检查压缩机内腔,如有锈蚀则打开压缩机,清理锈蚀和杂物,清洗轴承和阴阳转子,重新装配轴承和阴阳转子。
17、对机机组进行真空试验,使用真空泵对北侧机组抽真空到30mmhg, 保压24小时,压力不变为合格。
商用大型中央空调清洗价格商用大型中央空调清洗参考价格:清洗项目单价1.无机酸清洗0.8~1万元/100万卡2.有机酸清洗1~1.5万元/100万卡3.碱洗后中性清清洗1.2~1.8万元/100万卡4.致中性清洗1.8~3万元/100万卡5.冷却塔700~1200元/吨6.冷却塔(不停机洗)300~500元/吨7.空调系统水质保养200元/吨/年8.热交换器800~1500元/吨商用大型中央空调维修保养费用:主要包括服务费和材料费等部分。
以下提供中央空调的部分维护保养费用(带* 不含材料费)1、空调机房主机、冷却塔、水泵等系统⑴、制冷主机维修保养费:每大卡费用为0.03。
*⑵、锅炉炉膛清洗费用为:每台2000.00;⑶、锅炉维修保养费:每大卡费用为0.05。
*⑷、冷却塔清洗保养费用为:每台费用为1200.00;⑸、冷却塔、水泵维修费用为:每台费用为800.00;*⑹、冷却管道药物循环清洗:费用为每个系统1500.00;清水循环清洗:费用为每个系统800.00;2、空调机房电气系统:电气柜维修检测费用为:按单个回路360.00计算。
3、空调末端的风系统、电气系统、水系统:①风机盘管铜管内壁污垢高压泵+药物循环清洗费用为:每台150.00;②风机盘管电气开关及线路检测费用为:每台40.00;③风机盘管电机轴承更换维修费用为:每台300.00;④风机盘管重挠电机线圈费用为:每台360.00;⑤风机盘管过滤器清洗及管道内泥浆冲洗费用为:每台30.00;⑥风机盘管电机风轮及表冷器清洗费用为:每台400.00⑦变风量、新风机组高压泵+药物循环清洗保养费用为:每台1200.00;⑧主机冷凝器清洗保养费用为:手工刷洗每个费用为1500.00;机械旋转刷洗每个费用为6500.00;⑨管道、阀门维修费用为:DN100以下蝶阀每个点100.00;DN100蝶阀以上每个点300.00元;*DN100以上闸阀,截止阀,电动阀维修或更换,每个450.00;*⑩冷冻管道清水清洗:费用为每个系统2600.00;冷冻管道药物循环清洗:费用为每个系统6000.00;1、日立水冷螺杆机组一次性保养(具体保养办法及内容见附表)日立水冷螺杆机组保养(3台)2、吊顶式风柜一次性保养(具体保养办法及内容见附表)吊顶式风柜保养(20台)3、冷却塔一次性保养(具体保养办法及内容见附表)冷却塔保养(7台)4、冷却/冻水泵一次性保养(具体保养办法及内容见附表)冷却/冻水泵保养(9台)5、冷却水系统一次性保养(具体保养办法及内容见附表)冷却水系统保养(1套)5、冷冻水系统一次性保养(具体保养办法及内容见附表)冷却/冻水系统保养(1套)附注:1、以上报价为一次性维保服务;2、维保过程中设备所需更换的零配件、管阀件及电器元件不含在该报价范围内;3、维保过程中如涉及空调改造等项目需另行报价;4、该报价不含维保过程产生的水、电费用以及维保过程中所产生的与该维保相关的物业管理费用。
中央空调系统维护保养方案
及报价
一、项目信息
1.客户名称:
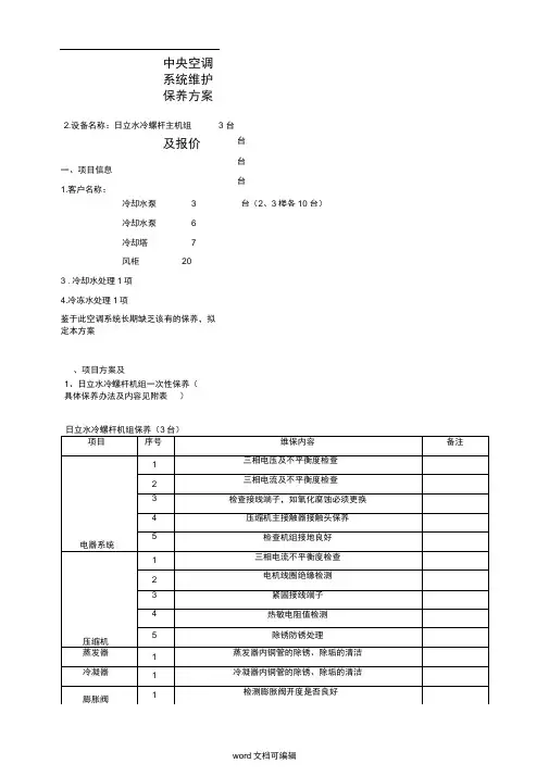
冷却水泵 3 冷却水泵 6 冷却塔 7 风柜
20
3 .冷却水处理1项 4.冷冻水处理1项
鉴于此空调系统长期缺乏该有的保养,拟定本方案
、项目方案及
1、日立水冷螺杆机组一次性保养( 具体保养办法及内容见附表 )
2.设备名称:日立水冷螺杆主机组
3 台
台 台
台
台(2、3楼各10 台)
3、冷却塔一次性保养(具体保养办法及内容见附表)
4、冷却/冻水泵一次性保养(具体保养办法及内容见附表)
5、冷却水系统一次性保养(具体保养办法及内容见附表)
5、冷冻水系统一次性保养(具体保养办法及内容见附表)
附注:1、以上报价为一次性维保服务;
2 、维保过程中设备所需更换的零配件、管阀件及电器元件不含在该报价范围内;
3 、维保过程中如涉及空调改造等项目需另行报价;
4 、该报价不含维保过程产生的水、电费用以及维保过程中所产生的与该维保相关的物业管理
费用。
商用大型中央空调清洗价格商用大型中央空调清洗参考价格:清洗项目单价1.无机酸清洗0.8~ 1万元/100万卡2.有机酸清洗1 ~ 1.5万元/100万卡3.碱洗后中性清清洗1.2 ~ 1.8万元/100万卡4.致中性清洗1.8~ 3万元/100万卡5.冷却塔700 ~ 1200元/吨6.冷却塔(不停机洗)300 ~ 500元/吨7.空调系统水质保养200元/吨/年8.热交换器800~1500元/吨商用大型中央空调维修保养费用:主要包括服务费和材料费等部分。
以下提供中央空调的部分维护保养费用(带*不含材料费)1、空调机房主机、冷却塔、水泵等系统⑴、制冷主机维修保养费:每大卡费用为0.03。
*⑵、锅炉炉膛清洗费用为:每台2000.00 ;⑶、锅炉维修保养费:每大卡费用为0.05。
*⑷、冷却塔清洗保养费用为:每台费用为1200.00 ;⑸、冷却塔、水泵维修费用为:每台费用为800.00 ; *⑹、冷却管道药物循环清洗费用为每个系统1500.00清水循环清洗费用为每个系统800.00 ;2、空调机房电气系统:电气柜维修检测费用为:按单个回路360.00计算。
3、空调末端的风系统、电气系统、水系统:①风机盘管铜管内壁污垢高压泵+药物循环清洗费用为:每台150.00 ;②风机盘管电气开关及线路检测费用为:每台40.00 ;③风机盘管电机轴承更换维修费用为:每台300.00 ;④风机盘管重挠电机线圈费用为:每台360.00 ;⑤风机盘管过滤器清洗及管道内泥浆冲洗费用为:每台30.00 ;⑥风机盘管电机风轮及表冷器清洗费用为:每台400.00⑦变风量、新风机组高压泵+药物循环清洗保养费用为:每台1200.00 ;⑧主机冷凝器清洗保养费用为:手工刷洗每个费用为1500.00 ;机械旋转刷洗每个费用为6500.00 ;⑨管道、阀门维修费用为:DN100以下蝶阀每个点100.00 ; DN100蝶阀以上每个点300.00元;*DN100以上闸阀,截止阀,电动阀维修或更换,每个450.00 ; *⑩冷冻管道清水清洗:费用为每个系统2600.00 ;冷冻管道药物循环清洗:费用为每个系统中内空调系统维护保养服务报价表1,板换间设备及宿舍区盘首风机报价6000.00 ;六、维护保养收费标准K 室内风机盘管维护保推收费标准2、主机机组维护保养收费标准1、日立水冷螺杆机组一次性保养(具体保养办法及内容见附表)日立水冷螺杆机组保养(3台)2、吊顶式风柜一次性保养(具体保养办法及内容见附表)203、冷却塔一次性保养(具体保养办法及内容见附表)冷却塔保养(7台)4、冷却/冻水泵一次性保养(具体保养办法及内容见附表)冷却/冻水泵保养(9台)5、冷却水系统一次性保养(具体保养办法及内容见附表)15、冷冻水系统一次性保养(具体保养办法及内容见附表)1附注:1、以上报价为一次性维保服务;2、维保过程中设备所需更换的零配件、管阀件及电器元件不含在该报价范围内;3、维保过程中如涉及空调改造等项目需另行报价;4、该报价不含维保过程产生的水、电费用以及维保过程中所产生的与该维保相关的物业管理费用。
日立空调的出现,无疑为人们的日常生活带来了极大的便利,不仅能让人们免受夏日酷暑,还可避免冬日严寒,但随着空调的使用时间增长,难免就会出现一些基本器械的损坏,而这时如不想影响使用,就需要及时进行空调的维修,因此,维修收费标准就成了很多用户比较关心的问题,下面就针对这个问题为您具体介绍一下。
一、上门服务收费标准
二、检查检修收费标准
三、设备维修收费标准
四、工程维修收费标准
以上就是日立中央空调有关维修收费的介绍,相信广大用户已对维修的相应价格标准有了具体的了解,但因目前维修空调的公司较多,所以,收费也会有所差异,因此,以上数据仅供参考,想要了解具体的维修费用还需看空调更换部件的费用以及空调维修的难度,另外不同地区的空调维修费用也会存在一定的差距,大家可到专门的维修门店了解具体的维修费用。
中央空调系统维护保养检修清单报价中央空调系统维护保养检修清单报价使用运行两年的设备:1、全封闭离心式冷水机组每台20000.00元附属设备维护检修保养:2、冷却水泵五台每台1000.00 元3、冷冻水泵六台每台1000.00 元4、冷却水变频补水泵三台每台500.00 元5、冷冻水变频补水泵三台每台500.00 元6、冷却塔每台1000.00 元7、软水设备一台每台1000.00 元8、软水箱一个清洗每个800.00 元9风机盘管FP-8中速制冷量28KW机外静压12Pa每台200.00 10风机盘管FP-10中速制冷量4.95KW机外静压50Pa每台200.00 11风机盘管FP-12.5中速制冷量5.85KW机外静压50Pa每台3500.00 12风机盘管FP-13.6中速制冷量6.65KW机外静压50Pa每台400.0013、散流器送风口铝合金500*500每个80.0元14、散流器送风口铝合金400*400每个50.00元15、散流器送风口铝合金240*240每个40.00元16、热交换机组每台8000.00末端设备清洗维护保养:(未使用过的设备、准备开机运行)新设备准备开机运行清理维护保养全封闭离心式冷水机组每台8000.00元1空气处理机TF-6X2D额定风量12000M3/H机外静压250Pa每台1000.00元2空气处理机TF-5X2D额定风量100003/H 机外静压220Pa 每台1000.00元3空气处理机TF-4X2D额定风量8000M3/H机外静压190Pa 每台1000.00元4空气处理机TF-3.5X2D额定风量7000M3/H机外静压190Pa每台900.00元5空气处理机TF-6D额定风量6000M3/H机外静压150Pa 每台800.00元6空气处理机TF-5D额定风量5000M3/H机外静压100Pa 每台500.00元7热管式能量回收新风处理机组额定风量10000M3/H机外静压300Pa每台1000.00 8新风处理机组额定风量10000M3/H机外静压423Pa每台1000.009风机盘管FP-8中速制冷量28KW机外静压12Pa每台150.00 10风机盘管FP-10中速制冷量4.95KW机外静压50Pa每台180.00 11风机盘管FP-12.5中速制冷量5.85KW机外静压50Pa每台210.00 12风机盘管FP-13.6中速制冷量6.65KW机外静压50Pa每台200.0013、散流器送风口铝合金500*500每个50.0元14、散流器送风口铝合金400*400每个40.00元15、散流器送风口铝合金240*240每个30.00元。
日立螺杆冷水机组维保报价Company Document number:WTUT-WT88Y-W8BBGB-BWYTT-19998制冷主机(RCU100SC)维保方案报价一、大修项目内容1、机组型号:RCU100SC(2台)。
2、对机组排水,并打开机组冷凝器和蒸发器两侧端盖。
3、检查有无泄漏。
4、维修、解决泄漏问题。
5、彻底清洗蒸发器、冷凝器铜管。
6、用涡轮无损探伤仪对蒸发器、冷凝器铜管进行逐根探伤,更换损坏的铜管并对新铜管镀膜(或用塞子塞住损坏铜管)。
7、对1#压缩机报警维修。
8、机组维修、更换配件(过滤器)、除湿、打压。
9、机组开机调试。
二、大修技术方案1、排出机组蒸发器、冷凝器及油分离器内部水分,放出机组内部润滑油 (蒸发器、冷凝器中水分和制冷剂用专用抽氟机抽到专用冷媒罐中并封存) 。
2、拆除机组蒸发器和冷凝器进出水管。
3、使用工业高纯(%)氮气对机组整体加压到12公斤,保压24小时,对整机进行检漏。
4、对已漏冷凝器铜管使用铜塞(长40MM)堵塞。
5、安装上机组蒸发器和冷凝器进出水管。
6、连接专用清洗设备对机组蒸发器和冷凝器铜管进行物理、化学清洗。
7、拆除北侧机组蒸发器和冷凝器进出水管。
10、使用专用涡轮无损铜管探伤仪对机组蒸发器和冷凝器内部未漏损的铜管进行逐根探伤,并记录每根铜管损伤情况。
11、使用专用拔管机对损伤铜管拔出来,使用专用胀管器胀接新的铜管(或用铜塞子塞住所有损坏铜管)。
12、对机组进行打压试验,使用工业高纯(%)氮气对机组整体加压到20公斤,保压24小时,压力不变为合格。
13、对机组进行抽湿处理。
14、全部拆开油路管路和油路配件,清洗内部锈和杂物。
15、拆开机组轴封,检查动环和静环接触面,清洗动环和静环,重新安装轴封。
16、打开压缩机三个检查口,检查压缩机内腔,如有锈蚀则打开压缩机,清理锈蚀和杂物,清洗轴承和阴阳转子,重新装配轴承和阴阳转子。
17、对机机组进行真空试验,使用真空泵对北侧机组抽真空到30mmhg, 保压24小时,压力不变为合格。
中央空调系统维护保养检修清单报价使用运行两年的设备:1、全封闭离心式冷水机组每台20000.00元附属设备维护检修保养:2、冷却水泵五台每台1000.00 元3、冷冻水泵六台每台1000.00 元4、冷却水变频补水泵三台每台500.00 元5、冷冻水变频补水泵三台每台500.00 元6、冷却塔每台1000.00 元7、软水设备一台每台1000.00 元8、软水箱一个清洗每个800.00 元9风机盘管FP-8中速制冷量28KW机外静压12Pa每台200.00 10风机盘管FP-10中速制冷量4.95KW机外静压50Pa每台200.00 11风机盘管FP-12.5中速制冷量5.85KW机外静压50Pa每台3500.0012风机盘管FP-13.6中速制冷量6.65KW机外静压50Pa每台400.0013、散流器送风口铝合金500*500每个80.0元14、散流器送风口铝合金400*400每个50.00元15、散流器送风口铝合金240*240每个40.00元16、热交换机组每台8000.00末端设备清洗维护保养:(未使用过的设备、准备开机运行)新设备准备开机运行清理维护保养全封闭离心式冷水机组每台8000.00元1空气处理机TF-6X2D额定风量12000M³/H机外静压250Pa每台1000.00元2空气处理机TF-5X2D额定风量10000³/H 机外静压220Pa 每台1000.00元3空气处理机TF-4X2D额定风量8000M³/H机外静压190Pa 每台1000.00元4空气处理机TF-3.5X2D额定风量7000M³/H机外静压190Pa 每台900.00元5空气处理机TF-6D额定风量6000M³/H机外静压150Pa 每台800.00元6空气处理机TF-5D额定风量5000M³/H机外静压100Pa 每台500.00元7热管式能量回收新风处理机组额定风量10000M³/H机外静压300Pa每台1000.008新风处理机组额定风量10000M³/H机外静压423Pa每台1000.00 9风机盘管FP-8中速制冷量28KW机外静压12Pa每台150.00 10风机盘管FP-10中速制冷量4.95KW机外静压50Pa每台180.0011风机盘管FP-12.5中速制冷量5.85KW机外静压50Pa每台210.0012风机盘管FP-13.6中速制冷量6.65KW机外静压50Pa每台200.0013、散流器送风口铝合金500*500每个50.0元14、散流器送风口铝合金400*400每个40.00元15、散流器送风口铝合金240*240每个30.00元。
制冷主机(RCU100SC)维保方案报价一、大修项目内容1、机组型号:RCU100SC(2台)。
2、对机组排水,并打开机组冷凝器和蒸发器两侧端盖。
3、检查有无泄漏。
4、维修、解决泄漏问题。
5、彻底清洗蒸发器、冷凝器铜管。
6、用涡轮无损探伤仪对蒸发器、冷凝器铜管进行逐根探伤,更换损坏的铜管并对新铜管镀膜(或用塞子塞住损坏铜管)。
7、对1#压缩机报警维修。
8、机组维修、更换配件(过滤器)、除湿、打压。
9、机组开机调试。
二、大修技术方案1、排出机组蒸发器、冷凝器及油分离器内部水分,放出机组内部润滑油(蒸发器、冷凝器中水分和制冷剂用专用抽氟机抽到专用冷媒罐中并封存) 。
2、拆除机组蒸发器和冷凝器进出水管。
3、使用工业高纯(99.999%)氮气对机组整体加压到12公斤,保压24小时,对整机进行检漏。
4、对已漏冷凝器铜管使用铜塞(长40MM)堵塞。
5、安装上机组蒸发器和冷凝器进出水管。
6、连接专用清洗设备对机组蒸发器和冷凝器铜管进行物理、化学清洗。
7、拆除北侧机组蒸发器和冷凝器进出水管。
10、使用专用涡轮无损铜管探伤仪对机组蒸发器和冷凝器内部未漏损的铜管进行逐根探伤,并记录每根铜管损伤情况。
11、使用专用拔管机对损伤铜管拔出来,使用专用胀管器胀接新的铜管(或用铜塞子塞住所有损坏铜管)。
12、对机组进行打压试验,使用工业高纯(99.999%)氮气对机组整体加压到20公斤,保压24小时,压力不变为合格。
13、对机组进行抽湿处理。
14、全部拆开油路管路和油路配件,清洗内部锈和杂物。
15、拆开机组轴封,检查动环和静环接触面,清洗动环和静环,重新安装轴封。
16、打开压缩机三个检查口,检查压缩机内腔,如有锈蚀则打开压缩机,清理锈蚀和杂物,清洗轴承和阴阳转子,重新装配轴承和阴阳转子。
17、对机机组进行真空试验,使用真空泵对北侧机组抽真空到30mmhg, 保压24小时,压力不变为合格。
18、更换冷冻油。
19、开动冷却水泵和冷冻水泵,对机组充注冷媒到额定机组充注量。
螺杆式风冷冷水热泵机组保养报价1. 引言螺杆式风冷冷水热泵机组是一种常见的空调设备,广泛应用于建筑物、办公室和工业场所。
为了保证机组的稳定运行和延长其使用寿命,定期的保养和维护是非常重要的。
本文将介绍螺杆式风冷冷水热泵机组的保养报价及其内容。
2. 保养项目螺杆式风冷冷水热泵机组的保养项目包括以下几个方面:2.1 清洁换热器定期清洁换热器是保证螺杆式风冷冷水热泵机组高效运行的重要步骤。
清洁换热器可以防止灰尘和脏物堆积,从而保持机组的换热效率。
清洁换热器的报价为每次清洁100元。
2.2 检查冷却水泵冷却水泵是螺杆式风冷冷水热泵机组的核心组件之一,定期检查冷却水泵的运行情况是保证机组正常运行的关键。
检查冷却水泵的报价为每次检查200元。
2.3 检查压缩机压缩机是螺杆式风冷冷水热泵机组的另一个重要组件,定期检查压缩机的运行情况可以确保机组的正常工作。
检查压缩机的报价为每次检查300元。
2.4 检查电控系统电控系统是螺杆式风冷冷水热泵机组的控制中心,定期检查电控系统的运行状态是保证机组安全运行的重要环节。
检查电控系统的报价为每次检查200元。
3. 保养报价根据以上保养项目,螺杆式风冷冷水热泵机组保养报价如下:•清洁换热器:每次清洁100元•检查冷却水泵:每次检查200元•检查压缩机:每次检查300元•检查电控系统:每次检查200元以上价格仅供参考,实际价格可能会根据机组型号、保养周期和维修情况有所变动。
4. 维护建议除了定期保养,螺杆式风冷冷水热泵机组的维护也是非常重要的。
以下是一些维护建议:•定期更换冷却水,保持水质清洁。
•避免在机组周围堆放杂物,保持通风畅通。
•定期检查机组的噪音和振动情况,如有异常及时处理。
•确保机组通风口无阻塞,防止机组过热。
•尽量避免机组频繁开关,以减少能耗和机械磨损。
维护建议的实施可以延长螺杆式风冷冷水热泵机组的使用寿命,减少维修成本。
5. 结论螺杆式风冷冷水热泵机组的保养对于确保其正常运行和延长使用寿命至关重要。
日立螺杆冷水机组维保报价
制冷主机(RCU100SC)维保方案报价
一、大修项目容
1、机组型号:RCU100SC(2台)。
2、对机组排水,并打开机组冷凝器和蒸发器两侧端盖。
3、检查有无泄漏。
4、维修、解决泄漏问题。
5、彻底清洗蒸发器、冷凝器铜管。
6、用涡轮无损探伤仪对蒸发器、冷凝器铜管进行逐根探伤,更换损坏的铜管并对新铜管镀膜(或用塞子塞住损坏铜管)。
7、对1#压缩机报警维修。
8、机组维修、更换配件(过滤器)、除湿、打压。
9、机组开机调试。
二、大修技术方案
1、排出机组蒸发器、冷凝器及油分离器部水分,放出机组部润滑油(蒸发器、冷凝器中水分和制冷剂用专用抽氟机抽到专用冷媒罐中并封存) 。
2、拆除机组蒸发器和冷凝器进出水管。
3、使用工业高纯(99.999%)氮气对机组整体加压到12公斤,保压24小时,对整机进行检漏。
4、对已漏冷凝器铜管使用铜塞(长40MM)堵塞。
5、安装上机组蒸发器和冷凝器进出水管。
6、连接专用清洗设备对机组蒸发器和冷凝器铜管进行物理、化学清洗。
7、拆除北侧机组蒸发器和冷凝器进出水管。
10、使用专用涡轮无损铜管探伤仪对机组蒸发器和冷凝器部未漏损的铜管进行逐根探伤,并记录每根铜管损伤情况。
11、使用专用拔管机对损伤铜管拔出来,使用专用胀管器胀接新的铜管(或用铜塞子塞住所有损坏铜管)。
12、对机组进行打压试验,使用工业高纯(99.999%)氮气对机组整体加压到20公斤,保压24小时,压力不变为合格。
13、对机组进行抽湿处理。
14、全部拆开油路管路和油路配件,清洗部锈和杂物。
15、拆开机组轴封,检查动环和静环接触面,清洗动环和静环,重新安装轴封。
16、打开压缩机三个检查口,检查压缩机腔,如有锈蚀则打开压缩机,清理锈蚀和杂物,清洗轴承和阴阳转子,重新装配轴承和阴阳转子。
17、对机机组进行真空试验,使用真空泵对北侧机组抽真空到30mmhg, 保压24小时,压力不变为合格。
18、更换冷冻油。
19、开动冷却水泵和冷冻水泵,对机组充注冷媒到额定机组充注量。
20、开机调试机组,使机组运行达到满符合运行,测量机组噪音(应低于95分贝,测机组运行电流,机组出水温度达到7℃。
21、提交工作日志和机组维修报告,请甲方相关部门负责人一起验收。
22、机组正常运行主要指标
l 运行平稳,噪音低于95分贝。
l 运行电流稳定,电流不平衡率小于2%。
l 出水温度稳定,稳定在设定值±2℃。
l 滑阀位置稳定,与机组电流百分数相对应,如70%电流,滑阀开度70%。
l 冷凝器饱和温度稳定,大于冷却水出水温度2-5℃。
l 蒸发器饱和温度稳定,低于冷冻水出水温度2-3℃。
l 油位稳定,停机时油位在下视镜顶部和上视镜中间,运行时二个视镜均能看到油位。
三、维保报价:制冷主机维保总费用为:289,250.00 元。
具体维修容及费用见下表:
四、维保工期:20天。
五、保修期:机组维修完毕甲方验收合格后十二个月。
六、付款方式:合同签订后,甲方支付合同价款50%予乙方,机组维修工作完成并调试运行后三甲方合同款47%予乙方,余下3%作为质保金在保修期结束三日一次支付给乙方。
七、甲方应该提供的条件:
1、提供冷水机组设计围的供电(3相380v、冷却水量/小时及水温(30℃-35℃)、冷冻水量,夏季机组运行时,操作人员定时(每2小
时记录一次) 、准确地记录机组参数(油温、油压差、油位、蒸发器冷媒饱和压力和饱和温度、冷凝器冷媒饱和压力和饱和温度,蒸发器小温差、冷凝器小温差、压缩机马达电流、电压、电流百分数、滑阀位置百分数、冷冻水进出水压差、冷却水进出水压差)。
2、彻底冲洗好冷冻水系统和冷却水系统管道,彻底清除冷冻水系统和冷却水系统杂物,安装质量好的过滤器网,保证蒸发器和冷凝器铜管不被杂物损坏。
八、说明:
1、维保质量保证:从机组正常运行并验收合格之日起12个月,保证机组轴承、轴封及油路不因机组进水而损坏,如在调试运行后12个月出现质量问题,且是因为本次未修复好或因本次维修所造成的,乙方负责继续维修。
2、不承担机组压缩和其他部件自然损坏或制造原因造成机组损坏。
3、不承担因甲方水系统过滤器损坏,杂物进入铜管引起的铜管新的损坏。
4、协议期间,乙方不承担设备非乙方原因之损伤、意外破坏、遗失的责任,如在设备检修过程中由于乙方人员工作失误导致设备配件损坏,所需修复或更换的费用由乙方负责。
5、验收:维保完成,调试正常后,甲乙双方共同验收,机组参数处于正常围为合格。