建筑施工现场安全质量标准化考核评分表
- 格式:docx
- 大小:128.35 KB
- 文档页数:21
质量安全生产管理考核评分汇总表2、优秀及较差项目填写评分表中“备注”中的项目,或填表人认为较为优秀或较差的其他项目.-1-表1 施工现场安全生产管理考核评分标准企业名称:-2--3--4-表2施工现场工程质量检查评分标准工程名称::-5--6-注:一票否决后,得分为零安全生产检查评分工作的说明一、标准化工地质量、安全生产检查评分工作由建筑工程质量监督站组织实施。
考评情况由监督员及现场管理人员报质监站备案.考核依据《建筑施工安全检查标准》部分保证项目的主要内容(表1、表2),对房屋建筑工程和市政工程进行现场检查。
施工单位对考核评定得分有异议的,可在7个工作日内向城乡建设局申诉,由其决定是否重新现场评分。
二、安全机构根据工程进度进行现场评价检查:(一)房屋建筑工程,现场检查评分应在工程基础阶段(正负零以下的施工完成60%以上工程量)、主体阶段(正负零以上的施工完成60%以上工程量)、装修阶段(室内外抹灰的施工完成60%以上工程量)进行多次现场检查,每次现场检查应由2名及以上人员参加,间隔日期应在30日及其以上.施工工期不能满足间隔日期要求的,每次现场检查的间隔日期可由实施现场检查工作的安全机构的主要负责人决定。
(二)市政工程自工程开工之日起至竣工结束,现场检查不得少于三次,参加人员人数及间隔日期按照上款规定执行。
(三)安全机构每次进行现场检查,应当场计算检查得分,并将得分填写在《标准化工地安全生产检查评分表》(附表3)上,施工现场项目负责人签字。
施工现场项目负责人无正当理由,不履行签字义务的,安全机构可以评定该工程本次现场检查得分为零,并在15日内将有关情况书面报告市(行署)或农垦、森工总局安全机构备案.(四)安全机构进行的现场检查,可事先通知,也可随机进行,检查过程中对于3分及其以上的扣分点,应照相或录像(因施工现场未设置而扣分的除外)。
(五)现场初次检查分数在85分以下的,经施工单位书面申请,安全机构允许在规定的期限内整改后重新进行一次现场检查,并作为此次现场评价的最终分数。
(监理单位):(建设单位):(质监机构):(工程名称)(工程部位)已于年月日验收合格(详见验收记录),该阶段应进行的分户验收已于年月日验收合格并经监督机构抽查合格(详见分户验收及监督抽查表),质量常见问题专项治理工作也已于年月日通过监理单位评价(详见附件《住宅工程质量常见问题专项治理评价报告》)。
现已组织完成现场施工质量的自我评价,自评分(详见附表),已具备质量标准化达标验收条件。
特申请对(工程部位)进行质量标准化达标复核验收。
施工项目经理(签章):日期:复核意见(评价报告见附件)监理单位总监理工程师(签章)日期复核意见(评价报告见附件)建设单位总监理工程师(签章)日期推荐意见:质监机构质量监督工程师(签名)日期:邵阳市城规建设监理有限公司(监理单位):邵阳市国土资源局(建设单位):邵阳市建设工程质量监督站(质监机构):邵阳市广播电视大学新校区建设工程的地基与基础(工程部位)已于 2014 年 03 月 28 日验收合格(详见验收记录)。
现已组织完成现场施工质量的自我评价,自评 95.05 分(详见附表),已具备质量标准化达标验收。
特申请工程地基与基础(工程部位)质量标准化达标复核验收。
施工项目经理(签章):日期:复核意见(评价报告见附件)监理单位总监理工程师(签章)日期:复核意见(评价报告见附件)建设单位总监理工程师(签章)日期:推荐意见:质监机构质量监督工程师(签名):日期:附表2-1 验收单元权重值表施工阶段权重分值地基与桩基20结构工程50屋面装饰安装30注:屋面装饰安装阶段屋面、装饰和安装权重分配分别为30、40、30附表2-2 评价项目权重值表序号评价项目地基与桩基结构工程屋面装饰安装1 施工现场质量保证条件10 10 102 性能检测40 40 303 质量记录35 20 154 尺寸偏差及限值实测10 20 255 观感质量 5 10 20说明:(1)用各检查评分表检查评分后,将所得分值换算为本表分值,再按规定变为表2-1的权重值。
标准化工地安全生产检查评分表
注:1、房屋建筑工程“检查评分阶段”一栏按检查时工程形象填写基础、主体、装修。
2、其他工程,“检查评分阶段”一栏按检查时工程形象填写。
标准化工地工程质量检查评分标准
工程名称:
企业名称:
注:1、评分标准为建筑、市政工程的为通用评分标准。
2、质量检查评分工作与安全共同进行,检查评分阶段、次数、管理及最终分数计算见安全检查评分工作说明。
3、每次检查质量得分=(实得分/应得分)×100
4、最终质量分数加分:有创优计划加0.5分,按GB/T50375地基及桩基工程、结构工程、屋面工程、装饰装修及安装工程5部分每获1项优良各加0.2分。
企业申报用表
受理时间:
受理编号:
建筑安全生产标准化
施工项目考评申报表
申报单位(公章)
项目名称______________________
申请日期______________________
住房和城乡建设厅制
填表说明
一、本表用于建筑施工项目安全生产标准化考评申报。
二、本表应使用计算机打印,不得涂改。
三、受理编号、受理时间由受理单位填写。
四、本表可在建设工程安全质量监督管理局网站
(httpW/.c n )下载。
五、如需加页,一律使用A4纸。
六、本表填写一份,按工程基本情况、建筑施工项目安全检查
月评汇总表、建筑施工项目安全检查施工阶段评价汇总表、项目安全管理奖惩评分表、项目安全生产标准化自评结果及考评受理意见表的顺序装订成册。
七、本表由申报单位报至负责工程安全监督的监督机构,所有
内容须如实填写,同时提供word电子版。
三
工程基本情况
建筑施工项目安全检查月评汇总表
建筑施工项目安全检查施工阶段评价汇总表
项目安全管理奖惩评分表
项目安全生产标准化自评结果及考评受理意见表
本公司提交的前列建筑施工项目安全生产标准化有关资料真实、有件和原件内
容一致。
如有不实,愿承担由此引起的一切后果。
自评综合得分分,评定等级现申报对该项目安全生产标准化考评
自评说明
效,复印
考评主体受理意见法疋代表人盖早:
□项目自评价资料齐全,同意受理。
□项目自评价资料不齐全,不同意受理
□项目自评价过程不规范,不冋意受理
(申报单位公
早)
年月曰
(公章)
年月曰。
表A-1 安全生产管理评分表评分员:年月日表A-2 安全技术管理评分表评分员: 年月日表A—3 设备和设施管理评分表评分员: 年月日表A—4企业市场行为评分表评分员:年月日表A—5施工现场安全管理评分表评分员:年月日附录B 施工企业安全生产评价汇总表评价类型:□市场准入□发生事故□不良业绩□资质评价□日常管理□年终评价□其他企业名称:经济类型:资质等级:上年度施工产值:在册人数:年月日为便于广大设计、施工、科研、学校等单位有关人员在使用本标准时能正确理解和执行条文规定,《施工企业安全生产评价标准》编制组按章、节、条顺序编制了本标准的条文说明,对条文规定的目的、依据以及执行中需注意的有关事项进行了说明。
但是,本条文说明不具备与标准正文同等的法律效力,仅供使用者作为理解和把握标准规定的参考。
目次1、总则2、评价内容2.1 安全生产管理评价2。
2 安全技术管理评价2.3 设备和设施管理评价2.4 企业市场行为评价2.5 施工现场安全管理评价3、评价方法4、评价等级1 总则1。
0.1本标准依据《中华人民共和国安全生产法》、《中华人民共和国建筑法》、《建设工程安全生产管理条例》、《安全生产许可证条例》等有关法律法规的要求制定。
1.0.2 本标准适用于企业对其自身管理条件和能力的自我评价,或者其他方对企业的安全生产条件和能力评价2 评价内容2.1 安全生产管理评价2.1.1 说明了本标准的评价内容.2。
1.2 明确考核评价工作以评分表形式进行.2。
1.3 明确了施工企业安全生产管理的六个评定项目内容。
2.1。
4安全生产责任是搞好安全工作的最基本保证,没有责任就无法实施保障安全生产的法律、法规和责任,就会造成违章冒险作业,伤亡事故自然无法控制.在《中华人民共和国安全生产法》、《中华人民共和国建筑法》、《安全生产许可证条例》、《建设工程安全生产管理条例》等法规中,都有关于建立安全管理责任制度的严格要求。
因此,本条应作为强制性条文。
上海市建设工程安全生产标准化评分表一、背景介绍随着城市化进程的加快,建设工程在上海市日益繁荣,工地也随之增加。
建设工程的安全生产问题一直备受关注,为了确保建设工程的安全和质量,上海市制定了建设工程安全生产标准化评分表。
二、评分表内容评分表主要包括以下内容:1.建设工程基本信息(1)工程名称(2)建设单位(3)施工单位(4)监理单位(5)设计单位(6)建设位置区域(7)工程规模2.安全生产管理(1)安全生产责任制度(2)安全生产宣传教育(3)施工组织设计(4)安全教育培训(5)安全生产月度检查3.施工现场安全管理(1)施工现场标识(2)施工现场通道设置(3)安全防护设施(4)临边防护设施(5)用电安全管理4.施工作业安全管理(1)高处作业安全措施(2)爆破作业安全管理(3)临时用电安全管理(4)机械设备安全管理(5)特种作业证管理5.施工物资和设备管理(1)施工物资堆放管理(2)施工机具设备管理(3)材料使用安全管理(4)有限空间作业管理(5)施工场地卫生管理6.紧急救援与应急预案(1)安全生产事故应急救援预案(2)安全救援设备配备(3)施工现场应急疏散通道(4)应急演练及处理情况7.安全生产记录与资料管理(1)工程安全生产档案管理(2)施工日志记录(3)安全检查记录(4)安全隐患排查记录(5)安全事故报告及处理情况8.安全考核与奖惩制度(1)安全生产考核制度(2)安全生产奖惩管理办法(3)安全生产责任追究三、评分标准根据评分表内容,结合相关法规和标准,上海市建设工程安全生产标准化评分表采取加分制度,评分分为100分,各项内容的得分将直接影响建设工程安全生产的质量。
评分标准符合国家安全生产法规,涵盖了建设工程安全生产的方方面面,保障了施工现场的安全稳定。
四、评分结果利用根据评分结果,上海市建设部门将对不同得分的建设工程进行分类管理,对得分较低的工程进行安全生产整改,确保工程施工的安全和质量。
五、结语上海市建设工程安全生产标准化评分表的实施,不仅提高了建设工程安全生产管理的规范化程度,也促进了建设工程施工现场的安全生产水平,为建设工程的安全保驾护航,推动了上海市建设工程的可持续发展。
建筑工地安全文明施工标准化检查评分表工程名称: 元谋金汇·双城小区(一期)三标段1、2栋工程 工程地址: 元谋永武高速路旁考核项目 考评内容 评分说明 应得分缺项减分扣分实得分安全管理 (20)安全生产责任制未建立安全生产责任制扣3分 ;各级部门未执行责任制的扣3分;经济承包中无安全生产指标的扣3分;未制定各工种安全技术操作规程扣3分;未按规定配备专(兼)职安全员的扣3分;管理人员责任制考核不合格的扣3分,直至得分为0。
3 目标管理未制定安全管理目标(伤亡控制、重大责任事故指标)扣2分;无责任目标考核规定的扣2分;考核办法未落实或落实不好的扣2分,直至得分为0。
2 施工组织设计中安全措施施工组织设计中无安全措施扣3分;施工组织设计中无临时用电设计方案扣3分;临时用电设计方案未经审批扣3分;专业性较强的大项目,未编制独立专项安全施工组织设计扣3分;安全措施不全面扣3分;安全措施未落实或无针对性扣3分,季节性安全措施不齐全扣3分,针对性不强扣3分,直至得分为0。
3 分部、分项工程安全技术交底无书面安全技术交底扣2分;交底针对性不强扣2分;交底不全面扣2分;交底未交到班组、作业人员扣2分;交底无履行签字手续扣2分,直至得分为0。
2 安全检查无定期安全检查制度扣2分;安全检查无记录扣2分;检查无事故隐患,整改做不到定人、定时间、定措施扣2分;对重大事故隐患整改通知书所列项目未按时完成扣2分,直至得分为0。
2 安全教育无安全教育制度扣2分;新入场工人未进行三级教育扣2分;无具体安全教育内容扣2分;交换工种时,未进行安全教育扣2分;有一人不懂本工种安全技术操作规程扣2分;施工管理人员未按规定进行年度安全培训扣2分;兼职安全员未按规定进行年度培训或考核不合格扣2分,直至得分为0。
2 班前安全活动、应知考核未建立班前安全活动制度扣1分;班前安全活动无记录扣1分,职工未应知考核制度扣1分;直至得分为0。
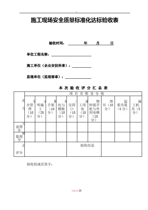
施工现场安全质量标准化达标验收表
验收时间:年月日
单位工程名称:
施工单位(企业安技科章):
监理单位(监理部章):
本次验收评分汇总表
验收组成员签字:
监督站核查确认意见:责任人签字:
安全管理检查评分表
检查责任人:
文明施工检查评分表
检查责任人:
落地式外脚手架检查评分表
检查责任人:
悬挑式脚手架检查评分表
检查责任人:
挂脚手架检查评分表
检查责任人:
门型脚手架检查评分表
检查责任人:
吊篮脚手架检查评分表
检查责任人:
附着式升降脚手架(整体提升架或爬架)检查评分表
检查责任人:
基坑支护安全检查评分表
检查责任人:
模板工程安全检查评分表
检查责任人:
检查责任人:
施工用电检查评分表
检查责任人:
外用电梯(人货两用电梯)检查评分表
物料提升机(龙门架、井字架)检查评分表
检查责任人:
塔吊检查评分表
检查责任人:
起重吊装安全检查评分表
检查责任人:
施工机具检查评分表
检查责任人:。
建筑施工企业安全质量标准化评分表附件一建筑施工企业安全质量标准化评分表序评分评分应得分扣减分实得分评分标准号项目方法, 未按规定建立安全生产责任制度的,扣2分;制度建立不齐全的,扣2分;查管理, 未按规定建立安全教育培训制度的,扣1分;制度建立不齐全的,扣1分;企业无安全教制度目育培训计划的,扣1分;无实施教育培训活动(或实施记录不齐全)记录的,扣1分;录、内安全,未落实安全劳防用品资金的,扣1分;未落实安全教育培训专项资金的,扣1分;未落实容,并生产1 抽查企20 保障安全生产的技术措施资金的,扣2分;管理业及施,未按规定建立包括企业和各层次安全检查制度的,扣2分;无检查和隐患处置、复查的记制度工现场录或隐患整改未如期完成的,扣2分; 相关记,未按规定制定并落实事故报告处理制度的,扣1分;未按规定办理意外伤害保险的,意外伤害保录险办理率不满100%的,扣2分;未制定并演练事故应急预案,扣1分。
,总分包单位主要负责人、项目经理和安全生产管理人员未经过安全考核合格的,扣3分;其他管理人员、特殊工种人员等其他从业人员未经过安全培训,不具备相应的安全生产知识和管理能力的,扣2分; 企业查企业, 企业未按规定设置安全生产管理机构或配备专职安全生产管理人员的,扣3分;各级未配资质相关资备足够的专、兼职安全生产管理人员的,扣2分;机构料和抽2 20与查施工, 未制定对分包单位资质资格管理及施工现场控制的要求和规定的,扣3分;分包单位承接人员现场管的项目不符合相应的安全资质管理要求的,扣2分; 管理理资料, 未制定对安全设施所需材料、设备及防护用品的供应单位的控制要求和规定的,扣2分;无安全设施所需材料、设备及防护用品供应单位的生产许可证或行业有关部门规定的证书或证书与其经营行为不相符的,扣3分.序评分评分应得分扣减分实得分评分标准号项目方法 , 未进行危险源识别、评价的,扣2分;未对重大危险源进行控制策划、建档的,扣1分;对重大危险源未制定有针对性的应急预案的,扣2分;, 施工组织设计未根据危险源编制安全技术措施或安全技术措施无针对性的,扣2分;施工组织设计(方案,包括修改方案)未经技术负责人组织安全等有关部门审核、审批,扣2分; , 专业性强、危险性大的施工项目,未按要求单独编制专项安全技术方案(包括修改方案)查企业或专项安全技术方案(包括修改方案)无针对性的,扣2分;专项安全技术方案(包括修安全及施工改方案)未经有关部门和技术负责人审核、审批的,扣1分;技术负责人未组织方案编制3技术 25人员对方案(包括修改方案)的事实进行交底、验收和检查的,扣1分;未安排专业人员现场相管理对危险性较大的作业进行安全监控管理的,扣2分;关资料 , 未有效落实各级安全技术交底的,扣2分;交底无书面交底记录的,扣1分;交底未履行签字手续的,扣1分;, 未配备现行有效的、与企业生产经营内容相关的安全技术标准、规范和操作规程的,扣2分,安全技术标准、规范和操作规程配备有缺陷,扣2分;, 选用国家明令淘汰的设备或工艺,扣2分。