建筑施工企业安全质量标准化评分表
- 格式:doc
- 大小:27.50 KB
- 文档页数:10
建筑施工安全质量标准化检查评分表建筑施工安全质量标准化检查评分表施工单位。
项目名称:检查项目考核内容评分说明1.未建立安全生产责任制、未制定各工种安全技术操作规程、未按规定配备专(兼)职安全员扣1-5分。
2.未制定安全控制指标、安全达标、文明施工目标考核办法未落实或落实不好的扣1-3分。
3.施工组织设计中安全措施不全面、无针对性或未落实扣1-3分。
4.无书面安全技术交底、交底针对性不强、未履行签字手续的扣1-3分。
5.无定期安全检查制度、安全检查无记录、隐患整改不到位扣1-3分。
6.无安全教育制度、新入场工人未进行三级安全教育、变换工种时未进行安全教育、未按规定进行培训的扣1-3分。
7.未制定安全生产应急预案;未建立应急救援组织、配备救援人员;未配置应急救援器材;未进行应急救援演练的扣1-3分。
8.分包单位资质、资格、分包手续不全或失效,或未签定安全生产协议书扣1-2分。
9.未经培训从事特种作业、未持操作证上岗的每人次扣1-2分。
10.工伤事故未按规定报告、安全事故未按规定进行调查分析、制定防范措施的扣1-2分。
11.主要施工区域、危险部位、未按规定悬挂安全标志,无现场安全标志布置图、未按部位和现场设施的变化调整安全标志的扣1-2分。
12.市区主要路段的工地未设置封闭围挡或围挡高度小于2.5m、一般路段的工地未设置封闭围挡或围挡高度小于1.8m,围档未到达坚固、稳定、整洁、美观的有一项扣1分。
13.施工现场进出口未设置大门、无门卫和无门卫制度、进入施工现场不佩戴工作卡、门头未设置企业标志、大门口处挂的五牌一图其内容不全、标牌不规范、不整齐、无安全标语、无宣传栏、读报栏、黑板报等扣1-3分。
14.工地地面未做硬化处理、道路不畅通、无排水设施或排水不通畅、温暖季节无绿化布置的扣1分。
15.建筑材料、构件、料具不按总平面布局堆放、料堆未挂名称、品种、规格等标牌、堆放不整齐、未做到工完场地清、易燃易爆物品未分类存放的每有一项扣1分。
标准化工地安全生产检查评分表
注:1、房屋建筑工程“检查评分阶段”一栏按检查时工程形象填写基础、主体、装修。
2、其他工程,“检查评分阶段”一栏按检查时工程形象填写。
标准化工地工程质量检查评分标准
工程名称:
企业名称:
注:1、评分标准为建筑、市政工程的为通用评分标准。
2、质量检查评分工作与安全共同进行,检查评分阶段、次数、管理及最终分数计算见安全检查评分工作说明。
3、每次检查质量得分=(实得分/应得分)×100
4、最终质量分数加分:有创优计划加0.5分,按GB/T50375地基及桩基工程、结构工程、屋面工程、装饰装修及安装工程5部分每获1项优良各加0.2分。
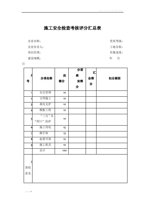
施工安全检查考核评分汇总表企业名称:资质等级:企业负责人:工地名称:项目经理:形象进度:建设规模:年月日安全管理检查评分表工程名称:表一施工单位:年月日注:1、每项最多扣减分数不大于该项应得分2、保证项目有一项不得分或保证项目小计得分不足40分,检查评分表计0分3、该表换算到汇总表后得分=(10×该表检查项目实得分素合计)∕100文明施工检查评分表工程名称:表二施工单位:年月日检查人:注:1、每项最多扣减分数不大于该项应得分2、保证项目有一项不得分或保证项目小计得分不足40分,检查评分表计0分3、该表换算到汇总表后得分=(10×该表检查项目实得分素合计)∕100基坑支护安全检查评分表工程名称:表三施工单位:年月日注:1、每项最多扣减分数不大于该项应得分2、保证项目有一项不得分或保证项目小计得分不足40分,检查评分表计0分3、该表换算到汇总表后得分=(10×该表检查项目实得分素合计)∕100模板工程安全检查评分表工程名称:表四施工单位:年月日注:1、每项最多扣减分数不大于该项应得分2、保证项目有一项不得分或保证项目小计得分不足40分,检查评分表计0分3、该表换算到汇总表后得分=(10×该表检查项目实得分素合计)∕100“三宝”及“四口”防护检查评分表工程名称:表五施工单位:年月日注:1、每项最多扣减分数不大于该项应得分2、保证项目有一项不得分或保证项目小计得分不足40分,检查评分表计0分3、该表换算到汇总表后得分=(10×该表检查项目实得分素合计)∕10施工用电检查评分表工程名称:表六施工单位:年月日实注:1、每项最多扣减分数不大于该项应得分2、保证项目有一项不得分或保证项目小计得分不足40分,检查评分表计0分3、该表换算到汇总表后得分=(10×该表检查项目实得分素合计)∕100落地式外脚手架检查评分表工程名称:表七施工单位:年月日实2、保证项目有一项不得分或保证项目小计得分不足40分,检查评分表计0分3、该表换算到汇总表后得分=(10×该表检查项目实得分素起重吊装安全检查评分表工程名称:表八施工单位:年月日注:1、每项最多扣减分数不大于该项应得分2、保证项目有一项不得分或保证项目小计得分不足40分,检查评分表计0分3、该表换算到汇总表后得分=(10×该表检查项目实得分素合计)∕100施工机具检查评分表工程名称:表九施工单位:年月日检查人:注:1、每项最多扣减分数不大于该项应得分2、保证项目有一项不得分或保证项目小计得分不足40分,检查评分表计0分3、该表换算到汇总表后得分=(10×该表检查项目实得分素合计)∕10安全隐患整改通知单宜章弘源化工有限责任公司项目部施工单位:编号:。
建筑工地安全生产标准化评审标准打分表1. 背景建筑工地的安全生产非常重要,为确保工地的安全运营,需要进行标准化评审。
本文档旨在提供一个评审标准打分表,帮助评审人员进行综合评分和评定。
2. 打分标准以下是建筑工地安全生产标准化评审的打分标准:3. 评分细则3.1 安全政策和目标评审人员应考察工地是否制定了明确的安全政策和目标,并与工作人员进行充分沟通。
打分标准如下:- 安全政策和目标清晰明确:10分- 安全政策和目标不够明确:5分- 无安全政策和目标:0分3.2 安全管理体系评审人员应评估工地的安全管理体系是否完善,并且是否得到有效执行。
打分标准如下:- 完善的安全管理体系并有效执行:20分- 存在一些缺陷但基本有效执行:15分- 安全管理体系不完善或未能有效执行:10分- 无安全管理体系:0分3.3 安全培训和教育评审人员应考察工地是否进行了必要的安全培训和教育,并验证培训的内容和效果。
打分标准如下:- 完善的安全培训和教育并有明确的培训计划和记录:15分- 存在一些培训和教育不足之处:10分- 安全培训和教育不完善或无明确的培训计划和记录:5分- 无安全培训和教育:0分3.4 安全生产设施评审人员应评估工地的安全生产设施,包括警示标识、安全通道、消防设备等。
打分标准如下:- 完善的安全生产设施:15分- 存在一些缺陷但基本满足要求:10分- 安全生产设施不完善或未能满足要求:5分- 无安全生产设施:0分3.5 安全防护措施评审人员应考察工地的安全防护措施,包括安全帽、防护服、防护网等。
打分标准如下:- 完善的安全防护措施:20分- 存在一些缺陷但基本满足要求:15分- 安全防护措施不完善或未能满足要求:10分- 无安全防护措施:0分3.6 应急管理评审人员应评估工地的应急管理措施,包括应急预案、紧急逃生通道等。
打分标准如下:- 完善的应急管理措施:15分- 存在一些缺陷但基本满足要求:10分- 应急管理措施不完善或未能满足要求:5分- 无应急管理措施:0分3.7 安全生产记录评审人员应查看工地的安全生产记录,包括事故报告、检查记录等。
建筑施工现场安全质量标准化考核评分汇总表附件4 企业名称:资质等级:工程名称建筑面积结构层次项目名称分表实得分权重实际得分安全管理10%文明施工10%脚手架10%基坑支护与模板工程10%“三宝”“四口”防护10%施工用电10%物料提升与外用电梯10%塔吊10%起重吊装10%施工机具10%总计得分10%检查单位检查负责人项目经理施工单位负责人:评分人:安全管理检查评分表序号检查项目扣分标准应得分数扣减分数实得分数1保证项目安全生产责任制未建立安全生产责任制,扣10分各级各部门未执行责任制,扣4-6分专业承包、劳务分包中无安全生产指标的,扣10分未按规定配备专(兼)职安全员,扣10分管理人员责任制考核不合格的,扣5分102 目标管理未制定安全管理目标(伤亡控制指标、文明施工目标)扣10分未进行安全责任目标分解,扣10分未制定责任目标考核规定,扣8分考核办法未落实或落实不好的,扣5分103 施工组织设计施工组织设计中无安全措施,扣10分施工组织设计未经审批,扣10分危险性较大的分部分项工程,未单独编制专项安全施工方案,扣10分超过一定规模的危险性较大的分部分项工程的专项安全施工方案,未进行专家论证的,扣10分安全措施不全面,扣2-4分安全措施无针对性,扣6-8分安全措施未落实,扣8分104 分部(分项)工程安全技术交底无书面安全技术措施交底的,扣10分工程开工前未进行开工安全验收的,扣10分交底针对性不强,扣4-6分交底不全面,扣4分交底未履行签字手续,扣2-4分105 安全检查未制定定期安全检查制度,扣5分安全检查无记录的,扣5分检查出事故隐患,未定人、定时间、定措施进行整改的,扣2-6分对重大事故隐患整改通知书所列项目未按期完成的,扣5分106 安全教育无安全教育制度的,扣5分新入场工人未进行三级安全教育的,扣10分无具体安全教育内容的,扣6-8分交换工种时未进行安全教育的,扣10分每有一人不懂本工种安全技术操作规程的,扣2分施工管理人员未按规定进行年度培训考核或考核不合格的,扣5分未建立农民工业余学校,扣5分10小计607一般项目班前安全活动未建立班前安全活动制度,扣10分班前安全活动无记录的,扣2分108 特殊作业持证上岗有一人未经培训从事特种作业的,扣10分有一人未持操作证上岗的,扣2分109 生产安全事故生产安全事故未按规定报告的,扣10分生产安全事故未按规定处置的,扣10分未建立生产安全事故档案,扣4分1010 安全标志无现场安全标志布置总平面图的,扣5分现场未按安全标准总平面图设置安全标志的,扣5分10小计40检查项目合计100文明施工检查评分表序号检查项目扣分标准应得分数扣减分数实得分数1保证项目现场围挡在市区主要路段的工地周围未设置高于2.5m的围挡,扣10分一般路段的工地周围未设置高于1.8m的围挡,扣10分围挡材料不坚固、不稳定、不整洁、不美观的,扣5-7分围挡沿工地四周连续设置的,扣3-5分102 封闭管理施工现场进出口无大门的,扣3分无门卫和无门卫制度的,扣3分进入施工现场不佩戴工作卡的,扣3分门斗未设置企业标志的,扣3分103 施工现场工地地面未做硬化处理的,扣5分道路不畅通的,扣5分无排水设施、排水不畅通的,扣4分无防止泥浆、污水、废水外流或堵塞下水道和排水河道措施的,扣3分工地有积水的,扣2分工地未设置吸烟处、随意吸烟的,扣2分温暖季节无绿化布置的,扣4分104 材料堆放建筑材料、构建、料具不按总平面布局堆放的,扣4分料堆未挂名称、品种、规格等标语的,扣2分堆放不整齐,扣3分未做到工完场地清,扣3分建筑垃圾堆放不整齐、未标出名称、品种的扣3分易燃易爆物品未分类存放的,扣4分105 现场住宿在在建工程内住宿的,扣10发施工作业区与办公、生活区不明显划分的,扣6分宿舍无保温和防煤气中毒措施的,扣5分宿舍无消暑和防蚊虫措施的,扣3分无床铺、生活用品放置不整齐的,扣2分宿舍周围环境不卫生、不安全的,扣3分106 现场防火无消防措施、制度或无灭火器材的,扣10分灭火器材配置不合理的,扣5分无消防水源(高层建筑)或不能满足消防要求,扣8分10无动火审批手续和动火监护的,扣5分小计607一般项目治安综合治理生活区未给工人设置学习和娱乐场所的,扣4分未建立治安保卫制度、责任未分解到人的,扣3-5分治安防范措施不力,常发生失盗事件的扣3-5分88 施工现场标牌大门口处挂的五牌一图共内容不全、每缺一项,扣2分标牌不规范、不整齐的,扣3分无安全标语,扣5分无宣传栏、读报栏、黑板报等的,扣5分89 生活设施厕所不符合卫生要求的,扣4分无厕所,随地大小便的,扣8分食堂不符合卫生要求的,扣8分无卫生责任制,扣5分不能保证供应卫生饮用水的,扣8分无淋浴室或淋浴室不符合要求的,扣5分生活垃圾未及时清理,未装容器,无专人管理的,扣3-5分810 保健急救无保健医药箱的,扣5分地急救措施和急救器材的,扣8分无经培训的急救人员,扣4分未开展卫生防疫宣传教育,扣4分811 社区服务无防尘、防噪音措施,扣5分夜间未经许可施工的,扣8分现场焚烧有毒、有害物质的,扣5分未建立施工不扰民措施的,扣5分8小计40检查项目合计100落地式外脚手架检查评分表序号检查项目扣分标准应得分数扣减分数实得分数1保证项目施工方案无脚手架施工方案的,扣10分脚手架高度超过24m无专项安全施工方案的,扣10分高度在50m及以上的落地式脚手架的安全专项施工方案未进行专家论证的,扣10分施工方案,不能指导施工的,扣5-8分102 立杆基础每10延长米立杆基础不平、不实、不符合方案设计要求的,扣2分每10延长米立杆缺少底座、垫木的,扣5分每10延长米立杆无扫地杆的,扣5分每10延长米立杆脚手架立杆不埋地或无扫地杆的,扣5分每10延长米立杆无排水措施的,扣3分103 架体与建筑物拉结脚手架高7m上,架体与建筑结构拉结,按规定要求每少一处扣2分拉结不坚固的,每一处扣1分104 杆件间距与剪刀撑每10延长米立杆、大横杆、小横杆间距超过规定要求,每少一处扣2分不按规定设置剪刀撑的,每一处扣5分剪刀撑未沿脚手困高度连续设置或角度不符合要求的,扣5分105 脚手板与防护栏杆脚手板不满铺的,扣7-10分脚手板材质不符合要求的,扣7-10分每有一处探头板,扣2分脚手架外侧未设置密目安全网或网间不严密的,扣7-10分施工层不设1.2m高防护栏杆和18cm挡脚板的,扣5分106 交底与10验收脚手架搭设前无交底的,扣5分脚手架搭设完毕未办理验收手续的,扣10分无量化的验收内容,扣5分小计607一般项目小横杆设置不按立杆与大横杆交点处设置小横杆的,每有一处扣2分小横杆只固定一端的,每有一处扣1分采用单排架的,扣10分108 杆件搭设钢管立杆采用搭设的,每一处扣2分 59 架体内封闭施工层以下高度每隔10m未用平网或其他措施封闭的,扣5分施工层脚手架内立杆与建筑物之间未封闭的,扣5分510 脚手架材质架体各类杆件(钢管)未按规定刷防护油漆及颜色的,扣5分钢管弯曲、锈蚀严重的,扣4-5分511 通道架体未设上下通道的,扣5分通道设置不符合要求的,扣1-3分512 卸料平台卸料平台搭设无安全专项施工方案的,扣10分卸料平台未按安全专项施工方案要求搭设的,扣10分卸料平台支撑系统与脚手架连结的,扣8分卸料平台无限定荷载标牌的,扣3分10小计40检查项目合计100悬挑式脚手架检查评分表序号检查项目扣分标准应得分数扣减分数实得分数1保证项目施工方案悬挑式脚手架无专项安全施工方案的,扣10分专项安全施工方案中塔设方法不具体的,扣6分每段搭设高度超过18m的,扣8分102 悬挑梁及架体稳定外挑杆件与建筑结构连接不牢固的,每有一处扣5分悬挑梁安装不符合设计要求的,每有一处扣5分立杆底部固定不牢的,每有一处扣3分架体未按规定与建筑物结构拉结的,每一处扣5分203 脚手板脚手板铺设不牢、不严的,扣7-10分脚手板材质不符合要求的,扣7-10分每有一处探头板,扣2分104 荷载脚手架荷载超过规定的,扣10分施工荷载堆放不均匀的,每有一处扣5分105交底与验收脚手架搭设不符合专项方案要求的,扣7-10分每段脚手架搭设的,无验收资料的,扣5分无交底记录的,扣5分10小计606一般项目杆件间距每10延长米立杆间距超过规定的,扣5分大横杆间距超过规定的,扣5分107架体防护施工层外侧未设置1.2m高防护栏杆和18cm高挡脚板的,扣5分脚手架外侧不挂密目式安全网或网间不严密的,扣7-10分108层间防护作业层下无平网或其他措施防护的,扣10分防护不严的,扣5分109脚手架材质杆件直径、型钢规格及材质不符合要求的,扣7-10分架体各类杆件(钢管)未刷防护油漆及颜色的,扣8分10小计60 检查项目合计100吊篮脚手架检查评分表附着式升降脚手架(整体提升架或爬架)检查评分表“三宝”、“四口”防护安全检查表模板支撑工程安全检查评分表施工用电检查评分表物料提升机(龙门架、井字架)检查评分表外用电梯(人货两用电梯)检查评分表塔吊检查评分表起重吊装安全检查评分表施工机具检查评分表武汉铁路局职工住宅建设指挥部现场管理标准一、围栏施工现场主要沿街路段工地周围要设置2.5米的遮挡围墙,临街砖砌墙面及压顶浅色粉刷,墙体正中书写施工企业名称或安全文明施工宣传标语、彩画等,围墙出入口要设置醒目的施工标牌,并配备警卫室。
表1:土建工程标准化工地质量检查标准及考核评分表
项目部工程名称:年月日
负责人: 检查人:年月日注:1、本表评分标准为通用评分标准。
2、质量检查评分工作与安全共同进行。
3、每次检查检查质量得分=(实得分/应得分)×20
表2:土建工程标准化工地安全生产评价检查标准评分表项目部工程名称:年月日
注:1、安全检查评分工作与质量共同进行。
2、每次检查安全得分=(检查得分合计/标准分合计)×80
表3:安装工程质量标准及安全生产文明施工标准评分表项目部工程名称:年月日
负责人:检查人:年月。
建筑工地安全文明施工标准化检查评分表工程名称: 元谋金汇·双城小区(一期)三标段1、2栋工程 工程地址: 元谋永武高速路旁考核项目 考评内容 评分说明 应得分缺项减分扣分实得分安全管理 (20)安全生产责任制未建立安全生产责任制扣3分 ;各级部门未执行责任制的扣3分;经济承包中无安全生产指标的扣3分;未制定各工种安全技术操作规程扣3分;未按规定配备专(兼)职安全员的扣3分;管理人员责任制考核不合格的扣3分,直至得分为0。
3 目标管理未制定安全管理目标(伤亡控制、重大责任事故指标)扣2分;无责任目标考核规定的扣2分;考核办法未落实或落实不好的扣2分,直至得分为0。
2 施工组织设计中安全措施施工组织设计中无安全措施扣3分;施工组织设计中无临时用电设计方案扣3分;临时用电设计方案未经审批扣3分;专业性较强的大项目,未编制独立专项安全施工组织设计扣3分;安全措施不全面扣3分;安全措施未落实或无针对性扣3分,季节性安全措施不齐全扣3分,针对性不强扣3分,直至得分为0。
3 分部、分项工程安全技术交底无书面安全技术交底扣2分;交底针对性不强扣2分;交底不全面扣2分;交底未交到班组、作业人员扣2分;交底无履行签字手续扣2分,直至得分为0。
2 安全检查无定期安全检查制度扣2分;安全检查无记录扣2分;检查无事故隐患,整改做不到定人、定时间、定措施扣2分;对重大事故隐患整改通知书所列项目未按时完成扣2分,直至得分为0。
2 安全教育无安全教育制度扣2分;新入场工人未进行三级教育扣2分;无具体安全教育内容扣2分;交换工种时,未进行安全教育扣2分;有一人不懂本工种安全技术操作规程扣2分;施工管理人员未按规定进行年度安全培训扣2分;兼职安全员未按规定进行年度培训或考核不合格扣2分,直至得分为0。
2 班前安全活动、应知考核未建立班前安全活动制度扣1分;班前安全活动无记录扣1分,职工未应知考核制度扣1分;直至得分为0。
附件1-1建筑施工企业安全质量标准化考核评分表-1分项内容:安全管理目标、安全生产管理组织和责任体系附件1-2建筑施工企业安全质量标准化考核评分表-2分项内容:安全教育培训制度、安全生产资金保障制度附件1-3建筑施工企业安全质量标准化考核评分表-3分项内容:安全技术管理制度,施工设施、设备及劳动防护用品管理制度附件1-4建筑施工企业安全质量标准化考核评分表-4分享内容:分包(供)安全管理制度、施工现场安全管理制度建筑施工企业安全质量标准化考核评分表-5分项内容:应急救援、生产事故报告处理制度建筑施工企业安全质量标准化考核评分表-6分项内容:安全检查制度,安全考核、奖罚管理制度建筑施工企业安全质量标准化考核评分表-7分项内容:消防安全管理制度、安全资料的收集管理制度建筑施工企业安全质量标准化考核评分表-8分项内容:安全生产业绩附件1-9建筑施工企业安全质量标准化考核评分汇总表评分办法:1、考核实得分与业绩实得分均达到75分以上(含75分)为合格(达标)企业。
2、考核实得分与业绩实得分均达到70分以上,有一项在75分以下的为基本合格企业。
3、考核实得分与业绩实得分有一项在70分以下的为不合格企业。
4、有否决项的,在相应空格打勾评分方法一、各分项评分满分分值未100分,各表评分的实得分应为相应评分表中各评分项目实得分之和。
二、评分表中的各评分项目的实得分不应采用负值,扣减分数总和不得超过该评分项目应得分分值。
三、各分项评分表中如有实得分为零的评分项目,该分项评分表实得分为零。
四、评分项目有缺项的,其评分的实得分应按下式换算:遇有缺项的项目可评项目的实得分之和=x100评分的实得分可评项目的应得分值之和五、单项评分实得分应为其7个分项实得分的加权平均值。
本办法中附表1-1至附表1-6相应分项的权数分别为0.1、0.16、0.16、0.16、0.16、0.16、0.1。
六、安全生产业绩评分实得分应为各项分项目实得分之和。
建筑施工企业安全质量标准化评分表附件一建筑施工企业安全质量标准化评分表序评分评分应得分扣减分实得分评分标准号项目方法, 未按规定建立安全生产责任制度的,扣2分;制度建立不齐全的,扣2分;查管理, 未按规定建立安全教育培训制度的,扣1分;制度建立不齐全的,扣1分;企业无安全教制度目育培训计划的,扣1分;无实施教育培训活动(或实施记录不齐全)记录的,扣1分;录、内安全,未落实安全劳防用品资金的,扣1分;未落实安全教育培训专项资金的,扣1分;未落实容,并生产1 抽查企20 保障安全生产的技术措施资金的,扣2分;管理业及施,未按规定建立包括企业和各层次安全检查制度的,扣2分;无检查和隐患处置、复查的记制度工现场录或隐患整改未如期完成的,扣2分; 相关记,未按规定制定并落实事故报告处理制度的,扣1分;未按规定办理意外伤害保险的,意外伤害保录险办理率不满100%的,扣2分;未制定并演练事故应急预案,扣1分。
,总分包单位主要负责人、项目经理和安全生产管理人员未经过安全考核合格的,扣3分;其他管理人员、特殊工种人员等其他从业人员未经过安全培训,不具备相应的安全生产知识和管理能力的,扣2分; 企业查企业, 企业未按规定设置安全生产管理机构或配备专职安全生产管理人员的,扣3分;各级未配资质相关资备足够的专、兼职安全生产管理人员的,扣2分;机构料和抽2 20与查施工, 未制定对分包单位资质资格管理及施工现场控制的要求和规定的,扣3分;分包单位承接人员现场管的项目不符合相应的安全资质管理要求的,扣2分; 管理理资料, 未制定对安全设施所需材料、设备及防护用品的供应单位的控制要求和规定的,扣2分;无安全设施所需材料、设备及防护用品供应单位的生产许可证或行业有关部门规定的证书或证书与其经营行为不相符的,扣3分.序评分评分应得分扣减分实得分评分标准号项目方法 , 未进行危险源识别、评价的,扣2分;未对重大危险源进行控制策划、建档的,扣1分;对重大危险源未制定有针对性的应急预案的,扣2分;, 施工组织设计未根据危险源编制安全技术措施或安全技术措施无针对性的,扣2分;施工组织设计(方案,包括修改方案)未经技术负责人组织安全等有关部门审核、审批,扣2分; , 专业性强、危险性大的施工项目,未按要求单独编制专项安全技术方案(包括修改方案)查企业或专项安全技术方案(包括修改方案)无针对性的,扣2分;专项安全技术方案(包括修安全及施工改方案)未经有关部门和技术负责人审核、审批的,扣1分;技术负责人未组织方案编制3技术 25人员对方案(包括修改方案)的事实进行交底、验收和检查的,扣1分;未安排专业人员现场相管理对危险性较大的作业进行安全监控管理的,扣2分;关资料 , 未有效落实各级安全技术交底的,扣2分;交底无书面交底记录的,扣1分;交底未履行签字手续的,扣1分;, 未配备现行有效的、与企业生产经营内容相关的安全技术标准、规范和操作规程的,扣2分,安全技术标准、规范和操作规程配备有缺陷,扣2分;, 选用国家明令淘汰的设备或工艺,扣2分。
附件1-1建筑施工企业安全质量标准化考核评分表-1 分项内容:安全管理目标、安全生产管理组织和责任体系附件1-2建筑施工企业安全质量标准化考核评分表-2附件1-3建筑施工企业安全质量标准化考核评分表-3附件1-4建筑施工企业安全质量标准化考核评分表-4附件1-5建筑施工企业安全质量标准化考核评分表-5附件1-6建筑施工企业安全质量标准化考核评分表-6附件1-7建筑施工企业安全质量标准化考核评分表-7附件1-8建筑施工企业安全质量标准化考核评分表-8附件1-9建筑施工企业安全质量标准化考核评分汇总表评分办法:1、考核实得分与业绩实得分均达到75分以上(含75分)为合格(达标)企业。
2、考核实得分与业绩实得分均达到70分以上,有一项在75分以下的为基本合格企业。
3、考核实得分与业绩实得分有一项在70分以下的为不合格企业。
4、有否决项的,在相应空格打勾评分方法一、各分项评分满分分值未100分,各表评分的实得分应为相应评分表中各评分项目实得分之和。
二、评分表中的各评分项目的实得分不应采用负值,扣减分数总和不得超过该评分项目应得分分值。
三、各分项评分表中如有实得分为零的评分项目,该分项评分表实得分为零。
四、评分项目有缺项的,其评分的实得分应按下式换算:遇有缺项的项目可评项目的实得分之和= x100评分的实得分可评项目的应得分值之和五、单项评分实得分应为其7个分项实得分的加权平均值。
本办法中附表1-1至附表1-6相应分项的权数分别为0.1、0.16、0.16、0.16、0.16、0.16、0.1。
六、安全生产业绩评分实得分应为各项分项目实得分之和。
七、当评分项目涉及到重复奖励或处罚时,其加、扣分数应以该评分项可加、扣分数的最高分计算,不得重复加分或扣分。
附件2建筑施工现场安全质量标准化考核评分表评分方法一、安全检查评分汇总表满分为100分,当所检查项目有缺项时,按缺项计算其得分分值。
计算公式:各项检查得分之和÷各检查项应得分之和×100%=实得分值(即百分率)二、汇总表所得分值乘以60%记入考核评分表中序号1内。
附件3东莞市南粤建筑工程有限公司建筑工地安全文明施工标准化检查评分表工程名称:工程地址:施工图审查编号:监督登记号:施工许可证号:建筑面积:m2结构层数:地上层地下层建设单位:监理单位:设计单位:施工单位:项目经理:项目技术负责人:工程进度:检查部位:检查组人员签名:南粤建筑工程有限公司质量、安全及文明施工检查组年月日建筑工地安全文明施工标准化检查说明建筑工地安全文明施工标准化检查用得分率表示。
根据检查项目,先计算每大项的应得分和实得分,再计算本次检查的应得分和实得分,最后计算得分率。
检查内容包括:安全管理、文明施工与环境保护、基坑或沟槽、起重机械设备和施工机具、施工用电、脚手架、模板工程、“三宝、四口、五临边”防护等八大项。
每大项中包含若干子项。
检查时,针对每个子项进行扣分,子项实得分最高为应得分(满分),最低为零分。
根据每个子项实得分统计每大项的实得分。
大项或子项若没有检查,该大项或子项的应得分和实得分皆为零。
每个子项的扣分标准一般情况下应按表中规定执行,特殊情况下经检查组全体人员研究后可进行局部调整。
对于表中未列出的质量缺陷,可视严重程度参照表中其他缺陷的权重予以扣分。
建筑工地安全文明施工标准化检查评分表考核项目考评内容评分说明应得分扣分实得分安全管理(20分)安全生产责任制未建立安全生产责任制扣3分;各级部门未执行责任制的扣3分;经济承包中无安全生产指标的扣3分;未制定各工种安全技术操作规程扣3分;未按规定配备专(兼)职安全员的扣3分;管理人员责任制考核不合格的扣3分,直至得分为0。
3 目标管理未制定安全管理目标(伤亡控制、重大责任事故指标)扣2分;无责任目标考核规定的扣2分;考核办法未落实或落实不好的扣2分,直至得分为0。
2 施工组织设计中安全措施施工组织设计中无安全措施扣3分;施工组织设计中无临时用电设计方案扣3分;临时用电设计方案未经审批扣3分;专业性较强的大项目,未编制独立专项安全施工组织设计扣3分;安全措施不全面扣3分;安全措施未落实或无针对性扣3分,季节性安全措施不齐全扣3分,针对性不强扣3分,直至得分为0。
建筑施工企业安全质量标准化评分表附件一建筑施工企业安全质量标准化评分表序评分评分应得分扣减分实得分评分标准号项目方法, 未按规定建立安全生产责任制度的,扣2分;制度建立不齐全的,扣2分;查管理, 未按规定建立安全教育培训制度的,扣1分;制度建立不齐全的,扣1分;企业无安全教制度目育培训计划的,扣1分;无实施教育培训活动(或实施记录不齐全)记录的,扣1分; 录、内安全, 未落实安全劳防用品资金的,扣1分;未落实安全教育培训专项资金的,扣1分;未落实容,并生产1 抽查企20 保障安全生产的技术措施资金的,扣2分;管理业及施, 未按规定建立包括企业和各层次安全检查制度的,扣2分;无检查和隐患处置、复查的记制度工现场录或隐患整改未如期完成的,扣2分; 相关记, 未按规定制定并落实事故报告处理制度的,扣1分;未按规定办理意外伤害保险的,意外伤害保录险办理率不满100%的,扣2分;未制定并演练事故应急预案,扣1分。
, 总分包单位主要负责人、项目经理和安全生产管理人员未经过安全考核合格的,扣3分;其他管理人员、特殊工种人员等其他从业人员未经过安全培训,不具备相应的安全生产知识和管理能力的,扣2分; 企业查企业, 企业未按规定设置安全生产管理机构或配备专职安全生产管理人员的,扣3分;各级未配资质相关资备足够的专、兼职安全生产管理人员的,扣2分; 机构料和抽2 20与查施工, 未制定对分包单位资质资格管理及施工现场控制的要求和规定的,扣3分;分包单位承接人员现场管的项目不符合相应的安全资质管理要求的,扣2分; 管理理资料, 未制定对安全设施所需材料、设备及防护用品的供应单位的控制要求和规定的,扣2分;无安全设施所需材料、设备及防护用品供应单位的生产许可证或行业有关部门规定的证书或证书与其经营行为不相符的,扣3分。
序评分评分应得分扣减分实得分评分标准号项目方法 , 未进行危险源识别、评价的,扣2分;未对重大危险源进行控制策划、建档的,扣1分; 对重大危险源未制定有针对性的应急预案的,扣2分;, 施工组织设计未根据危险源编制安全技术措施或安全技术措施无针对性的,扣2分;施工组织设计(方案,包括修改方案)未经技术负责人组织安全等有关部门审核、审批,扣2分; , 专业性强、危险性大的施工项目,未按要求单独编制专项安全技术方案(包括修改方案)查企业或专项安全技术方案(包括修改方案)无针对性的,扣2分;专项安全技术方案(包括修安全及施工改方案)未经有关部门和技术负责人审核、审批的,扣1分;技术负责人未组织方案编制3技术 25人员对方案(包括修改方案)的事实进行交底、验收和检查的,扣1分;未安排专业人员现场相管理对危险性较大的作业进行安全监控管理的,扣2分; 关资料 , 未有效落实各级安全技术交底的,扣2分;交底无书面交底记录的,扣1分;交底未履行签字手续的,扣1分;, 未配备现行有效的、与企业生产经营内容相关的安全技术标准、规范和操作规程的,扣2分,安全技术标准、规范和操作规程配备有缺陷,扣2分;, 选用国家明令淘汰的设备或工艺,扣2分。
, 未制定设备(包括应急救援器材)安装(拆除)、验收、检测、使用、定期保养、维修、改造和报废制度的,扣1分;制度不完善、不齐全,设备未按规定安装(拆除)、验收、检测、使用、保养、维修、改造和报废的,扣1分;向不具备相应资质的企业和个人出租设备查企业或租用设备的,扣1分;无企业设备管理档案台帐的,扣1分;设备租赁合同未约定各自与及施工安全生产管理职责,扣1分; 4 15, 装拆由不具备相应资质的单位或不具备相应资格的人员承担的,扣2分;装拆无经审批的设施现场相专项方案的,扣1分;未按规定检测或检测不合格即投入使用,扣2分;管理关资料 , 企业对施工现场的平面布置和有较大危险因素的场所及有关设施、设备缺乏安全警示标志的统一规定的,扣3分;安全防护措施和警示、警告标识不符合安全色与安全标志规定要求,扣2分。
, 受到降级、暂扣资质证书处罚的,扣3分,各类检查中项目因存在安全隐患被指令停工整查各级改的,扣2分;受建设行政主管部门经济处罚,扣2分; 安全主管部, 省级及以上通报批评每项扣3分,因不文明施工引起投诉的,扣2分;未按建设安全主管5 生产门管理 20部门签发的安全隐患整改指令书落实整改,扣2分; 业绩信息资, 企业所属施工现场安全达标率及示范率达不到要求的,扣4分;企业年度内未完成上级主料管部门安全生产工作部署任务的,扣2分。
字体加粗项目为主控项,一旦违反则本评分项目得分为0。
总计得分100 企业名称: 考核人员: 日期:附件二施工现场安全质量标准化评分表(开工审查阶段) 表一序评分评分应得分扣减分实得分评分标准号项目方法, 未提交施工单位中标通知书及施工合同,扣1分;, 未提交施工单位资质证书及施工单位安全生产许可证书,扣2分;, 未提交施工组织设计(含各专项安全施工组织设计或措施方案),扣2分;, 未提交施工单位关键岗位(五大员)人员上岗执业证书,扣2分;, 未提交施工单位特种作业人员从业资格证书,扣2分;, 未提交项目负责人、专职安全管理人员安全生产考核证书原件(B、C类),扣2分;, 未提交施工现场创优和安保体系文件的,扣;2分;未提交工程项目安全生产责任合同,扣2分;, 未提交施工单位制定的各项安全生产规章制度及责任制,扣2分; 查阅报监, 未提交各工种安全技术操作规程,扣2分; 1 相关 40 , 未提交监理单位资质证书及安全生产许可证书,扣2分; 资料资料 , 未提交监理单位中标通知书及监理合同,扣2分;, 未提交监理人员从业资格证书,扣2分;, 未提交施工企业缴纳建筑工程意外伤害保险费单,扣3分;, 未提交提交建设单位缴纳安全生产文明施工措施费单,扣3分;, 未提交施工企业计划使用安全生产文明施工措施费项目清单,扣3分;, 施工企业根据自身资质标准,未提交申报安全质量标准化示范工地的书面计划,重点包括施工现场总平面布置图、安全防护设施的构造简图及文字说明,扣3分;, 未提交重大危险源信息登记表,扣3分。
, 在市区主要路段的工地周围未设置高于2.5m的围挡的,一般路段的工地周围未设置高于1.8m的围挡的,扣10分;围挡材料不牢固、不整洁、不美观的,扣5分;围挡没有施工沿工地四周连续设置的,扣5分;现场勘查 , 施工现场进出口无大门的,扣5分;无门卫和无门卫制度的,扣4分;进入施工现场不佩戴工作卡2 60 的,扣2分;门头未设置企业标志的或在场内未悬挂企业标志旗的,扣5分; 开工现场 , 施工作业区与办公、生活区不明显划分的,扣6分; 条件 , 办公及生活区临时设施未采用定型彩色钢板房搭建的,扣6分;生活区内未设置食堂的,扣3分;未设置职工宿舍的,扣3分;未设置厕所的扣3分;未设置淋浴间的,扣3分。
字体加粗项目为主控项,一旦违反则本评分项目得分为0。
总计得分100 工程名称: 建设单位:施工企业: 监理单位: 考核人员: 日期:施工现场安全质量标准化评分表(基础阶段) 表二序评分应得分扣减分实得分评分标准评分方法号项目, 工地场地内及主要道路未做沥青或砼硬化处理的,扣8分;, 建筑材料、构建、料具不按总平面布局堆放的,扣4分;料堆未挂名称、品种、规格等标示的,扣4分;堆放不整齐,未做到工完场地清的,扣4分;, 无消防措施、制度的,扣3分;无灭火器材的,扣4分;文明, 大门口处挂的五牌二图其内容填写不清晰、不齐全的,扣2分;标牌不规范、不查看1 60 施工现场整齐的,扣2分;无安全标语的,扣3分;未设置宣传栏、读报栏、黑板报等学习园地的,扣5分;, 施工现场未树立重大危险源告示牌的,扣4分;内容不准确、填写不清晰的,扣2分;, 大门出入口未设置车辆冲洗平台的,扣5分;, 场内无绿化布置的,扣5分,无排水措施的,扣5分;, 基坑施工无专项安全施工方案的,扣5分;施工方案针对性差,不能指导施工的,扣5分;基坑深度超过5m,专项方案未经专家论证的,扣5分; 查看, 深度超过2m的基坑施工无临边防护措施的,扣4分;防护不符合要求的,扣3分; 现场基坑2 及40 , 基坑施工未设置有效排水措施的,扣5分; 支护相关 , 积土、料具堆放槽边距离小于设计规定的,扣3分;资料 , 人员上下无专用通道的,扣4分;设置的通道不符合要求的,扣3分;, 未按规定进行基坑支护变形监测的,扣3分。
字体加粗项目为主控项,一旦违反则本评分项目得分为0。
总计得分 100 工程名称: 建设单位:施工企业: 监理单位: 考核人员: 日期:施工现场安全质量标准化评分表(主体阶段) 表三序评分应得分扣减分实得分评分标准评分方法号项目, 未建立并落实安全生产责任制的,扣2分;未按规定配备专(兼)职安全员或配备职数不足的,扣2分;, 施工组织设计未经审批的,扣1分;超过一定规模的危险性较大的分部分项工程的专项安全施工方案,未进行专家论证的,扣2分;安全措施无针对性或措施未落实的,扣2分; 查阅安全1 相关15 , 无书面安全技术措施交底的且交底未履行签字手续的,扣1分; 管理 , 未制定定期安全检查制度或无安全检查记录的,扣1分;检查出事故隐患,未定人、资料定时间、定措施进行整改的,扣2分;, 班前安全活动无记录的,扣1分;, 无现场安全标志布置总平面图的或现场未按安全标志总平面图设置安全标志的,扣1分。
, 外电防护小于安全距离又无防护措施或防护措施不符合要求,封闭不严的,扣2分;, 未采用TN—S系统的,专用保护零线不符合要求的,保护零线与工作零线混接的,扣2分; , 不符合“三级配电逐级保护”要求的,开关箱(末级)无漏电保护或保护器失灵,漏电保护施工查看装置参数不匹配,电箱内无隔离开关的,违反“一机、一闸、一箱”的,扣2分; 2 10, 线路过道无保护的,电杆、横担不符合要求的,架空线路不符合要求的,扣1分; 用电现场 , 用其他金属丝代替熔丝的,扣1分;, 无专项用电施工组织设计的,无接地极阻值摇测记录的,无电工巡视维修记录或填写不真实的,档案乱、内容不全、无专人管理的,扣2分。
, 模板工程无专项安全施工方案或专项方案未经审批的;扣5分;查看 , 高大模板支撑的专项安全施工方案未进行专家论证或未按方案实施的;扣8分;现场 , 立柱底部无垫板或用砖垫高的,扣2分;不按规定设置纵横向支撑的,扣1分;立柱模板3 间距不符合规定的,扣1分; 20 查阅支撑 , 留有未拆除完悬空模板的,扣1分; 相关 , 模板工程无验收手续的,拆模板未进行安全技术交底的,扣1分; 资料 , 模板拆除前无混凝土强度报告的,扣1分。
续表三序评分应得分扣减分实得分评分标准评分方法号项目, 每有一人不按规定佩戴安全帽的,扣1分;, 在建工程外侧未用密目安全网封闭的,安全网规格、材质不符合要求的,扣2分; “三, 每有一人未系安全带的或系挂不符合要求的,扣1分;宝”、查看 , 楼梯口、电梯井口无防护的或处防护不符合要求、不严密的,防护设施未形成定型化、15 工具化的,电梯井内每隔两层(不大于10m)少一道防护平网的,扣3分; “四现场, 预留洞口、坑井防护无防护措施的,防护设施未形成定型化、工具化的,扣3分; 4口” ,通道口防护无防护棚的或防护不严的,防护棚不牢固、材质不符合要求的,扣2分;, 阳台、楼板、屋面等临边无防护的或防护不严、不符合要求的,扣3分。