(QTZ80)QTZ5512
- 格式:doc
- 大小:738.00 KB
- 文档页数:21
上海龙盛国际商业广场QTZ80A(5512)塔式起重机基础计算书一、概述本工程为上海龙盛国际商业广场,拟采用五台上海市吴淞建筑机械厂有限公司生产的QTZ80A(5512)塔式起重机。
每台塔基采用4根直径800mm、长22m的钻孔灌注桩,桩中心距为2.4m,灌注桩上为480mmx480mm钢格构柱,钢格构柱顶为钢筋混凝土承台。
每根钻孔灌注桩内配10根直径22mm的HRB335级钢筋作为主筋,箍筋为加密区υ10@100、非加密区υ10@200。
格构柱最大净高为5#塔吊的11.05m,故以下按该塔吊计算。
表中:Fv为垂直力(KN),Fh为水平力(KN),M1、M2为两个方向的倾覆力矩(KN.m),Mk为扭矩(KN.m)。
表中:Qmax为最大桩顶反力,Qmin KN,均根据后续计算结果摘录。
本表中数值均为标准值。
编制依据:1.上海市吴淞机建筑机械厂有限公司《QTZ80A(5512)塔式起重机使用说明书》2.《钢结构设计规范》GB50017-20033.《建筑桩基技术规范》JGJ94-20084.《塔式起重机安全规程》GB5144-20065.《起重机械安全规程》GB6067-856.《建筑工程安全生产管理条例》国务院令第393号7.《塔式起重机操作使用规程》JG/T100-19998.《建筑机械使用安全技术规程》JGJ33-20019.《施工现场临时用电安全技术规范》JGJ46-200510.《建筑施工高处作业安全技术规范》JGJ80-9111.《起重机械用钢丝绳检验和报废使用规范》GB5972-8612.上海龙盛国际商业广场岩土勘察报告工程编号:2011-K-1-01513.工程相关土建设计图纸。
计算简图:二、桩顶反力计算一、基本资料:承台类型:四桩承台,方桩边长 d = 480mm桩列间距 Sa = 2400mm,桩行间距 Sb = 2400mm,承台边缘至桩中心距离 Sc = 650mm 承台根部高度 H = 1200mm,承台端部高度 h = 1200mm承台相对于外荷载坐标轴的旋转角度α = 45°柱截面高度 hc = 1600mm (X 方向),柱截面宽度 bc = 1600mm (Y 方向)单桩竖向承载力特征值 Ra = 1240kN桩中心最小间距为 2.4m,5d (d -- 圆桩直径或方桩边长)混凝土强度等级为 C35, fc = 16.72N/mm , ft = 1.575N/mm钢筋抗拉强度设计值 fy = 300N/mm ,纵筋合力点至截面近边边缘的距离 as = 110mm 纵筋的最小配筋率ρmin = 0.15%荷载效应的综合分项系数γz = 1.35;永久荷载的分项系数γG = 1.35基础混凝土的容重γc = 25kN/m ;基础顶面以上土的重度γs = 18kN/m ,顶面上覆土厚度 ds = 0m承台上的竖向附加荷载标准值 Fk' = 0.0kN设计时执行的规范:《建筑地基基础设计规范》(GB 50007-2002)以下简称基础规范《混凝土结构设计规范》(GB 50010-2010)以下简称混凝土规范《钢筋混凝土承台设计规程》(CECS 88:97)以下简称承台规程二、控制内力:Nk --------- 相应于荷载效应标准组合时,柱底轴向力值(kN);Fk --------- 相应于荷载效应标准组合时,作用于基础顶面的竖向力值(kN);Fk = Nk + Fk'Vxk 、Vyk -- 相应于荷载效应标准组合时,作用于基础顶面的剪力值(kN);Mxk'、Myk'-- 相应于荷载效应标准组合时,作用于基础顶面的弯矩值(kN²m);Mxk、Myk --- 相应于荷载效应标准组合时,作用于基础底面的弯矩值(kN²m);Mxk = (Mxk' - Vyk * H) * Cosα + (Myk' + Vxk * H) * SinαMyk = (Myk' + Vxk * H) * Cosα - (Mxk' - Vyk * H) * SinαF、Mx、My -- 相应于荷载效应基本组合时,竖向力、弯矩设计值(kN、kN²m);F =γz * Fk、 Mx =γz * Mxk、 My =γz * MykNk = 511; Mxk'= 0; Myk'= 2124; Vxk = 72; Vyk = 0Fk = 511; Mxk = 1563; Myk = 1563F = 689.9; Mx = 2110; My = 2110三、承台自重和承台上土自重标准值 Gk:a = 2Sc + Sa = 2*650+2400 = 3700mmb = 2Sc + Sb = 2*650+2400 = 3700mm承台底部底面积 Ab = a * b = 3.7*3.7 = 13.69m承台体积 Vc = Ab * H = 13.69*1.2 = 16.428m承台自重标准值 Gk" =γc * Vc = 25*16.428 = 410.7kN承台上的土重标准值 Gk' =γs * (Ab - bc * hc) * ds = 18*(13.69-1.6*1.6)*0 = 0.0kN 承台自重及其上土自重标准值 Gk = Gk" + Gk' = 410.7+0 = 410.7kN四、承台验算:1、承台受弯计算:(1)、单桩桩顶竖向力计算:在轴心竖向力作用下Qk = (Fk + Gk) / n (基础规范 8.5.3-1)Qk = (511+410.7)/4 = 230.4kN ≤ Ra = 1240kN在偏心竖向力作用下Qik = (Fk + Gk) / n ± Mxk * Yi / ∑Yi ^ 2 ± Myk * Xi / ∑Xi ^ 2(基础规范 8.5.3-2) Q1k = (Fk + Gk) / n + Mxk * Yi / ∑Yi ^ 2 - Myk * Xi / ∑Xi ^ 2 = 230.4+(1563*2.4/2)/(2.4^2)-(1563*2.4/2)/(2.4^2)= 230.4kN ≤ 1.2Ra = 1488kNQ2k = (Fk + Gk) / n + Mxk * Yi / ∑Yi ^ 2 + Myk * Xi / ∑Xi ^ 2 = 230.4+(1563*2.4/2)/(2.4^2)+(1563*2.4/2)/(2.4^2)= 881.7kN ≤ 1.2Ra = 1488kNQ3k = (Fk + Gk) / n - Mxk * Yi / ∑Yi ^ 2 - Myk * Xi / ∑Xi ^ 2 = 230.4-(1563*2.4/2)/(2.4^2)-(1563*2.4/2)/(2.4^2)= -420.8kN ≤ 1.2Ra = 1488kNQ4k = (Fk + Gk) / n - Mxk * Yi / ∑Yi ^ 2 + Myk * Xi / ∑Xi ^ 2 = 230.4-(1563*2.4/2)/(2.4^2)+(1563*2.4/2)/(2.4^2)= 230.4kN ≤ 1.2Ra = 1488kN每根单桩所分配的承台自重和承台上土自重标准值 Qgk:Qgk = Gk / n = 410.7/4 = 102.7kN扣除承台和其上填土自重后的各桩桩顶相应于荷载效应基本组合时的竖向力设计值: Ni =γz * (Qik - Qgk)N1 = 1.35*(230.4-102.7) = 172.5kNN2 = 1.35*(881.7-102.7) = 1051.6kNN3 = 1.35*(-420.8-102.7) = -706.7kNN4 = 1.35*(230.4-102.7) = 172.5kN(2)、X 轴方向柱边的弯矩设计值:(绕 X 轴)柱上边缘 MxctU = (N3 + N4) * (Sb - bc) / 2= (-706.7+172.5)*(2.4-1.6)/2 = -213.7kN²m柱下边缘 MxctD = (N1 + N2) * (Sb - bc) / 2= (172.5+1051.6)*(2.4-1.6)/2 = 489.6kN²mMxct = Max{MxctU, MxctD} = 489.6kN²m②号筋 Asy = 1531mm δ = 0.007 ρ = 0.04%ρmin = 0.15% As,min = 6660mm 34Φ16@110 (As = 6836)(3)、Y 轴方向柱边的弯矩设计值:(绕 Y 轴)柱左边缘 MyctL = (N1 + N3) * (Sa - hc) / 2= (172.5+-706.7)*(2.4-1.6)/2 = -213.7kN²m柱右边缘 MyctR = (N2 + N4) * (Sa - hc) / 2= (1051.6+172.5)*(2.4-1.6)/2 = 489.6kN²mMyct = Max{MyctL, MyctR} = 489.6kN²m①号筋 Asx = 1502mm δ = 0.007 ρ = 0.04%ρmin = 0.15% As,min = 6660mm 34Φ16@110 (As = 6836)2、承台受冲切承载力计算:(1)、柱对承台的冲切计算:扣除承台及其上填土自重,作用在冲切破坏锥体上的冲切力设计值:Fl = 689850N柱对承台的冲切,可按下列公式计算:Fl ≤ 2 * [βox * (bc + aoy) + βoy * (hc + aox)] * βhp * ft * ho(基础规范 8.5.17-1)X 方向上自柱边到最近桩边的水平距离:aox = 1200 - 0.5hc - 0.5d = 1200-1600/2-480/2 = 160mmλox = aox / ho = 160/(1200-110) = 0.147当λox < 0.2 时,取λox = 0.2,aox = 0.2ho = 0.2*1090 = 218mmX 方向上冲切系数βox = 0.84 / (λox + 0.2) (基础规范 8.5.17-3)βox = 0.84/(0.2+0.2) = 2.1Y 方向上自柱边到最近桩边的水平距离:aoy = 1200 - 0.5bc - 0.5d = 1200-1600/2-480/2 = 160mmλoy = aoy / ho = 160/(1200-110) = 0.147当λoy < 0.2 时,取λoy = 0.2,aoy = 0.2ho = 0.2*1090 = 218mmY 方向上冲切系数βoy = 0.84 / (λoy + 0.2) (基础规范 8.5.17-4)βoy = 0.84/(0.2+0.2) = 2.12 * [βox * (bc + aoy) + βoy * (hc + aox)] * βhp * ft * ho= 2*[2.1*(1600+218)+2.1*(1600+218)]*0.967*1.575*1090= 25336288N ≥ Fl = 689850N,满足要求。
一、编制及依据《QTZ80(QTZ5512)说明书》《建筑机械使用安全技术规程》(JGJ33—2012)《高处作业分级》(GB3608-2008)《起重吊车指挥信号》(GB5082-85)《起重机司机安全技术考核标准》(GB6702-86)《建筑塔式起重机安全规程》(GB5144-2006)《建筑施工塔式起重机安装、使用、拆卸安全技术规程》 JGJ196-2010《建筑塔式起重机安装检验评定规程》(DBJ/T15-73-2010)二、设备及工程概况工程名称:横沥镇灵山安置区工程工程地点:广州市南沙区横沥镇塔吊生产厂家:广西建工集团建筑机械制造有限责任公司安装施工单位:广西建工集团建筑机械制造有限责任公司使用单位:中交南沙新区明珠湾区工程总承包项目经理部总包单位:中交南沙新区明珠湾区工程总承包项目经理部QTZ80(QTZ5512)塔吊性能参数如下:1、塔机概况:1、塔机主要技术参数:①基本高度:40米。
整机自重:33.35t(本塔机采用附着式安装,最大起升高度140米,8道附着装置)②最大工作幅度:55米。
起重力矩800KN·m。
③最大起重量:6吨(幅度13.84m内);尾部额定起重量:1.1吨(幅度55m)。
④塔吊塔身横截面尺寸:1500*1500⑤本塔机采用三相四线制交流电380V,50HZ、90KW电源,其中:起升机构:型号:YZRW200L-6B3功率:22KW转速:n=962 r/min;变幅机构:型号YDEJ112M-8-4 功率:1.2/2.4KW、转速705/1500r/min;回转机构:型号:YZRW132M2—6 功率: 2×3.7KW转速:908r/min;顶升机构:型号:Y112M-4V1功率:4Kw、转速:1440r/min;塔机安装专项施工方案3、塔机基础承载能力塔机固定在基础上,起升高度达到40米,而未采用附着装置时,对基础产生的载荷值最大,具体数值见上表。
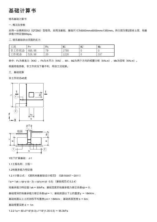
基础计算书塔吊基础计算书⼀. 概况及参数采⽤⼀台德英5512(QTZ80)型塔吊,采⽤浅基础,基础尺⼨为6000mmx6000mmx1350mm。
持⼒层为第2层⽼⼟层,地基承载⼒特征值80kpa。
⼆. 塔吊基础承台顶⾯的反⼒表中:Fv为垂直⼒(KN),Fh为⽔平⼒(KN),M1、M2为两个⽅向的倾覆⼒矩(KN.m),Mk为扭矩(KN.m)。
根据荷载参数,⾮⼯作状况下最不利,⽤该⼯况验算。
三.基础验算⾮⼯作状态45度1柱下扩展基础: J-11.1⼯程名称:⼯程⼀1.2地基承载⼒特征值1.2.1计算公式:《建筑地基基础设计规范》(GB 50007-2011)f a= f ak + ηb·γ·(b - 3) + ηd·γm·(d - 0.5) (基础规范式 5.2.4)地基承载⼒特征值 f ak= 80kPa;基础宽度的地基承载⼒修正系数ηb= 0;基础埋深的地基承载⼒修正系数ηd= 1;基础底⾯以下⼟的重度γ= 18kN/m ,基础底⾯以上⼟的加权平均重度γm= 18kN/m ;基础底⾯宽度 b = 6m;基础埋置深度 d = 1m1.2.2 f a= 80+0*18*(6-3)+1*18*(1.35-0.5) = 95.3kPa修正后的地基承载⼒特征值 f a= 95.3kPa1.3基本资料1.3.1结构构件的重要性系数γ0= 01.3.2基础底⾯宽度 b = 6500mm (X ⽅向),底⾯长度 l = 6500mm (Y ⽅向);基础根部⾼度 H = 1400mm1.3.3柱截⾯⾼度 h c= 1600mm (X ⽅向),柱截⾯宽度 b c= 1600mm (Y ⽅向)1.3.4柱与基础交接处的截⾯⾯积X ⽅向截⾯⾯积 A cb= h1·b + (b + h c + 2*0.05)(H - h1) / 2 = 8.1mY ⽅向截⾯⾯积 A cl= h1·l + (l + b c + 2*0.05)(H - h1) / 2 = 8.1m1.3.5基础宽⾼⽐柱与基础交接处宽⾼⽐: (b - h c) / 2H = 1.6; (l - b c) / 2H = 1.61.3.6基础相对于柱局部坐标系的旋转⾓度α= 45°1.3.7混凝⼟强度等级为 C35, f c= 16.72N/mm , f t= 1.575N/mm1.3.8钢筋抗拉强度设计值 f y= 360N/mm ;纵筋合⼒点⾄截⾯近边边缘的距离 a s= 60mm 1.3.9纵筋的最⼩配筋率ρmin=0.15%1.3.10荷载效应的综合分项系数γz= 1.35;永久荷载的分项系数γG= 1.351.3.11基础底⾯积 A = l·b = 6.5*6.5 = 42.25m基础体积 V c= A b·H = 42.25*1.4 = 59.15m1.3.12基础⾃重及基础上的⼟重基础混凝⼟的容重γc= 25kN/m ;基础顶⾯以上⼟的重度γs= 18kN/m ,顶⾯上覆⼟厚度 d s= 0mG k= V c·γc + (A - b c·h c)·d s·γs= 1479kN基础⾃重及其上的⼟重的基本组合值 G =γG·G k= 1997kN1.3.13基础上的附加荷载标准值 F k' = 0kN1.4基础底⾯控制内⼒N k --------- 相应于荷载效应标准组合时,柱底轴向⼒值(kN);F k --------- 相应于荷载效应标准组合时,作⽤于基础顶⾯的竖向⼒值(kN);F k= N k + F k'V xk、V yk -- 相应于荷载效应标准组合时,作⽤于基础顶⾯的剪⼒值(kN);M xk'、M yk'-- 相应于荷载效应标准组合时,作⽤于基础顶⾯的弯矩值(kN·m);M xk、M yk --- 相应于荷载效应标准组合时,作⽤于基础底⾯的弯矩值(kN·m);M xk= (M xk' - V yk·H)·Cosα + (M yk' + V xk·H)·SinαM yk= (M yk' + V yk·H)·Cosα - (M xk' - V yk·H)·SinαF、M x、M y -- 相应于荷载效应基本组合时,竖向⼒、弯矩设计值(kN、kN·m);F =γz·F k、 M x=γz·M xk、 M y=γz·M yk1.4.1 Nk = 469; M xk'= 0,M yk'= 1890; Vxk = 79,Vyk = 0F k= 469; M xk= 1337,M yk= 1337F = 586; M x= 1671,M y= 16711.5相应于荷载效应标准组合时,轴⼼荷载作⽤下基础底⾯处的平均压⼒值p k= (F k + G k) / A (基础规范式 5.2.2-1)p k= (469+1479)/42.25 = 46.1kPa ≤ f a= 95.3kPa,满⾜要求。
QTZ80(TCT5512)型塔吊附着安装方案一、编制依据1、《塔式起重机使用说明书》2、《塔式起重机操作使用规程》3、《塔式起重机安全规程》4、《特种设备质量监督与安全监察规定》5、《起重设备安装工程施工及验收规范》6、《设备作业人员监督管理办法》二、工程概况本工程地下层,地上层,总高度m、我公司设置了1台塔吊负责主体施工的材料垂直运输工作,塔吊型号为QTZ80(TCT5512)。
三、塔吊附着前期准备根据塔吊自身建造过程中的属性,塔吊自由高度为40米,塔吊自身设计第一道附着高度为27m,约塔吊的第4个标准节,标准节高度5m。
最后一道附着距吊钩允许最大高度30m.我方参考了塔吊说明书,结合现场实际情况.QZT80(TCT5512)型塔吊需加设5道附着,其中附着的高度分别为:第一道附着:27米,第4个标准节;第二道附着:42米,第7个标准节;第三道附着:57米,第10个标准节;第四道附着:72米,第13个标准节;第五道附着:87米,第16个标准节;塔吊锚板均为t=16nm 厚的钢板,与附着斜拉杆采用M=30的螺栓连接,斜拉杆由2面的20#槽钢背对背焊接而成,尾部连接有钢板,钢板厚16mm ,钢板与锚板用M30的高强螺栓进行连接,连接完成后进行焊接.钢板及斜拉杆材质均为Q335B。
四、附着拉杆的安装和拆卸应符合要求1、塔吊附着前,检查塔吊附着点,附着点的强度必须满足塔吊附着的受力要求;2、安装附着拉杆时,必须使起重机处于顶升时的平衡状态,且使两臂位于与附着方向相垂直的位置;3、在安装每一道附着拉杆时,不得任意升高塔身,必须保证在未附着前起重机的自由高度必须符合产品的有关规定;4、分段拼装的附着拉杆各联接件(如螺栓、销轴等)必须安装齐全,各联接件的固定要符合要求;5、建筑物与附着拉杆之间的联接必须牢固,保证起重机作业中塔身与建筑物不产生相对运动,需要在建筑物上打孔与附着拉杆联接时,在建筑物上所开的孔径应和与它相连接的销轴(螺栓)的直径相称;6、附着后,最高点以下的塔身轴线垂直度偏差不大于2%°;7、各附着框架与塔身之间的联接应符合要求;8、各附着点的高度必须严格遵照说明书的规定;9、附着框架在相应的塔身节的联接位置,不应超过规定的误差,附着框架应保持水平,不应偏斜;10、对于塔身在附着框架相连处有辅助装置的起重机在锚固时,必须将其安装齐全;11、附着框架与塔身之间应按规定的方法固定牢靠,不得松动;12、附着装置的安装应有专人负责,工作时应系安全带,戴好安全帽,并应遵守高处作业的有关安全操作的规定;14、起重机作业时,应经常检查附着锚固装置,发现松动或异常情况时,应立即停止作业,故障未排除不得继续作业。
QTZ80(TCT5512) 塔式起重机(1.5×1.5米截面,外套,最大起重量6吨) 制造许可证:TS2410639—2012使用说明书广西建工集团建筑机械制造有限责任公司广西建机塔式起重机使用说明书第一章概述1.1前言QTZ80(TCT5512)平头塔式起重机是广西建工集团建筑机械制造有限责任公司为满足国内外市场的需要,按照国家和行业标准,参照相应的国际标准,自行设计、制造的一种上回转、水平变幅、自升式塔式起重机。
该机最大臂长55m,最大起重量为6吨,额定起重力矩800KN.m,与普通带塔帽式塔机相比具有以下特点:1)大大降低拆装塔机对所需起重设备起重能力的要求。
平头塔机由于取消了塔帽,其单元质量小、安装高度低,最大安装高度与同级别的带塔帽式塔机相比降低10m左右。
普通塔机安装吊臂时必须在地面上先将臂架、拉杆等全部连接好再进行整体吊装,对起重设备的要求较高,需要较大的起重量和起升高度,此外臂根销轴连好后还要将臂架抬高许多才能将吊臂拉杆连接好,安装吊臂拉杆时容易出现安全事故,而平头塔机装拆则简单、快捷、安全。
2)非常适合对高度有特殊要求的场合施工。
平头塔机没有塔头,吊钩的有效高度大为提高,空间利用率高,因此非常适合于对高度有特殊要求的场合,如机场的改扩建,机场附近、隧道内、厂房里的施工和高压线下的施工等,而传统带塔头的塔机往往很难胜任。
3)特别适合于对幅度变化有要求的施工场合。
平头塔机臂节特殊的连接方式及没有塔头和臂架拉杆,使其吊臂的逐节拆装非常简易、安全,施工过程中如需要改变吊臂的长度(加长或缩短)时都不需拆下整个吊臂。
4).本机起升机构采用电动或手动离合器变速,涡流制动器调速的起升方案,起升速度块,慢就位准确可靠;回转机构采用涡流电动机和行星齿轮传动,起制动平稳;变幅机构采用了双速电机控制,其加减速运行平稳;行走机构采用圆弧齿圆柱蜗杆减速机,传动平稳,机构紧凑。
5).电控系统采用国际通用的电子控制方式,自动化程度高,操作方便,电气元件均为国内品牌优质产品,工作可靠。
富德大厦塔吊基础专项施工方案清远市清城区建筑工程有限公司二零一五年一月六日一、工程概况项目名称:富德大厦,地址:清远市新城西26#区。
塔吊的型号为:QTZ80(QTZ5512);出厂编号KGW12-29-236;基本臂最大幅度为55M;现安装45M 的臂长:该机最大独立自由高度为40米,最大起重量为60KN。
该塔吊具体位置位于1/D~B轴之间,安装一台1号塔机,具体位置见基础布置图。
二、塔机的基础位置及基础场地1、塔吊的基础位置及基础场地(见图)2、塔吊基础尺寸5000×4500×1800,混凝土强度等级为C30,垫层混凝土的强度等级C10,厚度100㎜;详见塔吊基础施工图。
3、塔吊基础直接均匀承载在6根Φ500长螺旋钻孔压灌桩上面,桩伸入塔吊基础垫层内100㎜,每根长螺旋钻孔压灌桩长约12米,桩端持力层为强化粉质泥岩层,单桩承载力特征值为500KN。
三、塔吊基础施工步骤:1、按塔吊施工平面布置图将土方开挖到离基底标高400㎜处,然后人工清土到基底标高,避免扰动原状土。
2、人工截桩头至要求的标高处,要求桩头平整,桩头钢筋伸入基础内80㎝。
3、浇筑基础垫层砼(为C10 100㎜厚)。
4、待垫层砼达到强度后,按塔吊基础结构图绑扎基础钢筋,并报监理验收,合格后方可浇筑混凝土。
5、用水准仪定出地脚螺丝栓安装标高,安装地脚螺栓。
地脚螺栓固定在基础底座上,注意校核底座的平整度。
地脚螺栓预埋时,将4颗地脚螺栓分别悬挂在连接板四角薄钢板的孔上,分别戴上一个螺母,使模板的钢板底面比待浇筑的砼基础顶面高出20-30㎜,用水准仪将连接板的四块钢板校平至相对误差小于或等于1/500。
6、将地脚螺栓的上部挂至竖直状态,然后在螺栓下端钩环内置入Φ25的长度不小于400㎜的钢筋,并利用它将螺栓下部与绑扎好的钢筋焊接成为整体。
将螺栓头部用塑料布包住以防粘上水泥浆等杂物。
检查连接板钢板的放置方位、水平度误差及螺栓的坚直及固定情况无误后才可进行塔机基础砼的浇筑。
QTZ80(QTZ5512)技术资料(配久和机构)1、 塔机技术性能55m 臂幅度26222432303436403842464448525455起重量kgm 1416182028219518605012301200600059255135452040253620328530002755254523602050175017001600151514351360129513.84起重特性表50m 臂起重量幅度42324036343828302422264446485016182029152175170516101450kgm 6000541047654245382034703170269025002325204019151805152514.5345m 臂42起重量幅度175019053330324036343828201830242226164544m kg6000567049954455401036453065283026302450229021502020180015.1839m 臂起重量幅度2622243830343639181620283226652120kgm 21802325248528703105337536904065451550605745600015.37第一节架固定方式示意图3.3.3混凝土基础承载图混凝土基础承载简图用户和安装单位在安装固定式或附着式塔吊前,应对安装的混凝土基础的强度和施工方法预先计算和确定。
塔机固定在基础上,起升高度达到40米,而未采用附着装置时,对基础产生的载荷值最大,具体数值见上表。
3.3.4预埋螺栓固定基础节的砼座,打混凝土基础,制作预埋螺栓、压板等。
112下图为b =5500m m ,h =1200m m 的基础配筋参数,其余两种方案用户可参考此图确定配筋参数.技术要求:1.砼标号:C35,砼比重:2300Kg/m 3。
2、预埋螺栓固定基础节的砼座,打混凝土基础,制作预埋螺栓、压板等。
致用户感谢您选购和使用本公司的塔式起重机!为了使您正确使用与维护该设备,操作前敬请仔细阅读本使用说明书,并妥善保管,以备查询。
本使用说明书中黑体字的语句,涉及到施工的安全,敬请注意。
本公司致力于产品的不断完善,产品的某些局部结构或个别参数更改时,恕不另行通知。
如有疑问,请与本公司联系。
出厂编号:出厂日期:年月日本公司致力于塔机的不断完善,满足用户的各种需求,随机文件变化频繁。
该编号的随机文件与该编号的主机一一对应,切忌混用!即使是同型号塔机,也不保证适用!目 录1. 概述 (5)2. 起重机技术性能 (6)2.1 起重特性表 (7)2.2 起重特性曲线 (8)2.3 技术性能表 (8)2.4 供电设备性能 (9)2.5 起重速度与臂长、最大起重量、操作档位关系 (9)3. 起重机构造简述 (9)3.1 金属结构 (9)3.2 工作机构 (16)3.3 电气控制与操作系统 (20)4 起重机安装与拆卸 (23)4.1 安装前的准备工作 (23)4.2 装卸要求及注意事项 (24)4.3 安装程序 (24)4.4 塔身标准节的安装方法及顺序 (30)4.5 安全装置调整方法 (32)4.6 起重机的试运转 (33)4.7 塔机的拆卸 (34)5. 起重机的使用 (34)5.1 一般规定 (34)5.2 起重机的顶升作业 (35)5.3 使用前注意事项 (35)5.4 起重机的操作 (36)6 起重机的维护保养和维修 (37)6.1 机械设备的维护保养 (37)6.2 液压顶升系统的维护保养 (37)6.3 金属结构的维护保养 (38)6.4 电气系统的维护保养 (38)6.5 维修 (39)7. 附着式 (39)7.1. QTZ80《附着式》示意图 (40)7.2. 技术参数 (41)7.3 QTZ80附着式 (47)7.4 工作状况 (49)7.5 附着尺寸 (50)7.6 附着检测和张紧 (51)7.7 混凝土基础强度 (51)8. 配套产品技术性能 (52)8.1 起重量限制器 (52)8.2 起升减速器 (52)8.3 回转行星齿轮减速器 (53)8.4 牵引减速器 (53)8.5 电机 (54)8.6 回转支承 (55)8.7 多功能行程限位器 (56)8.8 司机室联动操纵台 (57)9. 附图 附表 (60)9.1 基础 (60)9.2 各部润滑表 (65)9.3 主要部件重量表 (66)9.4 轴承明细表 (67)9.5 钢丝绳明细表 (67)9.6 配重图样Ⅰ~Ⅲ (67)9.7 立塔与拆塔所需工具 (70)重要说明 (71)前言:非常感谢和欢迎您使用本公司生产的塔式起重机,在安装和使用本塔机之前,请您仔细阅读该使用说明书,如在安装和使用过程中遇到问题,请与我厂联系,我们将会给您提供优质的服务。
1.2.1 主要技术参数1.2.2 塔机技术性能55m 臂幅度26222432303436403842464448525455起重量kgm 1416182028219518605012301200600059255135452040253620328530002755254523602050175017001600151514351360129513.84起重特性表50m 臂起重量幅度42324036343828302422264446485016182029152175170516101450kgm 6000541047654245382034703170269025002325204019151805152514.5345m 臂42起重量幅度175019053330324036343828201830242226164544m kg6000567049954455401036453065283026302450229021502020180015.1839m 臂起重量幅度2622243830343639181620283226652120kgm 21802325248528703105337536904065451550605745600015.373.3.4预埋螺栓固定基础节的砼座,打混凝土基础,制作预埋螺栓、压板等。
警告:预埋地脚螺栓时应用铁丝与钢筋绑扎,绝不允许采用点焊的方法固定。
1.33k g /条9.19k g /条25.99k g /条6.53k g /条竖条54005370540052条6条52条建筑钢材Q 235-A钢筋板③②①11005370110048条下图为b =5500m m ,h =1200m m 的基础配筋参数,其余两种方案用户可参考此图确定配筋参数.警告:预埋地脚螺栓时应用铁丝与钢筋绑扎,绝不允许采用焊接的方法固定。
3.3.6平衡重平衡重共有2种规格, 均采用钢筋混凝土浇注成形, 具体外形尺寸及要求见下图,对平衡重的基本要求如下:⑴ 平衡重浇注成形后称重允差为士3%, 强度不低于C35; ⑵ 平衡重的重量随起重臂长度的改变而变化,具体见图示。
天运80塔吊起重参数表如中联的QTZ100又一标记为TC5613,其意义:TC----561356-----最大臂长56mT------塔的英语第一个字母(Tower)C-----起重机英语第一个字母(Crane)13------臂端起重量13KN(1.3吨)1现国内常用塔吊型号如下:QTZ31.5:3808、4206、4306QTZ40:4208、4708、4808、4908QTZ50:5008、5010QTZ63:5013、5310、5610QTZ80:5312、5513、6010QTZ125:5025、5522、6018QTZ160:6024、6516、7012QTZ250:7030、7520QTZ315:7040、75302国产塔式起重机的编号含义QTZ是国产塔吊的型号代码,表示自升式塔吊。
国产塔吊现在的型号主要有以下几种方式:1、QTZXX——XX是数字,表示公称起重力矩(单位t·m),如QTZ63,表示公称起重力矩为63t·m的自升塔吊。
2、QTZXXXX——XXXX也是数字,但与方式(1)不同,如QTZ5015,50表示起重臂最长为50m,15表示50m臂端载荷1.5t。
3、[英文字母]XXXX——英文字母代表塔吊生产商,也有用“TC”字母,TC就是英文TowerCrane(塔吊),XXXX含义同方式如C7027表示四川建机生产的自升塔吊,70表示臂长最大为70m,27表示臂端载荷2.7t;又如TC65153根据建设部ZBJ04008-88《建筑机械与设备产品型号编制方法》的规定,塔式起重机的型号组成如下:QTZ80HQTZ-组、型、特性代号,80-最大起重力矩(吨·米)H-更新、变型代号:其中,更新、变型代号用汉语拼音字母(大写印刷体)表示;主要参数代号用阿拉伯数字表示,它等于塔式起重机额定起重力矩(单位为kN·m)×10-1;组、型、特性代号含义。
目录1工程概况 (2)2编制依据 (3)3塔机基本技术参数及安装位置平面图 (3)3.1塔机的选择与布置 (3)3.2设备简介 (3)4附着装置的设置 (5)5安装顺序和安全质量要求 (6)6电源的设置 (6)7塔吊安装工艺程序 (7)7.1现场要求 (7)7.2施工准备 (7)7.3塔吊安装 (8)8检查 (9)9塔吊标准节安装(顶升、加节) (10)10电器系统安装及安全装置的调试 (11)11附墙装置安装 (12)12塔吊安装完毕的验收 (12)13塔吊拆除 (13)14安全装置的调试 (14)15危险源和安全技术措施 (17)15.1建筑施工起重机械危险源和危害程度分析 (17)15.2安全技术证措施 (18)1工程概况1、工程简述晋江市双沟田美中片区安置小区工程总建筑面积约为378890.1㎡(其中地上建筑面积为305876㎡,地下建筑面积为73014㎡);地下1层,地上共有4个单体,16F-23F;建筑高度为52.8m-77.6m。
本工程为民用二类建筑,钢筋混凝土框架结构。
质量标准为合格。
2、参建单位概况工地名称:晋江市双沟田美中片区安置小区工程10#楼建设单位:晋江豪利房地产开发有限公司勘查单位:泉州市水电工程勘察院设计单位:海口市城市规划设计研究院监理单位:厦门协诚工程建设监理有限公司施工单位: 福建建工集团总公司监督单位:晋江市规划建设与房产管理局工地地址:位于世纪大道与田美路交汇处2编制依据1、《QTZ80塔式起重机说明书》广西建工集团建筑机械制造有限责任公司;2、《建筑机械使用安全技术规程》(JGJ33-2001);3、《地基基础设计规范》(GB50007-2002);4、《建筑安全检查标准》(JGJ59-99);5、《建筑施工塔式起重机安装、使用、拆卸安全技术规程》JGJ_196-20106、《混凝土结构设计规范》(GB50010-2002);7、《建筑起重机械备案登记办法》建质[2008]76号。
塔吊技术参数(QTZ80)
QTZ80(6010、5512)塔式起重机、塔吊、塔机⽇期:[2012-07-04 14:48:54] 共阅[1831]次
QTZ80A 塔式起重机是满⾜GB/T5031<<塔式起重机>>和GB5144<<塔式起重机安全规程>>等标准设计的加强型塔式起重机,额定起重⼒矩80t·m ,最⼤起重量为8吨,有 TC6010、TC5512、TC5017、TC4521等类型。
该机起升机构变极调速,回转机构为变频调速机构,变幅机构⾏星齿减速机内置卷筒,电控系统采⽤进⼝元件,安全保护装置为机械式或机电⼀体化产品,齐全可靠,该机具有固定、⾏⾛、附着、爬等⼯作型式,可满⾜城市中⾼层建筑、⼯业⼚房、电站⽔坝、桥梁等各种建筑施⼯的需要。
型号 QTZ80(6010)(5512)幅度(M) 60 55 独⽴⾼度(M) 46 46 最⾼⾼度(M) 151 151 最⼤起重量(T) 6 8 附墙架(道) 5
5
主肢材料 135×135×12(⽅钢管) 135×135×12(⽅钢管) 标准节截⾯尺⼨ 1.835×1.835 ×2.5 1.835×1.835 ×2.5 起升速度
(a=2)m/min 100/50 100/50 回转速度r/min 0.65 0.65 变幅速度m/min
60/30/10
60/30/10
底座形式
1.⼗字梁斜撑杆有压重式
2.⼗字梁斜撑杆⽆压重式
3.井字梁⽆压重式
4.移动式底架
1.⼗字梁斜撑杆有压重式
2.⼗字梁斜撑杆⽆压重式
3.井字梁⽆压重式
4.移动式底架。
QTZ80(QTZ5512)目录一、编制依据二、工程概况三、塔机概况四、塔式起重机安装组织机构及职责:五、塔机基础设计:六、安装准备工作七、安全措施:八、安装作业过程中安全措施和注意事项:九、安装程序(详细的操作过程参见塔机使用说明书)十、塔机顶升:十一、塔机安装完毕后的检查和试运转十二、塔机的附着十三、使用中的安全措施与操作:QTZ80(QTZ5512)自升塔式起重机施工方案一、编制依据1.《建设工程安全生产管理条例》2.《建筑起重机械安全监督管理规定》3.《塔式起重机安全规程》GB5144-20064.《建筑施工塔式起重机安装、使用、拆卸安全技木规章》TGJ196-20105.《塔式起重机操作使用规程》及使用说明书6.《建筑机械使用安全技术规程》(JGJ33-2001.J119-20017.《高空作业机械安全规则》JG5099-1998二、工程概况广东茂化建集团有限公司乙烯一区商品房工程,位于茂名市乙烯生活一区北门。
结构类型:钢筋混疑土框架结构。
建设单位:广东茂化建集团有限公司,监理单位:茂名市建筑工程监理有限公司,该工程由:北京六建集团有限责任公司承建,工程总建筑面积约18761.5平方米,地上16层,建筑主体总高度约为57米,根据建筑物形状及现有的施工条件,拟在B栋A-21与3-B轴处位置安装一台QTZ80(QTZ5512)塔式起重机三、塔机概况塔机情况如下:1. 塔机型号:QTZ80(QTZ5512)自升塔式起重机2. 塔机生产厂家:广西建工集团建筑机械制造有限责任公司3. 塔机制造许可证号:TS2410639-2012此塔机按GB/T 9462—1999标准生产制造并按GB/T5031-94进行了型式试验和出厂检验,出具了出厂合格证。
4. 塔机主要技术参数:额定起重力矩:85吨·米额定起重量:6吨最大幅度(55米)额定起重量:1.2吨起升高度:独立式安装时40米附着式安装时140米工作幅度: 2.5~55米起升速度:2倍率钢丝绳时为5米/分、38米/分、76米4倍率钢丝绳时为 2.5米/分、17.5米/分、38米回转速度:0~ 0.54转/分变幅速度:18~38米/分塔机重量:独立式45.5吨(含平衡重14吨)塔机起重量:最大起重量6吨、最大辐度起重量1.2吨四. 塔式起重机安装组织机构及职责:1.施工现场塔式起重机安装协调负责人:陈日福协调解决施工现场塔式起重机安装过程中出现的矛盾. 保障塔式起重机安装工作顺利进行。
目录1工程概况 (2)2编制依据 (3)3塔机基本技术参数及安装位置平面图 (3)3.1塔机的选择与布置 (3)3.2设备简介 (3)4附着装置的设置 (5)5安装顺序和安全质量要求 (6)6电源的设置 (6)7塔吊安装工艺程序 (7)7.1现场要求 (7)7.2施工准备 (7)7.3塔吊安装 (8)8检查 (9)9塔吊标准节安装(顶升、加节) (10)10电器系统安装及安全装置的调试 (11)11附墙装置安装 (12)12塔吊安装完毕的验收 (12)13塔吊拆除 (13)14安全装置的调试 (14)15危险源和安全技术措施 (17)15.1建筑施工起重机械危险源和危害程度分析 (17)15.2安全技术证措施 (18)1工程概况1、工程简述晋江市双沟田美中片区安置小区工程总建筑面积约为378890.1㎡(其中地上建筑面积为305876㎡,地下建筑面积为73014㎡);地下1层,地上共有4个单体,16F-23F;建筑高度为52.8m-77.6m。
本工程为民用二类建筑,钢筋混凝土框架结构。
质量标准为合格。
2、参建单位概况工地名称:晋江市双沟田美中片区安置小区工程10#楼建设单位:晋江豪利房地产开发有限公司勘查单位:泉州市水电工程勘察院设计单位:海口市城市规划设计研究院监理单位:厦门协诚工程建设监理有限公司施工单位: 福建建工集团总公司监督单位:晋江市规划建设与房产管理局工地地址:位于世纪大道与田美路交汇处2编制依据1、《QTZ80塔式起重机说明书》广西建工集团建筑机械制造有限责任公司;2、《建筑机械使用安全技术规程》(JGJ33-2001);3、《地基基础设计规范》(GB50007-2002);4、《建筑安全检查标准》(JGJ59-99);5、《建筑施工塔式起重机安装、使用、拆卸安全技术规程》JGJ_196-20106、《混凝土结构设计规范》(GB50010-2002);7、《建筑起重机械备案登记办法》建质[2008]76号。
【产品简介】TC5512(QTZ80)为水平臂架、小车变幅、上回转自升式塔式起重机。
起升机构采用双速绕线电机驱动,启动电流小,过载能力大,通过涡流制动器实现高速运行、缓慢就位;小车变幅采用双速电机通过行星减速器进行调速,减速机内置卷筒,结构紧凑;回转机构采用绕线电机调速、行星减速机配置液力偶合器,平稳启制动。
基础分为固定式和压重式两种形式。
各种安全装置齐全、可靠,顶升横梁和标准节踏步采用我公司专利技术。
本机整机性能稳定,广泛用于各类大中型建筑工程。
【主要技术参数】项目技术参数起升机构工作级别M5回转机构工作级别M4变幅机构工作级别M4额定起升力矩(kN.m) 800最大起升重量(t) 8工作幅度(m) 2.5 ~55/50最大幅度处的额定起重量(t) 1.2起升速度( m/min ) 倍率α =2 α =4吊重(t) 4 4 2 8 8 4 速度 5 40 80 2.5 20 40最低稳定下降速度<5m/min 回转速度(r/min) 0.7变幅速度(m/min) 7.5/22.5/45 顶升速度(m/min) 0.33整机功率(kW) 42.4起升高度(m) 倍率独立式附着式α =2 45 150 α =4 45 75整机高度(m) 附着式156.5 独立式51.5平衡重工作幅度(m) 配重(t)55 14.850 13.8整机自重(t) 42 【工作机构】起升机构采用双速绕线电机串电阻调速,获取不同工作速度,配置涡流制动器,获取稳定下降速度,实现起升机构的平稳启制动、高速工作、缓慢就位的功能。
配置如下:项目型号电动机YZRDW250M1-4/8 30/30kW减速器ZQ650-15.75制动器YT 1 -90钢丝绳18×7-14-1670-特-光-右交回转机构回转电机通过液力偶合器与行星齿轮减速机相连,带动回转小齿轮与回转支承啮合传动,减小回转冲击。
该机回转机构对称布置两个,结构受力更好,回转更平稳。
目录1工程概况 (2)2编制依据 (3)3塔机基本技术参数及安装位置平面图 (3)3.1塔机的选择与布置 (3)3.2设备简介 (3)4附着装置的设置 (5)5安装顺序和安全质量要求 (6)6电源的设置 (6)7塔吊安装工艺程序 (7)7.1现场要求 (7)7.2施工准备 (7)7.3塔吊安装 (8)8检查 (9)9塔吊标准节安装(顶升、加节) (10)10电器系统安装及安全装置的调试 (11)11附墙装置安装 (12)12塔吊安装完毕的验收 (12)13塔吊拆除 (13)14安全装置的调试 (14)15危险源和安全技术措施 (17)15.1建筑施工起重机械危险源和危害程度分析 (17)15.2安全技术证措施 (18)1工程概况1、工程简述晋江市双沟田美中片区安置小区工程总建筑面积约为378890.1㎡(其中地上建筑面积为305876㎡,地下建筑面积为73014㎡);地下1层,地上共有4个单体,16F-23F;建筑高度为52.8m-77.6m。
本工程为民用二类建筑,钢筋混凝土框架结构。
质量标准为合格。
2、参建单位概况工地名称:晋江市双沟田美中片区安置小区工程10#楼建设单位:晋江豪利房地产开发有限公司勘查单位:泉州市水电工程勘察院设计单位:海口市城市规划设计研究院监理单位:厦门协诚工程建设监理有限公司施工单位: 福建建工集团总公司监督单位:晋江市规划建设与房产管理局工地地址:位于世纪大道与田美路交汇处2编制依据1、《QTZ80塔式起重机说明书》广西建工集团建筑机械制造有限责任公司;2、《建筑机械使用安全技术规程》(JGJ33-2001);3、《地基基础设计规范》(GB50007-2002);4、《建筑安全检查标准》(JGJ59-99);5、《建筑施工塔式起重机安装、使用、拆卸安全技术规程》JGJ_196-20106、《混凝土结构设计规范》(GB50010-2002);7、《建筑起重机械备案登记办法》建质[2008]76号。
3塔机基本技术参数及安装位置平面图3.1塔机的选择与布置塔机选型的原则如下:⑴满足现场施工需要;⑵平面内基本覆盖。
1#-6#楼和8#、10#楼选用QTZ80型塔吊。
塔吊立于建筑物外边线3~5米处,可以满足塔吊的就位与拆除有足够的空间,并满足塔吊吊装和拆卸要求。
塔机型号和主要性能参数参见下表。
3.2设备简介1、本工程选用安装的塔吊为广西建工集团建筑机械制造有限责任公司生产出厂的QTZ80(QTZ5512)型塔吊。
独立固定式工作时,最大起升高度40米;固定附着式时,塔吊最大起升高度为140米,最大工作幅度为55米,最小幅度2.5米,最大起重量6吨,最小起重量1.2吨。
2、塔吊在自由高度下最不利状态下的基础荷载3、塔吊主体构件相关参数4附着装置的设置附墙的设置塔身高度≥40米时,必须在≤25米处设置附着点和安装第一道附着架,以后每间距≤20米安装一道附着架。
安装第二道及其以上附着架时,可根据工地的施工情况或安装人员的配备情况等制定较符合实际的附着方案,以下列出的三种方案仅供参考,但应注意无论选择哪一种方案,都必须遵守上述第二条的规定。
⑴在安装第二道及其以上附着架之前,先进行适当的顶升加节,并使悬臂高度控制在≤30.7米以内,上好内外塔连接件固定好塔身,然后按≤20米的间距设置并安装好附着架后,再继续进行顶升加节,本方案可尽量减少塔机附着的次数和附着装置的数量,但顶升加节需分两个阶段进行。
⑵第一次在≤25米处附着之后,当塔身高度已不能满足施工要求时,可适当的进行顶升加节,而后每10米处设置一道附着装置。
在安装好第四道附着装置后,可将第二道附着装置拆除,以备下一道附着时用。
依此类推,但多余的附着装置拆除后,必须保证任意相邻的两个附着装置间的距离≤20米。
本方案的优点在于每次顶升加节可以按照最大悬臂高度≤25米的要求一次顶升完毕,但增加了附着的次数和附着装置的数量。
⑶第一道附着装置设置于≤15米处,而后每间距≤15米设置并安装附着装置,并不许拆除中间任何一道附着装置。
本方案的优缺点与方案⑵大体相同,但附着架的数量与方案(2)相比略有增加。
⑷塔机与输电线的距离必须符合下表的要求。
起重机距离输电线的安全距离5安装顺序和安全质量要求安装的整体思路为:利用25吨吊车吊装标准节及顶升套架、回转台、塔顶支撑、平衡臂及起重臂等。
根据现场条件及汽车吊性能,将塔吊安装至初始安装高度,然后顶升加节至所需的安装高度,其高度超过现场的防护棚及钢筋棚等,满足现场施工要求。
1、安装顺序:塔机基础节→标准节→顶升套架→回转支承→平衡臂→起重臂→配重→检查→顶升加节→电器系统安装及安全装置的调试→附墙装置安装→塔吊安装完毕的验收2、安全质量要求:(1)基础节必须按使用说明书中基础节安装条款的要求进行安装。
(2)塔基施工完,必须养护至少15天(如果塔基砼强度提高,可适当缩短养护时间)时间天后方才允许安装塔吊。
(3)每件构件起吊之前必须拴好溜绳且由专人负责。
(4)吊起重臂时,吊索捆绑时,严禁将钢丝绳从同一节点的两斜腹杆之间穿过并捆绑。
(5)塔吊安装完毕应进行检测。
a.塔吊独立状态塔身(或附着状态下最高附着点以上塔身)轴心线对支承面垂直度控制在4/1000内,附着状态下最高附着点以下塔身垂直度控制在2/1000内。
测试时,将经纬仪架设在平衡臂正后方,侧垂直度偏差然后将平衡臂旋转90 位置。
(注:第一次塔吊起重臂正向顶升口方向)b.调整力矩、回转、起重量、起升限位。
(6)预埋基础支腿的定位尺寸误差控制在0-1mm,基础节顶口支承面标高允许偏差0-0.5mm 。
(7)所有安装销轴安装完毕后,应即刻穿入开口销。
6电源的设置1、场地电源线的敷设场地内的电源采用单独分配箱控制,采用TNS五线三相制接线系统。
2、塔机上电气线路的安装(1)按有关电气图分别接通起升,回转,牵引三大机构的电气线路。
(2)先后接通操纵台及操纵室内控制开关板及照明、警视灯等。
(3)将主电缆从配电柜引入回转塔身,经上支承座,从下支承座与顶升套架间引向套架外侧,经底架节外侧连接到底架节上设置的铁壳开关(注意将电缆一次截够所需长度)。
(4)敷设外线电缆,最后接通电源。
(5)全面检查各接线。
7塔吊安装工艺程序7.1现场要求1、塔吊基础已按施工说明书设计要求施工完毕,并报相关单位验收完成(塔吊基础计算书、基础图、预埋件等隐蔽验收资料齐全)。
2、根据工程实际情况,附墙的形式和长度应符合设备的原始设计要求。
7.2施工准备1.技术准备塔机安装前应准备下列文件、图纸:1)产品合格证书2)塔机安装使用说明书3)塔吊混凝土基础图4)预埋螺栓分布图5)塔机使用说明书6)塔机电气控制原理图7)塔机电气控制箱安装接线图8)塔机电气控制回路接线图塔机安装前,应组织有关人员熟悉会审图纸,了解塔机的型号、规格、用途及性能、技术参数、熟悉塔机安装使用说明书、安装工艺及各部件的安装位置及有关要求,并由技术人员向安装人员逐个进行安全技术交底。
2、设备准备由安装方会同公司质安部及使用方有关人员对塔机各部件(金属结构件、起升机构、回转机构、小车行走机构、电气、操纵、液压系统、安全装置等)进行检查、清点、试验,对传动部件进行清洗、加油,以保证塔机整机技术状态良好,防止日后安装拆卸过程中发生因零部件缺损或损坏造成经常性的维修与停工。
7.3塔吊安装安装的整体思路为:利用吊车吊装塔身第一节架及顶升套架、过渡节架、回转总成、平衡臂及起重臂等。
根据现场条件及汽车吊性能,将塔吊安装至初始安装高度,然后顶升加节至所需的安装高度,其高度超过现场的防护棚及钢筋棚等,满足现场施工要求。
1、安装顺序:塔身第一节架→外套架平台和顶升油缸→过渡节架→回转下支承架、回转支承、回转机构以及上支承架→平衡臂、起升机构及平衡臂拉杆→部分平衡重→起重臂剩余节架→剩余平衡重块→穿绕起升钢丝绳、变幅钢丝绳→装好塔机的全部附属装置(包括司机室和电器柜等)→检查塔机各部分的安装情况,做试运行的准备→顶升加节→电器系统安装及安全装置的调试→附墙装置安装→塔吊安装完毕的验收1、基础节安装塔机基础节的验收标准:塔机基础节顶面标高允许有偏差为±0.5 mma.将塔机第一节架吊装在专用混凝土基础上,校准好水平,其平面度允差为±0.5mm,用螺栓副紧固。
2、标准节与顶升套架安装a.用经纬仪或吊线法检查垂直度,主弦杆四侧垂直度误差应不大于1.5/1000。
b.将顶升套架在地面立起,组装好上、下两层平台及引进梁成整体,并装好液压系统。
液压泵吊放在下平台靠液压千斤顶一侧,连接进出油管。
c. 顶升套架采取四点吊法,吊点设在顶升套架上口,吊起顶升套架由上往下套入标准节的外面(套架上有千斤顶油缸的一面对准塔身上有踏步的一面套入),顶升套架套入塔身后,利用千斤顶中的横梁搁在标准节的踏步上暂时支承稳固顶升套架(顶升套架套入塔身后上口应比标准节上口低至少50mm),再调整好8个爬升导轮与标准节的间隙。
(间隙为2~3毫米)3、回转总成的安装a. 首先,在地面将回转台的上下支座以及回转机构、操作平台等进行组装,联成一体。
b. 采用四点吊法,吊起组装好的回转台,将该组件吊起至套架上,使下支座上有引进梁的一面对正套架上引进标准节的一面,对正下支座上四根主弦杆与标准节上的止口,用销轴与套架连接起来,并用标准节头销将下支座与标准节连接。
4、平衡臂安装a.首先,组装好走道及栏杆等,以及将卷扬机机构、电器箱、电阻箱等固定在平衡臂上,接好各部分所需的电线,并在平衡臂上放上左右各2根拉杆与平衡臂相连。
采用四点吊法,采用平衡臂上的专用吊耳。
平衡臂吊起后,前节略低,当平衡臂销孔与塔体销孔对位好,即刻安装销轴,并用开口销锁住。
将平衡臂逐渐抬高至适当的位置,用销轴将拉杆连接起来,并使用开口销锁定各个部位,销轴安装完毕后松钩卸载,拆去吊索。
b.再吊装一块配重安装在平衡臂最前面的安装位置上。
5、起重臂和剩余配重的安装a. 利用枕木作为拼装垛子。
55m起重臂共8节,节与节之间及销轴连接,拆装方便。
第一节根部与回转上支承架的销接位置连接;第二节中装有牵引机构,载重小车在牵引机构的牵引下,沿起重臂下弦杆前后运行。
b.拼装拉杆,拉杆分前、后两条。
前、后拉杆拼好后,利用起重臂上弦的支架分别固定,并用8#铅丝加以稳固。
c.在起重臂两端上安装好安全绳。
d. 穿绕变幅钢丝绳,利用卷扬机上配置的连杆将制动系统松开,用套筒扳手进行人工穿绕,穿绕完毕,首先固定一根绳在起重小车上,另一根的用手拉导链张紧,并固定。
e.最后再安装平衡臂上的其它5块配重块,销连好各个销轴和附件等。
6、起升钢丝绳的安装f.将起升钢丝绳连续穿过起重量限制器滑轮和根部滑轮架上的滑轮,引到臂架根部的牵引小车上。