现代设备综合管理.pptx
- 格式:pptx
- 大小:341.78 KB
- 文档页数:61
企业管理咨询师知识点:现代设备综合管理企业管理咨询师知识点:现代设备综合管理导语:现代设备综合管理是对设备实行全面管理,从总体上保证和提高设备的可靠性、维修性和经济性。
大家跟着店铺一起来看看相关考试内容吧。
1.现代设备综合管理强调加强设备供需双方即设备制造单位(包括设备的研发)和使用单位的联系,同时,强调设备使用单位内部各部门之间也必须相互配合,共同管理好设备。
2.现代设备综合管理强调设备寿命周期全过程管理,追求设备寿命周期费用最经济、综合效率和投资效益最高。
3.现代设备综合管理要求实行设备的全员管理,把与设备有关的部门、人员组织起来参加设备管理,使设备管理建立在全员参与的基础上。
(二)设备管理的内容设备综合管理有如下几方面内容:1.设备的合理购置设备的合理购置应该符合技术上先进、经济上合理、生产上可行的原则。
一般应考虑的指标有:①设备的效率,如功效、行程和速度等;②精度及性能的保持性、零件的耐用性和安全可靠性;③可维修性;④耐用性;⑤节能性;⑥环保性;⑦成套性;⑧灵活性。
2.设备的正确使用与维护3.设备的检查与修理4.设备的安全经济运行5.设备的更新改造(三)设备维修体制1。
计划预防修理制计划预防修理制是我国工业企业从20世纪50年代开始普遍推行的一种设备维修制度,是进行有计划地维修、检查和修理,以保证设备经常处于完好状态的一种组织技术措施。
计划预防修理制是一种比较科学的预防维修制,但还不完善。
既有过剩修理(修理时间过早、修理项目过多),也有失修的情况发生;强调恢复性修理,而对改善性修理未作相应规定;对生产工人参加维修保养限制较多,不利于调动广大工人管好、用好设备的积极性。
2.全员生产维修制(TPM)(1)全员生产维修制的基本思想全员生产维修制是指全员参加的、以提高设备综合效率为目标的、以设备整个寿命周期为对象的生产维修制。
(2)全员生产维修制活动的八大支柱(3)推行全员生产维修制的目标和可期待的效果,3.设备点检制设备的点检是指为维护设备所规定的性能,在规定的时间内,按规定的检查标准、内容和周期,由操作工和维修工进行检查。
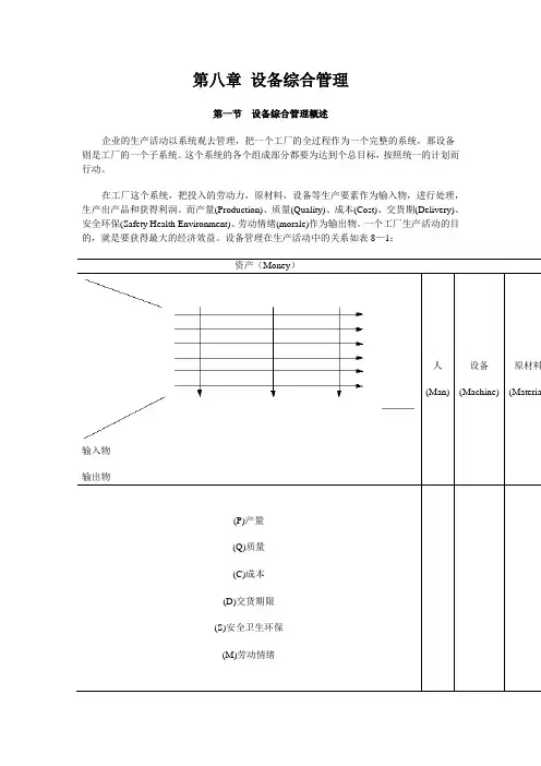
第八章设备综合管理第一节设备综合管理概述企业的生产活动以系统观去管理,把一个工厂的全过程作为一个完整的系统,那设备则是工厂的一个子系统。
这个系统的各个组成部分都要为达到个总目标,按照统一的计划而行动。
在工厂这个系统,把投入的劳动力,原材料,设备等生产要素作为输入物,进行处理,生产出产品和获得利润。
而产量(Production)、质量(Quality)、成本(Cost)、交货期(Delivery)、安全环保(Safety Health Environment)、劳动情绪(morale)作为输出物。
一个工厂生产活动的目的,就是要获得最大的经济效益。
设备管理在生产活动中的关系如表8—1:一、设备综合管理的产生与发展设备是指企业的有形固定资产,是企业可供长期(1年以上)使用并在使用过程中基本保持其原有实物形态,且价值在一定限额以上的劳动资料和其他物质资料的统称。
设备综合管理通常是指从设备的选择、规划、设计、制造或购置、安装、使用、维修、改造、更新、直到报废这一全过程的决策、计划、组织、协调与控制等一系列活动的统称,其实质是依据企业的生产、经营目标,对设备寿命周期内的所有物质运动形态和价值运动形态进行综合管理。
在设备管理的发展历程中大体经历了两个阶段和三个时期。
即:传统设备管理阶段(包括事后维修时期和预防维修时期),现代设备管理阶段(即设备综合管理时期)。
1、传统设备管理阶段。
(1)事后维修时期。
(2)预防维修时期。
2、现代设备管理阶段。
现代设备管理的理论和方法主要包括:设备综合工程学和全员设备维修制。
(1)设备综合工程学是为了使设备的寿命周期费用达到最经济的程度,而对有形资产的有关工程技术、管理、财务以及其他实际业务进行综合研究的科学。
(2)全员设备维修制的基本内容是“三全”。
即:全效率、全系统和全员参加。
全效率,即设备的综合效率。
全系统,即以设备寿命周期为对象进行系统的研究与管理。
全员,即与设备管理有关的人员和部门都要参加设备管理活动。
第十章设备综合管理本章教学目的与要求通过本章学习,使学生理解设备综合管理的内涵与意义,了解设备选择考虑的因素及设备评价的方法,掌握设备磨损与故障规律,掌握设备维护、保养与修理的主要内容,掌握三种设备寿命的概念,了解设备综合工程学的特点及全员设备管理的主要内容。
本章教学重点与难点1.设备磨损与故障规律。
2.设备维护、保养与修理的主要内容。
3.三种设备寿命的概念。
设备是现代化企业从事生产经营活动的主要生产工具。
设备的技术状态如何,对企业的生产效率、产品质量、产品成本和其它技术经济指标有着直接的重大影响。
第一节设备综合管理概述一、设备及设备管理设备是固定资产的重要组成部分。
企业中的设备,包括各种加工机械或装置(铸、锻设备与各种金属切削机床),辅助生产设备(电力、蒸气、压缩空气等动力供应设备,吊车、传送装置、起重机械、各种运输工具搬运设备),内部设施中的设备(照明、通风、调温、调湿等设备),研究实验设备和计量设备等。
设备管理:是以企业生产经营目标为依据,以设备为研究对象,追求设备寿命周期费用最经济和设备效能最高为目标,应用一系列理论、方法,通过一系列技术、经济组织措施,对设备的物质运动和价值运动进行从规划、设计、制造、选型、购置、安装、使用、维护修理直至报废的全过程的科学管理。
设备在运动过程中,存在着两种状态:一是设备的物质运动状态,包括设备的选购、进厂验收、安装、调试、使用、维护、修理,以及设备的革新、改造、更新等;二是设备运动的价值状态,包括设备的最初投资,维修费用支出,折旧、更新、改造资金的筹措、积累、支出等。
前者叫设备的技术管理,后者叫设备的经济管理,这两种状态是互相对应的。
设备管理包括了两种运动状态的管理。
二、设备管理的意义加强设备管理,对提高产品质量有重要的意义。
产品的质量在很大程度上取决于机器设备的精度,设备管理工作做得好,就能保证机床的精度,从而就能保证产品的质量。
设备管理工作,也直接影响企业的经济效果。
【1】设备管理是指以设备为研究对象,追求设备综合效率与寿命周期费用的经济性,应用一系列理论、方法,通过一系列技术、经济、组织措施,对设备的物质运动和价值运动进行全过程的科学管理的过程。
设备管理是进行技术与经济相结合的管理,进行对设备一生的全过程管理。
(技术性、综合性、随机性、全员性)【】设备管理的主要内容有:(1)依据企业经营目标及生产的需要制订企业设备规划;(2)根据技术上先进、经济上合理的原则,选购生产需要的设备,并在必要时组织设计和制造;(3)组织安装和调试即将投入运行的设备;(4)正确、合理地使用已投入运行的设备,消除由于不合理使用引起的磨损,延长设备的使用寿命,并尽可能提高设备的利用率;(5)精心维护、保养和及时检修设备,保证设备的正常运行;(6)适时改造和更新设备。
(三个阶段:经验管理阶段、科学管理阶段、现代管理阶段)【2】设备综合工程学的主要内容特点:强调对设备从工程技术、工程经济和工程管理等方面进行综合研究;重视设备的可靠性及维修性;强调发挥设备一生追求设备寿命周期费用的最经济性;强调对设备从工程技术、工程经济和工程各阶段的机能;重视设计、使用和费用的信息反馈。
【3】后勤学是研究资源的需求、设计、供给和维修,并以后勤保障、计划和作业为对象的管理艺术、管理科学和工程技术活动。
后勤工程学的目标是从设备制造单位的立场出发,保证用户在使用中得到最优的后勤支援,以达到设备寿命周期费用最经济的目的。
特点:后勤工程学是追求产品、结构、程序、设备等周期性成本的经济性为目的;使产品出厂到用户的整个过程的实际总成本减少到最低限度,使结构能达到最适宜的有效程度;强调设备的可靠性和维修性;着重于设备全过程的后勤保障;后勤工程学是综合经营管理、工程学及其他学科的技术方法的一门综合工程学。
【4】TPM是全员参加的生产维修保养的简称,是日本学习美国预防维修(PM )的基础上,吸收了英国的设备综合工程学的观点和我国的“鞍钢宪法”中“两参一改三结合”的方法,并根据日本企业管理的传统经验逐步发展起来的,是日本式的设备综合工程学。