电缆头、中间接头施工检查记录
- 格式:doc
- 大小:50.00 KB
- 文档页数:2
省建设工程质量监督总站监制
省建设工程质量监督总站监制
省建设工程质量监督总站监制
省建设工程质量监督总站监制
省建设工程质量监督总站监制
省建设工程质量监督总站监制
省建设工程质量监督总站监制
省建设工程质量监督总站监制
省建设工程质量监督总站监制
省建设工程质量监督总站监制
省建设工程质量监督总站监制
省建设工程质量监督总站监制
省建设工程质量监督总站监制
省建设工程质量监督总站监制
省建设工程质量监督总站监制
省建设工程质量监督总站监制
省建设工程质量监督总站监制
省建设工程质量监督总站监制
省建设工程质量监督总站监制
省建设工程质量监督总站监制
省建设工程质量监督总站监制
省建设工程质量监督总站监制。
电缆头制作接线和线路绝缘测试工程检验批质量验收记录一、工程名称:电缆头制作、接线和线路绝缘测试工程二、工程质量验收单位:XXXXX有限公司三、质量验收时间:XXXX年XX月XX日四、检查内容和要求1.电缆头制作要求电缆头制作符合设计要求,并满足国家相关的技术标准。
外观质量应良好,无破损、划伤等缺陷。
内部接触件应牢固可靠,接地线连接牢固。
绝缘材料应完好,无渗漏。
2.接线要求接线符合设计要求,并满足国家相关的技术标准。
接线应正确无误,连接紧固可靠。
接地线连接牢固。
绝缘材料应完好,无渗漏。
3.线路绝缘测试要求对已完成的线路进行绝缘测试,测试结果应满足设计要求。
测试应使用专业的测试仪器进行,测试仪器应校准合格。
五、质量验收过程及结果1.电缆头制作对于电缆头的制作进行了检查,发现制作符合设计要求,外观质量良好,无破损、划伤等缺陷。
内部接触件牢固可靠,接地线连接牢固。
绝缘材料完好,无渗漏。
因此,电缆头制作合格。
2.接线对于接线进行了检查,发现接线符合设计要求,连接正确无误,连接紧固可靠。
接地线连接牢固。
绝缘材料完好,无渗漏。
因此,接线合格。
3.线路绝缘测试对已完成的线路进行了绝缘测试,测试结果满足设计要求。
测试使用的测试仪器经过了校准,测试结果可靠准确。
因此,线路绝缘测试合格。
六、质量验收结论根据以上检查结果,电缆头制作、接线和线路绝缘测试工程经过质量验收,合格。
工程质量达到设计要求和国家相关技术标准。
质量验收单位对此表示满意。
七、质量验收意见1.工程单位在电缆头制作、接线和线路绝缘测试过程中,严格按照设计要求和国家相关技术标准进行操作,工程质量有保证。
2.检验批质量验收记录中所有检查项目均合格,电缆头制作、接线和线路绝缘测试工程通过了质量验收,可以进行下一步工程。
八、参加验收人员1.XX(质检员)2.XX(施工人员)3.XX(监理人员)以上为电缆头制作、接线和线路绝缘测试工程检验批质量验收记录,共计XXX字。
施工用电检查记录一、检查概述本次施工用电检查记录是针对某工地施工现场的用电设备和电气路线进行检查,并记录检查结果。
通过此次检查,旨在确保施工现场用电设备的安全性和正常运行,预防电气事故的发生,保障施工工作的顺利进行。
二、检查时间和地点检查时间:2022年1月1日上午9:00-11:00检查地点:某工地施工现场三、检查人员主检人员:XXX协助人员:XXX四、检查内容及结果1. 施工现场用电设备检查1.1 施工电源箱检查发现施工电源箱外观完好,无明显损坏或者漏电现象。
电源箱内部路线整齐,无松动现象。
电源箱上的电流表、电压表和漏电保护器工作正常,指示灯亮起。
1.2 施工配电盘检查发现施工配电盘外观无损坏,内部路线整齐,无松动现象。
各回路开关、熔断器和漏电保护器工作正常,指示灯亮起。
配电盘周围无杂物阻挡,保持通风畅通。
1.3 施工电动工具检查施工现场使用的电动工具,发现工具外观完好,无损坏或者漏电现象。
电动工具的电源路线无破损,插头与插座连接良好。
工具使用过程中无异常声音或者异味,工作正常。
2. 施工现场电气路线检查2.1 施工电缆检查发现施工电缆铺设整齐,无明显损坏或者裸露线头。
电缆固定坚固,无松动现象。
电缆与电缆槽、电缆桥架连接良好,无松脱或者脱落。
2.2 施工电线检查施工现场使用的电线,发现路线外皮完好,无明显破损或者裸露线头。
电线与插座、开关连接坚固,无松动现象。
电线接头处使用绝缘胶带包裹,绝缘良好。
2.3 施工现场灯具检查发现施工现场灯具安装坚固,无松动现象。
灯具的电源路线无破损,插头与插座连接良好。
灯具使用过程中无闪烁或者漏电现象,照明效果良好。
五、检查结论根据本次施工用电检查结果,确认施工现场的用电设备和电气路线处于良好状态,符合安全要求。
未发现任何安全隐患或者异常情况。
建议继续保持用电设备的正常维护和检修,定期进行用电设备的检查,确保施工现场的用电安全。
六、检查人员签名主检人员:(签名)XXX协助人员:(签名)XXX以上是本次施工用电检查记录,如有需要,请妥善保存。
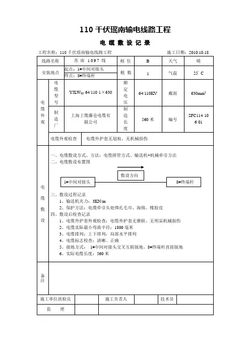
电缆敷设记录电缆敷设记录电缆敷设记录电缆敷设记录电缆敷设记录电缆敷设记录电缆敷设记录电缆敷设记录电缆敷设记录电缆敷设记录电缆敷设记录电缆敷设记录电缆敷设记录电缆敷设记录电缆敷设记录电缆敷设记录电缆敷设记录电缆敷设记录下面红色部分是赠送的总结计划,不需要的可以下载后编辑删除!2014年工作总结及2015年工作计划(精选)XX年,我工区安全生产工作始终坚持“安全第一,预防为主,综合治理”的方针,以落实安全生产责任制为核心,积极开展安全生产大检查、事故隐患整改、安全生产宣传教育以及安全生产专项整治等活动,一年来,在工区全员的共同努力下,工区安全生产局面良好,总体安全生产形势持续稳定并更加牢固可靠。
一、主要工作开展情况(一)认真开展安全生产大检查,加大安全整治力度。
在今年的安全生产检查活动中,工区始终认真开展月度安全检查和日常性安全巡视检查记录,同时顺利完成公司组织的XX年春、秋季安全生产大检查和国家电网公司组织的专项隐患排查工作。
截止日前,工区先后共开展各类安全检查71次,查出事故隐患点22处,均进行了闭环处理。
通过检查活动,进一步夯实了工区的安全生产基础。
(二)顺利完成保电专项工作。
本年度工区共进行专项保电工作10次,累计保电天数达到90余天,通过工区全员的共同努力,顺利完成春节保电、国庆保电、七一保电、特高压投送电保电、500kv沁博线保电等一批重要节假日的保电工作。
(四)工作票统计及其他工作情况。
截止11月15日,我工区连续实现安全生产1780天;全年共办理工作票50张,其中第一种工作票24张,含基建单位8张;第二种工作票26张。
工作票合格率100%,执行情况较好。
全年工区所辖线路跳闸次数共计0次,线路跳闸率为0次/(百公里·年)。
(四)安环体系标准化建设本年度在公司统一的部署下,工区积极参与安环体系标准化建设工作,先后派员参加安环体系标准化培训2次,迎接公司开展安环体系内审工作三次,先后审查出问题共计20余处,先后进行了闭环整改。
居配工程供配电隐蔽工程(电缆敷设)验收记录验--4--3电缆施工设计图、电缆清册、变更设计的证明文件和竣工图。
电缆制造厂提供的产品说明书、试验记录、合格证件隐蔽工程施工安装记录及验收记录。
电缆线路的安装记录试验记录电缆抽检记录验收人员下面红色部分是赠送的总结计划,不需要的可以下载后编辑删除!2014年工作总结及2015年工作计划(精选)XX年,我工区安全生产工作始终坚持“安全第一,预防为主,综合治理”的方针,以落实安全生产责任制为核心,积极开展安全生产大检查、事故隐患整改、安全生产宣传教育以及安全生产专项整治等活动,一年来,在工区全员的共同努力下,工区安全生产局面良好,总体安全生产形势持续稳定并更加牢固可靠。
一、主要工作开展情况(一)认真开展安全生产大检查,加大安全整治力度。
在今年的安全生产检查活动中,工区始终认真开展月度安全检查和日常性安全巡视检查记录,同时顺利完成公司组织的XX年春、秋季安全生产大检查和国家电网公司组织的专项隐患排查工作。
截止日前,工区先后共开展各类安全检查71次,查出事故隐患点22处,均进行了闭环处理。
通过检查活动,进一步夯实了工区的安全生产基础。
(二)顺利完成保电专项工作。
本年度工区共进行专项保电工作10次,累计保电天数达到90余天,通过工区全员的共同努力,顺利完成春节保电、国庆保电、七一保电、特高压投送电保电、500kv沁博线保电等一批重要节假日的保电工作。
(四)工作票统计及其他工作情况。
截止11月15日,我工区连续实现安全生产1780天;全年共办理工作票50张,其中第一种工作票24张,含基建单位8张;第二种工作票26张。
工作票合格率100%,执行情况较好。
全年工区所辖线路跳闸次数共计0次,线路跳闸率为0次/(百公里·年)。
(四)安环体系标准化建设本年度在公司统一的部署下,工区积极参与安环体系标准化建设工作,先后派员参加安环体系标准化培训2次,迎接公司开展安环体系内审工作三次,先后审查出问题共计20余处,先后进行了闭环整改。
附录G:全站电缆施工工程施工记录及质量验评表Q/CSG表2-7.0.1 35kV及以上电缆敷设记录共页第页Q/CSG表2-7.0.1Q/CSG表2-7.0.2 电缆敷设记录(设计变更部分)共页第页Q/CSG表2-7.0.2Q/CSG表2-7.0.3 直埋电缆隐蔽前检查(签证)记录工程编号:Q/CSG表2-7.0.3Q/CSG表2-7.0.4 电力电缆中间接头位置记录共页第页Q/CSG表2-7.0.4Q/CSG表2-7 全站电缆施工单位工程质量验收与评定记录表工程编号:Q/CSG表2-7备注:1.检查意见栏填写要求:符合要求的检查项打“√”,不符合要求的检查项打“×”,未检查项打“/”;2.验收结论栏填写“合格”或“不合格”;3.单位工程质量验收是由业主项目部组织监理、设计、施工单位等单位参加的验收,验收合格后,移交给启委会验收组组织相关单位进行投产前的启动验收;Q/CSG表2-7.1 电缆管配制及敷设分部工程质量验收记录表工程编号:Q/CSG表2-7.1Q/CSG表2-7.1.1 电缆管配制及敷设分项工程质量验收记录表工程编号:Q/CSG表2-7.1.1电缆管配制及敷设分项工程质量验收记录表工程编号:Q/CSG表2-7.1.1续Q/CSG表2-7.2电缆支架安装分部工程质量验收记录表工程编号:Q/CSG表2-7.2Q/CSG表2-7.2.1 电缆架安装分项工程质量验收记录表工程编号:Q/CSG表2-7.2.1Q/CSG表2-7.3 电缆敷设分部工程质量验收记录表工程编号:Q/CSG表2-7.3【W031】Q/CSG表2-7.3.1 电缆敷设分项工程质量验收记录表工程编号:Q/CSG表2-7.3.1【W031】Q/CSG表2-7.3.1续电缆敷设分项工程质量验收记录表工程编号:Q/CSG表2-7.3.1续【W031】Q/CSG表2-7.3.2 光缆敷设分项工程质量验收记录表工程编号:Q/CSG表2-7.3.2【W031】Q/CSG表2-7.3.2续光缆敷设分项工程质量验收记录表【W031】Q/CSG表2-7.3.3 直埋电缆敷设分项工程质量验收记录表工程编号:Q/CSG表2-7.3.3Q/CSG 表2-7.4电力电缆终端及中间接头制作安装 分部工程质量验收记录表工程编号: Q/CSG 表2-7.4【W031】Q/CSG表2-7.4.1 电力电缆终端制作安装分项工程质量验收记录表工程编号:Q/CSG表2-7.4.1Q/CSG表2-7.4.2 电力电缆中间接头制作安装分项工程质量验收记录表工程编号:Q/CSG表2-7.4.2Q/CSG表2-7.5 控制电缆终端制作及安装分部工程质量验收记录表工程编号:Q/CSG表2-7.5Q/CSG表2-7.5.1 控制电缆终端制作安装分项工程质量验收记录表工程编号:Q/CSG表2-7.5.1Q/CSG表2-7.6 35kV及以上电缆线路分部工程质量验收记录表工程编号:Q/CSG表2-7.6Q/CSG表2-7.6.1 35kV及以上电压等级电缆线路敷设分项工程质量验收记录表工程编号:Q/CSG表2-7.6.1Q/CSG表2-7.6.1续35kV及以上电缆线路分项工程质量验收记录表工程编号:Q/CSG表2-7.6.1续Q/CSG表2-7.7 电缆防火与阻燃分部工程质量验收记录表工程编号:Q/CSG表2-7.7【W032】电缆防火阻燃分项工程质量验收记录表工程编号:Q/CSG表2-7.7.1。
电缆中间接头故障分析及防范措施摘要:本文针对一起因施工不规范损伤电缆而引发的电缆故障进行详细的分析,提出了针对性的防范解决措施,为高压电缆的安全稳定运行提供现实作用和价值。
关键词:电缆中间接头;解体检查;雷击1 故障情况2015 年4 月11 日21:25,35 kV 蔡后线发生了一起速断保护动作跳闸,重合不成功,试送不成功,造成后棚变电站全停。
4 月12 日00:20,运维人员到达后棚变电站,对35 kV 蔡后线路进行故障查线,电缆终端检查未见异常。
06:38,通过故障点定位发现#7 接头为故障点,距离35 kV 蔡后#1 终端塔690 m。
1.1 故障现场情况通过现场检查发现该电缆头有严重烧损现象,三芯筒包外护套在故障点已大面积烧尽,三相电缆接头主绝缘均烧黑严重,并且在电缆接头断口外部的电缆主体上发现放电击穿点。
1.2 历史故障信息2013 年8 月13 日21:45,35 kV 蔡后线开关速断保护跳闸,经查电缆段#5 中间接头B 相击穿。
通过解体分析认为故障电缆接头未按照工艺要求对电缆绝缘断面进行倒角处理,锋利的断面将绝缘橡胶件割伤、划伤,造成场强集中,形成绝缘薄弱点。
后棚变电站蔡后线#2 开关速断动作,原因为线路侧#21 塔因雷击导致,线路侧故障后造成电缆段5 号接头B 相绝缘薄弱点出现间歇性孤光接地过电压,最终导致故障发生。
2 解体检查2015 年4 月15 日,对35kV 蔡后线故障电缆终端进行解体分析。
对故障主要解体过程、故障现象进行描述,并对故障原因和异常现象产生的原因进行分析。
2.1 外观检查通过检查发现35 kV 蔡后线故障电缆头外护套两侧均有大面积烧尽现象。
其中一侧表现为电缆中间接头的硅橡胶外端口处炭黑及烧损情况严重,经检查无明显放电点,未见因击穿造成的电缆芯裸露情况。
另一侧烧损情况同样严重,同时在电缆中间接头硅橡胶外端口处明显可见两相电缆之间对应的放电击穿点。
2.2 解体检查在对故障电缆接头进行解体过程中共发现5 处明显放电击穿点。
全站电缆施工工程施工记录及质量验评表Q/CSG表2-7.0.135kV 及以上电缆敷设记录共页第页Q/CSG表2-7.0.1Q/CSG表2-7.0.2电缆敷设记录(设计变更部分)Q/CSG表2-7.0.3直埋电缆隐蔽前检查(签证)记录Q/CSG表2-7.0.4电力电缆中间接头位置记录Q/CSG 表2-7 全站电缆施工单位工程质量验收与评定记录表,未检查项打“/”;备注:1.检查意见栏填写要求:符合要求的检查项打“√”,不符合要求的检查项打“×”;2.验收结论栏填写“合格”或“不合格”3.单位工程质量验收是由业主项目部组织监理、设计、施工单位等单位参加的验收,验收合格后,移交给启委会验收组组织相关单位进行投产前的启动验收;Q/CSG表2-7.1 电缆管配制及敷设分部工程质量验收记录表工程编号:Q/CSG 表2-7.1Q/CSG表2-7.1.1电缆管配制及敷设分项工程质量验收记录表工程编号:Q/CSG表2-7.1.1电缆管配制及敷设分项工程质量验收记录表工程编号:Q/CSG 表2-7.2工程编号:Q/CSG 表2-7.2.1Q/CSG表2-7.3 电缆敷设分部工程质量验收记录表【W031】Q/CSG表2-7.3.1电缆敷设分项工程质量验收记录表工程编号:Q/CSG 表2-7.3.1Q/CSG表2-7.3.1续电缆敷设分项工程质量验收记录表工程编号:Q/CSG 表2-7.3.1续Q/CSG表2-7.3.2光缆敷设分项工程质量验收记录表工程编号:Q/CSG 表2-7.3.2【W031】Q/CSG表2-7.3.2续光缆敷设分项工程质量验收记录表工程编号:Q/CSG 表2-7.3.2续Q/CSG表2-7.3.3直埋电缆敷设分项工程质量验收记录表工程编号:Q/CSG 表2-7.3.3Q/CSG 表 2-7.4 电力电缆终端及中间接头制作安装分部工程质量验收记录表工程编号: Q/CSG 表 2-7.4Q/CSG 表 2-7.4.1 电力电缆终端制作安装分项工程质量验收记录表Q/CSG 表 2-7.4.2 电力电缆中间接头制作安装分项工程质量验收记录表Q/CSG表2-7.5 控制电缆终端制作及安装分部工程质量验收记录表工程编号:Q/CSG 表2-7.5Q/CSG表2-7.5.1控制电缆终端制作安装分项工程质量验收记录表工程编号:Q/CSG 表2-7.5.1Q/CSG表2-7.6 35kV 及以上电缆线路分部工程质量验收记录表工程编号:Q/CSG 表2-7.6Q/CSG表2-7.6.135kV 及以上电压等级电缆线路敷设分项工程质量验收记录表工程编号:Q/CSG 表2-7.6.1Q/CSG表2-7.6.1续35kV 及以上电缆线路分项工程质量验收记录表Q/CSG表2-7.7 电缆防火与阻燃分部工程质量验收记录表工程编号:Q/CSG 表2-7.7电缆防火阻燃分项工程质量验收记录表工程编号:Q/CSG 表2-7.7.1。