陕汽产品型说明
- 格式:docx
- 大小:17.20 KB
- 文档页数:2
f3000标准
F3000标准是一个陕汽重卡的标准,涵盖了车身尺寸、底盘、发动机、变速箱、轮胎、油箱等一系列重要参数。
具体来说:
1. 车身尺寸:长11.42米,宽
2.49米,高
3.98米,前悬/后悬为1.525米/3.12米,轴距为1800+3575+1400毫米。
2. 底盘参数:采用陕汽重卡品牌,底盘型号为SX1310FB,车架尺寸为850×300(8+5)毫米。
前桥描述为7.5T,后桥描述为MAN16T双级,速比为5.262。
弹簧片数为13/13/12,左14右13/左14右13/12。
3. 发动机参数:采用潍柴WP10.310E53型号的发动机,燃料种类为柴油,汽缸数为6个,最大输出功率为228千瓦,最大马力为310马力,排量为9.726升。
排放标准为国五级别,发动机形式为直列六缸、电控高压共轨+SCR,额定转速为1900。
4. 变速箱参数:变速箱型号为法士特9JSD150,档位数为9档。
5. 上装参数:整车公告为SX5310GJBFB386,整车类型为混凝土搅拌车,上装品牌也为陕汽重卡。
这些信息是F3000标准的一部分,旨在确保车辆的可靠性、性能和安全性。
系统集成实施等。
30. 建筑材料耐久性与维护:
这部分主要涉及建筑材料耐久性和维护的要求和方法,包括材料的耐久性、防腐蚀、防老化等。
以上是建筑设计统一标准2019的各部分内容简要介绍,这些部分共同构成了建筑设计的过程和要求,为建筑师和工程师提供了全面的指导和规范。
陕汽重卡车辆结构介绍陕汽重卡(Shaanxi Auto Heavy Truck)是中国陕西汽车集团下属的一家重型商用车制造公司。
陕汽重卡成立于1968年,是中国最早的重型汽车制造企业之一,也是中国重型汽车行业的领导者之一陕汽重卡的车辆主要分为货车、工程车和特种车三大类。
货车主要包括卡车、自卸车、牵引车等,工程车主要有混凝土搅拌车、泵车、消防车等,特种车主要包括垃圾车、清障车、运钞车等。
陕汽重卡的车辆结构坚固耐用,适应各种道路和工况的应用。
下面针对其主要车型进行详细介绍:1.货车系列陕汽重卡的货车系列包括S2000、M5000和F2000三个系列。
这些系列在整车结构、动力系统和驾驶舱设计上都进行了优化。
S2000系列是陕汽重卡的中高端货车系列,具有较高的载重能力和稳定性。
该系列车辆采用高强度钢材焊接而成的车架,具有很强的抗扭刚度和承载能力。
动力系统采用先进的汽油机和柴油机,可提供高效的动力输出。
驾驶舱设计人性化,舒适性好,操作便捷。
M5000系列是陕汽重卡的经典货车系列,具有稳定可靠的性能。
该系列车辆的车架采用双梁式结构,经过多次强度测试和优化设计,具有很高的稳定性和安全性。
动力系统采用高效的柴油机,可提供强劲的动力输出。
驾驶舱采用空间大、视野好的设计,操作简便。
F2000系列是陕汽重卡的高端货车系列,具有出色的性能和豪华的驾驶舱设计。
该系列车辆的车架采用超高强度钢材焊接而成,具有很强的承载能力和抗冲击性。
动力系统采用先进的柴油机,可提供高效、低排放的动力输出。
驾驶舱采用宽敞、舒适的设计,具有多项智能化配置。
2.工程车系列陕汽重卡的工程车系列主要包括混凝土搅拌车、泵车和消防车。
这些车辆具有较大的载重能力和适应各种工程环境的能力。
混凝土搅拌车是陕汽重卡的明星产品之一,采用高强度不锈钢搅拌罐,具有搅拌均匀、搅拌效率高的特点。
泵车采用高强度钢材焊接而成的车架,配备高压泵站和可折叠臂架,可实现远距离的混凝土输送。
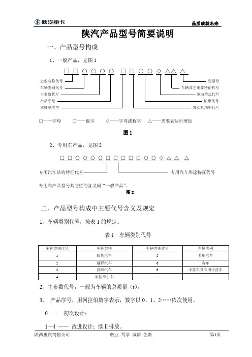
陕汽产品型号简要说明一、产品型号构成1、一般产品,见图1□□○○○○□□○○◇△△△企业名称代号变型号车辆类别代号车辆其它重要特征代号主参数代号驱动型式代号产品序号轴距代号驾驶室类型发动机功率代号□——字母○——数字◇——字母或数字△——需要表达时增加图12、专用车产品,见图2□□○○○○□□□□□○○◇△△△专用汽车结构特征代号专用汽车用途特征代号专用车产品型号其它位的含义同“一般产品”。
图2二、产品型号构成中主要代号含义及规定1、车辆类别代号,按表1的规定。
表1 车辆类别代号车辆类别代号车辆类别车辆类别代号车辆类别1 载货汽车 5 专用汽车2 越野汽车 6 客车3 自卸汽车9 半挂车及专用半挂车4 半挂牵引车——2、主参数代号,一般为车辆的总质量(t)。
3、产品序号,用阿拉伯数字表示,数字以0、1、2……依次使用。
0 ——初次设计;1~4 ——改进设计;欧Ⅱ排放。
5 ——改进设计;国Ⅲ排放。
国Ⅲ的德龙F2000、奥龙等车辆用“5”标识。
6 ——改进设计;国Ⅳ排放7 ——改进设计;国Ⅲ排放的F3000、M3000、X3000。
8 ——改进设计;国V排放。
4、驾驶室类型代号表2 驾驶室类型代号代号驾驶室类型代号驾驶室类型B 奥龙(STEYR)标准驾驶室。
G 德龙M3000加长高顶驾驶室U 奥龙(STEYR)中长半高顶驾驶室H 德龙M3000加长半高顶驾驶室T 奥龙(STEYR)中长高顶驾驶室M 德龙M3000标准驾驶室J 德龙加长平顶驾驶室(F3000/F2000) Z 偏置驾驶室N 德龙加长高顶驾驶室(F3000/F2000) 4 德龙X3000加长高顶驾驶室D 德龙中长平顶驾驶室(F3000/F2000)5、发动机功率代号表3 发动机功率代号代号功率范围代号功率范围千瓦(kW) 马力(PS)千瓦(kW)马力(PS)H 141~154 191~210 S 258~272 351~370J 155~169 211~230 T 273~287 371~390 K 170~184 231~250 U 288~301 391~410 L 185~198 251~270V 302~316 411~430 M 199~213 271~290 W 317~331 431~450 N 214~228 291~310 X 332~350 451~476 P 229~243 311~330 Y 351~370 477~503 R 244~257 331~350 Z >370 >5036、驱动型式代号表4 驱动型式代号代号驱动型式代号驱动型式代号驱动型式代号驱动型式1 4×2 6 8×4 B 8×2 G 12×42 4×4 7 8×8 C 10×4 H 12×63 6×2 8 10×10 D 10×6 J 12×84 6×4 9 6×2(双前轴) E 10×8 K 12×105 6×6 A 8×6 F 12×12 L 备用。
陕汽产品型号简要说明
一、产品型号构成
1、一般产品,见图1
变型号 产品序号
□——字母 ○——数字 ◇——字母或数字 △——需要表达时增加
图1
2、专用车产品,见图2
□ □ ○ △
专用车产品型号其它位的含义同“一般产品”。
图2
二、产品型号构成中主要代号含义及规定
1、车辆类别代号,按表1的规定。
表1 车辆类别代号
2、主参数代号,一般为车辆的总质量(t )。
3、 产品序号,用阿拉伯数字表示,数字以0、1、2……依次使用。
0 —— 初次设计;
1~4 —— 改进设计;欧Ⅱ排放。
5 ——改进设计;国Ⅲ排放。
国Ⅲ的德龙F2000、奥龙等车辆用“5”标识。
6 ——改进设计;国Ⅳ排放
7 ——改进设计;国Ⅲ排放的F3000、M3000、X3000。
8 ——改进设计;国V排放。
4、驾驶室类型代号
表2 驾驶室类型代号
5、发动机功率代号
表3 发动机功率代号
6、驱动型式代号
表4 驱动型式代号。
陕汽F2000车使用说明书21世纪初,国内卡车整体还是以斯太尔技术为基础,但是单一的产品没有强有力的竞争能力,于是,很多以斯太尔技术为背景的卡车企业纷纷开始引进新技术以求突破。
在2003年的上海车展上,陕汽牵手德国MAN并引进了德国MAN旗下的F2000重型卡车。
除了牵引车产品,F2000的自卸车更是陕汽的骄傲。
在国3-国4那段排放标准的时间里,国内使用最多的就是陕汽德龙F2000自卸车,潍柴动力、法士特变速箱、汉德斯太尔桥似乎成了陕汽自卸车的代言词,只要是这套配置的自卸车就是好车。
F2000是后期版本的出口车型,面罩上的进气格栅还是保持了F2000系列车型的梯形设计。
由于是出口车型,陕汽重卡的中文变成了SHACMAN,而X5000和X6000车型也将SHACMAN安装到了前脸。
保险杠则是改进版本的工程保险杠,和F3000上使用的完全通用,采用全钢制金属结构。
车灯为梯形组合式车灯,采用了黑色的背板。
车灯外面还安装了防护网,防止飞溅的石头损坏车灯。
底盘的防护方面,中冷器下面安装了一块打孔的防护钢板,发动机油底壳下方没有安装防护板。
三级蹬车踏板,最下级蹬车踏板采用的是软索式铸铝踏板,踏板造型为条状。
蹬车的时候踩住最下级踏板晃晃悠悠的,蹬车的时候不是很稳,但是这种踏板的实用性是毋庸置疑的。
陕汽德龙F2000采用的中长平顶驾驶室,分体式车窗前高后低式设计是该车的特色。
驾驶室后面的两块玻璃也是MANF2000遗传的基因,个人认为该车的尾窗十分漂亮。
工程版车型普遍采用油浴式+干纸式双级空滤,这辆F2000将这一整套系统移动到车架的上方,并且增加了额外的托架。
安装在中位的优点是能防止损坏,而且还可以防尘。
德龙F3000系列产品配置说明德龙F3000是陕汽联合德国MAN、美国康明斯、潍柴动力、法士特、汉德等国内外知名重卡及零部件总成企业,按照国际先进的设计开发流程,采用国际先进的设计开发软件,倾全力打造的一款通过国际标准定型试验的重卡产品。
该产品从驾驶室到底盘均以MAN技术为基础,并与国内市场特征充分结合,是目前国内唯一一款实现了高效动力、超低油耗、优越车速、自重更轻、安全可靠、舒适美观等多项功能的完美匹配的高端重卡产品。
2011款德龙F3000经过诸多技术改进,完美导入铸铝壳体变速箱、橡胶悬架、真空胎及宽体胎等轻量化总成,全系列产品搭载潍柴蓝擎二代发动机,牵引车、载货车标配燃油防盗报警装置,使德龙F3000具有更卓越的性能,产品种类更加齐全,进一步满足更多用户的需求,以驰久节省、驰久可靠、驰久安全、驰久价值塑造2011款“驰久版”F3000重卡典范。
德龙F3000牵引车分为4个版本:超级轻量化版、高速轻量化版、加强版和超强版,以满足不同工况的车辆运输需求。
(需注意:4×2牵引车仅有高速轻量化版和加强版,6×2牵引车仅有高速轻量化版)超级轻量化版车型标配法士特12档铝壳变速箱或其他普通变速箱 + 变截面车架 + TDS橡胶悬架+轻量化90鞍座 + 12R22.5真空胎,整车实测自重小于8.3吨。
TDS橡胶悬架技术经过多年市场验证,除自重轻外,更使轮胎磨损降低60%以上,经济效益明显。
公路标载运输车辆,尤其是从事煤炭等资源类的标载公路运输车辆,应首先向用户推荐超级轻量化版牵引车。
高速轻量化版是专门针对长途高速物流运输而量身打造(车货总重60吨以内,不适合超载运输)的一款产品,标配法士特12档铝壳变速箱或其他普通变速箱+ 变截面车架 + MVS悬架 + 轻量化90鞍座 + 12R22.5真空胎。
加强版车型重点满足复合工矿用户需求(车货总重在60-80吨),6×4牵引车标配法士特普通变速箱 + 850mm(纵高300mm,厚8+5mm)宽直车架 + SIS悬架 + 90鞍座 + 12.00R20子午胎。
陕汽延专供液车系列产品说明书陕西汽车集团延安专用车有限公司2015年7月目录一、供液车概述 (3)1、供液车简介 (3)2、供液车组成 (3)3、用途 (4)二、供液车性能优势 (4)三、主要技术参数 (4)1、8X4供液车 (4)2、6X4供液车 (5)3、4X2压裂供液车 (6)四、供液车结构、功能概述 (7)1、总体布置 (7)2、罐体系统 (7)3、油路系统 (8)4、控制系统 (8)5、安全保护系统 (8)五、供液车的使用 (8)1、注意事项 (9)2、操作规程 (10)六、运油车的保养与维护 (11)七、一般故障分析与排除 (12)一、供液车概述1、供液车简介供液车是油、气田固井施工时提供液源的非危化品专用汽车,也可用作液态视频、水等普货的运输。
供液车主要通过压裂管汇车或分配器向水泥车提供洗井液,也可用于油井压裂时的供液和其他供水作业。
目前,公司公告供液车主要有4X2压裂供液车、6X4供液车、8X4供液车。
2、供液车组成整车主要由汽车底盘系统、罐体系统、装卸管路及控制系统和安全保护系统等组成。
在车身右侧设置一个操作箱,内部装有阀门、接头,可以实现该化工液体运输车装卸。
罐体左、右两侧对称布置两个圆筒形管箱,左右管箱内各装1根输液胶管,输液胶管可从后部取放。
3、用途3.1油、气田固井施工时提供液源的非危化品专用汽车;3.2用作液态视频、水等普货的运输;3.3通过压裂管汇车或分配器向水泥车提供洗井液;3.4用于油井压裂时的供液和其他供水作业。
二、供液车性能优势1、供液车由底盘、压力罐体、变速箱,油泵等组成,罐体封头一次压制成型。
吨位大、效率高、用途广泛的特点,目前主要用于压裂液的运输。
2、现有成熟产品的基础上,追求低能耗、绿色环保,在满足用户使用要求的条件下,保证新推出产品具有使用可靠性高、性能稳定等优点。
3、拥有燃油公告和免征公告。
三、主要技术参数1、8X4供液车车辆型号:YAZ5310TGY外形尺寸:11945X2500X3360轴距:1800+4575+1350,,100+4575+14001.2底盘参数发动机:WP7.270E40,WP7.300E40,WP10.290E40,WP10.310E40 1.3上装参数罐体有效容积:26.3立方米罐体外形尺寸:9100总长×2450长轴×1700短轴2、6X4供液车2.1整车参数公告型号:YAZ5250TGY轴距:4325+1350,4600+1350外形尺寸:10000×2500×3180底盘型号:SX1256UN434发动机:WP7.270E40,WP7.300E402.3上装参数罐体外形尺寸:7100总长×2400长轴×1550短轴罐体有效容积:19立方米3、4X2压裂供液车3.1整车参数公告型号:YAZ5190TGY外形尺寸:8400×2500×3400轴距:46003.2底盘参数底盘型号:SX5196TXGUM461发动机:WP10.270E40,WP10.290E403.3上装参数罐体有效容积:13立方米罐体外形尺寸:5600总长×2350长轴×1500短轴四、供液车结构、功能概述1、总体布置车主要由汽车底盘系统、罐体系统、装卸管路及控制系统和安全保护系统等组成。
陕汽产品型号简要说明
一、产品型号构成
1、一般产品,见图1
变型号 产品序号
□——字母 ○——数字 ◇——字母或数字 △——需要表达时增加
图1
2、专用车产品,见图2
□ □ ○ △
专用车产品型号其它位的含义同“一般产品”。
图2
二、产品型号构成中主要代号含义及规定
1、车辆类别代号,按表1的规定。
表1 车辆类别代号
2、主参数代号,一般为车辆的总质量(t )。
3、 产品序号,用阿拉伯数字表示,数字以0、1、2……依次使用。
0 —— 初次设计;
1~4 —— 改进设计;欧Ⅱ排放。
5 ——改进设计;国Ⅲ排放。
国Ⅲ的德龙F2000、奥龙等车辆用“5”标识。
6 ——改进设计;国Ⅳ排放
7 ——改进设计;国Ⅲ排放的F3000、M3000、X3000。
8 ——改进设计;国V排放。
4、驾驶室类型代号
表2 驾驶室类型代号
5、发动机功率代号
表3 发动机功率代号
6、驱动型式代号
表4 驱动型式代号。