陕汽产品编制规则
- 格式:doc
- 大小:194.50 KB
- 文档页数:11
汽车标准件产品编号规则汽车标准件产品编号规则是指对汽车标准件进行编号的一套规则和标准,其目的是为了方便汽车生产和维修过程中的管理和识别。
汽车标准件产品编号规则的制定和执行,对于汽车行业的发展和管理具有重要的意义。
首先,汽车标准件产品编号规则的制定需要考虑到行业的特点和需求。
汽车作为一种大型复杂的机械设备,其零部件繁多,种类繁杂,因此对于汽车标准件的管理和识别具有特殊性。
因此,在制定汽车标准件产品编号规则时,需要充分考虑到汽车行业的特点,以及汽车生产和维修过程中的实际需求,确保编号规则的合理性和实用性。
其次,汽车标准件产品编号规则需要遵循一定的逻辑和规范。
在制定编号规则时,需要考虑到编号的唯一性、可识别性和可管理性,避免出现重复的编号或者混淆的情况。
同时,编号规则还需要符合国际标准,以便于与国际标准接轨,促进汽车行业的国际化发展。
此外,汽车标准件产品编号规则的执行需要得到相关部门和企业的支持和配合。
只有在整个行业范围内得到统一执行,才能确保编号规则的有效性和实用性。
因此,汽车标准件产品编号规则的制定和执行需要得到行业协会、政府部门和汽车生产企业的共同努力和配合。
最后,汽车标准件产品编号规则的不断完善和更新也是至关重要的。
随着汽车行业的不断发展和变化,新的零部件和产品不断涌现,对于编号规则也需要不断进行调整和更新,以适应行业的发展需求。
综上所述,汽车标准件产品编号规则的制定和执行对于汽车行业的发展和管理具有重要的意义。
只有通过科学合理的编号规则,才能实现对汽车标准件的有效管理和识别,促进汽车行业的健康发展。
希望通过各方的努力和合作,不断完善和优化汽车标准件产品编号规则,为汽车行业的发展和管理提供有力的支持。
陕西重型汽车有限公司质量管理部汽车、总成产品编号知识规则(汽车产品型号部分、参考使用)陕西重型汽车有限公司质量管理部汇编一、汽车产品型号编制规则1 汽车产品型号编号规则(GB9417-88)及SQB1051-08-90相关规则(仅供参考)1.1 汽车产品型号的构成:汽车的产品型号由企业名称代号、车辆类别代号、主参数代号、产品序号组成。
必要时附加企业自定代号(图1)。
对于专用汽车及专用半挂车还应增加专用汽车分类代号(图2)。
□□○○○○■■企业名称代号企业自定代号车辆类别代号产品序号主参数代号(图1)专用汽车产品型号的构成□□○○○○□□□■■企业名称代号企业自定代号车辆类别代号专用汽车分类代号主参数代号产品序号(图2)SQB1051-06-90相关规则(图3)□□○○○○■■■企业名称代号企业自定代号车辆类别代号产品序号主参数代号□用汉语拼音字母表示○用阿拉伯数字表示■用汉语拼音字母或阿拉伯数字表示(图3)注意:为了避免与数字混淆,不应采用汉语拼音字母中的“I”和“O”1.2 企业名称代号:企业名称代号位于产品型号的第一部分,用代表企业名称的两个或三个汉语拼音字母表示。
我厂采用“SX”表示,即代表——陕西汽车集团有限责任公司(原:陕西汽车制造总厂)。
1.3 车辆类别代号:各类汽车的类别代号位于产品型号的第二部分,用一位用阿拉伯数字表示(按表1规定)。
表1 车辆类别代号注:表1也适用于所列车辆的底盘1.4 主参数代号:各类汽车的主参数代号位于产品型号的第三部分,用两位阿拉伯数字表示。
1.4.1 载货汽车、越野汽车、自卸汽车、牵引汽车、专用汽车与半挂车的主参数代号为车辆的总之量(t),牵引汽车的总质量包括牵引座上的最大质量。
当总质量在100t以上时,允许用三位数字表示。
1.4.2 客车及半挂客车的主参数为车辆长度(m)。
当车辆长度小于10m时,应精确到小数点后一位,并以长度(m)值的十倍数值表示。
1.4.3 轿车的主参数代号为发动机排量(L)应精确到小数点后一位,并以其值的十倍数值表示。
汽车产品型号编制规则汇总汽车产品型号编制规则我国于1988年制定了新的国家标准GB9417一88《汽车产品型号编制规则》,用简单的汉语拼音字母和阿拉伯数字编号来表示国产汽车的企业代号、车辆类型代号、主要特征参数代号、产品序号和企业自定代号等。
□□○○○○■■■a b c d ea:企业名称代号;b:车辆类别代号;c:主参数代号;d:产品序号;e:专用汽车企业自定代号□:用汉语拼音字母表示○:用阿拉伯数字表示■:用汉语拼音字母或阿拉伯数字均可1、首部“a”:由2个或3个汉语拼音字母组成,是识别企业名称的代号。
企业名称代号车辆种类企业名称代号车辆种类EA 二汽东风ZZ 重汽CA 一汽解放HN 华菱BJ 北京福田ND 北奔HFC 江淮SX 陕西陕汽2、中部“b、c、d”:由四位阿拉伯数字组成。
第一位数字“b”代表车辆类别代号,如下表:车辆类别代号车辆种类车辆类别代号车辆种类1 载货汽车 6 客车2 越野汽车7 轿车3 自卸汽车8 --4 牵引汽车9 半挂车及专用半挂车5 专用汽车注:上表也适用于所列车辆的底盘。
第二、三位数字“c”代表各类汽车的主要特征参数:载货车用总质量(t)、客车用总长度(0.1mm)、轿车用排量(0.1L)第四位数字“d”则代表产品的序号。
“0”为第一代产品;“1”为第二代产品3 、尾部“e”是专用汽车企业自定代号,表示不同的驾驶室型式、轴距和发动机。
可用汉语拼音字母和阿拉伯数字表示,位数也由企业自定。
·一汽集团代号车辆种类代号车辆种类代号车辆种类代号车辆种类A 有空调客车底盘B 自卸车底盘 C 牵引车底盘 D 公共汽车底盘E 高拦板F 后轮单轮货车底盘G 高动力性能汽车H 豪华轿车J 检阅用轿车K 柴油车L 长轴距M 高原车N 液化煤汽车P 平头车Q 起重车底盘R 双排座或卧铺S 加油车底盘T 非4×2的驱动形式U 客货两用车V 厢式货车W 运木材车X 消防车底盘Y 右置转向盘车Z 出口车·例:解放牌CA1258P11K2L7T1型6×4平头柴油载货汽车:CA-表示一汽1-表示货车25-表示总质量25吨P-表示平头K-表示柴油发动机L-表示长轴距T1-表示驱动型式为6×4·二汽东风汽车集团企业自定代号构成如下:□□■■○○□a b c d e f ga-驾驶室或三类底盘长头:E-平,单/F-曲,单/B-平,1.5/A-曲,1.5/M-平,双/H-曲,双平头:D-平,单/T-曲,单/P-平,1.5/G-曲,1.5/C-平,双/N-曲,双 S-普通三类底盘客车专用底盘发动机前置(短前悬)KS SC KA发动机前置(长前悬)KT发动机后置 KR RCb-客车、挂车、半挂列车或专用汽车分类代号用一位汉语拼音表示:P-普通客车 L-旅游客车 B-半挂车 Q-全挂车 L-半挂列车X-厢式 G-罐式 Z-自卸 T-特种结构 C-仓栅 J-起重举升 c-发动机特征代号d-车箱型式或二类底盘特征代号1A-后开式高栏板车箱 2A-三开式高栏板车箱 3A-三开式低栏板车箱4A-后开式自卸车箱 5A-三开式自卸车箱 J-二类底盘e-高原车特征代号(用阿拉伯数字“0”表示,非高原车则代号省略)f-顺序号。
汽车标准件产品编号规则
汽车行业是一个庞大而复杂的体系,各种标准件在其中发挥着重要作用。
为了确保汽车标准件的有效管理和交流,制定了一套汽车标准件产品编号规则。
根据汽车标准件产品编号规则,每个标准件都有一个独特的编号。
这个编号由一系列数字和字母组成,代表着该标准件的特定信息。
首先,编号的开头通常表示标准件的类型或类别。
例如,引擎零件可以以"E"开头,制动系统零件可以以"B"开头等等。
通过这种方式,人们可以迅速了解标准件所属的系统或功能。
接下来的一部分数字代表了标准件的常见规格,如尺寸、容量或容量等。
这些数字帮助人们在购买标准件时确保其与所需规格相匹配。
然后是代表制造商或供应商的代码。
这个代码可以是数字、字母或数字与字母的组合。
制造商或供应商可以通过其唯一的代码追溯他们自己生产的标准件。
最后一部分是一些额外的字符,可以包括生产日期、批次号或其他特定的标识信息。
通过统一的汽车标准件产品编号规则,汽车行业能够迅速准确地识别和应用标准件。
这有助于降低采购、生产和维修成本,提高整个行业的效率和质量。
总之,汽车标准件产品编号规则是汽车行业中极其重要的一项标准化措施。
它为标准件的管理和交流提供了规范,促进了汽车行业的发展和进步。
汽车产品型号编制规则我国于1988年制定了新的国家标准GB9417一88《汽车产品型号编制规则》,用简单的汉语拼音字母和阿拉伯数字编号来表示国产汽车的企业代号、车辆类型代号、主要特征参数代号、产品序号和企业自定代号等。
□□○○○○■■■a b c d ea:企业名称代号;b:车辆类别代号;c:主参数代号;d:产品序号;e:专用汽车企业自定代号□:用汉语拼音字母表示○:用阿拉伯数字表示■:用汉语拼音字母或阿拉伯数字均可1、首部“a”:由2个或3个汉语拼音字母组成,是识别企业名称的代号。
2、中部“b、c、d”:由四位阿拉伯数字组成。
第一位数字“b”代表车辆类别代号,如下表:注:上表也适用于所列车辆的底盘。
第二、三位数字“c”代表各类汽车的主要特征参数:载货车用总质量(t)、客车用总长度(0.1mm)、轿车用排量(0.1L)第四位数字“d”则代表产品的序号。
“0”为第一代产品;“1”为第二代产品3 、尾部“e”是专用汽车企业自定代号,表示不同的驾驶室型式、轴距和发动机。
可用汉语拼音字母和阿拉伯数字表示,位数也由企业自定。
·一汽集团·例:解放牌CA1258P11K2L7T1型6×4平头柴油载货汽车:CA-表示一汽1-表示货车25-表示总质量25吨P-表示平头K-表示柴油发动机L-表示长轴距T1-表示驱动型式为6× 4·二汽东风汽车集团企业自定代号构成如下:□□■■○○□a b c d e f ga-驾驶室或三类底盘长头:E-平,单/F-曲,单/B-平,1.5/A-曲,1.5/M-平,双/H-曲,双平头:D-平,单/T-曲,单/P-平,1.5/G-曲,1.5/C-平,双/N-曲,双S-普通三类底盘客车专用底盘发动机前置(短前悬)KS SC KA 发动机前置(长前悬)KT发动机后置KR RCb-客车、挂车、半挂列车或专用汽车分类代号用一位汉语拼音表示:P-普通客车L-旅游客车B-半挂车Q-全挂车L-半挂列车X-厢式G-罐式Z-自卸T-特种结构C-仓栅J-起重举升c-发动机特征代号d-车箱型式或二类底盘特征代号1A-后开式高栏板车箱 2A-三开式高栏板车箱 3A-三开式低栏板车箱4A-后开式自卸车箱5A-三开式自卸车箱J-二类底盘e-高原车特征代号(用阿拉伯数字“0”表示,非高原车则代号省略)f-顺序号。
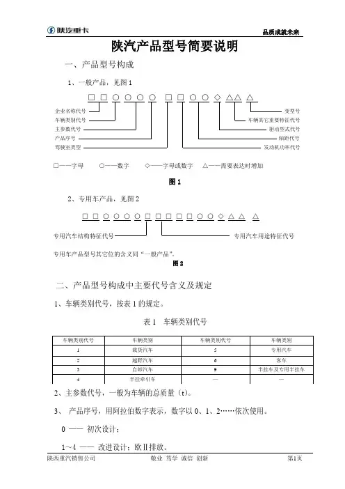
陕汽产品型号简要说明一、产品型号构成1、一般产品,见图1□□○○○○□□○○◇△△△企业名称代号变型号车辆类别代号车辆其它重要特征代号主参数代号驱动型式代号产品序号轴距代号驾驶室类型发动机功率代号□——字母○——数字◇——字母或数字△——需要表达时增加图12、专用车产品,见图2□□○○○○□□□□□○○◇△△△专用汽车结构特征代号专用汽车用途特征代号专用车产品型号其它位的含义同“一般产品”。
图2二、产品型号构成中主要代号含义及规定1、车辆类别代号,按表1的规定。
表1 车辆类别代号车辆类别代号车辆类别车辆类别代号车辆类别1 载货汽车 5 专用汽车2 越野汽车 6 客车3 自卸汽车9 半挂车及专用半挂车4 半挂牵引车——2、主参数代号,一般为车辆的总质量(t)。
3、产品序号,用阿拉伯数字表示,数字以0、1、2……依次使用。
0 ——初次设计;1~4 ——改进设计;欧Ⅱ排放。
5 ——改进设计;国Ⅲ排放。
国Ⅲ的德龙F2000、奥龙等车辆用“5”标识。
6 ——改进设计;国Ⅳ排放7 ——改进设计;国Ⅲ排放的F3000、M3000、X3000。
8 ——改进设计;国V排放。
4、驾驶室类型代号表2 驾驶室类型代号代号驾驶室类型代号驾驶室类型B 奥龙(STEYR)标准驾驶室。
G 德龙M3000加长高顶驾驶室U 奥龙(STEYR)中长半高顶驾驶室H 德龙M3000加长半高顶驾驶室T 奥龙(STEYR)中长高顶驾驶室M 德龙M3000标准驾驶室J 德龙加长平顶驾驶室(F3000/F2000) Z 偏置驾驶室N 德龙加长高顶驾驶室(F3000/F2000) 4 德龙X3000加长高顶驾驶室D 德龙中长平顶驾驶室(F3000/F2000)5、发动机功率代号表3 发动机功率代号代号功率范围代号功率范围千瓦(kW) 马力(PS)千瓦(kW)马力(PS)H 141~154 191~210 S 258~272 351~370J 155~169 211~230 T 273~287 371~390 K 170~184 231~250 U 288~301 391~410 L 185~198 251~270V 302~316 411~430 M 199~213 271~290 W 317~331 431~450 N 214~228 291~310 X 332~350 451~476 P 229~243 311~330 Y 351~370 477~503 R 244~257 331~350 Z >370 >5036、驱动型式代号表4 驱动型式代号代号驱动型式代号驱动型式代号驱动型式代号驱动型式1 4×2 6 8×4 B 8×2 G 12×42 4×4 7 8×8 C 10×4 H 12×63 6×2 8 10×10 D 10×6 J 12×84 6×4 9 6×2(双前轴) E 10×8 K 12×105 6×6 A 8×6 F 12×12 L 备用。
汽车产品型号(车辆型号)编码规则及注意事项汽车产品型号(车辆型号),是为了识别车辆而制定的由一组汉语拼音字母和阿拉伯数字组成的编号。
我国对汽车产品型号的编制是根据GB9417-88《汽车产品型号编制规则》。
其基本型号由两位或三位汉语拼音字母和四至五位数字组成,见图1-1。
图1-1 汽车产品型号(车辆型号)编码为了避免与数字混淆,不应采用汉语拼音字母中的“I”和“O”。
1.2.1企业名称代号用企业名称或所在地名称的两个或三个汉语拼音字母表示。
常见部分企业名称代号见表1-1。
表企业名称企业代号企业名称企业代号第一汽车集团公司CA 重庆红岩汽车有限公司CQ东风汽车有限公司EQ陕西汽车集团有限公司SX北京汽车集团有限公司BJ 北京现代汽车有限公司BH天津一汽夏利汽车公司TJ天津一汽丰田汽车公司TV跃进汽车集团公司NJ沈阳华晨金杯汽车公司SY丹东黄海汽车有限公司DD江西昌河汽车有限公司CH东南汽车工业有限公司DN长丰汽车制造有限公司CJY江铃汽车集团有限公司JX 一汽—大众汽车有限公司FV哈飞汽车股份有限公司HFJ神龙汽车有限公司DC上海通用汽车公司SGM上海大众汽车有限公司SVW长安汽车集团有限公司SC广州本田汽车有限公司HG广州丰田汽车有限公司GTM 长安福特汽车有限公司CAF上汽汽车制造有限公司CSA 一汽海马汽车有限公司HMC1.2.2详见下表1-2。
表1-2车辆类别代号车辆种类1 载货汽车2 越野汽车1.2.3主参数代号载货汽车、越野汽车、自卸汽车、牵引汽车、专用汽车与半挂车的主参数代号为车辆的总质量,都以“吨”为单位。
牵引汽车的总质量包括牵引座上的最大质量。
当总质量在100吨以上,允许用三位数字表示。
客车以及半挂客车的主参数代号为车辆长度,以“米”为单位,当车辆长度小于10米时应精确到小数点后一位,并以长度(米)值的十倍数表示。
轿车的主参数代号为发动机排量,以“升”为单位,应精确到小数点后一位,并以其值的十倍数值表示。
汽车产品型号编制规则我国于1988年制定了新的国家标准GB9417一88《汽车产品型号编制规则》,用简单的汉语拼音字母和阿拉伯数字编号来表示国产汽车的企业代号、车辆类型代号、主要特征参数代号、产品序号和企业自定代号等。
□□○○○○■■■a b c d ea:企业名称代号;b:车辆类别代号;c:主参数代号;d:产品序号;e:专用汽车企业自定代号□:用汉语拼音字母表示○:用阿拉伯数字表示■:用汉语拼音字母或阿拉伯数字均可1、首部“a”:由2个或3个汉语拼音字母组成,是识别企业名称的代号。
2、中部“b、c、d”:由四位阿拉伯数字组成。
第一位数字“b”代表车辆类别代号,如下表:注:上表也适用于所列车辆的底盘。
第二、三位数字“c”代表各类汽车的主要特征参数:载货车用总质量(t)、客车用总长度(0.1mm)、轿车用排量(0.1L)第四位数字“d”则代表产品的序号。
“0”为第一代产品;“1”为第二代产品3 、尾部“e”是专用汽车企业自定代号,表示不同的驾驶室型式、轴距和发动机。
可用汉语拼音字母和阿拉伯数字表示,位数也由企业自定。
·一汽集团·例:解放牌CA1258P11K2L7T1型6×4平头柴油载货汽车:CA-表示一汽1-表示货车25-表示总质量25吨P-表示平头K-表示柴油发动机L-表示长轴距T1-表示驱动型式为6× 4·二汽东风汽车集团企业自定代号构成如下:□□■■○○□a b c d e f ga-驾驶室或三类底盘长头:E-平,单/F-曲,单/B-平,1.5/A-曲,1.5/M-平,双/H-曲,双平头:D-平,单/T-曲,单/P-平,1.5/G-曲,1.5/C-平,双/N-曲,双S-普通三类底盘客车专用底盘发动机前置(短前悬)KS SC KA 发动机前置(长前悬)KT发动机后置KR RCb-客车、挂车、半挂列车或专用汽车分类代号用一位汉语拼音表示:P-普通客车L-旅游客车B-半挂车Q-全挂车L-半挂列车X-厢式G-罐式Z-自卸T-特种结构C-仓栅J-起重举升c-发动机特征代号d-车箱型式或二类底盘特征代号1A-后开式高栏板车箱 2A-三开式高栏板车箱 3A-三开式低栏板车箱4A-后开式自卸车箱5A-三开式自卸车箱J-二类底盘e-高原车特征代号(用阿拉伯数字“0”表示,非高原车则代号省略)f-顺序号。
国产汽车型号编制规则1988年我国颁布了《汽车产品型号编制规则》,该标准规定了编制各类汽车产品型号的术语及构成。
适用于新设计定型的各类汽车及半挂车,不包括军事特种车辆(如装甲车、水陆两用车等)。
一、汽车产品型号的构成汽车的产品型号由企业名称代号、车辆类别代号、主参数、产品序号组成,必要时附加企业自定代号。
□□ ○ ○○ ○ △△其中: □ 用汉语拼音字母表示○ 用阿拉伯数字表示△ 用汉语拼音字母或阿拉伯数字均可注:为了避免与数字混淆,不应采用汉语拼音字母中的“I ”和“O ”。
对于专用汽车及专用半挂车还应增加专用汽车分类代号,位置在产品序号后面。
这个问题了解一下就行了,咱们以后基本上是接触不到这样的车。
二、基本内容1企业名称代码:企业名称代码位于产品型号的第一部分,用代表企企业名称代号 车辆类别代码 主参数代码产品序号 企业自定代码业名称的两个或三个汉语拼音字母表示。
如EQ(中国第二汽车制造制造厂),FV (一汽大众汽车股份有限公司),CA (中国一汽)等等。
2,车辆类别代码:各类汽车的类别代码位于产品型号的第二部分,用一位阿拉伯数字表示。
3,主参数代号:各类汽车的主参数代号位于产品型号的第三部分,用两位阿拉伯数字表示。
首位数字表示车辆类别 中间两位数字表示各类汽车的主要特征参数 最末位数字表示载货汽车1 表示汽车的总质量(t )** 数值企业自定产品序号 越野汽车2 自卸汽车3 牵引汽车4 专用汽车5 客 车6 表示汽车的总长度(0.1m )***数值 轿 车7 表示发动机的工作容积(0.1L )数值 半挂车及专用半挂车 9 表示汽车的总质量(t )** 数值 二、汽车产品型示例1,EQ1141:EQ 代表生产企业名称,为中国二汽,第一个字母1代表汽车类型为载货汽车,后面的14代表主参数为总质量14T ,最后的1代表生产序号为1.2,CA7201:3,FV7160GiF :0捷达,G 每缸5气门,i 电子喷射式,F 第三代车身。
中华人民共和国国家标准UDC629.113083.73汽车产品型号编制规则GB9417—881主题内容与适用范围本标准规定了编制各类汽车产品型号的术语及构成。
本标准适用于新设计定型的各类汽车和半挂车。
不适用于军事特种车辆(如装甲车、水陆两用车、导弹发射车等)。
2术语2.1汽车的产品型号:为了识别车辆而给一种车辆指定的一组汉语拼音字母和阿拉伯数字组成的编号。
为了避免与数字混淆,不应采用汉语拼音字母中的“I”和“O”。
2.2企业名称代号:识别车辆所属分类的代号。
2.3车辆类别代号:表明车辆所属分类的代号。
2.4主参数代号:表明车辆主要特性的代号。
2.5产品序号:表示一个企业的类别代号和主参数代号相同的车辆的投产顺序号。
2.6专用汽车分类代号:识别专用汽车的结构类别和用途的代号。
2.7企业自定代号:企业按需要自行规定的补充代号。
3汽车产品型号的构成:汽车的产品型号由企业名称代号、车辆类别代号、主参数代号、产品序号组成。
必要时附加企业自定代号(图1)。
对于专用汽车及专用半挂车还应增加专用汽车分类代号(图2)。
专用汽车产品型号的构成:3.1企业名称代号企业名称代号位于产品型号的第一部分、用代表企业名称的两个汉语拼音字母表示。
3.2车辆类别代号各类汽车的类别代号位于产品型号的第二部分,用一位阿拉伯数字表示,按表1规定。
3.3主参数代号各类汽车的主参数代号位于产品型号的第三部分,用两位阿拉伯数字表示。
3.3.1载货汽车、越野汽车、自卸汽车、牵引汽车、专用汽车与半挂车的主参数代号为车辆的总质量(t)。
牵引汽车的总质量包括牵引座上的最大质量。
当总质量在100t以上时,允许用三位数字表示。
3.3.2客车及半挂车的主参数代号为车辆长度(m)。
当车辆长度小于10m时,应精确到小数点后一位,并以长度(m)值的十倍数值表示。
3.3.3轿车的主参数代号为发动机排量(L)应精确到小数点后一位,并以其值的十倍数值表示。
3.3.4专用汽车及专用半挂车的主参数代号,当采用定型汽车底盘或定型半挂车底盘改装时,若其主参数与定型底盘原车的主参数之差不大于原车的10%,则应沿用原车的主参数代号。
《汽车标准件产品编号规则》编制说明Q/CACBW-7-2005 《汽车标准件产品编号规则》标准编制说明1 任务来源及工作过程本标准是根据2009-1009T-QC《工信部印发2009 年第一批工业行业标准制修订计划》的安排制定完成。
本标准是对QC/T 326-1999《汽车标准件产品编号规则》的修订。
QC/T 326-1999 已执行10年。
随着汽车产品的发展,标准件的品种也在不断地增加、变化和更新,该标准已无法规范如此的标准件品种的编号。
2 标准编制原则本次对 QC/T 326-1999 修订,编号的基本结构和表达方式等基本保持不变,并在QC/T 326-1999 的基础上拓展扩充了标准件编号的容量。
本标准与QC/T 326-1999 相比主要变化如下:——在本标准第一章范围中,增加了“本标准未能涵盖的汽车标准件的产品编号,应在汽车标准件产品标准中明确地给出。
” 的说明。
——增加了标准件编号的扩容代号;——在品种代号第三位,规定了“对于具有普通螺纹的螺柱、螺栓和螺母,奇数表示细牙螺纹,偶数表示粗牙螺纹。
”;——增加了机械性能、材料和表面处理可选择种类及相应代号的种类;——在分型代号中增加了左旋螺纹代。
3 标准主要内容本标准规定了汽车、摩托车用标准件产品的编号规则。
本标准适用于汽车、摩托车行业用标准件。
本标准未能涵盖的汽车标准件的产品编号,应在《汽车标准件手册》的产品中明确地给出。
4 其它本标准所代替的历次版本发布情况为:QC/T 326-1999ZBT 30001-1987本次标准的修订,由于在品种代号第三位,规定了“对于具有普通螺纹的螺柱、螺栓和螺母,奇数表示细牙螺纹,偶数表示粗牙螺纹。
”零件编号将与QC/T 326-1999 的规定有些不同,我们将进一步研究标准的贯彻方案。
I。
SQB 10028-2007前言为规范本企业汽车产品型号的管理,满足产品设计和管理工作的需要,特制定本标准。
本标准在满足国家对产品《公告》型号中要求体现的内容前提下,对企业自定义部分的内容进行了规定,主要反映汽车的车身类别、发动机功率、轴距、驱动型式等结构特征和参数。
同时,还考虑了车辆其他重要特征的变化以及变型,以适应产品系列化设计及产品型号的变化。
本标准由汽车工程研究院开发管理部提出;本标准由汽车工程研究院开发管理部负责起草;本标准主要起草人:陕西汽车集团有限责任公司企业标准汽车产品型号编制规则SQB 10028—2007 1 范围本标准规定了陕重汽公司设计的汽车产品的型号构成及编制规则。
本标准适用于陕重汽公司新设计的汽车产品的型号编制。
各子公司可参照执行。
2 引用标准下列标准所包含的条文,通过在本标准中引用而构成为本标准的条文。
本标准发布时,所示版本均为有效。
所有标准都会被修订,使用本标准的各方应探讨使用下列标准最新版本的可能性。
GB 8170—87 数字修约规则GB/T 17350—1998 专用车和专用半挂车术语和代号3 术语及定义3.1汽车产品型号为了识别车辆而给出一种车辆指定的一组汉语拼音字母和阿拉伯数字组成的编号。
为了避免与数字混淆,不应采用汉语拼音字母中的“I”和“O”。
3.2 企业名称代号识别车辆制造企业的代号。
陕西汽车集团有限责任公司2007- 08 -30批准 2007- 09 - 01实施3.3 车辆类别代号表明车辆所属分类的代号。
3.4 主参数代号表明车辆主要特征的代号。
3.5 产品序号表示一个企业的车辆类别代号和主参数代号相同的车辆的投产顺序号。
3.6专用汽车分类代号识别专用汽车的结构类别和用途的代号。
3.7企业自定义代号企业按需要自行规定的补充代号。
4 产品型号的构成4.1 货车、客车及挂车产品型号的构成见图1。
产品序号dm)挂车类型)代号□——字母○——数字◇——字母或数字图14.2 专用车产品型号的构成专用车产品型号的构成,见图2。
SQB 10028-2007
前言
为规范本企业汽车产品型号的管理,满足产品设计和管理工作的需要,特制定本标准。
本标准在满足国家对产品《公告》型号中要求体现的内容前提下,对企业自定义部分的内容进行了规定,主要反映汽车的车身类别、发动机功率、轴距、驱动型式等结构特征和参数。
同时,还考虑了车辆其他重要特征的变化以及变型,以适应产品系列化设计及产品型号的变化。
本标准由汽车工程研究院开发管理部提出;
本标准由汽车工程研究院开发管理部负责起草;
本标准主要起草人:
陕西汽车集团有限责任公司企业标准
汽车产品型号编制规则
SQB 10028—2007 1 范围
本标准规定了陕重汽公司设计的汽车产品的型号构成及编制规则。
本标准适用于陕重汽公司新设计的汽车产品的型号编制。
各子公司可参照执行。
2 引用标准
下列标准所包含的条文,通过在本标准中引用而构成为本标准的条文。
本标准发布时,所示版本均为有效。
所有标准都会被修订,使用本标准的各方应探讨使用下列标准最新版本的可能性。
GB 8170—87 数字修约规则
GB/T 17350—1998 专用车和专用半挂车术语和代号
3 术语及定义
3.1汽车产品型号
为了识别车辆而给出一种车辆指定的一组汉语拼音字母和阿拉伯数字组成的编号。
为了避免与数字混淆,不应采用汉语拼音字母中的“I”和“O”。
3.2 企业名称代号
识别车辆制造企业的代号。
陕西汽车集团有限责任公司2007- 08 -30批准 2007- 09 - 01实施
3.3 车辆类别代号
表明车辆所属分类的代号。
3.4 主参数代号
表明车辆主要特征的代号。
3.5 产品序号
表示一个企业的车辆类别代号和主参数代号相同的车辆的投产顺序号。
3.6专用汽车分类代号
识别专用汽车的结构类别和用途的代号。
3.7企业自定义代号
企业按需要自行规定的补充代号。
4 产品型号的构成
4.1 货车、客车及挂车产品型号的构成见图1。
产品序号dm)
挂车类型)代号
□——字母○——数字◇——字母或数字
图1
4.2 专用车产品型号的构成
专用车产品型号的构成,见图2。
产品序号 轴距代号(dm) 发动机功率代号 驾驶室类型代号
□——字母 ○——数字 ◇——字母或数字
图 2
5 产品型号构成中代号含义及规定
5.1 企业名称代号:用代表“陕西汽车集团有限责任公司”的两个汉语拼音字母“SX ”表示。
5.2 车辆类别代号,按表1的规定。
表1 车辆类别代号
5.3 主参数代号
5.3.1 载货汽车、越野汽车、自卸汽车、半挂牵引车、专用汽车与半挂车的主参数代号为车辆的总质量(t)。
半挂牵引车的总质量包括牵引座上的最大质量。
5.3.2 客车及客车底盘的主参数代号用客车的总长度(m)表示。
5.3.3 专用汽车及专用半挂车的主参数代号,当采用定型汽车底盘或定型半挂车底盘改装时,若其主参数与定型底盘原车的主参数之差不大于原车的10%时,仍沿用原车的主参数代号。
5.3.3 主参数的数字修约按GB/T 8170 的规定。
5.3.4 主参数不足规定位数时,参数值的第一位用“0”占位。
5.3.5 当车辆主参数有变化,但不大于原定型设计主参数的10%时,其主参数代号不变;大于10%时,应改变主参数代号;若因为数字修约而主参数代号不变时,则应改变其产品序号。
5.4 产品序号:用阿拉伯数字表示,数字以0、1、2……依次使用。
0——表示该车辆类型和(或)主参数为初次设计;
1——表示对同一车辆类型且主参数代号相同的车辆进行第一次重大改进设计;
2——表示对同一车辆类型且主参数代号相同的车辆进行第二次重大改进设计;
3——表示对同一车辆类型且主参数代号相同的车辆进行第三次重大改进设计;
4——表示对同一车辆类型且主参数代号相同的车辆进行第四次重大改进设计;
(本标准实施前设计的车型,符合欧Ⅱ排放)
5——表示对同一车辆类型且主参数代号相同的车辆进行第五次重大改进设计,符合国Ⅲ排放;
6——表示对同一车辆类型且主参数代号相同的车辆进行第六次重大改进设计,
符合国Ⅳ排放;
7——表示对同一车辆类型且主参数代号相同的车辆进行第七次重大改进设计,采用引进MAN公司技术,符合国Ⅲ或国Ⅳ排放。
对新设计的车型,不论产品序号的顺序如何,均应符合国家要求的最新排放限值。
5.5 驾驶室类型(或车身承载类型、挂车类型)代号
5.5.1 驾驶室类型代号表示具有某种重要特征的驾驶室,用一位大写字母(I、O除外)或数字表示,并由标准化部门给定。
适用于载货汽车、越野汽车、自卸汽车、牵引汽车、专用汽车。
驾驶室类型代号按表2的规定。
表2 驾驶室代号
5.5.2 车身承载型式代号用一位字母表示,见表3,适用于客车。
表3 车身承载型式
对客车底盘用数字“6”占位。
5.5.3挂车类型代号用一位字母表示,见表4,适用于全挂车和半挂车。
表4 挂车类型代号
5.6 发动机功率或挂车轴数代号
5.6.1 发动机功率代号:指按本标准划分的发动机功率范围代号,见表5。
适用于载货汽车、越野汽车、自卸汽车、专用汽车、半挂牵引车、客车。
表5 发动机功率代号
5.6.2 挂车轴数代号:适用于全挂车和半挂车,挂车轴数代号见表6。
表6 挂车类型代号
5.7 轴距代号:用两位数字表示车辆的轴距,轴距的单位为dm。
a)对二轴汽车和全挂车、单前轴型式布置的三轴汽车及全挂车,以一、二轴间的轴距表示。
b)对双前轴型式布置的三轴汽车及全挂车、四轴汽车及全挂车、五轴汽车及全挂车,以二、三轴间的轴距表示。
c)对前三后三型式布置的六轴汽车及全挂车,以三、四轴间的轴距表示。
d) 对半挂车的轴距以半挂车牵引销轴线与半挂车第一轴间的轴距表
5.8 驱动型式或挂车制动型式代号
5.8.1 驱动型式代号:用一位阿拉伯数字或字母表示车辆的驱动型式,见表7。
适用于载货汽车、越野汽车、自卸汽车、专用汽车、客车。
表7 驱动型式代号
5.8.2挂车制动型式代号:适用于全挂车和半挂车,挂车制动型式代号见表8。
表8 挂车制动型式代号
5.9 专用汽车结构特征代号:专用汽车结构特征代号按表9的规定。
表9 专用汽车结构特征代号
5.10 专用汽车用途特征代号:专用汽车用途特征代号按GB/T 17350的规定。
5.11 车辆其它重要特征代号:指其它被公认为对汽车性能或外形特征有较大影响的总成代号,用一位或两位字母表示,见表10。
表10 车辆其它重要特征代号
一般情况下,产品型号中不带车辆其他重要特征代号。
当需要表示车辆其他重要特征代号时,应按表10中的规定选用。
a) 对车辆采用潍柴柴油发动机、板簧悬架系统的配置时,产品型号中不带表示
发动机和悬架系统的车辆其他重要特征代号。
b) 产品型号中一般只表达一种车辆其他重要特征代号,按优先表达右置方向
盘、发动机类型、空气悬架、军用车、带随动轴的顺序表达。
必要时,可同
时用两种重要特征代号表达。
c) 当需要新增车辆其它重要特征代号时,设计部门应向标准化科提出申请,由
标准化科给定并备案。
5.11变型号:用一位数字表示,从1、2、……9按顺序使用。
当产品配置、结构、参数发生变化,而产品型号的前12位(专用车的前15位)相同时,可用一位数字表示变型号。
6 应用举例
a) 例如:新设计的某型半挂牵引车,总质量为25 t,采用斯太尔新款半高顶驾驶室,玉柴发动机,功率为206 kW, 符合国Ⅲ排放,轴距为3500 mm,驱动型式为6×4,其汽车产品型号的构成为SX4255MM354Y。
假如,在该车型的基础上,第一次进行变型,其产品型号为SX4255MM354Y1。
b) 例如:新设计的某一新款专用汽车(混凝土搅拌运输车及底盘),总质量为
31 t, 采用MAN F2000加长驾驶室,潍柴发动机,功率为228 kW,符合国Ⅲ排放,轴距为3800 mm,驱动型式为8×4,其专用汽车产品型号的构成为:SX5315GJBJN386。
7 其他
汽车产品型号的管理由汽车工程研究院标准化科负责。
各设计部门根据产品开发设计的要求,需新增产品型号时,应向标准化科提出申请,由标准化科统一给定,并登记备案。
SQB 10028—2007
附加说明
编制:
校对:
审核:
标准:
批准:
批准日期:
实施日期:
10。