塑料线槽配线工艺标准
- 格式:doc
- 大小:59.00 KB
- 文档页数:5
槽板配线2020-06-19 1.1 一般规定1.1.1绝缘导线的规格、型号必须符合设计要求,测试要求导线的绝缘、导线对地、两根导线间绝缘电阻应不小于0.5MΩ。
1.1.2配线前应先将线槽内的灰尘和杂物清净。
1.1.3 固定底板时,应先将木砖或胀管固定牢,再将螺丝拧紧。
线槽应选用合格产品。
1.1.4槽板配线施工中的安全技术措施,应符合国家现行技术标准及技术文件的相关规定。
1.2 施工准备1.2.1技术准备1 按照已批准的施工组织设计(施工方案)进行技术交底。
2 按施工图测量线路长度、位置、标高,经复核符合设计要求。
3 槽板配线前,应现场复核槽板是否安装完毕且通畅无障碍。
1.2.2材料准备塑料线槽、木槽板、绝缘导线、螺旋接线钮、套管、接线端子、木砖、塑料胀管。
1.2.3施工机具1 主要安装机具:活扳子、粉线袋、钢锯、钢锯条、喷灯、锡锅、锡勺、手锤、錾子、手电钻、电锤、电工常用工具、高凳等。
2 主要检测机具:万用表、兆欧表、卷尺、线坠等。
1.2.4作业条件1 配合土建结构施工预埋保护管、木砖及预留孔洞。
2 屋顶、墙面及地面、油漆、湿作业全部完成。
1.3 材料质量控制1.3.1塑料线槽必须采用难燃型硬聚氯乙烯工程塑料挤压成型。
其含氧指数不应低于27%。
并应有产品合格证。
木槽板应经阻燃处理。
1.3.2绝缘导线:导线的型号、规格必须符合设计要求,线槽内敷设导线的线芯最小允许截面:铜导线为1.0mm2;铝导线为2.5mm2。
1.3.3螺旋接线钮:应根据导线截面和导线的根数选择相应型号的加强型绝缘钢壳螺旋接线钮。
1.3.4套管:有铜套管,铝套管,铜铝过渡套管三种,选用时应采用与导线材质、规格相应的套管。
1.3.5 接线端子(接线鼻子):应根据导线的根数和总截面选择相应规格的接线端子。
1.3.6 木砖:用木材制成梯形,使用时应做防腐处理。
1.3.7塑料胀管:选用时,其规格应与被紧固的电气器具荷重相对应,并选择相同型号的圆头机螺丝与垫圈配合使用。
PVC塑料线槽配线安装施工1、施工依据标准室内配线应使电能传送安全可靠,线路力求布置合理便利、整齐美观和经济,既安全、便利、美观、经济。
(1)安全:在材料的选定、导线的连接、接地线的安装和导线的敷设等方面,均应考虑到人身、设备及建筑物结构的安全。
在安装过程中,不应损伤建筑物或减弱建筑物的强度。
(2)便利:敷设线路时,操作要准确、简便。
开关插座等装置的安装位置和高度应便于操作。
(3)美观:室内配线时,应注意美观,尽量避免损坏建筑物。
敷设的位置及灯具等用电备,都必须与建筑物相协调。
(4)经济:在保证安全、可靠供电的同时,应考虑选用较经济的器材,选择最短的敷线路径,采用最合理的安装方法,以减少费用。
2、施工准备(1)材料要求:导线的额定电压应大于线路工作电压;导线的绝缘层应符合线路的安装方式和敷设环境的条件;导线的截面应满足供电的要求和机械强度。
火线——红色零线——蓝色保护线——黄绿色。
(2)在三相四线制配电系统中,中性线N 的允许载流量,不应小于线路中最大不平衡负荷电流 。
保护线(PE ) 其中:Sp 是导体的线芯的截面(mm2),I 是短路电流有效值(A),t 是在已达到允许最高持续工作温度的导体内短路电流持续作用时间(s), K 是不同绝缘的计算系数。
根据图纸设计要求选择截面积2.5mm ²聚氯乙烯绝缘铜芯导线,适用于室内外电气、动力及照明固定敷设(3)选择线槽根据导线直径及各段线槽中导线的数量确定线槽的规格(通常以矩形截面的长、宽来表示,弧形的用宽度表示)。
3.定位划线根据电路设计施工图的要求,先在建筑物上确定并标明照明器具、插座、控制电器、配电板等电气设备的位置,并按照图纸上电路的走向划出线槽的敷设线路。
按规定划出钉铁钉的位置,特别要注意标明导线穿墙、穿楼板、起点、转角、分枝、终点等位置及线槽底板的固定点,线槽底板固定点之间的直线距离不大于500 mm ,起始、终端、转角、分支等处固定点间的距离不大于50 mm 。
线槽的敷设
1.金属线槽与塑料线槽
金属线槽配线一般适用于正常环境的室内场所明敷,由于金属线槽多由厚度为0.4~1.5mm的钢板制成,其构造特点决定了在对金属线槽有严重腐蚀的场所不应采用金属线槽配线。
具有槽盖的封闭式金属线槽,有与金属导管相当的耐火性能,可用在建筑物顶棚内敷设。
塑料线槽一般适用于正常环境的室内场所明敷设,也用于科研实验室成预制板结构而无法暗敷设的工程;还适用于旧工程改造史换线路;同时也用于弱电线路吊顶内暗敷设场所。
2.金属线槽接地
金属的线槽必须与PE或PEN线有可靠电气连接,并符合下列规定:
(1)金属线不得熔焊跨接接地线。
(2)金属线格不应作为设备的接地导体,当设计无要求时,金属线槽全长不少于2处与PE或PEN线干线连接。
(3)非锌金属线间连接板的两端跨接铜芯接地线,截面积不小于4mm 镀锌线槽间连接板的两端不跨接接地线,但连接板两端不少于2个有防松螺帽或防松垫圈的连接固定螺栓。
3.线槽敷设要求
线槽敷设应执行以下规定:
(1线装固线内的各种连接螺栓,均要由内向外穿,应尽量使螺栓的头部与线槽
内壁平齐,以利敷线,不致敷线时损坏导线的绝缘护层。
(2)线敷设应平直整齐;水平或垂直允许偏差为其长度的2%,且全长允许偏差为20mm;并列安装时,槽盖应便于开启。
(3线在建筑物变形缝处,应设补偿装置。
技术交底编号005工程名称漯河市第五咼级中学南校区教学楼改造项目交底日期施工单位林州市宏图建设工程有限公司分项工程名称电气安装工程交底提要塑料线槽安装配线工艺标准(W 407)1适用范围本标准适用于干燥室内的建筑电气系统明配线工程。
2 施工准备2.1材料2.1.1塑料线槽:应由难燃型硬聚氯乙烯工程塑料经挤压而成型,严禁使用非难燃型材料加工。
线槽由槽底、槽盖及附件组成,氧指数不应低于27%。
线槽内外应光滑,且无棱刺、翘边等变形现象。
并有产品合格证和出厂检验报告。
2.1.2绝缘线缆:线缆的型号、规格必须符合设计要求,并有产品合格证、检验报告、“CCC ”认证标识。
线缆进场时要检验其规格、材质和标识。
2.1.3接线端子、套管:应根据导线的截面,应选用相应规格、材质的产品,并有产品合格证。
2.1.4LC安全型压线帽:规格符合要求,且有产品合格证。
2.1.5胀管:选用时,其规格应满足荷要求,并选择配套的平头木螺丝和垫圈配合使用。
2.2机具设备2.2.1手动工具:钢锯、錾子、手锤、电工组合工具等。
2.2.2电动工具:手电钻、电锤等。
2.2.3测量器具:铅笔、卷尺、线坠、粉线袋、万用表、兆欧表等。
2.2.4其他工具:锡锅、锡锅、高凳、梯子等。
2.3作业条件2.3.1土建结构施工预留孔洞完毕。
2.3.2土建粗装修完毕。
2.4技术准备2.4.1施工图纸和技术资料齐全。
2.4.2施工方案编制完毕并经审批。
2.4.3施工前应组织参施人员熟悉图纸、方案,并进行安全、技术交底。
3操作工艺3.1工艺流程垫圈测量定位*线槽敷设宀槽内布线宀导线连接Y螺路绝缘摇测3.2操作方法3.2.1测量定位:首先根据施工图中的盒、箱等电气器具的位置,确定线路走向及固定点,固定点应均匀分布。
3.2.2线槽敷设:选用线槽时应根据设计要求选择型号、规格相应的产品。
敷设场所的环境温度不得低于木5 C。
塑料胀管图3.2.2.1线槽安装用塑料胀管固定3.2.2.1线槽固定(1)塑料胀管固定线槽:墙体为混凝土、砖墙时,可采用塑料胀管固定塑料线槽。
pvc线槽安装标准PVC线槽安装标准。
PVC线槽是一种常用的电气安装材料,广泛应用于建筑物内部的电气线路布线中。
正确的安装能够确保电气线路的安全可靠运行,因此掌握PVC线槽的安装标准是非常重要的。
本文将针对PVC线槽的安装标准进行详细介绍,以便于广大电气安装工作者能够正确、规范地进行安装工作。
一、材料准备。
在进行PVC线槽的安装之前,首先需要准备好所需的材料和工具。
常见的材料包括PVC线槽、连接件、固定件等,工具包括电钻、螺丝刀、锯子等。
在购买材料时,需要确保其质量符合相关标准,并且数量和规格要与实际需要相符。
二、安装位置确定。
在进行PVC线槽安装之前,需要仔细确定安装位置,确保线槽的布置符合实际需要,并且能够方便日后的维护和检修。
在确定安装位置时,需要考虑线路的走向、长度和数量,合理规划布线方案。
三、线槽切割与连接。
根据实际需要,将PVC线槽进行切割,并使用连接件进行连接。
在切割线槽时,需要使用专业工具进行操作,确保切割平整、准确。
连接件的选择和安装也需要符合相关标准,确保连接牢固、不易松动。
四、固定安装。
安装PVC线槽时,需要使用固定件将其固定在墙面或天花板上。
固定件的选择和安装位置需要经过合理的规划,确保线槽安装牢固、稳定。
固定件的数量和间距也需要符合相关标准,以确保线槽的安全性和稳定性。
五、线路布线。
在安装好PVC线槽后,需要进行线路的布线工作。
布线时需要注意线路的走向和数量,确保线路连接牢固、不易松动。
同时还需要注意布线的整齐美观,避免出现杂乱的线路布局。
六、安全检测。
在完成PVC线槽的安装后,需要进行安全检测工作。
检测内容包括线槽连接是否牢固、线路是否接地良好等。
只有通过安全检测并确保安全可靠后,才能投入使用。
七、清理整理。
最后,在安装完成后,需要对施工现场进行清理整理工作。
清理工作包括清除施工垃圾、清洁线槽表面等。
整理工作包括整理工具和材料,确保施工现场整洁有序。
总结:PVC线槽的安装标准对于电气安装工作至关重要。
塑料线槽配线施工方案塑料线槽是一种常用的电缆配线装置,具有隔离、防水、防火、保护等功能。
下面我将详细介绍塑料线槽的配线施工方案。
一、施工前的准备工作1.施工前,需要制定施工方案并审批,确保符合相关规范和标准。
2.确定线槽的走向和长度,并根据实际情况选择合适的型号和规格。
二、线槽安装及定位1.根据线槽配线方案,确定线槽的安装位置和定位,打好墙面标线,并在标线上标明线槽的尺寸和线型,以便进行预处理工作。
2.使用打孔机械将线槽的安装位置打孔,并保证孔洞大小和线槽尺寸相匹配。
三、线槽预处理1.清理线槽安装位置及周围环境,保持干净整洁,确保线槽能够牢固安装。
2.检查墙面的平整度,必要时进行修整,以保证线槽安装平整。
四、线槽安装1.选用适当的安装工具和辅助材料,如螺丝刀、螺丝、角铁等,将线槽固定在预处理的孔洞中,并保证安装牢固。
2.确定线槽的走向和连接方式,根据需要进行切割和连接。
3.在线槽的连接处使用专用的连接件进行固定,保证连接牢固可靠。
五、线槽配线1.按照配线方案,将电缆线逐条放入线槽中,保证线槽内的线缆整齐、有序。
2.对于多根线缆的配线,应注意线缆的规格和用途,使用适当的隔离层进行分开放置,以避免信号互干扰。
3.在线缆进入线槽的出口处使用密封套子进行固定,以防止线缆受拉力和挤压力造成断裂或漏电。
六、线槽封闭1.完成线槽的配线后,使用合适的封闭件封闭线槽,并确保封闭件与线槽的连接紧密,以防止外部细微物体进入线槽。
2.针对不同位置和环境,可以选择不同的封闭方式,如安装防尘盖板、套管等。
七、线槽质量检查和验收1.完成线槽安装后,进行严格的质量检查,检查线槽的安装是否牢固,连接是否可靠,线缆是否整齐。
2.对线槽进行试运行,验证配线的正常运行,检查是否有异常现象,如漏电、短路等。
3.进行线槽的验收,确保施工符合规范和标准。
八、维护和保养1.平时要定期检查线槽的使用情况,如有发现线槽损坏、线缆暴露等情况,及时进行维修更换。
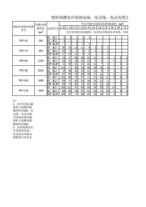
不同规格的pvc槽各放多少条线?.依据综合布线施工规范应该为:管径×0.5(或者是0.6)÷线径=线缆根数详见:综合布线验收规范5.1.2预埋线槽和暗管敷设缆线规定。
线槽容纳线缆数量线槽规格 3类4对 5类4对 3类25对 3类50对 3类100对 5类25对25*25 8 7 1 0 0 025*50 17 15 3 1 0 275*25 27 24 5 3 1 350*50 36 32 7 4 2 550*100 74 66 16 10 5 12100*100 150 134 33 22 11 2575*150 169 151 38 25 13 28100*200 301 269 68 45 23 52150*150 339 303 77 51 27 58.线槽容纳线缆数量线槽规格3类4对5类4对3类25对3类50对3类100对5类25对25*25 8 7 10 0 025*50 17 153 1 0 275*25 27 245 3 1 350*50 3632 7 4 2 550*100 7466 1610 512100*100 150 134 3322 11 2575*150 169 15138 251328100*200 30126968 45 23 52150*150 339 303 77 512758名词解释线槽又名走线槽、配线槽、行线槽(因地方而异),用来将电源线、数据线等线材规范的整理,固定在墙上或者天花板上的电工用具。
一般有塑料材质和金属材质两种,可以起到不同的作用。
塑料材质防火等级94V-0 绝缘性好,不自燃,耐高温至85℃。
网络布线之用。
常见线槽种类绝缘配线槽、拨开式配线槽、迷你型配线槽、分隔型配线槽、室内装潢配线槽、一体式绝缘配线槽、电话配线槽、日式电话配线槽、明线配线槽、圆形配线管、展览会用隔板配线槽、圆形地板配线槽、软式圆形地板配线槽、盖式配线槽(上海博伟塑胶机电有限公司提供资料)。
线槽施工规范要求光纤单独走线槽到每个机柜下线,专业的光纤槽道都是可以组装式的,工程化很高,而且从材料学上来说也确实比国内的一些塑料成品槽道要过关,最重要的一点是机房室内光线因为不是带铠的,都是软,如果一路放在网格桥架上的话容易造成光纤信号传输过程的回波反射,影响传输速率和质量,这点已经有实验室数据很实际场景测试数据证实了。
光纤槽道,就是专门为布放软光纤而准备的塑料、铁质(涂漆)的走线槽,又称光纤走线槽道,材质一般分:阻燃工程塑料、铝合金、钢制几种。
宽度为120mm,200mm,240mm,300mm,340mm,400mm,高度一般为100mm。
其他尺寸大量求购情况下生产厂家可定制。
一般是室内机房布线使用。
光纤槽道分两种:1、塑料光纤槽道:塑料光纤槽道是根据高标准机房建设要求,吸收国外产品的优点结合中国国情而开发的新产品,槽体及出纤口等其它配件采用优质阻燃材料,整体性好,安装简单,转角处有圆角保护,确保光纤过弯半径大于40mm;出纤口为阻燃塑料加工而成,带圆角保护,可在槽体任意移动,方便光纤在合适位置下纤。
2、铝合金光纤槽道:铝合金光纤槽道是针对光纤槽道使用的各项环境和场所,以及国外顾客的愿望,是一种新型的高标准机房所需的光纤槽道。
铝合金光纤槽道分两款:一款是光纤槽道铝合金侧边加底;另外一款是全铝合金型材光纤槽道。
光纤槽道的特点:1、采用全圆弧设计,出纤口及各种三通、四通的转角过渡圆角R≥40mm,确保光纤弯曲曲率半径R≥40mm ;2、采用主、列槽道对光纤分别布放,走线规则有序;3、主、列槽道均由阻燃塑料加工而成,表面喷塑处理,美观整齐;4、出纤口为阻燃材料,安装位置灵活,能满足各种地方出纤的需要;5、出纤口容量大中可选;6、三通、四通提供光纤走线不同方向的分支接口;7、光纤槽道可单独安装也可在走线架上固定;8、槽道所有塑料件的燃烧性能:燃烧性能等级达到GB/T2048 1996~FV-0级;塑料光纤槽道产品规格: 高度100mm,宽度120mm,240mm,340mm;金属光纤槽道产品规格:高度100mm,宽度100mm,200mm,300mm,400mm。
塑料线槽配线工艺标准塑料线槽是一种被广泛应用的电气装置,它能够起到保护电缆和线路的作用,使得线路更加稳定且美观。
为了保证塑料线槽的应用效果以及配线的安全性,我们需要按照相应的工艺标准进行安装和维护。
一、前置准备1. 绘制布线图:在确定布线方式和路径之前进行绘制,以确保配线计划准确可行。
2. 确定线槽布线方式:采用单线槽或双线槽以及配线盒是否需要。
3. 确定线槽路径:安装线槽的位置和方向,避免出现线槽交叉或弯曲过度的情况。
4. 预先准备工具:包括电钻、冲击钻、扳手、螺丝刀、钳子、电线剪切器等。
二、安装线槽1. 确定安装位置:根据布线设计图,确定线槽的安装位置,要保证线槽悬在地面上方约10~15mm、沿着墙面平行安装。
2. 标记固定位置:使用水平仪和量角器标记固定位置,将标志点转移至安装位置上。
3. 安装支架:先在墙面上用电钻钻洞,然后安装支架。
4. 切割线槽:按照实际测量结果和标记点进行线槽的切割。
5. 安装线槽:将线槽放置在支架上,然后将固定螺丝钉紧。
三、穿线1. 确定线路方向:按照布线图确定线路方向以及电器布置。
2. 选用钢丝穿线器:在管道较长或弯头多的情况下,使用钢丝穿线器可以在管道中推拉电线,减少不必要的损伤。
3. 开挖穿线槽:将线槽内部凹槽盖打开,开挖穿线槽。
4. 穿线:按照线路布置,依次将电缆或电线穿过线槽。
5. 固定线路:将线路固定在线槽内,确保不松动,防止短路或者断路。
四、接线1. 确定接线点:根据电路需求和接口设计,确定需要接线的位置。
2.接线:剥去电线绝缘层,钉连接头、压线端子等,然后连接电线。
3. 仔细检查:完成接线后,通过仔细检查,确保一切都正确无误。
五、验收1. 仔细检查:检查线路连接是否牢固,电器是否工作正常,线槽上下是否对齐、位置是否正确等等。
2. 整理线路:将线路整理整齐,不留杂乱线缆,使线路内部清晰明了。
3. 安装配电箱:安装配电箱,将接线好的电缆和电线连接在一起,观察运转情况。
塑料线槽配线工艺标准1 范围本工艺标准适用于干燥室内的电气照明明配线工程。
2 施工准备2.1 材料要求:2.1.1 塑料线槽:由槽底、槽盖及附件组成,它是由难燃型硬聚氯乙烯工程塑料挤压成型,严禁使用非难燃型材料加工。
选用塑料线槽时,应根据设计要求选择型号、规格相应的定型产品。
其敷设场所的环境温度不得低于-15℃,其氧指数不应低于27%。
以上线槽内外应光滑无棱刺,不应有扭曲、翘边等变形现象。
并有产品合格证。
2.1.2 绝缘导线:导线的型号、规格必须符合设计要求,线槽内敷设导线的线芯最小允许截面:铜导线为1.0mm2;铝导线为2.5 mm2。
2.1.3 螺旋接线钮:应根据导线截面和导线根数,选择相应型号的加强型绝缘钢壳螺旋接线钮。
2.1.4 LC安全型压线帽请见3—8、2.1.5有关内容。
2.1.5 套管:套管有铜套管、铝套管及铜过渡套管三种,选用时应采用与导线规格相应的同材质套管。
2.1.6 接线端子(接线鼻子):选用时应根据导线的根数和总截面,选用相应规格的接线端子。
2.1.7 木砖:用木材制成梯形,使用时应做防腐处理。
2.1.8 塑料胀管:选用时,其规格应与被紧固的电气器具荷重相对应,并选择相同型号的圆头机螺丝与垫圈配合使用。
2.1.9 镀锌材料:选择金属材料时,应选用经过镀锌处理的圆钢、扁钢、角钢、螺丝、螺栓、螺母、垫圈、弹簧垫圈等。
非镀锌金属材料需进行除锈和防腐处理。
2.1.10 辅助材料:钻头、焊锡、焊剂、电焊条、氧气、乙炔气、调合漆、防锈漆、橡胶绝缘带或粘塑料绝缘带、黑胶布、石膏等。
2.2 主要机具:2.2.1 铅笔、卷尺、线坠、粉线袋、电工常用工具、活板子、手锤、錾子。
2.2.2 钢锯、钢锯条、喷灯、锡锅、锡勺、焊锡、焊剂。
2.2.3 手电钻、电锤、万用表、兆欧表、工具袋、工具箱、高凳等。
2.3 作业条件:2.3.1 配合土建结构施工预埋保护管、木砖及预留孔洞。
2.3.2 屋顶、墙面及地面、油漆、浆活全部完成。
空调线路安装施工方案与技术措施主要施工方案与技术措施一、施工测量在进行施工测量前,需要进行以下准备工作:1.办理与建设单位的手续,现场交接引测点位,填写“施工测量控制点交记录表”。
2.成立测量小组,由测量工程师担任组长,并配备足够的测量人员。
3.配置使用通过计量所检验合格并有合格证,在有效期内使用的测量仪器。
二、空调线路安装工程一、塑料线槽配线1)工艺流程:2)塑料线槽配线安装1.定位:按照设计图确定进户线、盒、箱等电气器具固定点的位置,从始端至终端(先干线后支线)找好水平或垂直线。
在固定点位置进行钻孔,并将塑料胀管或伞形螺栓埋入孔中。
施工时需注意不弄脏建筑物表面。
2.线槽固定:混凝土墙、砖墙可采用塑料胀管固定塑料线槽。
根据胀管直径和长度选择钻头,在标出的固定点位置上钻孔。
钻好孔后,将孔内残存的杂物清净,用木锤把塑料胀管垂直敲入孔中,并与建筑物表面平齐。
然后,用石膏将缝隙填实抹平。
用半圆头木螺丝加垫圈将线槽底板固定在塑料胀管上,紧贴建筑物表面。
应先固定两端,再固定中间,同时找正线槽底板,要横平竖直,并沿建筑物形状表面进行敷设。
木螺丝规格尺寸见表3-34,线槽安装用塑料胀管固定见图所示。
3.线槽连接:1)线槽及附件连接处应严密平整,无孔不入缝隙,紧贴建筑物固定点最大间距见表。
2)盒子均应两点固定,各种附件角、转角,三通等固定点不应少于两点(卡装式除外)。
3)接线盒,灯头盒应采用相应插口连接。
4)线槽的终端应采用终端头封堵。
5)在线路分支接头处应采用相应接线箱。
6)安装铝盒合金装饰板时,应牢固平整严实。
4.槽内放线1)清扫线槽。
放线时,先用布清除槽内的污物,使线槽内外清洁。
2)放线。
先将导线放开抻直,捋顺后盘成大圈,置于放线架上,从始端到终端(先干线后支线)边放边整理,导线应顺直,不得有挤压、背扣、扭线和受损等现象。
线槽内不允许出现接头,导线接头应放在接线盒内。
5.导线连接:导线连接应使连接处的接触电阻值最小,机械强度不降低,并恢复其原有的绝缘强度。
PVC塑料线槽配线安装施工方案一、施工前准备1.安全措施:施工人员应佩戴好安全帽和安全鞋,并确保工作区域的安全。
2.工具准备:a.手电钻:用于打孔;b.手锯:用于切割线槽;c.扳手:用于固定线槽;d.橡胶锤:用于敲击线槽和安装桥架;e.剪线钳:用于剪断电线;f.铅笔和尺子:用于标记线槽位置;g.支架和夹具:用于支撑和固定线槽。
3.材料准备:a.PVC塑料线槽:根据实际需要选择合适的型号和长度;b.穿线管:用于穿线;c.电线:根据实际需要选择合适的规格;d.线夹:用于连接电线;e.安装桥架:用于固定线槽。
二、施工步骤1.确定安装位置:根据需求确定线槽的安装位置,并使用铅笔和尺子进行标记。
2.打孔:使用手电钻在墙壁、天花板等安装位置上打孔,并确保孔的位置和大小与线槽的尺寸相匹配。
3.安装线槽:根据标记好的位置,将线槽修剪成合适的长度,并使用手锯进行切割。
然后,将线槽放入打好孔的位置,并用橡胶锤轻轻敲击使其牢固。
4.安装穿线管:在线槽的两端和转弯处安装穿线管,以便后续穿线作业。
5.穿线:将电线从一端的穿线管中引入线槽,并通过线夹连接线槽与电线。
根据需要,可以使用钢丝等辅助工具完成电线的穿线。
6.安装桥架:根据需要,在线槽的上方安装桥架,以增加线槽的支撑力和稳定性。
使用扳手固定桥架与墙面或天花板的连接处。
7.验收:完成配线安装后,进行验收,确保线槽与电线的安装质量符合规范要求。
检查是否存在电线过度弯曲、穿线管磨损、线槽固定不牢等问题,如发现问题及时进行修复。
三、施工注意事项1.施工前应充分了解并遵守相关安全规范,确保施工人员的人身安全。
2.在施工前,应对电线进行充分的测量和规划,确保电线的长度和规格符合实际需要。
3.在切割线槽时,应使用适当的工具和方法,保证线槽切割的平整和美观。
4.在穿线过程中,应注意保护电线的外皮,避免损坏导致电线安全隐患。
5.在固定线槽时,应注意选择合适的固定件,并确保固定牢固,避免线槽松动或脱落。