塑料线槽配线工艺标准模板
- 格式:doc
- 大小:62.00 KB
- 文档页数:10
塑料线槽配线1范围本工艺标准适用于干燥室内的电气照明明配线工程。
2施工准备2.1材料要求:2.1.1塑料线槽:由槽底、槽盖及附件组成,它是由难燃型硬聚氯乙烯工程塑料挤压成型,严禁使用非难燃型材料加工。
选用塑料线槽时,应根据设计要求选择型号、规格相应的定型产品。
其敷设场所的环境温度不得低于-15℃,其氧指数不应低于27%。
以上线槽内外应光滑无棱刺,不应有扭曲、翘边等变形现象。
并有产品合格证。
2.1.2绝缘导线:导线的型号、规格必须符合设计要求,线槽内敷设导线的线芯最小允许截面:铜导线为1.0mm2;铝导线为2.5mm2。
2.1.3螺旋接线钮:应根据导线截面和导线根数,选择相应型号的加强型绝缘钢壳螺旋接线钮。
2.1.4LC安全型压线帽请见3—8、2.1.5有关内容。
2.1.5套管:套管有铜套管、铝套管及铜铝过渡套管三种,选用时应采用与导线规格相应的同材质套管。
2.1.6接线端子(接线鼻子):选用时应根据导线的根数和总截面,选用相应规格的接线端子。
2.1.7木砖:用木材制成梯形,使用时应做防腐处理。
2.1.1塑料胀管:选用时,其规格应与被紧固的电气器具荷重相对应,并选择相同型号的圆头机螺丝与垫圈配合使用。
2.1.9镀锌材料:选择金属材料时,应选用经过镀锌处理的圆钢、扁钢、角钢、螺丝、螺栓、螺母、垫圈、弹簧垫圈等。
非镀锌金属材料需进行除锈和防腐处理。
2.1.10辅助材料:钻头、焊锡、焊剂、电焊条、氧气、乙炔气、调合漆、防锈漆、橡胶绝缘带或粘塑料绝缘带、黑胶布、石膏等。
2.2主要机具:2.2.1铅笔、卷尺、线坠、粉线袋、电工常用工具、活扳子、手锤、錾子。
2.2.2钢锯、钢锯条、喷灯、锡锅、锡勺、焊锡、焊剂。
2.2.3手电钻、电锤、万用表、兆欧表、工具袋、工具箱、高凳等。
2.3作业条件:2.3.1配合土建结构施工预埋保护管、木砖及预留孔洞。
2.3.2屋顶、墙面及地面、油漆、浆活全部完成。
3操作工艺3.1工艺流程:弹线定位→线槽固定→线槽连接→槽内放线→导线连接→线路检查绝缘摇测3.2弹线定位:3.2.1弹线定位应符合以下规定3.2.1.1线槽配线在穿过楼板或墙壁时,应用保护管,而且穿楼板处必须用钢管保护,其保护高度距地面不应低于1.8m;装设开关的地方可引至开关的位置。
PVC 塑料线槽配线安装施工方案一、 施工依据标准室内配线应使电能传送安全可靠,线路力求布置合理便利、整齐美观和经济,既安全、便利、美观、经济。
1.安全:在材料的选定、导线的连接、接地线的安装和导线的敷设等方面,均应考虑到人身、设备及建筑物结构的安全。
在安装过程中,不应损伤建筑物或减弱建筑物的强度。
2.便利 :敷设线路时,操作要准确、简便。
开关插座等装置的安装位置和高度应便于操作。
3.美观: 室内配线时,应注意美观,尽量避免损坏建筑物。
敷设的位置及灯具等用电备,都必须与建筑物相协调。
4.经济:在保证安全、可靠供电的同时,应考虑选用较经济的器材,选择最短的敷线路径,采用最合理的安装方法,以减少费用。
二、 施工准备1、 材料要求:导线的额定电压应大于线路工作电压;导线的绝缘层应符合线路的安装方式和敷设环境的条件;导线的截面应满足供电的要求和机械强度。
火线——红色 零线——蓝色 保护线——黄绿色。
在三相四线制配电系统中,中性线N 的允许载流量,不应小于线路中最大不平衡负荷电流 。
保护线(PE ) 其中:Sp 是导体的线芯的截面(mm2),I 是短路电流有效值(A),t 是在已达到允许最高持续工作温度的导体内短路电流持续作用时间(s), K 是t KI Sp ≥不同绝缘的计算系数。
查农网运行维护及检修表9-1-4 选择截面积2.5mm²聚氯乙烯绝缘铜芯导线,适用于室内外电气、动力及照明固定敷设。
配线方式通过查农网运行维护及检修表9-1-4 选择木、塑料槽板配线,它适用于负荷较小照明工程的干燥环境、要求整洁美观的场所:塑料槽板适用于防化学腐蚀和要求绝缘性能好的场所。
木槽板和塑料槽板,它们的安装方法基本相同,只是塑料槽板使用的环境温度不能低于-15°C,但由于目前槽板配线多用于室内的线路安装,且塑料槽板相对木槽板的造价较低,因此,此次选择塑料槽板。
2、工具要求尖嘴钳斜口钳虎口钳剥线钳螺丝刀电工刀验电笔米尺3、施工图纸元件安装示意图电路原理图三、操作工艺选择线槽定位划线槽板固定敷设导线盖板固定1.选择线槽根据导线直径及各段线槽中导线的数量确定线槽的规格(通常以矩形截面的长、宽来表示,弧形的用宽度表示)。
槽板配线安装施工工艺艺标准1 适用范围本工艺标准适用于干燥室内的电气照明及小负荷用电设备的明配线工程。
常用槽板有两种,一种是木槽板,另一种是塑料槽板。
2 施工准备2。
1 原材料要求2。
1。
1 塑料线槽:由槽底板、板槽盖板及附件组成,它是由难燃型硬聚氯乙烯工程塑料挤压成型,严禁使用非难燃型材料加工.选用塑料线槽时,应根据设计要求选择型号、规格相应的定型产品。
其敷设场所的环境温度不得低于—15℃,其氧指数不应低于27%;木槽板应涂绝缘漆及防火涂料。
以上线槽内外应光滑无棱刺,不应有扭曲、翘边变形现象,并有阻燃标记和产品合格证,外壁应有间距不大于1m的连续阻燃标记和制造厂标。
2。
1。
2 绝缘导线的型号、规格必须符合设计要求,线槽内敷设导线的线蕊最小允许截面:铜导线为1。
0mm2,铝导线为2.5mm2.2.1。
3 螺旋接线钮:应根据导线截面和导线根数,选择相应型号的加强型绝缘钢壳螺旋接线钮。
2.1.4 LC型压线帽:应具有阻燃性能氧指数为27%以上,适用于铝导线2.5mm2、4mm2两种,适用于铜导线1mm2至4mm2结头压接,分为黄、白、红、绿、蓝五种颜色,可根据导线截面和根数选择使用(铝导线绿、蓝;铜导线用黄、白、红)。
2.1。
5 套管:有铜套管、铝套管及铜铝过渡套管三种,选用时应采用与导线规格相应的同材质套管。
2。
1。
6 接线端子:选用时应根据导线的根数和总截面,选用相应规格的接线端子。
2。
1.7 木砖:用木材制成梯形,使用时应做防腐处理。
2.1.8 塑料胀管:选用时,其规格应与被紧固的电气器具荷重相对应,并选择相同型号的圆头螺丝与垫圈配合使用。
2。
1。
9 镀锌材料:选择金属材料时,应选用经过镀锌处理的圆钢、扁钢、角钢、螺丝、螺栓、螺母、垫圈、弹簧垫圈等,非镀锌金属材料需进行防锈和防腐处理.2.1。
10 辅助材料:钻头、电焊条、氧气、乙炔气、焊剂、调和漆、防锈漆、橡胶绝缘带或粘塑料绝缘带、黑胶布、石膏等.2。
塑料线槽安装配线工艺标准(Ⅵ407)1 适用范围本标准适用于干燥室内的建筑电气系统明配线工程。
2 施工准备2.1材料2.1.1塑料线槽:应由难燃型硬聚氯乙烯工程塑料经挤压而成型,严禁使用非难燃型材料加工。
线槽由槽底、槽盖及附件组成,氧指数不应低于27%。
线槽内外应光滑,且无棱刺、翘边等变形现象。
并有产品合格证和出厂检验报告。
2.1.2绝缘线缆:线缆的型号、规格必须符合设计要求,并有产品合格证、检验报告、“CCC”认证标识。
线缆进场时要检验其规格、材质和标识。
2.1.3接线端子、套管:应根据导线的截面,应选用相应规格、材质的产品, 并有产品合格证。
2.1.4LC安全型压线帽:规格符合要求,且有产品合格证。
2.1.5胀管:选用时,其规格应满足荷要求,并选择配套的平头木螺丝和垫圈配合使用。
2.2机具设备2.2.1手动工具:钢锯、錾子、手锤、电工组合工具等。
2.2.2电动工具:手电钻、电锤等。
2.2.3测量器具:铅笔、卷尺、线坠、粉线袋、万用表、兆欧表等。
2.2.4其他工具:锡锅、锡锅、高凳、梯子等。
2.3作业条件2.3.1土建结构施工预留孔洞完毕。
2.3.2土建粗装修完毕。
2.4技术准备2.4.1施工图纸和技术资料齐全。
2.4.2施工方案编制完毕并经审批。
2.4.3施工前应组织参施人员熟悉图纸、方案,并进行安全、技术交底。
3 操作工艺3.1工艺流程3.2操作方法3.2.1测量定位:首先根据施工图中的盒、箱等电气器具的位置,确定线路走向及固定点,固定T形螺栓固定。
将线槽的底板紧贴建筑物的表面,在固定点处钻好孔,把T形螺栓从线槽背后墙的另一面穿入线槽,用螺母紧固,线槽内露出的螺栓部分应加套塑料管。
(3)固定线槽时应先两端后中间。
线槽的固定点最大间距符合表3.2.2.1-2的规定。
3.2.2.2线槽连接:塑料线槽及附件连接处应平齐,没有缝隙。
(1)槽底和槽盖直线段对接时,槽底对接缝与槽盖对接缝错开并不小于20mm。
塑料线槽配线工艺标准塑料线槽配线工艺标准1 范围本工艺标准适用于干燥室内的电气照明明配线工程。
2 施工准备2.1 材料要求:2.1.1 塑料线槽:由槽底、槽盖及附件组成,它是由难燃型硬聚氯乙烯工程塑料挤压成型,严禁使用非难燃型材料加工。
选用塑料线槽时,应根据设计要求选择型号、规格相应的定型产品。
其敷设场所的环境温度不得低于-15℃,其氧指数不应低于27%。
以上线槽内外应光滑无棱刺,不应有扭曲、翘边等变形现象。
并有产品合格证。
2.1.2 绝缘导线:导线的型号、规格必须符合设计要求,线槽内敷设导线的线芯最小允许截面:铜导线为1.0mm2;铝导线为2.5 mm2。
2.1.3 螺旋接线钮:应根据导线截面和导线根数,选择相应型号的加强型绝缘钢壳螺旋接线钮。
2.1.4 LC安全型压线帽请见3—8、2.1.5有关内容。
2.1.5 套管:套管有铜套管、铝套管及铜过渡套管三种,选用时应采用与导线规格相应的同材质套管。
2.1.6 接线端子(接线鼻子):选用时应根据导线的根数和总截面,选用相应规格的接线端子。
2.1.7 木砖:用木材制成梯形,使用时应做防腐处理。
2.1.8 塑料胀管:选用时,其规格应与被紧固的电气器具荷重相对应,并选择相同型号的圆头机螺丝与垫圈配合使用。
2.1.9 镀锌材料:选择金属材料时,应选用经过镀锌处理的圆钢、扁钢、角钢、螺丝、螺栓、螺母、垫圈、弹簧垫圈等。
非镀锌金属材料需进行除锈和防腐处理。
2.1.10 辅助材料:钻头、焊锡、焊剂、电焊条、氧气、乙炔气、调合漆、防锈漆、橡胶绝缘带或粘塑料绝缘带、黑胶布、石膏等。
2.2 主要机具:2.2.1 铅笔、卷尺、线坠、粉线袋、电工常用工具、活板子、手锤、錾子。
2.2.2 钢锯、钢锯条、喷灯、锡锅、锡勺、焊锡、焊剂。
2.2.3 手电钻、电锤、万用表、兆欧表、工具袋、工具箱、高凳等。
2.3 作业条件:2.3.1 配合土建结构施工预埋保护管、木砖及预留孔洞。
2.3.2 屋顶、墙面及地面、油漆、浆活全部完成。
技术交底编号005工程名称漯河市第五咼级中学南校区教学楼改造项目交底日期施工单位林州市宏图建设工程有限公司分项工程名称电气安装工程交底提要塑料线槽安装配线工艺标准(W 407)1适用范围本标准适用于干燥室内的建筑电气系统明配线工程。
2 施工准备2.1材料2.1.1塑料线槽:应由难燃型硬聚氯乙烯工程塑料经挤压而成型,严禁使用非难燃型材料加工。
线槽由槽底、槽盖及附件组成,氧指数不应低于27%。
线槽内外应光滑,且无棱刺、翘边等变形现象。
并有产品合格证和出厂检验报告。
2.1.2绝缘线缆:线缆的型号、规格必须符合设计要求,并有产品合格证、检验报告、“CCC ”认证标识。
线缆进场时要检验其规格、材质和标识。
2.1.3接线端子、套管:应根据导线的截面,应选用相应规格、材质的产品,并有产品合格证。
2.1.4LC安全型压线帽:规格符合要求,且有产品合格证。
2.1.5胀管:选用时,其规格应满足荷要求,并选择配套的平头木螺丝和垫圈配合使用。
2.2机具设备2.2.1手动工具:钢锯、錾子、手锤、电工组合工具等。
2.2.2电动工具:手电钻、电锤等。
2.2.3测量器具:铅笔、卷尺、线坠、粉线袋、万用表、兆欧表等。
2.2.4其他工具:锡锅、锡锅、高凳、梯子等。
2.3作业条件2.3.1土建结构施工预留孔洞完毕。
2.3.2土建粗装修完毕。
2.4技术准备2.4.1施工图纸和技术资料齐全。
2.4.2施工方案编制完毕并经审批。
2.4.3施工前应组织参施人员熟悉图纸、方案,并进行安全、技术交底。
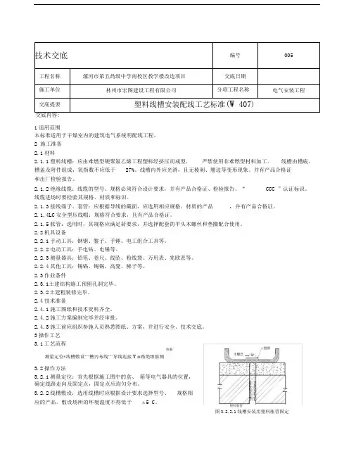
3操作工艺3.1工艺流程垫圈测量定位*线槽敷设宀槽内布线宀导线连接Y螺路绝缘摇测3.2操作方法3.2.1测量定位:首先根据施工图中的盒、箱等电气器具的位置,确定线路走向及固定点,固定点应均匀分布。
3.2.2线槽敷设:选用线槽时应根据设计要求选择型号、规格相应的产品。
敷设场所的环境温度不得低于木5 C。
塑料胀管图3.2.2.1线槽安装用塑料胀管固定3.2.2.1线槽固定(1)塑料胀管固定线槽:墙体为混凝土、砖墙时,可采用塑料胀管固定塑料线槽。
塑料线槽配线1 范围本工艺标准适用于干燥室内的电气照明明配线工程。
2 施工准备2.1 材料要求:2.1.1 塑料线槽:由槽底、槽盖及附件组成,它是由难燃型硬聚氯乙烯工程塑料挤压成型,严禁使用非难燃型材料加工。
选用塑料线槽时,应根据设计要求选择型号、规格相应的定型产品。
其敷设场所的环境温度不得低于-15℃,其氧指数不应低于27%。
以上线槽内外应光滑无棱刺,不应有扭曲、翘边等变形现象。
并有产品合格证。
2.1.2 绝缘导线:导线的型号、规格必须符合设计要求,线槽内敷设导线的线芯最小允许截面:铜导线为1.0mm2;铝导线为2.5mm2。
2.1.3 螺旋接线钮:应根据导线截面和导线根数,选择相应型号的加强型绝缘钢壳螺旋接线钮。
2.1.4 LC安全型压线帽请见3?、2.1.5有关内容。
2.1.5 套管:套管有铜套管、铝套管及铜铝过渡套管三种,选用时应采用与导线规格相应的同材质套管。
2.1.6 接线端子(接线鼻子):选用时应根据导线的根数和总截面,选用相应规格的接线端子。
2.1.7 木砖:用木材制成梯形,使用时应做防腐处理。
2.1.1 塑料胀管:选用时,其规格应与被紧固的电气器具荷重相对应,并选择相同型号的圆头机螺丝与垫圈配合使用。
2.1.9 镀锌材料:选择金属材料时,应选用经过镀锌处理的圆钢、扁钢、角钢、螺丝、螺栓、螺母、垫圈、弹簧垫圈等。
非镀锌金属材料需进行除锈和防腐处理。
2.1.10 辅助材料:钻头、焊锡、焊剂、电焊条、氧气、乙炔气、调合漆、防锈漆、橡胶绝缘带或粘塑料绝缘带、黑胶布、石膏等。
2.2 主要机具:2.2.1 铅笔、卷尺、线坠、粉线袋、电工常用工具、活扳子、手锤、錾子。
2.2.2 钢锯、钢锯条、喷灯、锡锅、锡勺、焊锡、焊剂。
2.2.3 手电钻、电锤、万用表、兆欧表、工具袋、工具箱、高凳等。
2.3 作业条件:2.3.1 配合土建结构施工预埋保护管、木砖及预留孔洞。
2.3.2 屋顶、墙面及地面、油漆、浆活全部完成。
交底单位 工程有限公司接收单位交 底 人接 收 人工程名称 分部工程 工程分项工程名称图3.3.1用木砖安装3.3.2塑料胀管固定线槽:混凝土墙、砖墙可采用塑料胀管固定塑料线槽。
根据胀管直径和长度选择钻头,在标出的固定点位置上钻孔,不应歪斜、豁口,应垂直钻好孔后,将孔内残存的杂物清净,用木锤把塑料胀管垂直敲入孔中,并与建筑物表面平齐为准,再用石膏将缝隙填实抹平。
用半圆头木螺丝加垫圈将线槽底板固定在塑料胀管上,紧贴建筑物表面。
应先固定两端,再固定中间,同时找正线槽底板,要横平竖直,并沿建筑物形状表面进行敷设。
木螺丝规格尺寸见表3.3.2,线槽安装用塑料胀管固定见图3.3.2所示。
木螺丝规格尺寸(mm )表3.3.2标号 公称直径d螺杆直径d 螺杆长度1 7 8 9 10 12 14 16 18 20 244 4 4.5 5 56 6 8 8 103.814.7 4.52 4.885.596.307.01 7.728.439.8612~70 12~70 16~85 18~100 18~100 250~100 25~100 40~100 40~100 70~120图3.3.2 线槽安装用塑料胀管固定3.3.3伞形螺栓固定线槽:在石膏板墙或其它护板墙上,可用伞形螺栓固定塑料线槽,根据弹线定位的标记,找出固定点位置,把线槽的底板横平竖直地紧贴建筑物的表面,钻好孔后将伞形螺栓的两伞叶掐紧合拢插入孔中,待合交底单位 工程有限公司接收单位交 底 人接 收 人工程名称 分部工程 工程分项工程名称拢伞叶自行张开后,再用螺母紧固即可,露出线槽内的部分应加套塑料管。
固定线槽时,应先固定两端再固定中间。
伞型螺栓安装做法,见图3.3.3.1和伞型螺栓构造见图3.3.3.2所示。
图3.3.3.1伞型螺栓安装做法图3.3.3.2伞型螺栓构造3.4线槽连接:线槽及附件连接处应严密平整,无孔不入缝隙,紧贴建筑物固定点最大间距见表3.4。
塑料线槽配线工艺标准塑料线槽是一种被广泛应用的电气装置,它能够起到保护电缆和线路的作用,使得线路更加稳定且美观。
为了保证塑料线槽的应用效果以及配线的安全性,我们需要按照相应的工艺标准进行安装和维护。
一、前置准备1. 绘制布线图:在确定布线方式和路径之前进行绘制,以确保配线计划准确可行。
2. 确定线槽布线方式:采用单线槽或双线槽以及配线盒是否需要。
3. 确定线槽路径:安装线槽的位置和方向,避免出现线槽交叉或弯曲过度的情况。
4. 预先准备工具:包括电钻、冲击钻、扳手、螺丝刀、钳子、电线剪切器等。
二、安装线槽1. 确定安装位置:根据布线设计图,确定线槽的安装位置,要保证线槽悬在地面上方约10~15mm、沿着墙面平行安装。
2. 标记固定位置:使用水平仪和量角器标记固定位置,将标志点转移至安装位置上。
3. 安装支架:先在墙面上用电钻钻洞,然后安装支架。
4. 切割线槽:按照实际测量结果和标记点进行线槽的切割。
5. 安装线槽:将线槽放置在支架上,然后将固定螺丝钉紧。
三、穿线1. 确定线路方向:按照布线图确定线路方向以及电器布置。
2. 选用钢丝穿线器:在管道较长或弯头多的情况下,使用钢丝穿线器可以在管道中推拉电线,减少不必要的损伤。
3. 开挖穿线槽:将线槽内部凹槽盖打开,开挖穿线槽。
4. 穿线:按照线路布置,依次将电缆或电线穿过线槽。
5. 固定线路:将线路固定在线槽内,确保不松动,防止短路或者断路。
四、接线1. 确定接线点:根据电路需求和接口设计,确定需要接线的位置。
2.接线:剥去电线绝缘层,钉连接头、压线端子等,然后连接电线。
3. 仔细检查:完成接线后,通过仔细检查,确保一切都正确无误。
五、验收1. 仔细检查:检查线路连接是否牢固,电器是否工作正常,线槽上下是否对齐、位置是否正确等等。
2. 整理线路:将线路整理整齐,不留杂乱线缆,使线路内部清晰明了。
3. 安装配电箱:安装配电箱,将接线好的电缆和电线连接在一起,观察运转情况。
安全性□对信息系统安全性的威胁任一系统,不管它是手工的还是采用计算机的,都有其弱点。
所以不但在信息系统这一级而且在计算中心这一级(如果适用,也包括远程设备)都要审定并提出安全性的问题。
靠识别系统的弱点来减少侵犯安全性的危险,以及采取必要的预防措施来提供满意的安全水平,这是用户和信息服务管理部门可做得到的。
管理部门应该特别努力地去发现那些由计算机罪犯对计算中心和信息系统的安全所造成的威胁。
白领阶层的犯罪行为是客观存在的,而且存在于某些最不可能被发觉的地方。
这是老练的罪犯所从事的需要专门技术的犯罪行为,而且这种犯罪行为之多比我们想象的还要普遍。
多数公司所存在的犯罪行为是从来不会被发觉的。
关于利用计算机进行犯罪的任何统计资料仅仅反映了那些公开报道的犯罪行为。
系统开发审查、工作审查和应用审查都能用来使这种威胁减到最小。
□计算中心的安全性计算中心在下列方面存在弱点:1.硬件。
如果硬件失效,则系统也就失效。
硬件出现一定的故障是无法避免的,但是预防性维护和提供物质上的安全预防措施,来防止未经批准人员使用机器可使这种硬件失效的威胁减到最小。
2.软件。
软件能够被修改,因而可能损害公司的利益。
严密地控制软件和软件资料将减少任何越权修改软件的可能性。
但是,信息服务管理人员必须认识到由内部工作人员进行修改软件的可能性。
银行的程序员可能通过修改程序,从自己的帐户中取款时漏记帐或者把别的帐户中的少量存款存到自己的帐户上,这已经是众所周知的了。
其它行业里的另外一些大胆的程序员同样会挖空心思去作案。
3.文件和数据库。
公司数据库是信息资源管理的原始材料。
在某些情况下,这些文件和数据库可以说是公司的命根子。
例如,有多少公司能经受得起丢失他们的收帐文件呢?大多数机构都具有后备措施,这些后备措施可以保证,如果正在工作的公司数据库被破坏,则能重新激活该数据库,使其继续工作。
某些文件具有一定的价值并能出售。
例如,政治运动的损助者名单被认为是有价值的,所以它可能被偷走,而且以后还能被出售。
124 塑料线槽安装施工工艺标准1 适用范围本工艺标准适用于建筑物内线槽安装工程。
2 施工准备 2.1 原材料要求2.1.1 塑料线槽:由槽底、槽盖及附件组成,它是由难燃型硬聚氯乙烯工程塑料挤压成型,严禁使用非难燃材料加工。
选用塑料线槽时,应根据设计要求选择型号、规格相应的定型产品。
其敷设场所的环境温度不得低于-15℃,其氧指数不应低于27%,以上线槽内外应光滑无棱刺,不应有扭曲,翘边等变形现象,并有产品合格证。
2.1.2 木砖:用木材制成梯形,使用时应做防腐处理。
2.1.3 塑料胀管:选用时,其规格应与被紧固的电气器具荷重相对应,并选择相同型号的圆头螺丝与垫圈配合使用。
2.1.4 镀锌材料:选择金属材料时,应选用经过镀锌处理的圆钢、扁钢、角钢、螺丝、螺栓、螺母、垫圈、弹簧垫圈等,非镀锌金属材料需进行防锈和防腐处理。
2.1.5 辅助材料:钻头、电焊条、氧气、乙炔气、调和漆、防锈漆、橡胶绝缘带或粘塑料绝缘带、黑胶布、螺旋接线钮、LC 安全型压线帽、绝缘导线、套管、接线端子、石膏等。
2.2 主要工机具2.2.1 铅笔、卷尺、线坠、粉线袋、电工常用工具、活扳子、手锤。
2.2.2 钢锯、钢锯条。
2.2.3 手电钻、电锤、工具袋、工具箱、高凳。
2.3 作业条件2.3.1 配合土建结构施工预埋保护管、木砖、预留孔洞。
2.3.2 屋顶、墙面及地面油漆、浆活全部完成。
2.4 作业人员主要施工人员 :电工。
经过培训,考核的有经验的人员持证上岗。
3 施工工艺 3.1 工艺流程3.2 操作工艺 3.2.1 弹线定位:3.2.1.1 弹线定位应符合以下规定:线槽配线在穿过楼板及墙壁时,应用保护管,而且穿楼板处必须用钢管保护,其保护高度距地面不应低于1.8m ;过变形缝时应做补偿处理。
3.2.1.2 弹线定位方法:按设计图确定进户线、盒、箱等电气器具固定点的位置,从始端至终端(先干线后支线)找好水平或垂直线,用粉线袋在线路中心弹线,分匀档,用笔画出加档位置后,再细查木砖是否齐全,位置是否正确,否则应及时补齐。
PVC 塑料线槽配线安装施工方案一、 施工依据标准室内配线应使电能传送安全可靠,线路力求布置合理便利、整齐美观和经济,既安全、便利、美观、经济。
1.安全:在材料的选定、导线的连接、接地线的安装和导线的敷设等方面,均应考虑到人身、设备及建筑物结构的安全。
在安装过程中,不应损伤建筑物或减弱建筑物的强度。
2.便利 :敷设线路时,操作要准确、简便。
开关插座等装置的安装位置和高度应便于操作。
3.美观: 室内配线时,应注意美观,尽量避免损坏建筑物。
敷设的位置及灯具等用电备,都必须与建筑物相协调。
4.经济:在保证安全、可靠供电的同时,应考虑选用较经济的器材,选择最短的敷线路径,采用最合理的安装方法,以减少费用。
二、 施工准备1、 材料要求:导线的额定电压应大于线路工作电压;导线的绝缘层应符合线路的安装方式和敷设环境的条件;导线的截面应满足供电的要求和机械强度。
火线——红色 零线——蓝色 保护线——黄绿色。
在三相四线制配电系统中,中性线N 的允许载流量,不应小于线路中最大不平衡负荷电流 。
保护线(PE ) 其中:Sp 是导体的线芯的截面(mm2),I 是短路电流有效值(A),t 是在已达到允许最高持续工作温度的导体内短路电流持续作用时间(s), K 是t KI Sp ≥不同绝缘的计算系数。
查农网运行维护及检修表9-1-4 选择截面积2.5mm²聚氯乙烯绝缘铜芯导线,适用于室内外电气、动力及照明固定敷设。
配线方式通过查农网运行维护及检修表9-1-4 选择木、塑料槽板配线,它适用于负荷较小照明工程的干燥环境、要求整洁美观的场所:塑料槽板适用于防化学腐蚀和要求绝缘性能好的场所。
木槽板和塑料槽板,它们的安装方法基本相同,只是塑料槽板使用的环境温度不能低于-15°C,但由于目前槽板配线多用于室内的线路安装,且塑料槽板相对木槽板的造价较低,因此,此次选择塑料槽板。
2、工具要求尖嘴钳斜口钳虎口钳剥线钳螺丝刀电工刀验电笔米尺3、施工图纸元件安装示意图电路原理图三、操作工艺选择线槽定位划线槽板固定敷设导线盖板固定1.选择线槽根据导线直径及各段线槽中导线的数量确定线槽的规格(通常以矩形截面的长、宽来表示,弧形的用宽度表示)。
PVC塑料线槽配线安装施工方案一、施工依据标准室内配线应使电能传送安全可靠,线路力求布置合理便利、整齐美观和经济,既安全、便利、美观、经济。
1.安全:在材料的选定、导线的连接、接地线的安装和导线的敷设等方面,均应考虑到人身、设备及建筑物结构的安全。
在安装过程中,不应损伤建筑物或减弱建筑物的强度。
2.便利:敷设线路时,操作要准确、简便。
开关插座等装置的安装位置和高度应便于操作。
3.美观:室内配线时,应注意美观,尽量避免损坏建筑物。
敷设的位置及灯具等用电备,都必须与建筑物相协调。
4.经济:在保证安全、可靠供电的同时,应考虑选用较经济的器材,选择最短的敷线路径,采用最合理的安装方法,以减少费用。
二、施工准备1、材料要求:导线的额定电压应大于线路工作电压;导线的绝缘层应符合线路的安装方式和敷设环境的条件;导线的截面应满足供电的要求和机械强度。
火线一一红色零线一一蓝色保护线一一黄绿色。
在三相四线制配电系统中,中性线N的允许载流量,不应小于线路中最大不平衡负荷电流。
保护线(PE Sp >' -1其中:SpK是导体的线芯的截面(mm2, I是短路电流有效值(A), t是在已达到允许最高持续工作温度的导体内短路电流持续作用时间(s), K 是不同绝缘的计算系数。
查农网运行维护及检修表9-1-4选择截面积2.5mn2聚氯乙烯绝缘铜芯导线,适用于室内外电气、动力及照明固定敷设。
配线方式通过查农网运行维护及检修表9-1-4 选择木、塑料槽板配线,它适用于负荷较小照明工程的干燥环境、要求整洁美观的场所:塑料槽板适用于防化学腐蚀和要求绝缘性能好的场所。
木槽板和塑料槽板,它们的安装方法基本相同,只是塑料槽板使用的环境温度不能低于一15°C,但由于目前槽板配线多用于室内的线路安装,且塑料槽板相对木槽板的造价较低,因此,此次选择塑料槽板。
2、工具要求尖嘴钳斜口钳虎口钳剥线钳螺丝刀电工刀验电笔米尺3、施工图纸三、操作工艺选择线槽定位划线槽板固定敷设导线盖板固定1选择线槽元件安装示意图--------------------------------- S2 EI____________________ : ---------------SE S3 电路原理图根据导线直径及各段线槽中导线的数量确定线槽的规格(通常以矩形截面的长、宽来表示,弧形的用宽度表示)。
塑料线槽配线1 范围本工艺标准适用于干燥室内的电气照明明配线工程。
2 施工准备2.1 材料要求:2.1.1 塑料线槽:由槽底、槽盖及附件组成,它是由难燃型硬聚氯乙烯工程塑料挤压成型,严禁使用非难燃型材料加工。
选用塑料线槽时,应根据设计要求选择型号、规格相应的定型产品。
其敷设场所的环境温度不得低于-15℃,其氧指数不应低于27%。
以上线槽内外应光滑无棱刺,不应有扭曲、翘边等变形现象。
并有产品合格证。
2.1.2 绝缘导线:导线的型号、规格必须符合设计要求,线槽内敷设导线的线芯最小允许截面:铜导线为1.0mm2;铝导线为2.5mm2。
2.1.3 螺旋接线钮:应根据导线截面和导线根数,选择相应型号的加强型绝缘钢壳螺旋接线钮。
2.1.4 LC安全型压线帽请见3—8、2.1.5有关内容。
2.1.5 套管:套管有铜套管、铝套管及铜铝过渡套管三种,选用时应采用与导线规格相应的同材质套管。
2.1.6 接线端子(接线鼻子):选用时应根据导线的根数和总截面,选用相应规格的接线端子。
2.1.7 木砖:用木材制成梯形,使用时应做防腐处理。
2.1.1 塑料胀管:选用时,其规格应与被紧固的电气器具荷重相对应,并选择相同型号的圆头机螺丝与垫圈配合使用。
2.1.9 镀锌材料:选择金属材料时,应选用经过镀锌处理的圆钢、扁钢、角钢、螺丝、螺栓、螺母、垫圈、弹簧垫圈等。
非镀锌金属材料需进行除锈和防腐处理。
2.1.10 辅助材料:钻头、焊锡、焊剂、电焊条、氧气、乙炔气、调合漆、防锈漆、橡胶绝缘带或粘塑料绝缘带、黑胶布、石膏等。
2.2 主要机具:2.2.1 铅笔、卷尺、线坠、粉线袋、电工常用工具、活扳子、手锤、錾子。
2.2.2 钢锯、钢锯条、喷灯、锡锅、锡勺、焊锡、焊剂。
2.2.3 手电钻、电锤、万用表、兆欧表、工具袋、工具箱、高凳等。
2.3 作业条件:2.3.1 配合土建结构施工预埋保护管、木砖及预留孔洞。
屋顶、墙面及地面、油漆、浆活全部完成。
塑料线槽配线1 范围本工艺标准适用于干燥室内的电气照明明配线工程。
2 施工准备2.1 材料要求:2.1.1 塑料线槽:由槽底、槽盖及附件组成,它是由难燃型硬聚氯乙烯工程塑料挤压成型,严禁使用非难燃型材料加工。
选用塑料线槽时,应根据设计要求选择型号、规格相应的定型产品。
其敷设场所的环境温度不得低于-15℃,其氧指数不应低于27%。
以上线槽内外应光滑无棱刺,不应有扭曲、翘边等变形现象。
并有产品合格证。
2.1.2 绝缘导线:导线的型号、规格必须符合设计要求,线槽内敷设导线的线芯最小允许截面:铜导线为1.0mm2;铝导线为2.5mm2。
2.1.3 螺旋接线钮:应根据导线截面和导线根数,选择相应型号的加强型绝缘钢壳螺旋接线钮。
2.1.4 LC安全型压线帽请见3—8、2.1.5有关内容。
2.1.5 套管:套管有铜套管、铝套管及铜铝过渡套管三种,选用时应采用与导线规格相应的同材质套管。
2.1.6 接线端子(接线鼻子):选用时应根据导线的根数和总截面,选用相应规格的接线端子。
2.1.7 木砖:用木材制成梯形,使用时应做防腐处理。
2.1.1 塑料胀管:选用时,其规格应与被紧固的电气器具荷重相对应,并选择相同型号的圆头机螺丝与垫圈配合使用。
2.1.9 镀锌材料:选择金属材料时,应选用经过镀锌处理的圆钢、扁钢、角钢、螺丝、螺栓、螺母、垫圈、弹簧垫圈等。
非镀锌金属材料需进行除锈和防腐处理。
2.1.10 辅助材料:钻头、焊锡、焊剂、电焊条、氧气、乙炔气、调合漆、防锈漆、橡胶绝缘带或粘塑料绝缘带、黑胶布、石膏等。
2.2 主要机具:2.2.1 铅笔、卷尺、线坠、粉线袋、电工常用工具、活扳子、手锤、錾子。
2.2.2 钢锯、钢锯条、喷灯、锡锅、锡勺、焊锡、焊剂。
2.2.3 手电钻、电锤、万用表、兆欧表、工具袋、工具箱、高凳等。
2.3 作业条件:2.3.1 配合土建结构施工预埋保护管、木砖及预留孔洞。
2.3.2 屋顶、墙面及地面、油漆、浆活全部完成。
塑料线槽配线工艺标准
1 范围
本工艺标准适用于干燥室内的电气照明明配线工程。
2 施工准备
2.1 材料要求:
2.1.1 塑料线槽: 由槽底、槽盖及附件组成, 它是由难燃型硬聚氯乙烯工程塑料挤压成型, 严禁使用非难燃型材料加工。
选用塑料线槽时, 应根据设计要求选择型号、规格相应的定型产品。
其敷设场所的环境温度不得低于-15℃, 其氧指数不应低于27%。
以上线槽内外应光滑无棱刺, 不应有扭曲、翘边等变形现象。
并有产品合格证。
2.1.2 绝缘导线: 导线的型号、规格必须符合设计要求, 线槽内敷设导线的线芯最小允许截面: 铜导线为 1.0mm2; 铝导线为 2.5 mm2。
2.1.3 螺旋接线钮: 应根据导线截面和导线根数, 选择相应型号的加强型绝缘钢壳螺旋接线钮。
2.1.4 LC安全型压线帽请见3—8、2.1.5有关内容。
2.1.5 套管: 套管有铜套管、铝套管及铜过渡套管三种, 选用时应采用与导线规格相应的同材质套管。
2.1.6 接线端子( 接线鼻子) : 选用时应根据导线的根数和总截面, 选用相应规格的接线端子。
2.1.7 木砖: 用木材制成梯形, 使用时应做防腐处理。
2.1.8 塑料胀管: 选用时, 其规格应与被紧固的电气器具荷重相对应, 并选择相同型号的圆头机螺丝与垫圈配合使用。
2.1.9 镀锌材料: 选择金属材料时, 应选用经过镀锌处理的圆钢、扁钢、角钢、螺丝、螺栓、螺母、垫圈、弹簧垫圈等。
非镀锌金属材料需进行除锈和防腐处理。
2.1.10 辅助材料: 钻头、焊锡、焊剂、电焊条、氧气、乙炔气、调合漆、防锈漆、橡胶绝缘带或粘塑料绝缘带、黑胶布、石膏等。
2.2 主要机具:
2.2.1 铅笔、卷尺、线坠、粉线袋、电工常见工具、活板子、手锤、錾子。
2.2.2 钢锯、钢锯条、喷灯、锡锅、锡勺、焊锡、焊剂。
2.2.3 手电钻、电锤、万用表、兆欧表、工具袋、工具箱、高凳等。
2.3 作业条件:
2.3.1 配合土建结构施工预埋保护管、木砖及预留孔洞。
2.3.2 屋顶、墙面及地面、油漆、浆活全部完成。
3 操作工艺
3.1 工艺流程:
3.2 弹线定位:
3.2.1 弹线定位应符合以下规定:
3.2.1.1 线槽配线在穿过楼板或墙壁时, 应用保护管, 而且穿楼板处必须用钢管保护, 其保护高度距地面不应低于1.8m; 装设开关的地方可引至开关的位置。
3.2.1.2 过变形缝时应做补偿处理。
3.2.2 弹线定位方法
按设计图确定进户线、盒、箱等电气器具固定点的位置, 从始端至终端( 先干线后支线) 找好水平或垂直线, 用粉线袋在线路中心弹线, 分均档, 用笔画出加档位置后, 再细查木砖是否齐全, 位置是否正确, 否则应及时补齐。
然后在固定点位置进行钻孔, 埋入塑料胀管或伞形螺栓。
弹线时不应弄脏建筑物表面。
3.3 线槽固定:
3.3.1 木砖固定线槽:
配合土建结构施工时预埋木砖; 加气砖墙或砖墙剔洞后再埋木砖, 梯形木砖较大的一面应朝洞里, 外表面与建筑物的表面平齐, 然后用水泥砂浆抹平, 待凝固后, 再把线槽底板用木螺丝固定在木砖上, 见图3-60所示。
图3-60 用木砖安装
3.3.2 塑料胀管固定线槽:
混凝土墙、砖墙可采用塑料胀管固定塑料线槽。
根据胀管直径和长度选择钻头, 在标出的固定点位置上钻孔, 不应歪斜、豁口, 应垂直钻好孔后, 将孔内残存的杂物清净, 用木锤把塑料胀管垂直敲入孔中, 并与建筑物表面平齐为准, 再用石膏将缝隙填实抹平。
用半圆头木螺丝加垫圈将线槽底板固定在塑料胀管上, 紧贴建筑物表面。
应先固定两端, 再固定中间, 同时找正线槽底板, 要横平竖直, 并沿建筑物形状表面进行敷设。
木螺丝规格尺寸见表3-34, 线槽安装用塑料胀管固定见图3-61所示。
木螺丝规格尺寸( mm) 表3-34
标号公称直径d 螺杆直径d 螺杆长度L 7
8
9
10
12
14
16
18
20
24
4
4
4.5
5
5
6
6
8
8
10
3.81
4.7
4.52
4.88
5.59
6.30
7.01
7.72
8.43
9.86
12~70
12~70
16~85
18~100
18~100
250~100
25~100
40~100
40~100
70~120 图3-61 线槽安装用塑料胀管固定
3.3.3 伞形螺栓固定线槽:
在石膏板墙或其它护板墙上, 可用伞形螺栓固定塑料线槽, 根据弹线定位的标记, 找出固定点位置, 把线槽的底板横平竖直地紧贴建筑物的表面, 钻好孔后将伞形螺栓的两伞叶掐紧合拢插入孔中, 待合拢伞叶自行张开后, 再用螺母紧固即可, 露出线槽内的部分应加套塑料管。
固定线槽时, 应先固定两端再固定中间。
伞型螺栓安装做法, 见图3-62和伞型螺栓构造见图3-63所示。
图3-62 伞型螺栓安装做法
图3-63伞型螺栓构造
3.4 线槽连接:
线槽及附件连接处应严密平整, 无孔不入缝隙, 紧贴建筑物固定点最大间距见表3-35。
槽体固定点最大间距尺寸表3-35
固定点型式
槽板宽度( mm)
20~40 60 80~120
固定点最大间距( mm)
中心单列双列80
—
—
1000
—
—
双列——800
3.4.2 线槽分支接头, 线槽附件如直能, 三能转角, 接头, 插口, 盒, 箱应采用相同材质的定型产品。
槽底、槽盖与各种附件相对接时, 接缝处应严实平整, 固定牢固见图3-64所示。
图3-64塑料线槽安装示意图
1—1—塑料线槽; 2—阳角; 3—阴角; 4—直转有; 5—平转角; 6—
平三通;
7—顶三通; 8—连接头; 9—右三角; 10—左三通; 11—终端头; 12—
接线盒插口;
13—灯头盒插口; 14—灯头盒; 15—接线盒
3.4.3 线槽各种附件安装要求:
3.4.3.1 盒子均应两点固定, 各种附件角、转角, 三通等固定点不应少于两点( 卡装式除外) 。
3.4.3.2 接线盒, 灯头盒应采用相应插口连接。
3.4.3.3 线槽的终端应采用终端头封堵。
3.4.3.4 在线路分支接头处应采用相应接线箱。
3.4.3.5 安装铝盒合金装饰板时, 应牢固平整严实。