盾构洞门环梁施工技术交底
- 格式:doc
- 大小:510.00 KB
- 文档页数:9
一、前言为确保盾构施工过程中的安全,根据国家相关法律法规及行业规范,结合本工程实际情况,特制定本安全技术交底。
本交底旨在提高全体施工人员的安全意识,规范操作行为,降低事故发生率,保障施工人员生命财产安全。
二、施工人员须知1. 入场教育:所有进入施工现场的人员必须接受入场安全教育,考核合格后方可上岗作业。
2. 特种作业人员:特种作业人员必须持证上岗,并接受专业培训,熟练掌握操作规程。
3. 安全纪律:施工现场必须遵守安全操作规程和安全生产纪律,严禁违章作业。
4. 劳动保护:进入施工现场的人员必须按要求正确佩戴、使用劳动保护用品。
三、施工安全措施1. 洞门破除安全措施:- 洞门破除前,必须对洞门结构进行检查,确保其稳固可靠。
- 洞门破除过程中,严禁人员站在洞门边缘或洞门附近。
- 破除过程中,应加强现场监控,确保人员安全。
2. 盾构始发安全措施:- 进场人员必须经过入场安全教育,考核合格后上岗。
- 重大风险源施工作业,人员必须自觉承受安全技术交底。
- 进入施工现场的人员必须按要求正确佩戴、使用劳动保护用品。
- 特种作业人员必须取得特种作业操作证,经项目部登记并考核合格后方能上岗。
- 始发应急物资按地铁建设工程工地应急抢险物资标准配备清单(暂行)成地铁建201369号文要求配置齐全后方能进行盾构始发。
3. 盾构机操作安全措施:- 施工现场严禁吸烟;进入施工现场必须按规定佩戴劳保用品;严禁擅自拆改安全装置。
- 进出隧道必须走人行道,避让过往车辆,严禁搭乘运输车辆。
- 控制台操作前,必须与拼装手、注浆人员、电瓶车司机等有关人员联系,确认安全后方可操作。
- 作业前必须检查控制仪器、仪表及其他装置,确认处于安全状态。
- 发现故障和异常情况,按规定要求处理、汇报;严格执行交接班制度。
- 按规定程序开机,按安全技术交底要求设定和控制速度、注浆压力等技术参数。
- 注浆作业前,必须与注浆操作人员、制浆人员取得联系,确认无误后方可启动注浆泵。
济南轨道交通集团有限公司
承包单位:中铁四局集团有限公司合同号:
监理单位:英泰克工程顾问(上海)有限公司编号:
技术交底记录C033
洞门环梁施工方法
工作平台搭设侧立面示意图
工作平台搭设完成后,安质部对其进行检查验收,合格后挂验收合格牌,可开始进行下道工序施工。
洞门平台搭设完成后,立即对洞门钢环内洞门环梁接触面采用钢丝绳进行清理,割除洞门钢环上加固钢筋或型钢等,若钢环锈蚀严重则需采用手磨或铁丝刷进行除锈工作。
管片端面焊接钢板同样进行清理和冲洗,确保无油污及泥水污染。
)洞门环梁钢筋进行现场加工、焊接绑扎成型,钢筋加工必须根据井接头长度适当调整,因不同部位接头长度差异,箍筋需按实际调整,保护层保证在50mm
环形主筋必须加工弧形圆滑。
先小直径焊接定位钢筋,再把粘贴止水条位置清理干净,涂上胶并粘贴止水条,同时弯折定位钢筋压住止水条,防止混凝土浇筑时移位。
在管片和洞圈接触面处预埋注浆镀锌管,用于注浆填充混凝土浇筑后的空隙,封堵渗漏水。
)在钢筋、模板等工序检验合格后即可进行浇注,混凝土浇注采用泵车、导流槽等设施。
钢模板上有几个预留洞口,可分段进行振捣作业。
洞门左右两侧应平衡对称浇注。
混凝土泵车停在井上,混凝土通过导管泵送到井接头处进行浇注。
先从井接头模板左右两侧预留的孔洞处浇筑下180°洞圈混凝土,边浇边振捣使混凝土密实,半部分混凝土浇筑好后,将预留孔洞封堵严密,再从洞圈上方预设的畚箕口浇筑洞圈。
洞门环梁施工技术方法与技术措施1)洞门环梁施工流程
洞门环梁施工工艺流程详见下图。
洞门环梁施工工艺流程
2)施工方法及要点
洞门环梁施工方法及要点详见下表。
洞门环梁施工方法及要点
环管片进行处理,从衬砌压浆孔内注入水泥浆,待其固
结后再将洞口临时密封(扇形板、圆环板、帘布
先拆一块
凿至洞门
现浇洞门环梁施工要严格按设计的防水要求
防水混凝土,竖向施工缝
及环向施工缝各设置两道遇水膨胀止水条形成洞
)在主体完工后,进行嵌缝作业,并注入密封
按照钢筋绑扎→止水条安装→模板安装→混
)要保证混凝土的施工质量,对混凝土振捣、
洞门环梁施工易出现渗漏、变形、外观质量不符合要求等质量通病,其主要预防技术措施详见下表。
洞门环梁施工质量通病及预防技术措施。
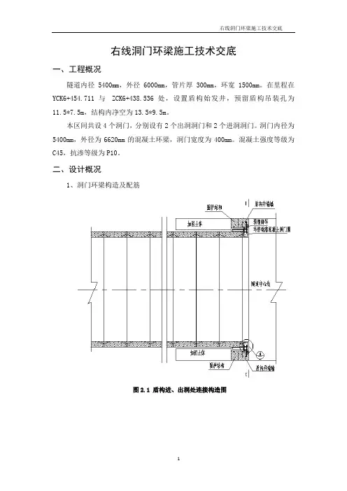
右线洞门环梁施工技术交底一、工程概况隧道内径5400mm,外径6000mm,管片厚300mm,环宽1500mm。
在里程在YCK6+454.711与ZCK6+438.536处,设置盾构始发井,预留盾构吊装孔为11.5*7.5m,结构内净空为13.5*9.5m。
本区间共设4个洞门,分别设有2个出洞洞门和2个进洞洞门。
洞门内径为5400mm,外径为6620mm的混凝土环梁,洞门宽度为400mm。
混凝土强度等级为C45,抗渗等级为P10。
二、设计概况1、洞门环梁构造及配筋图2.1 盾构进、出洞处连接构造图图2.2 洞门环梁1-1断面图图2.3 洞门环梁配筋图2、洞门防水图2.4 洞门防水构造图三、施工准备1、场地准备:主要考虑盾构机吊出后,杂物清理后能满足施工机具、材料的堆放、以及施工不受影响。
2、材料准备:气割焊一套,空压机、风镐、电焊机一套,遇水膨胀止水条,φ48mm的钢管,扣件,所有需用型号的钢筋。
准备好木楔、棉纱、沙袋、快速水泥等防止洞内有涌水时及时封堵。
凿除清理洞门环基面的洋镐、编织袋等工具及时到位。
表3.1 主要材料用量汇总表四、施工流程及工艺洞门施工的工艺流程为:洞门注浆堵水→搭设施工脚手架→管片拆除→基面处理→防水施工→绑扎钢筋→模板安装→浇筑混凝土→拆除摸板、养护。
1、注浆堵水为了达到洞门施工中隧道安全和防水目的,首先对进出洞门的隧道管片进行壁后注浆。
可能存在渗水现象,也应进行相应的注浆堵水,注浆时注浆压力不得大于0.5Mpa。
2、搭设施工脚手架为便于施工,需搭设施工脚手架。
根据现场的实际情况进行搭设。
施工脚手架由内径48钢管搭设而成。
脚手架搭设在盾构井主体结构预留洞门外,为双排脚手架,立杆间距为1200*1500mm,水平杆布距为600mm,支架顶部为操作平台,操作平台用方木满铺,四周设安全网,支架按构造要求设剪刀撑,斜撑及扫地杆。
剪刀撑角度控制在45度至60度中间,从底部至顶板连续设置。
合肥市轨道交通工程承包单位:中铁十六局集团有限公司合同号:监理单位:广东建科建设监理有限公司编号:A3.12-(20121231)技术交底记录A3.122)搭设脚手架脚手架搭设支点必须进行加固,搭设形式与限界要满足盾构施工水平运输车辆安全行驶要求;3)拆除管片首先用风镐凿出区间露在钢环外部的管片,然后拉紧近洞门的1~3环管片。
并在所需要拆除的管片上做吊点,吊点采用两根直径16双股钢丝绳穿于标准块的外侧纵向螺栓孔内。
为了预防起吊后管片晃动的危险性,内侧纵向螺栓孔与进、出洞环管片外侧纵向螺栓孔用钢丝绳捆绑牵引。
捆绑牵引后,平稳移动至垂直起吊位置,随后进行起吊注意施工安全;3)植筋管片拆除后,在管片与车站内衬墙上每隔5°并排设置2圈植筋,植入深度为20d;纵向在钢环圈焊接2根植筋,长度满足紧固进浇筑砼内,具体详见下图(或后附图纸);4)粘贴止水条止水橡胶带的材质为膨胀橡胶止水带,其质量要符合设计规定。
整根一圈止水橡胶带每隔20cm用φ8圆钢固定压住,圆钢与井接头钢筋焊接连接。
橡胶带的接头处开斜口,用303单组份氯丁—酚醛粘结剂将两端粘成整体,并在止水橡胶带表面涂刷缓膨胀剂三度,防止其遇水先期膨胀而降低止水效果。
止水条数量为管片环向1道,钢圈纵向2道,具体详见上图(或后附图纸);5)钢筋成型焊接应根据洞门宽度适当调整,满足配筋要求。
钢筋根据现场实际尺寸决定箍筋的长短,落料成型后绑扎、焊接。
搭接长度应符合施工规范要求和设计图纸要求,箍筋的间距应符合设计要求。
根据钢筋翻样图及标高、轴线控制点进行钢筋安装、绑扎,焊接锚筋和定位钢筋,钢筋与结构预埋件应焊接牢固。
由于钢筋笼较高,要求在安装绑扎钢筋时,必须设置临时支撑及支架,同时须认真挂好保护层垫层。
6)模板安设。
常州轨道交通工程承包单位:中铁电气化局集团有限公司合同号:M1—TJ-12监理单位: 上海建科工程咨询有限公司编号:技术交底记录B3.12并制作抗压及抗渗砼试块各一组,同条件养护试块两组.浇筑时首先从洞门二腰预留的浇灌口浇注砼,放入震捣棒充分捣鼓后封闭二腰浇注口,从顶部预留口继续浇注砼并震捣.每个点振动时间约为10—20秒,并均匀拔出,确保振捣密实。
整个洞门混凝土浇注须一次完成,不可产生施工缝。
现浇混凝土应与隧道和端墙密贴、稳固连接.混凝土捣固均匀密实,确保混凝土质量达到设计的强度及防水等级。
7.模板及脚手架的拆除拆模、养护:需达到规范要求的强度方可拆模,拆除时注意不要磕碰混凝土边脚。
拆模后,即开始洒水养护,14天龄期内要保证混凝土表面湿润。
脚手架的拆除顺序为从上往下、从外往内。
8。
堵漏及接水槽施工混凝土养护达到设计强度后,观察有无渗漏水,若发现接缝有渗漏水情况时,对预留的注浆导管灌注亲水性环氧浆液,渗水量较大时,可采用油溶性聚氨酯灌浆材料.确保防水满足规范设计要求后,施做洞门环梁与管片接缝处的不锈钢接水槽,接水槽设置范围为道床以上部分。
接水槽采用M8膨胀螺栓锚固在管片和环梁上。
技术负责人交底人接受交底人注:1、本表用于施工单位对作业班组的技术交底;2、本表一式三份,交底后施工单位项目部、作业班组各留一份,报项目监理机构一份备案.注:1、本表用于施工单位对作业班组的技术交底;2、本表一式三份,交底后施工单位项目部、作业班组各留一份,报项目监理机构一份备案。
附图:图—1 洞门环梁钢筋剖面示意图图-2洞门环梁钢筋布置示意图图—3隧道与车站接口防水做法示意图。
杭州地铁工程
承包单位:合同号:JS1-TJ-09-011
监理单位:编号:
技术/安全交底书
编制者:审核者:批准人:接收单位:接收负责人:
监理单位:编号:
技术/安全交底书
图2:牛腿横断面图
编制者:审核者:批准人:接收单位:接收负责人:
监理单位:编号:
技术/安全交底书
编制者:审核者:批准人:接收单位:接收负责人:
承包单位:合同号:JS1-TJ-09-011
监理单位:编号:
技术/安全交底书
编制者:审核者:批准人:接收单位:接收负责人:
承包单位:合同号:JS1-TJ-09-011
监理单位:编号:
技术/安全交底书
编制者:审核者:批准人:接收单位:接收负责人:。
一、项目背景1. 工程名称:____________________2. 工程地点:____________________3. 施工单位:____________________4. 盾构区间:____________________5. 施工时间:____________________二、安全交底1. 安全教育(1)进场人员必须经过入场安全教育(三级教育),考核合格后才能上岗作业。
(2)特种作业人员必须取得特种作业操作证,经项目部登记并考核合格后方能上岗。
2. 劳动保护用品(1)进入施工现场的人员必须按要求正确佩戴、使用劳动保护用品。
(2)特种作业人员必须配备符合国家标准的安全防护装备。
3. 重大风险源作业(1)重大风险源施工作业,人员必须自觉承受安全技术交底。
(2)施工前,对重大风险源进行风险评估,制定应急预案。
4. 施工现场管理(1)施工现场严禁吸烟、喝酒、违章操作。
(2)进入施工现场必须按规定佩戴安全帽,正确使用安全带。
(3)施工区域设置明显的安全警示标志,禁止无关人员进入。
5. 应急物资(1)始发应急物资按地铁建设工程工地应急抢险物资标准配备清单(暂行)成地铁建201369号文要求配置齐全后方能进行盾构始发。
(2)应急物资存放地点明确,并定期检查,确保物资完好。
三、技术交底1. 盾构机操作(1)盾构机操作人员必须经过专业培训,熟练掌握盾构机操作技能。
(2)启动盾构机前,必须与拼装手、注浆人员、电瓶车司机等有关人员联系,确认安全后方可操作。
(3)作业前必须检查控制仪器、仪表及其他装置,确认处于安全状态。
2. 控制台操作(1)控制台操作人员必须熟悉盾构机工作原理及操作流程。
(2)按规定程序开机,按安全技术交底要求设定和控制速度、注浆压力等技术参数。
(3)发现故障和异常情况,按规定要求处理、汇报;严格执行交接班制度。
3. 注浆作业(1)注浆作业前,应检查管路,确认管路连接正确、牢固。
(2)冲洗管路作业必须2人操作,在没有接到注浆操作手发出的可以冲洗管路的指令前,不得启动冲洗泵。
中建隧道建设有限公司安全技术交底并采用人工风镐凿除正1环管片外端部混凝土保护层,露出内部钢筋,以与洞门钢筋焊接。
3.2 脚手架搭设(1)作业要求本脚手架支撑在隧道结构的砼底板上,基础坚固不需作任何处理。
但为了确保立杆稳固可靠,应按构架设计的立杆间距进行放线定位,铺设垫板和安放立杆底座,并确保位置准确、铺放平稳,不得悬空,脚手架类型主要采用φ48×3.5mm钢管扣件式脚手架,搭设横向间距0.6m,竖向间距0.6和0.9m。
(2)搭设作业1)搭设作业流程放置纵向扫地杆→自角部起依次向两边竖立底(第1根)立杆,底端与纵向扫地杆扣接固定后、装设横向扫地杆并也与立杆固定(固定立杆底端前,应吊线确保立杆垂直),每边竖起3~4根立杆后,随即装设第一步纵向平杆(与立杆扣接固定)和横向平杆(小横杆,靠近立杆并与纵向平杆扣接固定)、校正立杆垂直和平杆水平使其符合要求后,拧紧扣件螺栓,形成构架的起始段→按上述要求依次向前延伸搭设,直至第一步架交圈完成。
交圈后,再全面检查一遍构架质量和地基情况,严格确保设计要求和构架质量→设置连墙件(或加抛撑)→按第一步架的作业程序和要求搭设第二步、第三步→随搭设进程及时装设连墙件和剪刀撑→装设作业层间横杆(在构架横向平杆之间加设的、用于缩小铺板支承跨度的横杆)、铺设脚手板和装设作业层栏杆、挡脚板或围护,封闭措施。
脚手架搭设示意图2)搭设作业注意事项①底立杆应按立杆接长要求选择不同长度的钢管交错设置,至少应有两种适合的不同长度的钢管作立杆。
②在设置第一排连墙件前,应约每隔6跨设一道抛撑,以确保架子稳定。
③一定要采取先搭设起始段而后向前延伸的方式,当两组作业时,可分别从相对角开始搭设。
④连墙件和剪刀撑应及时设置,不得滞后超过2步。
⑤杆件端部伸出扣件之外的长度不得小于100mm。
⑥在顶排连墙件之上的架高(以纵向平杆计)不得多于两步,否则应每隔6跨加设1道撑位措施。
⑦对接平板脚手板时,对接处的两侧必须设置间横杆。
一、交底目的为确保盾构施工过程中的安全,提高施工人员的安全意识,降低安全事故的发生率,特制定本安全技术交底。
二、适用范围本交底适用于所有盾构施工项目,包括但不限于盾构始发、掘进、接收、隧道衬砌等环节。
三、交底内容1. 人员安全要求(1)所有进场人员必须经过入场安全教育(三级教育),考核合格后方可上岗作业。
(2)特种作业人员必须取得特种作业操作证,经项目部登记并考核合格后方可上岗。
(3)进入施工现场的人员必须按要求正确佩戴、使用劳动保护用品。
2. 重大风险源管理(1)重大风险源施工作业,人员必须自觉承受安全技术交底。
(2)针对重大风险源,如盾构始发、接收等关键环节,应制定专项安全措施,并严格执行。
3. 施工现场安全管理(1)施工现场严禁吸烟,确保消防安全。
(2)进出隧道必须走人行道,避让过往车辆,严禁搭乘运输车辆。
(3)隧道断面较小,设置专用人行道有困难时,作业人员必须在车辆停驶后方可进出隧道。
4. 设备设施安全(1)盾构机、掘进机等主要设备设施必须定期检查、维护,确保其安全运行。
(2)控制台操作工、注浆人员、电瓶车司机等岗位人员必须经过专业培训,掌握相关操作技能。
5. 盾构始发、接收环节安全(1)进洞前确认洞门延伸钢环与橡胶帘布已正确安装并密封。
(2)保证降水井水位在洞门以下,出洞前须在洞门底部打探孔确定无压力水流出才准出洞。
(3)地面安排人员值班,加强地面巡视与水位监测频率,保证降水井正常抽水,发现异常及时上报处理。
6. 应急物资配备(1)始发应急物资按地铁建设工程工地应急抢险物资标准配备清单(暂行)成地铁建201369号文要求配置齐全后方可进行盾构始发。
(2)配备必要的应急救援器材,如急救箱、灭火器等。
7. 技术交底(1)工程技术负责人对施工人员进行安全技术交底,明确安全注意事项。
(2)施工人员必须认真学习并掌握安全技术交底内容,严格遵守操作规程。
四、交底责任1. 项目部负责安全技术交底的编制、实施和监督。
常州轨道交通工程
承包单位:中铁电气化局集团有限公司合同号:M1-TJ-12 监理单位:上海建科工程咨询有限公司编号:
技术交底记录B3.12
并制作抗压及抗渗砼试块各一组,同条件养护试块两组。
浇筑时首先从洞门二腰预留的浇灌口浇注砼,放入震捣棒充分捣鼓后封闭二腰浇注口,从顶部预留口继续浇注砼并震捣。
每个点振动时间约为10-20秒,并均匀拔出,确保振捣密实。
整个洞门混凝土浇注须一次完成,不可产生施工缝。
现浇混凝土应与隧道和端墙密贴、稳固连接。
混凝土捣固均匀密实,确保混凝土质量达到设计的强度及防水等级。
7.模板及脚手架的拆除
拆模、养护:需达到规范要求的强度方可拆模,拆除时注意不要磕碰混凝土边脚。
拆模后,即开始洒水养护,14天龄期内要保证混凝土表面湿润。
脚手架的拆除顺序为从上往下、从外往内。
8. 堵漏及接水槽施工
混凝土养护达到设计强度后,观察有无渗漏水,若发现接缝有渗漏水情况时,对预留的注浆导管灌注亲水性环氧浆液,渗水量较大时,可采用油溶性聚氨酯灌浆材料。
确保防水满足规范设计要求后,施做洞门环梁与管片接缝处的不锈钢接水槽,接水槽设置范围为道床以上部分。
接水槽采用M8膨胀螺栓锚固在管片和环梁上。
附图:
图-1 洞门环梁钢筋剖面示意图
图-2洞门环梁钢筋布置示意图
图-3隧道与车站接口防水做法示意图。
主体结构分项工程质量技术交底卡GD2301003总承包单位单位(子单位)工程名称分部工程主体结构施工交底部位日期交底交底内容:右线吊出井洞门施工技术交底一、施工准备1、场地准备:主要考虑盾构机吊出后,杂物清理后能满足施工机具、材料的堆放、以及施工不受影响。
2、材料准备:气割焊一套,空压机、风镐、电焊机一套,止水条,φ40mm 的钢管,所有需用型号的钢筋。
准备好木楔、棉纱、沙袋、快速水泥等防止洞内有涌水时及时封堵。
凿除清理洞门环基面的洋镐、编织袋等工具及时到位。
二、施工流程及工艺洞门施工的工艺流程为:洞门注浆堵水→搭设施工脚手架→基面处理→防水施工→绑扎钢筋、预埋注浆管→模板安装→浇筑混凝土→注浆→拆除摸板三、注浆堵水为了达到洞门施工中隧道安全和防水目的,首先对洞门的隧道进行壁后注浆。
可能存在渗水现象,也应进行相应的注浆堵水,注浆时注浆压力不得大于0.5Mpa。
四、搭设施工脚手架严格按照东~茶区间明挖段洞门施工安全技术交底上脚手架搭设要求进行搭设。
五、基面处理清理洞门环基面,用风镐人工凿除,露出预埋钢筋,并按照要求将钢筋弯直,凿除完毕后有水将基面冲洗干净,并将凿除掉落的渣子用袋子装好,运走。
凿除范围为,洞门钢环梁边缘至隧道管片边缘(最后一环管片),管片后面凿除20公分。
六、防水施工止水条的安装:在管片的侧面和背后粘贴一条,在基面粘贴2条止水条,止水条粘贴好后,为防止脱落,用高强水泥钉加固(间距500mm);要求止水条的搭接长度20mm。
七、钢筋笼安装a、地层钢筋安装好后,用快速水泥进行洞门环水的封堵及引流,直到所有水都从管中流出,没有明显流水痕迹从其它地方流出;b、待洞门环流水封堵工作结束后,再进行剩余钢筋的安装。
c、安装连接螺栓(管片螺栓与钢筋笼焊接)。
八、模板的安装:a、在钢模板安装前,要对模板表面进行清理,打光并刷脱模剂;b、先进行刚模板的安装,并用工字钢支撑对钢模板进行加固,然后在进行木模板的安装,并在3、9点位以及12点位留置砼浇注口,开口尺寸300mm×300mm。
一、交底项目名称:洞门环梁施工安全技术交底二、交底对象:施工项目部全体管理人员、施工班组及作业人员三、交底时间:____年__月__日四、交底内容:一、工程概况1. 工程名称:____项目2. 施工单位:____单位3. 施工部位:洞门环梁区域4. 施工内容:洞门环梁的施工、安装及验收二、施工准备1. 施工前,对施工人员进行安全技术培训,确保作业人员掌握相关安全知识和技能。
2. 检查施工设备、工具及材料是否符合安全要求,确保设备运行正常,工具完好,材料合格。
3. 根据施工图纸和技术规范,编制施工方案,明确施工工艺、质量控制要点和安全措施。
三、安全技术措施1. 人员安全:(1)作业人员必须佩戴安全帽、安全带、防护眼镜、防尘口罩等个人防护用品。
(2)高处作业人员必须系好安全带,确保安全带系挂牢固,并定期检查。
(3)施工过程中,作业人员应遵守操作规程,不得擅自改变施工工艺和安全措施。
2. 施工现场安全:(1)施工现场应设置明显的安全警示标志,提醒作业人员注意安全。
(2)施工现场应保持整洁,及时清理施工垃圾,防止滑倒、绊倒事故发生。
(3)施工现场应合理布置临时设施,确保通道畅通,防止发生拥堵。
3. 施工机械安全:(1)施工机械应定期检查、保养,确保设备运行正常。
(2)操作人员应熟悉设备性能和操作规程,不得违规操作。
(3)施工机械操作过程中,应注意周围环境,防止机械伤人。
4. 洞门环梁施工安全:(1)施工前,对洞门环梁区域进行地质勘察,确保地基稳定。
(2)施工过程中,对洞门环梁进行分段施工,确保施工质量。
(3)洞门环梁施工时,应严格按照施工图纸和技术规范进行,确保结构安全。
四、施工验收1. 洞门环梁施工完成后,应及时进行自检、互检和专检,确保施工质量。
2. 验收合格后,方可进行下一道工序施工。
五、应急措施1. 发生安全事故时,应立即启动应急预案,采取有效措施,减少事故损失。
2. 事故发生后,应立即向相关部门报告,并配合调查处理。
一、交底目的为确保盾构区间施工过程中的安全,提高施工人员的安全意识,预防事故发生,特制定本安全技术交底。
二、适用范围本交底适用于盾构区间施工过程中的所有作业环节,包括但不限于盾构始发、掘进、接收、隧道内部装修等。
三、交底内容1. 施工人员安全教育培训(1)所有施工人员必须接受三级安全教育,考核合格后方可上岗作业。
(2)特种作业人员必须取得特种作业操作证,经项目部登记并考核合格后方可上岗。
2. 施工现场安全管理(1)施工现场严禁吸烟、酒后作业,进入施工现场必须按规定佩戴劳保用品。
(2)施工现场必须设置安全警示标志,并定期检查、维护。
(3)施工现场应保持整洁、有序,不得堆放杂物,确保通道畅通。
3. 盾构始发、掘进、接收阶段安全措施(1)盾构始发前,应对始发洞门进行加固,确保洞门结构安全。
(2)盾构掘进过程中,密切关注地质情况,遇异常情况立即停止掘进,采取相应措施。
(3)盾构接收阶段,确保接收端洞门结构安全,防止坍塌。
4. 防止触电、火灾事故(1)施工现场所有电气设备必须符合国家标准,并由专业人员安装、维护。
(2)电气设备操作人员必须持证上岗,严格遵守操作规程。
(3)施工现场严禁使用不合格、破损的电气设备。
5. 防止高处坠落事故(1)高处作业人员必须佩戴安全带,并系好安全绳。
(2)高处作业平台必须符合安全要求,定期检查、维护。
(3)禁止在未设安全防护措施的区域进行高处作业。
6. 防止机械伤害事故(1)所有机械设备必须定期检查、维护,确保设备运行正常。
(2)操作人员必须熟悉机械设备性能,严格遵守操作规程。
(3)非操作人员严禁操作机械设备。
7. 防止中毒、窒息事故(1)施工现场应加强通风,确保空气质量。
(2)作业人员进入受限空间前,必须做好安全防护措施,如佩戴呼吸器等。
(3)受限空间作业完成后,应及时通风,确保空气质量。
四、交底责任1. 施工单位负责安全技术交底的编制、实施和监督。
2. 施工现场管理人员负责安全技术交底的实施和监督。