多级泵结构图
- 格式:doc
- 大小:502.00 KB
- 文档页数:5
各种泵结构图1S型单级双吸中开泵结构图一、产品概述S型单级双吸水平中开式离心泵。
该型泵吸入口和排出口均在泵轴心线下方,检修时,只要将泵盖揭开,即可将全部零件拆下进行维修。
S型泵主要由泵体、泵盖、轴、叶轮、密封环、轴套、轴承部件等组成。
其性能符合JB/1050-93《单吸双吸清水离心泵型式与基本参数》标准。
主要用于输送不含固体颗粒的清水或物理化学性质类似水的其它液体。
适用于工业和城市给排水、农田排灌。
二、产品特点1、密封系统:可供选用的机械密封、填料密封其冷却润滑均采用内循环;2、流量大、效率高:双吸叶轮,具有流量大、效率高等特点;3、可更换的轴套:轴套作为易损件,起到保护轴,提高泵的使用寿命;4、密封环:密封环作为易损件,起到提高泵的效率、延长泵的使用寿命的特点。
三、工作条件流量范围:30~6500 m3/h扬程范围H:8~140m介质温度:-20℃~+80℃环境温度:≤+40℃AS撕裂式排污泵结构图一、产品概述AS潜水式排污泵主要部件由叶轮、泵体、底座、潜水电机组成。
水泵轴和电机轴是同一根轴,由于水泵位于整个排污泵最下端,它能最大限度抽吸地面积余污水。
AS潜水式排污泵具有带撕裂的结构,能够将纤维等物质撕裂、切断,然后顺利排放,因此,本型泵特别适合于输送含有长纤维的污水。
产品执行JB/5118-2001《污水污物潜水电泵》标准。
二、产品特点1、电缆耐用、防水:耐污重型橡套软电缆,树脂灌注,压紧固定,绝无拉松,长久可靠。
2、双重密封、双重防护:两重机封串联配置,真正实现双重保护,确保电机安全。
3、多道检测,多道保护:配控制柜、油水探头、浮子开关、均能实时检测,并能实现报警、停机、保留故障信号等功能,使潜水电机安全可靠。
4、维修方便:可采用双导轨的耦合装置,使泵起降时无需水下操作,维护便捷,省时省工;专用电控柜实现自动报警、停机、保留故障信号的功能,可大幅度提高维修效率。
5、全工况运行:采用特殊水力设计泵在全工况下运行不过载。
各种泵结构图1S型单级双吸中开泵结构图一、产品概述S型单级双吸水平中开式离心泵。
该型泵吸入口和排出口均在泵轴心线下方,检修时,只要将泵盖揭开,即可将全部零件拆下进行维修。
S型泵主要由泵体、泵盖、轴、叶轮、密封环、轴套、轴承部件等组成。
其性能符合JB/1050-93《单吸双吸清水离心泵型式与基本参数》标准。
主要用于输送不含固体颗粒的清水或物理化学性质类似水的其它液体。
适用于工业和城市给排水、农田排灌。
二、产品特点1、密封系统:可供选用的机械密封、填料密封其冷却润滑均采用内循环;2、流量大、效率高:双吸叶轮,具有流量大、效率高等特点;3、可更换的轴套:轴套作为易损件,起到保护轴,提高泵的使用寿命;4、密封环:密封环作为易损件,起到提高泵的效率、延长泵的使用寿命的特点。
三、工作条件流量范围:30~6500 m3/h扬程范围H:8~140m介质温度:-20℃~+80℃环境温度:≤+40℃AS撕裂式排污泵结构图一、产品概述AS潜水式排污泵主要部件由叶轮、泵体、底座、潜水电机组成。
水泵轴和电机轴是同一根轴,由于水泵位于整个排污泵最下端,它能最大限度抽吸地面积余污水。
AS潜水式排污泵具有带撕裂的结构,能够将纤维等物质撕裂、切断,然后顺利排放,因此,本型泵特别适合于输送含有长纤维的污水。
产品执行JB/5118-2001《污水污物潜水电泵》标准。
二、产品特点1、电缆耐用、防水:耐污重型橡套软电缆,树脂灌注,压紧固定,绝无拉松,长久可靠。
2、双重密封、双重防护:两重机封串联配置,真正实现双重保护,确保电机安全。
3、多道检测,多道保护:配控制柜、油水探头、浮子开关、均能实时检测,并能实现报警、停机、保留故障信号等功能,使潜水电机安全可靠。
4、维修方便:可采用双导轨的耦合装置,使泵起降时无需水下操作,维护便捷,省时省工;专用电控柜实现自动报警、停机、保留故障信号的功能,可大幅度提高维修效率。
5、全工况运行:采用特殊水力设计泵在全工况下运行不过载。
各种泵结构图S型单级双吸中开泵一、产品概述S型单级双吸水平中开式离心泵。
该型泵吸入口和排出口均在泵轴心线下方,检修时,只要将泵盖揭开,即可将全部零件拆下进行维修。
S型泵主要由泵体、泵盖、轴、叶轮、密封环、轴套、轴承部件等组成。
其性能符合JB/1050-93《单吸双吸清水离心泵型式与基本参数》标准。
主要用于输送不含固体颗粒的清水或物理化学性质类似水的其它液体。
适用于工业和城市给排水、农田排灌。
二、产品特点1、密封系统:可供选用的机械密封、填料密封其冷却润滑均采用内循环;2、流量大、效率高:双吸叶轮,具有流量大、效率高等特点;3、可更换的轴套:轴套作为易损件,起到保护轴,提高泵的使用寿命;4、密封环:密封环作为易损件,起到提高泵的效率、延长泵的使用寿命的特点。
三、工作条件流量范围:30~6500 m3/h扬程范围H:8~140m介质温度:-20℃~+80℃环境温度:≤+40℃AS撕裂式排污泵一、产品概述AS潜水式排污泵主要部件由叶轮、泵体、底座、潜水电机组成。
水泵轴和电机轴是同一根轴,由于水泵位于整个排污泵最下端,它能最大限度抽吸地面积余污水。
AS潜水式排污泵具有带撕裂的结构,能够将纤维等物质撕裂、切断,然后顺利排放,因此,本型泵特别适合于输送含有长纤维的污水。
产品执行JB/5118-2001《污水污物潜水电泵》标准。
二、产品特点1、电缆耐用、防水:耐污重型橡套软电缆,树脂灌注,压紧固定,绝无拉松,长久可靠。
2、双重密封、双重防护:两重机封串联配置,真正实现双重保护,确保电机安全。
3、多道检测,多道保护:配控制柜、油水探头、浮子开关、均能实时检测,并能实现报警、停机、保留故障信号等功能,使潜水电机安全可靠。
4、维修方便:可采用双导轨的耦合装置,使泵起降时无需水下操作,维护便捷,省时省工;专用电控柜实现自动报警、停机、保留故障信号的功能,可大幅度提高维修效率。
5、全工况运行:采用特殊水力设计泵在全工况下运行不过载。
多级离心泵的结构图,多级离心泵工作原理从总体上看,多级离心泵是若干个叶轮安装在同一泵轴上,叶轮的外侧是液体导流装置及泵壳。
然而,如何将叶轮组安装在泵体内或者从泵体内取出呢?无外乎两个办法,一个是将泵体及导流装置沿泵轴的轴线水平剖分,使其成为上下两部份,这叫水平剖分式多级离心泵;另一个办法是将泵体及液体导流装置沿泵轴方向在叶轮之间以垂直于泵轴的平面剖切成若干个段,这叫分段式多级离心泵。
图3 1水平剖分式多级离心泵结构图1泵盏,2泵体,3轴承体;4-轴套;5—叶轮;6泵轴;7一轴头油泵下面分别对水平剖分式和分段式多级离心泵的结构加以介绍。
1水平剖分式多级离心泵的结构图3 1所示为水平剖分式多级离心泵结构图。
这种泵采用蜗壳形泵体,每一个叶轮的外围都有相应的蜗室,相当于将几个单级蜗壳泵装在同一根轴上串联工作,所以又叫蜗壳式多级泵。
由于泵体是水平剖分式, 吸入口和排出口都直接铸在泵体上,检修时很方便,只需把泵盖取下,即可暴露整个转子,在检修转子时,需将整个转子吊出时,不必拆卸连接管路。
这种泵的叶轮通常为偶数对称布置,大部份轴向力得到平衡,于是不需要安装轴向平衡装置。
水平剖分式多级泵流量范围为450 ~ 1500m7h,最高扬程可达1800mHzO。
由于叶轮对称布置,泵壳内有交叉流道,如图3 2所示,所以它比同性能的分段式多级泵体积大,铸造工艺复杂,泵盖和泵体的定位要求高,在压力较高时,泵盖和泵体的结合面密封难度大。
2.分段式多级离心泵的结构在压力较高时,通常采用多级离心泵。
这种泵是一种垂直剖分多级泵,它有—个前段、一个尾段和若干个中段组成,用四个长杆螺栓连接为一个整体。
安装在泵轴上的叶轮的个数就代表离心泵的级数,中段的每一个叶轮配一个导轮,导轮的作用基本上同蜗壳相同,主要是将动能转化为静压能。
叶轮普通为单吸的,吸人口都朝向一个方向。
为了平衡轴向力,在末段后面装有平衡盘,并用平衡管和前段进口相连通。
其转子在工作过程中可以沿轴向摆布窜动,靠平衡盘的推力平衡叶轮组的轴向力,将转子维持在平衡位置附近。
多级离心泵结构图演示摘要:本文将通过演示多级离心泵的结构图,详细说明其工作原理和构成,以及各个部件的功能和作用。
多级离心泵是一种常用的流体输送设备,广泛应用于工业和农业领域。
了解其结构和工作方式对我们理解其运行原理和维护保养至关重要。
1. 引言多级离心泵是一种采用转动叶轮通过离心力将流体抽送到高压或提供高压的设备。
它由多个离心泵级联组成,每个级别都有一个转动的叶轮。
本文将通过结构图演示多级离心泵的运行原理和结构特点。
2. 单级离心泵结构图为了更好地理解多级离心泵的结构,首先我们来了解单级离心泵的结构。
如图1所示,单级离心泵主要由以下几个部分组成:1) 泵体:泵体是离心泵的主要部分,它通常是由铸造或锻造而成的金属材料制成。
泵体内有一个叫做泵腔的空腔,流体经过泵腔被吸入和排出。
2) 叶轮:叶轮位于泵体内,并且与泵轴相连。
叶轮上有若干叶片,当泵叶轮旋转时,离心力将流体抛出。
3) 泵轴:泵轴是连接驱动装置和叶轮的部件,一般是由钢制成。
泵轴需要具备足够的强度和刚性来承受叶轮的旋转力矩和流体的压力。
4) 密封装置:泵的密封装置主要用于防止泵内的流体泄漏。
常见的密封方式有填料密封和机械密封两种。
5) 泵立管和出口管:泵立管和出口管分别用于引导流体从泵体进入和流出。
3. 多级离心泵结构图在单级离心泵的基础上,我们来看看多级离心泵的结构特点。
多级离心泵通常由两个或多个单级离心泵级联而成。
如图2所示,每个级别都有自己的泵体、叶轮和泵轴。
多级离心泵的级别越多,流体在泵内流动的压力就会越高。
在多级离心泵中,每个级别的出口是上一个级别的进口。
当流体通过第一个级别时,它会被推到下一个级别,然后流体经过各个级别的循环,逐渐增加压力。
多级离心泵的设计可以根据具体的需求灵活调整级数和流程布局,以满足不同流体输送的要求。
4. 多级离心泵的工作原理多级离心泵的工作原理基于离心力的作用。
当泵轴驱动叶轮旋转时,叶轮产生离心力将流体从泵的吸入口吸入,并将其推向出口。
各种泵结构图 (1)各种泵结构图2 (14)各种泵结构图3 (26)各种泵结构图4 (38)各种泵结构图S型单级双吸中开泵结构图一、产品概述S型单级双吸水平中开式离心泵。
该型泵吸入口和排出口均在泵轴心线下方,检修时,只要将泵盖揭开,即可将全部零件拆下进行维修。
S型泵主要由泵体、泵盖、轴、叶轮、密封环、轴套、轴承部件等组成。
其性能符合JB/1050-93《单吸双吸清水离心泵型式与基本参数》标准。
主要用于输送不含固体颗粒的清水或物理化学性质类似水的其它液体。
适用于工业和城市给排水、农田排灌。
二、产品特点1、密封系统:可供选用的机械密封、填料密封其冷却润滑均采用内循环;2、流量大、效率高:双吸叶轮,具有流量大、效率高等特点;3、可更换的轴套:轴套作为易损件,起到保护轴,提高泵的使用寿命;4、密封环:密封环作为易损件,起到提高泵的效率、延长泵的使用寿命的特点。
三、工作条件流量范围:30~6500 m3/h扬程范围H:8~140m介质温度:-20℃~+80℃环境温度:≤+40℃AS撕裂式排污泵结构图一、产品概述AS潜水式排污泵主要部件由叶轮、泵体、底座、潜水电机组成。
水泵轴和电机轴是同一根轴,由于水泵位于整个排污泵最下端,它能最大限度抽吸地面积余污水。
AS潜水式排污泵具有带撕裂的结构,能够将纤维等物质撕裂、切断,然后顺利排放,因此,本型泵特别适合于输送含有长纤维的污水。
产品执行JB/5118-2001《污水污物潜水电泵》标准。
二、产品特点1、电缆耐用、防水:耐污重型橡套软电缆,树脂灌注,压紧固定,绝无拉松,长久可靠。
2、双重密封、双重防护:两重机封串联配置,真正实现双重保护,确保电机安全。
3、多道检测,多道保护:配控制柜、油水探头、浮子开关、均能实时检测,并能实现报警、停机、保留故障信号等功能,使潜水电机安全可靠。
4、维修方便:可采用双导轨的耦合装置,使泵起降时无需水下操作,维护便捷,省时省工;专用电控柜实现自动报警、停机、保留故障信号的功能,可大幅度提高维修效率。
各种泵结构图各种泵结构图 (1)各种泵结构图2 (14)各种泵结构图3 (26)各种泵结构图4 (38)各种泵结构图S型单级双吸中开泵结构图一、产品概述S型单级双吸水平中开式离心泵。
该型泵吸入口和排出口均在泵轴心线下方,检修时,只要将泵盖揭开,即可将全部零件拆下进行维修。
S型泵主要由泵体、泵盖、轴、叶轮、密封环、轴套、轴承部件等组成。
其性能符合JB/1050-93《单吸双吸清水离心泵型式与基本参数》标准。
主要用于输送不含固体颗粒的清水或物理化学性质类似水的其它液体。
适用于工业和城市给排水、农田排灌。
二、产品特点1、密封系统:可供选用的机械密封、填料密封其冷却润滑均采用内循环;2、流量大、效率高:双吸叶轮,具有流量大、效率高等特点;3、可更换的轴套:轴套作为易损件,起到保护轴,提高泵的使用寿命;4、密封环:密封环作为易损件,起到提高泵的效率、延长泵的使用寿命的特点。
三、工作条件流量范围:30~6500 m3/h扬程范围H:8~140m介质温度:-20℃~+80℃环境温度:≤+40℃AS撕裂式排污泵结构图一、产品概述AS潜水式排污泵主要部件由叶轮、泵体、底座、潜水电机组成。
水泵轴和电机轴是同一根轴,由于水泵位于整个排污泵最下端,它能最大限度抽吸地面积余污水。
AS潜水式排污泵具有带撕裂的结构,能够将纤维等物质撕裂、切断,然后顺利排放,因此,本型泵特别适合于输送含有长纤维的污水。
产品执行JB/5118-2001《污水污物潜水电泵》标准。
二、产品特点1、电缆耐用、防水:耐污重型橡套软电缆,树脂灌注,压紧固定,绝无拉松,长久可靠。
2、双重密封、双重防护:两重机封串联配置,真正实现双重保护,确保电机安全。
3、多道检测,多道保护:配控制柜、油水探头、浮子开关、均能实时检测,并能实现报警、停机、保留故障信号等功能,使潜水电机安全可靠。
4、维修方便:可采用双导轨的耦合装置,使泵起降时无需水下操作,维护便捷,省时省工;专用电控柜实现自动报警、停机、保留故障信号的功能,可大幅度提高维修效率。
【CHL型卧式轻型不锈钢多级泵(圆筒式)】结构图:序号名称材料AISI/ASTM序号名称材料AISI/ASTM 1进出水段不锈钢AISI3042连接管不锈钢AISI304 3压板不锈钢AISI3044叶轮不锈钢AISI304 5轴不锈钢AISI3046堵头不锈钢AISI304 7出水导叶不锈钢AISI3048机械密封9电机端盖铝合金10底座铸铁ASTM25B 11快速接头不锈钢AISI30412导叶不锈钢AISI304 13支撑导叶不锈钢AISI30414导流器不锈钢AISI304CHL CHLF CHLF(T)多级泵价格型号扬程(m) 流量(m3/h)功率(kw) 价格(元) 型号扬程(m)流量(m3/h)功率(kw) 价格(元)CHL 2-20 14 2 0.37 879 CHLF 2-20 14 2 0.37 809 CHL 2-30 21 2 0.55 971 CHLF 2-30 21 2 0.55 942 CHL 2-40 28 2 0.55 1074 CHLF 2-40 28 2 0.55 996 CHL 2-50 35 2 0.55 1292 CHLF 2-50 35 2 0.55 1317 CHL 2-60 42 2 0.75 1334 CHLF 2-60 42 2 0.75 1347 CHL 4-20 15 4 0.55 962CHL 4-30 22 4 0.75 1121CHL 4-40 30 4 0.75 1236 CHLF 4-20 15 4 0.55 942CHLF 4-30 22 4 0.55 1152 CHL 8-10 8.5 8 0.75 1941 CHLF 4-40 30 4 0.75 1205 CHL 8-20 17 8 0.75 2018CHL 8-30 25.5 8 1.1 2178 CHLF8-10 8.5 8 0.75 2066 CHL 8-40 34 8 1.5 2270 CHLF8-20 17 8 0.75 2147 CHL 8-50 42.5 8 2.2 2700 CHLF8-30 25.5 8 1.1 2319CHLF8-40 34 8 1.5 2618 CHL12-10 9.5 12 0.75 2054 CHLF8-50 42.5 8 2.2 2873 CHL12-20 19.5 12 1.2 2181CHL12-30 29.5 12 1.8 2738 CHLF12-10 9.5 12 0.75 2099 CHL12-40 39.5 12 2.4 3000 CHLF12-20 19.5 12 1.2 2271 CHL12-50 50 12 3 3527 CHLF12-30 29.5 12 1.8 2988CHLF12-40 39.5 12 2.4 3314 CHL 16-10 10 16 1.1 2438 CHLF12-50 50 12 3 3977 CHL 16-20 21 16 2.2 2648CHL 16-30 32 16 3 3234CHLF16-10 10 16 1.1 2685 CHL20-10 9.5 20 1.1 2517 CHLF16-20 21 16 2.2 2822 CHL20-20 21 20 2.2 2769 CHLF16-30 32 16 3 3441 CHL20-30 33 20 4 3882CHLF20-10 9.5 20 1.1 2832CHLF20-20 21 20 2.2 2949CHLF20-30 33 20 4 3891型号扬程(m) 流量(m3/h)功率(kw) 价格(元) 型号扬程(m)流量(m3/h)功率(kw) 价格(元)CHLF(T) 2-20 14 2 0.37 747 CHLK2-20 14 2 0.37 896CHLF(T) 2-30 21 2 0.55 851 CHLK2-30 21 2 0.55 989CHLF(T) 2-40 28 2 0.55 917 CHLK2-40 28 2 0.55 1097 CHLF(T) 2-50 35 2 0.55 1199 CHLK2-50 35 2 0.55 1317 CHLF(T) 2-60 42 2 0.75 1232 CHLK2-60 42 2 0.75 1362CHLF(T) 4-20 15 4 0.55 887 CHLK4-10 0.55 914 CHLF(T) 4-30 22 4 0.55 1013 CHLK4-20 15 4 0.55 980CHLF(T) 4-40 30 4 0.75 1098 CHLK4-30 22 4 0.75 1154 CHLF(T) 4-50 38 4 1.1 1383 CHLK4-40 30 4 0.75 1260 CHLF(T) 4-60 45 4 1.1 1457CHLK8-10 8.5 8 0.75 2066 CHLF(T)8-10 8.5 8 0.75 1721 CHLK8-20 17 8 0.75 2147 CHLF(T)8-20 17 8 0.75 1803 CHLK8-30 25.5 8 1.1 2321 CHLF(T)8-30 25.5 8 1.1 1976 CHLK8-40 34 8 1.5 2619 CHLF(T)8-40 34 8 1.5 2274 CHLK8-50 42.5 8 2.2 2873 CHLF(T)8-50 42.5 8 2.2 2528CHLK12-10 9.5 12 0.75 2177 CHLF(T)12-10 9.5 12 0.75 1754 CHLK12-20 19.5 12 1.2 2312 CHLF(T)12-20 19.5 12 1.2 1928 CHLK12-30 29.5 12 1.8 2901 CHLF(T)12-30 29.5 12 1.8 2645 CHLK12-40 39.5 12 2.4 3180 CHLF(T)12-40 39.5 12 2.4 2970 CHLK12-50 50 12 3 3738 CHLF(T)12-50 50 12 3 3633CHLK16-10 10 16 1.1 2685CHLK16-20 21 16 2.2 2822 CHLF(T)16-10 10 16 1.1 2342 CHLK16-30 32 16 3 3441 CHLF(T)16-20 21 16 2.2 2477CHLF(T)16-30 32 16 3 3096 CHLK20-10 9.5 20 1.1 2669 CHLF(T)16-40 43 16 4 3845 CHLK20-20 21 20 2.2 2936CHLK20-30 33 20 4 4116 CHLF(T)20-10 9.5 20 1.1 2489CHLF(T)20-20 21 20 2.2 2606CHLF(T)20-30 33 20 4 3546CHLF(T)20-40 44.5 20 4.4 4289。
多级离心泵结构图以下几款多级离心泵结构图供用户、施工方或设计院参考【GDL系列立式多级管道离心泵】结构图:1泵体11联轴器2拉紧螺栓12联接座3外筒13气嘴4叶轮14机械密封5叶轮挡套15轴6轴套16中段7密封垫17轴套螺母8螺母18轴瓦9销19回水管部件10电机GDL立式多级管道泵价格编号型号流量扬程吸程转速电机功率电压铸铁不锈钢(m3m) (m) (m) (r/min) (KW) (v) (元)(元)1 25GDL2-12x32 36 7.5 2900 11 380 1599 34752 25GDL2-12x4 2 48 7.5 2900 1.1 380 1779 38923 25GDL2-12x5 2 60 7.5 2900 1.5 380 2016 43794 25GDL2-12x6 2 72 7.5 2900 1.5 380 2182 47965 250DL2-12x7 2 84 7.5 2900 2.2 380 2419 52826 25GDL2-12x8 2 96 7.5 2900 2.2 380 2599 56997 25GDL2-12x9 2 108 7.5 2900 2.2 380 2780 61168 25GDL2-12xl0 2 120 7.5 2900 3 380 3211 68119 25GDL2-12x11 2 132 7.5 2900 3 380 3406 729810 25GDL2-12x12 2 144 7.5 2900 3 380 3572 778411 25GDL2-12x13 2 156 7.5 2900 4 380 392012 25GDL2-12x14 2 168 7.5 2900 4 380 408713 25GDL2-12x15 2 180 7.5 2900 4 380 425314 25GDL4-11x3 4 33 7.5 2900 1.1 380 1626 354515 25GDL4-11x4 4 44 7.5 2900 1.5 380 1849 403116 25GDL4-11x5 4 55 7.5 2900 2.2 380 2085 451817 25GDL4-11x6 4 66 7.5 2900 22 380 2252 493518 25GDL4-11x7 4 77 7.5 2900 3 380 2641 563019 25GDL4-11×8 4 88 7.5 2900 3 380 2808 611620 25GDL4-11×9 4 99 7.5 2900 3 380 2989 660321 25GDL4-11x10 4 110 7.5 2900 4 380 3364 729822 25GDL4-11x11 4 121 7.5 2900 4 380 3545 778423 25GDL4-11x12 4 132 7.5 2900 4 380 3739 834024 25GDL4-11x13 4 143 7.5 2900 4 380 396225 25GDL4-11x14 4 154 7.5 2900 5.5 380 460126 25GDL4-11x15 4 165 7.5 2900 5.5 380 478227 40GDL6-12x3 6 36 7.5 2900 1.5 380 1793 3892流量扬程吸程转速电机功率电压铸铁不锈钢型号(m3m) (m) (m) (r/min) (KW) (v) (元)(元)28 40GDL6-12x4 6 48 7.5 2900 2.2 380 2043 444829 40GDL6-12x5 6 60 7.5 2900 2.2 380 2252 493530 40GDL6-12x6 6 72 7.5 2900 3 380 2641 569931 40GDL6-12x7 6 84 7.5 2900 3 380 2850 604732 40GDL6-12x8 6 96 7.5 2900 4 380 3169 681133 40GDL6-12x9 6 108 7.5 2900 4 380 3378 736734 40GDL6-12x10 6 120 7.5 2900 4 380 3572 792335 40GDL6-12x11 6 132 7.5 2900 5.5 380 4226 896636 40GDL6-12x12 6 144 7.5 2900 5.5 380 4490 966137 40GDL6-12x13 6 156 7.5 2900 7.5 380 343338 40GDL6-12x14 6 168 7.5 2900 7.5 380 501839 40GDL6-12x15 6 180 7.5 2900 7.5 380 521340 50GDL6-15x2 12 30 7.5 2900 2.2 380 2349 514341 50GDL6-15x3 12 45 7.5 2900 3 380 2794 597742 50GDL6-15x4 12 60 7.5 2900 4 380 3155 674243 50GDL12-15x5 12 75 7 2900 5.5 380 3572 771544 50GDL12-15x6 12 90 7 2900 5.5 380 3795 834045 50GDL12-15x7 12 105 7 2900 7.5 380 4087 910546 50GDL12-15x8 12 120 7 2900 7.5 380 4309 980047 50GDL12-15x9 12 135 7 2900 11 380 5463 1153748 50GDL12-15xl0 12 150 7 2900 11 380 5685 1230249 50GDL18-15x2 18 30 7 2900 3 380 2488 542150 50GDL18-15x3 18 45 7 2900 4 380 2850 618651 50GDL18-15x4 18 60 7 2900 5.5 380 3419 729852 50GDL18-15x5 18 75 7 2900 7.5 380 3697 813253 50GDL18-15x6 18 90 7 2900 7.5 380 3934 889654 50GDL18-15x7 18 105 7 2900 11 380 5074 1070355 50GDL18-15x8 18 120 7 2900 11 380 5296 11468流量扬程吸程转速电机功率电压铸铁不锈钢型号(m3m) (m) (m) (r/min) (KW) (v) (元)(元)56 50GDL18-15x9 18 135 7 2900 15 380 5657 1237157 50GDL18-15x10 18 150 7 2900 15 380 5880 1327558 65GDL24-12x2 24 24 6 2900 3 380 2641 569959 65GDL24-12x3 24 36 6 2900 4 380 3044 660360 65GDL24-12x4 24 48 6 2900 5.5 380 3642 778461 65GDL24-12x5 24 60 6 2900 7.5 380 4031 875762 65GDL24-12x6 24 72 6 2900 7.5 380 4295 959163 65GDL24-12x7 24 84 6 2900 11 380 5491 1167664 65GDL24-12x8 24 96 6 2900 11 380 5769 1258065 65GDL24-12x9 24 108 6 2900 15 380 6144 1341466 65GDL24-12x10 24 120 6 2900 15 380 6408 1431767 65GDL24-12x11 24 132 6 2900 15 380 6881 1522168 65GDL24-12x12 24 144 6 2900 18.5 380 7395 1612469 80GDL36-12x2 36 24 5.5 2900 4 380 3239 688170 80GDL36-12x3 36 36 5.5 2900 5.5 380 3836 813271 80GDL36-12x4 36 48 5.5 2900 7.5 380 4212 917472 80GDL36-12x5 36 60 5.5 2900 11 380 5435 1153773 80GDL36-12x6 36 72 5.5 2900 11 380 5741 1251074 80GDL36-12x7 36 84 5.5 2900 15 380 6199 1355375 80GDL36-12x8 36 96 5.5 2900 15 380 6477 1452676 80GDL36-12x9 36 108 5.5 2900 18.5 380 6978 1570777 80GDL36-12x10 36 120 5.5 2900 18.5 380 7298 1668078 80GDL54-14x2 54 28 5 2900 7.5 380 3767 799379 80GDL54-14x3 54 42 5 2900 11 380 5018 1056480 80GDL54-14x4 54 56 5 2900 15 380 5435 1181581 80GDL54-14x5 54 70 5 2900 18.5 380 5949 1313682 80GDL54-14x6 54 84 5 2900 18.5 380 6255 1424883 80GDL54-14x7 54 98 5 2900 22 380 7131 15846流量扬程吸程转速电机功率电压铸铁不锈钢型号(m3m) (m) (m) (r/min) (KW) (v) (元)(元)84 80GDL54-14x8 54 112 5 2900 30 380 8854 1850185 80GDL54-14x9 54 126 5 2900 30 380 9244 1959986 80GDL54-14x10 54 140 5 2900 37 380 9939 2135087 100GDL72-14x2 72 28 45 2900 11 380 5671 1084288 100GDL72-14x3 72 42 45 2900 15 380 6213 1223289 100GDL72-14x4 72 56 45 2900 185 380 7200 1390090 100GDL72-14x5 72 70 45 2900 22 380 8785 1598591 100GDL72-14x6 72 84 45 2900 30 380 9188 1946092 100GDL72-14x7 72 98 45 2900 30 380 9188 2154593 100GDL72-14x8 72 112 45 2900 37 380 10300 2435394 100GDL72-14x9 72 126 45 2900 37 380 10773 2645295 100GDL72-14xl。
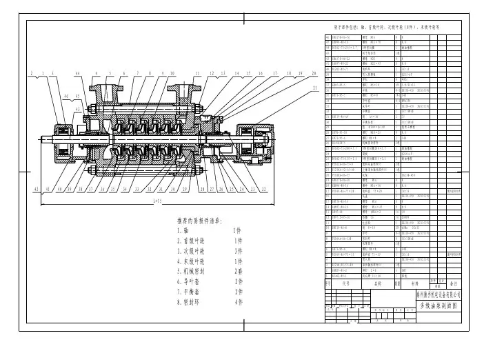
多级泵结构图
以下几款多级泵结构图供用户、施工方或设计院参考【CDLF型立式不锈钢多级泵】结构图:
CDL\CDLF不锈钢多级泵价格
【CHLF型卧式不锈钢分段式多级泵】结构图:
CHL CHLF CHLF(T)多级泵价格
【CHL型卧式轻型不锈钢多级泵(圆筒式)】结构图:
CHL CHLF CHLF(T)多级泵价格
【D、DG型卧式多级离心泵】结构图:
DG泵(中低压)结构图.填料密封-水封水引自第一级叶轮
DG泵(中低压)结构图.填料密封-水封水用外接水
DG泵(中低压)结构图.填料密封-机械密封
DG泵(次高压)结构图.
D、DG锅炉给水离心泵价格
【DL系列立式多级离心泵】结构图:
DL型立式多级离心泵价格
【GC型卧式多级锅炉给水泵】结构图:
GC型卧式多级锅炉给水泵价格
【GDL系列立式多级管道离心泵】结构图:
GDL立式多级管道泵价格
【LG、LG-B型高层建筑多级给水泵】结构图:
LG型高层建筑多级离心泵价格。
多级离心泵工作原理是什么(附结构图)从总体上看,多级离心泵是若干个叶轮安装在同一泵轴上,叶轮的外侧是液体导流装置及泵壳。
然而,如何将叶轮组安装在泵体内或者从泵体内取出呢?无外乎两个办法,一个是将泵体及导流装置沿泵轴的轴线水平剖分,使其成为上下两部分,这叫水平剖分式多级离心泵;另一个办法是将泵体及液体导流装置沿泵轴方向在叶轮之间以垂直于泵轴的平面剖切成若干个段,这叫分段式多级离心泵。
1-泵盏 2-泵体 3-轴承体4-轴套5-叶轮6-泵轴7-轴头油泵图1 水平剖分式多级离心泵结构图下面分别对水平剖分式和分段式多级离心泵的结构加以介绍。
1、水平剖分式多级离心泵的结构图1所示为水平剖分式多级离心泵结构图。
这种泵采用蜗壳形泵体,每个叶轮的外围都有相应的蜗室,相当于将几个单级蜗壳泵装在同一根轴上串联工作,所以又叫蜗壳式多级泵。
由于泵体是水平剖分式,吸入口和排出口都直接铸在泵体上,检修时很方便,只需把泵盖取下,即可暴露整个转子,在检修转子时,需将整个转子吊出时,不必拆卸连接管路。
这种泵的叶轮通常为偶数对称布置,大部分轴向力得到平衡,因而不需要安装轴向平衡装置。
水平剖分式多级泵流量范围为450~1500m3/h,最高扬程可达1800mHz0。
由于叶轮对称布置,泵壳内有交叉流道,如图2所示,所以它比同性能的分段式多级泵体积大,铸造工艺复杂,泵盖和泵体的定位要求高,在压力较高时,泵盖和泵体的结合面密封难度大。
2、分段式多级离心泵的结构在压力较高时,通常采用分段式多级离心泵。
这种泵是一种垂直剖分多级泵,它有一个前段、一个尾段和若干个中段组成,用四个长杆螺栓连接为一个整体。
安装在泵轴上的叶轮的个数就代表离心泵的级数,中段的每个叶轮配一个导轮,导轮的作用基本上同蜗壳相同,主要是将动能转化为静压能。
叶轮一般为单吸的,吸人口都朝向一个方向。
为了平衡轴向力,在末段后面装有平衡盘,并用平衡管和前段进口相连通。
其转子在工作过程中可以沿轴向左右窜动,靠平衡盘的推力平衡叶轮组的轴向力,将转子维持在平衡位置附近。
一、自平衡多级泵概述自平衡多级泵是为满足用户需要,加速高压多级泵技术发展,采用国外同类产品的先进技术结合多年设计经验,使用国家推荐的高效节能产品的水力模型,依据API610标准研究开发的高效高压多级离心泵产品;在行业内居于技术领先地位。
具有高效区宽、性能范围广、汽蚀性能好、运转安全和平稳、噪音低、易损件少,安装维修方便等优点。
可靠性大大提高,无故障运行时间是普通泵的3倍以上,用户维修成本大大降低,从而降低泵的寿命周期成本。
高压自平衡节段式离心泵将传统多级离心泵的结构形式进行了创新,取消了多级离心泵的轴向力平衡机构,是采用平衡盘或平衡鼓结构的D、DG型多级离心泵最好的替代品。
由于无平衡装置,即无平衡盘的园盘摩擦损失又无平衡回流损失,所以泵效率比同类别多级泵提高5-14%,同时彻底解决因平衡装置失效而导致平衡盘和平衡盘座的磨损或转子咬死等各种故障,大大延长泵的使用寿命。
多年的运行证明,该产品性能达到国际同类产品的先进水平。
二、自平衡多级泵性能参数自平衡多级泵供输送固体颗粒不大于2%(粒度小于1mm),介质固体浓度小于5%wt。
温度≤105℃的清水或物理化学性质类似于清水的其它液体之用液体之用。
也可通过改变泵的材质(或泵过流部件的材质)、密封形式和增加冷却系统用于输送温度≤210℃热水、油类、腐蚀性或含磨料的介质等。
材质有HT200、QT600、304、304L、316L、317L、904L、CD4等各种材质可供用户选。
符合API610 8th /API610 9th /API610 10th 标准设计密封系统按照API682第二版设计最大流量Qmax=850m/h最大扬程Hmax=1800m最大转速nmax=2950rpm运行温度t≤210℃三、自平衡多级泵的突出性能特点1、高效节能2、新结构3、新技术4、高可靠性5、汽蚀性能好,使用寿命长6、机封可靠性强7、应用范围广8、维护成本低四、自平衡多级泵与传统多级泵的比较传统多级泵依靠平衡盘等平衡装置来达到平衡效果,而自平衡多级泵依靠的是叶轮背对背平衡,少了平衡盘等平衡装置,减少了泵在运行中的消耗,从而是泵的效率更高,达到了节能效果。
D型多级泵结构图
技术交流2010-04-27 22:57:24 阅读138 评论0 字号:大中小
D型多级离心泵的结构图
不锈钢多级泵、长沙不锈钢多级泵、湖南不锈钢多级泵的性能结构说明
参数范围:
流量Q 55~175m3/h
扬程H 165~684m
DF型不锈钢多级泵系单吸\多吸\节段式耐腐蚀离心泵,适用于输送不含固体颗粒的腐蚀性液体,泵进口压力不得超过0.59MPA(6KGF/CM2)。
被输送介质的温度为-20℃~105℃
不锈钢多级泵的泵壳可在轴线处轴向拆开;吸入口水平,吐出口垂直向上,与轴心线垂直。
从驱动端方向看,水
泵旋向为顺时针方向,根据用户需要也可生产逆时针方向旋转的,用户可在定货时特别提出。
泵体与泵盖构成叶轮的工作室,在进、出水法兰上制有安装真空表和压力表的管螺孔,泵体下部制有放余水的管螺孔。
叶轮为单吸闭式,设置平衡盘平衡绝大部分轴向力,可能残存的小部分轴向力则由轴端的轴承承受。
叶轮及转子部件在装配前均须作严格的静平衡校验,以保证运行的平稳。
泵轴由两个单列向心球轴承支承,轴承装在泵悬架中的轴承体内,用脂或稀油润滑。
轴承的布置使轴处于稳定的拉杆状态。
在泵体上设有密封环,可以减少泵的级间漏损,提高泵的容积效率;另一方面也可以避免高压水回流入吸入室,扰乱进水流场,可以保证水泵的吸入性能。
不锈钢多级泵的过流部件材质为铸钢、铸不锈钢两类。
如用户有特殊要求,订货时可向厂家提出。
)DF型泵成套供应电机,本身底座。
另外,厂主还提供备件(其中有叶轮、轴套、密封环、导叶套、平衡盘、平衡环)。
轴封一般为软填料密封,水泵工作时可引少量介质至填料函处,也可外接冷却润滑水,起水封及冷却润滑作用,订货时,就根据输送介质的名称、浓度泵进口压力、使用温度对材质的腐蚀程度,合理选用泵的材质及密封形式。
D、DG型卧式多级离心泵结构图:
GC型卧式多级离心泵结构图:
TSW A型卧式多级离心泵|结构图
TSWA型卧式多级离心泵结构图:。