PE管焊接工艺卡
- 格式:doc
- 大小:443.00 KB
- 文档页数:7
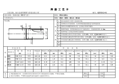
聚乙烯管(PE管)热熔焊接工艺管理卡施工准备操作工艺质量标准成品保护应注意的质量问题1、将与管材规格一致的卡瓦装入机架;2、准备足够的支撑物, 保证待焊接管材可与机架中心线处于同一高度, 并能方便移动;3、设定加热板温度200~230℃;(具体温度根据厂家数据为准);4、接通焊机电源, 打开加热板、铣刀和油泵开关并试运行。
焊接工艺流程如下: 检查管材并清理管端→紧固管材→铣刀铣削管端→检查管端错位和间隙→加热管材并观察最小卷边高度→管材熔接并冷却至规定时间。
在焊接过程中, 操作人员应参照焊接工艺卡各项参数进行操作。
必要时, 应根据天气、环境温度等变化进行适当调整:1、核对欲焊接管材规格、压力等级是否正确,检查其表面是否有磕、碰、划伤, 如伤痕深度超过管材壁厚的10%,应对局部切除后方可使用;2、用棉丝或布蘸酒精清除两管端的油污或异物;3、将欲焊接的管材置于机架卡瓦内, 使两端伸出的长度相当(在不影响铣削和加热的情况下尽可能短,宜保持20~30mm), 管材机架以外的部分用支撑物托起, 使管材轴线与机架中心线处于同一高度, 然后用卡瓦紧固好;4、置入铣刀, 先打开铣刀电源开关, 然后再合拢管材两端, 并加以适当的压力, 直到两端有连续的切屑出现后(切屑厚度为0.5~10mm, 通过调节铣刀片的高度可调节切屑厚度),撤掉压力, 略等片刻,再退开活动架,关闭铣刀电源;5、取出铣刀, 合拢两管端, 检查两端对齐情况(管材两端的错位量不能超过壁厚的10% , 通过调整管材直线度和松紧卡瓦予以改善; 管材两端面间的间隙也不能超过壁厚的10% , 否则需再次铣削, 直到满足上述要求);6、加热板温度达到设定值后, 放入机架, 施加规定的压力, 直到两边最小卷边达到规定值(0.1 ×管材壁厚+0.5mm);7、将压力减小到接触压力, 继续加热至规定的时间;8、达到规定时间后, 退开活动架,迅速取出加热板, 然后合拢两管端,其时间间隔尽可能短, 最长不能超过切换时间;9、将压力上升至规定熔接压力, 保压自然冷却。
聚乙烯管(PE管)热熔焊接工艺管理卡热熔对接连接一般分为五个阶段:预热阶段、吸热阶段、加热板取出阶段、对接阶段、冷却阶段。
热熔连接工艺三个重要参数:温度、压力、时间应符合热熔连接机具生产厂管材、管件生产厂的规定(详细见表1、表2)。
热熔对接工艺曲线图表示为焊接各阶段压力与时间的关系图,.项目采用如下PE管热熔对接工艺曲线(图1)。
图1表1、上海海娇HW系列热熔对焊机(6、16#地块)HW-160焊接参数表(规格:SDR17)注:加热板表面温度设定为215度HW-250焊接参数表(规格:SDR17)注:加热板表面温度设定为215度表2、南京德先XCW 系列热熔对焊机(12#地块)XCW-160焊接参数表(规格:)注:加热板表面温度设定为220度XCW-250焊接参数表(规格:)注:加热板表面温度设定为220度PE管热熔焊接自检表注:本表作为施工自检,每道焊缝必须如实填写,并随时接受TPF和监控检查。
PE给水管道施工质量监控要求:1、编制PE给水管道施工的专项技术方案,经过审核、审批后严格实施。
2、管道开始施工前应按照《大市政材料质量控制会议会议纪要091224》内容,对材料进行报验。
3、对焊工进行操作技能培训和工艺技术交底,经考核合格的方能进行施工操作;考核合格的标准应包括:焊工实操焊接的接口质量满足质量要求,并且熟练掌握PE给水管道接口热熔焊接的工艺操作流程;每个合格的焊工应有单独、固定的编号并制作带照片的胸牌,现场施工时要佩戴。
4、使用的焊接设备应有合格证明材料,相关计量设备应有计量检定合格证书,所使用设备应在检校合格期内运行,并在作业前检查设备运行状况是否正常,如有异常或不能确定设备正常则不得使用;每台焊接设备要有固定编号,并在设备的明显位置进行标示。
5、施工前应有准备阶段,将预施工的管道按照管材单根长度、管件位置确定接口,每个接口按照次序进行编号,编号形式如下:施工日期-焊工编号-设备编号-序号(例:01);如有需要增补的编号应在序号后加英文小写字母按顺序增补。
十四冶建设集团云南机械制造安装工程有限公司二分公司焊接工艺卡 HNHD-HJ-014十四建设集团云南机械制造安装工程有限公司二分公司焊接工艺卡 HNHD-HJ-012十四建设集团云南机械制造安装工程有限公司二分公司焊接工艺卡 HNHD-HJ-016十四建设集团云南机械制造安装工程有限公司二分公司十四建设集团云南机械制造安装工程有限公司二分公司十四建设集团云南机械制造安装工程有限公司二分公司十四建设集团云南机械制造安装工程有限公司二分公司十四建设集团云南机械制造安装工程有限公司二分公司十四建设集团云南机械制造安装工程有限公司二分公司十四建设集团云南机械制造安装工程有限公司二分公司焊接工艺卡 HNHD-HJ-018焊 接 工 艺 卡 HNHD-HJ-022建设单位 云南云铝润鑫铝业有限公司工程名称 云南云铝润鑫铝业有限公司150Kt/a 铝钛基合金材料加工项目 结点简图:焊接过程:零部件名称厂区主要空压管道等 编 号 HN WPQ0061焊前清理焊缝坡口各侧20mm 致金属光泽2组对点固焊详见结点简图3.1手工电弧焊焊条〔1〕层次,焊前清理焊丝上的油、锈、水汽,焊缝高2-3mm,喷嘴直径Ф8mm,与工件间夹角75-85度3.2手工电弧焊焊条〔2〕层次层间清理,焊缝高2-3mm3.3焊缝加强高0-2mm4.焊后清理,外观检查5.射线探伤,Ⅱ级合格HN WPQ006 焊接位置 水平固定 HN WPQ006焊接方法 SMAW 基本金属型号规格Q235A 适用范围1.5-8.5mm焊 接 材 料牌 号 规 格 烘干温度 烘烤时间 定 量J507 Ф2.5 400℃ 2h J422Ф3.2400℃2h焊 接 规 范 参 数热处理方法及工艺要求:焊接方法 焊机 极性 层次 焊条直径 电流 〔A 〕 电压 〔V 〕 速度 〔mm/min 〕焊丝 直径 钨棒 直径 伸出长度〔mm 〕气体流量 〔L/min 〕SMAW直流 反接1Ф2.580-8521-22// / / /SMAW直流 正接2 Ф3.2120-13022-2370-90// //审 批校 核编 制焊 接 工 艺 卡 HNHD-HJ-015建设单位 云南云铝润鑫铝业有限公司工程名称 云南云铝润鑫铝业有限公司150Kt/a 铝钛基合金材料加工项目 结点简图:焊接过程:零部件名称厂区主要空压管道等 编 号 HN WPQ0061焊前清理焊缝坡口各侧20mm 致金属光泽2组对点固焊详见结点简图3.1手工电弧焊焊条〔1〕层次,焊前清理焊丝上的油、锈、水汽,焊缝高2-3mm3.2手工电弧焊焊条〔2〕层次层间清理,焊脚高度不得小于薄的母材厚度4.焊后清理,外观检查5.焊后做着色检查,Ⅰ级合格HN WPQ006 焊接位置 水平固定 HN WPQ006焊接方法 SMAW 基本金属型号规格Q235A 适用范围1.5-8.5mm焊 接 材 料牌 号 规 格 烘干温度 烘烤时间 定 量J507 Ф2.5 400℃ 2h J507Ф3.2400℃2h焊 接 规 范 参 数热处理方法及工艺要求:焊接方法 焊机 极性 层次 焊条直径 电流 〔A 〕 电压 〔V 〕 速度 〔mm/min 〕焊丝 直径 钨棒 直径 伸出长度〔mm 〕气体流量 〔L/min 〕SMAW直流 反接1Ф2.580-8521-22// / / /SMAW直流 正接2-3Ф3.2120-13022-2370-90// //审 批校 核编 制。
PE管热熔焊接工艺一、焊接准备。
热熔焊接施工准备工作如下:①将与管材规格一致的卡瓦装入机架;②准备足够的支撑物,保证待焊接管材可与机架中心线处于同一高度,并能方便移动;③设定加热板温度200~230℃④接通焊机电源,打开加热板、铣刀和油泵开关并试运行。
二、焊接。
焊接工艺流程如下:检查管材并清理管端→紧固管材→铣刀铣削管端→检查管端错位和间隙→加热管材并观察最小卷边高度→管材熔接并冷却至规定时间→取出管材。
在焊接过程中,操作人员应参照焊接工艺卡各项参数进行操作,而且在必要时,应根据天气、环境温度等变化对其进行适当调整:①核对欲焊接管材规格、压力等级是否正确,检查其表面是否有磕、碰、划伤,如伤痕深度超过管材壁厚的10% ,应进行局部切除后方可使用;②用软纸或布蘸酒精清除两管端的油污或异物;③将欲焊接的管材置于机架卡瓦,使两端伸出的长度相当(在不影响铣削和加热的情况下尽可能短,宜保持20~30mm),管材机架以外的部分用支撑物托起,使管材轴线与机架中心线处于同一高度,然后用卡瓦紧固好;④置入铣刀,先打开铣刀电源开关,然后再合拢管材两端,并加以适当的压力,直到两端有连续的切屑出现后(切屑厚度为0.5~10mm,通过调节铣刀片的高度可调节切屑厚度),撤掉压力,略等片刻,再退开活动架,关闭铣刀电源;⑤取出铣刀,合拢两管端,检查两端对齐情况(管材两端的错位量不能超过壁厚的10% ,通过调整管材直线度和松紧卡瓦予以改善;管材两端面间的间隙也不能超过0.3mm(de225mm以下)、0.5mm (de225mm~400mm)、1mm(de400mm以上),如不满足要求,应在此铣削,直到满足要求。
⑥加热板温度达到设定值后,放入机架,施加规定的压力,直到两边最小卷边达到规定高度时,压力减小到规定值(管端两面与加热板之间刚好保持接触,进行吸热),时间达到后,松开活动架,迅速取出加热板,然后合拢两管端,其切换时间尽量缩短,冷却到规定时间后,卸压,松开卡瓦,取出连接完成的管材。
焊接工艺卡模板(用于金属管道)
1. 概述
本文档为焊接工艺卡的模板,适用于金属管道的焊接工艺。
焊接工艺卡是记录和指导焊接过程的重要文档,用于确保焊接质量和安全性。
2. 焊接工艺卡信息
2.1 管道信息
- 管道材质:
- 管道直径:
- 管道厚度:
- 焊接位置:
- 管道编号:
2.2 焊接材料
- 焊条/电极:
- 气体保护剂:
- 辅助材料:
2.3 焊接工艺参数- 焊接电流:
- 焊接电压:
- 焊接速度:
- 焊接温度:
- 焊接时间:
2.4 焊接设备
- 焊接机型:
- 焊接枪型号:
- 备用设备:
2.5 焊接人员
- 焊接操作员:
- 监督员/质检员:
3. 焊接工艺步骤1. 准备工作:
- 清洁管道表面
- 安装焊接设备
- 准备焊接材料
2. 焊接步骤:
- 确定焊接位置和方法- 开始预热
- 进行焊接
- 控制焊接参数
- 完成焊接
3. 后续工作:
- 进行焊缝检查
- 清理焊接区域
- 记录焊接参数和结果
4. 安全措施
- 确保焊接区域通风良好- 戴好个人防护装备
- 确保焊接设备正常运行- 遵守焊接操作规程
5. 质量控制
- 进行焊缝检查和尺寸测量
- 检查焊接质量符合规范和要求
- 记录焊接质量结果和问题
以上是焊接工艺卡模板的内容。
根据具体情况填写相应信息,确保焊接过程与质量可控可追溯。
吸热压力由于焊机安排问题,油缸不克不迭保压,将很快低沉到整,由于无中力效率,可正在此状态背去吸热熔融对付接压力pf1= Pa 厂家提供的对付焊压力+0.2mpa热却压力由于油缸不克不迭保压,此时需通过中接压力表持绝加压(最少二分钟),由于中力较小,余下时间靠机架自己压力,直到热却2:对接多根根管讲、阀门拖动压力尝试,按惯例动工体味估算拖动压力(4根de200普遍为0.60.8mpa),按动前进按钮的共时,安排调压阀到预约压力,当机架开初缓缓移动23cm时,此时压力极即为拖动压力.调压阀压力不可过大,可则液压缸移动较快,压力值禁绝.卷边压力Pa1=Pa 厂家提供的对付焊压力+Pa0拖动压力,,按动前进按钮的共时,安排调压阀到卷边压力,管材二边所有圆周皆达到铭牌提供的参数下度吸热压力按动前进按钮的共时,安排调压阀背下到Pa0 +1/10Pa 厂家提供的对付焊压力,由于焊机安排问题,油缸不克不迭保压,将很快低沉到整,此时借帮中接压力表,不竭加压.此条很要害热却压力按动前进按钮的共时,安排调压阀到Pa0 +Pa 厂家提供的对付焊压力,由于油缸不克不迭保压,此时需通过中接压力表持绝加压,直到热却.此条很要害PE热熔焊接技能的要害面热熔对付接的对接界里是仄里,其要领是将二相共的对接界里用热板加热到粘流态后,移开热板,再给对接界里施加一定压力,并正在此压力状态下热却固化,产死坚韧的对接.其主要工艺历程为安排、加热、切换、合缝加压战热却.对付接时界里上处于粘流态的资料有震动也有扩集,震动太大不利于扩集战缠结,所以要把震动节制一定范畴,正在有限的震动中真止“熔后焊接”.果此,对付接工艺的关键是要正在对付接历程中安排好温度、时间、压力三参数,要把对接界里资料的本能、应力情景、几许形态以及环境条件等果素所有思量,才搞真止稳当的熔焊,要根据普遍的顺序战各自采与资料的个性举止考查,评介熔接品量,达到系统尺度后,决定各品种规格的工艺规程,按确定的工艺参数要领战步调举止焊制管件的死产战现场拆置动工. 热熔对付接的几个要害工艺参数●加热板温度指加热板表面温度,普遍用表面温度计丈量.正在丈量温度时,要思量环境温度的效率.(设备已思量的除中)热板温度既要包管管材端里赶快熔融,又要包管焊制管件不果温度过下而爆收降解. ●焊接压力加压加热压力与熔融对付接压力相称.效率是对付管材举止强制加热,去掉管材端里不仄整的部分,使管材端里局部与加热板交战,匀称受热. ●卷边下度卷边下度用于衡量加热压力效率于管材截里的时间,即加压加热的程度. ●吸热压力约为熔融对付接压力的1/10,它的效率主假如防止管材回弹,使管材紧掀正在加热板上,遍及加热效验,缩小加热时间.加热阶段的时间与焊制管件的横截里积、加热板温度、环境温度有关. 熔融对付接压力指笔直效率于二个对付接里上的压力.其主要与熔融对付接部分的里积、焊机油缸里积、焊制管件的资料有关:普遍按下式估计:P 对付接焊压力=KS 管截里积/S 油缸活塞总灵验里积式中 K——与资料有关的压力系数. S 管截里积=л(dnen)en 单位为cm2 dn——管材中径,单位为cm en——管材壁薄,单位为cm S 油缸活塞总灵验里积——正在该焊机的使用道明书籍上可查到. 估计出去的压力正在本量支配历程中要举止适真安排,并要将呆板自己移动所需的压力大概塑料管材较万古牵引所需压力思量进去. ●熔融对付接时间指坚持熔融对付接压力的时间,主要与管材的壁薄即熔融对付接里积有关. ●切换周期热板熔融对付焊的主要历程为加热历程战焊制历程.那二个历程以热板的切换从时间上合并.切换时间过少,熔化的端里正在相互交战之前将果热却而产死一层“热皮”,不利于分子链的扩集. 工艺步调:资料准备用于焊制管件的管材的圆度应下于尺度值,下料时要留出1020mm 的切削余量.用于管讲对接时应将二待焊管材置于仄坦的大天夹紧管材根据所焊制的管件调换基础夹具,采用符合的卡瓦,切削前必须将所焊管段夹紧. 切削切削所焊管段端里的纯量战氧化层,包管二对付接端里仄坦、光净. 对付中二对付焊管段的错边应越小越好,如果错边大,会引导应力集结,错边不该超出壁薄的10%. 加热包管有脚够的熔融料,以备熔融对付接时分子相互扩集. 切换从加热中断到熔融对付接开初那段时间为切换周期,为包管熔融对付接品量,切换周期越短越好. 熔融对付接是焊接的关键,熔融对付接历程应末究处于熔融压力之下举止. 热却由于塑料资料导热性好,热却速度相映缓缓.焊缝资料的中断、结构的产死历程正在万古间内以缓缓的速度举止.果此,焊缝的热却必须正在一定的压力下举止.(end)免责声明:本文章由网友颁布与技能通网无关,如侵略版权请与咱们PE管热熔焊接兼容性热熔焊接的前提表里热熔焊接是焊接部件表面与热板交战热熔后,形成粘滞的流体,将熔融的表面压正在所有,散合物分子正在热及压力的效率下疏通,相互脱插盘绕,爆收范德华效率力,热却后产死坚固的焊接里,分子之间不爆收化教对接键,焊接强度与决于焊接里之间的相互脱插盘绕程度.如图1所示.为了对付热熔焊接有更深进的认识,咱们最先相识以下表里:1.1 粘合表里0.5g/10min(190℃,5kg),而且常常期视相互焊接的散乙烯管材的MFR位于共一分组内:0.3g/10min0.4g/10min(190℃,5kg)0.4g/10min0.65g/lOmin(190℃,5kg)0.65g/lOmin1.15g/10min(190℃,5kg)1.15g/10mi1.7g/10min(190℃,5kg)据此,咱们对付中稀度PE80与PEl00的焊接兼容性加以判决:暂时,海内较时常使用的焚气PE80战PEl00管材/管件的本料局部皆是进心焚气管讲博用混配料:如北欧化工、阿托菲纳、BP苏威、BP(马去西亚).上述PE80本料(除北欧化工HE3470LS中)齐皆是中稀度PE80管讲博用料,熔体震动速率MFR约为0.8g/10min0.95g/10min(190℃,5kg),稀度约为945kg/m3.上述的PEl00本料齐皆是下稀度管讲博用料,熔体震动率约0.3g/10min0.45g/10min(190℃,5kg),稀度大于950kg/m3.中稀度PE80与PEl00、下稀度PE80的熔体震动速率大于0.5g/lOmin(190℃,5kg),且不正在共一分组内,故表里上二者焊接存留兼容问题.究竟上,一些国家如法国战英国,本去阻挡许PE80与PEl00管材使用热熔对付接相对接,别的,由于PEl00自己熔体品量震动速率较矮,对付熔艰易,欧洲主要焚气公司如英国Transco央供热熔对付接必须使用齐自动热熔焊机.以包管焊接品量.3 分歧种类散乙烯的焊接考查钻研早正在90年代初期,便有机构搞了焊接兼容性考查,采用资料为:(1) 齐鲁石化公司的HDPE DGDB2480乌色管讲,尺寸为¢1lOmm×lOmm,熔融指数(190℃,5kg)0.56g/10min;(2) 扬子石化公司的HDPE 6100M,乌色管讲,尺寸¢130mm×13mm,熔融指数(190℃,5kg)0.31g/10min;(3) 比利时的MDPE 3802Y黄色管讲,尺寸¢110mm×10mm,熔融指数(190℃,5kg)1.04g/lOmin;考查采用的焊接工艺参数及参照条件为DVS条件—德国焊接教会推荐的散乙烯管讲焊接条件.尝试截止标明,正在DVS条件所推荐的210℃±10℃的焊接温度范畴内,管材均博得了大于母材的短时焊接强度.母材的强度较下,焊接接洽的强度亦比较下,别的,HDPE DGDB2480与MDPE 3802Y互焊本能也较好,正在尝试缺面的范畴内,互焊的焊接强度与焊接单圆母体强度较矮的一圆,即中稀度散乙烯一圆基本相当.互焊接洽的焊接强度相称于MDPE的母体强度而小于HDPE母体的强度焊接强度大于母材的本果是焊缝天区里的资料散态结构爆收了变更,焊缝区的熔融吸支热量明隐下于母体的熔融吸支热量,特天是正在焊缝对付称截里的附件,资料熔融吸支热量直线出现最大值.硬度战强度也最下(睹图3).那与焊缝附近熔融资料果焊接压力而引导的二维震动有关,二维震动使得资料本有的晶核前提上诱导而爆收更多晶核,进而使那个天区内的晶核删下,而正在焊缝对付称截里上又产死一个较矮值,那是由于撤出热板时(切换周期),资料加热表面突然成为开放里,与气氛的热接流战热接换,使那二个表面的温度可低沉约莫15℃~20℃,进而降矮了那个截里上的结晶度.其余焊接试件正在液氮深热坚断后经扫描,不但能瞅出明隐的坚断断心的个性,还能瞅出由于热板焊接时焊接端里上熔融资料二维震动制成的流背,掀脱了焊缝区资料结构上的不匀称性.由于焊接的散乙烯管讲万古间使用,益害大普遍为坚性破裂,所以焊缝天区资料结构的变更以及短时推伸强度的减少会给接洽的万古间使用本能戴去什么效率另有待于进一步考查,暂时为仄安起睹,应尽管防止分歧熔体震动速率的资料相焊接的情形.4 论断(1)应尽管防止分歧熔体震动速率的资料相焊接的情形.(2)若元法防止,则提议正在本量支配中,依据典型央供熔体震动速率应正在0.3~1.3g/10min(190℃,5kg)范畴内,且MFR不共值不大于0.5g/10min(190℃,5000g),而且相互焊接的散乙烯管材的MFR最佳位于共一分组内.(3)暂时商场上的中稀度PE80与PEl00管材存留焊接兼容问题,需引起沉视,需加强资料的进库查支管制,应正在PE资料的量保书籍中减少本料牌号战火含量检测报告,以便以后管网营运中搞好品量逃踪,遍及已使用功程资料逃溯的准确性.PE管焊接品量包管体系纲要:根据动工体味,提出了包管PE管焊接品量包管体系,沉面叙述了劣化动工工艺及制定焊接历程统制.关键词汇:热熔焊接;做业指挥书籍;工艺卡0 序止PE管由于具备寿命少、耐腐蚀、沉量沉、可蜿蜒等诸多劣势,连年去正在焚气止业大里积推广使用.焊接的品量是PE管动工品量中最关键的一环,然而现时仍缺少一种灵验的的要领对付焊焊接心品量举止检测,效率PE焊接的果素有:资料品量、人员素量、焊接设备、动工工艺、焊接历程的统制等.1 工程资料工程资料应抓好进场查支、搬运、储藏三个关节. 1.1进场查支每批管材、管件进场后依照《焚气用埋天散乙烯管材》GB15558.1—战《焚气用埋天散乙烯管件》GB15558.1—95举止规格尺寸战中瞅考验,并查看随货的量保资料是可齐齐及对付应,资料是可逾期,是可有第三圆权威机构检测报告道明等.对付分歧格的资料中断进场. 1.2搬运管讲必须用非金属绳吊拆,留神沉放,防止划伤,不得扔摔战沿天拖拽;注意搞好管材二端的启堵,防止纯物加进. 1.3储藏不得曝晒雨淋、交战与化教晶,存放正在透气劣良、温度不超出40℃的堆栈内,正在室中临时堆放时必须有覆盖物且管材底部要用木块垫起离天不小于20cm,使用前不得撕掉出厂的包拆呵护层.2 焊接设备电熔焊机应具备劣良的电压安排本领、准确统制熔接加热时间:热熔焊机加热板、压力系统等本能指标谦脚工艺央供.为缩小人为果素的效率,应使用齐自动焊机.3 焊接人员训练通过训练、真操考核焊工的支配火仄,焊工要掌握管材、管件的品量典型央供,流利掌握焊接规程战焊接参数,经工程名目三圆(动工、监理、业主单位)考核合格后才搞正式进场焊接.4 劣化动工工艺焊机必须举止与之对付应管材的焊接考查以决定对付应一组最劣化的焊接参数及支配步调,并正在工程动工中庄重统一使用. 4. 1 PE管热熔焊接知识(1)PE管历程分如下阶段:翻边、热熔焊接吸热、开关模、熔接、热却成形,如图1所示:图1 PE管热熔焊接示企图(2)焊接工艺参数焊接温度焊接温度是资料的熔融粘流转移温度.此时塑料爆收熔融震动,塑料大分子相互扩集战环绕胶葛.普遍去道,随着焊接温度的遍及,接洽的强度便开初遍及而达到最大.真验道明MDPE正在矮于180℃时,纵然正在熔化时间相称少的情况下,也不可能博得品量好的接洽;焊接温度的受制于资料结构的变更战焊缝形状有些,温度下时,会出现如下情况:卷边尺寸删大、散合物熔体粘附工具的、散合物爆收热氧化益害,使焊接接洽的强度降矮.思1热熔对付接动工工艺简介热熔对付接是将散乙烯管端界里,利用加热及加热熔融后相互对付接混合,经热却牢固对接正在所有的要领.其焊接本理是:当PE资料正在加热超出其熔融温度后,形成粘滞流体,正在焊接压力效率下,其大分子相互扩集,爆收范德华效率力,进而坚韧的焊接正在所有,常常采与热熔电焊机去加热管端,使其熔化,赶快将其粘合,坚持有一定的压力,经热却达到焊接的脚法.2管讲焊接技能..2.I焊接前的准备处事..(I)对付PE管材、管件应按安排央供举止核查于并举止中瞅查看,切合央供后圆可使用...(2)根据动工的管材规格采用妥当的夹具,树坐好机架位子,将查支合格的管材用夹具牢固正在机架上,并查看焊机各部分电源线及其余线路对接是可仄常.(3)查与相映管材的焊接参数并记录,共时估计出熔接压力,熔接压力.. =尺度焊接压力(表里参数)+拖动压力.2.2管讲焊接..(I)用单里铣刀铣削焊心二端里,真足扫除管端氧化层,使其对接端里切合,且正在共一轴线上...(2)将热板加热温度树坐正在.. 210±IO~C举止加热,将达到温度央供的加热板置于机架上,关合夹具,此时焊接压力逐步降至预热压力,待管心间凸起匀称且下度达到央供时,记录卷边时间,并将预热压力降至拖动压力,共时按下吸热时间按钮,吸热时间由相映管材参数查得,并搞记录...(3)达到吸热时间后,赶快挨开夹具,与出加热板,并坐时关合夹具,正在确定时间内匀速将压力由整位调至焊接压力,按下热却时间按钮,热却时间由相映参数查得,并搞记录,达到热却时间后,挨开夹具,与下焊接受材,焊接完毕.(4)查看焊环品量,焊缝宽度,下度切合典型央供为合格,可则割开沉焊.3焊接工艺参数..1)加热板温度:指加热板表面温度,普遍用表面温度计丈量.正在丈量温度时,需思量环境温度的效率,热板温度既要包管管材端里赶快熔融,又要包管焊接受材不果温度过下而爆收降解...2)焊接压力:加压压力与熔融对付接压力相称,效率是对付管材举止强制加热,去掉管材端里不仄整部分,使管材端里齐断里与加热板交战,匀称受热...3)卷边下度:卷边下度用于衡量加热压力效率与管材截里的时间,即加压加热的程度...4)吸热压力:约为熔融对付接压力的.. 1/10,它的效率主假如防止管材回弹,使管材紧掀正在加热板上,遍及加热效验,缩小加热时间,加热阶段的时间与焊接受件的横截里积、加热板温度、环境温度有关.熔融对付接压力.. P=KS管截里S油缸活塞总灵验里积:与资料有关的压力系数;S—.. —管截里积.. =(de—en)en;De——管材半径,单位.. cm;EN管材壁薄,单位.. cm.5)熔融对付接时间:指坚持熔融对付接压力的时间,主要与管材的壁薄即熔融对付接里积有关...6)切换周期:热板熔融对付焊的主要历程为加热历程战焊制历程,那二个历程以热板的切换从时间上合并.切换时间过少,熔化的端里正在相互交战之将果热却而产死一层.. “热皮.. ”,不利于分子链的扩集.4热熔对付接焊的三个关键阶段..4.1加热阶段..4.1.1安夹管材、管件用辊杠、支架将管垫仄减小摩揩力,利用夹具矫正管材圆度,将管材轴线安排于一条直线上,浑净管材、管件内中表面,按工艺央供树坐吸热时间战热却时间.4.I.2铣削焊接里先放置铣刀,锁上铣刀仄安锁,开用铣刀,铣削宽度等于壁薄后,适合降矮压力,而后挨开机架,关关铣刀,挨开仄安锁,与出铣刀,浑理铣削后留住的碎屑.4.1.3测拖动压力关合机架匀称缓缓的加压.机架开初疏通时压力值为拖动压力(P拖),拖动压力不是牢固值,屡屡焊接皆必须丈量.当焊接断里间隙、错边切合央供后,加紧管件,开初加压到焊接总压力...4.1.4断里仄坦吸热①放置浑净的热板,关合机架.当焊接端里与热板掀适时,赶快安排压力至焊接总压力( P)=拖动压力( P拖)+焊接压力( P).②当热板二侧焊接里的所有圆周突起下度至确定值时,赶快降压至拖动压力( P拖),大概者正在保证加热板与焊接端里稀切的条件下,开初吸热计时,要保证热板与焊接端里间的稀切掀合...4.2切换阶段吸热时间中断后,挨开机架,赶快与出热板,并坐时关战机架.正在确定的时间内,将压力匀速降至焊接总压力( P),宽禁下压碰碰,共时热却,开初计时.此阶段必须连绝举止,~气呵成,所有历程的时间必须统制正在小于确定的时间内.4.3热却阶段热却时间中断后,将压力降至0,紧开夹具螺丝,与出焊完的管材,挨开机架,举止下一心焊接...5 PE焚气管分歧环境温度焊接根据《乡镇焚气输配工程动工及查支典型》确定:焊接环境应当防范不良气候效率,管讲对接应正在环境温度一5 —45~C范畴内举止.当环境温度矮于50C大概正在风力大于5级条件下动工时,应采与防风、保温步伐等,以包管需要焊接的焊接里有脚够的温度,正在炎热的夏季动工时应采与遮阳步伐.当管材、管件存放处与现场温度较大时,对接前应将管材、管件正在动工现场放置一段时间,使其温度战动工现场温度靠近...6 PE焚气管焊接易出现的品量问题战防止步伐..6.1真焊热熔对付接焊接时出现的真焊,主假如对付接焊机夹具路程不敷战对付接时夹具速度太快而引起真焊的二种情况...(1)对付接焊机夹具路程不敷,二对接件对付接前用铣刀铣仄管心后举止焊前试碰,碰对付后正在夹具路程杆上应瞅到有一定的路程余量,路程余量应不小于2 0mm为宜.若不注意那种情况,正在焊接历程中,夹具的路程余量不敷时,焊接后表面上瞅对付接的非常好,然而本量上二对付接件熔接的不敷真足,出现真焊.那是热熔对付接焊中常出现而又阻挡易觉察的题.办理的办法是屡屡焊前皆应注意留有脚够的夹具路程余量...(2)对付接件对付碰时夹具速度过快.二对接件经加热板加热后举止对付碰,若对付碰历程中夹具速度太快,正在对付碰瞬间,二对接件熔融部分大部分被挤压到内中壁二侧,以致溶合的部分不敷充分而制成了真焊,办理的办法是支配人员统制机具的速度要匀称,使熔接部分充分熔合...6.2焊不透出现那种情况的主要本果是加热时间不敷.普遍情况下分歧的管材、型号、规格的PE管,其焊接加热时间正在出厂时皆有确定,然而所给加热时间是正在环境温度为2 0&C、有微风时设定的,当环境温度矮于2 0&C微风力较大时,若按设定的加热时间举止加热焊接,焊接后表面上与仄常时焊接不多大辨别,本量上出焊透,办理办法是当逢到动工环境温度矮于2 0&C微风力较大时,应根据管材分歧型号、规格适合安排加热时间..6.3焊心碳化爆收那种品量问题的本果是加热时间过少,与焊不透的情况正好好同,对付于热熔对付接焊,有些动工人员认为焊接历程中加热时间越少,焊接效验越好,而究竟恰好好同,PE管正在加热时间过万古,会出现碳化局里,宽沉效率到焊接品量.7动工归纳散乙烯管SDR11热熔焊接动工技能果具备动工时诸多便宜得到赶快推广,然而由于暂时缺累无益检测脚法,果此,主要依据焊环推断接心品量,果此,动工时必须需体例仔细的动工构制安排,并通过真验段焊接,决定各品种规格的PE管焊接工艺指挥书籍.正在动工历程中,庄重按步调支配,按确定的工艺参数战步调举止管件的焊接战拆置,并对付焊环中瞅品量战几许尺寸庄重把关,以保证动工品量.[1] CJJJ33—,乡镇焚气输配工程动工及查支典型.. .[23 CJJ63—,散乙烯焚气管讲工程技能规程[S].。
安徽华庆石化实业有限公司焊接工艺卡焊接工艺卡--------下面红色部分是赠送的工作总结,不需要的朋友可以编辑删除!谢谢行政管理干部个人总结20XX年上半年,在公司的正确领导下,在各科室部门的大力支持下,我按照公司的工作部署和工作要求,严格执行公司的工作方针,围绕中心,突出重点,狠抓落实,注重实效,在自身工作岗位上认真履行职责,做好各项行政管理工作,较好地完成了工作任务,取得了一定的成绩。
现将20XX年上半年个人工作情况总结如下:一、抓好自身建设,全面提高素质我作为一名负责公司行政管理的干部,肩负着公司赋予的重要工作职责,知道自己责任重大,努力按照政治强、业务精、善管理的复合型高素质的要求对待自己,加强政治理论与业务知识学习,把它学深学透,领会在心里,运用到具体实际工作中,以此全面提高自己的政治、业务和管理素质。
在实际工作中,我做到公平公正、清正廉洁,爱岗敬业、履行职责,吃苦在前,享乐在后,全力实践“团结、务实、严谨、拼搏、奉献”的时代精神,提高工作效率与工作质量,为职工群众做好表率作用,促进公司整体工作发展。
二、刻苦勤奋,全面做好行政管理工作行政管理工作范围广,日常事物多,涉及车辆、食堂、安全、卫生等方方面面工作,工作看起来虽然细小,但都与公司的整体工作紧密相关,丝毫不能马虎。
为此,我严格要求自己,精益求精、一丝不苟地认真做好各项工作,确保工作质量,让公司领导放心,让职工群众满意。
(一)加强车辆管理,保障公司用车需求我分管公司6辆汽车,按照公司车辆管理要求,认真做好各项工作,确保行车安全。
一是抓好驾驶员管理,要求驾驶员必须严格遵守国家法律、交通法规和公司的各项规章制度,认真学习业务知识,提高驾驶技术,按规定参加安全教育和学习,增强法律观念,确保行车安全。
二是抓好车辆管理,严格执行派车制度,规范使用车辆派车单,用车结束后,执行车辆归位制度,将车辆停放在规定范围内。
同时要求驾驶员做好日常保养维护、清洗工作,每月对车辆安全和技术状况进行一次检查,保持车辆性能良好、卫生整洁;做好出车前和收车后的检查工作,排查车辆存在的安全隐患,坚决不让车辆带病行使。
压力容器,压力管道工程
工艺卡片山东聊建集团有限公司
焊接工艺说明
参加压力管道工程焊接的焊工,必须是经过考试合格的焊工且只能承担与考试合格项目相应的焊接工作。
焊接过程中应注意以下几点:
1.遵守工艺纪律,按照规定的焊接工艺进行施工,自觉做好自检,确保焊接质量;
2.定位点固焊接应按照正式焊接工艺要求进行;
3.禁止在非焊接点位引弧,电弧擦伤处应打磨平滑;
4.焊件组对时应避免强力组装;
5.雨雪天气和环境温度低于0℃或风速大于8m∕s时,无保护措施应禁止施焊;
6.焊前检查坡口组对及清理情况是否符合要求,焊后在焊缝附近打上焊工钢号;
7.当焊接发现缺陷时应按工艺要求进行返修,返修后的焊缝应是合格焊缝;
8.要求焊后热处理时,进无损检测合格后进行。
全自动电热熔焊机PE管焊接工艺指导书编制:审核:批准:西安塑龙熔接设备有限公司2007年1月22日(一)对操作人员的要求全自动电热熔焊机操作人员必须经过培训合格且持有《全自动电热熔焊机操作证书》和《PE焊接上岗证》方可进行聚乙烯管道施工(培训和发证授权单位为:西安塑龙熔接设备有限公司)。
证书有效期为1年,在有效期满3个月前,继续从事聚乙烯管道施工的操作人员,应当向发证授权单位提出申请,由授权单位安排重新进行复证。
(二)聚乙烯管材、管件的检验用户对材料的检验,应做到如下几点:1)合格证与检验报告。
应检查有无产品出厂合格证,并索要出厂检验报告。
2)外观检查。
进行外观及几何尺寸检查。
检查管子内外表面是否清洁光滑,是否有沟槽、划伤、凹陷、杂质和颜色不均等。
3)长度检查。
定尺管的长度应均匀一致,误差不应超过20mm。
注意检查管口端面是否与管子的轴线垂直,是否存在气孔,若有气孔则管材不合格。
凡长短不一的管子多系厂家自检时发现有气孔、端面有明显缺陷或其它原因而被截短,这种管材在未查明原因前应不予使用。
4)颜色检查。
燃气管材应为黄色或黑色,当为黑色时管上必须有醒目的黄色条纹。
同时管材上应有连续的、间距不超过2m的永久性标志,写明用途(燃气或水)、原料牌号、标准尺寸、标准代号和顺序号、生产厂名或商标、生产日期。
(三)热熔焊接操作程序以PILOTEFUSE系列全自动热熔焊机为例。
➢焊接前准备(1)清洁油路接头,正确连接焊机各部件;(2)测量电源电压,确认电压符合焊机要求(187V~253V);(3)检查清洁加热板,当涂层损坏时,加热板应当更换,加热板表面聚乙烯的残留物只能用木质工具去除,油污油脂等必须用洁净的棉布和酒精进行处理;(4)按照焊接工艺正确设置吸热、冷却时间和加热板温度等参数,焊接前,加热板应当在焊接温度下适当预热,以确保加热板温度均匀;➢PILOTEFUSE控制器将给操作者提示一系列信息如下:➢提示输入管理信息按PILOTEFUSE控制器显示屏提示输入以下信息:管理编号工程编号施工编号项目经理编号焊工编号焊口编号管材信息➢待焊管材夹装就位操作者按以下方式将待焊管材夹装:使用辊轮支架(特别是当管材较长时)待焊管材端部伸出夹具3cm将待焊管材同轴线性对齐➢检查加热板温度将管材定位后,操作者应检查加热板温度是否升到设定值(当操作者输入焊接参数后,PILOTEFUSE控制器将自动设置并提升加热板温度)。
焊接工艺卡辽宁红沿河核电厂一期工程 版次:A编号:NH-HJ-028 适用范围:3# &4#常规岛汽水管道或联箱封头,汽水取样、仪表等接管座。
焊接标准:DL/T869-2002 焊接工艺评定编号:NEPC-HYH-HJ-037 焊接方法:GTAW+ SMAW 焊接位置:全位置 接头型式:对接衬垫材料:无接头型式、坡口和组装尺寸示意图:单位:mma=30°~40°β=8°~12°R=5b=3~4p=1~2δ=9~24R焊接层道示意图:单位:mm123132414243515253母材A 侧B 侧 母材材质牌号: A335P22 A335P22 母材类别:B ⅠB Ⅰ 母材直径范围(mm):≥109.5母材厚度范围(mm):9~24填充材料类别(焊丝或焊条等)标准、型号 制造商牌号 焊丝 ER62-B3CHG62B3焊条E6015-B3 CHH407保护气体气体成分及纯度 流速 正面: Ar 99.95 8-9L/min 背面: / L/min注:不锈钢材料在焊缝厚度≤5mm 前不能停止背面气体保护。
预热后热热处理预热温度:GTAW 200-250 ℃,SMAW 250-300℃ 预热加热方式:电加热 温度测量方式:热电偶 层间温度: ≤350 ℃ 后热温度: ℃ 保温时间: min 热处理温度: 720-750 ℃ 保温时间: 60 min 焊接工艺参数焊接 层道 焊接方法 焊材牌号 规格 (mm) 电流极性电流 (A ) 电压(V)焊接速度(mm/min ) 其他1 GTAW CHG62B3 Φ2.5 正接 90~142 10~12 40~50 2SMAW CHH407 Φ3.2 反接 75~136 21~23 50~70 3及以上 SMAW CHH407 Φ4.0 反接 84~161 21~23 50~70 或1 GTAW CHG62B3 Φ2.5 正接 90~142 10~12 40~50 2 SMAW CHH407 Φ3.2 反接 75~136 21~23 50~70 3及以上 SMAW CHH407 Φ4.0 反接 84~161 21~23 50~70 表面 SMAWCHH407Φ3.2 反接 86~14921~2350~70工艺说明焊前准备、清理和检查:除去坡口表面及边缘(10~15)mm 范围内所有的油、漆、垢、锈等;检查对口尺寸。
聚乙烯管(PE管)热熔焊接工艺管理卡
热熔对接连接一般分为五个阶段:预热阶段、吸热阶段、加热板取出阶段、对接阶段、冷却阶段。
热熔连接工艺三个重要参数:温度、压力、时间应符合热熔连接机具生产厂管材、管件生产厂的规定(详细见表1、表2)。
热熔对接工艺曲线图表示为焊接各阶段压力与时间的关系图,K.K.项目采用如下PE管热熔对接工艺曲线(图1)。
图1
表1、上海海娇HW系列热熔对焊机(6、16#地块)
HW-160 焊接参数表(规格:SDR17)
外径D壁厚S 预热阶段
S1
吸热阶段
S2
加热板取
出阶段(S3)
对接阶
段(S4)
冷却阶段
S5
管径mm 壁厚
mm
压强(P1)
MPa
卷边宽度
mm
压强(P2)
MPa
时间
s
时间
≦s
时间
≦s
压强(P4)
MPa
时间
min
63 5.8 0.24 1.0 0.03±0.02 37 4 4 0.24 7 75 6.8 0.36 1.0 0.03±0.0245 4 4 0.36 7 90 8.2 0.49 1.0 0.03±0.0253 4 4 0.49 8 110 10.0 0.73 1.0 0.03±0.0265 5 5 0.73 9 125 11.4 1.05 1.0 0.03±0.0272 5 5 1.05 11 140 12.7 1.25 1.5 0.03±0.0285 5 5 1.25 13 160 14.6 1.94 1.5 0.03±0.0294 5 5 1.94 14 注:加热板表面温度设定为215度
HW-250 焊接参数表(规格:SDR17)
外径D壁厚S 预热阶段
S1
吸热阶段
S2
加热板取
出阶段(S3)
对接阶
段(S4)
冷却阶段
S5
管径mm 壁厚
mm
压强(P1)
MPa
卷边宽度
mm
压强(P2)
MPa
时间
s
时间
≦s
时间
≦s
压强(P4)
MPa
时间
min
90 8.2 0.19 1.0 0.03±0.02 53 4 4 0.19 8 110 10.0 0.29 1.0 0.03±0.02 65 4 4 0.29 9 125 11.4 0.37 1.0 0.03±0.02 74 4 4 0.37 11 140 12.7 0.47 1.5 0.03±0.02 82 5 5 0.47 12 160 14.6 0.61 1.5 0.03±0.02 94 5 5 0.61 13 180 16.4 0.77 2.0 0.03±0.02 106 6 5 0.77 14 200 18.2 0.95 2.0 0.03±0.02 118 6 6 0.95 15 225 20.5 1.20 2.5 0.03±0.02 132 6 6 1.20 17 250 22.7 1.48 2.5 0.03±0.02 147 7 6 1.48 19
表2、南京德先XCW 系列热熔对焊机(12#地块)
XCW-160 焊接参数表(规格:SDR17.6)
注:加热板表面温度设定为220度
XCW -250 焊接参数表(规格:SDR17.6)
PE管热熔焊接自检表
注:本表作为施工自检,每道焊缝必须如实填写,并随时接受TPF和监控检查。
PE给水管道施工质量监控要求:
1、编制PE给水管道施工的专项技术方案,经过审核、审批后严格实施。
2、管道开始施工前应按照《大市政材料质量控制会议会议纪要091224》内容,对材料进行报验。
3、对焊工进行操作技能培训和工艺技术交底,经考核合格的方能进行施工操作;考核合格的标准应包括:焊工实操焊接的接口质量满足质量要求,并且熟练掌握PE给水管道接口热熔焊接的工艺操作流程;每个合格的焊工应有单独、固定的编号并制作带照片的胸牌,现场施工时要佩戴。
4、使用的焊接设备应有合格证明材料,相关计量设备应有计量检定合格证书,所使用设备应在检校合格期内运行,并在作业前检查设备运行状况是否正常,如有异常或不能确定设备正常则不得使用;每台焊接设备要有固定编号,并在设备的明显位置进行标示。
5、施工前应有准备阶段,将预施工的管道按照管材单根长度、管件位置确定接口,每个接口按照次序进行编号,编号形式如下:施工日期-焊工编号-设备编号-序号(例:100426-01-02-01);如有需要增补的编号应在序号后加英文小写字母按顺序增补。
6、提前12小时进行报验,报验时应附接口位置简图,图中接口按编号原则进行编号,如当天未能完成的接口焊接择日再进行施工时应重新编号。
7、施工中严格按照工艺流程和交底进行,并认真填写《PE管热熔焊接自检表》,监控工程师将在巡检中进行核查此表,如有遗漏、弄虚作假现象,将按照《施工质量问题失察责任追究制度》对相关责任人进行处罚。
8、管道接口完成焊接后,进行自检,自检合格后以市政表74《报验申请表》的格式报监控办进行签认,附件中应有《PE管热熔焊接自检表》;经监控工程师审查合格后即可进行管道水压试验和局部回填。
9、给水管道水压试验应有经工程部审批的试验方案,并报监控办备案。
10、局部回填有利于对管道成品进行保护,局部回填时先不回填管件和接口部位,但应对其采取有效的保护措施,待管道水压试验合格后再进行这些部位的回填。
11、在施工过程中应注意避免各类因素对管材、管件、接口等部位的损害,如发现有损坏应报监控工程师进行检查,并按照监控要求进行处理。
12、给水管道维修应有专项维修方案,报审合格后方可执行,维修过程中按要求进行报验。
13、地块社区市政给水管道施工完成后应进行系统水压试验和管道清洗消毒,由施工单位提交具体实施方案,经工程部门审批后,监控办检查实施。