兼职安全员月度绩效考核表
- 格式:docx
- 大小:10.84 KB
- 文档页数:2
专职安全员月绩效考核评分表
安全生产目标月考核评分表
被考评单位:月份
表3.0.1建筑施工安全检查平分汇总表
4
安全保障投入月报表
填报单位:填报日期:年月日
单位或项目负责人(签名):填报人(签名):
填、报表说明:1、填报单位属直属公司填写公司名称,属独立项目部则填写项目部名称;2、表内项目工程因有的项目部下属有若干单体工程或专业分包工程,要分别对应填写;若是长期固定生产厂(场)区,在填报单位明确的情况下,表内可不填单位;3、本表与阶段性《安
5
全生产投入统计报告》表有区别,必须在当月21日至25日报《月安全报表》的同时将本表报安全管理部(电话:2228320)。
6。
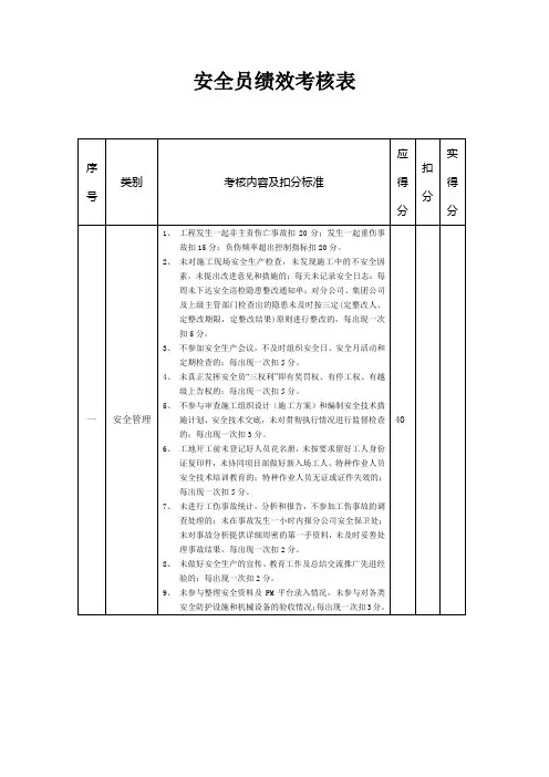
安全员绩效考核表一、考核背景介绍随着社会的发展和工业化程度的提高,安全成为了企业生产经营活动中的一项重要内容。
为了确保企业的生产安全,保护员工和设备的安全,安全员的角色变得越来越重要。
为了对安全员的工作进行科学的评估和考核,制定了安全员绩效考核表。
二、安全员绩效考核表简介安全员绩效考核表是用于评价安全员工作表现的工作工具。
通过对各项指标的评估,可以客观地衡量安全员在生产安全管理、事故预防、安全培训等方面的表现情况,为企业提供有针对性的改进意见。
2.1 考核指标安全员绩效考核表包含多个考核指标,如下: 1. 生产安全管理能力 2. 安全预警与风险防控能力 3. 事故处理与应急处置能力 4. 安全培训与宣传工作能力 5. 安全文案与记录填写能力2.2 考核方法根据每个考核指标的重要程度,可以设置相应的评分权重。
通过安全员的日常工作表现、安全培训情况、事故处理效果等多个方面进行评估。
评估方式可以包括面谈、考察、文件审查等。
三、安全员绩效考核表具体指标解读3.1 生产安全管理能力该指标主要考核安全员对生产过程中安全管理的能力和掌控情况。
包括安全制度建设、危险源辨识与评估、安全目标及计划制定、安全操作规程完善等方面的能力。
3.2 安全预警与风险防控能力该指标主要考核安全员对生产过程中潜在风险的预警和防控能力。
包括对环境、设备、个体等各类风险的识别和评估,以及采取相应的控制措施,确保生产过程的安全。
3.3 事故处理与应急处置能力该指标主要考核安全员在发生事故时的处理和应急处置能力。
包括事故调查分析能力、应急预案编制与演练能力、事故处理与事后反馈能力等方面的考核。
3.4 安全培训与宣传工作能力该指标主要考核安全员在安全培训和宣传工作中的能力。
包括制定安全培训计划、组织安全培训、宣传安全知识、安全教育等方面的能力。
3.5 安全文案与记录填写能力该指标主要考核安全员在安全文案和记录填写方面的能力。
包括制定安全操作规程、填写安全记录、整理事故报告等方面的能力。
扣分日期扣分日期扣分日期扣分日期扣分日期扣分日期12领导交办的其他事项及公司要求的学习活动5对于领导交办的临时任务和公司组织的培训学习活动,员工缺乏接受意愿的,根据情形,扣1-5分;员工表现为有接受临时任务和学习培训意愿的,如本季未有临时交办事项的事实发生,本项可以不减分;如有临时任务发生,可视任务重要程度及员工实际完成情况,进行加分或扣分(以5分为起评标准),加分或扣分最高分值为5分;13责任心6对自己、对工作、对公司所应负的责任有认知,并在日常工作履行中得以体现,工作态度积极、主动、有高度的责任感,并且在工作中不出现低级的、重复性的错误,此项可得满分;反之,视情形扣1-5分;14团队合作4与团队成员或其他部门保持良好的沟通、合作关系,且不徇私情,乐于助人,关注部门、公司的团队合作氛围的建设。
在工作中勇于主动担当,接受挑战,且能奉献谦让,带动帮助同事共同成长进步的,此项可得满分。
反之,视情形扣1-5分;15安全事故(减分项)----出现任何一起安全事故、火灾和人员伤害事故当月绩效考核为零.1岗位标兵,行为楷模----在本职岗位上,对自己、对工作有严格的要求,并通过持之以恒的表现践行“比别人做得多一点,比别人做得好一点”的公司行为准则,在工作中表现为一丝不苟,全心全意付出投入,经常获得顾客及同事赞许的,可视情形加5-10分;2主动学习和能力提升----对自身发展、能力提升或工作结果有更进一步提高的意愿,经常主动学习与工作或能力要求相关联的知识及经验,主动请教或借鉴他人成功的方法并乐于交流分享自身经验,积极主动参与各类专业技能培训的,可视情形加5-10分;3钻研业务,创新工作----对本职工作有高度的学习和钻研热情,深入思考本行业、本岗位工作的专业要求和管理改善,对工作经常有创新,专注做好“专”与“精”,成为本部门或团队的岗位专家型员工,可视情形加5-10分;及时到场,按一定要求汇报处理。
未及时到场扣_0.5__分,未按要求汇报处理扣_0.5_分,造成事态扩大扣__1_分姓名: 考核人: 权限人: 总计得分:11与条线考核检查等相关的评比工作岗位考核(85分)特殊情况备注说明保证装修现场按照公司相关规定进行8做好闭店后厂家安全隐患检查(如电器开关未关、有无违章使用大功率电器等)5如涉及相关扣分的出现,责任人扣分=评比扣分值×29耐心为每一位顾客服务,做到语言文明、指引规范,不得与顾客发生争吵5经查实因保安个人原因,引发顾客投诉的,每次扣__0.5_分10巡查工作不到位或隐患未排除的每处扣_0.5__分,出现安全事故的每次扣__2__分10负责相关台帐,并保证准确无误5无台账或台账发生错误每次扣_0.2__分76妥善处理突发事件并及时联系相关负责人105对装修现场违规现象未及时发现或未及时处理每次扣__0.2_分201___年______月度绩效考核打分表(普通员工类)部门:___安全部___ 岗位:__安全员______ 班组:______________ 姓名:______________姓名:姓名:4保护商场公共设施,发现损坏者应立即制止5如未及时制止造成商场公共设施损坏每处扣_0.5__分3类别5保证公司各类财物安全10如发生财物丢失,视金额数目每次扣_0.5__分负责各自岗位执勤、站岗和现场安全工作,不迟到、早退10如出现门岗站姿不端正,服务意识不到位等情形,每次扣__0.2_分严格检查厂家撤场与进出货情况,保证各类手续齐全10如发现违规,每次视情节严重与否扣__1_分序号指标内容评分标准季度分值2做好非营业时间的巡检工作,按要求做好电子或签字巡检10如出现遗漏,每遗漏3-5点扣__0.2_分,5点以上扣__1_分1其他考核(15分)备注:1、对于“加分项考核”,以“季度”为一个考核周期,每季合计加分最高不得超过20分。
C 安全台帐应急管理定应急预案,定期进行应急培训和演练,并对演练效果进行评价、 昊龙建筑公司员工月度绩效考核表岗位名称考核时间专职安全员 考核人考核期限 直接上级年 月 日 年 月 日序号一指标 部门满意 度 计分标准如因自身原因导致与其他及上级部门配合不佳,经查属实,发生一次扣 0.5 分。
提出后又不能及时改正,每发生一次扣 3 分;标准分15自评 考核二三认真贯彻执行国家、省、市关于安全生产的方针、政策,以及 遵守制度 法律法规,认真做好工程施工安全生产的监督和管理工作,未按要求完成每次扣 1 分;工作任务 计分标准1065自评考核A 、 每日进行现场安全巡查,发现安全生产问题及时进行整改, 并落实整改情况;B 、组织协调安全附件、安全设施、设备的检测 1安全检查 工作; 、对进场人员及机械设备的安全情况(特种作业人员证件、 机械设备的准入证、检测合格证等)进行有效的检查、监督与管 20理;D 、对现场的安全和文明施工情况进行监督检查;未按要求完 成每项扣 0.5 分;A 、严格执行危险作业许可制度,作业前进行风险分析,制定控2现场(作 业)安全管理制措施;B 、作业现场警示标识符合要求,配备了必要的安全防 护用品(具)及消防设施与器材;C 、严格执行操作规程,不违章作 业,不违反安全纪律、工艺纪律、劳动纪律和环保纪律;D 、严 格进行检修作业前的安全条件确认及作业完成后的安全验收,并20做到“工完、料尽、场地清” 。
未按要求完成每项扣 0.5 分;未按规定进行安全台账登记与完善,并对重要的安全资料进行存 35档与保管,每次扣 0.5 分;A 、建立完善应急指挥与救援系统,明确职责;B 、按要求对安全 防护设施及应急设施进行定期检查,落实专人维护保养;C 、制 410对预案进行评审和修订; D 、按照事故处理原则,对事故进行调 查处理和总结。
每缺一项扣 0.5 分;建筑公司出现安全生产事故应及时通知公司领导和安全生产副5事故上报 经理;做好每个季度安全生产事故伤亡统计表和季度安全总结的上报工作,迟报一次扣 0.5 分,不报本项分全扣;10四、工作态度 10 分考核标准要素 主动性服从性责任感协作性出勤率一贯达到要求,计 2 分,绝大部分时间达到要 标准分 22222 求,计 1.5 分,大部分情况达到要求,计0.5考核奖罚事项奖惩事项得分面谈摘要分。
安全员岗位绩效考核表本文档旨在介绍《安全员岗位绩效考核表》的目的、背景以及该表的重要性和作用。
安全员岗位绩效考核表》是一种用于评估安全员工作表现的工具。
安全员在组织中扮演着至关重要的角色,负责监督和管理安全事务,确保工作场所的安全和健康。
通过对安全员岗位绩效进行定期评估,可以帮助确保安全员履行其职责的质量和效率,并为进一步改进安全工作提供指导。
这份绩效考核表包含了一系列评估项目和指标,以客观地评估安全员在各个工作领域的表现。
它可以用来评估安全员的技能水平、执行能力、沟通和协调能力、问题解决能力以及对工作场所安全规范和法规的遵守情况等。
通过对这些方面进行全面评估,可以确保安全员在工作中发挥出最佳的职业素养和能力。
这份绩效考核表的重要性在于帮助企业或组织提高安全管理水平和工作效率。
通过定期评估安全员的绩效,可以及时发现问题和不足,并采取针对性的改进措施。
同时,绩效考核还可以激励安全员不断提升自身的专业能力和工作表现,从而提高整个工作团队的安全意识和能力。
总之,安全员岗位绩效考核表对于保障工作场所的安全和健康至关重要。
通过有效评估安全员的表现和提供改进建议,可以帮助组织建立良好的安全管理机制,提高工作效率和质量。
安全计划执行考核要求:安全员能够积极执行公司制定的安全计划,包括每日、每周和每月的安全活动。
评分标准:根据安全员完成的安全计划数量和质量评分,充分考虑计划执行的准确性和成果。
事故预防考核要求:安全员能够积极采取措施预防事故的发生,包括定期检查设备、维护安全设施以及推动安全培训等。
评分标准:根据安全员实施的事故预防措施的数量和效果进行评分,同时考虑预防措施的可行性和创新性。
员工培训考核要求:安全员能够有效组织和开展员工培训,提升员工的安全意识和技能,包括安全操作规程、急救知识等。
评分标准:根据安全员组织的培训活动的覆盖率、参与度和培训效果评分,同时考虑培训活动的创新性和实用性。
安全记录管理考核要求:安全员能够及时、准确地记录和报告安全事件、事故和整改情况,保证数据的完整性和可追溯性。
兼职安全员月度绩效考核表
姓名:所属部门:考核周期:年月
分类考核项目序号考核标准
考核情况说明
(可另附证明材料)
权重评分
工伤事故 1 本车间/部门当月没有发生轻微伤事故10
劳保用品
当月安全专员的日常巡查中,发现劳保用品佩戴不合格的
2
情况扣2 分/次(以照片和拍照日期为依据)
20
基准分
(60 分)
安全检查
安全教育3 当月车间兼职安全员至少组织安全大检查(每月一次)5
当月开展车间安全检查工作 3 次以上(每周一次,以检查
4
记录和照片为依据)
5
当月召开了以班组长为主体的车间级安全会议(每月一次,
5
以会议签到表、会议纪要和照片为依据)
5
当月应组织各班组长在早会上融合员工安全教育 3 次以上
6
(每周一次)
5
隐患整改
厂级安全大检查后,计划在当月完成的危险源整改在月底
7
全部完成(以整改计划表和截止完成时间复查情况为准)
10
绩效分
(40 分)
安全检查
安全会议
车间安全检查时每检查出一个隐患并及时整改加 1 分(以
8
检查记录和相片为依据)
5
每月组织的安全工作会议中的会议记录规范完整 1 分/项
9
(以会议纪要为准)
3
按时落实车间安全会议中决定的任务加 1 分/项(以安全专
10
员复查结果为准)
4
11 员工三级安全教育复查合格加1 分/人5
安全教育主题活动
每周班组长组织的安全教育早会,检查人员抽查的人员能
12 够说出早会教育的内容并按照早会讲解的要求去改正自己3
的行为,加 1 分/人(以安全专员复查结果为准)
安全看板的内容每月更新加分(分为三级:最低级是用公
司发放的资料张贴加 1 分,稍好的用车间自行整理的资料
13
张贴加3 分,最高级的是用自行整理的资料,并且排版精
5美加 5 分)
按要求完成安全生产主题活动开展情况加 3 分(以主题月
14
活动方案和实际完成情况为依据)
3
个人学习
15 提出安全工作持续改善提案并被采纳加1 分/项2
16 有效有其他人员分享个人学习成果加1-3 分3
17 当月无员工劳保用品佩戴不符合要求记录的加5 分5
劳保用品18 当月劳保用品的发放记录信息明确,帐物正确无误加5 分5
三级安全教育复查时,发现有入职超过 30 天但未进行车间
19
级和班组级安全教育的扣1 分/人
10
厂级安全检查整改后的问题再次出现时每项问题扣 2 分/次
20
(劳保佩戴除外)
10
奖励系数等级评分范围:S:95 以上(含)A.90(含)~95 B.80(含)~90 C.70(含)~80 D.60(含)~70 得分。