(精品)项目安全员绩效考核表
- 格式:wps
- 大小:52.51 KB
- 文档页数:4
员工绩效考核评分表
姓名岗位安全员所属部门项目部考核
负责人考核期限自年月日至年月日
考核项目考核内容
做到熟悉施工图及有关技术规范和操作规程,了解设计
要求及细部节点做法,检查每道工序
检查班组作业前的准备工作,是否符合条件,指导监督
工人、班组每道工序
认真贯彻、执行国家颁布的安全法规及企业内
部的各项安全规章制度
关键部位加强检查、跟踪,预防事故发生
工作内容
现场质量、安全、进度、文明施工、成本、材料控制实
施
制定安全技术措施,向班组安全技术交底
纠正违章违纪、违反施工操作规程
掌握安全重点部位,检查安全防护设施。
现场节约成本,不浪费材料、人工、机械
□对客户热情礼貌
□对工作主动、积极、进取
服务意识□对本职工作尽职尽责
□对同事态度真诚热情
□积极配合其他部门员工工作
团体精神□内部员工之间互相配合
□顾全大局、以公司利益为重
组织纪律□遵守公司各种规章制度
□遵守有关法律、法规
考核总分
提议或意见:应得分自评主管经理
分评分评分10
6
10
7
10
7
5
7
6
3分
3分
3分
3分
3分
3分
4分
5分
5分
100。
安全员绩效考核评分表安全员绩效考核评分表(标准版)使用说明一、引言安全员绩效考核评分表(标准版)是专为建筑工地、生产车间等需要高度安全管理的场所设计的绩效考核工具。
本表旨在全面、客观地评估安全员在日常工作中的表现,确保其能够有效履行安全监管职责,提升整体安全管理水平。
以下是对该评分表的使用说明,旨在帮助考核人员准确、高效地实施考核工作。
二、表格结构说明基本信息栏:姓名:填写被考核安全员的姓名。
岗位:明确标注为“安全员”。
考核负责人:记录负责本次考核的负责人姓名。
考核期现:填写具体的考核时间段,如“XXXX年XX月XX日至XXXX年XX月XX日”。
考核项目与内容:考核表分为多个考核项目,包括工作内容、职业素质、服务意识、团结精神和组织纪律等,每个项目下又细分若干考核内容,每项内容均有对应的分值。
工作内容:重点考核安全员在施工现场的安全管理、隐患排查、教育培训、整改监督等方面的具体工作表现。
职业素质:评估安全员的工作态度、责任心、专业技能等综合素质。
服务意识:考察安全员对工作的主动性、服从性以及对同事和本职工作的态度。
团结精神:评估安全员在团队中的协作能力、大局观念及对公司利益的重视程度。
组织纪律:关注安全员对公司及项目部规章制度的遵守情况,包括作息时间、日常办公制度及保密要求等。
评分栏:应得分:每项考核内容后留有空白,供考核人员根据被考核安全员的实际情况打分。
考核总分:表格底部设有“考核总分”一栏,用于汇总各项考核内容的得分,总分为100分。
三、考核流程准备阶段:考核负责人需提前熟悉考核标准,准备考核所需材料,包括被考核安全员的工作记录、培训记录、隐患排查记录等。
实施考核:按照考核项目和内容逐一进行评分,确保评分过程公正、客观。
对于难以量化的考核内容,可结合被考核安全员的实际表现、同事评价及工作成果等多方面因素进行综合评价。
汇总分数:将各项考核内容的得分相加,得出考核总分。
撰写评语:考核负责人可根据考核总分及被考核安全员的具体表现,撰写简要的评语,指出其优点和不足,提出改进建议。
安全员个人绩效考核表一、引言安全员个人绩效考核是评估安全员在工作中所展现的能力、责任心和成效的工具。
通过对安全员的个人绩效进行全面评估,可以为企业提供数据支持,以使安全工作能够持续改进和发展。
二、安全员日常工作考核指标2.1 制定并执行安全管理制度安全管理制度是企业安全管理的基础,安全员要负责制定和执行相关的安全管理制度。
在考核中,可以通过以下指标评估安全员的工作情况:•制定和完善安全管理制度的时间和效果•制定的安全管理制度是否与国家法律法规和企业实际相符•对员工的安全管理制度培训情况•安全管理制度的实施情况和效果2.2 现场安全管理现场安全管理是安全员的重要职责之一,安全员需要对现场进行全面、及时的安全管理。
以下是评估安全员现场安全管理情况的指标:•现场安全巡查的频率和质量•管理临时施工现场安全的能力•安全事故的处理和报告情况•安全防护设施的管理和维护情况2.3 安全培训和教育安全员还需要负责组织安排员工的安全培训和教育工作,以下是安全员在安全培训和教育方面的考核指标:•安排员工参加必要的安全培训和教育•员工安全培训和教育的效果和反馈•制定安全培训和教育计划的能力•安全培训和教育资源的合理利用三、安全员综合能力考核指标3.1 安全风险识别和评估安全员需要具备准确识别和评估企业现有的安全风险的能力,以下是对安全员安全风险识别和评估能力的考核指标:•安全风险的准确识别和评估•制定应对安全风险的措施和方案•安全风险评估的有效性和可行性分析3.2 应急管理能力安全员需要具备应急管理的能力,以应对突发事件和事故。
下面是对安全员应急管理能力的考核指标:•制定应急预案和组织演练•突发事件和事故应急处理的能力•应急管理工作的及时性和有效性•应急资源调配和利用的能力3.3 安全调查与分析安全员需要进行安全调查和分析,寻找事故的原因并提出改进措施,以下是安全员安全调查与分析能力的考核指标:•安全事故调查的深入和全面性•安全事故原因分析能力•提出改进措施和预防措施的能力•安全事故调查报告的规范性和准确性3.4 安全文化建设安全文化建设是企业持续发展的基础,安全员需要负责推进安全文化建设,以下是对安全员安全文化建设能力的考核指标:•安全文化建设的具体措施和计划•安全文化建设的领导和沟通能力•安全文化建设效果的评估和反馈•安全员对安全文化建设的贡献和影响力四、个人素质和工作态度考核指标4.1 职业道德和责任心安全员作为一名专业人士,需要具备良好的职业道德和责任心,以下是对安全员职业道德和责任心的考核指标:•遵守相关法律法规和职业道德规范•对工作的认真态度和责任心•对安全工作的热情和投入程度•意识到安全工作的重要性和风险意识的培养4.2 学习和创新能力安全工作是一个不断变化和进步的领域,安全员需要具备学习和创新的能力,以下是对安全员学习和创新能力的考核指标:•持续学习新的安全知识和技能•运用新技术和新理念推进安全工作•对安全工作中问题提出解决方案的能力•对行业内新技术和新方法的关注和学习4.3 团队合作和沟通能力安全员需要与多个部门和岗位进行合作,所以团队合作和沟通能力是非常重要的,以下是对安全员团队合作和沟通能力的考核指标:•与其他部门和岗位的合作配合•有效沟通和协调工作任务•具备良好的团队合作精神和合作意识•解决团队间冲突的能力和处理问题的能力五、总结安全员个人绩效考核表是对安全员工作的全面评估和总结,通过考核可以及时发现问题,并对工作进行调整和改进。
专/兼职安全员绩效考核表考核日期:年月被考核人职务安全员管辖范围负责全管段考核内容考核标准得分1. 每周一次认真安全巡检并作好安全隐患记录;否则扣1~ 4 分。
2. 全季度没有任何安全事故发生,现场不存在安全隐患;否则扣1~ 3 分。
安全 3. 在生产部进行的安全检查中无安全隐患存在。
否则扣 5 分。
管理 4. 积极组织事故处理,并在一小时内报领导和有关部门,对事故现场进行周密调查,15 为事故分析提供详细周密的第一手资料,及时妥善处理事故结果。
否则扣1~3 分。
安全1.能够结合工地的实际情况制定每季度安全培训计划,计划的落实率达到90%,并技术有相应的培训记录且真实全面。
否则每降低5%扣 10 分。
任培训2.工地培训计划执行不力,无故拖延计划扣1~ 3 分,影响工地年度培训计划完成务15扣5分。
绩 1. 工地安全标示到位,否则扣 1 分;公司检查中发现问题的,扣 2 分。
有随意移动标示标牌等现象的,扣 1 分。
效日常80 工作 2.未按规定配戴安全帽的,扣 1 分。
10 3.有违犯《员工手册》行为每次扣 5 分材料 1.20 日前报送材料计划,每迟报、漏报、错报一次扣 5 分。
计划 2.每月 25 日前报送材料计划,每漏报、错报,拖延一天扣 5 分10现场 1. 能合理保持现场安全,没有因安全问题耽误生产的正常进行,否则扣10 分。
安全 2. 现场标示标牌摆放位置准确。
否则每降低5%扣 5 分。
管理 3. 每发生一次现场事误,扣15 分。
301. 工作能兢兢业业、忠于职守,否则扣1~ 2 分。
周团队 2. 勇于承担责任,工作中不推诿扯皮,否则扣1~ 2 分。
边建设 3. 具有良好的团队精神、奉献精神,否则扣1~ 2 分。
绩10 4. 积极参加公司、项目部的各项活动;否则扣1~ 2 分。
效 5. 积极进取,保持旺盛的工作热情和乐观的工作态度,否则扣1~2 分。
20创新1. 工作中存在的问题有创新思维、有改进办法,否则扣1~ 3 分。
安全员绩效考核表安全员绩效考核表姓名:____________________ 日期:_____________________岗位职责:1. 安全巡查:对工作区域进行定时巡查,发现安全隐患及时报告并采取控制措施(评分:_________)2. 风险评估:对工作过程中的风险进行评估,提出有效的改进措施(评分:_________)3. 安全培训:组织并参与针对员工的安全培训活动,确保员工具备必要的安全知识和技能(评分:_________)4. 事故报告与分析:及时报告并分析事故和事故导致的原因,提出预防措施(评分:_________)5. 安全制度与政策:推广和执行公司的安全制度和政策,确保员工遵守(评分:_________)6. 安全记录管理:详细记录和管理安全相关的信息和文件,包括巡查记录、安全培训记录等(评分:_________)7. 安全意识培养:积极参与安全意识培养活动,提高员工的安全意识(评分:_________)8. 安全报告:按时提交安全报告,总结工作情况并提出改进意见(评分:_________)绩效评估标准:1. 优秀(90-100分):工作积极主动,责任心强,对安全工作高度重视,出色完成各项工作任务。
2. 良好(80-89分):工作认真负责,能够独立完成工作任务,具备一定的安全管理能力。
3. 合格(70-79分):工作较为稳定,能够按规定完成工作任务,但对安全管理还有一定待提高的地方。
4. 不合格(<70分):工作态度消极,对安全工作缺乏重视,不能独立完成工作任务。
评分说明:1. 每项评分范围为0-100分,满分为_________分。
2. 根据工作实际情况,对每项工作进行评分并在相应的评分框内填写分数。
3. 根据各项工作的重要程度,对各项评分进行加权平均,得出最终的绩效评分。
评分人:____________________ 审核人:_____________________备注:_________________________________________________________ __________。
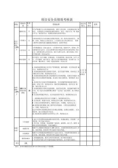
项目安全员绩效考核表
一、考核方法
项目安全员的主要绩效考核指标以关键绩效指标考核和关键事件考核两种方法
结合进行。
项目技术员的关键绩效指标主要有:安全生产、质量控制、文明施工、
工程进度、材料管理、技术管理;关键事件包括两类事件:积极事件和消极事件。
对积极事件的发生采取额外加分的形式,对消极事件的发生采取减分的形式。
加
减分的标准按事件发生的轻重程度分为轻、中、重三个等级,分别予以不同程度
的加分和减分。
二、考核量表
1、基本绩效考核指标(总分20分)
考核项目考核内容和方式标准分考核者
工作态度主动性:对职责范围内的事是否主动积极完成。
不主动、不积
极每次扣1分,下不保底。
2
责任心:是否能勇于承担责任,工作不推诿。
每发生一次推诿现
象,扣1分,下不保底。
2
遵守纪律是否能严格遵守《项目管理手册》。
每违反一次,扣0.5分。
2
业务素养思想觉悟状况、工作是否任劳任怨,诚恳敬业。
有不负责任的言
行,每次扣1分,下不保底。
2
专业知识的学习与业务能力的提升状况。
同一类失误连续发生,
除第一次外,每次扣1分,下不保底。
2
工作协调协调项目部内部事务,确保主管各项工作顺利进行。
由于协调不
到位影响到工作进程,每次扣1分,下不保底。
2
协调对外的关系时采取的措施不得力,造成工程停工或其他恶劣
影响,每次扣2分,下不保底。
2
执行制度执行公司管理制度,制定、完善生产部门的管理制度并监督执行。
执行制度原则性错误,每次扣1分;制度执行不力,每次扣0.5
分,下不保底。
2
工作配合协同其他部门开展工作,按时完成上级领导交办的临时性任务。
事务完成不积极,不主动,每次扣1分,下不保底。
3
2、关键绩效考核指标(80分)
考核项目考核内容和方式标准分考核者
安全生产未参加对新进场和转岗工人的安全三级教育以及安全技术交底,班组安全
活动,检查班组活动记录,以及公司、项目的各种安全检查,
检查验收资料与工作进度同步。
每项扣5分,下不保底。
无故不参加各类业务学习扣1分,学习迟到早退者扣2分。
未进行日常检查扣2分,日、周检查记录不全扣1分。
上级部门查出的问题而自查中未发现,每发现一条扣2分。
各级安全检查下发的隐患整改通知单,未按期整改回复的扣2分。
未建立安全生产费用使用台账扣2分;安全生产费用台账统计不规范的扣
1分;安全生产投入不足,也未向上级部门报告的扣1分。
发生轻伤事故扣2分;发生重伤、死亡事故的本项不得分。
起重机械、模板、脚手架、临时用电等工程未履行验收手续而投入使用的
每项扣3分。
特种作业设备未办理安全生产备案手续而投入使用的扣3分。
特种作业人员证件未审查、教育、交底就上岗的(扣2分)。
35
质量控制现场脚手架搭设、设备安装、卸料平台、安全防护、施工通道、临时设施
等施工前未交底、施工时未检查,导致施工完毕后不合格,每发生一次扣
2分。
当月脚手架搭设、设备安装、卸料平台、安全防护、施工通道无返工,加
2分。
5
文明施工未组织、落实文明工地创优计划,扣5分。
现场场容场貌、材料堆放、道路清洁、现场CI标示、宣传标语等日常检
查每发现一处不合格扣1分。
劳务生活区卫生、人工宿舍卫生、宿舍临电管理等,检查不达标,每次扣
3分。
现场安保,管理不力,每次扣1分;现场劳资纠纷未主动协调处理,未上
报,每次扣2分。
现场未对项目部工作人员或特殊作业人员登记备案,每项扣2分。
10
工程进度工作计划制定不合理,影响现场施工进度,每次扣2分。
安全设施验收不及时、不认真,影响工程正常进行,每次扣3分。
协调对外的关系时采取的措施不得力,造成工程停工或其他恶劣影响,每
次扣3分,下不保底。
项目部完成月进度计划,每提前1天,加0.5分,上不封顶。
5
材料管理未对安全防护用品进行检查、验收、登记、备案,每项扣2分。
3 成本控制分包工程进度款、结算意见签署不准确,每次扣2分,造成损失另行处罚。
2
目标任务每周计划工作任务未及时完成,每项扣2分,下不保底。
因工作不力、滞后、失误、影响现场生产,每次扣10分。
如项目经理临时交办事宜,未按时完成,每次扣10分。
各会议纪要明确事宜,未按会议纪要时限要求完成,每次扣5分。
20
如现场安全问题导致行政主管部门下发整改通知或监理、业务处罚,每次扣10分。