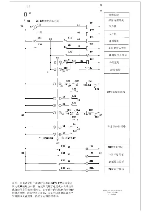
电接点压力表原理及控制泵启停原理图
- 格式:docx
- 大小:210.95 KB
- 文档页数:2
变频恒压供水系统组成及工作原理变频恒压供水最简单的方式:一台变频器,一个电接点压力表。
变频器是电子元件,没有机械运动;水泵总的转速还是跟水量成比例的。
另外,供水系统对水压没精度要求,况且压力波动不会超过0.02MPa(设定0.3MPa时)。
变频器在恒压供水系统中的应用变频恒压供水主要有分为:恒压变流量和变压变流量两大类。
一、变频恒压供水系统组成系统为变频恒压的供水系统,分为冷水、热水两大供水系统,系统为1拖1的恒压供水,两台电机为互备,可选择使用1#泵或2#泵运行,KM3、 KM8为手动工频运行选择,作为变频的维修系统备用,KM2 ,KM3、 KM7,KM8为机械互锁的接触器,保证选择变频运行和工频运行的正确切换。
变频恒压供水的基本原理:以压力传感器和变频器组成闭环系统,根据系统管网的压力来调节电机的转速,实现高峰用户的水压恒定,和低峰时的变频的休眠功能,得到恒压供水和节能的目的。
二、系统硬件参数热水系统:电机参数: Pe=15kw Ue=380v Ie=26.8A Ne=1490rpm变频器型号: 6SE64430-2AD31-8DA0 Pe=18.5kw Ie=38A压力传感器: GYG2000 反馈信号4-20mA 供电+24V 量程0-0.5Mpa冷水系统:电机参数: Pe=22kw Ue=380v Ie=39.4A Ne=2940rpm变频器型号: 6SE64430-2AD33-7EA0 Pe=30.5kw Ie=62A压力传感器: GYG2000 反馈信号4-20mA 供电+24V 量程0-0.5MPa三、PID闭环控制功能原理及调试方法变频器的内置PID功能,利用装在水泵附近的主出水管上的压力传感器,感受到的压力转化为4-20mA电信号作为反馈信号。
根据变频恒压的层高设定压力值作为给定值,变频器内置调节器作为压力调节器,调节器将来自压力传感器的压力反馈信号与出口压力给定值比较运算,其结果作为频率指令输送给变频器,调节水泵的转速使出口压保持一定。
压力表简单介绍一、简介一般压力表属于就地指示型压力表,就地显示压力的大小,不带远程传送显示、调节功能。
在工业过程控制与技术测量过程中,由于一般压力表的弹性敏感元件具有很高的机械强度以及生产方便、安装简单读数方便等特性,使得一般压力表得到越来越广泛的应用。
二、用途一般压力表适用测量无爆炸,不结晶,不凝固,对铜和铜合金无腐蚀作用的液体、气体或蒸汽的压力及真空。
三、工作原理压力表通过表内的敏感元件--波登管的弹性形变,经由表内机芯的转换机构将波登管的弹性形变转换为旋转运动,引起指针偏转来显示压力。
波登管分为C型管、盘簧管、螺旋管等型式。
一般采用冷作硬化型材料(常用材料是铜合金),在退火状态下具有很高的可塑性,经冷作加工硬化及定性处理后获得很高的弹性和强度。
C型波登管敏感元件截面显椭圆形,测量介质的压力作用在波登管的内侧,这样波登管椭圆截面会趋于圆形截面。
由于波登管微小变形,形成一定的环应力。
此环应力会使波登管向外延伸。
由于弹性波登管头部没有固定,其就会产生小小变形。
四、主要技术参数1)表盘直径(mm):¢40;¢50;¢60;¢75;¢100;¢100;¢150;¢200;¢2502)精度等级(%):1.0;1.6;2.5;4.03)测量范围(Mpa): 0~0.1、0~0.16、0~0.25、0~0.4、0~0.6、0~1、0~1.6、0~2.5、0~4、0~6、0~10、0~16、0~25、0~40、0~60、0~100;-0.1~0、-0.1~0.06、-0.1~0.15、-0.1~0.3、-0.1~0.5、-0.1~0.9、-0.1~1.5、-0.1~2.44)参比工作条件a)使用工作温度:-40℃~70℃;b)抗工作环境振动:V²H²3级;c)相对湿度不大于90%;5)温度影响:不大于0.4%/10℃(使用温度偏离20±5℃) ;6)执行标准:GB/T1226-2001 ;五、安装方式:1)径向直接安装2)径向带后边 3)轴向直接安装 4)轴向带前边六、常用国标连接螺纹尺寸七、使用注意事项1)工作压力使用全量程的 1/3 ~ 2/3 为宜,使用范围最高不得超过满刻度的 3/4 。
家用压力罐的内部原理及原理图展开全文家用压力罐的内部原理如下:压力罐一般安装在配水泵与管网之间。
水泵启动后,即向管网供水,多余的水则贮存至罐内,并使罐内水位上升,罐内空气受到压缩,压力随之增高。
当罐内压力达到所规定的上限压力值时,由管道与罐顶部相连通的电接点压力表的指标接通上限触点,发出信号,切断电源,停泵。
用户继续用水,罐内压缩空气将罐内的水压入管网,水位下降,罐内空气压力也随之下降。
当降至所要求的下限压力值时,电接点压力表的指标即接通下限触点,继电器动作,电机与电源接通、水泵重新启动工作。
正常情况下,水泵可在无人控制的情况下工作,并可根据用水量的变化,自行调整水泵开停次数与工作时间,保证向管网连续供水。
压力罐有补气式和隔膜式两种类型。
补气式压力罐中空气与水直接接触,经过一段时间后,空气因漏失和溶解于水而减少,使调节水量逐渐减少。
水泵启动渐趋领繁,因此需定期补气。
补气方法有空气压缩机补气、水射器补气和定期泄空补气等。
隔膜式压力罐气水分开,水在橡胶(塑料)囊内部,外部与罐体之间的间隙预充惰性气体,一般可充氮气。
这种压力罐没有气溶与水的损失问题,可一次充气,长期使用,不必设置空气压缩机。
因此,节省了投资,简化了系统,扩大了使用范围。
原理图如下:压力罐用于闭式水循环系统中,起到了平衡水量及压力的作用,避免安全阀频繁开启和自动补水阀频繁补水。
膨胀罐起到容纳膨胀水的作用外,还能起到补水箱的作用,膨胀罐充入氮气,能够获得较大容积来容纳膨胀水量,高、低压膨胀罐可利用本身压力并联向稳压系统补水。
本装置各点控制均为联锁反应,自动运行,压力波动范围小,安全可靠,节能,经济效果好。
电接点压力表原理及控制泵启停原理图
电接点压力表有三根接线,一根是公用的,表针是可调的,可将一个表针调到下限压力,接低压启动控制继电器,另一个表针调到上限压力,接高压停止继电器,公用线是高低压控制的公用线•上面的指针是上限,下面的指针是下限,中间的黑色指针指示是实际压力的数值•实际压力在上限之上时,与上限接通,与下限断开.实际压力在上下限之间时,公共端与上限,下限都断开.实际压力在下限之下时,公共端与下限接通,与上限断开,电接点压力表就是控制上下限压力用的
N
FU SA
IT J
KlVH
14 Fl
K2
H I-J ⅛¾f⅛⅜
KI
Ll ⅛t电器
13-。
电接点压力表的应用及原理摘要:随着自动化程度的提高,电接点压力表在实际应用中越来越广泛。
1 前言在实际的生产或生活中,常需要测量某些介质的压力,如油压、水压或气压等,随着自动化程度的提高,为实现控制相应介质的压力,常常将介质压力转换为相应的电信号进行处理,而电接点压力表不仅可用来测量介质压力,同时也可将测得的介质压力转换为电信号,进而实现自动控制的目的。
电接点压力表与普通压力表的区别在于电接点压力表有电气部分[1],电接点压力表大致可以分为机械与电气两部分,其中,机械部分可以检测介质压力,而电气部分可将压力值转换为电信号,由于电信号便于传输与转换,因此,电接点压力表不仅可测量介质压力,也可实现相应的控制目标。
电接点压力表用途广泛,如消防泵备自投[2]、稀油站压力信号转换[3]、农村供水系统水压力信号转换等[4]。
在工业生产中,一些介质的压力正常与否关系着设备能否正常运行。
例如,大型变压器储油柜胶囊压力是否正常与变压器能否正常运行息息相关,但该胶囊的位置较为隐蔽,其压力较难检测[5],此外,为保证变压器的安全运行,需将其压力值作为控制参数,而压力值往往需要转换为电信号才便于实现控制,此时,采用电接点压力表可方便地解决该问题。
2 用途电接点压力表作为一种测量仪表,主要由显示、测量和控制等几部分组成,常用来测量流体压力,电接点压力表与相应元件配合可实现相应自动化控制目标。
电接点压力表常用于对无腐蚀性气体或液体介质进行正负压力测量,当被测对象的压力达预先设定值时,可通过控制手段达到预定目的。
电接点压力表的工作主要依赖于弹簧管、拉杆、传动机构、齿轮、刻度显示盘及控制电路来实现。
当采用该仪表测量介质压力时,在被测介质的压力下,弹簧管受力将发生形变,该形变结果通过拉杆和传动机构,并结合电接点压力表内部的齿轮,使弹簧管的压力形变反映在刻度显示盘上,便于直接观察被测介质压力。
此外,刻度显示盘的指针装有辅助触头,当相应辅助触头合、分时,控制电路也将相应地进行通、断,进而实现控制和报警的目的。
关于采暖系统常用补水定压设计的比较分析摘要:本文从工程运行的具体使用的角度,介绍了几种供热系统常用的定压补水装置的基本原理、性能特点等,以便于广大用户根据工程的具体情况,通过比较分析,合理选用适合工程实际的定压补水方式,既满足安全、可靠、先进的要求,又兼顾了运行经济、环保及便于操作要求的装置。
关键字:暖通空调、定压补水、性能特点、合理选用一、几种常用的定压补水方式及其特点1、高位膨胀水箱补水定压方式这一补水定压方式,是在热水供暖系统的最高点设置高位开式膨胀水箱,在水箱中设定最高和最低水位,并通过水位电信号控制补水泵的启停,低水位启泵、高水位停泵。
这种方式具有初投资省、运行费用低、压力稳定等优点;但因开式水箱与大气连通,空气易通过水箱进入系统内,由此引起的管道系统的氧化腐蚀问题是这种方式最大的缺点,另外水箱设于建筑物的最高顶层以上,平时的运行管理也有诸多的不便,因此,这种补水定压方式比较适用于小型热水采暖系统。
2、落地式膨胀定压罐补水定压方式这一补水定压方式是在补水泵附近设置落地式膨胀定压罐,通过电接点压力表控制补水泵。
由于气囊式定压装置隔绝了水系统与大气的连通,因此管道系统的氧化腐蚀明显减轻,而且只要简单地调整电接点压力表的上下限位置,在保证原有建筑不超压的前提下,就能很好地适应扩建的更高建筑物的需要。
另外落地式膨胀定压罐设于泵房内,非常便于管理。
基于以上一些优点,这种补水定压方式适用于供暖面积不太大且单体建筑高度不太高的热水采暖系统。
但这种补水定压方式不是很适用于区域集中供热或高层、超高层建筑的情况,具体原因如下(1)、对于区域集中供热的工程,由于管线长、用户多,因此系统的补水量较大,由电接点压力表控制的补水泵将频繁启停,每小时的启泵次数远高于6~8次的合理值,致使补水泵的寿命大大降低。
同时,由于系统压力波动大,引起静压处在上下限值之间的建筑物频繁“充放气”,导致该高度范围内的建筑物往往无法正常供暖。
消防稳压泵频繁启停?别担心看这里!摘要:通过对造成稳压泵频繁启停现象原因的调查分析,详细阐述了改进系统设计配置组件和改进稳压泵自动控制电路两种主要的稳压泵频繁启停现象的改进措施。
关键词:稳压泵,频繁启停,自动控制电路,工程设计1引言在临时高压消防给水系统中,为了满足在火灾发生的初期消防主泵不能及时向系统供给灭火所需的水量和水压之前,系统能自动地向火场提供扑灭火灾初期所需的水量和水压,系统需要设置增压稳压设施。
常用的增压稳压设施有高位水箱、稳压泵、气压给水装置等。
其中稳压泵不可以单独设置。
通常都是这几种设施组合使用;有稳压泵、高位水箱组合上置式稳压系统,稳压泵、气压罐及高位水箱组合上置式稳压系统,稳压泵和气压罐设置在消防泵房的下置式稳压系统等多种组合方式。
因上置式稳压系统配用稳压泵的扬程低,配用气压罐最大工作压力小,有利于节省工程投资及系统投入使用后的运行费用,应用最为广泛。
正因为稳压泵在工程中应用较多,在系统建成后运行中出现的问题也较多。
本文通过对上置式稳压系统中稳压泵经常出现的频繁启停现象进行分析,并提出两种解决此问题的改进措施。
2稳压泵频繁启停现象改进措施分析2.1稳压泵频繁启停现象在带有稳压泵的上置式稳压系统中,通常稳压泵受控于设置在系统管道上的压力检测装置,并自动启动停止。
稳压泵在系统中的工作过程是当系统管道中的压力低于稳压泵稳压压力下限值时,稳压泵启动对系统管道进行补水稳压;当系统管道中压力高于稳压泵稳压压力上限值时,稳压泵停止运行。
稳压泵在稳压上下限压力值之间周而复始的工作。
在许多工程中,稳压泵经常会出现在系统管道压力低于稳压下限压力值时启动后,没隔几秒就停止,然后又重新启动,直至系统管道中的压力达到稳压压力上限值,才最后停止这一工作过程。
也即出现稳压泵的频繁启停现象。
2.2造成稳压泵频繁启停现象原因分析经过在一些比较典型的工程中调查分析,得出造成稳压泵频繁启停现象懂的几个方面原因:一、造成稳压泵频繁启停现象的最主要原因是稳压泵启动后,因系统只是轻微泄漏泄压情况,系统管道还是带有压力水的有约束界限的密闭管道,压力检测装置所在的测量点处的压能不能马上传递出去,造成局部压力快速升高,达到稳压泵的稳压上限压力,压力检测装置即控制水泵停止运转。
压力继电器的工作原理压力继电器是一种常用的保护装置,它通过测量管路中的压力变化来监测系统的工作状态,并根据设定的阈值来判断是否需要触发继电器,从而实现对系统的自动控制和保护。
本文将介绍压力继电器的工作原理及其应用。
压力继电器的组成压力继电器由以下几部分组成:1.压力感应部分:包括压力传感器和电桥电路,用于将压力信号转换为电信号。
2.继电器控制部分:由继电器、控制电路、控制开关等组成,用于监测压力信号,判断是否需要触发继电器,并控制相关设备的启停。
3.显示部分:包括压力表和指示灯等,用于显示当前系统的工作状态。
压力继电器的工作原理压力继电器的工作原理基于以下几个原理:1.压力感应原理:当管路中的压力变化时,压力传感器会将这种变化转换为相应的电信号,而电桥电路则能够将这种电信号进行放大和处理,使之更加稳定和精确。
2.阈值判断原理:通过预设的阈值参数,压力继电器可以判断当前的压力值是否超出了设定的范围,如果超出了设定的范围,那么继电器就会触发开关机制,控制相关设备的启停。
3.继电器开关原理:在继电器控制部分,通过控制开关和电路板的开合,可以触发继电器的开关机制,从而实现对相关设备的控制和保护。
基于以上原理,压力继电器能够实现以下几个功能:1.压力监测:能够实时监测管路中的压力变化,快速响应异常情况,及时进行处理。
2.防止过载:当管路中的压力超出了设定的阈值范围时,能够及时触发继电器,切断电路并控制相关设备的停止运行,从而保护系统不受过载损坏。
3.控制启停:通过控制开关和电路板的开合,能够实现对相关设备的启停控制,从而达到对系统的自动控制和保护。
压力继电器的应用压力继电器广泛应用于工业、农业、航空、化工等领域,常见的应用有:1.水泵和水处理系统控制:通过监测水泵和管路中的压力变化,控制水泵的启停和水处理设备的运行和关闭,从而实现对水处理系统的控制和保护。
2.液压系统控制:当液压系统中的压力超出设定的阈值范围时,能够及时触发继电器,切断电路并控制相关设备的停止运行,从而保护系统不受过载损坏。
压力表工作原理及结构用来测量气体或液体压力的工业自动化仪表,又称压力表或压力计。
垂直均匀地作用于单位面积上的力称为压力,又称压强。
压力表可以指示、记录压力值并可附加报警或控制装臵。
仪表所测压力包括绝对压力、大气压力、正压力(习惯上称表压)、负压 (习惯上称真空)和差压。
图1各种压力间的关系表示各种压力间的关系。
工程技术上所测量的多为表压。
压力的国际单位为帕(Pa)。
压力的其他单位还有:工程大气压(kgf/cm2)、巴(bar)、毫米水柱(mmH2O)、毫米汞柱(mmHg)(即托)等。
压力是工业生产中的重要参数。
如高压容器的压力超过额定值时便是不安全的,必须进行测量和控制。
在某些工业生产过程中,压力还直接影响产品的质量和生产效率,如生产合成氨时,氮和氢不仅须在一定的压力下合成,而且压力的大小直接影响产量高低。
此外,在一定的条件下,测量压力还可间接得出温度、流量和液位等参数。
弹性式压力测量仪表利用各种不同形状的弹性元件在压力下产生变形的原理制成的压力测量仪表。
弹性式压力测量仪表按采用的弹性元件不同分为弹簧管压力表、膜片压力表、膜盒压力表和波纹管压力表等;按功能不同分为指示式压力表、电接点压力表和远传压力表等。
这类仪表的特点是结构简单,结实耐用,测量范围宽(-0.1~1500兆帕),是压力测量仪表中应用最多的一种。
一、压力表1.1、压力表的工作原理弹簧管压力表又称为波登管压力表。
压力表中的弹簧的自由端是封闭的,它通过拉杆带动扇形齿轮转动。
测压时,弹簧管在被测压力作用下产生变形,因而弹簧管自由端产生位移,位移量与被测压力的大小成正比,使指针偏转,在度盘上指示出压力值。
如果表壳内通有大气,压力表测出的压力为正压或负压;如果将表壳密封并抽真空,压力表测出的压力就是绝对压力。
弹簧管压力表带有隔离装臵时,尚可测量温度较高或腐蚀性、粘稠状、易结晶和粉尘状介质的压力。
在精确度较高(如0.25级以上)的弹性式压力测量仪表中,弹性元件多用恒弹性合金以至石英玻璃制成。
图为水泵自动上水电接点压力表控制接线图公司内部档案编码:[OPPTR-OPPT28-OPPTL98-OPPNN08]
图1为水泵自动上水电接点压力表控制接线图,工作过程:当水压降低时电接点压力表中间触点与低限触点接通--经K1常闭触点到达接触器K (主接触器),K线圈得电吸合,K辅助常开触点接通,使K形成自保持电路(这时因压力上升电接点压力表中间触点与低限触点已离开),K得电带动主触点接通电源供给水泵工作。
当压力上升到设定压力时,电接点压力表中间触点与高限触点接通,经K辅助触点到达K1(继电器)线圈,K1吸合,K1辅助常闭触点断开K线圈释放,主触点断开停止给水泵工作电源。
K1线圈串入辅助触点K的目的是为了K1能够可靠关断,因压力表在高压区压力抖动造成电接点有时也会接触不可靠,所以串入辅助触点K,一但K1进入失电K也失电,K失电,K的辅助触点会将K1的回路可靠断开。
图2是手动开启的自动控制电路,有时停电以后,再来电时不希望水泵自动运转,加了一个手动启动停止电路,当按下启动按钮时K3得电吸合辅助常开触点K3连通取代启动按钮,形成自保持电路,一但停电,再来电时不按启动按钮是不会自己转起来的。
磁助式电接点压力表内部结构
磁助式电接点压力表主要由测量系统、指示装置、磁助电接点装置、外壳、调节装置及接线盒等组成。
当被测压力作用于弹簧管时,其末端产生相应的弹性变形,也叫做位移,经传动机构放大后,通过指示装置在刻度盘上指示出来。
同时指针带动电接点装置的活动触点与设定指针上的触头(上限或下限)相接触的瞬时,可使控制系统中接通或断开电路。
磁助电接点装置的电接触信号针上,装有可调节的永久磁钢,可以增加接点吸力,加快接触动作,从而使触点接触可靠,消除电弧,能有效地避免仪表由于工作环境振动或介质压力脉动造成触点的频繁关断。
以上信息仅供参考,建议咨询专业人士获取更准确的信息。
电接点压力表原理及控制泵启停原理图
Company number:【0089WT-8898YT-W8CCB-BUUT-202108】
电接点压力表原理及控制泵启停原理图
电接点压力表有三根接线,一根是公用的,表针是可调的,可将一个表针调到下限压力,接低压启动控制继电器,另一个表针调到上限压力,接高压停止继电器,公用线是高低压控制的公用线.上面的指针是上限,下面的指针是下限,中间的黑色指针指示是实际压力的数值.实际压力在上限之上时,与上限接通,与下限断开.实际压力在上下限之间时,公共端与上限,下限都断开.实际压力在下限之下时,公共端与下限接通,与上限断开,电接点压力表就是控制上下限压力用的。