高考物理一轮复习 第七章 恒定电流 实验九 描绘小电珠的伏安特性曲线-人教版高三全册物理试题
- 格式:doc
- 大小:1.04 MB
- 文档页数:14
实验八 描绘小电珠的伏安特性曲线1.有一个小电珠上标有“4 V 、2 W ”的字样,现在要用伏安法描绘这个电珠的U -I 图线,有下列器材供选用:A .电压表(0~5 V ,内阻10 kΩ)B .电压表(0~10 V ,内阻20 kΩ)C .电流表(0~0.3 A ,内阻1 Ω)D .电流表(0~0.6 A ,内阻0.4 Ω)E .滑动变阻器(5 Ω,10 A)F .滑动变阻器(500 Ω,0.2 A)(1)实验中电压表应选用________,电流表应选用________。
(用序号字母表示)(2)为使实验误差尽量减小,要求电压从零开始变化且多取几组数据,滑动变阻器应选用________。
(用序号字母表示)(3)请在方框内画出满足实验要求的电路图,并把图中所示的实验器材用实线连接成相应的实物电路图。
图实Ⅷ-8解析 (1)因电珠的额定电压为4 V 。
为保证安全,选用的电压表量程应稍大于4V ,但不能大太多,量程太大则示数不准确,故只能选用0~5 V 的电压表,故选A 。
由P =UI 得,电珠的额定电流I =P U=0.5 A ,故应选择0~0.6 A 量程的电流表,故选D 。
(2)由题意可知,电压从零开始变化,并要多测几组数据,故只能采用滑动变阻器分压接法,而分压接法中应选总阻值小的滑动变阻器,故选E 。
(3)电珠内阻R =U 2P=8 Ω,电压表内阻远大于电珠内阻,应采用电流表外接法,故电路图和实物连接图如图所示。
答案(1)A D (2)E (3)见解析2.图实Ⅷ-9中所示器材为某同学测绘额定电压为2.5 V的小灯泡的I-U特性曲线的实验器材。
(1)根据实验原理,用笔画线代替导线,将图中的实验电路图连接完整。
图实Ⅷ-9(2)开关S闭合之前,图中滑动变阻器的滑片应该置于________。
(选填“A端”、“B端”或“AB中间”)(3)实验中测得有关数据如下表:U/V0.400.80 1.20 1.60 2.00 2.40 2.80I/A0.100.160.200.230.250.260.27 根据表中的实验数据,在图实Ⅷ-10中画出小灯泡的I-U特性曲线。
实验:描绘小电珠的伏安特性曲线考向1实验原理与数据处理1.[2015某某高考,22,10分]图1是小红同学在做“描绘小灯泡的伏安特性曲线”实验的实物连接图.(1)根据图1画出实验电路图.(2)调节滑动变阻器得到了两组电流表与电压表的示数如图2中的①、②、③、④所示,电流表量程为0.6 A,电压表量程为3 V.所示读数为:①、②、③、④.两组数据得到的电阻分别为和.考向2实验方法的拓展与迁移2.[2019某某4月选考,18,5分]小明想测额定电压为2.5 V的小灯泡在不同电压下的电功率,设计了如图1所示的电路.图1图2(1)在实验过程中,调节滑片P,电压表和电流表均有示数但总是调不到零,其原因是的导线没有连接好(图中用数字标记的小圆点表示接线点,空格中请填写图中的数字,如“7点至8点”);(2)正确连好电路,闭合开关,调节滑片P,当电压表的示数达到额定电压时,电流表的指针如图2所示,则电流为A,此时小灯泡的功率为W;(3)做完实验后,小明发现在实验报告上漏写了电压为1.00 V时通过小灯泡的电流,但在草稿纸上记录了下列数据,你认为最有可能的是.考法1 实验原理与方法1有一个额定电压为2.8 V、功率约为0.8 W的小灯泡,现要用伏安法描绘这个小灯泡的I-U图线,有下列器材供选用:A.电压表(0~3 V,内阻约6 kΩ)B.电压表(0~15 V,内阻约30 kΩ)C.电流表(0~3 A,内阻约0.1 Ω)D.电流表(0~0.6 A,内阻约0.5 Ω)E.滑动变阻器(0~10 Ω,2 A)F.滑动变阻器(0~200 Ω,0.5 A)G.蓄电池(电动势3 V,内阻不计)(1)某同学误将电流表和电压表接成如图甲所示的电路,其他部分连接正确,接通电源后,小灯泡的发光情况是(填“亮”或“不亮”).要求小灯泡两端的电压从零开始增大,应选择图乙中的(填“a”或“b”)电路.(2)用正确的电路进行测量,电压表应选用,电流表应选用.(用序号字母表示)(3)滑动变阻器应选用(用序号字母表示).(4)通过实验测得此小灯泡的伏安特性曲线如图丙所示,由图线可求得此小灯泡在正常工作时的电阻为Ω.(5)若将此小灯泡与电动势为6 V、内阻不计的电源相连,要使小灯泡正常发光,需串联一个阻值为Ω的电阻(结果保留3位有效数字).(1)由图甲可知,电压表串联在电路中,电路中的电阻很大,小灯泡不亮;要使小灯泡两端的电压从零开始调节,滑动变阻器应采用分压接法,故电路图应选择b.(2)小灯泡的额定电压为2.8 V,故电压表的量程应略大于2.8 V,则电压表应选A;由P=UI得,额定电流I=UU =0.8W2.8V≈0.29 A,故电流表应选D.(3)本实验中滑动变阻器采用分压接法,为了方便调节,滑动变阻器选最大阻值较小的,故应选E.(4)由图丙可知,当电压为2.8 V时,电流为0.28 A,则电阻R=UU'=10 Ω.(5)要使小灯泡串联在6 V的电源上正常工作,则与它串联的电阻所分电压为6 V-2.8 V=3.2 V,串联的电阻R'=3.2V0.28A≈11.4 Ω.(1)不亮b(2)A D(3)E(4)10(5)11.4要点解读1.描绘小灯泡伏安特性曲线往往要求对小灯泡两端电压或通过它的电流调节X围尽量大,一般要求从零开始调节,因此,滑动变阻器往往采用分压接法.2.在分压接法中,为保证安全和方便操作,滑动变阻器往往选择总阻值较小的、额定电流较大的,因此本实验滑动变阻器选择E.1.在“描绘小灯泡的伏安特性曲线”的实验中,需要测量一个规格为“2.5 V0.5 A”的小灯泡两端的电压和通过它的电流.现有如下器材:A.直流电源(电动势3.0 V,内阻不计)B.电流表(量程3 A,内阻约0.1 Ω)C.电流表(量程600 mA,内阻约2 Ω)D.电压表(量程3 V,内阻约3 kΩ)E.电压表(量程15 V,内阻约15 kΩ)F.滑动变阻器R(最大阻值10 Ω,额定电流1 A)G.开关S及导线若干(1)实验中,电流表应选择;电压表应选择.(填所选器材前的字母)(2)为了尽可能地减小实验误差,请根据正确选择的器材设计电路并在虚线框中画出该电路图.(3)在正确操作的情况下,某同学根据实验所得的数据画出该小灯泡的伏安特性曲线如图所示.实验中,若把该小灯泡和一个阻值为9 Ω的定值电阻串联在电动势为3 V、内阻为1 Ω的直流电源上,则小灯泡此时的电阻为Ω.(结果保留2位有效数字)考法2 实验数据处理与误差分析2小华和小明在“描绘小灯泡伏安特性曲线”的实验中,将实验数据记录在下表中:(1)实验室有两种滑动变阻器供选择:A.滑动变阻器(阻值X围0~10 Ω、额定电流3 A)B.滑动变阻器(阻值X围0~2 000 Ω、额定电流1 A)实验中选择的滑动变阻器是.(填写字母序号)(2)在图甲中用笔画线代替导线,将实验电路连接完整.(3)开关闭合前,滑动变阻器的滑片应滑至最(填“左”或“右”)端.(4)利用表中数据,在图乙中画出小灯泡的U-I图线.(5)他们在U-I图象上找到小灯泡工作电压为2.00 V时的坐标点,计算此状态小灯泡的电阻值时,小明提出用图象上该点曲线斜率表示小灯泡的阻值;小华提出该点与坐标原点连线的斜率表示小灯泡的阻值.你认为(填“小华”或“小明”)的方法正确.图(a)(1)灯泡的电阻在几欧左右,为了便于测量,滑动变阻器选择0~10 Ω的,即选A.(2)由于灯泡的电压和电流从零开始测起,故滑动变阻器采用分压式接法;电流表采用外接法.实物连线图如图(a)所示.(3)为了保护测量电路,开关闭合前,滑动变阻器的滑片应滑至最左端.(4)小灯泡的U-I图线如图(b)所示.图(b)(5)根据欧姆定律知,R=U,电阻的大小为该点与坐标原点连线的斜率,故小华的方法正确.U(1)A(2)如图(a)所示(3)左(4)如图(b)所示(5)小华2. 要描绘某电学元件(最大电流不超过6 mA,最大电压不超过7 V)的伏安特性曲线,设计如图1所示的电路图.图1中定值电阻R为1 kΩ,用于限流;电流表量程为0~10 mA,内阻约为5 Ω;电压表(未画出)量程为0~10 V,内阻约为10 kΩ;电源电动势E为12 V,内阻不计.图1(1)实验时有两个滑动变阻器可供选择:①阻值0~200 Ω,额定电流0.3 A②阻值0~20 Ω,额定电流0.5 A本实验应选用的滑动变阻器是(填“①” 或“②”).(2)正确接线后,测得数据如表所示:①根据以上数据可知,电压表是并联在M与之间的(填“O”或“P”).②根据以上数据,在图2中画出该元件的伏安特性曲线.图2图3(3)在图3中画出待测元件两端的电压U MO随MN间电压U MN变化的示意图(无需数值).考法3 伏安特性曲线的迁移与应用3[2017全国Ⅰ,23,10分]某同学研究小灯泡的伏安特性.所使用的器材有:小灯泡L(额定电压3.8 V,额定电流0.32 A);电压表(量程3 V,内阻3 kΩ);电流表(量程0.5 A,内阻0.5 Ω);固定电阻R0(阻值1 000 Ω);滑动变阻器R(阻值0~9.0 Ω);电源E(电动势 5 V,内阻不计);开关S;导线若干.(1)实验要求能够实现在0~3.8 V的X围内对小灯泡的电压进行测量,画出实验电路原理图.(2)实验测得该小灯泡伏安特性曲线如图(a)所示.由实验曲线可知,随着电流的增加小灯泡的电阻(填“增大”“不变”或“减小”),灯丝的电阻率(填“增大”“不变”或“减小”).(3)用另一电源E0(电动势4 V,内阻1.00 Ω)和题给器材连接成图(b)所示的电路,调节滑动变阻器R的阻值,可以改变小灯泡的实际功率.闭合开关S,在R的变化X围内,小灯泡的最小功率为W,最大功率为W.(结果均保留2位小数)图1(1)要实现在0~3.8 V的X围内对小灯泡的电压进行测量,则滑动变阻器需要设计成分压接法;电压表应与固定电阻R0串联,将量程改为4 V.由于小灯泡正常发光时电阻约为12 Ω,所以需将电流表外接.则电路图如图1所示.可知,灯丝的(2)由小灯泡伏安特性曲线可知,随着电流的增加小灯泡的电阻增大.根据R=ρUU电阻率增大.(3)当滑动变阻器接入电路中的阻值最大为9.0 Ω时,流过小灯泡的电流最小,小灯泡的实际功率最小,把滑动变阻器视为等效电源内阻的一部分,在图(a)中画出等效电源E'0(电动势4 V,内阻1.00 Ω+9.0 Ω=10 Ω)的伏安特性曲线,函数表达式为U=4-10I (V),图线如图2中Ⅰ所示,故小灯泡的最小功率为P min=U1I1=1.75×0.225 W≈0.39 W.当滑动变阻器接入电路中的阻值最小为零时,流过小灯泡的电流最大,小灯泡的实际功率最大,在图(a)中画出电源E0(电动势 4 V,内阻1.00 Ω)的伏安特性曲线,函数表达式为U=4-I (V),图线如图2中Ⅱ所示,故小灯泡的最大功率为P max=U2I2=3.68×0.318 W≈1.17 W.图2(1)如图1所示(2)增大增大(3)0.39 1.173.在“描绘小电珠的伏安特性曲线”的实验中,用导线a、b、c、d、e、f、g和h 按图甲所示方式连接好电路,电路中所有元器件都完好,且电压表和电流表已调零.(1)闭合开关后,不管怎样调节滑动变阻器,小电珠亮度能发生变化,但电压表、电流表的示数总不能为零,则可能是导线断路.(2)某同学排除故障后测出电源和小电珠的U-I图线如图乙所示.电源的电动势E=V;小电珠的电阻随温度的上升而.(3)将与上面相同的两个小电珠并联后接到上面电源上,每一个小电珠的实际电功率是W.(保留2位小数)考点3实验:描绘小电珠的伏安特性曲线1.(1)如图所示(2)①0.10 A ②0.24 A ③2.00 V④0.27 V(0.26~0.28 V均可) 8.3 Ω(8.2~8.4 Ω均可) 2.7 Ω(2.6~2.8 Ω均可)解析:(1)根据实物图,可知滑动变阻器起分压作用,电压表测量小灯泡两端的电压,电流表外接,故画出的电路图如图所示.(2)电流表量程为0.6 A,电压表量程为3 V,因此①的读数为0.10 A,②的读数为0.24 A,③的读数为 2.00 V,④的读数为0.27 V.两组数据得到的电阻R1=U1U1=2.000.24Ω=8.3 Ω,R2=U2U2=0.270.10Ω=2.7 Ω.2.(1)1点至4点(2)0.300.75(3)C解析:(1)根据题意可知,1点至4点的导线没有连接好,使得滑动变阻器的分压接法变为限流接法.(2)根据读数规则,可知电流表的读数为0.30 A,此时小灯泡的功率P=UI=0.75 W.(3)电压较小时,灯丝温度不高,故阻值比电压较大时的阻值要小,根据I=UU可知,C可能正确.压为1.00 V 时,灯丝温度较低,阻值较电压为2.5 V 时的要小,只有C 满足题意.1.(1)C D(2)如图甲所示(3)1.5图甲解析:(1)因小灯泡的额定电压为2.5 V,额定电流为0.5 A ,则为保证实验的安全和准确,电压表应选择D ,电流表应选择C .(2)本实验要求通过小灯泡的电流由零开始逐渐增大,故滑动变阻器采用分压式接法,因小灯泡正常发光时电阻为R L =2.50.5 Ω=5 Ω,与电流表的内阻相差不大,故电流表采用外接法,电路图如图甲所示.(3)如图乙所示,在小灯泡的伏安特性曲线中,作出等效电源(电动势3 V,内阻10 Ω)的I-U 图线,由图可知两图线的交点坐标为(0.4 V,0.26 A),则小灯泡此时的电阻为R 'L =0.4 V 0.26 A =1.5 Ω.图乙2.(1)①(2)①P ②如图甲所示(3)如图乙所示解析:(1)选择分压滑动变阻器时,要尽量选择阻值较小的,测量时电压表、电流表的示数变化明显,但还要保证仪器的安全.电源电动势E=12 V,I=U U =12V20Ω=0.6 A >0.5 A,可排除②中的滑动变阻器,故选①.(2)①电学元件的电阻约为7V 6mA =1 167 Ω,由R x >√U A U V 可知应采用电流表内接法,电压表应并联在M 与P 之间.②该元件的伏安特性曲线如图甲所示.图甲图乙(3)由表中数据可知,当U MO≤6 V时,电流表所在支路处于断路状态,电压表与R串联,且有U MN,所以U MO-U MN图象为一条倾斜直线;当U MO>6 V时,U MO趋于稳定.如图乙所示.U MO≈10113.(1)g (2)3.0增大(3)0.99(在0.95~1.05之间也可)解析:(1)不管怎样调节滑动变阻器,小电珠亮度能发生变化,但电压表、电流表的示数总不能为零,说明滑动变阻器不起分压作用,连成了限流接法,故可能是g导线断路.(2)电源的U-I图线纵轴截距等于电源的电动势,则由题图乙知,电源的电动势E=3.0 V.,由数学知识分析可知,R等于小电珠U-I图线上根据欧姆定律可得小电珠的电阻R=U UU U的点与原点连线的斜率,则小电珠的电阻随温度的上升而增大.(3)电源的内阻等于电源的U-I图线的斜率的绝对值,则内阻r=1 Ω,两个小电珠并联后,接到该电源上,设每个小电珠两端的电压为U,电流为I,由闭合电路欧姆定律得E=U+2Ir,则U=E-2rI,代入E=3.0 V、r=1 Ω,作出电源的U-I图线如图所示,与原小电珠的U-I图线的交点的纵、横坐标分别为U'=1.1 V、I'=0.9 A,则一个小电珠的实际电功率为P=U'I'=0.99 W.。
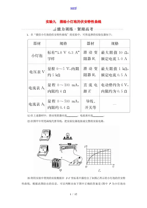
实验九描绘小灯泡的伏安特性曲线1.在“描绘小灯泡的伏安特性曲线〞的实验中,可供选择的实验仪器如下:(1)在上述器材中,滑动变阻器应选________,电流表应选________。
(2)在图甲中用笔画线代替导线,把实验仪器连接成完整的实验电路。
(3)利用实验中得到的实验数据在IU坐标系中描绘出了如图乙所示的小灯泡的伏安特性曲线。
根据此图给出的信息,可以判断出如下图中正确的答案是(图中P为小灯泡功率)( )答案 (1)R 1A 2 (2)图见解析(3)BD 解析 (1)为方便电路调节,滑动变阻器应选择电阻小的R 1;小灯泡正常工作时I 额=0.3 A =300 mA>100 mA ,故电流表应选A 2。
(2)因为要求小灯泡上的电压从0开始增大,滑动变阻器应选用分压式接法;而小灯泡正常工作时R 灯=U I =3.80.3Ω≈13 Ω,R V =5 kΩ,R 灯< R A2R V ,故电流表应选择外接法,其实验电路如下列图。
(3)在I U 图象中,图线斜率逐渐减小,小灯泡的R 逐渐增大;由P =U 2R知在P U 2图象中,图线的斜率1R应逐渐减小,故B 正确;由P =I 2R 知在P I 2图象中图线的斜率R 应逐渐增大,故D 正确。
2.在“研究标有 9 V 5 W 的小灯泡的伏安特性〞的实验中,要求测量从0 V 到9.0 V 的电压下通过小灯泡的电流,实验室提供了如下器材:A .电流表(量程100 mA ,内阻1 Ω) B .电流表(量程0.6 A ,内阻0.3 Ω) C .电压表(量程3.0 V ,内阻3 kΩ) D .电压表(量程15.0 V ,内阻10 kΩ)E .滑动变阻器R 1(最大阻值为50 Ω)F .滑动变阻器R 2(最大阻值为500 Ω)G .电源E (电动势15 V ,内阻可忽略)H .开关、导线假设干(1)为了提高测量准确度和有效性,应选择的器材为(只需填写器材前面的字母即可):电流表________,电压表________,滑动变阻器________。
2021届高三物理一轮复习恒定电流9:电学实验——描绘小灯泡的伏安特性曲线班级__________ 座号_____ 姓名__________ 分数__________一、例题精讲1. [2017·全国卷Ⅰ] 某同学研究小灯泡的伏安特性.所使用的器材有:小灯泡L(额定电压3.8 V ,额定电流0.32 A);电压表V(量程3 V ,内阻3 k Ω);电流表A(量程0.5 A ,内阻0.5 Ω);固定电阻R 0(阻值1000 Ω);滑动变阻器R (阻值0~9.0 Ω);电源E (电动势5 V ,内阻不计);开关S ;导线若干.(1)实验要求能够实现在0~3.8 V 的范围内对小灯泡的电压进行测量,画出实验电路原理图. (2)实验测得该小灯泡伏安特性曲线如图(a)所示.图(a)由实选验曲线可知,随着电流的增加小灯泡的电阻________(选填“增大”“不变”或“减小”),灯丝的电阻率________(选填“增大”“不变”或“减小”).(3)用另一电源E 0(电动势4 V ,内阻1.00 Ω)和题给器材连接成图(b)所示的电路图,调节滑动变阻器R 的阻值,可以改变小灯泡的实际功率.闭合开关S ,在R 的变化范围内,小灯泡的最小功率为________W ,最大功率为________W .(结果均保留2位小数) 【答案】 (1)如图所示(2)增大 增大 (3)0.39 1.17【解析】 (1)电压从0开始调节,滑动变阻器应使用分压式接法,电压表的量程小于灯泡的额定电压,需要串联电阻改装,因为灯泡电阻远小于改装电压表的总电阻,所以电流表采用外接法.(2)由小灯泡伏安特性曲线可知,随着电流的增加,U I 也增加,则小灯泡的电阻增大,由R =ρLS,灯丝的电阻率增大.(3)I 以mA 为单位,当滑动变阻器R =0时,灯泡两端的电压U =E 0-Ir =4-I1000,此时灯泡的功率最大,在小灯泡伏安特性曲线中作I =4000-1000U 图线,找出交点的横、纵坐标,则小灯泡最大功率P =1.17 W ;同理可知当滑动变阻器R =9 Ω时,小灯泡的最小功率P =0.39 W.2. (2020·江苏)某同学描绘一种电子元件的I U -关系图象,采用的实验电路图如题图1所示,V 为电压表, mA 为电流表,E 为电源(电动势约6V ),R 为滑动变阻器(最大阻值20Ω),R 为定值电阻,S 为开关。
实验九描绘小电珠的伏安特性曲线一、基本原理与操作原理电路图操作要领(1)电路:电流表外接;滑动变阻器采用分压式接法(2)连接电路:用导线进行实物连线(3)测量与记录:移动滑动变阻器滑片位置,测出12组左右不同的电压值U和电流值I,填入自己设计的表格中(4)画图象:画I-U图线,I-U图象为曲线(温度升高,灯丝电阻增大)二、数据处理(1)在坐标纸上以U为横轴,以I为纵轴,建立坐标系。
(2)在坐标纸上描出各组数据所对应的点。
(3)将描出的点用平滑的曲线连接起来,就得到小电珠的伏安特性曲线。
注意事项1.电流表外接法:本实验中被测小电珠灯丝的电阻值较小,因此测量电路必须采用电流表外接法。
2.滑动变阻器应采用分压式连接3.保护元件安全:为保护元件不被烧毁,开关闭合前变阻器滑片应位于图中的a 端。
加在小电珠两端的电压不要超过其额定电压。
误差分析1.由于电压表不是理想电表,内阻并非无穷大,对电路的影响会带来误差,电流表外接,由于电压表的分流,使测得的电流值大于真实值。
2.测量时读数带来误差。
3.在坐标纸上描点、作图带来误差。
教材原型实验 命题角度 仪器选择及电路设计【例1】 有一个小灯泡上标有“4 V 2 W ”的字样,现在要用伏安法描绘这个小灯泡的I -U 图线。
有下列器材供选用:A.电压表(0~5 V ,内阻约10 kΩ)B.电压表(0~10 V ,内阻约20 kΩ)C.电流表(0~3 A ,内阻约1 Ω)D.电流表(0~0.6 A ,内阻约0.4 Ω)E.滑动变阻器(5 Ω,1 A)F.滑动变阻器(500 Ω,0.2 A)(1)实验中电压表应选用________,电流表应选用________。
为使实验误差尽量减小,要求电压从零开始变化且多取几组数据,滑动变阻器应选用________(用序号字母表示)。
(2)请在方框内画出满足实验要求的电路图,并把图1中所示的实验器材用实线连接成相应的实物电路图。
图1解析 (1)因小灯泡的额定电压为4 V ,所以电压表应选用A ,小灯泡的额定电流I =P U =0.5 A ,所以电流表应选用D ;小灯泡正常工作时的电阻为R =U 2P =8 Ω, 因为R V R A >R x ,R x 为小电阻,电流表应采用外接法,要求电压从零开始变化,故滑动变阻器采用分压接法,为便于调节,滑动变阻器应选用E。
2018版高考物理一轮复习第七章恒定电流实验九描绘小电珠的伏安特性曲线编辑整理:尊敬的读者朋友们:这里是精品文档编辑中心,本文档内容是由我和我的同事精心编辑整理后发布的,发布之前我们对文中内容进行仔细校对,但是难免会有疏漏的地方,但是任然希望(2018版高考物理一轮复习第七章恒定电流实验九描绘小电珠的伏安特性曲线)的内容能够给您的工作和学习带来便利。
同时也真诚的希望收到您的建议和反馈,这将是我们进步的源泉,前进的动力。
本文可编辑可修改,如果觉得对您有帮助请收藏以便随时查阅,最后祝您生活愉快业绩进步,以下为2018版高考物理一轮复习第七章恒定电流实验九描绘小电珠的伏安特性曲线的全部内容。
实验九绘小电珠的伏安特性曲线突破点(一) 实验原理与电路设计[典例1]要描绘一个标有“3 V0。
6 W”小灯泡的伏安特性曲线,灯泡两端的电压需要由零逐渐增加到3 V,并便于操作.已选用的器材有:电池组(电动势4。
5 V,内阻约1 Ω);电流表(量程为0~250 mA,内阻约5 Ω);电压表(量程为0~3 V,内阻约3 kΩ);开关一个,导线若干。
(1)实验中所用的滑动变阻器应选下列中的________(填仪器前的字母)。
A.滑动变阻器(最大阻值20 Ω,额定电流1 A)B.滑动变阻器(最大阻值1 750 Ω,额定电流0.3 A)(2)实验的电路图应选用下列的图________.(3)根据你所选择的电路图分析,在闭合开关之前,应将滑动变阻器的滑片移到最________(填“左”或“右”)端;闭合开关,移动滑片,使电表的示数逐渐________(填“增大”或“减小")。
依次记录电流及相应的电压。
[答案] (1)A (2)B (3)左增大[由题引知·要点谨记]1.考查滑动变阻器的选择[对应第(1)题]在分压式接法中,为便于调节,滑动变阻器应选用阻值小,额定电流较大的。
2.考查滑动变阻器的分压式与限流式接法的判断[对应第(2)题](1)两种接法的适用情形①限流式接法适合测量阻值小的电阻。
(浙江选考)2018届高三物理一轮复习第7章恒定电流实验9 测绘小灯泡的伏安特性曲线教师用书编辑整理:尊敬的读者朋友们:这里是精品文档编辑中心,本文档内容是由我和我的同事精心编辑整理后发布的,发布之前我们对文中内容进行仔细校对,但是难免会有疏漏的地方,但是任然希望((浙江选考)2018届高三物理一轮复习第7章恒定电流实验9 测绘小灯泡的伏安特性曲线教师用书)的内容能够给您的工作和学习带来便利。
同时也真诚的希望收到您的建议和反馈,这将是我们进步的源泉,前进的动力。
本文可编辑可修改,如果觉得对您有帮助请收藏以便随时查阅,最后祝您生活愉快业绩进步,以下为(浙江选考)2018届高三物理一轮复习第7章恒定电流实验9 测绘小灯泡的伏安特性曲线教师用书的全部内容。
实验9 测绘小灯泡的伏安特性曲线1.实验原理(1)测多组小灯泡的U、I的值,并绘出I。
U图象;(2)由图线的斜率反映电流与电压和温度的关系.2.实验器材小灯泡“3.8 V0.3 A”、电压表“0~3V~15 V”、电流表“0~0.6 A~3 A”、滑动变阻器、学生电源、开关、导线若干、坐标纸、铅笔.3.实验步骤(1)画出电路图(如实验原理图1).图1(2)将小灯泡、电流表、电压表、滑动变阻器、学生电源、开关用导线连接成如实验原理图2所示的电路.图2(3)测量与记录移动滑动变阻器触头位置,测出12组左右不同的电压值U和电流值I,并将测量数据填入自己设计的表格中.(4)数据处理①在坐标纸上以U为横轴,I为纵轴,建立直角坐标系.②在坐标纸上描出各组数据所对应的点.③将描出的点用平滑的曲线连接起来,就得到小灯泡的伏安特性曲线.4.实验器材选取(1)原则:①安全;②精确;③操作方便.(2)具体要求①电源允许的最大电流不小于电路中的实际最大电流.干电池中电流一般不允许超过0.6 A。
②用电器的额定电流不能小于通过该用电器的实际最大电流.③电压表或电流表的量程不能小于被测电压或电流的最大值.④电压表或电流表的指针应偏转到满刻度的错误!以上.⑤从便于操作的角度来考虑,限流式接法要选用与待测电阻相近的滑动变阻器,分压式接法要选用较小阻值的滑动变阻器.5.注意事项(1)电路的连接方式:①电流表应采用外接法:因为小灯泡(3.8 V, 0.3 A )的电阻很小,与量程为0.6 A的电流表串联时,电流表的分压影响很大.②滑动变阻器应采用分压式接法:目的是使小灯泡两端的电压能从零开始连续变化.(2)闭合开关S前,滑动变阻器的触头应移到使小灯泡分得电压为零的一端,使开关闭合时小灯泡的电压能从零开始变化,同时也是为了防止开关刚闭合时因小灯泡两端电压过大而烧坏灯丝.(3)IU图线在U0=1.0 V左右将发生明显弯曲,故在U=1.0 V左右绘点要密,以防出现较大误差.1.电流表内接法与外接法的比较电流表内接法电流表外接法电路图误差原因电流表分压U测=U x+U A电压表分流I测=I x+I V电阻测量值R测=错误!=R x+R A>R x测量值大于真实值R测=U测I测=错误!<R x测量值小于真实值适用条件R A≪R x R V≫R x2.电流表内接法与外接法的选择(1)阻值比较法:先将待测电阻的估计值与电压表、电流表内阻进行比较,若R x较小,宜采用电流表外接法;若R x较大,宜采用电流表内接法.(2)临界值计算法R x<RV RA时,用电流表外接法;R x>错误!时,用电流表内接法.(3)实验试探法:按图3接好电路,让电压表的一根接线柱P先后与a、b处接触一下,如果电压表的示数有较大的变化,而电流表的示数变化不大,则可采用电流表外接法;如果电流表的示数有较大的变化,而电压表的示数变化不大,则可采用电流表内接法.图33.滑动变阻器的限流式接法和分压式接法比较两种接法的电路图负载R上电压的调节范围错误!≤U≤E0≤U≤E负载R上电流的调节范围错误!≤I≤错误!0≤I≤错误!(1)限流式接法适合测量阻值较小的电阻(跟滑动变阻器的最大电阻相比相差不多或比滑动变阻器的最大电阻还小).(2)分压式接法适合测量阻值较大的电阻(一般比滑动变阻器的最大电阻要大).5.常用电表的读数对于电压表和电流表的读数问题,首先要弄清电表量程,即指针指到最大刻度时电表允许通过的最大电压或电流,然后根据表盘总的刻度数确定精确度,按照指针的实际位置进行读数即可.(1)0~3 V的电压表和 0~3 A的电流表的读数方法相同,此量程下的精确度分别是0。
实验九绘小电珠的伏安特性曲线突破点(一) 实验原理与电路设计[典例1] 要描绘一个标有“3 V0.6 W〞小灯泡的伏安特性曲线,灯泡两端的电压需要由零逐渐增加到3 V,并便于操作。
已选用的器材有:电池组(电动势4.5 V,内阻约1 Ω);电流表(量程为0~250 mA,内阻约5 Ω);电压表(量程为0~3 V,内阻约3 kΩ);开关一个,导线假设干。
(1)实验中所用的滑动变阻器应选如下中的________(填仪器前的字母)。
A.滑动变阻器(最大阻值20 Ω,额定电流1 A)B.滑动变阻器(最大阻值1 750 Ω,额定电流0.3 A)(2)实验的电路图应选用如下的图________。
(3)根据你所选择的电路图分析,在闭合开关之前,应将滑动变阻器的滑片移到最________(填“左〞或“右〞)端;闭合开关,移动滑片,使电表的示数逐渐________(填“增大〞或“减小〞)。
依次记录电流与相应的电压。
[答案] (1)A (2)B (3)左增大[由题引知·要点谨记]1.某学习小组的同学拟探究小灯泡L的伏安特性曲线,可供选用的器材如下:小灯泡L,规格“2.5 V0.5 A〞;电流表G1,满偏电流为1 mA,内阻为30 Ω;电流表G2,满偏电流为10 mA,内阻为30 Ω;电压表V,量程3 V,内阻为9 kΩ;标准电阻R1,阻值1 Ω;标准电阻R2,阻值0.05 Ω;滑动变阻器R,阻值范围为0~10 Ω;学生电源E,电动势6 V,内阻不计;开关S与导线假设干。
学习小组认为要想准确地描绘出小灯泡L完整的伏安特性曲线,需要重新改装电流表并设计电路。
(1)电流表应该选________,标准电阻应该选________。
(2)在虚线框中画出实验电路图,并在图上标明所选器材代号。
解析:绘制小灯泡的伏安特性曲线,需要测量小灯泡的电压和电流,电压表量程 3 V 可以满足实验要求,电流表量程过小,需要并联小电阻以扩大量程。
根据并联分流规律可知,电流表G1与标准电阻R2并联,可将量程扩大到0.6 A,满足实验需要。
由于电流表和电压表内阻均,采用电流表内接或外接均可。
答案:(1)G1R2(2)如下列图2.(2017·茂名一模)现要用伏安法描绘一只标值为“2.5 V,0.6 W〞小灯泡的IU图线,有如下器材供选用:A.电压表(0~3 V,内阻3 kΩ;0~15 V,内阻10 kΩ)B.电流表(0~0.6 A,内阻0.5 Ω;0~3 A,内阻0.1 Ω)C.滑动变阻器(10 Ω,2 A)D.滑动变阻器(100 Ω,1.0 A)E.蓄电池(电动势6 V,内阻不计)(1)为了减小测量误差,图甲中的S1应接________(填“M〞或“N〞),滑动变阻器应选用__________(用序号字母表示)。
(2)根据你选择的电路,用笔画线代替导线在图乙中将实物连接成实验所需电路图。
(3)开关S闭合之前,滑动变阻器的滑片应该置于________端(选填“A〞“B〞或“AB 正中间〞)。
闭合开关后,移动滑动变阻器的滑片,电压表示数变化明显,但电流表示数始终为0,如此电路故障为______________。
解析:(1)由实物图可知,电路采用了滑动变阻器分压接法;因灯泡内阻较小,故电流表采用外接法;故S1应接在M点;因采用分压接法,故滑动变阻器采用小电阻,应选用C。
(2)根据实验原理图画出实物图如下列图:(3)为了保证实验安全,开始时灯泡两端的电压应为最小,故滑动变阻器的滑片应在A 端;由题意可知,电压表示数变化明显,说明电压表与电源相连,且滑动变阻器连接正常,而电流表没有示数说明电路是断开的,由电路图可知,只能是灯泡发生了断路故障。
答案:(1)M C (2)见解析(3)A小灯泡断路3.(2015·广东高考)某实验小组研究两个未知元件X和Y的伏安特性,使用的器材包括电压表(内阻约为3 kΩ)、电流表(内阻约为1 Ω)、定值电阻等。
图1(1)使用多用电表粗测元件X 的电阻,选择“×1〞欧姆挡测量,示数如图1(a)所示,读数为________Ω,据此应选择图中的________(填“b〞或“c〞)电路进展实验。
(2)连接所选电路,闭合S ,滑动变阻器的滑片P 从左向右滑动,电流表的示数逐渐________(填“增大〞或“减小〞);依次记录电流与相应的电压;将元件X 换成元件Y ,重复实验。
图2(3)图2(a)是根据实验数据作出的U I 图线,由图可判断元件________(填“X〞或“Y〞)是非线性元件。
(4)该小组还借助X 和Y 中的线性元件和阻值R =21 Ω的定值电阻,测量待测电池的电动势E 和内阻r ,电路如图2(b)所示,闭合S 1和S 2,电压表读数为3.00 V ;断开S 2,读数为1.00 V 。
利用图2(a)可算得E =________V ,r =________Ω(结果均保存两位有效数字,视电压表为理想电压表)。
解析:(1)用多用电表的欧姆挡测电阻时,电阻值=示数×倍率,故X 的读数为10 Ω×1=10 Ω,由于R X R A <R V R X ,或R X ≪R V ,故用伏安法测元件X 的电阻时,电流表应外接,应当选b 电路进展实验。
(2)滑片P 从左向右滑动过程中,元件X 两端的电压越来越大,电流越来越大,故电流表示数逐渐增大。
(3)由U I 图线可知Y 是非线性元件。
(4)由(3)中的U I 图线,可知线性元件的电阻R X =10 Ω,当S 1、S 2都闭合时,回路中的电流I 1=U 1R X =0.3 A ,当S 1闭合,S 2断开时,回路中的电流I 2=U 2R X=0.1 A ,根据闭合电路欧姆定律,得E=I1(R X+r),E=I2(R X+R+r),联立两式并代入数据解得E≈3.2 V,r=0.50 Ω。
答案:(1)10 b (2)增大(3)Y (4)3.2 0.50突破点(二) 器材选取与数据处理[典例2] 有一个小灯泡上有“4 V 2 W〞的字样,现在要用伏安法描绘这个灯泡的IU 图线。
现有如下器材供选用:A.电压表(0~5 V,内阻约10 kΩ)B.电压表(0~15 V,内阻约20 kΩ)C.电流表(0~3 A,内阻约1 Ω)D.电流表(0~0.6 A,内阻约0.4 Ω)E.滑动变阻器(最大阻值10 Ω,额定电流2 A)F.滑动变阻器(最大阻值500 Ω,额定电流1 A)G.学生电源(直流6 V)、开关、导线假设干(1)实验中所用电压表应选______,电流表应选______,滑动变阻器应选________。
(2)在虚线框内画出实验电路图。
(3)利用实验数据绘出小灯泡的IU图线如下列图,分析图线说明小灯泡电阻变化的特点:________________________________________________________________________ ________________________________________________________________________。
(4)实验误差主要是________表的读数与小灯泡的真实值不同,导致被测电阻R测______R真(选填“>〞“=〞或“<〞),该误差属于________(选填“系统〞“偶然〞)误差。
[答案] (1)A D E (2)如下列图(3)随着灯泡两端电压的增大,灯泡的电阻逐渐增大(4)电流< 系统[由题引知·要点谨记]1.考查实验器材的选择(1)电压表的选择根据用电器的额定电压来选择。
[对应第(1)题第1空](2)电流表的选择根据用电器的额定电流来选择。
[对应第(1)题第2空](3)滑动变阻器的选择在分压式接法中,滑动变阻器选阻值小、额定电流大的。
[对应第(1)题第3空]2.考查数据处理和识图能力[对应第(3)题](1)根据数据描出的点,假设不在一条直线上,如此应用平滑的曲线进展连接,不能用直线或折线连接。
(2)应使图线穿过尽可能多的点。
(3)根据图线斜率的物理意义去分析判断。
3.误差分析[对应第(4)题](1)系统误差:电压表分流带来的误差。
(2)偶然误差:电表读数、作图带来的误差。
[集训冲关]3.(2015·浙江高考)图甲是小红同学在做“描绘小灯泡的伏安特性曲线〞实验的实物连接图。
(1)根据图甲画出实验电路图;(2)调节滑动变阻器得到了两组电流表与电压表的示数如图乙中的①、②、③、④所示,电流表量程为0.6 A ,电压表量程为3 V 。
所示读数为:①________、②________、③________、④________。
两组数据得到的电阻分别为________和________。
解析:(1)实验电路图如下列图。
(2)电流表量程为0.6 A ,每一小格代表0.02 A ,读数时估读到精度的本位即可;电压表量程为3 V ,每一小格代表0.1 V ,读数时估读到精度的下一位。
读数分别为:①0.10 A、②0.24 A、③2.00 V、④0.27 V。
应用R =U I求电阻时,电流为0.10 A 时对应的电压为0.27 V ;电流为0.24 A 时对应的电压为2.00 V ,求得的两组数据对应的电阻分别为2.7 Ω和8.3 Ω。
答案:(1)见解析(2)①0.10 A ②0.24 A ③2.00 V ④0.27 V2.7(±0.1) Ω 8.3(±0.1) Ω[如填为8.3(±0.1) Ω2.7(±0.1) Ω也行]4.某实验小组要描绘一个标有“3.8 V,1 W〞的小灯泡R L 的R U 曲线,所供选择的器材除了导线和开关外,还有以下一些器材可供选择:A .电压表○V (量程5 V ,内阻约为5 kΩ)B .直流电源E (电动势4.5 V ,内阻不计)C .电流表○A 2(量程150 mA ,内阻约为2 Ω)D .电流表○A 2(量程300 mA ,内阻约为1 Ω)E .滑动变阻器R 1(阻值0~10 Ω)F .滑动变阻器R 2(阻值0~200 Ω)(1)实验中为较准确测量,电流表应选用________,滑动变阻器应选用________(填写仪器符号)。
(2)要求实验中小灯泡电压从零逐渐增大到额定电压,测量误差尽可能小。
请你为该实验小组设计电路图,画在图甲所示的方框中。
甲(3)据实验数据,计算并描绘出了R U 的图像,如乙图所示。
由图像可知,当所加电压为3.00 V 时,灯泡实际消耗的电功率为______ W(保存三位有效数字)。