【CN109943791A】一种7075铝合金挤压棒材及其制造方法【专利】
- 格式:pdf
- 大小:476.13 KB
- 文档页数:8
专利名称:铝合金棒材的制备方法专利类型:发明专利
发明人:李德松
申请号:CN201710562873.5
申请日:20170711
公开号:CN107287475A
公开日:
20171024
专利内容由知识产权出版社提供
摘要:本申请公开了一种铝合金棒材的制备方法,其取重量份数9‑11份的硅、2‑4份的铁、5‑7份的锰、8‑10份的镁、1‑3份的铬以及969‑971份的铝熔化成铝合金熔体,其中熔化温度为745‑755℃间。
浇铸铝合金熔体成型铝合金铸棒,其中浇铸温度为720‑750℃间。
均匀化所述铝合金铸棒,维持所述铝合金铸棒的温度于475‑485℃间,持续12小时。
梯度加热与变速挤压均匀化后的所述铝合金铸棒。
通过以上方法可以生产出一种锻造用高强均质铝合金棒材。
申请人:亚太轻合金(南通)科技有限公司
地址:226600 江苏省南通市海安县经济开发区海防路29号
国籍:CN
代理机构:北京国昊天诚知识产权代理有限公司
代理人:南霆
更多信息请下载全文后查看。
7075铝合金型材快速挤压方法
本发明公开了7075铝合金型材快速挤压方法,旨在提供在保证冷却均匀,防止型材表面出现周期性挤压裂纹的基础上,提高挤压生产速度,适用于各种吨位挤压机的铝合金型材快速挤压方法,其特征在于用热挤压成形方法生产7075铝合金型材;型材截面形状为圆形、矩形或其它几何形状,正方形或圆形尤佳;型材的快速挤压是通过在挤压过程中冷却挤压模具和模具出口处型材而实现,选择冷却介质为氮气或液氮;用调气阀门在线调节氮气或液氮流量到1~30升/分钟;根据均匀冷却挤压型材的需要,挤压截面形状不同的型材,在挤压模垫上布置的用于冷却挤压型材的进气管数量及分布也不同;挤压过程中铝合金为塑性变形状态,型材挤出速度在4~12米/分钟。
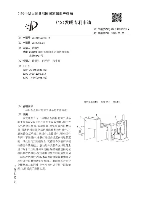
(19)中华人民共和国国家知识产权局(12)发明专利申请(10)申请公布号 (43)申请公布日 (21)申请号 201910120697.9(22)申请日 2019.02.18(71)申请人 葛润生地址 264000 山东省烟台市芝罘区路幸福东路69-17号(72)发明人 葛润生 闫平洋 张小辉 (51)Int.Cl.B23P 23/04(2006.01)B23Q 3/06(2006.01)B23Q 11/00(2006.01)(54)发明名称一种铝合金棒材的加工设备的工作方法(57)摘要本发明公开了一种铝合金棒材的加工设备的工作方法,属于铝合金加工设备领域,加工设备包括供料装置、转运装置、钻铣装置和打磨装置,所述供料装置包括供料组件和控料组件,打磨装置包括承载打磨组件、支撑组件、驱动组件和两个下压组件,承载打磨组件设置在转运装置的一端处且与其衔接配合,支撑组件安装在承载打磨组件的侧壁上,驱动组件安装在支撑组件上且与两个下压组件传动连接,钻铣装置包括定位组件和攻铣组件,定位组件设置在转运装置的另一端与攻铣组件之间,本发明能够实现对铝合金棒材进行打磨和钻铣交替加工,且能够在对铝合金棒材加工的同时,能够对废料进行集中回收处理,从而提高了整体实用。
权利要求书3页 说明书7页 附图6页CN 109702495 A 2019.05.03C N 109702495A权 利 要 求 书1/3页CN 109702495 A1.一种铝合金棒材的加工设备的工作方法,包括以下步骤:通过供料壳上的出料口将铝合金棒材排至导料板上,在导料板的倾斜设置下使铝合金棒材滑动与若干挡料条抵触,第一驱动电机驱动与其输出端固定连接的主动齿轮转动,既而带动与从动齿轮固定连接的转动轴转动,随之轴套上若干挡料条转动,使铝合金棒材移动至弧形板上,丝杆滑台驱动推料板带动铝合金棒材移动,当向打磨装置移动时,通过联动部件使两个打磨辊转动,驱动组件驱动两个下压组件工作对位于两个打磨辊顶部的铝合金棒材进行限位,防止联动部件驱动两个打磨辊的转动带动铝合金棒材的偏移,当向钻铣装置移动时,通过移动框架在竖直方向上移动,带动两个夹持部件相对移动,既而完成对铝合金棒材的夹持定位,驱动部件带动攻铣部件在竖直方向移动,攻铣部件对铝合金棒材进行攻铣加工,既而实现对铝合金棒材进行打磨和钻铣交替加工作业。
专利名称:一种铝合金加工用挤压装置专利类型:实用新型专利
发明人:郭学良
申请号:CN201920470865.2
申请日:20190409
公开号:CN210253735U
公开日:
20200407
专利内容由知识产权出版社提供
摘要:本实用新型公开了一种铝合金加工用挤压装置,包括主支撑箱体,所述主支撑箱体的底面靠近四边角位置螺栓连接有移动滚轮,所述主支撑箱体的顶面一端靠近两侧边对称焊接有支撑侧板,所述支撑侧板之间侧边均匀插接有支撑滚轴,所述支撑滚轴的两端对称插接有插接杆,所述主支撑箱体的顶面水平横向开设有滑动卡接槽,所述滑动卡接槽的内部竖向卡接有固定支撑块,所述固定支撑块的顶端水平竖向焊接有挤压固定条,所述主支撑箱体的内部两侧边对称螺栓连接有推动气缸,所述主支撑箱体的内部底面垂直向上螺栓连接有顶接气缸。
本实用新型装置设计简单,挤压过程快速高效且操作方便快捷,可以进行多方向的进行同时挤压完成加工过程。
申请人:青岛恒信和装饰工程有限公司
地址:266000 山东省青岛市市北区台柳路468号德馨筑家6号楼1单元1003户
国籍:CN
更多信息请下载全文后查看。
7075铝合金反挤压棒材生产工艺研究吕洪伟,杜连欢,谢洪博,张旭,田洪超(营口忠旺铝业有限公司,营口115000)摘要:对我厂7075铝合金铸锭的均匀化处理制度以及棒材挤压工艺、模具、淬火设备、时效工艺等进行了描述和说明。
采用3150t 反向挤压机对ϕ60mm 的7075铝合金棒材进行挤压生产,头端铸锭温度为365℃,挤压速度为1.5m/min,制品表面良好,淬火温度为433℃。
经120℃×22h 时效处理后,其力学性能、硬度均合格,距离头尾500mm 处的低倍组织符合要求。
关键词:7075铝合金;棒材;反向挤压中图分类号:TG379文献标识码:B文章编号:1005-4898(2020)02-0050-03doi:10.3969/j.issn.1005-4898.2020.02.130前言7×××系铝合金属于Al-Zn-Mg-Cu 系合金,这类合金具有比重小、强度高、加工性能好等优点,被广泛应用于航空航天工业和民用交通工具等领域[1-2]。
7075铝合金合金成分高、塑性差,在正向挤压机上生产困难。
反挤压相对正挤压具有诸多优势,如在反向挤压中,由于金属流动均匀,变形抗力小,同时摩擦热小,使挤压过程中的金属温升小,从而在提高挤压速度时,不会由于金属的温度不断提高而导致金属进入脆性区甚至达到熔点,在制品的表面上出现裂纹。
相对正向挤压,反向挤压具有生产效率高、成品率高等优点[3]。
营口忠旺铝业引进了2000t、3150t、5500t 单动反向卧式铝合金挤压机。
经过多次工艺试验,目前已实现直径200mm 以下的7075合金棒材在线淬火生产,挤压棒材表面光亮,其组织、性能均符合客户要求。
1化学成分采用60t 熔炼炉与保温炉组合的方式进行合金熔化。
用SNIF 双转子除气箱进行除气、板式及深床过滤、Al-Ti-B 丝细化晶粒。
通过WAGSTAFF 铸造机进行ϕ342mm 的7075铝合金优质铸锭的铸造,其成分见表1。
一种高效、低成本7075合金挤压工艺刘炜(深圳市华加日西林实业有限公司,广东深圳518118)摘要:文章介绍了一种高效、低成本7075铝合金型材的加工工艺,包括将挤压成型糢具、铝合金铸锭加热后进行挤压成型处理,精确控制铝合金铸锭前后端温度、挤压速度,将型材送入冷却水槽中进行在线淬火处理,再进行人工时效处理,获得7075铝合金型材。
其中,挤压成型馍具经过特殊设计,进料槽与带入通道之间具有平滑过渡的倾斜平面;冷却水槽与挤压成型出口的距离合理配置。
该工艺获得的铝合金型材综合力学性能良好,产品成品合格率达到80%及以上。
关键词:7075合金;高效;挤压;温度;冷却中图分类号:T G379 文献标志码:A文章编号:2096-2789 (2019) 19-0024-02•24*I 研究成果I Research F i n d in g s-----------------------------------------------|2019 年第19 期7075型铝合金作为超高强度的变形铝合金,其强度 超过任何软钢。
由于其具有良好的机械性能,因此可以 广泛应用于航空航天及轨道交通领域。
7075型铝合金中,锌、镁、铜的含量极高,变形抗 力大,挤压性能差,挤压速度偏高时,表面易开裂,挤 压速度偏低时,材料的固溶温度无法达到要求,最终导 致获得的铝合金强度不够。
目前国内生产7075型铝合 金时,多采用热挤压成型,切断后利用立式泮火炉离线 淬火,再进行人工时效的工艺。
这种工艺工序繁多,生 产效率低下,此外设备投入量大且生产成本高。
针对以上问题,笔者开发了一种高效、低成本的 7075合金在线泮火挤压工艺。
1合金成分合金成分如果单纯按国标操作,控制范围较宽,挤 压时产品质量不稳定,极易出现裂纹、起皮、尺寸超差、性能不合格等问题。
7075合金成分如表1所示,经多次 试验,按表1配比的合金成分,配合精准的挤压工艺条件,材料表面质量、力学性能、挤压效率都达到最优。
专利名称:一种铝合金棒材的制造方法
专利类型:发明专利
发明人:白晓霞,王凤春,吕丹,吕新宇,金龙兵,刘科研,吴欣凤申请号:CN201310069489.3
申请日:20130305
公开号:CN103160720A
公开日:
20130619
专利内容由知识产权出版社提供
摘要:一种铝合金棒材的制造方法,涉及一种棒材的制造方法。
本发明是要解决现有方法制备的合金棒材强度和电导率不能同时满足要求的技术问题。
本发明的制备方法如下:一、称取;二、熔炼;三、铸造;四、切断、车皮;五、均匀化退火;六、加热、挤压;七、固溶处理;八、拉伸矫直;九、辊式矫直;十、时效处理。
本发明制备的铝合金棒材的抗拉强度不小于650N/mm,非比例延伸强度不小于610N/mm,热导率在25℃时大于120W/m·K,电导率在25℃时大于1.67×10S/m。
本发明制造的铝合金棒材应用于高新技术领域。
申请人:东北轻合金有限责任公司
地址:150060 黑龙江省哈尔滨市平房区新疆三道街11号
国籍:CN
代理机构:哈尔滨市松花江专利商标事务所
代理人:高会会
更多信息请下载全文后查看。
(19)中华人民共和国国家知识产权局
(12)发明专利申请
(10)申请公布号 (43)申请公布日 (21)申请号 201910254483.0
(22)申请日 2019.03.31
(71)申请人 华南理工大学
地址 510640 广东省广州市天河区五山路
381号
(72)发明人 廖结莹 李烈军 余泳霖 杨和月
李炯轶 彭政务
(74)专利代理机构 广州粤高专利商标代理有限
公司 44102
代理人 何淑珍 黄海波
(51)Int.Cl.
C22F 1/053(2006.01)
B22F 3/02(2006.01)
B22F 3/20(2006.01)
B22D 11/06(2006.01)
(54)发明名称
一种7075铝合金挤压棒材及其制造方法
(57)摘要
本发明公开了一种7075铝合金挤压棒材及
其制造方法,(1)利用单辊熔体旋转冷却法将
7075铝合金板材制成细晶7075铝合金带材;(2)
7075铝合金带材经过机械剪碎后冷压压实为
7075铝合金棒;(3)将冷压后的7075铝合金棒进
行热挤压,得7075热挤压铝合金棒;(4)将7075热
挤压铝合金棒进行热处理,得T6态的7075热挤压
铝合金棒。
利用本发明的方法制造出的铝合金挤
压棒具有较高的抗拉强度和延伸率,综合性能优
异。
权利要求书1页 说明书4页 附图2页CN 109943791 A 2019.06.28
C N 109943791
A
权 利 要 求 书1/1页CN 109943791 A
1.一种7075铝合金挤压棒材的制造方法,其特征在于,包括以下步骤:
(1)利用单辊熔体旋转冷却法将7075铝合金板材制成细晶7075铝合金带材;
(2)7075铝合金带材经过机械剪碎后冷压压实为7075铝合金棒;
(3)将冷压后的7075铝合金棒进行热挤压,得7075热挤压铝合金棒;
(4)将7075热挤压铝合金棒进行热处理,得T6态的7075热挤压铝合金棒。
2.根据权利要求1所述的制造方法,其特征在于,步骤(1)所述7075铝合金板材为T6态。
3.根据权利要求1所述的制造方法,其特征在于,在步骤(1)所述的单辊熔体旋转冷却制备7075铝合金带材的过程中,单辊铜轮的旋转速度为20-40m/s。
4.根据权利要求1所述的制造方法,其特征在于,步骤(1)中,利用单辊熔体旋转冷却法制备7075铝合金带材时,熔融金属液流出至石英管口时将熔融金属液喷射至单辊铜轮表面。
5.根据权利要求1所述的制造方法,其特征在于,步骤(1)中,利用单辊熔体旋转冷却法制备7075铝合金带材时,所述熔融金属液喷射过程中与单辊铜轮表面的接触时间在3秒以内。
6.根据权利要求1所述的制造方法,其特征在于,步骤(2)中,经过机械剪碎后的7075铝合金带材的平均尺寸符合带材面积<0.5mm2;所述冷压压实7075铝合金带材碎屑的压力为6-8吨。
7.根据权利要求1所述的制造方法,其特征在于,在进行步骤(3)所述热挤压之前,先将步骤(2)得到7075铝合金棒进行预热,预热温度为380℃-420℃,保温时间为20-40min。
8.根据权利要求1所述的制造方法,其特征在于,步骤(3)所述热挤压过程中,热挤压参数为:挤压温度为380-420℃,挤压比为10-20,挤压力为20-30吨。
9.根据权利要求1所述的制造方法,其特征在于,步骤(4)所述热处理为在480℃固溶4-6h或490℃固溶1-2h,然后120℃人工时效22-26小时。
10.由权利要求1-9任一项所述的制造方法制得一种7075铝合金挤压棒材,其特征在于,该7075铝合金挤压棒材的抗拉强度≥440Mpa,延伸率大于20%。
2。