设备完好率评定办法
- 格式:doc
- 大小:440.20 KB
- 文档页数:17
设备完好率计算方法设备完好率=设备完好分值/设备基础分值×100%-较大故障扣分计算说明:1、数据来源:《主要设备维保计划及完成情况明细表》。
其中:单台设备完好分值=该设备基础分值-一般故障次数/月,一般故障每次该设备完好分值为0。
2、在常、备用配置的系统设备中,当常用或备用设备发生故障,三天内未能修复或三天内未做出妥善维修安排(计划)的,第四天起故障时间计入完好率统计。
3、在故障抢修中,因备品、备件采购周期较长等原因一时无法彻底修复,但采取临时应急措施有效缓解业主需求的,过渡时间不扣较大故障分,但影响设备完好分值。
4、有计划安排的检修项目不计入完好率统计,但不能严重影响到业主的正常需求。
根据设备运行情况临时安排的重大检修项目,该设备完好分值为0。
5、较大及以上故障扣分细则在发生下面定义的较大及以上故障时,除该单台设备得分为0外,从该设备所属设备类别的月度设备完好率百分数上扣分。
5.1电梯设备1)发生困人故障,扣5%/次。
2)单台电梯停机故障,4小时以内,扣0.2%;4—8小时内,扣0.5%/次;超过8小时,每2小时多扣0.2%,即8-10小时扣0.7%,10-12小时扣0.9%,以此类推。
3)触及电梯安全管理红线的问题,如下表所示:扣5%/台.项。
5.2供配电系统1)影响业主正常生活或办公,影响范围大于一户的故障断电,抢修时间在0.5—2小时内,扣0.5%/次;大于2小时小于8小时,扣1%/次;大于8小时,每2小时多扣0.5%,即8-10小时扣1.5%,10-12小时扣2%,以此类推。
2)触及安全管理红线的问题,如下表所示:扣5%/次.项。
5.3给排水系统1)因设备故障,造成用户端(一户以上)停、用水1—4小时,扣0.5%/次;4—8小时,扣1%/次;大于8小时,每2小时多扣0.5%,即8-10小时扣1.5%,10-12小时扣2%,以此类推。
2)因设备原因,使业主财产遭到较大损失的,扣2%/次。
水务集团污水处理设备完好率评定标准1目的规范公司设备管理工作中对生产设备状态的评定标准,便于公司对各层次设备管理工作的评价。
通过设备状态的评定,明确设备整体状态,不断加强设备管理工作,提高本单位设备的完好率,保障生产运行的稳定性和连续性,实现固定资产设备的保值增值,特制订本标准。
2适用范围本标准适用于XX污水处理有限公司的各类生产设备。
3职责设备部负责定期组织对本单位的设备进行检查,并以此为依据制定设备维修维护工作计划。
4工作程序4.1检查评分方法4.1.1根据本公司的固定资产设备台帐,编制《固定资产设备完好程度评分表》。
4.1.2由设备部牵头组成设备评定小组,依据设备的技术标准和评分标准(设备的评分标准见4.2),对各类设备逐台进行检查和考评。
4.1.3每台设备各项目评定得分之和就是该设备技术评定总的得分。
设备评定得分90分以上(含90分)的设备为完好设备,设备评定得分90分以下的设备为不完好设备。
其中,注明有主要项目的设备,主要项目中任何一项不合格或次要项目两项不合格者,即为不完好设备。
得分90分以上的设备总数占所有参与评定设备总数的百分比,即为该次检查设备的完好率。
4.1.4凡是水处理设备中使用的、备用的固定资产A、B类设备(包括正在维修的设备)均必须每月评定一次。
非生产性设备及经集团公司水务事业部审批后停用的设备必须每年评定一次。
4.2设备状态检查评分标准注:第、、项主要项目,其中任何一项不达到完好要求,即整机不能作为完好设备。
泵类设备(含提升泵及其它水泵、污泥泵、真空泵等)注:第、项如果低于工艺设计标准,第项中任何一项不达到完好要求,即整机不能作为完好设备。
鼓风机注:第项达不到工艺设计值、第项中任何一项不达到完好要求, 即整机不能作为完好设备。
刮吸泥设备注:第、项为主要项目,其中任何一项不达到完好要求,即整机不能作为完好设备。
搅拌器、推流器注:第2、4、5项为主要项目,其中任何一项不达到完好要求,即整机不能作为完好设备。
煤矿设备完好率及合格率的评定标准
1、完好率及合格率的评定依据:
(1)固定设备、流动设备、矿灯、五小电器、矿车的完好标准参照《煤矿安全规程》和《煤矿矿井机电设备完好标准》、《煤矿机电质量标准化》之规定。
(2)防爆电器设备检查评定参照《煤矿安全规程》、《煤矿矿井机电设备完好标准》之规定。
2、流动设备完好率的主要考核项目及基本要求:
(1)电气设备:
A.开关:编号、整定与标志牌对应;
B.开关台台上架;
C.三大保护完善可靠;
D.开关设备外壳无严重锈蚀;
E.接线工艺达完好标准;
F.电动机、风叶、风罩齐全紧固。
(2)采掘运机械设备:
A.齿轮箱无滴、漏油,润滑合理;液压设备无渗漏、窜液及自动卸压现象;镀层锈蚀不超标。
B.紧固件齐全;
C.安全防护设施齐全可靠;(含煤机的制动、离合、电气闭锁部分)。
D.刮板机:回落煤坑每20m范围内不少于一个,溜头、溜
尾压柱(地锚)牢靠,刮板弯曲变形不大于15㎜,缺损总数不大于3%,不掉斜、不飘链,使用合格的易熔塞,搭接高度符合要求。
皮带机:托辊转动灵活,皮带不跑偏,不飘带,制动器及综合保护器使用正常。
耙装机:滚筒刹车灵活,有防护栏。
喷浆机:不结渣、不严重跑风。
小绞车:闸灵活可靠,钢丝绳绳头卡接牢固,有护绳板。
3、五小电器合格率的考核项目及基本要求:
(1)选择使用与额定电压等级相符的五小电器;
(2)同一地点两台以及以上五小电器必须集中摆放严禁落地。
(3)煤电钻的风叶转动灵活、紧固件齐全使用合格的护套。
XXXX有限责任公司设备完好率考核办法(试行)第一章总则第一条目的为进一步加强设备管理,保障生产安全稳定,完善设备管理考核体系,特针对各污水厂主要设备制定完好率指标考核办法。
第二条设备考核范围1.机械设备:水质净化厂各运行工艺段使用的所有机械设备。
包括:格栅、输送设备、沉砂设备、泵类、搅拌器、推流器、曝气设备、鼓风机、刮泥刮渣设备、加药设备、污泥脱水设备、紫外消毒设备、闸门等。
2.电气设备:水质净化厂各运行工艺段使用的所有电气设备。
包括:高低压配电间各变压器、配电柜、变频器,现场配电柜、控制柜。
3.自控设备:PLC柜、中控机、中控服务器、中控打印机、中控大屏系统(投影仪、大显屏、液晶拼接屏)、UPS,中控联网设备(交换机、路由器)、视频监控等;3.仪表测量设备:污水厂各运行工艺段使用的在线监测仪表。
包括:进/出水在线监测设备、流量计、DO仪、ORP 仪、硝酸盐氮仪、污泥浓度计、液位计、液位差计、泥位计、压力变送器等。
4.化验室设备:化验室内所有设备,但不包括玻璃器皿等。
公司生产技术部根据考核设备范围制定各污水厂考核设备清单,作为设备完好率计算和考核依据。
对纳入完好率考核范畴之外的辅助性设备,各厂应加强管理和维护,确保正常使用,并纳入绩效考核范围。
第二章考核内容及方式第三条设备完好率考核结果纳入各单位绩效考核范畴,由公司运营管理部负责考核工作的实施。
第四条考核内容1.为增强设备完好率考核的可操作性,各厂设备完好率须达到98%。
2.各污水厂厂须在每月3日前将上月设备完好率统计表上报公司生产技术部。
3.各污水厂务必真实、有效上报设备故障情况,如经查实存在假报、虚报、漏报情况,对设备管理考核指标实施一票否决。
4.各污水厂要完善设备管理各类台账(如设备清单、设备故障记录、维修记录等)以备检查、核实。
不能提供相关证据证明上报设备情况真实性资料的将视为假报设备故障处理。
第五条考核方式1.生产技术部每月不定期对各污水厂进行设备完好情况抽查,抽查结果纳入季度绩效考核范畴。
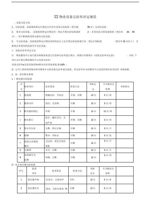
XX物业设备完好率评定规范、设备完好分类1、完好设备:设备现状和运行情况完全符合设备完好标准(得分超95分)为完好设备。
2、基本完好设备:设备现状和运行情况有一项达不到完好标准或有2— 3项比较小的设备隐患(得分在86— 95 分),但不影响使用的为基本完好设备。
3、不完好设备:设备现状和运行情况有两项及以上达不到完好标准或只有一项达不到标准(得分在85分以下)并影响正常使用的设备为不完好设备。
4、设备完好率评定方法1)物业服务中心每月度对所辖设备进行自查和完好率进行统计,将统计结果填入《设备完好率评定表》,并依下列公式计算岀物业服务中心设备完好率:设备完好率=完好设备系统+基本完好设备系统/8*100% ;2)公司工程部每季度对所有服务中心的设备完好率进行抽查,其完好率作为对服务中心设备管理目标责任的考核依据。
1、高、低压配电系统1 )配电箱完好标准23 )高压配电装置完好标准45)电力电容器完好标准67 )电动机完好标准2、楼宇设备自动化系统1)网络与通讯设备系统A、程控交换机B、网络通讯系统C、广播与背景音乐系统D、中央控制系统EF、车库管理系统G、门禁系统H、卫星电视系统I、消防报警与灭火系统注:对各项消防设备按规定进行定期检查的具体要求:(1)火灾探测器定期进行实效模拟试验,探测器至少每年进行一次清洗,及时更换失效的器件。
(2)每年进行一次消防联动,检测各类消防系统的运行参数和状态,并作好记录。
(3)当被检测探头响应参数达到预定值时,探测器应当输岀火灾信号,同时启动探测器的确认灯。
(4)操作启动部件,手动火灾报警按钮应当能输岀火灾报警信号,报警按钮应当有动作显示。
(5)火灾时应能在消防控制室将火灾疏散层的扬声器和广播背景音响系统强制转入火灾应急广播状态,并控制在选定的楼层(区域)内。
(6)报警功能:能正常接收来自火灾探测器及其他报警触发器件的火灾报警信号,发岀声、光信号。
(7)故障报警:当控制器和火灾探测器、控制器和传输火灾报警信号的部件发生故障时,应当正确指示故障部位。
设备完好率考核管理办法(一)单位机动设备综合完好率指标80%为合格。
(二)机动设备综合完好率计算方法。
备完好率以站(台)计算单位完好率=抽检合格台数/被抽检台数*100%1、机械设备按单台计算。
(1)设备精度性能良好,运转正常无故障。
一般设备精度满足产品工艺要求。
机修、工具精加工设备及精密机床主要几何精度达到出厂标准。
(2)精度技术性能合格,以期限内精度检测卡反映的综合精度指数不超类别规定数,单向超差有措施为合格。
(3)润滑冷却系统良好,油路畅通,基本无滴漏现象。
(4)导轨滑动面无严重拉沟碰伤,零、附件齐全。
(5)安全保护装置可靠,仪器仪表指示准确。
(6)附属电器设备性能良好,温升正常,管线路连接良好。
(7)设备内净外洁。
(8)结构状况良好。
普通设备:检查时85分为合格;精密设备:精密间95分为合格,安装在机群中90分为合格。
(9)精密设备必须全部检查且要求全部合格,若不合格,每一台扣单位完好率15%,精密设备不参加分数计算,只考核单位完好率。
(10)对上季度检查不合格的设备,下季度必复查,若不合格每台加扣该单位完好率5%。
2、动力设备(1)性能经预防试验,符合规定要求,出力达到定额能力,运转正常,温升,振动等不超过运行规定。
(2)各类安全装置齐全,继电保护、计量仪表安全可靠,指示准确,经定期对验符合要求。
(3)动力设备本体及辅助设备完好,零部件齐全,无较大缺陷。
(4)动力管线路齐全,绝缘、保温、连接等良好,基本无滴漏现象。
(5)设备内净外洁。
(6)动力站房:站房内一台设备不合格,认定该站房为不合格。
(7)各车间的动力配电柜(组、室)必须合格。
(8)上述七项如有一个不合格,均扣单位完好率15%。
检查方法:实行定期检查和日常检查相结合。
定期检查:即三查制,公司月份检查,车间月份检查,工段(班、组)周查。
日常检查:由设备仪器处设备管理人员进行督促检查。
注:1、以机械设备为主的单位,在设备总台数中抽检10台进行检查,而设备总台数不足10台的单位设备全检。
污水处理厂设备完好率考核办法(试行)一、定义1、为进一步加强设备管理,保障生产安全稳定,完善设备管理考核体系,特针对各污水处理厂主要设备制定完好率指标考核办法。
2、设备完好率指标考核是生产类考核的重要组成部分,是完善生产类考核的必要内容。
3、设备完好率考核结果纳入各单位绩效考核范畴,由公司生产技术部负责考核工作的组织实施。
4、各污水处理厂应根据本办法规定的设备完好率标准认真加强日常设备管理工作,努力提高设备管理水平和维修人员业务素质,确保设备完好率达标。
5、为增强设备完好率考核的可操作性,主要生产设备划分为两类进行考核,分别是:有备用设备,完好率需达到98%;无备用设备,完好率需达到100%。
二、考核标准设备完好需达到的一般标准为:1、设备性能良好,如设备的运行工况要满足工艺正常运行的需求,并在额定的能耗范围之内;2、设备运转正常,如零部件磨损、腐蚀程度不超过技术规定标准,润滑系统正常、设备运转无超温、超压现象;3、原料、燃料、油料等消耗正常,没有油、水、汽、电的泄漏现象,如滑动部分要灵敏、油路系统要畅通等;4、配套的配电、自控等运行、操作正常,数据显示准确。
三、考核设备范围1、机械设备:污水处理厂各运行工艺段使用的所有机械设备.包括:拦污设备、螺旋输送设备、曝气沉砂设备、排泥设备、泵类、搅拌推流器、曝气机、脱水机、加药设备、泥泵(螺杆泵)、离心机、阀门、闸门等(包含设备对应的现场控制柜、配电柜等自控设备);2、电气设备:污水处理厂各运行工艺段使用的所有电气设备。
包括:高、低压配电室配电柜、控制柜、变压器、紫外线消毒设备等;3、仪表测量设备:PLC柜、仪表、流量计、进/出水在线监测设备等;4、化验室设备:化验室内所有设备,但不包括玻璃器皿等;公司生产技术部根据考核设备范围制定各污水处理厂考核设备清单,作为设备完好率计算和考核依据.对纳入完好率考核范畴之外的辅助性设备,各厂应加强管理和维护,确保正常使用,并纳入绩效考核范围。
设备完好标准及完好率计算、统计办法、设备完好率评定标准第一条通用标准○设备运转正常、平稳、无异常冲击、振动及噪声;○设备零部件齐全,完好,无超标准及腐蚀部件;○联接件、紧固件牢固地无松动;○安全防护装置齐备,适用可靠;○润滑冷却系统运行正常,各部灵活可靠,管路整洁畅通、无渗漏,确保润滑冷却效果;第二条润滑油脂符合标准规定○控制系统灵敏可靠,沉度、速度、电流、风量等没有超标现象;○机台整洁,基本达到“四无”、“六不漏”要求,即无积灰、无杂物、无松动、无油污,无漏油、不漏水、不漏电、不漏气、不漏料、不漏风;○技术资料齐全。
即设备安装、调试、验收资料齐全,随机说明书、安装图、备件图、合格证、发货清单及各种检测报告要齐全;○进口设备要有翻译资料。
第七十五条专用标准主要生产设备完好率除按上述通用标准检查外,还应按不同设备的专用标准进行检查,并达到其要求。
○Φ2× 5m回转窑;★轮带与托轮接触正常,表面压力在整个宽度上均匀分布。
★托轮运行正常,保证上下游动灵活、可调,以使轮带与托轮均匀磨损。
★筒体两端密封良好,间隙不得过大,无漏风、漏灰现象。
★大齿圈与小齿轮接触面符合要求,沿齿高方向,达4%,沿齿宽方向达5%以上。
★技术经济指标达到技术性能要求生产能力1t/d转速主传.36~57 rpm辅传5r/h斜度4%主电机ZSN4-28-91B,N=16KW,n=15rpm托轮轴承温度3℃+环境温度油温25℃+环境温度○水泥磨★主轴承运行正常,轴径上油量充足均匀,油量消耗,无异常变化。
★稀油站供油情况良好,能达以下指标供油量低压 25 l/min 高压 5 l/min供油压力低压 .4 MPa 高压 32MPa★主轴承温度6℃★技术性能要求生产能力28~32t/h转速134rpm主电机功率1kw○原料磨★主轴承运行正常,布油充足均匀,油量消耗无异常变化★主轴承温度≤55℃★稀油站供油情况良好,能达以下指标供油量低压25 l/min 高压 5 l/min供油压力低压 .5MPa 高压 32 MPa★技术性能要求生产能力75 t/h转速15rpm电机功率125kw入磨风温3℃○水泥磨减速机★减速机运行正常,无燥声,平稳。
设备完好率及分析报告一、引言设备完好率是指设备在特定期间内正常运行的时间占总运行时间的比例。
作为一个重要的生产运营指标,设备完好率对于企业的生产效率、产品质量以及成本控制等方面都有着重要的影响。
本文将针对设备完好率进行详细的分析研究,以期为企业提供有针对性的改进建议。
二、设备完好率测算方法设备完好率的测算方法通常采用设备运行时间与设备生产时间的比例来计算。
设备运行时间是指设备正常运行的累计小时数,设备生产时间是指设备应该正常运行的累计小时数。
通过计算这两个数值的比例即可得到设备的完好率,简便公式为:设备完好率 = 设备运行时间 / 设备生产时间。
三、设备完好率数据分析通过对设备完好率进行数据分析,可以发现一些重要的信息,从而为企业的设备管理和维护提供宝贵的参考。
以下是几个关键的分析方向:1. 周期性分析对设备完好率进行周期性分析可以帮助企业发现设备在不同时间段的运行状况。
例如,可以按照季度、月度、周度等周期来计算设备完好率,并进行对比分析。
通过这种方式,可以发现设备在某个特定时间段内完好率下降的原因,进而找到相应的解决办法。
2. 设备比较分析将不同设备的完好率进行比较分析,可以帮助企业发现设备之间的差异性。
例如,对同一生产线上的多个设备进行完好率分析,可以发现某些设备存在明显的运行问题或性能不良,从而对这些设备进行优化维护或替换。
此外,还可以通过与其他企业的设备完好率进行对比,了解自身设备管理的优势和劣势,从而找到提升完好率的关键点。
3. 故障分析设备完好率的下降往往与设备故障密切相关。
通过对设备故障的分析,可以找到影响设备完好率的主要因素。
例如,可以统计设备故障类型、频率以及故障发生的原因等信息,从而找到设备维护工作的重点,并采取相应的措施进行改进。
此外,还可以根据故障数据进行设备的优化设计,提高设备的可靠性和稳定性。
四、设备完好率改进建议通过对设备完好率的数据分析,我们可以提出以下几点改进建议:优化设备维护计划:根据设备故障数据分析,合理制定设备的维护计划,确保对故障频发设备的重点关注和维护,提高设备的完好率。
设备完好率考核办法为加强设备管理,完善生产考核内容,促进生产,特制定本办法对我公司的主要设备进行完好率指标考核。
1)设备完好率考核(及以后的各类设备指标考核)是生产考核的一部分,是完善生产考核的必要内容。
2)设备完好率考核由公司设备部会同总调度室在生产考核办的统一领导下开展工作,并将考核结果报生产考核办进行奖优罚劣。
3)公司生产单位应根据本办法规定的设备完好率标准认真加强日常设备管理工作,努力提高设备的管理水平和维修人员的业务素质。
4)为增强完好率考核的可操作性,现把公司设备划分为三类进行完好率考核。
分别是:泵类;塔、容器类;综合类。
其中泵类与综合类设备属于动态设备,每月进行一次考核;塔、容器类属于静态设备,每季度进行一次考核。
5)各生产单位动态设备完好率应达到85%,增减一个百分点对该单位奖罚200元;静态设备完好率应达到95%,每增减一个百分点对该单位奖罚200元。
6)考核过程中,考核小组会同受考核单位设备负责人或该单位指派的人员共同对照考核标准进行现场打分。
受考核的单位应对不合格项目进行整改。
(在限期内未完成整改的按《生产考核办法》中的交办工作规定进行处理,确实存在客观因素的除外,但应有整改方案和实施期限)。
7)有下列原因的不进行当次考核:A.由于设备配件影响暂不能进行维修的设备;B.由于技术力量所限或合同所限本单位不能修理的设备;C.为保障生产工艺、产量或安全要求不能进行及时维修的设备;D.考核中正在检修且属计划检修的设备;凡符合以上四项条件的设备必须以书面形式报指挥中心(必须有负责人签字)。
8)设备完好率=(设备完好台数/考核设备台数)x100%9)考核的每台设备对照其所涉及的完好标准逐条检查进行打分。
得分=(100/标准项数)x合格项目得分多少为完好,由生产考核办根据当月生产负荷及行业设备特点而定,但要本着逐步提高的原则。
10)为有效地开展此项工作,要求各受考核单位每月3日之前将本月设备检修、维护、保养计划以书面形式或电邮形式报设备部。
企业设备完好率考核办法背景企业设备的正常运行对于生产效率和产品质量至关重要。
因此,企业需要制定一种考核办法以评估设备的完好率,以便及时发现设备故障并采取措施解决。
考核指标完好率定义设备的完好率是指设备在特定时间范围内能够正常工作的时间占总时间的比例。
对于不同类型的设备,完好率的计算方法可能有所不同。
完好率计算方法设备完好率的计算方法需要结合具体情况而定。
以下是一种常用的计算方法:•取一段时间内设备正常运行的时间和设备总运行时间。
设备正常运行时间是指不需要维修或停机维护的时间,设备总运行时间是指设备可运行的总时间;•设备完好率=设备正常运行时间/设备总运行时间。
考虑到设备的不同类型和行业的特殊要求,完好率的计算方法需要经过合理化设计。
考核指标分类企业设备完好率考核指标分为以下几类:1.总完好率:所有设备的完好率之和除以设备总数;2.设备类型完好率:按照不同设备类型分别计算设备完好率(如机床、气动设备、电气设备等);3.设备部位完好率:按照设备不同的部位和组成部分计算完好率;4.时段完好率:企业在不同的时段分别计算设备的完好率。
考核方法针对以上考核指标,企业可以采用以下方法进行考核:定期检查定期检查可以帮助企业及时发现设备故障。
企业可以制定定期检查的时间安排,包括月度、季度或半年度等时间段。
定期检查可以采用手工检查、设备自检或第三方助力等多种方式。
数据统计定期收集设备的相关信息,包括设备的运行时间、每次故障发生时间、维修耗时、维修方式等信息。
通过数据分析,企业可以得出设备的完好率,并据此评估设备的效率和可靠度。
奖惩机制企业可以根据设备的完好率进行奖惩,并建立奖惩机制。
比如,完好率较高的设备可以获得生产先进性奖励;反之,完好率较低的设备可能会受到处罚,例如生产效率的降低。
结论企业设备的完好率是衡量设备优劣的重要标准之一。
企业应该制定一种可行的考核办法来评估设备的完好率,并根据结果采取相应的措施,以提高设备的效率和可靠性。
设备完好率计算方法设备完好率=设备完好分值/设备基础分值×100%-较大故障扣分计算说明:1、数据来源:《主要设备维保计划及完成情况明细表》。
其中:单台设备完好分值=该设备基础分值-一般故障次数/月,一般故障每次该设备完好分值为0。
2、在常、备用配置的系统设备中,当常用或备用设备发生故障,三天内未能修复或三天内未做出妥善维修安排(计划)的,第四天起故障时间计入完好率统计。
3、在故障抢修中,因备品、备件采购周期较长等原因一时无法彻底修复,但采取临时应急措施有效缓解业主需求的,过渡时间不扣较大故障分,但影响设备完好分值。
4、有计划安排的检修项目不计入完好率统计,但不能严重影响到业主的正常需求。
根据设备运行情况临时安排的重大检修项目,该设备完好分值为0。
5、较大及以上故障扣分细则在发生下面定义的较大及以上故障时,除该单台设备得分为0外,从该设备所属设备类别的月度设备完好率百分数上扣分。
5.1电梯设备1)发生困人故障,扣5%/次。
2)单台电梯停机故障,4小时以内,扣0.2%;4—8小时内,扣0.5%/次;超过8小时,每2小时多扣0.2%,即8-10小时扣0.7%,10-12小时扣0.9%,以此类推。
3)触及电梯安全管理红线的问题,如下表所示:扣5%/台.项。
5.2供配电系统1)影响业主正常生活或办公,影响范围大于一户的故障断电,抢修时间在0.5—2小时内,扣0.5%/次;大于2小时小于8小时,扣1%/次;大于8小时,每2小时多扣0.5%,即8-10小时扣1.5%,10-12小时扣2%,以此类推。
2)触及安全管理红线的问题,如下表所示:扣5%/次.项。
5.3给排水系统1)因设备故障,造成用户端(一户以上)停、用水1—4小时,扣0.5%/次;4—8小时,扣1%/次;大于8小时,每2小时多扣0.5%,即8-10小时扣1.5%,10-12小时扣2%,以此类推。
2)因设备原因,使业主财产遭到较大损失的,扣2%/次。
设备完好率的考核和计算办法15.1 目的保证设备的生产能力和生产的有效运行以及设备安全运行。
15.2 适用范围本制度规定了设备完好率的考核、计算与统计等内容。
本制度适用于生产和服务过程中使用设备完好率的管理工作。
15.3 术语和定义设备完好率设备完好率是指企业中技术性能完好设备台数占主要设备台数的百分率。
15.4 遵循原则15.4. 1 设备管理部门负责每月对设备完好率进行统计,为设备管理提供依据。
15.4. 2 各单位协助设备管理部门搞好公司设备管理各项工作,认真执行公司各项设备管理制度,做好设备管理工作,提高设备完好率。
15.5 制度内容与要求15.5.1 主要设备完好的考核15.5.1.1 设备的完好与否,以公司《设备通用完好标准》为依据。
15.5.1.2完好标准中的主要项目,有一项不合格,该设备即为不合格设备。
15.5.1.3 完好标准中的次要项目,有二项不合格,该设备即为不合格设备。
15.5.1.4在检查人员离开现场前,能够整改合格的项目,仍算合格,但要作为问题记录。
15.5.2 主要设备完好率计算15.5.2.1设备管理部门组织使用单位设备员每月对主要生产设备进行一次检查,依据检查结果进行统计计算。
15.5.2.2 完好率的计算公式主要设备完好率=(完好主要设备台数/主要设备台数)×100 %根据完好主要设备的考核和计算,每月统计一次主要设备完好率,并填写《主要设备完好率统计表》15.6 执行标准15.6.1本制度自下发之日起执行。
15.6.2 本制度解释权归设备管理部门。
主要设备完好率统计表统计时间:年月日。
设备完好率管理规范一、背景介绍设备完好率是指设备在一定时间内正常运行的时间占总时间的比例,是衡量设备运行稳定性和可靠性的重要指标。
设备完好率管理是为了保证设备的正常运行和提高设备的可靠性,从而提高生产效率和降低生产成本。
本文将详细介绍设备完好率管理的规范,包括设备完好率的定义、计算方法、管理流程和常见问题的解决方法。
二、设备完好率的定义设备完好率是指设备正常运行的时间占总时间的比例,通常以百分比表示。
计算公式为:设备完好率 = (设备正常运行时间 / 总时间)× 100%三、设备完好率的计算方法1. 确定计算周期:设备完好率的计算周期可以根据实际情况来确定,常见的计算周期有日、周、月、季度和年度等。
2. 采集数据:采集设备正常运行时间和总时间的数据。
设备正常运行时间可以通过设备运行日志、设备维修记录和设备故障报告等方式获取,总时间可以通过设备运行时间表和生产计划表等方式获取。
3. 计算设备完好率:根据采集到的数据,按照设备完好率的计算公式进行计算,得出设备完好率的数值。
4. 分析结果:根据计算得出的设备完好率数值,进行分析,找出设备运行不正常的原因和改进措施。
四、设备完好率管理流程1. 设定目标:根据企业的实际情况和需求,设定合理的设备完好率目标。
目标应该具体、可衡量和可达成,并与企业的生产计划和质量要求相匹配。
2. 制定计划:根据设备完好率目标,制定设备维护计划和设备检修计划,包括定期维护、预防性维修和故障维修等。
计划应该合理安排维护和检修时间,确保设备的正常运行。
3. 实施计划:按照制定的计划进行设备维护和检修工作,确保设备按时进行维护和检修,并记录相关数据。
4. 监控和分析:监控设备的运行情况,及时发现设备运行异常和故障,并进行分析。
根据分析结果,采取相应的措施,解决设备运行问题,提高设备的完好率。
5. 持续改进:根据分析结果和实际情况,不断改进设备维护和检修计划,优化设备管理流程,提高设备的完好率。
设备完好率评价制度1目的为了加强对对生产区设备的管理,掌握设备使用运行情况,控制设备完好率,为设备大修改造进行前期指引,特制订本制度。
2范围公司生产区域所有设备3职责设备部归口管理设备设施的状态;使用单位参与设备状态评价。
4规则4.1储罐类设备:基础稳固无下沉、倾斜、裂痕等异常现象,储罐防腐层完整,罐体无严重腐蚀,内部层衬胶无脱落、裂痕,设备整体无泄漏,设备法兰人孔完整,管道安装符合要求,管道无变形,泄漏现象。
4.2运转设备完好标准4.2.1设备运转正常,零部件齐全,安全防护装置良好,磨损、腐蚀程度不超过规定的标准,控制系统、计量仪器、仪表系统工作正常;主辅机的零部件完整齐全,符合工艺要求;4.2.2仪表、计器、信号联锁和各种安全装置、自动调节装置齐全完整、灵敏准确;4.2.3基础、机座稳固可靠,地脚螺栓和各部螺栓连接紧固、齐整,符合技术要求;4.2.4管线、管件、阀门、支架等安装合理,牢固完整,标志分明,符合要求;4.2.5防腐、保温、防冻设施完整有效,符合要求。
4.2.6设备性能良好,机械设备能稳定地满足生产工艺要求,动力设备的功能达到原设计或规定标准,运转无超温超压等现象,润滑工作正常:4.2.7设备润滑良好,润滑系统畅通,油质符合要求。
4.2.8无松动、杂音等不正常现象,振动值不超过允许范围;各部温度、压力、转速、流量,电流等运行参数符合规程要求,生产能力达到铭牌出力或查定能力。
4.2.9技术资料齐全、准确:a)设备档案、检修及验收记录齐全;b)设备运转时间和累计运转时间有统计、记录;c)设备易损配件有图纸;d) 设备操作规程、维护检修规程齐全。
4.2.10润滑油、动能等消耗正常,无漏油、漏水、漏气(汽)、漏电现象,外表清洁整齐。
4.2.11安全防护:消弧、安全装置齐,全安全防护装置完整,动作可靠。
4.3设施完好状态:4.3.1承重结构(如厂房基础、屋盖系统、梁、柱、烟囱筒壁等)坚实牢固。
凯云物业设备完好率评定方案
一、目的
通过开展设备完好率评定工作,进一步提升我司设备管理水平。
二、设备完好分类
1、完好设备:设备现状和运行情况完全符合设备完好标准(得分超95分)为完好设备。
2、基本完好设备:设备现状和运行情况有一项达不到完好标准或有2—3项比较小的设备隐患(得分在86—95分),但不影响使用的为基本完好设备。
3、不完好设备:设备现状和运行情况有两项及以上达不到完好标准或只有一项达不到标准(得分在85分以下)并影响正常使用的设备为不完好设备。
4、设备完好率评定方法
1)物业服务中心每月度对所辖设备进行自查和完好率进行统计,将统计结果填入《设备完好率评定表》,并依下列公式计算出物业服务中心设备完好率:设备完好率=完好设备台数+基本完好设备台数/设施设备总台数%;
2)公司工程部每季度对所有服务中心的设备完好率进行抽查,其完好率作为对服务中心设备管理目标责任的考核依据。
1、高、低压配电系统
1)配电箱完好标准
2)电力变压器完好标准
3)高压配电装置完好标准
4)低压配电柜完好标准
5)电力电容器完好标准
6)电力电缆完好标准
7)电动机完好标准
2、楼宇设备自动化系统
1)网络与通讯设备系统
A、程控交换机
B、网络通讯系统
C、广播与背景音乐系统
D、中央控制系统
E、巡更系统、周界报警系统、对讲系统
F、车库管理系统
G、门禁系统
H
、卫星电视系统
注:对各项消防设备按规定进行定期检查的具体要求:
(1)火灾探测器定期进行实效模拟试验,探测器至少每年进行一次清洗,及时更换失效的器件。
(2)每年进行一次消防联动,检测各类消防系统的运行参数和状态,并作好记录。
(3)当被检测探头响应参数达到预定值时,探测器应当输出火灾信号,同时启动探测器的确认灯。
(4)操作启动部件,手动火灾报警按钮应当能输出火灾报警信号,报警按钮应当有动作显示。
(5)火灾时应能在消防控制室将火灾疏散层的扬声器和广播背景音响系统强制转入火灾应急广播状态,并
控制在选定的楼层(区域)内。
(6)报警功能:能正常接收来自火灾探测器及其他报警触发器件的火灾报警信号,发出声、光信号。
(7)故障报警:当控制器和火灾探测器、控制器和传输火灾报警信号的部件发生故障时,应当正确指示故障部位。
(8)火灾优先功能:显示预报警和故障信号时,如有火灾信号输入,应当立即显示火灾报警信号;显示故障信号时,如有报警信号输入,应当显示报警信号。
(9)电源转换功能:主电源切断时,备用电源应当能自动投入运行;当主电源恢复时能从备用电源自动转入主电源状态。
(10)火灾确认后,发出控制信号,强制电梯全部停于首层,并接受其反馈信号;消防电梯联动迫降后可进行人工操作,其功能、信号均应当正常。
(11)火灾确认后,应当控制相应部位的正压风机和排烟风机启动,接受其反馈信号并显示其状态。
(12)火灾确认后,发出控制信号,将着火层的防烟风阀、排烟阀打开,接受其反馈信号并显示其状态。
(13)消防控制室在确认火灾后,应当能控制有关部位的防火卷帘按规定的程序下降,接受其反馈信号并显示其状态。
(14)火灾确认后,应当释放建筑物内的所有门禁装置,保证疏散门的畅通。
3、给排水系统
1)水泵
2)给水设施
3)排水系统
4、空调系统
1)冷(温)水机组
2)冷媒(却)水系统
3)冷却塔
4)空气处理单元(新风机组、空调机组、风机盘管等)
5)冷冻、冷却泵
5、锅炉系统
1)锅炉
2)送风机、排烟风机
3)水处理设备
4)烟道、烟囱及除尘装置
5)仪表及电气装置
6、电梯及自动扶梯
7、高空作业设备
8、升降设备
9、公共照明系统
10、避雷系统
附件一:设备完好率评定表
编号:MMWY-SB-JL005 部门:
统计人:审核人:评定时间:年月日
河南XX物业管理服务有限公司
2013年9月20日。