设备完好率评定办法
- 格式:doc
- 大小:346.00 KB
- 文档页数:17
1、设备完好率定义:设备完好率,指的是完好的生产设备在全部生产设备中的比重,它是反映企业设备技术状况和评价设备管理工作水平的一个重要指标。
计算公式:设备完好率=完好设备总台数/生产设备总台数× 100%标准:所谓完好设备一般标准是:①设备性能良好,如机械加工设备的精度达到工艺要求;②设备运转正常,如零部件磨损、腐蚀程度不超过技术规定标准,润滑系统正常、设备运转无超温、超压现象;③原料、燃料、油料等消耗正常,没有油、水、汽、电的泄漏现象。
对于各种不同类型的设备,还要规定具体标准。
例如传动系统的变速要齐全、滑动部分要灵敏、油路系统要畅通等。
公式中的设备总台数包括在用、停用、封存的设备。
在计算设备完好率时,除按全部设备计算外,还应分别计算各类设备的完好率。
2、设备利用率定义:设备利用率是指每年度设备实际使用时间占计划用时的百分比。
是指设备的使用效率。
是反映设备工作状态及生产效率的技术经济指标。
在一般的企业当中,设备投资常常在总投资中占较大的比例。
因此,设备能否充分利用,直接关系到投资效益,提高设备的利用率,等于相对降低了产品成本。
所以,作为企业的管理者,在进行生产决策的时候,一定要充分认识到这一点。
一般包括:设备数量利用指标―实有设备安装率,已安装设备利用率;设备时间利用指标―设备制度台时利用率,设备计划台时利用率;设备能力利用指标―设备负荷率;设备综合利用指标―设备综合利用率。
过去,设备利用率一般仅指设备制度台时利用率。
计算公式:公式一:设备利用率=每小时实际产量/ 每小时理论产量×100%公式二:设备利用率=每班次(天)实际开机时数/ 每班次(天)应开机时数×100%公式三:设备利用率=某抽样时刻的开机台数/ 设备总台数×100%3、设备故障率定义:设备故障率是指事故(故障)停机时间与设备应开动时间的百分比,是考核设备技术状态、故障强度、维修质量和效率一个指标。
设备完好率计算方法设备完好率=设备完好分值/设备基础分值×100%-较大故障扣分计算说明:1、数据来源:《主要设备维保计划及完成情况明细表》。
其中:单台设备完好分值=该设备基础分值-一般故障次数/月,一般故障每次该设备完好分值为0。
2、在常、备用配置的系统设备中,当常用或备用设备发生故障,三天内未能修复或三天内未做出妥善维修安排(计划)的,第四天起故障时间计入完好率统计。
3、在故障抢修中,因备品、备件采购周期较长等原因一时无法彻底修复,但采取临时应急措施有效缓解业主需求的,过渡时间不扣较大故障分,但影响设备完好分值。
4、有计划安排的检修项目不计入完好率统计,但不能严重影响到业主的正常需求。
根据设备运行情况临时安排的重大检修项目,该设备完好分值为0。
5、较大及以上故障扣分细则在发生下面定义的较大及以上故障时,除该单台设备得分为0外,从该设备所属设备类别的月度设备完好率百分数上扣分。
5.1电梯设备1)发生困人故障,扣5%/次。
2)单台电梯停机故障,4小时以内,扣0.2%;4—8小时内,扣0.5%/次;超过8小时,每2小时多扣0.2%,即8-10小时扣0.7%,10-12小时扣0.9%,以此类推。
3)触及电梯安全管理红线的问题,如下表所示:扣5%/台.项。
5.2供配电系统1)影响业主正常生活或办公,影响范围大于一户的故障断电,抢修时间在0.5—2小时内,扣0.5%/次;大于2小时小于8小时,扣1%/次;大于8小时,每2小时多扣0.5%,即8-10小时扣1.5%,10-12小时扣2%,以此类推。
2)触及安全管理红线的问题,如下表所示:扣5%/次.项。
5.3给排水系统1)因设备故障,造成用户端(一户以上)停、用水1—4小时,扣0.5%/次;4—8小时,扣1%/次;大于8小时,每2小时多扣0.5%,即8-10小时扣1.5%,10-12小时扣2%,以此类推。
2)因设备原因,使业主财产遭到较大损失的,扣2%/次。
水务集团污水处理设备完好率评定标准1目的规范公司设备管理工作中对生产设备状态的评定标准,便于公司对各层次设备管理工作的评价。
通过设备状态的评定,明确设备整体状态,不断加强设备管理工作,提高本单位设备的完好率,保障生产运行的稳定性和连续性,实现固定资产设备的保值增值,特制订本标准。
2适用范围本标准适用于XX污水处理有限公司的各类生产设备。
3职责设备部负责定期组织对本单位的设备进行检查,并以此为依据制定设备维修维护工作计划。
4工作程序4.1检查评分方法4.1.1根据本公司的固定资产设备台帐,编制《固定资产设备完好程度评分表》。
4.1.2由设备部牵头组成设备评定小组,依据设备的技术标准和评分标准(设备的评分标准见4.2),对各类设备逐台进行检查和考评。
4.1.3每台设备各项目评定得分之和就是该设备技术评定总的得分。
设备评定得分90分以上(含90分)的设备为完好设备,设备评定得分90分以下的设备为不完好设备。
其中,注明有主要项目的设备,主要项目中任何一项不合格或次要项目两项不合格者,即为不完好设备。
得分90分以上的设备总数占所有参与评定设备总数的百分比,即为该次检查设备的完好率。
4.1.4凡是水处理设备中使用的、备用的固定资产A、B类设备(包括正在维修的设备)均必须每月评定一次。
非生产性设备及经集团公司水务事业部审批后停用的设备必须每年评定一次。
4.2设备状态检查评分标准注:第、、项主要项目,其中任何一项不达到完好要求,即整机不能作为完好设备。
泵类设备(含提升泵及其它水泵、污泥泵、真空泵等)注:第、项如果低于工艺设计标准,第项中任何一项不达到完好要求,即整机不能作为完好设备。
鼓风机注:第项达不到工艺设计值、第项中任何一项不达到完好要求, 即整机不能作为完好设备。
刮吸泥设备注:第、项为主要项目,其中任何一项不达到完好要求,即整机不能作为完好设备。
搅拌器、推流器注:第2、4、5项为主要项目,其中任何一项不达到完好要求,即整机不能作为完好设备。
设备完好率考核管理办法(一)单位机动设备综合完好率指标80%为合格。
(二)机动设备综合完好率计算方法。
备完好率以站(台)计算单位完好率=抽检合格台数/被抽检台数*100%1、机械设备按单台计算。
(1)设备精度性能良好,运转正常无故障。
一般设备精度满足产品工艺要求。
机修、工具精加工设备及精密机床主要几何精度达到出厂标准。
(2)精度技术性能合格,以期限内精度检测卡反映的综合精度指数不超类别规定数,单向超差有措施为合格。
(3)润滑冷却系统良好,油路畅通,基本无滴漏现象。
(4)导轨滑动面无严重拉沟碰伤,零、附件齐全。
(5)安全保护装置可靠,仪器仪表指示准确。
(6)附属电器设备性能良好,温升正常,管线路连接良好。
(7)设备内净外洁。
(8)结构状况良好。
普通设备:检查时85分为合格;精密设备:精密间95分为合格,安装在机群中90分为合格。
(9)精密设备必须全部检查且要求全部合格,若不合格,每一台扣单位完好率15%,精密设备不参加分数计算,只考核单位完好率。
(10)对上季度检查不合格的设备,下季度必复查,若不合格每台加扣该单位完好率5%。
2、动力设备(1)性能经预防试验,符合规定要求,出力达到定额能力,运转正常,温升,振动等不超过运行规定。
(2)各类安全装置齐全,继电保护、计量仪表安全可靠,指示准确,经定期对验符合要求。
(3)动力设备本体及辅助设备完好,零部件齐全,无较大缺陷。
(4)动力管线路齐全,绝缘、保温、连接等良好,基本无滴漏现象。
(5)设备内净外洁。
(6)动力站房:站房内一台设备不合格,认定该站房为不合格。
(7)各车间的动力配电柜(组、室)必须合格。
(8)上述七项如有一个不合格,均扣单位完好率15%。
检查方法:实行定期检查和日常检查相结合。
定期检查:即三查制,公司月份检查,车间月份检查,工段(班、组)周查。
日常检查:由设备仪器处设备管理人员进行督促检查。
注:1、以机械设备为主的单位,在设备总台数中抽检10台进行检查,而设备总台数不足10台的单位设备全检。
设备完好率、泄漏率标准及计算目录设备完好率及完好标准 (2)一、设备完好率的定义: (2)二、计算公式: (2)设备泄漏率及完好标准 (2)一、密封点分类和统计范围: (2)二、密封点完好标准: (3)三、动、静密封检验标准: (4)设备完好率及完好标准一、设备完好率的定义:完好的生产设备在全部生产设备中的比重,它是反映企业设备技术状况和评价设备管理工作水平的一个重要指标。
二、计算公式:①设备完好率=完好设备总台数÷生产设备总台数×100%=[(一级完好设备数加二级完好设备数)÷生产设备总台数]×100%公式中的设备总台数包括在用、停用、封存的设备。
②设备完好标准是设备管理的基本依据。
③设备完好标准是设备处于完好技术状态的检查根据,也是计算设备完好率的基础与前提。
设备泄漏率及完好标准一、密封点分类和统计范围:1、动密封:各种机电设备(包括机床)的连续运动、旋转和住复、的两个部件之间的密封,属于动密封。
如压缩机轴,泵轴,各种釜类旋转轴等的密封均属动密封。
2、静密封:设备(包括机床)和厂内采暖设备、及其附属管线和附件,在运行过程中两个没有相对运动的部件之间的密封属于静密封。
如:①设备管线上的法兰、各种阀门、丝堵、活接头;②机泵设备上的油标、附属管线;③电气设备的变压器、油开关、电缆头;④仪表孔板、调节阀、附属引线;以及其他设备的结合部位均属静密封。
二、密封点完好标准:1、动密封点的统计标准:一对连续运动、旋转或往复、两个部件之间的密封算一个动密封点。
2、静密封点的统计标准:一个静密封点接合处,算一个静密封点。
如:一对法兰,不论其规格大小,均算一个密封点。
一个阀门一般算四个密封点,如阀门后有丝堵或阀后紧接放空,则应各多算一点。
一个丝扣活接头,算三个密封点。
特别部位如连接法兰的螺栓孔与设备内部是连通的,除了接合面算一个密封点外,有几个螺栓孔应加几个密封点。
3、泄漏点的统计标准:有一处泄漏,就算一个泄漏点,不论是密封点或因焊缝裂纹、砂眼、腐蚀以及其他原因造成的泄漏,均作泄漏点统计。
设备完好分级标准及设备完好率的计算(1)设备完好标准是设备处于完好技术状态的检查根据,也是计算设备完好率的基础与前提。
那么设备完好标准是怎样定义的呢?各地、各部门为了考核企业设备的完好率,规定了设备完好标准。
一、级别:①一级完好设备,②二级完好设备,③不完好设备二、项目标准1、基础一级:基础稳固,无腐蚀、倾斜、裂缝,连接牢靠,无松动断裂和脱落现象二级:基础稳固,无腐蚀、倾斜、裂缝,连接牢靠,无松动断裂和脱落现象不完好:有腐蚀、倾斜、裂缝、松动、断裂和脱落现象2、结构一级:结构完整,零部件齐全,磨损、腐蚀和变形均在允许范围内二级:结构、零部件基本完整齐全,虽有部门缺陷但不影响安全运行不完好:不完整齐全,并已影响安全运行3、润滑一级:润滑良好,没有油、水、气等介质的跑、冒、滴、漏现象二级:润滑基本完好,无严重跑、冒、滴、漏现象不完好:有严重跑、冒、滴、漏现象4、计量仪表和防护装置一级:计量仪表灵敏可靠,安全防护装置齐全二级:主要计量仪表和安全防护装置齐全可靠不完好:不齐全可靠5、设备精度和运行效能一级:运行正常,设备精度达到公称能力,即原出厂技术要求二级:运行正常,设备精度能符合工艺技术要求不完好:运行已不正常,不能满足工艺技术要求注:五个项目中只要有一项出现不完好设备状况,则为不完好设备。
近几年,不少企业又依照企业标准的格式制定了企业设备完好标准,为确定与核算设备完好率提供了更科学合理的依据。
同时企业都确定设备完好率为企业中所有完好生产设备占全部生产设备之比重。
其计算公式为:设备完好率=(完好生产设备台数/全部生产设备台数)×100%由此可见:要准确核算设备完好率,设备管理员就必须首先制定自己企业各种生产设备的完好标准,这样才能有依据其进行认真检查和考核。
这就是说,设备完好标准是衡量设备质量的唯一依据,也是企业设备管理的基本依据。
没有标准你无法检查和考核设备的完好,就象你不知道北京在东还是在西,你就无法达到。
设备完好标准及完好率计算、统计办法、设备完好率评定标准第一条通用标准○设备运转正常、平稳、无异常冲击、振动及噪声;○设备零部件齐全,完好,无超标准及腐蚀部件;○联接件、紧固件牢固地无松动;○安全防护装置齐备,适用可靠;○润滑冷却系统运行正常,各部灵活可靠,管路整洁畅通、无渗漏,确保润滑冷却效果;第二条润滑油脂符合标准规定○控制系统灵敏可靠,沉度、速度、电流、风量等没有超标现象;○机台整洁,基本达到“四无”、“六不漏”要求,即无积灰、无杂物、无松动、无油污,无漏油、不漏水、不漏电、不漏气、不漏料、不漏风;○技术资料齐全。
即设备安装、调试、验收资料齐全,随机说明书、安装图、备件图、合格证、发货清单及各种检测报告要齐全;○进口设备要有翻译资料。
第七十五条专用标准主要生产设备完好率除按上述通用标准检查外,还应按不同设备的专用标准进行检查,并达到其要求。
○Φ2× 5m回转窑;★轮带与托轮接触正常,表面压力在整个宽度上均匀分布。
★托轮运行正常,保证上下游动灵活、可调,以使轮带与托轮均匀磨损。
★筒体两端密封良好,间隙不得过大,无漏风、漏灰现象。
★大齿圈与小齿轮接触面符合要求,沿齿高方向,达4%,沿齿宽方向达5%以上。
★技术经济指标达到技术性能要求生产能力1t/d转速主传.36~57 rpm辅传5r/h斜度4%主电机ZSN4-28-91B,N=16KW,n=15rpm托轮轴承温度3℃+环境温度油温25℃+环境温度○水泥磨★主轴承运行正常,轴径上油量充足均匀,油量消耗,无异常变化。
★稀油站供油情况良好,能达以下指标供油量低压 25 l/min 高压 5 l/min供油压力低压 .4 MPa 高压 32MPa★主轴承温度6℃★技术性能要求生产能力28~32t/h转速134rpm主电机功率1kw○原料磨★主轴承运行正常,布油充足均匀,油量消耗无异常变化★主轴承温度≤55℃★稀油站供油情况良好,能达以下指标供油量低压25 l/min 高压 5 l/min供油压力低压 .5MPa 高压 32 MPa★技术性能要求生产能力75 t/h转速15rpm电机功率125kw入磨风温3℃○水泥磨减速机★减速机运行正常,无燥声,平稳。
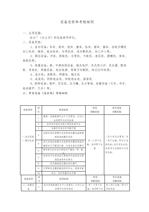
设备完好率考核细则
一、应用范围:
各分厂(分公司)的设备使用单位。
二、设备类型:
1、金切设备:车床、铣床、刨床、磨床、钻床、镗床、插床、齿轮及螺纹加工机床、锯床、组合机床、专用机床、线切割机床、加工中心等。
2、锻压设备:冲床、剪板机、冷弯机、平板机、液压机、摆碾机、剪床、卷板机等。
3、电器设备:高、中频电热设备、箱式电炉、井式回火炉、变压器、配电柜、发电机、焊接设备、起动电源、等离子切割机、标记打印机等。
4、流水线:装配线、焊接线、抛丸线
5、涂装线:阴极电泳线、阳极电泳线、面漆线
6、特种设备:锅炉、空压机、压力罐、压力管道、起重设备(叉车、吊车、电动葫芦、叉车)等。
三、单台设备(流水线)考核细则
四、设备检查及完好率考核
(1)车间设备管理员每月对本单位的设备进行一次设备完好率考核,汇总后报分厂设备主管。
(2)分厂设备主管每月5号前汇总报设备科,对设备完好率不达标的单位要查明原因,一同上报。
(3)设备科针对各分厂的设备完好率考核情况,进行汇总,并对考核结果分析,查找原因,提出设备完好率考核不合格单位的改进措施。
完好率的计算
1.设备完好率
完好设备台数
设备完好率= 主要生产设备总数*100%
五、考核频率:设备使用单位每月考核一次。
六、考核单位:各设备使用单位。
公司设备部监督管理。
七、完好标准:根据各分厂设备的使用年限制定标准。
八、罚则:各设备使用单位必须实事求是的对自己的设备进行考核,不能瞒报、
虚报,一旦查出,将进行公司通报或一定的经济处罚。
九、每年的设备完好率标准由公司设备科根据上一年的考核标准统一制定。
企业设备完好率考核办法背景企业设备的正常运行对于生产效率和产品质量至关重要。
因此,企业需要制定一种考核办法以评估设备的完好率,以便及时发现设备故障并采取措施解决。
考核指标完好率定义设备的完好率是指设备在特定时间范围内能够正常工作的时间占总时间的比例。
对于不同类型的设备,完好率的计算方法可能有所不同。
完好率计算方法设备完好率的计算方法需要结合具体情况而定。
以下是一种常用的计算方法:•取一段时间内设备正常运行的时间和设备总运行时间。
设备正常运行时间是指不需要维修或停机维护的时间,设备总运行时间是指设备可运行的总时间;•设备完好率=设备正常运行时间/设备总运行时间。
考虑到设备的不同类型和行业的特殊要求,完好率的计算方法需要经过合理化设计。
考核指标分类企业设备完好率考核指标分为以下几类:1.总完好率:所有设备的完好率之和除以设备总数;2.设备类型完好率:按照不同设备类型分别计算设备完好率(如机床、气动设备、电气设备等);3.设备部位完好率:按照设备不同的部位和组成部分计算完好率;4.时段完好率:企业在不同的时段分别计算设备的完好率。
考核方法针对以上考核指标,企业可以采用以下方法进行考核:定期检查定期检查可以帮助企业及时发现设备故障。
企业可以制定定期检查的时间安排,包括月度、季度或半年度等时间段。
定期检查可以采用手工检查、设备自检或第三方助力等多种方式。
数据统计定期收集设备的相关信息,包括设备的运行时间、每次故障发生时间、维修耗时、维修方式等信息。
通过数据分析,企业可以得出设备的完好率,并据此评估设备的效率和可靠度。
奖惩机制企业可以根据设备的完好率进行奖惩,并建立奖惩机制。
比如,完好率较高的设备可以获得生产先进性奖励;反之,完好率较低的设备可能会受到处罚,例如生产效率的降低。
结论企业设备的完好率是衡量设备优劣的重要标准之一。
企业应该制定一种可行的考核办法来评估设备的完好率,并根据结果采取相应的措施,以提高设备的效率和可靠性。
设备完好分级标准及设备完好率的计算(1)设备完好标准是设备处于完好技术状态的检查根据,也是计算设备完好率的基础与前提。
那么设备完好标准是怎样定义的呢?各地、各部门为了考核企业设备的完好率,规定了设备完好标准。
一、级别:①一级完好设备,②二级完好设备,③不完好设备二、项目标准1、基础一级:基础稳固,无腐蚀、倾斜、裂缝,连接牢靠,无松动断裂和脱落现象二级:基础稳固,无腐蚀、倾斜、裂缝,连接牢靠,无松动断裂和脱落现象不完好:有腐蚀、倾斜、裂缝、松动、断裂和脱落现象2、结构一级:结构完整,零部件齐全,磨损、腐蚀和变形均在允许范围内二级:结构、零部件基本完整齐全,虽有部门缺陷但不影响安全运行不完好:不完整齐全,并已影响安全运行3、润滑一级:润滑良好,没有油、水、气等介质的跑、冒、滴、漏现象二级:润滑基本完好,无严重跑、冒、滴、漏现象不完好:有严重跑、冒、滴、漏现象4、计量仪表和防护装置一级:计量仪表灵敏可靠,安全防护装置齐全二级:主要计量仪表和安全防护装置齐全可靠不完好:不齐全可靠5、设备精度和运行效能一级:运行正常,设备精度达到公称能力,即原出厂技术要求二级:运行正常,设备精度能符合工艺技术要求不完好:运行已不正常,不能满足工艺技术要求注:五个项目中只要有一项出现不完好设备状况,则为不完好设备。
近几年,不少企业又依照企业标准的格式制定了企业设备完好标准,为确定与核算设备完好率提供了更科学合理的依据。
同时企业都确定设备完好率为企业中所有完好生产设备占全部生产设备之比重。
其计算公式为:设备完好率=(完好生产设备台数/全部生产设备台数)×100%由此可见:要准确核算设备完好率,设备管理员就必须首先制定自己企业各种生产设备的完好标准,这样才能有依据其进行认真检查和考核。
这就是说,设备完好标准是衡量设备质量的唯一依据,也是企业设备管理的基本依据。
没有标准你无法检查和考核设备的完好,就象你不知道北京在东还是在西,你就无法达到。
设备完好率计算方法设备完好率=设备完好分值/设备基础分值×100%-较大故障扣分计算说明:1、数据来源:《主要设备维保计划及完成情况明细表》。
其中:单台设备完好分值=该设备基础分值-一般故障次数/月,一般故障每次该设备完好分值为0。
2、在常、备用配置的系统设备中,当常用或备用设备发生故障,三天内未能修复或三天内未做出妥善维修安排(计划)的,第四天起故障时间计入完好率统计。
3、在故障抢修中,因备品、备件采购周期较长等原因一时无法彻底修复,但采取临时应急措施有效缓解业主需求的,过渡时间不扣较大故障分,但影响设备完好分值。
4、有计划安排的检修项目不计入完好率统计,但不能严重影响到业主的正常需求。
根据设备运行情况临时安排的重大检修项目,该设备完好分值为0。
5、较大及以上故障扣分细则在发生下面定义的较大及以上故障时,除该单台设备得分为0外,从该设备所属设备类别的月度设备完好率百分数上扣分。
5.1电梯设备1)发生困人故障,扣5%/次。
2)单台电梯停机故障,4小时以内,扣0.2%;4—8小时内,扣0.5%/次;超过8小时,每2小时多扣0.2%,即8-10小时扣0.7%,10-12小时扣0.9%,以此类推。
3)触及电梯安全管理红线的问题,如下表所示:扣5%/台.项。
5.2供配电系统1)影响业主正常生活或办公,影响范围大于一户的故障断电,抢修时间在0.5—2小时内,扣0.5%/次;大于2小时小于8小时,扣1%/次;大于8小时,每2小时多扣0.5%,即8-10小时扣1.5%,10-12小时扣2%,以此类推。
2)触及安全管理红线的问题,如下表所示:扣5%/次.项。
5.3给排水系统1)因设备故障,造成用户端(一户以上)停、用水1—4小时,扣0.5%/次;4—8小时,扣1%/次;大于8小时,每2小时多扣0.5%,即8-10小时扣1.5%,10-12小时扣2%,以此类推。
2)因设备原因,使业主财产遭到较大损失的,扣2%/次。
设备完好率的考核和计算办法15.1 目的保证设备的生产能力和生产的有效运行以及设备安全运行。
15.2 适用范围本制度规定了设备完好率的考核、计算与统计等内容。
本制度适用于生产和服务过程中使用设备完好率的管理工作。
15.3 术语和定义设备完好率设备完好率是指企业中技术性能完好设备台数占主要设备台数的百分率。
15.4 遵循原则15.4. 1 设备管理部门负责每月对设备完好率进行统计,为设备管理提供依据。
15.4. 2 各单位协助设备管理部门搞好公司设备管理各项工作,认真执行公司各项设备管理制度,做好设备管理工作,提高设备完好率。
15.5 制度内容与要求15.5.1 主要设备完好的考核15.5.1.1 设备的完好与否,以公司《设备通用完好标准》为依据。
15.5.1.2完好标准中的主要项目,有一项不合格,该设备即为不合格设备。
15.5.1.3 完好标准中的次要项目,有二项不合格,该设备即为不合格设备。
15.5.1.4在检查人员离开现场前,能够整改合格的项目,仍算合格,但要作为问题记录。
15.5.2 主要设备完好率计算15.5.2.1设备管理部门组织使用单位设备员每月对主要生产设备进行一次检查,依据检查结果进行统计计算。
15.5.2.2 完好率的计算公式主要设备完好率=(完好主要设备台数/主要设备台数)×100 %根据完好主要设备的考核和计算,每月统计一次主要设备完好率,并填写《主要设备完好率统计表》15.6 执行标准15.6.1本制度自下发之日起执行。
15.6.2 本制度解释权归设备管理部门。
主要设备完好率统计表统计时间:年月日。
设备完好率目标值设备完好率是指设备在一定时间内正常运行的概率,通常以百分比表示。
设备完好率目标值是针对设备运行的可靠性要求所设定的目标。
设备完好率目标值的确定对于企业的生产经营至关重要,它直接影响到生产效率、产品质量和客户满意度。
本文将从设备完好率目标值的意义、确定方法以及提高设备完好率的措施等方面进行探讨。
一、设备完好率目标值的意义设备完好率目标值的确定是企业管理层制定生产计划、安排维护保养和改进工艺的重要依据。
设备完好率目标值的高低直接关系到企业的生产效率和产品质量。
如果设备完好率目标值过低,将导致设备频繁故障,生产效率低下,产品质量无法保证,从而影响企业的竞争力和市场地位。
相反,如果设备完好率目标值过高,将导致企业在设备维护保养上投入过多,造成资源浪费。
因此,确定合理的设备完好率目标值对于企业的可持续发展至关重要。
二、设备完好率目标值的确定方法确定设备完好率目标值的方法有多种,下面介绍几种常用的方法。
1. 根据生产需求确定目标值:根据企业的生产需求和工艺特点,结合设备的功能和性能,确定设备完好率目标值。
例如,对于连续生产的设备,完好率目标值通常较高,要求设备能够长时间稳定运行;对于间歇生产的设备,完好率目标值可以相对较低。
2. 参考行业标准确定目标值:参考行业标准是一种常用的确定设备完好率目标值的方法。
行业标准通常反映了行业内企业的平均水平,可以作为设备完好率目标值的参考依据。
不过,需要注意的是,行业标准只是一个参考值,企业还需要根据自身情况进行具体调整。
3. 基于经验的确定目标值:企业管理层可以根据自身的经验和对设备运行情况的了解,制定合理的设备完好率目标值。
这种方法相对主观,但是对于长期从事设备管理的管理人员来说,经验往往是宝贵的财富。
三、提高设备完好率的措施提高设备完好率是每个企业的重要任务,下面介绍几种常用的提高设备完好率的措施。
1. 做好设备维护保养:设备维护保养是保证设备正常运行的关键。
设备完好率评价制度1目的为了加强对对生产区设备的管理,掌握设备使用运行情况,控制设备完好率,为设备大修改造进行前期指引,特制订本制度。
2范围公司生产区域所有设备3职责设备部归口管理设备设施的状态;使用单位参与设备状态评价。
4规则4.1储罐类设备:基础稳固无下沉、倾斜、裂痕等异常现象,储罐防腐层完整,罐体无严重腐蚀,内部层衬胶无脱落、裂痕,设备整体无泄漏,设备法兰人孔完整,管道安装符合要求,管道无变形,泄漏现象。
4.2运转设备完好标准4.2.1设备运转正常,零部件齐全,安全防护装置良好,磨损、腐蚀程度不超过规定的标准,控制系统、计量仪器、仪表系统工作正常;主辅机的零部件完整齐全,符合工艺要求;4.2.2仪表、计器、信号联锁和各种安全装置、自动调节装置齐全完整、灵敏准确;4.2.3基础、机座稳固可靠,地脚螺栓和各部螺栓连接紧固、齐整,符合技术要求;4.2.4管线、管件、阀门、支架等安装合理,牢固完整,标志分明,符合要求;4.2.5防腐、保温、防冻设施完整有效,符合要求。
4.2.6设备性能良好,机械设备能稳定地满足生产工艺要求,动力设备的功能达到原设计或规定标准,运转无超温超压等现象,润滑工作正常:4.2.7设备润滑良好,润滑系统畅通,油质符合要求。
4.2.8无松动、杂音等不正常现象,振动值不超过允许范围;各部温度、压力、转速、流量,电流等运行参数符合规程要求,生产能力达到铭牌出力或查定能力。
4.2.9技术资料齐全、准确:a)设备档案、检修及验收记录齐全;b)设备运转时间和累计运转时间有统计、记录;c)设备易损配件有图纸;d) 设备操作规程、维护检修规程齐全。
4.2.10润滑油、动能等消耗正常,无漏油、漏水、漏气(汽)、漏电现象,外表清洁整齐。
4.2.11安全防护:消弧、安全装置齐,全安全防护装置完整,动作可靠。
4.3设施完好状态:4.3.1承重结构(如厂房基础、屋盖系统、梁、柱、烟囱筒壁等)坚实牢固。
设备检查评级及完好率管理制度
定期对设备进行检查评级,确保设备的完好率是正确了解和掌握设备状况,及时发现和消除设备缺陷,保证设备经处于完好状态的重要措施之一。
为将专业管理与现场管理紧密结合起来,切实做好设备的检查评级工作,特制订本制度。
一、检查评级的范围
凡属在用的(包括备用的)生产、辅助生产机械、动力设备、起重运输设备、仪器、仪表、厂房、建筑物、构筑物等均参加检查评级。
正在检修的设备,按检修前的技术状况定级,停用三个月以上的设备,可不参加检查评级。
二、设备设施完好标准
(一)设备完好标准
1.部件完整齐全,质量符合要求;
2.主辅机的零、部件完整齐全,质量符合要求;
3.仪表、计器、信号联锁和各种安全装置、自动调节装置齐全完整、灵敏、准确;
4.基础、机座稳固可靠,地脚螺栓和各部螺栓连接紧固,齐整,符合技术要求;
5.管线、管件、阀门、支架等安装合理,牢固完整,标志分明,符合要求;
6.防腐、保温、防冻设施完整有效,符合要求。
(二)设备运转正常,性能良好。
定义:设备完好率,指的是完好的生产设备在全部生产设备中的比重,它是反映企业设备技术状况和评价设备管理工作水平的一个重要指标。
计算公式:设备完好率=完好设备总台数/生产设备总台数× 100%标准:所谓完好设备一般标准是:①设备性能良好,如机械加工设备的精度达到工艺要求;②设备运转正常,如零部件磨损、腐蚀程度不超过技术规定标准,润滑系统正常、设备运转无超温、超压现象;③原料、燃料、油料等消耗正常,没有油、水、汽、电的泄漏现象。
对于各种不同类型的设备,还要规定具体标准。
例如传动系统的变速要齐全、滑动部分要灵敏、油路系统要畅通等。
公式中的设备总台数包括在用、停用、封存的设备。
在计算设备完好率时,除按全部设备计算外,还应分别计算各类设备的完好率。
2、设备利用率定义:设备利用率是指每年度设备实际使用时间占计划用时的百分比。
是指设备的使用效率。
是反映设备工作状态及生产效率的技术经济指标。
在一般的企业当中,设备投资常常在总投资中占较大的比例。
因此,设备能否充分利用,直接关系到投资效益,提高设备的利用率,等于相对降低了产品成本。
所以,作为企业的管理者,在进行生产决策的时候,一定要充分认识到这一点。
一般包括:设备数量利用指标―实有设备安装率,已安装设备利用率;设备时间利用指标―设备制度台时利用率,设备计划台时利用率;设备能力利用指标―设备负荷率;设备综合利用指标―设备综合利用率。
过去,设备利用率一般仅指设备制度台时利用率。
计算公式:公式一:设备利用率=每小时实际产量/ 每小时理论产量×100%公式二:设备利用率=每班次(天)实际开机时数/ 每班次(天)应开机时数×100%公式三:设备利用率=某抽样时刻的开机台数/ 设备总台数×100%3、设备故障率定义:设备故障率是指事故(故障)停机时间与设备应开动时间的百分比,是考核设备技术状态、故障强度、维修质量和效率一个指标。
计算公式:故障造成的停机时间/设备工作运行时间×100%4、设备开动率定义:设备开动率是指在某一时间段内(如一班、一天等)开动机器生产所占的时间比率。
凯云物业设备完好率评定方案一、目的通过开展设备完好率评定工作,进一步提升我司设备管理水平。
二、设备完好分类1、完好设备:设备现状和运行情况完全符合设备完好标准(得分超95分)为完好设备。
2、基本完好设备:设备现状和运行情况有一项达不到完好标准或有2—3项比较小的设备隐患(得分在86—95分),但不影响使用的为基本完好设备。
3、不完好设备:设备现状和运行情况有两项及以上达不到完好标准或只有一项达不到标准(得分在85分以下)并影响正常使用的设备为不完好设备。
4、设备完好率评定方法1)物业服务中心每月度对所辖设备进行自查和完好率进行统计,将统计结果填入《设备完好率评定表》,并依下列公式计算出物业服务中心设备完好率:设备完好率=完好设备台数+基本完好设备台数/设施设备总台数%;2)公司工程部每季度对所有服务中心的设备完好率进行抽查,其完好率作为对服务中心设备管理目标责任的考核依据。
1、高、低压配电系统1)配电箱完好标准序号检查项目技术要求检查方法考核定分不合格扣分标准考核得分1 接地线接触良好,不松动手感、目测15分5分/项2 箱体内外清洁、无杂物目测10分5分/项3 配电箱的固定牢固手感10分10分/项4 配电箱门把手、螺丝齐全、关闭严密手感,目测10分5分/项5 指示灯仪表完整,指示正确目测10分5分/只6 线路整齐,有标志目测10分5分/ 处7 连接点及接线螺丝无过热、变色无氧化现象目测15分5分/ 只8 灭弧罩齐全,完整目测10分5分/ 只9 设备编号及标牌明确、完整目测10分5分/ 项2)电力变压器完好标准序号检查项目技术要求检查方法考核定分不合格扣分标准1 变压器声响无杂音,无放电声耳听15分5分/项2 变压器外壳清洁,无积尘和杂物目测10分5分/项3 温控器工作正常,指示正确询问、目测10分5分/ 项4 绝缘子整体完好,无破损、裂纹目测10分5分/项5 防护罩无破损、裂纹目测10分5分/ 只6 线路高低压线连接点无过热、变色,无氧化现象目测15分5分/ 处7 降温装置完好,工作正常目测10分5分/ 只8 地线接触良好,不松动目测,手感10分5分/ 项9 铭牌和编号牌齐全,清楚目测10分5分/ 项3)高压配电装置完好标准序号检查项目技术要求检查方法考核定分不合格扣标准1 断路器工作状况工作正常,各功能指示正常。
目测,询问5分5分/项2 绝缘瓷件无破损、裂纹目测10分5分/项3 母线油漆相序正确,无脱落现象目测5分5分/ 项4 隔离开关刀口接触良好,位置正确目测10分5分/项5 二次线路排列整齐,线号清晰目测10分5分/ 处6 指示灯仪表及完好,指示正确目测10分5分/ 只继电器8 连接点及接线螺丝无过热、变色无氧化现象目测10分5分/ 只9 联锁装置齐全,可靠目测10分5分/ 项10 设备编号及标牌明确目测10分5分/ 项11 操作机构分、合闸标示牌正确目测5分5分/ 项12 接地线接触良好,不松手感、目测5分5分/ 项4)低压配电柜完好标准序号检查项目技术要求检查方法考核定分不合格扣分标准1 接地线接触良好,不松动手感、目测15分5分/项2 母线油漆相序正确,无脱落现象目测10分5分/项3 操作手柄完整目测10分10分/ 项4 刀开关触电接触良好,位置正确目测10分5分/项5 指示灯仪表完整,指示正确目测10分5分/只6 线路整齐,有标志目测10分5分/ 处7 连接点及接线螺丝无过热、变色无氧化现象目测15分5分/ 只8 灭弧罩齐全,完整目测10分5分/ 只9 设备编号及标牌明确、完整目测10分5分/ 项5)电力电容器完好标准序号检查项目技术要求检查方法考核定分不合格扣分标准1 外壳不渗油,无积尘,无严重膨胀现象目测15分5分/处2 绝缘无破损、裂纹目测15分5分/处3 接线螺丝无过热、变色,无氧化现象目测20分10分/处4 放电装置完好目测15分5分/项5 接地线接触良好,不松动目测,手感、20分5分/处6 熔断器完好,无熔断者目测15分5分/处6)电力电缆完好标准序号检查项目技术要求检查方法考核定分不合格扣分标准1 有无渗油、漏胶不渗油、漏胶,光洁,无损伤,无严重膨胀现象目测25分5分/处2 瓷套管无破损、裂纹目测15分5分/只3 接线螺丝无过热、变色,无氧化现象目测20分10分/处4 直埋式电缆路标明确目测10分5分/条5 接地线接触良好,不松动目测,手感、20分5分/条6 电缆线编号明确目测10分5分/条7)电动机完好标准序号检查项目技术要求检查方法考核定分不合格扣分标准1 接线盒完整无缺,固定牢固手感,目测15分5分/项2 风扇罩完整无缺,固定牢固目测手感,目测15分5分/项3 电线软管牢固,无破损脱落现象目测手感,目测20分10分/项4 地脚螺丝齐全,紧固手感,目测15分5分/项5 接地线接触良好,不松动目测,手感、20分5分/只6 铭牌和编号牌齐全,清楚目测15分5分/处2、楼宇设备自动化系统序号内容和标准考核定分不合格扣分标准1 服务器工作正常、通讯正常、整洁。
25分10分/项2 工作站工作正常、通讯正常、整洁。
25分10分/项3 数字式直接控制器(DDC)工作正常、通讯正常、整洁、线路整齐。
20分10分/项4 末端设备工作正常、接地正确、线路无损、安装牢固。
20分 10分/项 5各种仪表、标识完善、正常。
10分5分/项1)网络与通讯设备系统 A 、程控交换机 B 、网络通讯系统序号内容和标准考核定分不合格扣分标准1 配线架排线整齐,标签完好,数据齐全。
35分 10分/项2 光纤排线整齐,标签完好,数据齐全。
40分 10分/项3 插座模块安装完好,线路畅通,表面整洁。
25分 10分/项C 、广播与背景音乐系统序号 内容和标准考核定分 不合格扣分标准1 音源设备工作正常,整洁完好。
25分 10分/项2 功放设备工作正常,整洁完好。
25分 5分/项 3扬声器等末端设备工作正常、整洁,音质保证清晰25分5分/项4背景音响与消防报警系统的连接切换工作正常。
25分 5分/项D 、中央控制系统序号内容和标准考核定分不合格扣分标准1 程控交换机(PABX)数据通讯工作正常、整洁、线路整齐。
20分 10分/项2 维护终端工作正常、整洁。
15分 5分/项3 计费系统工作正常、整洁。
15分 5分/项4 话务台工作正常、话音清晰、整洁。
15分 5分/项 5电源工作正常、蓄电池正常、设备整洁、显示仪表、完整无损。
15分5分/项6 语音信箱工作正常、整洁、接线正确。
10分 5分/项 7 各种仪表、标识完善、正常。
10分 5分/项序号内容和标准考核定分不合格扣分标准1 摄象机安装牢固、位置正确、工作正常、整洁。
20分10分/项2 画面分割器工作正常、整洁。
15分5分/项3 录入设备工作正常、整洁。
15分5分/项4 监视器工作正常、图象清晰、色彩良好、整洁。
20分5分/项5 矩阵工作正常、线路整齐、标识清楚。
15分5分/项6 监视录入的资料应至少保持7天,有特殊要求的参照相关规定或行业标准执行。
15分5分/项E、巡更系统、周界报警系统、对讲系统序号内容和标准考核定分不合格扣分标准1 巡更系统工作站工作正常、整洁。
15分10分/项2 巡更器工作正常。
15分5分/项3 巡更点位置正确、安装牢固、工作正常。
15分5分/项4 周界报警系统工作站工作正常、整洁。
15分5分/项5 周界报警系统红外探头安装牢固、线路无损、工作正常、整洁。
15分5分/项6 对讲系统基站线路无损、工作正常、整洁10分5分/项7 对讲系统天线安装牢固、工作正常。
15分5分/项F、车库管理系统序号内容和标准考核定分不合格扣分标准1 工作站工作正常、整洁. 25分10分/项2 服务器工作正常、整洁。
25分5分/项3 取票站安装牢固、线路整齐、工作正常20分5分/项4 栏杆机安装牢固、工作正常。
15分5分/项5 收费站工作正常、整洁。
15分5分/项G、门禁系统序号内容和标准考核定分不合格扣分标准1 工作站工作正常、整洁. 25分10分/项2 服务器工作正常、整洁。
25分5分/项3 读卡器指示灯完好、工作正常。
25分5分/项4 电子门锁工作正常。
25分5分/项H、卫星电视系统序号内容和标准考核定分不合格扣分标准1 卫星天线安装牢固、外观整洁。
35分10分/项2 放大器、解码器等设备工作正常。
35分5分/项3 传输线路正常、图象清晰。
30分5分/项I、消防报警与灭火系统序号内容和标准考核定分不合格扣分标准1 数据采集柜蓄电池正常、线路整齐、接线正确、工作正常、整洁。
15分5分/项2 末端设备安装牢固、位置正确、线路整齐、工作正常。
15分5分/项3 中央联动装置正常、显示准确。
15分5分/项4 消防灭火设施应处于良好的待命状态,二氧化碳灭火装置应每季进行信号测试与压力状态检查,清水泡沫灭火装置应每年检测一次,干粉灭火器压力保持在规定的范围内,每年进行灌充更新,保证有效;消防防护用品和工具齐全完好。
15分5分/项5 消防泵每月启动一次,每年保养一次,保证工作站工作正常、整洁。
10分3分/项6 消防栓每月巡查一次,保持消火栓箱内各种配件齐全。
10分3分/项7 消防带每半年检查一次,阀杆处每半年加润滑油并做放水检查一次。
10分3分/项8 应对各项消防设备按规定进行定期检查,保证设备齐全、功能运行正常。
10分2分/项注:对各项消防设备按规定进行定期检查的具体要求:(1)火灾探测器定期进行实效模拟试验,探测器至少每年进行一次清洗,及时更换失效的器件。
(2)每年进行一次消防联动,检测各类消防系统的运行参数和状态,并作好记录。
(3)当被检测探头响应参数达到预定值时,探测器应当输出火灾信号,同时启动探测器的确认灯。
(4)操作启动部件,手动火灾报警按钮应当能输出火灾报警信号,报警按钮应当有动作显示。
(5)火灾时应能在消防控制室将火灾疏散层的扬声器和广播背景音响系统强制转入火灾应急广播状态,并控制在选定的楼层(区域)内。
(6)报警功能:能正常接收来自火灾探测器及其他报警触发器件的火灾报警信号,发出声、光信号。
(7)故障报警:当控制器和火灾探测器、控制器和传输火灾报警信号的部件发生故障时,应当正确指示故障部位。
(8)火灾优先功能:显示预报警和故障信号时,如有火灾信号输入,应当立即显示火灾报警信号;显示故障信号时,如有报警信号输入,应当显示报警信号。
(9)电源转换功能:主电源切断时,备用电源应当能自动投入运行;当主电源恢复时能从备用电源自动转入主电源状态。
(10)火灾确认后,发出控制信号,强制电梯全部停于首层,并接受其反馈信号;消防电梯联动迫降后可进行人工操作,其功能、信号均应当正常。
(11)火灾确认后,应当控制相应部位的正压风机和排烟风机启动,接受其反馈信号并显示其状态。