2016年度内部审核计划表
- 格式:xls
- 大小:52.00 KB
- 文档页数:1
ISO13485:2016内部审核计划表
审核目的对公司质量管理体系的符合性及实施的有效性进行检查,使公司质量管理体系符合规范要求,并获得ISO 13485认证证书
审核范围营业部、管理部、培训部、采购部、物料部、工艺部、研发部、品质部、生产部、计划部、体系部、设备部、客服部、工程部、研发部
依据文件《医疗器械生产质量管理规范》、ISO 9001:2015《质量管理体系要求》、ISO 13485:2016《医疗器械质量管理体系用于法规的要求》
审核组成员组长:组员:
审核安排
日期时间受审部门审核内容审核员
内审员及各部门负
责人
首次会议
管理层4.1、4.2.1、4.2.2、4.2.3、4.2.4、4.2.5、
5.1、5.2、5.3、5.4、5.5、
6.1
管理部 4.2.3、4.2.4
营业部5.2、7.2.1、7.2.2、7.2.3、7.5.4、7.5.10、8.2.1
培训部 6.2
设备部 6.3、6.4
生产部、计划部7.5.1、7.5.2、7.5.3、7.5.4、7.5.5、7.5.6、7.5.7、7.5.8、7.5.9
工艺部、研发部7.1、7.3
工程部7.2
采购部、物料部7.4.1、7.4.2、7.4.3、7.5.3、7.5.4
品质部、体系部7.4.3、7.6、8.2.3、8.2.4、8.3、8.4、8.5.2、
8.5.3
客服部7.2.3
内审员审核组内部总结
内审员及各部门负
末次会议
责人
编制人∕日期:批准人∕日期:。
年度内部审核计划ZG-02、审核目的审核质量保证体系涉及的部门所开展的质量活动及其结果是否符合要求,确保质量保证体系持续有效地运行,并为质量体系的改进提供依据二、审核范围:本公司质量保证手册覆盖的全部产品、全部部门及其涉及的过程。
三、审核依据1)公司《质量保证手册》;2)程序文件及其他质量文件;3)《固容规》、产品标准、合同。
四、审核组成员审核组长:党聚良组员:高银林、高银枝、孙占群、党国红、孙建文、柏春艳、刘振峰、冯二红、范翠平、仵晓强、高瑞亮、张换真、潘峰。
五、审核日期编制: (质保工程师)批准: (总经理)2016年1月4日〜2016年1月5日六、审核日程安排审核时间2016年1月4日~1月5日审核地点会议室内部体系审核通知单参加审核人员:高银林、党聚良、孙占群、高银廷、高银枝、党国红、孙建文、柏春艳、潘峰、 刘振峰、冯二红、范翠平、仵晓强、高瑞亮、张换真。
审核内容:质量手册中的各个环节如下:质量体系、管理职责、合同评审;文件和资料控制、质量记录控制;采购与材料控制、设备与计量 控制;检验控制,耐压试验控制;工艺控制、焊接控制;理化控制、不合格品控制;热处理控制、无损检 测控制;质量改进、人员培训。
审核目的审核质量保证体系涉及的部门所开展的质量活动及其结果是否符合要求, 系持续有效地运行,并为质量体系的改进提供依据审核范围本公司质量保证手册覆盖的全部产品、全部部门及其涉及的过程。
审核依据组长ZG-03确保质量保证体公司《质量保证手册》、程序文件及其他质量文件; 《固容规》、产品标准及合同 。
党聚良编制 日期审核 日期批准 日期时间:2016年1月4日审核员: 审核组长:时间:2016年1月4日审核员: 审核组长:时间: 2016年1月5日审核员: 审核组长:时间: 2016年1月6日审核员: 审核组长:时间: 2016年1月7日审核员: 审核组长:时间: 2016年1月5日审核员: 审核组长:ZG-05审核时间2016年1月4日内部质量体系审核报告受审部门审核目的审核质量保证体系涉及的部门所开展的质量活动及其结果是否符合要求, 系持续有效地运行,并为质量体系的改进提供依据确保质量保证体审核范围 本公司质量保证手册覆盖的全部产品、全部部门及其涉及的过程。
内部审核计划与表格(2个doc)五、内部审核综述(必要时,可提供附件):1.本次内审共发现3个不符合项,分别发生于人事行政部(2个)和品管部(1个)(具体内容见纠正与预防措施纠正要求书。
2.公司按ISO14001标准建立环境管理体系,制订了本公司的环境方针,对各部门的环境因素进行了识别、汇总、评价找到了公司的重大环境因素,并制定了相关管理方案,各部门按照方案进行了实施。
3.公司要求识别出了适合于本公司的法律、法规,但有部分法规已过期,还有部分未识别,我们将认真做这方面的工作,我们定期组织了法律、法规评审,通过ISO14001建立,我们的环境管理符合法规要求。
4.在内审末次会议中I(对我公司的体系进行了适用性、有效性、充公性进行了评审,大家一致认为文件是适用于我们公司的。
5.我们对环境绩效进行了考核、废气、噪音均达标排放,废水部分指标未达到排放标准,但我公司已委托城镇污水处理厂处理,我厂的所有危险固体废弃物已转移到宝安区工业废物处理站。
对用水、用电进行了管理,根据统计分析表显示,已达到我们预期设定的目标、批标,但统计方法还有特于改善。
6.我公司在ISO14001推行期间,对员工进行了充分的培训,让其掌握相关作业方法,提高员工的环保意识,但由于大家初次接触ISO14001环境管理,对某些作业了解不够深入,这方面的工作需要今后不断加强。
7.通过ISO14001的建立,我公司在环境方面还有以下改善,对厂区内的垃圾进行了规范管理,配备了分类垃圾桶,建立了分类垃圾站,加强了消防设施的保养,并通过演习,强化员工安全作业的意识及能力,我厂还对有害的化学品管理及使用人员进行了安全教育,并配备了相应的劳保用品。
我公司还对供应商施加环境影响,让其一同加入环境管理来。
8.总的说来,我公司的环境管理体系是有效的、适用的、充分的,但还有许多加强的地方,如员工意识,员工的实际操作能力等,我们将通过自已的努力,不断提高我公司的环境管理体系。
2007年度内部审核计划
编制:万怡审核:万晓鸿批准:邓九蕃
2007年度内部审核计划
编制:唐翠华审核: 熊波批准:熊峰
日期:2007/4/29 审核报告
不合格报告
不合格项分布表
编制:唐翠华批准:熊波
日期:2007-5-11 日期:2007-5-11
内审首(末)次会议签到表
关于质量管理体系内部审核的
通知
各部门:
为了检查公司质量管理体系运行以来的效果,确保公司质量方针和目标的实现,按照标准的要求以及公司贯标工作计划,经公司研究决定,成立审核组并进行公司质量管理体系内部审核,请做好准备工作。
一、审核组成员:
组长:唐翠华
组员:夏辛生邓斌熊波
二、审核时间:
2007年5月10日—11日
特此通知
江西贝思特科技有限公司 2007年5月1日
附:2007年度内部审核计划。
No.Question Requirements查看证据P2*P12.1X 是否建立项目管理及项目组织机构?具有项目管理流程。
详细规定项目组织机构,并定义联络窗口。
确定项目负责人及小组成员的职责和权限。
项目小组成员有资质来执行项目任务。
项目组织机构能满足顾客要求。
供方被纳入项目管理PM 1.项目管理流程:对于项目组织构架建立的规定,明确MDT小组建立的时机2.组织架构图(包含客户窗口,关键供应商,高层沟通)3.组织人员的职责与权限(R&R)4.人员资质证明(能力矩阵)5.客户特殊要求:培训2.2X 是否为落实项目而规划了所有必要的资源,这些资源是否已经到位,并且体现了变更情况?资源规划应在项目合同的基础上考虑到顾客要求。
制定并落实项目成员规划。
必须考虑员工的工作负荷。
当发生变更(时间、开发规模...)时,对资源规划开展复核,必要时加以调整。
这既适用于由顾客发起的变更,也适用于内部变更以及由供方发起的变更。
在资源规划中,要特别留意关键路径。
针对人员和设备(例如测试和实验室设备等)方面必要的项目预算,进行了规划并审批通过。
项目组织机构(与顾客接口)的变更必须进行通报。
PM1.MDT 人员 Work Load分析材料3.批准的投资预算:设备,模具、试验设备、检查机等4.项目变更流程(日程、人员变更记录)5.培训计划-设计2.3X 是否编制项目计划,并且与顾客协调一致?项目计划满足顾客的具体要求。
所有内部里程碑以及顾客里程碑都被完整地纳入项目计划。
在项目计划中所定义的里程碑时刻开展评审,以确认所有计划的事项都得到实施,相对应的成熟度等级得到落实。
产品如有特殊的法规方面的认证/批准要求,那么该认证/批准程序要包括在项目策划中。
要确保内部对于项目计划变更的联络沟通。
对于影响到顾客的项目计划变更,要同顾客协商沟通并达成一致。
关键路径产生于项目计划,并顾及到关键的零件范围。
项目计划必须包括产品质量先期策划的事项。
IATF16949-2016质量管理体系按过程内部审核检查表(IATF16949内审检查表)编号:FORM NO: QR-QG-019-A 版本:AIATF16949-2016质量管理体系按过程内部审核检查表(IATF16949内审检查表)编号:FORM NO: QR-QG-019-A 版本:AIATF16949-2016质量管理体系按过程内部审核检查表(IATF16949内审检查表)编号:FORM NO: QR-QG-019-A 版本:AIATF16949-2016质量管理体系按过程内部审核检查表(IATF16949内审检查表)编号:FORM NO: QR-QG-019-A 版本:AIATF16949-2016质量管理体系按过程内部审核检查表(IATF16949内审检查表)编号:FORM NO: QR-QG-019-A 版本:AIATF16949-2016质量管理体系按过程内部审核检查表(IATF16949内审检查表)编号:FORM NO: QR-QG-019-A 版本:A编号:FORM NO: QR-QG-019-A 版本:A编号:FORM NO: QR-QG-019-A 版本:AIATF16949-2016质量管理体系按过程内部审核检查表(IATF16949内审检查表)编号:FORM NO: QR-QG-019-A 版本:AIATF16949-2016质量管理体系按过程内部审核检查表(IATF16949内审检查表)编号:FORM NO: QR-QG-019-A 版本:AIATF16949-2016质量管理体系按过程内部审核检查表(IATF16949内审检查表)编号:FORM NO: QR-QG-019-A 版本:AIATF16949-2016质量管理体系按过程内部审核检查表(IATF16949内审检查表)编号:FORM NO: QR-QG-019-A 版本:AIATF16949-2016质量管理体系按过程内部审核检查表(IATF16949内审检查表)编号:FORM NO: QR-QG-019-A 版本:AIATF16949-2016质量管理体系按过程内部审核检查表(IATF16949内审检查表)编号:FORM NO: QR-QG-019-A 版本:AIATF16949-2016质量管理体系按过程内部审核检查表(IATF16949内审检查表)编号:FORM NO: QR-QG-019-A 版本:AIATF16949-2016质量管理体系按过程内部审核检查表(IATF16949内审检查表)编号:FORM NO: QR-QG-019-A 版本:A编号:FORM NO: QR-QG-019-A 版本:A编号:FORM NO: QR-QG-019-A 版本:A编号:FORM NO: QR-QG-019-A 版本:AIATF16949-2016质量管理体系按过程内部审核检查表(IATF16949内审检查表)编号:FORM NO: QR-QG-019-A 版本:AIATF16949-2016质量管理体系按过程内部审核检查表(IATF16949内审检查表)编号:FORM NO: QR-QG-019-A 版本:AIATF16949-2016质量管理体系按过程内部审核检查表(IATF16949内审检查表)编号:FORM NO: QR-QG-019-A 版本:AIATF16949-2016质量管理体系按过程内部审核检查表(IATF16949内审检查表)编号:FORM NO: QR-QG-019-A 版本:A。
内蒙古鑫运机动车检测有限公司2016年内部审核报告编制:杨亚梅审核:姚军批准:马福亮二零一六年十一月三日目录一内审实施计划表二内审检查表三内部审核不符合通知单四内审改进措施及实施验证表五内审报告记录编号:XY-JL-17-2016内审实施计划表鑫运公司质量体系内部审核检查表被审核部门:审核条款:日期:年月日2016年内审不符合项汇总表编号:XY-JL-35-2016内部审核报告记录编号:TF-JL-36-2016一、质量管理体系审核概况(一)审核目的检查各部门的运作是否符合换版后质量体系文件的要求;体系文件是否得到有效实施;是否达到相应目标;确保体系有效运行和持续改进。
(二)审核依据1)《检验检测机构资质认定评审准则》;2) 质量手册、程序文件;3) 技术标准、作业指导书;4) 相应的法律法规等。
(三)审核范围管理体系所涉及全公司检验检测活动的全部部门、岗位、场所及活动。
(四)审核日期:2016年10月12日至14日。
(五)审核组审核组组成详见XY-JL-17-2016《内审实施计划表》。
二、审核实施(一)依照审核计划,于2016年10月12日上午召开了内审首次会议,公司管理层、内审组成员及被审核部门管理人员参加会议。
由内审组长宣读了内审实施计划及实施要求。
两组审核交叉进行,过程中审核了:高层管理者、综合部、安全性能业务室及检测线、综合性能检测业务室及检测线、尾气检测业务室及检测线、清水河检测室、托县腾飞检测室。
审核涵盖准则6大款,49小款要素。
(二)现场审核概况1)审核组分2个组,对高层管理者、综合部、安全性能检测室、综合性能检测室、尾气检测室、清水河检测室、托县腾飞检测室及业务室审核,在各部门的配合和支持下进行了独立、系统的检查,向各部门领导和岗位责任人共20多名同志进行了调查询问,共查阅了约60份文件和记录,现场观察与检查了设备、设施等实体30余台/套/件。
2)审核组对质量体系标准中各条款逐一地进行抽样检查,既对归口和责任部门的职责和活动作了检查,又通过对参与部门相关事项的检查进行了验证,审核确认不合格项16项,均为实施性不合格项,属轻微不合格(详见XY-JL-35-2016)。
管理体系内部审核计划JL(8.2.2)-006-01 No:2016001审核目的评价公司质量、环境和职业健康安全管理体系与标准的符合性,体系运行的有效性,发现持续改进的机会,并为外审做好准备。
审核范围厦门公司质量、环境和职业健康安全管理体系的全过程。
审核准则厦门公司的管理体系文件;适用的法律、法规及其它相关文件。
审核组主要成员序号姓名所属部门组内职务备注1 叶仲春质管部组长Q、E、O审核员2 吴凤婷质管部小组长Q、E、O审核员3 林玲玲质管部小组长Q、E、O审核员4 李晓菲质管部小组长Q、E、O审核员5 张佳武质管部小组长Q、E、O审核员6 陈瑞兰质管部组员Q、O审核员7 陈江浩质管部组员Q、E、O审核员8 唐广军调度指挥中心组员Q、E、O审核员9 郑芳办公室组员Q、E、O审核员10 郭小涵办公室组员Q、E、O审核员11 王晓东翔安试验室组员Q、E、O审核员12 林定军五通试验室组员Q、E、O审核员13 吕庆祥海沧试验室组员Q、E、O审核员14 裴海军翔安试验室技术指导Q、E、O审核员15 李瑛五通试验室技术指导Q、E、O审核员16 林文忠海沧试验室技术指导Q、E、O审核员说明:1、Q代表质量管理体系、E代表环境管理体系、O代表职业健康安全管理体系2、审核组组长:叶仲春3、审核分组:第一组:张佳武(小组长)、林定军、陈瑞兰、李瑛(技术指导)第二组:吴凤婷(小组长)、郑芳、郭小涵、叶仲春(技术指导)第三组:李晓菲(小组长)、唐广军、吕庆祥、林文忠(技术指导)第四组:林玲玲(小组长)、王晓东、陈江浩、裴海军(技术指导)4、小组长根据审核部门对小组成员进行分工合作,保证审核的顺利进行。
5、小组成员如有异动请提前通知小组长,小组长根据组内人员合理调整。
总经理:管理者代表:审核:编制:日期:。
***有限公司
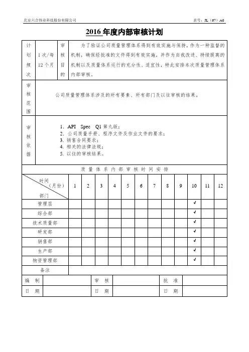
2016年度内部质量审核计划
编制: /16.01.05 审批: /16.01.10
2016内部审核实施计划
SS/QR029
1审核目的:确定现有质量管理体系是否符合公司的策划安排、GB/T19001-2008标准的要求以及公司确定的质量管理体系的要求,并验证质量管理体系是否得到有效实施与保持。
2审核范围:船用舾装件(门、窗、盖、梯)的生产。
3审核依据:相关的法律法规/GB/T19001-2008/公司质量手册、程序文件及作业指导书4审核日期: 2016.1.15-2016.1.16
5审核组: A组 B组:
审核日期安排
不合格项报告
SS/QR031
2016年内部审核报告
SS/QR032
审核目的:确定质量管理体系是否符合公司的策划安排,验证质量体系是否得到有效实施与保持。
审核范围:船用舾装件(门、窗、盖、梯)的生产。
审核依据:GB/T19001-2008标准的要求以及公司确定的质量管理体系的要求
审核日期:2016.1.15-2016.1.16
审核组:A、B
公司各部门
注:“审核概述及结论”栏可续页。
首次会议签到表
SS/QR033
末次会议签到表
SS/QR033
不合格项分布表
纠正和预防措施处理单
SS/QR036。
审核目的审核依据审核范围审核组成员123456789101112
完成
备注:
批准: 审核: 编制: 表单编号:图例说明技术部
销售部计划
已实施审核
已纠正
跟踪审核
生管部
品质部
行政人事部
制造部
资材部
总经办
年度内部审核计划表
检查公司的质量管理体系是否符合国际标准ISO9001:2015的要求;是否得到有效的
实施和保持;是否符合公司质量管理体系策划的安排.1.国际标准 ISO9001:20152.质量管理体系程序文件
3.质量管理手册
4.适用的法律、法规和相关方要求.
公司质量管理体系涵盖的所有部门、活动、产品和服务。
月份
部門。