IATF16949:2016体系审核检查表-内部审核
- 格式:xls
- 大小:22.50 KB
- 文档页数:1
IATF16949-2016内审检查表IATF16949内审检查表一、IATF16949的应用范围编号检查内容1 IATF16949的目的规定了汽车相关产品(包括装有嵌入式软件的产品)的设计和开发、生产,以及(相关时)装配、安装和服务的质量管理体系要求2 影响组织设计和实施质量体系的因素组织的环境、该环境的变化以及与该环境有关的风险。
说明:环境包含内外部环境3 组织利益相关及其期望4 组织现在和将来的顾客及其期望5 组织自身不断变化的需求6 组织的具体目标,包括战略方向、业务计划等7 组织所提供的产品8 组织所采用的过程9 组织的规模10 组织结构11 IATF16949:2016适用范围适用于制造顾客指定生产件、服务件和/或配件的组织的现场12 需要证实其具有稳定提供满足顾客要求及适用法律法规要求的产品和服务的能力的组织13 通过体系的有效应用,包括体系改进的过程,以及保证符合顾客要求和适用的法律法规要求,旨在增强顾客满意14 IATF16949:2016的应用要求应当在整个汽车供应链中实施本标准二、过程方法的使用编号检查内容1 组织在建立、实施质量管理体系时必须采用过程方法2 组织在改进质量体系有效性时必须采用过程方法3 过程方法的目的是通过满足顾客要求,增强顾客满意4 通常情况下,一个过程的输出是下一个过程的输入5 需要系统的识别所应用的过程和过程之间的相互作用来进行管理过程6 过程方法的优点对过程系统中单个过程之间的联系的控制7 对过程的组合和相互作用进行连续的控制8 使用过程方法强调的重点必须理解和满足过程需要满足的要求9 需要从增值的角度去考虑过程10 必须获得过程绩效和有效性的结果11 必须在对过程进行客观测量的基础上,持续改进过程12 对顾客方面的要求在规定过程的输入时,顾客起着重要的作用13 对顾客满意度进行监视14 评价顾客关于组织是否已满足其要求的感受信息15“PDCA”法对过程的管理P—策划:明确要求和建立组织的方针,建立目标和必要的过程16 D—实施:实施相应的过程17 C—检查:根据方针、要求、目标等,对过程及过程的结果进行监视和测量,并得出结果18 A—处置:采取措施,以持续改进过程绩效19 评价质量体系的每一个过程的四个基本问题过程是否已经被识别并适当规定20 职责是否已被分配21 程序是否得到实施和保持22 在实现所要求的结果方面,过程是否有效23 实施过程方法的步骤步骤一:系统地识别组织所应用的过程24 步骤二:具体识别每一个过程25 步骤三:识别和确定过程之间的相互作用26 步骤四:管理过程及过程的相互作用三、IATF16949:2016的目标编号检查内容1 在供应链中建立持续改进的质量管理体系2 建立强调缺陷预防的质量管理体系3 建立减少变差和减少浪费的质量管理体系4 标准必须与适用的顾客特殊要求相结合5 旨在避免多重的认证审核6 为汽车生产件和相关维修零件组织建立质量管理体系提供一个通用的方法7 统一质量管理体系的结构或文件不是本标准的目的第二节组织环境(4)一、理解组织及其环境(4.1)编号检查内容1 理解组织及其环境的明确哪些因素和组织的宗旨和战略方向相关2 确定影响其实现质量管理体系预期结果目的的能力的各种外部和内部因素3 需要考虑的方面外部环境各种法律法规、技术、竞争、市场、文化、社会和经济因素4 包括国际、国内、地区和当地的5 内部环境价值观、文化、知识和绩效6 需要同时考虑正面和负面要素或条件7 具体做法分析确定与组织宗旨和战略方向相关并影响其实现质量管理体系预期结果的能力的各种外部和内部因素8 对确定的内部和外部因素进行监视9 对确定的内部和外部因素进行评审10 必须使用到方面在确定质量管理体系范围时考虑组织这些内部和外部因素11 确保质量管理体系的质量方针和质量目标,与组织环境相一致12 与质量管理体系相关的内外部因素的变化作为管理评审的输入之一13 所需的工具或方法总体经营环境分析(PEST)法。
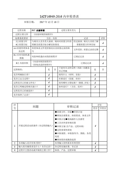
过程特性:是否是否对下述有关支持性过程的问题加以澄清?是否 是否已确定过程的所有人?X 做什么?X是否已对过程加以定义?X 谁做?X过程是否已文件化?X 用哪些指标衡量?X是否已对过程的接口加以定义?X 在哪里做?X过程是否监控?X记录是否保存?X过程特性:是否是否对下述有关支持性过程的问题加以澄清?是否 是否已确定过程的所有人?X 做什么?X是否已对过程加以定义?X 谁做?X过程是否已文件化?X 用哪些指标衡量?X是否已对过程的接口加以定义?X 在哪里做?X过程是否监控?X记录是否保存?X审核员:刘琴被审核部门:技术科审核日期:2018.6.20过程特性:是否是否对下述有关支持性过程的问题加以澄清?是否 是否已确定过程的所有人?X 做什么?X是否已对过程加以定义?X 谁做?X过程是否已文件化?X 用哪些指标衡量?X是否已对过程的接口加以定义?X 在哪里做?X过程是否监控?X记录是否保存?X审核员:周海建被审核部门:质量保证科审核日期:2018.6.20过程特性:是否是否对下述有关支持性过程的问题加以澄清?是否 是否已确定过程的所有人?X 做什么?X是否已对过程加以定义?X 谁做?X过程是否已文件化?X 用哪些指标衡量?X是否已对过程的接口加以定义?X 在哪里做?X过程是否监控?X记录是否保存?X过程特性:是否是否对下述有关支持性过程的问题加以澄清?是否 是否已确定过程的所有人?X 做什么?X是否已对过程加以定义?X 谁做?X过程是否已文件化?X 用哪些指标衡量?X是否已对过程的接口加以定义?X 在哪里做?X过程是否监控?X记录是否保存?X。