(整理)常用件标准件习题
- 格式:doc
- 大小:575.00 KB
- 文档页数:20
[单选题][难度2]1、下面图中内螺纹的规定标记注法正确的是()A.B.C.D.均正确[判断题][难度3]2、下面螺柱连接的主俯视图正确吗?()[单选题][难度2]3、在下面圆柱螺旋压缩弹簧的剖视图中,t表示()。
A.弹簧的螺距B.弹簧的节距C.弹簧的中心距D.弹簧的导程[多选题][难度2]4、在下常见的螺纹紧固件连接形式有()。
A.螺纹连接B.螺柱连接C.螺钉连接D.螺栓连接[单选题][难度2]5、根据所给螺栓图形及尺寸,下列正确的标记为()。
A.螺栓GB/T 5782-2016 M12×50B.螺栓GB/T 5782-2016 M12×57.5C.GB/T 5782-2016 M12×50D.GB/T 5782-2016 M12×57.5[多选题][难度4]6、下列视图,那些正确()。
A.B.C.D.[多选题][难度4]7、下列视图,那些正确()。
A.B.C.D.[作图题][难度4]8、如图,小螺杆直径为16 mm,长度为40 mm,一端刻有普通螺纹,螺纹长度为25 mm;铸铁块尺寸为长45 mm、宽25 mm、高25 mm,制有螺孔直径为16 mm,钻深为36 mm,螺孔深为28 mm的盲孔,画出小螺杆旋入铸铁块且旋入长度为20mm的剖视图。
[参考答案][作图题][难度4]9、用M12×55的螺栓连接两块厚为20mm的板,用比例画法绘制螺栓连接图。
要求绘制主视图和俯视图。
[参考答案][单选题][难度3]10、补画组合体三视图中所漏画的线。
在下面的键连接表达中,正确的A-A断面图是()。
A.B.C.D.。
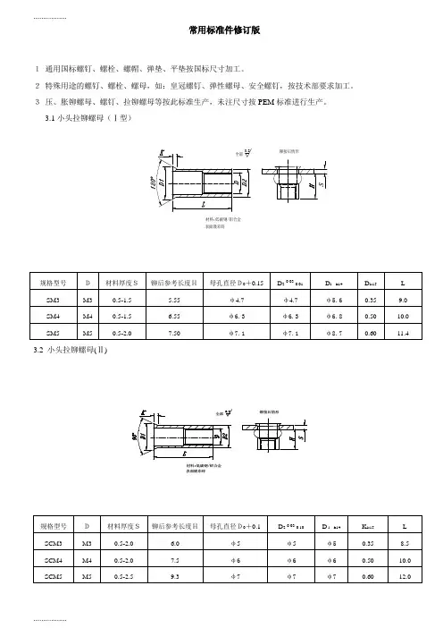
常用标准件修订版1 通用国标螺钉、螺栓、螺帽、弹垫、平垫按国标尺寸加工。
2 特殊用途的螺钉、螺栓、螺母,如:皇冠螺钉、弹性螺母、安全螺钉,按技术部要求加工。
3 压、胀铆螺母、螺钉、拉铆螺母等按此标准生产,未注尺寸按PEM 标准进行生产。
3.1小头拉铆螺母(Ⅰ型)3.2 小头拉铆螺母(Ⅱ)3.3沉头拉铆螺母3.4六角平头拉铆螺母3.5平头拉铆螺母3.6 六角拉铆螺母(AEHS)六角拉铆螺母3.7通孔压铆螺母柱(SO)备注:此标准适用于艾默生及其它公司标准,当华为技术产品图纸中标注3.5M3-XX压铆螺母柱时,所有尺寸与该标准中SO-M3-XX完全相同,当华为技术产品图纸中标注M3-XX压铆螺母柱时,则图示中D值尺寸为4.2mm,F值尺寸为4.8mm,其它尺寸不变。
3.8盲孔压铆螺母柱(BSO)压铆螺母(通孔和盲孔)补充说明:供应商请注意加工时按我司的订单要求生产,若我司订单中未注明要求的尺寸按此列表中加工,注明特殊要求的按非标准加工。
盲孔压铆螺母C 部要求说明:L 长度为6~7mm 的C 部长度为4.5mm 以上,L 长度8~10mm 的C 部长度为6.5mm 以上,L 长度为11~14mm 的C 部长度为8.0mm 以上,L 长度为14mm 的C 部长度为10.0mm 以上,请各供应商按此要求加工。
备注:此标准适用于艾默生及其它公司标准,当华为技术产品图纸中标注3.5M3-XX 压铆螺母柱时,所有尺寸与该标准中SO-M3-XX 完全相同,当华为技术产品图纸中标注M3-XX 压铆螺母柱时,则图示中D 值尺寸为4.2mm ,F 值尺寸为4.8mm ,其它尺寸不变。
3.9六角头压铆螺钉(NFH 型)3.10圆头压铆螺钉(FH 型-S)1 材料:根据订单要求而定,未注要求均为易车铁2 表面淬火,硬度要求HRC32-35°3 若表面没有作特殊说明均为镀彩锌4 螺纹为国标公制螺纹说明:当C 值值大于所加工板厚时,若非面板类所用压铆时头部允许高于板厚:3.11.1厚六角头通孔(NY102) (适用板厚2)3.12方螺母(NY300)1)、普通型(A型)2)、槽型带橡胶圈(B3)4)、C-1型(安装孔8.5×8.5)5)、C-2型(安装孔9.6×9.6)3.13、压铆式松不脱螺钉PF31- M3- 30型号 螺纹码 螺纹长度代码说明:当实际需求规格不在本标准范围内时,表中H值不变,则螺纹长度根据实际需求而变动。
机械制图学科阶段性测验试卷(七)姓名学号得分一、单项选择题(3*16=48)1.在普通螺纹的标记中,粗牙螺纹( )。
A.必须标注B.不注螺距C.不注大径D.标注螺柱2.在剖视图中,内螺纹的牙顶线用( )绘制。
A.粗实线B.细实线C.细虚线D.点画线3.下列螺纹代号中能相互旋合的是( )。
1.R21/22.Rc1/23.R1/2—LH4.G1/2A.1和2B.2和3C.3和4D.1和44.下列螺纹标记中,表示细牙普通螺纹的是( )。
A.M20×2B.M30—5g6g—SC.G3/4D.G1/25.以下不属于螺纹紧固件连接形式的是( )。
A.双头螺柱连接B.螺栓连接C.螺钉连接D.键连接6.单线螺纹时( )。
A.导程/螺距B.导程X螺距C.导程=螺距D.导程—螺距7.以下标准直齿圆柱齿轮计算公式错误的是( )。
A.p=mB.d=mzC.h=2.25mD.a=1/2*m(z1+z2)8.滚动轴承60309的内径尺寸为( )。
A.9mmB.309mmC.90mmD.45mm9.在装配图中绘制螺纹紧固件,以下说法错误的是( )。
A.当剖切平面通过螺杆轴线时,均按未剖切绘制B.两个被连接零件的接触面要画两条线C.相邻两零件的剖面线方向相反或间隔不同D.螺纹紧固件的工艺结构,如倒角、退刀槽等可省略不画10.以下关于螺纹代号的解释,错误的是( )。
A.G3/4表示非密封的圆柱管螺纹,公称直径3/4mm,左旋B.M16×1表示细牙普通螺纹,公称直径16mm,螺距1mmC.Tr32×5表示梯形螺纹,公称直径32mm,螺距5mmD.M12表示粗牙普通螺纹,公称直径12mm,单线右旋11.选择正确的螺纹画法( )。
A. B.C. D.12.选择正确的螺纹画法( )。
A. B.C. D.13.选择正确的螺纹画法( )。
A. B.C. D.14.选择正确的螺纹连接画法()。
A. B. C. D.15.选择正确的键连接画法( )。
第八章标准件与常用件章节测验一、填空题1.根据螺纹标记“M20”,该螺纹的公称直径为20mm,旋向为(右旋),旋合长度为(中等)旋合长度。
2.根据螺纹标记“Tr40X14(P7)LH-8e”,该螺纹线数为(双线),8e为(中径)公差带代号。
3.齿轮传动用于传递运动和力,并可以改变运动转速和旋转方向。
齿轮传动的三种形式是(圆柱齿轮)传动、(圆锥齿轮)传动、蜗轮蜗杆传动。
4.圆柱齿轮按轮齿的方向可分为(直齿齿轮)、斜齿齿轮、(人字齿齿轮)三种。
5.齿轮轮齿部分的规定画法是:齿顶圆用粗实线绘制;分度圆用(细点画线)绘制;齿根圆用(细实线)绘制,也可省略不画。
6.啮合的圆柱齿轮的剖视图中,当剖切平面通过两啮合齿轮轴线时,在啮合区内,将一个齿轮的轮齿用(粗实线)绘制,另一个齿轮的轮齿被遮挡的部分用(细虚线)绘制。
7.模数是齿轮(齿距)与(π)的比值,是设计、制造齿轮的一个重要参数。
8.轴承是用来支撑轴的。
滚动轴承分为(深沟球轴承)、(推力球轴承)和圆锥滚子轴承三类。
9.轴承代号6208指该轴承类型为(深沟球轴承),其尺寸系列代号为2,内径为(40mm)。
10.轴承代号30205是(圆锥滚子)轴承,其尺寸系列代号为2,内径为(25mm)。
12.螺纹的五要素中,(牙型)、大径、(螺距)等三要素都符合国家标准的称为标准螺纹。
13.粗牙普通螺纹,大径24,螺距3,中径公差带代号为6g,左旋,中等旋合长度,其螺纹代号为(M24LH-6g),该螺纹为(联接)螺纹。
14.螺纹的标注为M24×1.5,表示该螺纹是细牙普通螺纹,其大径为(24),线数为(单线),旋向为右旋。
15.M10-5g6g的含义是:M 是普通螺纹牙型代号,10表示(公称直径),5g 是中经公差带代号,6g是(顶径公差带代号)。
16.外螺纹的规定画法是:大径用(粗实线)表示,小径用(细实线)表示,终止线用粗实线表示。
17.在剖视图中,内螺纹的大径用(细实线)表示,小径用(粗实线)表示,终止线用粗实线表示。
第七章:标准件和常用件习题7-1 回答下列问题, 并在相应图上分别标出内、外螺纹的尺寸.1(1)填空题a 内、外螺纹旋合时, 需要、、、、等五要素相同.b 不论内螺纹或是外螺纹, 螺纹的代号及尺寸均应注在螺纹的径上; 但管螺纹用标注.c 标准螺纹的、、都要符合国家标准。
常用的标准螺纹有。
d 的已知直齿圆柱齿轮分度圆的直径d=105mm,齿数z=35,则齿轮模数m为e 踞齿形螺纹的代号是f普通平键的工作面是(2)选择题a对于标准直齿圆柱齿轮,下列说法正确的是:()A、齿顶高>齿根高B、齿高=2.5mC、齿顶高=mD、齿顶高=齿根高b已知直齿圆柱齿轮模数m=2.5mm,齿数z=25,则齿轮分度圆的直径为:();A、62.5mmB、61.5mmC、63mmD、63.5mmc 内螺纹的小径用()符号表示。
A、 DB、 dC、D1D、d12M16-6g 表示螺纹.M16-5H 表示螺纹3M16 ╳1.5 —— 5g6g 表示螺纹。
M16 ╳1.5 —— 6H 表示螺纹。
4Tr32 ╳12(P6)LH表示为32毫米,为12毫米,线旋螺纹。
5B120 ╳18(P6)表示为120毫米,为6毫米,线、旋螺纹。
6特M16 ╳1.55是螺纹,其、符合国家标准规定,但不符合国标规定.7G1 ″ 表示管子的是1 ″ , 查表知其螺纹大径为,螺距是, 每英寸牙.8非标准螺纹的不符合国标规定, 画图时应画出, 并注出螺纹的.7-2 圈出下列各题(1)-(4) 中的错误, 在空白处画出正确的图形, 在指定位置画出(5) 的指定剖面.(1)(2)(3)(4)5)7-3 根据螺纹连接件的代号, 查表并标出全部尺寸.7-4 找出左边双头螺柱连接装配图中的错误, 在右边画出正确的连接图.( 主视图画成全剖视图).]7-5 画出两板的螺栓连接图(采用比例画法)(1)螺栓?? ???GB 5782—2000 M20×L (L计算后取标准值)(2)螺母????? GB6170—2000 M20(3)垫圈???? GB71.1—85 20????要求: 按比例1:1 画出螺栓装配图的三视图( 主视图作全剖视). 7-6 画出零件的螺钉连接图.已知: 上板厚d1=8mm, 下板厚d2=32mm, 材料为铸铁.螺钉GB68-85- M10 ╳L(L 计算后取标准值).要求: 按比例2:1 画出螺钉装配图的二个视图( 主视图作全剖视). 7-7 按给定尺寸和规定画法画螺纹? 外螺纹(M24 ),螺纹长度为30mm 。
[单选]若零件的结构和规格均由国家标准具体规定,加工制造部门按标准进行加工和检验,使用部门根据需要直接选用,则这种零件称为()A.互换件B.标准件C.同类件D.维修件[问答题,简答题]育龄夫妻在现居住地办理第一个子女生育服务登记时,应当提供哪些证明材料?[单选]下列零件中不属于标准件的是()A.齿轮B.圆柱销C.螺母D.垫圈[单选]下列零件中,属于标准件的是()A.齿轮B.蜗轮C.弹簧D.平键[单选]对于标准件,国家标准具体规定了()A.结构形状B.价格C.生产厂家D.生产批量[单选]对于标准件,国家标准中没有作具体规定的是()A.规格B.结构C.形状D.所有参数[单选]下列标准件说法中不正确的是()A.国家标准对标准件的画法作了简化和规定B.国家标准对常用零件的结构形状、规格等作了具体规定C.销和键都是标准件D.国家标准对齿轮、弹簧等常用零件的一些常见结构和重要参数作了规定[单选]下列属于常用件的是()Ⅰ.弹簧;Ⅱ.齿轮;Ⅲ.螺栓。
A.Ⅰ+ⅡB.Ⅰ+ⅢC.Ⅱ+ⅢD.Ⅰ+Ⅱ+Ⅲ[单选]一般螺纹的公称直径指的是()A.大径B.中径C.小径D.通径[单选]下列各项中不计入外购存货成本的是()。
A.进口关税B.在采购过程中发生的仓储费C.运输途中的合理损耗D.尚待查明原因的途中损耗[单选]某商品流通企业系小规模纳税人,采购甲商品50件,单价为1万元,取得的增值税专用 上注明的不含税价款50万元,增值税税额为8.5万元,另支付采购费用2.5万元。
该批商品的总成本为()万元。
A.52.5B.61C.58.5D.50[单选]北方公司和南方公司均为增值税一般纳税人,适用的增值税税率均为17%。
北方公司委托南方公司加工应征消费税的材料一批,北方公司发出原材料的实际成本为600万元。
完工收回时支付加工费120万元,另行支付增值税税额20.4万元,支付南方公司代收代缴的消费税税额45万元。
北方公司收回材料后直接出售。
.2008年对口高职升学机电理论阶段测试题《机械制图》第7章 标准件、常用件及其规定画法一、单项选择题:1.下列不属于标准件的是 。
A .螺栓B .键C .齿轮D .滚动轴承 2.下列不属于标准件的是 。
A .开口销B .滑动轴承C .双头螺柱D .钩头楔键3.螺纹的五个基本要素是 。
A .牙型、直径、螺距、旋向、旋合长度B .牙型、直径、螺距、旋向、线数C .牙型、直径、螺距、导程、线数D .牙型、直径、螺距、线数、旋合长度 4.只有当内外螺纹的 一致时,它们才能相互旋合。
A .牙型、直径、旋向、旋合长度 B .牙型、直径旋向、螺距、导程、线数 C .牙型、直径、螺距、导程 D .牙型、直径、螺距、旋向、线数 5.用于单向受力的螺纹牙型是 。
A .三角形 B .矩形 C .梯形 D .锯齿形 6.不是用来传动的螺纹的牙型是 。
A .三角形 B .矩形 C .梯形 D .锯齿形 7.螺纹的公差带代号是指 的公差带代号。
A .大径和小径 B .中径和顶径 C .中径和大径 D .中径和小径 8.除管螺纹外,通常所说的螺纹的公称直径是指螺纹 的基本尺寸。
A .大径 B .中径 C .内螺纹的顶径 D .外螺纹的底径 9.当螺距相同时,螺纹的线数越多,它的导程越 。
A .越小 B .越大 C .不变 D .不能确定10.按顺时针方向 的螺纹称为右旋螺纹,其螺旋线的特征是 。
A .旋进 右低左高 B .旋进 左低右高 C .旋出 右低左高 D .旋出 左低右高11.外螺纹的大径和内螺纹的小径均用 绘制。
A .虚线B .细实线C .细点画线D .粗实线12.在垂直于螺纹轴线的投影面的视图中,内外螺纹均不应画出 投影。
A .大径 B .小径 C .倒角 D .顶径 13.将螺纹剖开时,剖面线应该画到 处。
A .大径 B .小径 C .细实线 D .粗实线 14.下列螺纹标记中,表示细牙普通螺纹的是 。
汽车常用标准件基础知识考试题陕西威晟机械零部件有限公司二零一一年七月二十六日一、选择题(每题3分,共20题)01、汽车标准件特征代号为( B ):A:GB B:Q C:DIN02、品种代号由( C )位数字组成。
A:二位B:四位C:三位3、汽车标准件国家标准代号为(A )A:GB B:Q C:DIN4、产品类别““1”表示哪一类产品(C )A:螺钉 B:销、键 C:螺柱、螺栓5、尺寸规格由几位数字组成( B )A:二位B:四位C:三位6、组成尺寸规格的前两位数字表示(A )A:螺纹规格B:螺杆长度C:牙距7、机械性能代号中的“T”表示(B )A:8.8 B:10.9 C:4.88、机械性能代号中的“T13”表示(C )A:8 B:10.9 C:109、机械性能代号中的“T15”表示(B )A:04 B:05 C:1010、表面处理代号“F2”表示(B )A:彩锌B:防蚀磷化C:黑锌11、表面处理代号“F3”表示(A )A:彩锌B:防蚀磷化C:氧化12、表面处理代号“F6”表示( C )A : 彩锌B : 防蚀磷化C :锌铝铬涂层(达克罗)13、分型代号中“Q ”表示( B )A : 汽车特征代号B : 全螺纹C : 汽标14、“Q150B ”属于哪类产品( A )A :六角头螺栓B : 六角头法兰面螺栓C : 六角螺母15、“Q150B ”的牙距属于哪一类( A )A : 粗牙B : 中牙C : 细牙16、“Q151B1235”的牙距是( A )A : 1.25B : 1.5C : 1.7517、六角头螺栓和平垫圈组合件应该属于哪一类( A )A : Q140B : Q142C : Q14618、以下产品图形为十字槽盘头自攻螺钉的( C )A : C 型B : B 型C :F 型19、Q341C12中的牙距为( B ) A : 1.75 B : 1.5 C :1.2520、Q341B18T13F3中的“T13”表示机械性能等级( A )A :10B : 8C :05 钉杆长度L 螺纹规格S T 钉杆长度L二、判断题(每题2分,共10题)1、表面处理代号“F3”表示表面处理为彩锌。
汽车常用标准件基础知识考试题陕西威晟机械零部件有限公司二零一一年七月二十六日一、选择题(每题3分,共20题)01、汽车标准件特征代号为( B ):A:GB B:Q C:DIN02、品种代号由( C )位数字组成。
A:二位B:四位C:三位3、汽车标准件国家标准代号为( A )A:GB B:Q C:DIN4、产品类别““1”表示哪一类产品(C )A:螺钉 B:销、键 C:螺柱、螺栓5、尺寸规格由几位数字组成( B )A:二位B:四位C:三位6、组成尺寸规格的前两位数字表示(A )A:螺纹规格B:螺杆长度C:牙距7、机械性能代号中的“T”表示(B )A:8.8 B:10.9 C:4.88、机械性能代号中的“T13”表示(C )A:8 B:10.9 C:109、机械性能代号中的“T15”表示(B )A:04 B:05 C:1010、表面处理代号“F2”表示(B )A:彩锌B:防蚀磷化C:黑锌11、表面处理代号“F3”表示(A )A:彩锌B:防蚀磷化C:氧化12、表面处理代号“F6”表示(C )A:彩锌B:防蚀磷化C:锌铝铬涂层(达克罗)13、分型代号中“Q”表示(B )A:汽车特征代号B:全螺纹C:汽标14、“Q150B”属于哪类产品(A )A:六角头螺栓B:六角头法兰面螺栓C:六角螺母15、“Q150B”的牙距属于哪一类(A )A:粗牙B:中牙C:细牙16、“Q151B1235”的牙距是(A )A:1.25 B:1.5 C:1.7517、六角头螺栓和平垫圈组合件应该属于哪一类(A )A:Q140 B:Q142 C:Q14618A:C型B:钉杆长度L19、Q341C12中的牙距为(B )A:1.75 B:1.5 C:1.2520、Q341B18T13F3中的“T13”表示机械性能等级(A )A:10 B:8 C:05二、判断题(每题2分,共10题)1、表面处理代号“F3”表示表面处理为彩锌。
(√)2、机械性能等级中的“T13”表示机械性能等级为10.9级。
8-1 回答下列问题 , 并在相应图上分别标出内、外螺纹的尺寸 .(1) a 内、外螺纹旋合时 , 需要、、、、等五要素相同 .b 不论内螺纹或是外螺纹 , 螺纹的代号及尺寸均应注在螺纹的径上 ; 但管螺纹用标注 .c 标准螺纹的、、都要符合国家标准。
常用的标准螺纹有。
[答案](2)M16-6g 表示螺纹 .M16-5H 表示螺纹 . [答案](3) [答案]M16 ╳ 1.5 —— 5g6g 表示螺纹。
M16 ╳ 1.5—— 6H 表示螺纹。
( 4 ) [答案]Tr32 ╳ 12(P6)LH表示为32毫米,为12毫米,线旋螺纹。
( 5) [答案]B120 ╳ 18(P6)表示为120毫米,为6毫米,线、旋螺纹。
( 6 ) [答案]特M16 ╳ 1.55是螺纹,其、符合国家标准规定,但不符合国标规定.(7) [答案]G1 ″ 表示管子的是 1 ″ , 查表知其螺纹大径为 ,螺距是 , 每英寸牙 .(8) [答案]非标准螺纹的不符合国标规定 , 画图时应画出 , 并注出螺纹的 .8-2 圈出下列各题 (1)-(4) 中的错误 , 在空白处画出正确的图形 , 在指定位置画出(5) 的指定剖面 .(1) [答案](2) [答案](3) [答案](4) [答案](5) [答案]8-3 根据螺纹连接件的代号 , 查表并标出全部尺寸 . [答案]8-4 找出左边双头螺柱连接装配图中的错误 , 在右边画出正确的连接图 .( 主视图画成全剖视图 ). [答案]8-5 画出两板的螺栓连接图 . [答案]已知两板厚 d1=d2=20mm, 板长 24mm, 宽 50mm.螺栓 GB5782-86-M20 ╳ L(L 计算后取标准值 ).螺母 GB6170-86-M20.垫圈 GB97.1-85-20.要求 : 按比例 1:1 画出螺栓装配图的三视图 ( 主视图作全剖视 ).8-6 画出零件的螺钉连接图 . [答案]已知 : 上板厚 d1=8mm, 下板厚 d2=32mm, 材料为铸铁 .螺钉 GB68-85- M10 ╳ L(L 计算后取标准值 ).要求 : 按比例 2:1 画出螺钉装配图的二个视图 ( 主视图作全剖视 ). 8-7 按给定尺寸和规定画法画螺纹 [答案]•外螺纹( M24 ),螺纹长度为 30mm 。
1、按规定的画法绘制螺纹的主、左视图。
(1)外螺纹:大径M20、螺纹长30mm、螺杆长画40mm后断开,螺纹倒角C2。
(2)内螺纹:大径M20、螺纹长30mm、孔深40mm,螺纹倒角C2。
2、将题1(1)的外螺纹掉头,旋入题1(2)的螺孔,旋合长度为20mm,作旋合后的主视图。
3、分析下列错误画法,并将正确的图形画在下边的空白处。
4、根据下列给定的螺纹要素,标注螺纹的标记或代号:
(1)粗牙普通螺纹,公称直径24mm,螺距3mm,单线,右旋,螺纹公差带:中径、小径均为6H,旋合长度属于短的一组。
(2)细牙普通螺纹,公称直径30mm,螺距2mm,单线,右旋,螺纹公差带:中径5g,小径为6g,旋合长度属于中等的一组。
(3)非螺纹密封的管螺纹,尺寸代号3/4,公差等级为A级,右旋。
(4)梯形螺纹,公称直径30mm,螺距6mm,双线,左旋,中径公差带为7e,中等旋合长度。
5、根据标注的螺纹代号,查表并说明螺纹的各要素:
(1)该螺纹为;
公称直径为;
螺距为;
线数为;
旋向为;
螺纹公差代号为。
1、已知直齿圆柱齿轮模数m=5,齿数z=40,试计算齿轮的分度圆、齿顶圆和齿
根圆的直径。
用1:2完成齿轮的主、左视图,齿顶圆倒角为C2,齿宽b=30.
=38,两齿轮的中心距a=116mm,b1=40,b2=35,2、已知大齿轮模数m=4,齿数z
2
齿顶圆倒角皆为C2,试计算两齿轮的分度圆、齿顶圆和齿根圆的直径及传动比。
用1:2完成下列直齿圆柱齿轮的啮合图。
将计算公式写在图的左侧空白处。
8-1 回答下列问题 , 并在相应图上分别标出内、外螺纹的尺寸 .
(1) a 内、外螺纹旋合时 , 需要、、、、等五要素相同 .
b 不论内螺纹或是外螺纹 , 螺纹的代号及尺寸均应注在螺纹的径上 ; 但管螺纹用标注 .
c 标准螺纹的、、都要符合国家标准。
常用的标准螺纹
有。
[答案]
(2)
M16-6g 表示螺纹 .
M16-5H 表示螺纹 . [答案]
(3) [答案]
M16 ╳ 1.5 —— 5g6g 表示螺纹。
M16 ╳ 1.5—— 6H 表示螺纹。
( 4 ) [答案]
Tr32 ╳ 12(P6)LH表示为32毫米,为12毫米,线旋螺纹。
( 5) [答案]
B120 ╳ 18(P6)表示为120毫米,为6毫米,线、旋螺纹。
( 6 ) [答案]
特M16 ╳ 1.55是螺纹,其、符合国家标准规定,但不符合国标规定.
(7) [答案]
G1 ″ 表示管子的是 1 ″ , 查表知其螺纹大径为 ,螺距是 , 每英寸牙 .
(8) [答案]
非标准螺纹的不符合国标规定 , 画图时应画出 , 并注出螺纹
的 .
8-2 圈出下列各题 (1)-(4) 中的错误 , 在空白处画出正确的图形 , 在指定位置画出(5) 的指定剖面 .
(1) [答案]
(2) [答案]
(3) [答案]
(4) [答案]
(5) [答案]
8-3 根据螺纹连接件的代号 , 查表并标出全部尺寸 . [答案]
8-4 找出左边双头螺柱连接装配图中的错误 , 在右边画出正确的连接图 .( 主视图画成全剖视图 ). [答案]
8-5 画出两板的螺栓连接图 . [答案]
已知两板厚 d1=d2=20mm, 板长 24mm, 宽 50mm.
螺栓 GB5782-86-M20 ╳ L(L 计算后取标准值 ).
螺母 GB6170-86-M20.
垫圈 GB97.1-85-20.
要求 : 按比例 1:1 画出螺栓装配图的三视图 ( 主视图作全剖视 ).
8-6 画出零件的螺钉连接图 . [答案]
已知 : 上板厚 d1=8mm, 下板厚 d2=32mm, 材料为铸铁 .
螺钉 GB68-85- M10 ╳ L(L 计算后取标准值 ).
要求 : 按比例 2:1 画出螺钉装配图的二个视图 ( 主视图作全剖视 ). 8-7 按给定尺寸和规定画法画螺纹 [答案]
•外螺纹( M24 ),螺纹长度为 30mm 。
•螺纹通孔( M20 ),两端孔的倒角 C1 [答案]
•螺纹不通孔( M16 ),钻孔深度 30mm ,螺纹深度 24mm ,孔口倒角 C1 [答案] •将下列图形按螺纹连接的规定画法画出。
[答案]
8-8 解释下列螺纹标记的意义 [答案]
• M24LH-5H-S
• M20X1.5-5g6g
• Tr32X6LH-7H
• B40X14(P7)-8e-L
8-9 标注螺纹代号 [答案]
•普通粗牙外螺纹,公称直径 24mm ,单线,右旋,中径、顶径公差带代号 6g ,中等旋合长度。
•普通螺纹,公称直径 24mm ,螺距 2mm ,单线,左旋,中径、顶径公差带代号分别为 5H 、 6H ,中等旋合长度。
[答案]
•锯齿形螺纹,公称直径 32mm ,螺距 6mm ,双线,右旋,中径公差带代号 7h ,中等旋合长度。
[答案]
•用螺纹密封的圆锥内螺纹尺寸代号 1 ,右旋。
[答案]
•非螺纹密封的管螺纹尺寸代号 1 ,公差等级 A 级,右旋。
[答案]
用螺纹密封的圆锥外螺纹尺寸代号 1 ,左旋。
[答案] 8-10 补全齿轮啮合的主视图和左视图。
[答案]
8-11 键联结。
已知齿轮和轴用 A 型普通平键联结,轴、孔直径为 20mm ,键长为20mm 。
要求写出键的规定标记,查表确定键槽的尺寸,画全下列各视图和断面图中所缺漏的图线,并在轴的断面图和齿轮的局部视图中标注轴、孔直径和键槽的尺寸。
[答案]
8-12 销联结、弹簧和轴承画法。
•齿轮与轴用直径为 10mm 的圆柱销连接,画全销连接的剖视图,比例 1 : 1 ,并写出圆柱销的规定标记。
[答案]
•用规定画法在轴端画出轴承与轴的装配图,并解释滚动轴承代号的含义。
[答案] 滚动轴承 6205
含义:
内径
尺寸系列
轴承类型
答案
1(1)
(1) a 内、外螺纹旋合时, 需要牙型、大径、螺距、线数、旋向等五要素相同.
b 不论内螺纹或是外螺纹, 螺纹的代号及尺寸均应注在螺纹的大径上; 但管螺纹用指引线引出标注 .
c 标准螺纹的牙型、大径、螺距都要符合国家标准。
常用的标准螺纹有普通螺纹、管螺纹、梯形螺纹、锯齿形螺纹。
1(2)
M16-6g 表示大径为16 , 中径和顶径公差带均为6g 的粗牙普通外螺纹.
M16-5H 表示大径为16 , 中径和顶径公差带均为5H 的粗牙普通内螺纹.
1(3)
M16 ╳1.5 —— 5g6g 表示大径为16 , 螺距1.5, 中径、顶径公差带分别为5g 、6g 的细牙普通外螺纹。
M16 ╳1.5 —— 6H 表示大径为16 , 螺距1.5, 中径、顶径公差带均为6H 的细牙普通内螺纹。
1(4)
Tr32 ╳12(P6)LH表示大径为32毫米,导程为12毫米,双线右旋螺纹。
1(5)
B120 ╳18(P6)表示大径为120毫米,螺距为6毫米,3 线、左旋锯齿形螺纹。
1(6)
特M16 ╳ 1.55是特殊螺纹,其牙型、大径符合国家标准规定,但螺距不符合国标规定.
1(7)
G1 ″ 表示管子的公称直径是1 ″ , 查表知其螺纹大径为33.249 , 螺距是2.309 , 每英寸11 牙.
1(8)
非标准螺纹的牙型不符合国标规定, 画图时应画出牙型, 并注出螺纹的全部尺寸.
2(1)
2(2)
2(3) 2(4)
2(5) 3
4
5。