总布置-整车外部灯具校核
- 格式:pdf
- 大小:650.27 KB
- 文档页数:10
编号代替规范等级重庆长安汽车股份有限公司内部技术规范汽车外部照明和光信号装置布置规范Regulation for package of the external lighting and light-signalling devices for motor vehicles2011-09-15制定2010-××-25发布重庆长安汽车股份有限公司发布前言本规范是为指导长安汽车外部照明和光信号装置的布置及检查而建立的,本规范主要参照国家标准GB 4785《汽车及挂车外部照明和光信号装置的安装规定》、GB 18408《汽车及挂车后牌照板照明装置配光性能》及GB/T XXXXX《汽车对行人的碰撞保护》等标准的要求制定。
本规范由汽车工程研究总院标准所管理。
本规范由汽车工程研究总院总体技术研究所总体布置室负责起草。
本规范主要起草人:刘太安编制:刘太安校核:陈忠贤审定:刘永清批准:曹渡本规范的版本记录和版本号变动与修订记录汽车外部照明和光信号装置布置规范1 范围本规范规定了重庆长安汽车股份有限公司所设计汽车的外部照明和光信号装置的布置及检查规则。
本规范适用于长安汽车股份有限公司开发的M1类汽车。
2 规范性引用文件下列文件中的条款通过本规范的引用而成为本规范的条款。
凡是注日期的引用文件,其随后所有的修改单(不包括勘误的内容)或修订版均不适用于本规范,然而,鼓励根据本规范达成协议的各方研究是否可使用这些文件的最新版本。
凡是不注日期的引用文件,其最新版本适用于本规范。
GB 4785 汽车及挂车外部照明和光信号装置的安装规定GB 18408 汽车及挂车后牌照板照明装置配光性能GB 17354 汽车前、后端保护装置GB/T XXXXX 汽车对行人的碰撞保护3 术语引用文件的术语和定义适用于本规范。
4 要求4.1 一般要求汽车外部照明和光信号装置应满足GB 4785《汽车及挂车外部照明和光信号装置的安装规定》中技术要求部分的一般规定。
编号代替规等级长安汽车股份部技术规汽车外部照明和光信号装置布置规Regulation for package of the external lighting and light-signallingdevices for motor vehicles2011-09-15制定2010-××-25发布长安汽车股份发布前言本规是为指导长安汽车外部照明和光信号装置的布置及检查而建立的,本规主要参照国家标准GB 4785《汽车及挂车外部照明和光信号装置的安装规定》、GB 18408《汽车及挂车后牌照板照明装置配光性能》及GB/T XXXXX《汽车对行人的碰撞保护》等标准的要求制定。
本规由汽车工程研究总院标准所管理。
本规由汽车工程研究总院总体技术研究所总体布置室负责起草。
本规主要起草人:太安编制:太安校核:忠贤审定:永清批准:渡本规的版本记录和版本号变动与修订记录汽车外部照明和光信号装置布置规1 围本规规定了长安汽车股份所设计汽车的外部照明和光信号装置的布置及检查规则。
本规适用于长安汽车股份开发的M1类汽车。
2 规性引用文件下列文件中的条款通过本规的引用而成为本规的条款。
凡是注日期的引用文件,其随后所有的修改单(不包括勘误的容)或修订版均不适用于本规,然而,鼓励根据本规达成协议的各方研究是否可使用这些文件的最新版本。
凡是不注日期的引用文件,其最新版本适用于本规。
GB 4785 汽车及挂车外部照明和光信号装置的安装规定GB 18408 汽车及挂车后牌照板照明装置配光性能GB 17354 汽车前、后端保护装置GB/T XXXXX 汽车对行人的碰撞保护3 术语引用文件的术语和定义适用于本规。
4 要求4.1 一般要求汽车外部照明和光信号装置应满足GB 4785《汽车及挂车外部照明和光信号装置的安装规定》术要求部分的一般规定。
4.2 布置要求4.2.1 汽车外部照明和光信号装置数量、安装位置、几何可见度要求汽车外部照明和光信号装置的数量、安装位置、几何可见度需满足表1要求:表1 汽车外部照明和光信号装置安装规定Word资料Word资料Word资料注:1)指在基准轴线方向上,离车辆纵向对称平面最远的视表面边缘到车辆外缘端面之间的距离。
整车氛围灯炫目校核的方法主要包括以下几个步骤:
1.调整亮度和色温:首先,将两块灯板的亮度调整到相同的水平。
然后,通过调整灯板的色温,使它们的色温尽量接近。
这可以通过调整灯板的电流或使用调光器来实现。
2.调整颜色参数:如果两块灯板的颜色仍然有差异,可以尝试调整它们的颜色参数,例如红、绿、蓝(RGB)的亮度和饱和度。
这同样可以通过控制灯板的电流或使用调光器来实现。
3.使用校准设备:如果希望更加精确地标定两块灯板的颜色,可以考虑使用专业的校准设备。
这些设备可以帮助测量和调整灯板的颜色参数,以使它们在同一个RGB 颜色下更接近。
4.软件校准:一些汽车氛围灯系统可能提供软件校准功能。
可以尝试使用该功能来调整两块灯板的颜色,使它们在同一个RGB颜色下更接近。
请注意,以上步骤可能需要根据具体的车型和氛围灯系统进行适当的调整。
此外,为了确保安全和避免损坏车辆或氛围灯系统,建议在进行任何校核操作之前,先阅读相关的用户手册或指南,并在必要时寻求专业人员的帮助。
总布置-整车外部灯具校核整车外部灯具校核目录一、概述 (1)二、引用标准 (1)三、技术要求 (1)四、灯具安装校核 (2)五、结论 (8)III一、概述为保证汽车安全驾驶,汽车上装有多种外部照明及信号装置。
为满足相关法规要求,需要对整车的所有外部灯具进行校核。
根据项目要求下面对整车外部灯具进行校核,看是否满足国家法规要求。
二、引用标准GB 4785-2007《汽车及挂外部照明和信号装置的安装规定》ECE 48 法规《关于照明和信号装置安装认证的统一规定》三、技术要求根据GB 4785-2007《汽车及挂外部照明和信号装置的安装规定》标准,灯具安装应满足以下要求(见表一):表1 灯具安装要求灯具法规要求位置近光灯横向:在基准轴方向上,离车辆纵向对称平面最远的视表面边缘,到车辆外缘端面之间的距离应不大于400mm;在基准轴方向上,两相邻视表面内边缘之间的距离应不小于600mm;高度:离地高度不小于500mm.不大于1200mm;转向信号灯横向:在基准轴方向上,离车辆纵向对称平面最远的视表面边缘,到车辆外缘端面之间的距离应不大于400mm;在基准轴方向上,两相邻视表面内边缘之间的距离应不小于600mm;高度:从最低点测量应不小于350mm,从最高点测量应不大于1500 mm。
纵向:侧转向信号灯透光面到标志车辆全长前边界的横向平面的距离应不大于1800mm,对于M1类N1类车辆以及其他类车辆,当车型结构不能保证最小几何可见角度时,该距离可增至为不大于2500mm前雾灯横向:在基准轴方向上,离车辆纵向对称平面最远的视表面上的点到车辆外缘端面间的距离应不大于400 mm。
高度:离地高度不小于250 mm,对于M1和N1类车辆,离地高度应不超过800mm,在基准轴方向上,整个视表面应在近光灯视表面最高点以下。
前位灯横向:在基准轴方向上,离车辆纵向对称平面最远的视表面上的点,到车辆外缘端面的距离应不大于400 mm。
外部照明和信号装置位置校核一、概述:造型是整车开发几何设计的输入条件,在进入几何设计前,有必要对造型的工程可行性做全面详细的分析,尽可能多的暴露问题,尤其是重大的方案性问题,避免开发过程中由于早期造型问题带来过多的反复,以缩短整车开发周期,降低开发风险。
下面就外造型可行性分析中的一项:以M1类车为例,对外部照明和信号装置位置进行校核,布置外部照明和信号装置时同样参照此方法。
本方法采用CATIA软件校核。
二、引用文件:下列文件中的条款通过本标准的引用而成为本标准的条款。
凡是注日期的引用文件,其随后所有的修改单(不包括勘误的内容)或修订版均不适用于本标准,然而,鼓励根据本标准达成协议的各方研究是否可使用这些文件的最新版本。
凡是不注日期的引用文件,其最新版本适用于本标准。
GB 4785-2007 汽车及挂车外部照明和信号装置的安装规定GB18408-2001 汽车及挂车后牌照板照明装置配光性能三、定义图2四、 设计要求1. 前部照明及信号装置标准要求如无专门说明,检验灯具安装高度和方向时,被测车辆必须空载并置于水平地面上。
若离地高度、横向安装明显满足本标准要求,则不需要确定任何表面的精确边缘。
1)国家标准中对照明信号装置Z 向尺寸要求如下:近光灯离地高度不小于500mm ,不大于1200mm ; 前转向信号灯离地高度不小于350mm ,不大于1500mm ; 侧转向灯离地高度不小于350mm ,不大于1500mm ; 前位置灯离地高度不小于350mm ,不大于1500mm ;前雾灯离地高度不小于250mm ,不大于800mm ,在基准轴线方向上,整个视表面应在近光灯视表面最高点以下。
2)国家标准中对照明和信号装置Y 向尺寸要求如下:近光灯离车辆纵向对称平面最远的基准轴线方向上的视表面外缘到车辆外缘端面的距离应不大于400mm,在基准轴线上,两视表面相邻边缘间的距离无特殊要求; 前转向信号灯在基准轴线方向上,离车辆纵向对称平面最远的视表面边缘,到车辆外缘端面之间的距离应不大于400mm,两相邻视表面内边缘之间距离应不小于600mm;侧转向灯在横向上无尺寸要求;前位置灯在基准轴线方向上,离车辆纵向对称平面最远的视表面上的点,到车辆外缘端面的距离,应不大于400mm;两视表面内边缘间的距离无特殊要求;前雾灯在基准轴线方向上,离车辆纵向对称平面最远的视表面上的点到车辆外缘端面间的距离应不大于400mm。
技术文件目录1 概述 (2)2引用标准 (2)3 电动车外凸出物分析 (2)4 结论 (6)1 概述整车内外饰造型、工程设计必须考虑内部、外部凸出物是否满足法规要求,以确保设计生产的汽车能顺利通过法规认证;同时,合理的设计圆角半径、凸出量及合理选材能有效的提高乘员及行人的行车安全。
下面结合相关法规要求,对电动车外凸出物做法规符合性校核。
2引用标准GB 11566-2009 乘用车外部凸出物GB/T 15089-2001 机动车辆及挂车的分类GB 11551-2003 乘用车正面碰撞的成员保护GB 14166-2003 机动车成年乘员用安全带和约束系统GB 15083-2006 汽车座椅、座椅固定装置及头枕强度要求和试验方法ISO 2575:2004 道路车辆操纵件、指示器和信号装置符号ISO 6487:1980 碰撞试验测量技术、检测仪器3 电动车外凸出物分析3.1 前保险杠凸出物校核图1 前保险杠注:红色区域内为法规要求区域,该区域内圆角半径不应小于5mm。
其他情况下不应小于2.5mm。
3.2 后保险杠凸出物校核图2 后保险杠注:红色区域内为法规要求区域,该区域内圆角半径不应小于5mm。
其他情况下不应小于2.5mm。
3.3 前舱盖校核图3 前舱盖注:法规要求车身外表面凸出零件的圆角半径不得小于2.5mm。
3.3 前挡板校核图4 前挡板注:法规要求车身外表面凸出零件的圆角半径不得小于2.5mm。
3.3 左前门校核图5 左前门3.4 侧围校核图6 侧围3.5 后背门校核图7 后背门。
汽车总布置设计的可维修性校核方法探讨摘要:汽车总布置设计工作的细化与深入,促使当前的行业创新发展,尤其是可维修性校核方法的应用,从根本上满足当前的需求。
基于此,本文从当前的汽车布置设计入手,深入分析当前的车辆保养频率、零件维修频率、零件使用寿命,并利用当前的关键性指标进行明确,对整车各系统进行可维修性校核,以供参考。
关键词:汽车总布置设计;可维修性;校核方法1 汽车总布置设计概述实际上,汽车总布置是指当前的总体布置设计,通过设计将整车的零部件与驾驶员乘客放在合适的位置中,充分发挥出各部分的功能,实现最优化配置,同时保证其符合当前的法律规定,具有较高的安全性,实现车辆的整体和谐,满足当前的需求,促使车辆完善发展。
随着技术的创新,汽车总布置设计逐渐创新,具体来说,主要表现在以下几方面:1.1 工程集成与造型在进行设计过程中,传统方式中工程师单一的以当前的零部件为主,而对于造型师来说,其自身通常只单一的以设计元素为基础,导致二者之间存在不协调情况,难以满足当前的需求。
通过汽车总布置设计,促使当前的零部件工程师与造型师建立完善的沟通桥梁,积极总体上的分析,综合性进行考虑,以实际的要求为基础,兼顾当前的零部件工程,实现整车以及工程的整体约束,优化整体效果。
2 汽车总布置设计的可维修性分析当前的可维修性检查是当前整车架构的DUM工作的重点内容,也是影响整体性能的一个方面。
例如,通过合理的平台设计,其重点影响在于可以促使当前的汽车维修次数降低,优化其整体性能,并提升维修保养效果,满足当前的需求。
相对来说,可维修性检查的实际目的在于明确将当前的反总布置方案进进行反馈,进而分析其是否合理,明确零部件自身的设计性能,在进行实际的设计过程中,促使其设计出良好的方案,并根据实际情况,对不合理情况进行更改优化,从整体上满足当前的需求,实现创新发展。
实际上,进行总布置的合理可维修性检测,主要的目的在于降低用户在进行车辆使用过程中,产生的维修费用,并降低其维修成本,降低费用。
编号:技术分析报告组合灯具法规校核报告编制:审核:批准:一.目的对前后灯具的布置方案进行法规校核。
二.参考标准/规范及采用数据GB4785 汽车及挂车外部照明和信号装置的安装规定ECE R48 The installation of lighting and light-signalling devices 三.分析内容3.1国标与欧标校核前灯具:项目法规主要内容实际状况法规判定备注前转向灯横向:在基准轴方向上,离车辆纵向对称平面最远的视表面边缘,到车辆外缘端面之间的距离应不大于400mm。
在基准轴方向上,两相邻视表面内边缘之间的距离应不小于600mm。
高度:第1、1a、1b、2a和2b类转向信号灯的离地高度,按规定测量时应不小于350mm,不大于1500mm。
纵向:转向信号灯透光面到标志车辆全长前边界的横向平面的距离应不大于1800mm。
由右图可以看出,转向灯在各个方向上均处于所要求的范围内,能够满足法规设计要求。
合格项目法规主要内容实际状况法规判定备注近光灯横向:离车辆纵向对称平面最远的基准轴方向上的视表面外缘到车辆外缘端面的距离应不大于400mm;在基准轴方向上,两视表面相邻边缘间的距离应不小于600mm。
高度:离地高度不小于500mm,不大于1200mm。
纵向:装在车前,若发射光不直接或间接地通过后视镜或车辆其它反射面而引起驾驶员的不舒适感,即满足要求。
由右图可以看出,转向灯在横向和高度上均处于所要求的范围内,能够满足法规设计要求。
纵向:在车辆前方,发射光不会直接或间接地通过后视镜或车辆其它反射面而引起驾驶员的不舒适感;合格远光灯横向:无特殊要求高度:无特殊要求纵向:安装在车辆前面,要求发射光不直接或间接地通过后视镜或车辆其它反射面而引起驾驶员的不舒适感。
纵向:在车辆前方,发射光不会直接或间接地通过后视镜或车辆其它反射面而引起驾驶员的不舒适感;合格前位置灯横向:在基准轴方向上,离车辆纵向对称平面最远的视表面上的点,到车辆外缘端面的距离应不大于400mm。
说明:本规范为TG0数据设计指导。
该系列设计规范用于指导结构功能说明、结构布置与尺寸控制的正向设计,尤其是在没有标杆车的状态下的正向开发;基于本规范完成结构数据TG0版的设计开发。
本规范是TG0版数据的设计指导。
[键入文字]目录1 范围 (2)2 规范性引用文件 (2)3 术语和定义 (2)4 技术要求 (3)4.1 M1和N1类外部照明和光信号装置的颜色及数量规定 (3)4.2 M1和N1类外部照明和光信号装置位置规定 (4)整车灯具布置与校核1.范围本标准规定了M1类汽车灯具布置要求的基本要求。
2.规范性引用文件下列文件中的条款通过本规范的引用而成为本规范的条款。
凡是注日期的引用文件,其随后所有的修改单(不包括勘误的内容)或修订版均不适用于本规范。
鼓励使用者研究是否可使用这些文件的最新版本。
凡是不注日期的引用文件,其最新版本适用于本规范。
GB 4785-2007 汽车及挂车外部照明和光信号装置的安装规定GB 7258-2004 机动车运行安全技术条件3.术语和定义等效灯 equivalent lamps:具有相同的功能,并得到主管部门认可的灯具。
在满足本标准要求的条件下,等效灯可以具有与车辆通过型式检验所安装灯具不同的特征。
独立灯 independent lamps:具有分开的发光面、分开的光源和分开的灯体的装置。
组合灯 grouped lamps:具有分开的发光面、分开的光源和共同的灯体的装置。
复合灯 combined lamps:具有分开的发光面、共同的光源和共同的灯体的装置。
混合灯 reciprocally incorporated lamps:具有分开的光源或在不同情况下工作的单一光源,全部或部分共有发光面和共同的灯体的装置。
可藏灯 concealable lamp:不使用时,可以通过移动罩盖,或灯,或采用其他适当的方法,能部分或全部隐藏起来的灯具。
远光灯 driving beam(main-beam)headlamp:照明车辆前方远距离道路的灯具。
总布置设计硬点关于总布置设计硬点由于零部件设计要在整车总布置基本完成后才开始,在总布置设计阶段中往往没有零部件的详细资料,还不能解决零部件和总成内部的细节问题。
所以在布置设计图上出现的是各总成的主要控制点、主要中心线,也包括重要的外廓线和由这些轮廓线构成的控制面以及运动极限位置等。
这些控制点称为硬点(Hard point),包括整车及关键零部件的各种控制点、线、面以及控制特征等。
汽车整车设计硬点分类:概括了描述整车、总成及关键零部件的尺寸、结构型式、空间位置等的关键参数,它主要包括以下内容:整车外廓形状及尺寸:整车长度、整车宽度、整车高度、轴距、轮距等;驾驶区控制尺寸:踏板点、踵点,仪表板、转向柱及方向盘控制位置等;整车乘员空间内部尺寸:H点位置、头部空间、伸腿空间等;主要总成的设计硬点:总成的最大包络空间、定位点、配合点等;设计硬点构成了汽车总布置设计的骨架。
汽车总布置设计的过程就是设计硬点不断明确、逐步确定的动态过程。
所谓硬点,是通过英文的"hardpoint"直译过来的,它是个布置的概念,在整车开发中(由于整车由成千上万个零部件组成,那么怎么样来协调这些部件间的安装配合呢?硬点由此而生)为保证零部件之间的协调和装配关系,及造型风格要求所确定的控制点(或坐标),控制线,控制面及控制结构的总称。
所以会有底盘的硬点(这也是大家所熟知的),车身的硬点,内外饰的硬点,成员的硬点(例如H点)等等。
一般一个整车项目开发过程中,最先确定的就是这些硬点,这也是决定所开发的车型平台能否成功的关键因素之一,这些硬点必须要在满足PACKAGE要求的同时,也要满足性能的要求(例如底盘的硬点要满足整车的操纵稳定性和平顺性的要求),硬点将是汽车零部件设计和选型, 内外饰附件设计及车身钣金设计的最重要的设计原则,也是各项目组公共认可的尺度和设计原则.同时也是使项目组分而不乱,并行设计的重要方法. 一般确定后设计硬点不轻易调整, 如需调整设计硬点,需要和所有的设计人员协商,得到所有子项目组认可。
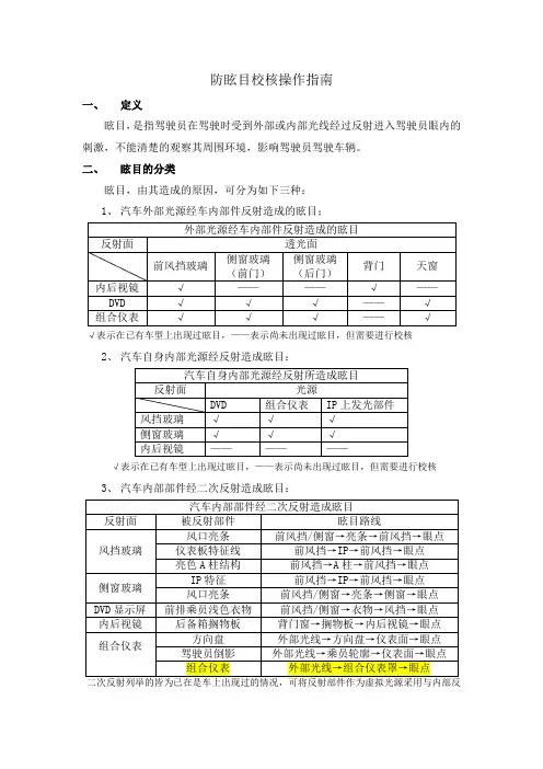
防眩目校核操作指南
一、定义
眩目,是指驾驶员在驾驶时受到外部或内部光线经过反射进入驾驶员眼内的刺激,不能清楚的观察其周围环境,影响驾驶员驾驶车辆。
二、眩目的分类
眩目,由其造成的原因,可分为如下三种:
1、汽车外部光源经车内部件反射造成的眩目;
√表示在已有车型上出现过眩目,——表示尚未出现过眩目,但需要进行校核
2、汽车自身内部光源经反射造成眩目:
√表示在已有车型上出现过眩目,——表示尚未出现过眩目,但需要进行校核
3、汽车内部部件经二次反射造成眩目:
3.1、汽车外部光源经反射造成的眩目
3.3、二次反射造成的眩目(外部光线通过仪表罩造成眩目)
3.3.1采用R点处XY平面作断面进行校核,将仪表罩下端面、仪表罩透光面投影于草图内。
3.3.2将玻璃黑边上边缘作为极限光源点,光线通过仪表罩下边缘和仪表罩透光面进行反射,同时与眼椭圆相切。
3.3.3采用同3.3.2的方法作二次反射线与眼椭圆下部相切,及可得眩目结果。
浅谈整车总布置DMU校核整车总布置DMU校核是一种基于数字化技术的设计方法,可以使设计师在设计整车布局时可以快速地进行评估和对比设计方案的优劣。
这种校核方法在汽车制造行业中被广泛使用。
整车总布置DMU校核包括多个方面的校核,以下是其中的主要校核:1. 空间校核:通过将各个部件、系统的三维CAD模型共享,可以在虚拟环境中进行整车布置的空间校核。
空间校核主要是为了验证各个部件在车身内的布置是否合理,以及检查不同部件之间的冲突和干涉情况,避免设计时出现空间上的问题。
2. 人机工程学:整车总布置DMU校核可以通过各种手段,例如天线覆盖面积、人类工程学等来优化驾驶员的认知、操作和驾驶体验。
这种校核方法主要是为了保证车辆的人机工程学符合人类的生理需求,方便驾驶员使用车辆。
3. 强度校核:在整车总布置DMU校核中,设计师需要考虑车身的强度和安全性。
这种校核包括分析车身的结构和材料来保证车身的刚度和抗撞性,通过模拟各种比例载荷下的变形和应力来检查车身设计的结果是否符合标准。
4. 风洞校核:风洞校核是车辆设计中必要的一步。
通过在虚拟环境中进行风流场分析来优化车辆的气动性能,这种校核可以说明车辆在不同速度下的行驶情况,帮助设计师理解车流线和起伏以及风压的分布,以便进行车辆设计的优化。
整车总布置DMU校核是一种高效的设计方法,可以大大缩短设计周期和降低错误率。
这种方法已经广泛应用于汽车制造行业,成为车辆设计的重要组成部分。
整车总布置DMU校核不仅可以优化车辆设计,还可以提高整车的生产效率和质量。
通过虚拟环境,整车厂商可以在没有实际生产车辆的情况下,进行生产线的布置和工艺分析,以便提高生产效率。
此外,在整车制造过程中,还可以利用DMU校核来分析装配过程,并验证各组件的匹配性和装配性,以确保制造出符合标准、具有良好质量的整车。
这种校核方法并不是只具有汽车制造行业可以采用,而是可以运用在其他的制造业中。
此外,整车总布置DMU校核还可以支持车辆的后期服务和维护。
TJI/YJY.03.02-2005目录一、概述 (2)二、相关标准 (2)三、外部照明装置校核 (2)3.1前照灯 (3)3.2前雾灯 (4)3.3倒车灯 (5)3.4牌照灯 (6)四、外部信号装置 (6)4.1后雾灯 (6)4.2制动灯 (7)4.3侧面转向信号灯 (8)4.4前、后位置灯 (9)4.5回复反射器 (10)五、结论 (10)TJI/YJY.03.02-2005 一、概述为了确保汽车的行驶安全,汽车上装有多种外部照明及信号装置。
外部照明装置主要包括前照灯、前雾灯、倒车灯及牌照灯等;外部信号装置主要包括后雾灯、制动灯、停车灯、示廓灯、位置灯、反射器、转向信号灯及其闪光器灯等。
在此,我们主要对CSV外部照明及信号装置在整车上的具体安装位置进行校核。
在进行外部照明及信号装置校核时,整车处于空载状态。
二、相关标准GB 4785-2007《汽车及挂车外部照明和光信号装置的安装规定》三、外部照明装置校核外部照明装置的功能是保证汽车在夜间、隧道中或雾天行驶的安全,因此要求其照明效果要好,CSV灯具功能定义如图1、图2所示。
图1 前部灯具功能图图2 后部灯具功能图3.1前照灯3.1.1法规要求图3 前照灯安装位置高度:离地高度不小于500mm,不大于1200mm;横向:离车辆纵向对称平面最远的基准轴方向上的视表面外缘到车辆外缘端面的距离应不大于400mm;在基准轴方向上,两视表面相邻边缘间的距离不小于600mm。
示意图如图3。
3.1.2 R11前照灯校核R11前照灯安装尺寸如图4所示:前照灯离地高度为:749mm、890mm(不小于500mm,不大于1200);前照灯可视表面外缘到车侧距离为:126 mm(不大于400mm);前照灯两视表面相邻边缘间的距离为:644 mm(不小于600mm)。
通过以上校核:前照灯安装位置布置符合法规要求。
图4 R11前部灯具布置尺寸3.2前雾灯3.2.1法规要求高度:离地面高度不小于250mm;横向:灯的外缘距车侧不大于400mm(见示意图5)。
汽车总布置DMU校核的运用研究摘要:随着科技的不断进步,在现代汽车设计过程中,使用DMU校核已经逐渐成为总布置工作中的重点。
在工作中应当结合日常的具体项目要求,以及企业标准、设计规范和多年的设计工作经验,提出DMU校核的实际运用方法,并在产品立项前的MULE车设计阶段、立项后的设计阶段、设计变更阶段等方面,阐述DMU校核前的准备工作和管理工作,以及具体的DMU校核流程,最后结合实际工作来演绎DMU校核具体操作。
关键词:汽车总线布置;DMU校核;运用DMU是3D软件制作的零部件,按照内在逻辑组成和结构性来虚拟样车模型,而且在这个虚拟样车中,可以对不同模拟进行评价。
DMU作为概念上的拓展,将其当作一种工具和方法对整车进行设计、检查、监控,并指出其中的问题,能够有效提升设计质量和项目进度。
DMU校核一直贯穿于整个产品开发,根据产品的具体开发流程,将DMU校核分为3个主要阶段,其中立项后的设计阶段是DMU检查的重点内容。
1 DMU校核的主要内容1.1 产品立项前MULE车设计阶段的DMU校核分析在立项前的MULE车设计阶段,所有零部件都可以使用3D数模,但是都比较粗糙,属于概念性的,而且部分零部件没有进行结构区分。
DMU检查主要是集中于零部件的总成级别,在这个阶段的DMU应当具有宏观性、概念性,同时还要考虑以下3个方面因素。
第一,是零部件的功能要求。
第二,是位置的合理性。
第三,是对周围环境还有整车性能的影响。
1.2立项后设计阶段的DMU校核分析立项后,正式进行产品开发,此时设计阶段中的零部件3D数据,都是严格意义上的数模,这些数模在具体应用过程中,应当具备仿真和分析功能。
将其用于DMU校核,零部件的3D数据应当做到“onepartonemodel”。
在具体操作过程中,设计阶段使用DMU工作,要具有严谨性尤其在检查方法、校核对象方面具有数据量大的优势。
在具体校核过程中,主要有以下几个内容。
第一,是DATAMissing数据缺失。
整车视野校核1 GB 11562-2014《汽车驾驶员前方视野要求及测量方法》1.1 适用范围本标准适用于M1类汽车。
1.2 术语及定义1.2.1 V点1.2.2 风窗玻璃基准点1.2.3 P点1.2.4 Pm点1.2.5 E点1.2.6 驾驶员侧A柱的双目障碍角1.2.7 乘客侧A柱的双目障碍角1.2.8 “S”区域1.3 技术要求1.3.11.3.21.3.3 每台车辆不得多于两根A柱。
1.3.4 除1.3.4.1和1.3.4.2之外,在驾驶员前视野180°范围内,在通过V1的水平面下方和通过V2的三个平面(三个平面都和水平面向下成4°夹角,其中一个平面垂直于Y基准平面,另两个平面垂直于X基准平面)上方的范围内,除了A柱、固定或活动的排气通风口、三角窗分隔条、车外无线电天线,后视镜和风窗玻璃刮水器等造成的障碍外,不得有其他障碍。
见下图。
但是以下情况除外:1.3.4.11.3.4.21.4 测量条件1.4.1 V点位置1.4.2 P点位置1.4.3 设计座椅靠背角非25°时的修正1.4.4 E点位置1.4.4.1 E1和E2距P1各为104mm,E1距E2为65mm。
1.4.4.2 E3和E4距P2各为104mm,E3距E4为65mm。
1.4.5 A区的确定A区的确定应按照GB 11555-2009中的要求进行。
1.5 A柱障碍角测定方法1.5.1 通过三维坐标系表示的R点和座椅状态进行修正后来确定V点(V1、V2)的位置。
1.5.2 用三维坐标系表示的R点和座椅状态进行修正后来确定P点(P1、P2)的位置;25°以外的设计靠背角的修正值见表4。
1.5.3 在A柱上做两个水平界面,即:1.5.41.5.52 GB 15084-2013《机动车辆 间接视野装置的性能和安装要求》 2.1 适用范围本标准适用与M 和N 类及至少驾驶室被部分封闭的L 类机动车辆的间接视野装置安装。
动力总成运动校核
在总体布置设计中,整车运动校核包括两方面内容:从整车角度出发进行运动学正确性的校核;对于有相对运动的部件或零件进行运动干涉校核。
动力总成运动校核是整车运动校核内容之一,其主要校核动力总成在静态与周边件的间隙是否满足,在动态时与周边件是否发生干涉。
1 静态校核
静态校核主要是校核装车状态的发动机1在静止时与周边件的最小间隙是否满足要求(推荐值),表1为经验推荐值。
表1 静止时动力总成与周边件最小间隙推荐值(单位:mm)
2 动态校核
发动机在起动及运行过程中,产生垂直和扭转位移,动态校核方法是悬置橡胶垫压缩最大变形的1/3时,要求动力总成与周边件无干涉。
1若是电动机驱动则动力总成指电动机,下同。
整车总布置设计法规校核项目具体内容模型数据(单位:mm)标准或样车要求指标结论(满足与否)解决方案(不满足的填写)1前照灯的法规要求(高度和横向距离)1、横向:离车辆纵向对称平面最远的基准轴方向上的视表面外缘到车辆外缘端面的距离应不大于400mm;2.在基准轴方向上,两视表面相邻边缘间的距离应不小于600mm; 3.高度:离地高度不小于500mm,不大于1200mm。
2前位置灯的法规要求(高度和横向距离)1.横向:基准轴方向上,离车辆纵向对称平面最远的视表面上的点,到车辆外缘端面的距离不大于400mm;2.两视表面内边缘的距离不小于600mm;3.高度:离地高度不小于350mm不大于1500mm。
3前转向信号灯的法规要求(高度和横向距离)1、横向:在基准轴方向上,离车辆纵向对称平面最远的视表面边缘,到车辆外缘端面之间的距离应不大于400mm; 2、基准方向上,两相邻视表面内边缘之间的距离应不小于600mm;3、离地高度不小于350mm不大于1500mm。
4制动灯的法规要求(高度和横向距离)1.离地高度: 350~1500;2.横向两灯间距:≥600。
5倒车灯的法规要求(高度和横向距离)1.倒车灯离地高度:250~1200;2.横向:无特殊要求。
备注引用标准GB 4785-1998 汽车及挂车外部照明和信号装置的安装规定分析项目分析结果序号整车外装置校核项目具体内容模型数据(单位:mm)标准或样车要求指标结论(满足与否)解决方案(不满足的填写)备注引用标准分析项目分析结果序号项目具体内容模型数据(单位:mm)标准或样车要求指标结论(满足与否)解决方案(不满足的填写)备注引用标准分析项目分析结果序号项目具体内容模型数据(单位:mm)标准或样车要求指标结论(满足与否)解决方案(不满足的填写)备注##车型可行性分析内容列表2——法规检查分析项目分析结果序号号牌板(架)及其位置。
整车外部灯具校核
目 录
一、概述 (1)
二、引用标准 (1)
三、技术要求 (1)
四、灯具安装校核 (2)
五、结论 (8)
III
一、概述
为保证汽车安全驾驶,汽车上装有多种外部照明及信号装置。
为满足相关法规要求,需要对整车的所有外部灯具进行校核。
根据项目要求下面对整车外部灯具进行校核,看是否满足国家法规要求。
二、引用标准
GB 4785-2007《汽车及挂外部照明和信号装置的安装规定》
ECE 48 法规《关于照明和信号装置安装认证的统一规定》
三、技术要求
根据GB 4785-2007《汽车及挂外部照明和信号装置的安装规定》标准,灯具安装应满足以下要求(见表一):
表1 灯具安装要求
灯具法规要求位置
近光灯 横向: 在基准轴方向上,离车辆纵向对称平面最远的视表面边缘,到车辆外缘端面之间的距离应不大于400mm;在基准轴方向上,两相邻视表面内边缘之间的距离应不小于600mm;
高度: 离地高度不小于500mm.不大于1200mm;
转向信号灯 横向: 在基准轴方向上,离车辆纵向对称平面最远的视表面边缘,到车辆外缘端面之间的距离应不大于400mm;在基准轴方向上,两相邻视表面内边缘之间的距离应不小于600mm;
高度:从最低点测量应不小于350mm,从最高点测量应不大于1500 mm。
纵向:侧转向信号灯透光面到标志车辆全长前边界的横向平面的距离应不大于1800mm,对于M1类N1类车辆以及其他类车辆,当车型结构不能保证最小几何可见角度时,该距离可增至为不大于2500mm
前雾灯 横向:在基准轴方向上,离车辆纵向对称平面最远的视表面上的点到车辆外缘端面间的距离应不大于400 mm。
高度:离地高度不小于250 mm,对于M1和N1类车辆,离地高度应不超过800mm,在基准轴方向上,整个视表面应在近光灯视表面最高点以下。
前位灯 横向:在基准轴方向上,离车辆纵向对称平面最远的视表面上的点,到车辆外缘端面的距离应不大于400 mm。
高度:离地高度不小于350mm,不大于1500mm。
若车型结构不能保证在1500mm内,可增至2100mm。
后雾灯 高度: 离地高度不小于250mm.不大于1000mm.
其它要求:后雾灯与每个制动灯的间距应大于100mm
制动灯 横向:对于S1或S2类制动灯,对于M1和N1类车辆,在基准轴方向上,离车辆纵向对称平面最远的视表面上的点到车辆外缘端面间的距离应不大于400mm。
在基准轴线方向上,
1/3。