汽车总布置-法规与校核
- 格式:doc
- 大小:31.50 KB
- 文档页数:2
3.2车身总布置设计及安全法规计算校核3.2.1据整车总体设计参数和设计控制硬点, 确定车身设计主要参数1)根据整车总布置设计确定车身设计的有关参数2)竞争车型主要车身设计参数对比调查有关竞争车型的主要尺寸和参数以便确定更合理的车身布置参数.3)与车身相关的底盘,内饰及附件等零部件的选择和优化a设计原则:充分利用现有平台资源b开发方法:充分利用先进的手段和方法,实现整车优化, 如三维CAD/CAE/CAM软件.4)编制产品设计技术文件-产品描述及产品主要零部件明细表a 产品描述爆炸图和目录编制(总成)b整车明细表编制(各底盘及附件总成、内饰件、外饰件等的零件)c车身零部件明细表d 产品描述表图3.2.1编制产品明细表文件编号:YF.P.0019.A1-2002文件名称:产品描述表编制:日期:审核:日期:批准:日期:5)整车与车身三维总装配图整车与车身总布置,确定H点,确定坐标系,确定Z=0平面。
1995年后世界各国都开始采用三维设计软件设计产品,将所有的零部件及人体模型的外形建成三维数模, 并进行总装, 实现精确的建模和设计总布置及装配检验. 达到布置, 对于变形车设计只需局部的布置, 如前舱或驾驶舱的布置, 如汽车只变化车身, 而不变化底盘或其他零件, 则可只进行与车身有关的布置. 详见第一章总体设计章节.二维图一般要确定坐标系, 中国和ISO用右手定则, 以前轮中心为X轴0点, 向车前为负向后为正, Z轴以车架上平面线为零线,向上为正,无车架承载式地板式车身,以车身地板纵梁平直段上平面或地板下平面为基准平面. Y轴以汽车纵向对称中心面在俯视图的投影线为零线右为正,左为负. 德国和欧州用左手定则,制图时可以用数字加坐标轴名称表示,数字乘以100便为坐标值,如1X表示为X=100的X坐标轴,3Y表示Y=300的Y坐标轴.以此绘制坐标网格线作为二维图纸出图的标注标准.法规校合与设计分析, 车身设计要满足国家有关法规要求, 中国的设计规范大多从欧共体标准ECE和美国SAE标准参考来的.。
杯托与扶手箱校核
1 杯托校核
杯托尺寸校核
杯托相关尺寸推荐值见下表:
2.1 扶手箱尺寸校核
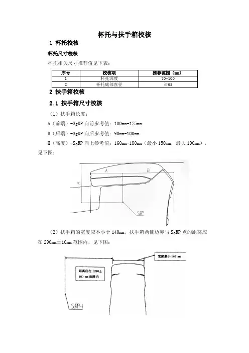
(1)扶手箱长度:
A(前端)-SgRP向前参考值:100mm-175mm
B(后端)-SgRP向后参考值:90mm-100mm
H(高度)-SgRP向上参考值:160mm-180mm(最小150mm,最大190mm),见下图:
(2)扶手箱的宽度应不小于140mm,扶手箱两侧边界与SgRP点的距离应在290mm±10mm范围内,见下图:
(3)扶手箱的X向布置角度推荐在±3°范围内,应尽量与侧面车门扶手
角度相匹配,最大布置角度在±7°范围内。
2.2 扶手箱舒适性校核
(1)当变速杆处于中间的最后位置时,以变速杆球头的最高点为圆心,在
Y0面上以40mm为半径画圆(若以50mm、60mm画圆,换挡舒适性更好),再做
一条与此圆相切并且与X轴成8°的直线,此直线即为扶手箱的上边界线,见下图:
(2)当驻车制动器拉杆处于拉起状态时,以驻车制动器的前端中心为圆心,在Y0面上以50mm为半径画圆,再做一条与拉杆轴线成105°夹角且与此圆相
切的直线,再把此直线向后方偏移40mm得到扶手箱的前边界线,见下图:。
前、后拖车钩位置校核
1 GB 32087-2015《轻型汽车牵引装置》
1.1 本标准适用范围
1.2 前、后拖车钩技术要求
1.2.1 汽车应在其前部至少固定或可安装一个牵引装置。
1.2.2 牵引装置的最外端不应凸出车辆外部轮廓在水平面的垂直投影,处于牵引状态时除外。
1.2.3 牵引装置提供的牵引所用的拖绳、拖缆或拖杆等穿过的空间区域的内部最小尺寸不应小于25mm,如下图所示:
1.2.4 牵引装置不应有对牵引所用的拖绳、拖缆或拖杆等造成任何损坏的棱边、尖角。
1.2.5 牵引装置的结构和形状由汽车制造商决定,但在使用时应不需要任何专用工具或不易实现的辅助手段。
1.3 前、后拖车钩角度校核
因下图所示角度为加载实验时所需角度,故规定前、后拖车钩需在下图所示角度范围内与周边零部件无干涉。
仪表板视野校核
1 组合仪表视野校核
1.1 组合仪表视距与视角校核
(1)仪表盘中心和眼椭圆中心连线与水平面的夹角应小于30°(2)仪表盘面中心到眼椭圆中心的距离应在650mm-760mm之间(3)仪表盘中心和眼椭圆中心连线与仪表盘平面夹角为90°±10°某车型校核如下图:
1.2 组合仪表视野盲区校核
组合仪表所有显示信息处于可视区域内
注:一般用UG校核
某车型校核如下图:
1.3 组合仪表夜间成像校核
(1)组合仪表在侧风窗的成像不得进入驾驶员观看外后视镜所需的透明区域内。
(2)组合仪表在前风窗成像不得进入B区。
注:前风窗玻璃B区见GB 11555-2009 《汽车风窗玻璃除霜和除雾系统的性能和试验方法》
1.4 组合仪表面罩成虚像校核
组合仪表玻璃面罩上不能出现影响驾驶安全的倒立虚像。
1.5 组合仪表白天眩目校核
所有外界射入的光线经组合仪表玻璃面罩反射后不能进入眼椭圆,以免对驾驶员造成眩目。
2 中控显示屏视野校核
2.1 中控显示屏障碍物校核
驾驶员在正常驾驶位置时观测中控显示屏时无障碍物(方向盘、换挡手柄等)遮挡。
2.2 中控显示屏夜间成像校核
(1)中控显示屏在侧风窗的成像不得进入驾驶员观看外后视镜所需的透明区域内。
(2)中控显示屏在前风窗成像不得进入B区。
2.3 中控显示屏白天眩目校核
所有外界射入的光线经组合仪表玻璃面罩反射后不能进入眼椭圆,以免对驾驶员造成眩目。
行人保护校核1 GB/T 24550-2009《汽车对行人的碰撞保护》1.1 术语和定义1.1.1 发动机罩前缘1.1.2 发动机罩前缘高度1.1.3 发动机罩前缘基准线1.1.4 发动机罩后面基准线1.1.5 侧面基准线1.1.6 保险杠前缘1.1.7 保险杠上部基准线1.1.8 保险杠下部基准线1.1.9 保险杆角1.1.10 保险杠试验区域1.1.11 包络线(WAD)1.2 一般要求1.2.1 腿型对保险杠的试验保险杠下部高度小于425mm的车辆应满足下腿型对保险杠的试验要求。
保险杠下部高度不小于425mm但小于500mm的车辆应满足下腿型对保险杠的试验要求或上腿型对保险杠的试验要求。
保险杠下部高度不小于500mm的车辆应满足上腿型对保险杠的试验要求。
1.3 性能要求1.3.1 按照下腿型对保险杠的试验的规定进行试验时,膝部最大动态弯曲角不大于19°,膝部最大动态剪切位移不大于6.0mm,小腿上端加速度应不大于170g,制造厂可指定宽度总计最大为264mm的保险杠试验区域,此区域的小腿上端加速度不大于250g。
1.3.2 按照上腿型对保险杠的试验的规定进行试验时,相对于任何时刻的瞬间冲击力总和不大于7.5kN,试验冲击器的弯矩不大于510N.m。
1.3.3 至少一半的儿童头型试验区域,HIC值应不大于1000。
三分之二以上的成人头型和儿童头型合计的试验区域,HIC值应不大于1000。
两个头型的剩余区域的HIC值不大于1700。
如果车辆只有儿童试验区域,三分之二以上的试验区域HIC值不大于1000,剩余区域的HIC 值不大于1700。
注:布置机舱相关零部件时尽量避免强度较高的部件位于下图范围内,若无其他位置可布置,则尽量保证部件位于HIC值1700的区域内(如铰链、气撑杆、蓄电池、雨刮电机等)。
1.3.3.1 儿童头型试验程序1.3.3.1.1 试验在前基准线、后WAD1700包络线、两侧基准线所组成的区域内进行。
前、后保险杠位置校核
1 QC/T 487-1999《汽车保险杠的位置尺寸》
1.1 适用范围
本标准适用于载货汽车、轿车和乘员在17人以下的小型客车。
1.2 一般要求
1.2.1 保险杠应能在汽车低速行驶与同类车辆相撞时,保护汽车部件免受或减轻损坏。
1.2.2 轿车和小型客车应装置有前后保险杠,载货汽车应装置有前保险杠。
1.2.3 保险杠应相对汽车纵向对称平面左右对称。
1.2.4 轿车和小型客车保险杠长度应不小于车辆宽的90%。
1.2.5 保险杠的高度应在保险杠水平件有效接触面的上、下翼缘处测量。
注:为确保保险杠水平方向的有效接触区域,并沿水平方向延伸的零部件称为水平件。
1.2.6 保险杠水平件(在不小于车辆宽度的70%长度内)安装位置尺寸应符合下表规定。
1.2.7 保险杠应当具有一定的刚度和强度,一辆汽车应能在不小于5%的坡度路面上(干的水泥或沥青路面),向上推行另一辆同吨位满载汽车,而保险杠无明显变形,两车应对正接触。
基本车型的变形车保险杠位置尺寸可与基本车型相同。
仪表板操纵件校核
1 空调控制旋钮校核
空调控制旋钮操作空间
空调控制旋钮操作空间见下表:
序号校核项推荐范围(mm)
1 两控制旋钮间距离大于25
2 控制旋钮距侧面障碍物距离大于19
2 杂物盒校核
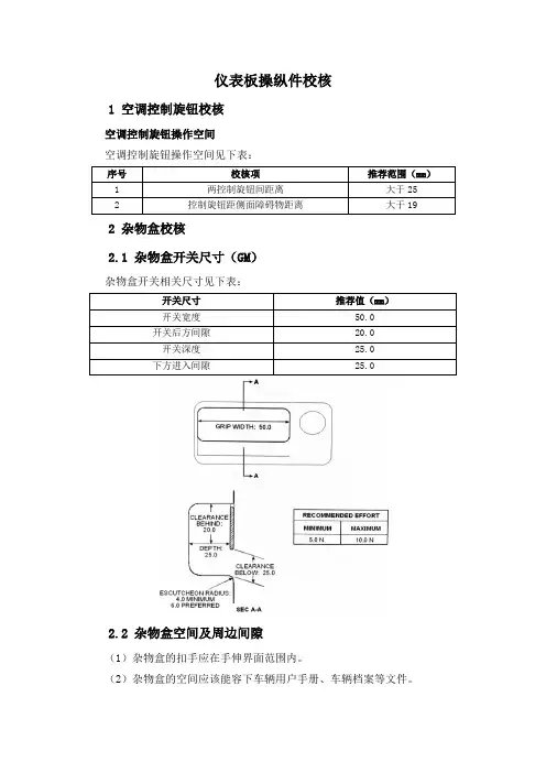
2.1 杂物盒开关尺寸(GM)
杂物盒开关相关尺寸见下表:
开关尺寸推荐值(mm)
开关宽度50.0
开关后方间隙20.0
开关深度25.0
下方进入间隙25.0
2.2 杂物盒空间及周边间隙
(1)杂物盒的扣手应在手伸界面范围内。
(2)杂物盒的空间应该能容下车辆用户手册、车辆档案等文件。
(3)杂物盒关闭时与较大人体假人小腿距离要求不小于100mm,推荐值150mm有利于碰撞发生时减轻对乘员小腿的伤害程度。
(4)杂物盒的最大开度时开口尺寸不应该小于110mm,最大开度时与SAE 95﹪假人膝部不得干涉。
(5)杂物盒在开启过程中与侧门护板最小间隙应大于10mm。
(6)杂物盒箱体内,应可以放下275mm×170mm×45mm尺寸的块体。
(7)开启开关宽度≥15mm,手指进入间隙≥20mm,开关后部间隙≥15mm。
整车视野校核1 GB 11562-2014《汽车驾驶员前方视野要求及测量方法》1.1 适用范围本标准适用于M1类汽车。
1.2 术语及定义1.2.1 V点1.2.2 风窗玻璃基准点1.2.3 P点1.2.4 Pm点1.2.5 E点1.2.6 驾驶员侧A柱的双目障碍角1.2.7 乘客侧A柱的双目障碍角1.2.8 “S”区域1.3 技术要求1.3.11.3.21.3.3 每台车辆不得多于两根A柱。
1.3.4 除1.3.4.1和1.3.4.2之外,在驾驶员前视野180°范围内,在通过V1的水平面下方和通过V2的三个平面(三个平面都和水平面向下成4°夹角,其中一个平面垂直于Y基准平面,另两个平面垂直于X基准平面)上方的范围内,除了A柱、固定或活动的排气通风口、三角窗分隔条、车外无线电天线,后视镜和风窗玻璃刮水器等造成的障碍外,不得有其他障碍。
见下图。
但是以下情况除外:1.3.4.11.3.4.21.4 测量条件1.4.1 V点位置1.4.2 P点位置1.4.3 设计座椅靠背角非25°时的修正1.4.4 E点位置1.4.4.1 E1和E2距P1各为104mm,E1距E2为65mm。
1.4.4.2 E3和E4距P2各为104mm,E3距E4为65mm。
1.4.5 A区的确定A区的确定应按照GB 11555-2009中的要求进行。
1.5 A柱障碍角测定方法1.5.1 通过三维坐标系表示的R点和座椅状态进行修正后来确定V点(V1、V2)的位置。
1.5.2 用三维坐标系表示的R点和座椅状态进行修正后来确定P点(P1、P2)的位置;25°以外的设计靠背角的修正值见表4。
1.5.3 在A柱上做两个水平界面,即:1.5.41.5.52 GB 15084-2013《机动车辆 间接视野装置的性能和安装要求》 2.1 适用范围本标准适用与M 和N 类及至少驾驶室被部分封闭的L 类机动车辆的间接视野装置安装。
前、后号牌板安装位置校核1 GB 15741-1995《汽车和挂车号牌板(架)及其位置》1.1 号牌板的形状和尺寸号牌板可为一长方形平面板(在保证号牌的安装要求情况下可以是曲面)。
号牌板外廓尺寸及号牌板(架)的号牌安装孔尺寸按GA 36确定。
号牌式样如下图所示。
1.2 号牌板(架)的位置号牌板(架)上安装号牌后,不得影响车辆设计接近角和离去角。
1.2.1 前号牌板(架)的位置前号牌板(架)位于车辆前保险杠上。
1.2.1.1 安装于前号牌板(架)上的号牌应垂直或近似垂直于车辆纵向对称平面。
前号牌中点不得处于车辆纵向对称平面的左方;前号牌及号牌架不得超出车辆前端右边缘。
1.2.1.2 安装于前号牌板(架)上的号牌应基本垂直于水平面,前号牌正面允许后仰不大于15°。
1.2.2 后号牌板(架)的位置后号牌板(架)应位于车辆后端。
1.2.2.1 安装于后号牌板(架)上的号牌应垂直或近似垂直车辆纵向对称平面。
后号牌中点不得处于车辆纵向对称平面的右方;后号牌及号牌架不得超出车辆后端左边缘。
1.2.2.2 安装于后号牌板(架)上的号牌应基本垂直于水平面。
1.2.2.2.1 当后号牌上边缘离地高度不大于1.20m时,后号牌正面允许上仰不大于30°。
1.2.2.2.2 当后号牌上边缘离地高度大于1.20m时,后号牌正面允许下俯不大于15°。
注:测量离地高度时,车辆处于空载状态。
1.2.2.3 安装于后号牌板(架)上的号牌下边缘离地高度应不小于0.30m,上边缘离地高度一般应不大于 1.20m。
若后号牌上边缘离地高度不可能符合上述规定时,离地高度可超过1.20m,但必须按车辆结构特征要求尽量接近该限制,且不得超过2.0m。
3 可视范围。
整车总布置设计法规校核项目具体内容模型数据(单位:mm)标准或样车要求指标结论(满足与否)解决方案(不满足的填写)1前照灯的法规要求(高度和横向距离)1、横向:离车辆纵向对称平面最远的基准轴方向上的视表面外缘到车辆外缘端面的距离应不大于400mm;2.在基准轴方向上,两视表面相邻边缘间的距离应不小于600mm; 3.高度:离地高度不小于500mm,不大于1200mm。
2前位置灯的法规要求(高度和横向距离)1.横向:基准轴方向上,离车辆纵向对称平面最远的视表面上的点,到车辆外缘端面的距离不大于400mm;2.两视表面内边缘的距离不小于600mm;3.高度:离地高度不小于350mm不大于1500mm。
3前转向信号灯的法规要求(高度和横向距离)1、横向:在基准轴方向上,离车辆纵向对称平面最远的视表面边缘,到车辆外缘端面之间的距离应不大于400mm; 2、基准方向上,两相邻视表面内边缘之间的距离应不小于600mm;3、离地高度不小于350mm不大于1500mm。
4制动灯的法规要求(高度和横向距离)1.离地高度: 350~1500;2.横向两灯间距:≥600。
5倒车灯的法规要求(高度和横向距离)1.倒车灯离地高度:250~1200;2.横向:无特殊要求。
备注引用标准GB 4785-1998 汽车及挂车外部照明和信号装置的安装规定分析项目分析结果序号整车外装置校核项目具体内容模型数据(单位:mm)标准或样车要求指标结论(满足与否)解决方案(不满足的填写)备注引用标准分析项目分析结果序号项目具体内容模型数据(单位:mm)标准或样车要求指标结论(满足与否)解决方案(不满足的填写)备注引用标准分析项目分析结果序号项目具体内容模型数据(单位:mm)标准或样车要求指标结论(满足与否)解决方案(不满足的填写)备注##车型可行性分析内容列表2——法规检查分析项目分析结果序号号牌板(架)及其位置。
总布置相关标准
一、人机工程
1.头部包络及定位SAEJ1052
2.内部舒适性尺寸定义SAEJ1100
3.座椅测量机、人体样板及H点定义GB/T11563-1995、GB/T15759、SAEJ826
4.座椅布置SAEJ1517、GB15083-1994
5.安全带固定点校核GB14167-1993、GB14166-1993、GB7258-1997
6.手伸及界面GB/T17867-1999、SAEJ287、SAEJ1138、SAEJ1139
7.上下车舒适性
8.汽车座椅头枕的性能要求GB11550-1995
9.客车驾驶区尺寸GB/T13053-1991
10.轿车踏板的侧向间距GB/T17340
二、视野校核
1.眼椭圆及P点、E点定位GB/T17867-1999、SAEJ941
2.汽车驾驶员前方视野校核GB11562-1994、SAEJ1050
3.汽车后视镜的性能和安装要求GB15084-1994
4.A柱盲区校核GB/T11562-1994、SAEJ1050
5.仪表盲区校核SAEJ1050
6.汽车前风窗雨刷刮刷区域校核GB/T11565-89
7.汽车风窗玻璃刮水器、洗涤器的性能要求GB15085-1994
8.前风窗除霜除雾GB11556-1994、GB11556-1994、SAEJ902
9.侧窗除霜除雾
10.后风窗除霜除雾SAEJ953
11.操纵件、指示器及信号装置GB4094-1999
三、车身布置
1.整车外廓尺寸定义GB/T1589-1989、GB7258-1997、SAEJ1100
2.前后保险杠碰撞法规
3.前后牌照安装及牌照灯安装GB/T15741-1995
4.整车外部照明及信号灯GB/T4785-1998
5.整车内部照明及信号灯
6.前后拖钩法规
7.汽车及挂车外部照明和信号装置的安装规定GB4785-1998
8.机动车回复反射器GB11564-1998
9.轿车外部突出物GB11566-1995
10.汽车罩锁装置GB/T11568-1989
11.汽车门锁及门铰链的性能要求GB15086-1994
12.轿车侧门强度GB15743-1995
13.车辆识别代码(VIN)管理规则CMVRA01-01
14.机动车用三角警告牌CMVDR127
15.正面碰撞乘员保护CMVDR294
四、底盘布置
1.通过性分析
2.加油口位置布置
3.油箱布置
4.踏板布置GB/T17346-1998、GB7258-1997
5.换档杆布置
6.手刹布置
7.轿车质量分布GB/T5910-1998
8.汽车护轮板GB7063-1994
9.防止汽车转向机构对驾驶员伤害的规定GB11557-1998
10.汽车重心高度测定方法GB/T12538-1990
11.汽车质量参数测定方法GB/T12673-1990
五、汽车灯光
1.汽车前照灯配光性性GB4599-1994
2.汽车前雾灯配光性性GB4660-1994
3.汽车前和后位灯、示廓灯、制动灯配光性能GB5920-1999
4.机动车前照灯使用和光束调整技术规定GB7454-1987
5.汽车及挂车后雾灯配光性能GB11554-1998
6.汽车倒车灯配光性能GB15235-1994
7.汽车和挂车转向信号灯配光性能GB17509-1998
8.汽车及挂车牌照灯配光性能QC/T578-1999。