整车总布置校核计算
- 格式:doc
- 大小:95.50 KB
- 文档页数:5
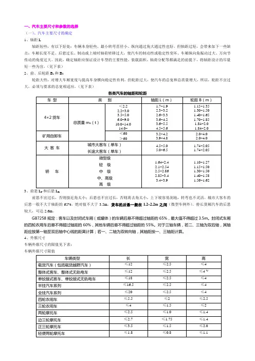
一、汽车主要尺寸和参数的选择(一)、汽车主要尺寸的确定1、轴距L轴距短些,有以下好处:车辆本身轻些、最小转弯直径小、纵向通过角大通过性也好。
但轴距过短,会带来如下一些缺点:车厢长度不足、后悬过长、制动或上坡时轴荷转移过大,使汽车的制动性或稳定性变坏、车厢纵向角振动过大、万向节传动的角度过大。
因此,确定轴距应保证设计车型的主要性能、装载面积、轴荷分配等都满足的前提下,将轴距设计的尽量短一些为宜。
(见下表)2、前、后轮距B1和B2轮距大些,对增大车厢宽度与提高车身横向稳定性有利。
但轮距过大,使汽车的总宽和总质量增大,所以,轮距不宜过大,必须与要求的总宽相适应。
(见下表)各类汽车的轴距和轮距3、前悬L F和后悬L R前悬不宜过长,否则接近角太小;后悬也不宜过长,否则离去角太小,上下坡容易刮地,转弯也不灵活。
城市大客车的后悬一般不大于轴距的65%,绝对值不大于3.5m。
货车的后悬一般在1.2~2.2m之间(微型车例外)。
特长货厢汽车的后悬较大,可达2.6m。
GB7258规定:客车以及封闭式车厢(或罐体)的车辆后悬不得超过轴距的65%,最大值不得超过3.5m。
封闭式车厢的四轮农用车后悬不得超过轴距的60%,其他车辆后悬不得超过轴距的55%。
对于三轴车辆,若二、三轴为双后轴,其轴距应按第一轴至双后轴中心线的距离计算;若一、二轴为双转向轴,其轴距按一、三轴距计算。
4、外廓尺寸车辆外廓尺寸的限值见下表:车辆外廓尺寸限值(二)、汽车质量参数的确定1、汽车的装载质量汽车的装载质量是指在硬质良好路面上行驶时所允许的额定载质量。
当汽车在碎石路面上行驶时,装载量应有所减少(约为好路面的75%~85%)。
2、整车整备质量m 0整车整备质量是指车上带有全部装备(包括随车工具、备胎等),加满燃料、水,但没有装货和栽人时的质量。
质量系数ηm0:汽车装载质量m e 与整车整备质量m 0之比。
(ηm0=m e /m 0)3、汽车总质量m a汽车总质量是指装备齐全,并按规定装满客、货时的整车质量。
总布置-整车外部灯具校核整车外部灯具校核目录一、概述 (1)二、引用标准 (1)三、技术要求 (1)四、灯具安装校核 (2)五、结论 (8)III一、概述为保证汽车安全驾驶,汽车上装有多种外部照明及信号装置。
为满足相关法规要求,需要对整车的所有外部灯具进行校核。
根据项目要求下面对整车外部灯具进行校核,看是否满足国家法规要求。
二、引用标准GB 4785-2007《汽车及挂外部照明和信号装置的安装规定》ECE 48 法规《关于照明和信号装置安装认证的统一规定》三、技术要求根据GB 4785-2007《汽车及挂外部照明和信号装置的安装规定》标准,灯具安装应满足以下要求(见表一):表1 灯具安装要求灯具法规要求位置近光灯横向:在基准轴方向上,离车辆纵向对称平面最远的视表面边缘,到车辆外缘端面之间的距离应不大于400mm;在基准轴方向上,两相邻视表面内边缘之间的距离应不小于600mm;高度:离地高度不小于500mm.不大于1200mm;转向信号灯横向:在基准轴方向上,离车辆纵向对称平面最远的视表面边缘,到车辆外缘端面之间的距离应不大于400mm;在基准轴方向上,两相邻视表面内边缘之间的距离应不小于600mm;高度:从最低点测量应不小于350mm,从最高点测量应不大于1500 mm。
纵向:侧转向信号灯透光面到标志车辆全长前边界的横向平面的距离应不大于1800mm,对于M1类N1类车辆以及其他类车辆,当车型结构不能保证最小几何可见角度时,该距离可增至为不大于2500mm前雾灯横向:在基准轴方向上,离车辆纵向对称平面最远的视表面上的点到车辆外缘端面间的距离应不大于400 mm。
高度:离地高度不小于250 mm,对于M1和N1类车辆,离地高度应不超过800mm,在基准轴方向上,整个视表面应在近光灯视表面最高点以下。
前位灯横向:在基准轴方向上,离车辆纵向对称平面最远的视表面上的点,到车辆外缘端面的距离应不大于400 mm。
3.2车身总布置设计及安全法规计算校核3.2.1据整车总体设计参数和设计控制硬点, 确定车身设计主要参数1)根据整车总布置设计确定车身设计的有关参数2)竞争车型主要车身设计参数对比调查有关竞争车型的主要尺寸和参数以便确定更合理的车身布置参数.3)与车身相关的底盘,内饰及附件等零部件的选择和优化a设计原则:充分利用现有平台资源b开发方法:充分利用先进的手段和方法,实现整车优化, 如三维CAD/CAE/CAM软件.4)编制产品设计技术文件-产品描述及产品主要零部件明细表a 产品描述爆炸图和目录编制(总成)b整车明细表编制(各底盘及附件总成、内饰件、外饰件等的零件)c车身零部件明细表d 产品描述表图3.2.1编制产品明细表文件编号:YF.P.0019.A1-2002文件名称:产品描述表编制:日期:审核:日期:批准:日期:5)整车与车身三维总装配图整车与车身总布置,确定H点,确定坐标系,确定Z=0平面。
1995年后世界各国都开始采用三维设计软件设计产品,将所有的零部件及人体模型的外形建成三维数模, 并进行总装, 实现精确的建模和设计总布置及装配检验. 达到布置, 对于变形车设计只需局部的布置, 如前舱或驾驶舱的布置, 如汽车只变化车身, 而不变化底盘或其他零件, 则可只进行与车身有关的布置. 详见第一章总体设计章节.二维图一般要确定坐标系, 中国和ISO用右手定则, 以前轮中心为X轴0点, 向车前为负向后为正, Z轴以车架上平面线为零线,向上为正,无车架承载式地板式车身,以车身地板纵梁平直段上平面或地板下平面为基准平面. Y轴以汽车纵向对称中心面在俯视图的投影线为零线右为正,左为负. 德国和欧州用左手定则,制图时可以用数字加坐标轴名称表示,数字乘以100便为坐标值,如1X表示为X=100的X坐标轴,3Y表示Y=300的Y坐标轴.以此绘制坐标网格线作为二维图纸出图的标注标准.法规校合与设计分析, 车身设计要满足国家有关法规要求, 中国的设计规范大多从欧共体标准ECE和美国SAE标准参考来的.。
汽车总布置设计的可维修性校核方法探讨摘要:汽车总布置设计工作的细化与深入,促使当前的行业创新发展,尤其是可维修性校核方法的应用,从根本上满足当前的需求。
基于此,本文从当前的汽车布置设计入手,深入分析当前的车辆保养频率、零件维修频率、零件使用寿命,并利用当前的关键性指标进行明确,对整车各系统进行可维修性校核,以供参考。
关键词:汽车总布置设计;可维修性;校核方法1 汽车总布置设计概述实际上,汽车总布置是指当前的总体布置设计,通过设计将整车的零部件与驾驶员乘客放在合适的位置中,充分发挥出各部分的功能,实现最优化配置,同时保证其符合当前的法律规定,具有较高的安全性,实现车辆的整体和谐,满足当前的需求,促使车辆完善发展。
随着技术的创新,汽车总布置设计逐渐创新,具体来说,主要表现在以下几方面:1.1 工程集成与造型在进行设计过程中,传统方式中工程师单一的以当前的零部件为主,而对于造型师来说,其自身通常只单一的以设计元素为基础,导致二者之间存在不协调情况,难以满足当前的需求。
通过汽车总布置设计,促使当前的零部件工程师与造型师建立完善的沟通桥梁,积极总体上的分析,综合性进行考虑,以实际的要求为基础,兼顾当前的零部件工程,实现整车以及工程的整体约束,优化整体效果。
2 汽车总布置设计的可维修性分析当前的可维修性检查是当前整车架构的DUM工作的重点内容,也是影响整体性能的一个方面。
例如,通过合理的平台设计,其重点影响在于可以促使当前的汽车维修次数降低,优化其整体性能,并提升维修保养效果,满足当前的需求。
相对来说,可维修性检查的实际目的在于明确将当前的反总布置方案进进行反馈,进而分析其是否合理,明确零部件自身的设计性能,在进行实际的设计过程中,促使其设计出良好的方案,并根据实际情况,对不合理情况进行更改优化,从整体上满足当前的需求,实现创新发展。
实际上,进行总布置的合理可维修性检测,主要的目的在于降低用户在进行车辆使用过程中,产生的维修费用,并降低其维修成本,降低费用。
浅谈整车总布置DMU校核杨茂华【摘要】通过个人的感受和体会,针对装配性和维修性等2个重点议题,介绍当前的现状,阐述个人的建议和主张.【期刊名称】《汽车电器》【年(卷),期】2013(000)008【总页数】3页(P3-5)【关键词】整车总布置;DMU校核;维修性;装配性【作者】杨茂华【作者单位】奇瑞汽车股份有限公司,安徽芜湖241009【正文语种】中文【中图分类】U463.6凡是在主机厂有过从业经验的人员都清楚地知道:如果一款新车无法通过法规的检测和认证,国家法律法规将不允许主机厂开展生产和市场销售活动。
如果一款新车关键件及重要件的周边间隙(静态间隙、动态间隙)无法得到保证,将意味着在用户手中可能会突然出现关键功能丧失,从而导致人命关天的重大安全隐患,一旦出现这种情况,不仅会出现召回的严重风险,而且会使人民的性命和财产蒙受重大的损失。
如果一款新车的人机和美观性得不到保证,将会使其潜在消费用户悄悄地溜走。
这些会使汽车企业蒙受重大经济损失的显性问题,在如今的自主品牌车企中已经形成了广泛的共识,并得到了较好的落实。
但是,对于维修性和装配性这种隐性问题往往却关注不够、投入不够。
作者本人认为,这类问题如果没有得到较好的控制和落实,同样会带来内部客户和外部消费者的抱怨、公司成本和消费者成本增加的严重问题。
完整的总布置DMU (Digital Mock-Up,电子样机)校核如图1所示。
图1 总布置DMU校核1 现状大多数汽车企业均有研发单位、工艺规划及生产制造单位、售后维修单位等。
当前,对于维修性和装配性的问题,要不各自为政互不相让,要不好好先生互不干涉,以上两种现象均会带来巨大的负面问题。
对于各自为政互不相让现象而言,各个相关单位如果只是站在自己立场上考虑问题,要不问题僵持迟迟不能得到解决,从而影响了项目的进度和上市的最佳时机;要不满足了一方的需求而影响了另外两方需求,从而导致产品的整体方案不是最优。
大家都清楚汽车产品的许多指标是相互矛盾和相互制约的,其本身是一种矛盾平衡和折中的产物,三方互相妥协和让步实现共赢才是真正的最佳设计。
总布置设计硬点关于总布置设计硬点由于零部件设计要在整车总布置基本完成后才开始,在总布置设计阶段中往往没有零部件的详细资料,还不能解决零部件和总成内部的细节问题。
所以在布置设计图上出现的是各总成的主要控制点、主要中心线,也包括重要的外廓线和由这些轮廓线构成的控制面以及运动极限位置等。
这些控制点称为硬点(Hard point),包括整车及关键零部件的各种控制点、线、面以及控制特征等。
汽车整车设计硬点分类:概括了描述整车、总成及关键零部件的尺寸、结构型式、空间位置等的关键参数,它主要包括以下内容:整车外廓形状及尺寸:整车长度、整车宽度、整车高度、轴距、轮距等;驾驶区控制尺寸:踏板点、踵点,仪表板、转向柱及方向盘控制位置等;整车乘员空间内部尺寸:H点位置、头部空间、伸腿空间等;主要总成的设计硬点:总成的最大包络空间、定位点、配合点等;设计硬点构成了汽车总布置设计的骨架。
汽车总布置设计的过程就是设计硬点不断明确、逐步确定的动态过程。
所谓硬点,是通过英文的"hardpoint"直译过来的,它是个布置的概念,在整车开发中(由于整车由成千上万个零部件组成,那么怎么样来协调这些部件间的安装配合呢?硬点由此而生)为保证零部件之间的协调和装配关系,及造型风格要求所确定的控制点(或坐标),控制线,控制面及控制结构的总称。
所以会有底盘的硬点(这也是大家所熟知的),车身的硬点,内外饰的硬点,成员的硬点(例如H点)等等。
一般一个整车项目开发过程中,最先确定的就是这些硬点,这也是决定所开发的车型平台能否成功的关键因素之一,这些硬点必须要在满足PACKAGE要求的同时,也要满足性能的要求(例如底盘的硬点要满足整车的操纵稳定性和平顺性的要求),硬点将是汽车零部件设计和选型, 内外饰附件设计及车身钣金设计的最重要的设计原则,也是各项目组公共认可的尺度和设计原则.同时也是使项目组分而不乱,并行设计的重要方法. 一般确定后设计硬点不轻易调整, 如需调整设计硬点,需要和所有的设计人员协商,得到所有子项目组认可。
浅谈整车总布置DMU校核整车总布置DMU校核是一种基于数字化技术的设计方法,可以使设计师在设计整车布局时可以快速地进行评估和对比设计方案的优劣。
这种校核方法在汽车制造行业中被广泛使用。
整车总布置DMU校核包括多个方面的校核,以下是其中的主要校核:1. 空间校核:通过将各个部件、系统的三维CAD模型共享,可以在虚拟环境中进行整车布置的空间校核。
空间校核主要是为了验证各个部件在车身内的布置是否合理,以及检查不同部件之间的冲突和干涉情况,避免设计时出现空间上的问题。
2. 人机工程学:整车总布置DMU校核可以通过各种手段,例如天线覆盖面积、人类工程学等来优化驾驶员的认知、操作和驾驶体验。
这种校核方法主要是为了保证车辆的人机工程学符合人类的生理需求,方便驾驶员使用车辆。
3. 强度校核:在整车总布置DMU校核中,设计师需要考虑车身的强度和安全性。
这种校核包括分析车身的结构和材料来保证车身的刚度和抗撞性,通过模拟各种比例载荷下的变形和应力来检查车身设计的结果是否符合标准。
4. 风洞校核:风洞校核是车辆设计中必要的一步。
通过在虚拟环境中进行风流场分析来优化车辆的气动性能,这种校核可以说明车辆在不同速度下的行驶情况,帮助设计师理解车流线和起伏以及风压的分布,以便进行车辆设计的优化。
整车总布置DMU校核是一种高效的设计方法,可以大大缩短设计周期和降低错误率。
这种方法已经广泛应用于汽车制造行业,成为车辆设计的重要组成部分。
整车总布置DMU校核不仅可以优化车辆设计,还可以提高整车的生产效率和质量。
通过虚拟环境,整车厂商可以在没有实际生产车辆的情况下,进行生产线的布置和工艺分析,以便提高生产效率。
此外,在整车制造过程中,还可以利用DMU校核来分析装配过程,并验证各组件的匹配性和装配性,以确保制造出符合标准、具有良好质量的整车。
这种校核方法并不是只具有汽车制造行业可以采用,而是可以运用在其他的制造业中。
此外,整车总布置DMU校核还可以支持车辆的后期服务和维护。
汽车总布置DMU校核的运用研究摘要:随着科技的不断进步,在现代汽车设计过程中,使用DMU校核已经逐渐成为总布置工作中的重点。
在工作中应当结合日常的具体项目要求,以及企业标准、设计规范和多年的设计工作经验,提出DMU校核的实际运用方法,并在产品立项前的MULE车设计阶段、立项后的设计阶段、设计变更阶段等方面,阐述DMU校核前的准备工作和管理工作,以及具体的DMU校核流程,最后结合实际工作来演绎DMU校核具体操作。
关键词:汽车总线布置;DMU校核;运用DMU是3D软件制作的零部件,按照内在逻辑组成和结构性来虚拟样车模型,而且在这个虚拟样车中,可以对不同模拟进行评价。
DMU作为概念上的拓展,将其当作一种工具和方法对整车进行设计、检查、监控,并指出其中的问题,能够有效提升设计质量和项目进度。
DMU校核一直贯穿于整个产品开发,根据产品的具体开发流程,将DMU校核分为3个主要阶段,其中立项后的设计阶段是DMU检查的重点内容。
1 DMU校核的主要内容1.1 产品立项前MULE车设计阶段的DMU校核分析在立项前的MULE车设计阶段,所有零部件都可以使用3D数模,但是都比较粗糙,属于概念性的,而且部分零部件没有进行结构区分。
DMU检查主要是集中于零部件的总成级别,在这个阶段的DMU应当具有宏观性、概念性,同时还要考虑以下3个方面因素。
第一,是零部件的功能要求。
第二,是位置的合理性。
第三,是对周围环境还有整车性能的影响。
1.2立项后设计阶段的DMU校核分析立项后,正式进行产品开发,此时设计阶段中的零部件3D数据,都是严格意义上的数模,这些数模在具体应用过程中,应当具备仿真和分析功能。
将其用于DMU校核,零部件的3D数据应当做到“onepartonemodel”。
在具体操作过程中,设计阶段使用DMU工作,要具有严谨性尤其在检查方法、校核对象方面具有数据量大的优势。
在具体校核过程中,主要有以下几个内容。
第一,是DATAMissing数据缺失。
动力总成运动校核
在总体布置设计中,整车运动校核包括两方面内容:从整车角度出发进行运动学正确性的校核;对于有相对运动的部件或零件进行运动干涉校核。
动力总成运动校核是整车运动校核内容之一,其主要校核动力总成在静态与周边件的间隙是否满足,在动态时与周边件是否发生干涉。
1 静态校核
静态校核主要是校核装车状态的发动机1在静止时与周边件的最小间隙是否满足要求(推荐值),表1为经验推荐值。
表1 静止时动力总成与周边件最小间隙推荐值(单位:mm)
2 动态校核
发动机在起动及运行过程中,产生垂直和扭转位移,动态校核方法是悬置橡胶垫压缩最大变形的1/3时,要求动力总成与周边件无干涉。
1若是电动机驱动则动力总成指电动机,下同。
悬架运动校核在汽车行驶过程中,在车轮跳动极限和转向极限范围内,要求悬架与运动件不能干涉,且保持一定的间隙,以保证汽车行驶的安全性及操纵稳定性。
悬架系统零部件的运动校核通常按前、后悬架来分别校核。
1 前悬架运动校核1.1 术语(1)前悬架上跳极限:前限位块压缩1/2~2/3时悬架的状态,轿车、小型客车及SUV 推荐取2/3;(2)前悬架下跳极限:前减振器活塞杆拉出最长长度(0~1)mm位置时悬架的状态,所加的(0~1)mm为减振器活塞杆固定橡胶块在非悬架质量作用下向下的变形量;(3)左转极限:方向盘逆时针旋转至极限位置时,悬架所在的位置;(4)右转极限:方向盘顺时针旋转至极限位置时,悬架所在的位置。
1.2 校核内容在前悬架的跳动范围及转向状态下1,校核以下内容:(1)检查弹簧与车身轮包的间隙,检查弹簧座与车身轮包、纵梁、轮胎之间的间隙,检查减震器与轮胎之间的间隙等,上述间隙值不小于10mm,推荐以(15~20)mm以上为宜;(2)检查摆臂与副车架的运动间隙,摆臂与副车架不允许有干涉现象;(3)检查摆臂球头销的摆动范围,球头销与球头座碗不允许有干涉现象;(4)检查稳定杆的运动范围与周边零部件的间隙:稳定杆与副车架、转向拉杆、前围板及纵梁间隙不小于5mm;(5)检查稳定杆连杆运动范围及连杆球头销的摆角,稳定杆不得与周边零部件干涉,球头销的摆角在球碗的允许范围内。
前悬架极限状态下的具体校核项目及与周边件的最小间隙推荐值见表1。
表1 前悬架极限状态下与周边件的最小间隙推荐值1前轮转向的前提下2 后悬架运动校核2.1 术语(1)上跳极限:后限位块压缩1/2~2/3;轿车及小型客车非独立悬架推荐取1/2,轿车及小型客车独立悬架、SUV推荐取2/3;(2)下跳极限:后减振器活塞杆拉出最长长度(0~2)mm位置时悬架系统的状态,所加的(0~2)mm为减振器活塞杆固定橡胶块在非悬架质量作用下向下的变形量。
2.2 校核内容在后悬架跳动范围内,检查减振器、弹簧、弹簧座与车身轮包、纵梁等之间的间隙,间隙值不小于10mm,推荐(15~20)mm以上为宜,后悬架极限状态下各部件与周边件的最小间隙推荐值见表2。
整车总布置设计法规校核项目具体内容模型数据(单位:mm)标准或样车要求指标结论(满足与否)解决方案(不满足的填写)1前照灯的法规要求(高度和横向距离)1、横向:离车辆纵向对称平面最远的基准轴方向上的视表面外缘到车辆外缘端面的距离应不大于400mm;2.在基准轴方向上,两视表面相邻边缘间的距离应不小于600mm; 3.高度:离地高度不小于500mm,不大于1200mm。
2前位置灯的法规要求(高度和横向距离)1.横向:基准轴方向上,离车辆纵向对称平面最远的视表面上的点,到车辆外缘端面的距离不大于400mm;2.两视表面内边缘的距离不小于600mm;3.高度:离地高度不小于350mm不大于1500mm。
3前转向信号灯的法规要求(高度和横向距离)1、横向:在基准轴方向上,离车辆纵向对称平面最远的视表面边缘,到车辆外缘端面之间的距离应不大于400mm; 2、基准方向上,两相邻视表面内边缘之间的距离应不小于600mm;3、离地高度不小于350mm不大于1500mm。
4制动灯的法规要求(高度和横向距离)1.离地高度: 350~1500;2.横向两灯间距:≥600。
5倒车灯的法规要求(高度和横向距离)1.倒车灯离地高度:250~1200;2.横向:无特殊要求。
备注引用标准GB 4785-1998 汽车及挂车外部照明和信号装置的安装规定分析项目分析结果序号整车外装置校核项目具体内容模型数据(单位:mm)标准或样车要求指标结论(满足与否)解决方案(不满足的填写)备注引用标准分析项目分析结果序号项目具体内容模型数据(单位:mm)标准或样车要求指标结论(满足与否)解决方案(不满足的填写)备注引用标准分析项目分析结果序号项目具体内容模型数据(单位:mm)标准或样车要求指标结论(满足与否)解决方案(不满足的填写)备注##车型可行性分析内容列表2——法规检查分析项目分析结果序号号牌板(架)及其位置。
一、汽车主要尺寸和参数的选择
(一)、汽车主要尺寸的确定
1、轴距L
轴距短些,有以下好处:车辆本身轻些、最小转弯直径小、纵向通过角大通过性也好。
但轴距过短,会带来如下一些缺点:车厢长度不足、后悬过长、制动或上坡时轴荷转移过大,使汽车的制动性或稳定性变坏、车厢纵向角振动过大、万向节传动的角度过大。
因此,确定轴距应保证设计车型的主要性能、装载面积、轴荷分配等都满足的前提下,将轴距设计的尽量短一些为宜。
(见下表)
2、前、后轮距B1和B2
轮距大些,对增大车厢宽度与提高车身横向稳定性有利。
但轮距过大,使汽车的总宽和总质量增大,所以,轮距不宜过大,必须与要求的总宽相适应。
(见下表)
各类汽车的轴距和轮距
3、前悬L F和后悬L R
前悬不宜过长,否则接近角太小;后悬也不宜过长,否则离去角太小,上下坡容易刮地,转弯也不灵活。
城市大客车的后悬一般不大于轴距的65%,绝对值不大于。
货车的后悬一般在~之间(微型车例外)。
特长货厢汽车的后悬较大,可达。
GB7258规定:客车以及封闭式车厢(或罐体)的车辆后悬不得超过轴距的65%,最大值不得超过。
封闭式车厢的四轮农用车后悬不得超过轴距的60%,其他车辆后悬不得超过轴距的55%。
对于三轴车辆,若二、三轴为双后轴,其轴距应按第一
轴至双后轴中心线的距离计算;若一、二轴为双转向轴,其轴距按一、三轴距计算。
4、外廓尺寸
车辆外廓尺寸的限值见下表:
车辆外廓尺寸限值
(二)、汽车质量参数的确定
1、汽车的装载质量
汽车的装载质量是指在硬质良好路面上行驶时所允许的额定载质量。
当汽车在碎石路面上行驶时,装载量应有所减少(约为好路面的75%~85%)。
2、整车整备质量m0
整车整备质量是指车上带有全部装备(包括随车工具、备胎等),加满燃料、水,但没有装货和栽人时的质量。
质量系数ηm0:汽车装载质量m e与整车整备质量m0之比。
(ηm0=m e/m0)
3、汽车总质量m a
汽车总质量是指装备齐全,并按规定装满客、货时的整车质量。
4、汽车的轴荷分配
各类汽车的轴荷分配
(三)、汽车主要性能参数的确定 1、动力性能参数
一、汽车的动力性 (一)、汽车的驱动力图 1、汽车的驱动力
驱动汽车的外力称为汽车的驱动力F t (单位N )
F t
=T t r =T tq i g i 0ηT
r
(1—1)
上式中:T t —作用于驱动轮上的转距,单位N ·m T tq —发动机的转距,单位N ·m i g —变速器的传动比 i 0 —主减速器的传动比 ηT —传动系的机械效率 2、发动机的转速特性
发动机外特性曲线—发动机节流阀全开(或高压油泵在最大供油量位置)时,发动机的功率P e 、转距T tq 以及燃油消耗率b 与发动机曲轴转速之间的函数关系。
发动机部分负荷特性曲线—发动机节流阀部分开启(或高压油泵部分供油)时,发动机的功率P e 、转距T tq 以及燃油消耗率b 与发动机曲轴转速之间的函数关系。
3、传动系的机械效率ηT
传动系的机械效率因受多种因素的影响而有所变化,但对汽车进行初步的动力性分析时可把它看作一个常数。
具体见上表。
采用有级机械变速器传动系的轿车,其传动效率可取为~。
货车、客车可取~,越野汽车取~。
4、车轮的滚动半径r r
r r =Fd
2π
对汽车作动力学分析时,应该用静力半径;而作运动学分析时应该用滚动半径。
上式中:F —计算常数,子午线轮胎F=,斜交轮胎F=。
d —轮胎的自由直径。
5、汽车的驱动力图
一般用驱动力F t 与车速u a 之间的函数关系曲线来表示汽车的驱动力,称为汽车的驱动力图。
各个排挡的驱动力用(1—1)公式计算; 发动机转速与汽车行驶速度的关系为: u a =
r n
i g i 0
上式中:u a —汽车行驶速度,单位为km/h n —发动机转速,单位为r/min r —车轮滚动半径,单位m i g —变速器的传动比 i 0 —主减速器的传动比 (二)、汽车的行驶阻力
∑F= F f + F w + F i + F j
上式中:F f —滚动阻力 F w —空气阻力 F i —坡度阻力 F j —加速阻力 1、滚动阻力F f
滚动阻力系数f 与下列因素有关系:
a 、轮胎的结构、帘线和橡胶的品种多滚动阻力有影响;
b 、轮胎的充气压力对f 值影响很大,气压降低时f 值迅速增加;
c 、径向载荷对滚动阻力系数的影响很小,所以可以认为滚动阻力系数不随径向载荷的大小而变化。
2、空气阻力F w
如果u a —以Km/h 计,则空气阻力(单位为N )为
F w =错误!
上式中:C D —空气阻力系数,见《汽车理论》P12 A —迎风面积,见《汽车理论》P12 u a —汽车行驶速度,单位为km/h 3、坡道阻力F i 4、加速阻力F j
(三)、动力特性图 《汽车理论》P24
动力因数D=F t - F w
G ,由《汽车理论》P24页中的图1-30,可以得出D 曲线与滚动阻力系数f 曲线间的距离就表示汽车
的上坡能力。
汽车的最大爬坡角度为αmin =arcsin D 1max -f 1-D 2
1max +f 2
1+f 2
,然后根据tg αmin =i max 换算成最大爬坡度。