压浆技术交底书
- 格式:doc
- 大小:1014.50 KB
- 文档页数:13
压浆技术培训讲义1. 压浆作业工艺流程(1) 预应力管道压浆的全过程分为:压浆前准备工作,浆体拌制,管道真空压浆。
(2) 预应力管道压浆前需做好如下准备工作,并达到下列质量要求。
1) 技术员待箱梁终张拉完毕24h后检查钢绞线有无滑丝情况,然后进行下发钢绞线切割通知单。
2) 切割钢绞线人员接到通知单后,复核梁号及终张拉情况,无问题时再进行钢绞线切割,切断处距锚具表面35±5mm,距箱梁端面≥40mm,用砂轮锯切割。
3) 压浆前,技术部门下达的压浆通知单,核对箱梁编号及浆体配合比。
4) 压浆设备的试运转。
5) 张拉完毕后应尽快压浆,其间隔时间不得超过48h。
6) 根据锚垫板型号安装压浆罩,压浆罩要密贴不透气。
(3) 浆体拌制顺序开动压浆台车,首先在高速搅拌桶(转速为1000r/min)中加入实际拌合用水量的80~90%,均匀加入全部压浆剂,边加入边搅拌,再均匀加入全部水泥。
全部粉料加入后搅拌2min;然后加入剩余的10%~20%的拌合水,继续搅拌2min。
然后通过过滤器(网孔格不大于3×3mm 的过滤网)进入储料罐,并不断搅拌。
水泥浆搅拌结束至压入管道时间间隔不得超过40min。
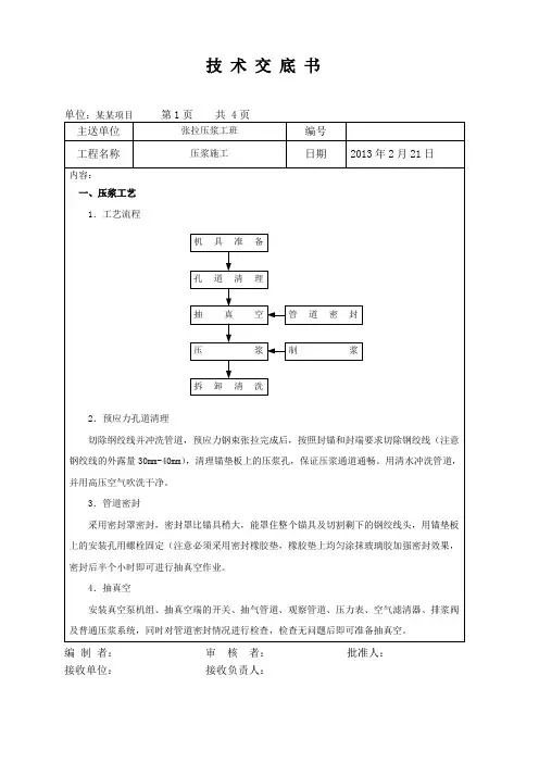
(4) 压浆采用真空压浆技术,压浆流程如下。
1) 准备工作。
清除压浆孔内的混凝土残渣或杂物,非压浆端锚头封堵是否密实无裂纹,确认其强度已满足压浆使用要求,同时开始拌制浆体。
2) 安装设备。
压浆端安装球阀用于连接压浆泵,非压浆端安装三通管分别用于连接真空泵和排废管,其中三通管和真空泵之间用透明塑料管连接。
3) 抽真空。
压浆前关闭所有的阀门(连接真空泵的除外),启动真空泵抽真空,当管道真空度稳定在-0.06MPa~-0.08MPa时,准备压浆。
4) 开始压浆时应在缓慢档位上,当压力表没有急剧升高现象时即可转至快速档压浆。
当浆体从真空端透明管中出现时应立即关闭抽真空机并同时关闭抽真空端阀门,同时打开排废管的阀门,让水泥浆从排废管流出,当流出的浆稠度与进浆稠度相同时,关闭排废管阀门。
一、交底对象本交底适用于所有参与压浆设备安装、操作、维护和拆除的施工人员。
二、交底内容1. 安全生产方针和目标(1)坚持“安全第一、预防为主、综合治理”的安全生产方针。
(2)确保施工过程中不发生安全事故,实现安全生产零事故的目标。
2. 压浆设备基本知识(1)压浆设备的功能及用途。
(2)压浆设备的组成及各部件的作用。
3. 压浆设备操作安全注意事项(1)操作前必须穿戴好个人防护用品,如安全帽、防护眼镜、工作服等。
(2)操作人员应熟悉压浆设备的操作规程,严禁违规操作。
(3)启动设备前,应检查设备各部件是否完好,电源线路是否安全可靠。
(4)操作过程中,严禁触摸设备运转部件,以免发生意外伤害。
(5)压浆过程中,注意观察设备运行情况,发现异常立即停机检查。
4. 压浆设备维护与保养(1)定期检查设备各部件的磨损情况,发现异常及时更换。
(2)定期清理设备内部污垢,保持设备清洁。
(3)定期检查设备润滑系统,确保润滑良好。
(4)定期检查电气线路,防止漏电、短路等事故发生。
5. 压浆设备拆除安全注意事项(1)拆除前应确保设备已停止运转,并切断电源。
(2)拆除过程中,注意保护设备各部件,避免损坏。
(3)拆除过程中,严禁站在设备上方作业,以免发生坠落事故。
(4)拆除过程中,应遵循从上至下、由内至外的原则,确保拆除安全。
6. 应急措施(1)发生设备故障或意外伤害时,立即停机并切断电源。
(2)及时上报事故,并采取相应的应急措施。
(3)配合相关部门进行事故调查和处理。
三、交底要求1. 施工单位应将本交底内容纳入施工组织设计,确保施工人员充分了解和掌握压浆设备的安全技术要求。
2. 施工单位应定期组织施工人员进行安全技术培训,提高施工人员的安全意识和操作技能。
3. 施工现场应设立安全警示标志,提醒施工人员注意安全。
4. 施工单位应加强施工现场安全管理,确保施工过程中不发生安全事故。
四、附则本交底自发布之日起实施,如遇国家法律法规、行业标准及本交底内容有变动,以最新规定为准。
一、交底目的为确保压浆作业安全、高效进行,预防安全事故发生,现将压浆作业安全技术交底如下。
二、交底对象1. 施工单位项目经理、技术负责人、安全管理人员;2. 压浆作业人员;3. 相关部门及协作单位人员。
三、交底内容1. 作业前的准备工作(1)压浆作业人员应接受专业培训,熟悉压浆工艺、设备操作及安全注意事项。
(2)施工前,应对施工现场进行安全检查,确保场地平整、排水畅通,并对施工设备进行检查和维护。
(3)施工人员应穿戴符合安全要求的个人防护用品,如安全帽、防尘口罩、防护眼镜、防滑鞋等。
2. 作业过程中的安全注意事项(1)压浆作业应在专业人员指导下进行,严格按照操作规程执行。
(2)压浆设备运行前,应检查设备是否正常,确认无异常后方可启动。
(3)压浆过程中,应密切关注压力表变化,防止管道堵塞、压力过高导致爆管伤人。
(4)压浆过程中,无关人员应远离压浆接口处,避免因压浆管爆裂造成伤害。
(5)拆除压浆管时,应注意高压管中带压力的浆液射出,避免伤人。
(6)振实机振动时,应注意用电安全,振动板下不得把手伸入。
(7)封端时,工作平台必须牢固稳定,高空作业时工作架有专人护定。
(8)施工现场泥浆池及空孔处应有警戒标志,夜间孔口要围护或遮盖。
3. 作业结束后的安全注意事项(1)压浆作业结束后,应对施工现场进行清理,确保无安全隐患。
(2)设备使用完毕后,应关闭电源,并做好设备保养工作。
(3)施工人员应按时报销工作,离开现场。
四、安全措施1. 加强安全教育培训,提高作业人员安全意识。
2. 完善安全防护设施,如安全帽、防护眼镜、防尘口罩等。
3. 设立专职安全员,负责现场安全监督和检查。
4. 定期进行安全检查,及时发现和消除安全隐患。
5. 建立安全事故应急预案,确保在发生事故时能够迅速有效地进行处置。
五、附则1. 本安全技术交底自发布之日起执行。
2. 施工单位应将本安全技术交底张贴在施工现场显眼位置,确保作业人员知晓。
3. 任何单位和个人不得擅自修改、删除本安全技术交底内容。
一、交底目的为确保梁板压浆施工过程中的安全,降低施工风险,提高施工质量,特进行梁板压浆安全技术交底。
二、交底对象1. 施工单位全体参与梁板压浆施工的作业人员。
2. 施工单位现场管理人员。
三、交底内容1. 施工前的安全检查(1)对施工区域进行安全检查,确保施工环境符合安全要求。
(2)检查施工设备、工具、材料是否齐全,性能良好。
(3)检查施工图纸、技术规范、操作规程等资料是否齐全。
2. 施工过程中的安全措施(1)梁板压浆作业前,应对作业人员进行安全教育和技术培训,使其掌握梁板压浆施工的安全操作规程。
(2)作业人员必须佩戴安全帽、安全带、防护眼镜、防护手套等个人防护用品。
(3)施工区域设置警示标志,禁止无关人员进入。
(4)压浆泵、输送管等设备应定期检查和维护,确保设备运行正常。
(5)梁板压浆过程中,作业人员应保持距离,防止交叉作业。
(6)压浆泵、输送管等设备在运行过程中,严禁触摸、敲打,防止设备损坏。
(7)施工过程中,发现异常情况,应立即停止作业,报告现场负责人,并采取相应措施进行处理。
3. 施工后的安全措施(1)施工结束后,清理施工现场,确保无安全隐患。
(2)对压浆设备进行保养,延长设备使用寿命。
(3)对施工人员进行总结培训,提高安全意识。
四、注意事项1. 作业人员必须遵守施工安全技术操作规程,确保施工安全。
2. 施工现场应设置安全通道,确保人员疏散畅通。
3. 施工过程中,严禁酒后作业、疲劳作业。
4. 作业人员应掌握应急处置措施,提高自救互救能力。
5. 施工单位应定期对施工现场进行安全检查,及时发现并消除安全隐患。
五、交底人(填写交底人姓名及职务)六、接受人(填写接受人姓名及职务)七、交底日期(填写交底日期)八、备注1. 本安全技术交底适用于梁板压浆施工全过程。
2. 施工单位应根据实际情况,对安全技术交底进行补充和完善。
注:本模板仅供参考,具体内容应根据实际工程情况进行调整。
技术交底内容:一、适用范围本交底适用于***集团物资工贸有限公司铜仁制梁场T梁管道压浆、封端作业。
二、过程操作1.工艺流程1.1压浆工艺流程1.2封锚工艺流程锚穴凿毛--涂刷聚氨酯防水涂料一一固定钢筋网片一一封端模板安装固定--浇筑封端混凝土2、施工方法1.1一般要求a.终张拉完毕后,必须在24h后,48h之内进行管道压浆作业。
采用真空辅助灌浆工艺。
压浆时及压浆后3d内,梁体及环境温度不得低于5Γ.2.2压浆施工准备a.锚头封堵采用压浆密封罩做为压浆堵头,以防漏浆。
b.管道压浆前,事先对采用的压浆料进行配合比试验,确定施工配合比。
c.使用的搅拌机转速不低于1OOOrZmin,浆叶的最高线速度限制在15m∕s以内。
d.称量精度①在配制浆体拌和物时,水泥、压浆剂、水的的称量准确到士战(均以质量计)②计量器具均经过法定计量检定合格,且在有效期内使用。
e.在设备完好的情况下,打开真空泵进气阀,关闭其它压浆孔,开启真空泵抽吸管内空气,真空压力表读数达到一0.06MPa〜一0.08MPa时,表明管道及接头密封完好.密封达不到要求时,应立即查找原因,及时进行处理。
3.3搅拌工艺a.搅拌前,先清洗施工设备。
清洗后的设备内不留残渣、积水,并检查搅拌机的过涯网。
在压浆料由搅拌机进入储料罐时,经过过滤网,过滤网空格不大于3mmX3mπub.浆体搅拌操作顺序为:先在搅拌机中先加入实际拌和水用量的80〜90%,开动搅拌机,均匀加入全部压浆剂,边加入边搅拌,然后均匀加入全部水泥。
全部粉料加入后再搅拌120s;然后加入剩余的10%〜20%的拌和水,继续搅拌2min°c.搅拌均匀后,现场进行出机流动度试验,每10盘进行一次检测,其流动度符合以下规定:出机流动度18±4s∙d.将搅拌好的水泥浆经过3X3mm的过滤网倒入储浆筒内,储浆筒内的水泥浆要不停地进行搅拌,防止水泥浆的沉淀。
4.4压浆工艺压浆顺序先下后上,同一管道压浆应连续进行,一次完成.a.关闭阀门1、3,启动真空泵,抽吸孔道内的空气,真空度达到一0.06〜-0.08MPa并保持稳定。
一、交底目的为确保道路压浆施工过程中的安全,预防安全事故的发生,特制定本安全技术交底。
二、交底内容1. 施工人员要求(1)施工人员必须经过专业培训,具备相应的操作技能和安全生产知识。
(2)施工人员必须穿戴好个人防护用品,如安全帽、工作服、防尘口罩、手套等。
(3)施工人员必须遵守施工现场的各项规章制度,听从指挥,确保施工安全。
2. 施工现场要求(1)施工现场应设置明显的安全警示标志,如“危险区域”、“注意安全”等。
(2)施工现场应保持整洁,材料堆放整齐,施工通道畅通。
(3)施工现场应配备必要的消防设施,如灭火器、消防砂等。
3. 施工工艺要求(1)施工前,应对压浆设备进行检查,确保设备运行正常。
(2)压浆作业时,应按照设计要求进行,严格控制压浆压力和速度。
(3)压浆过程中,应密切关注压力表和流量计,发现异常情况立即停止作业。
(4)压浆完成后,应对压浆孔进行封堵,防止浆液泄漏。
4. 安全技术措施(1)高处作业时,施工人员必须佩戴安全带,并做好安全防护措施。
(2)在施工过程中,如遇恶劣天气,应暂停施工,确保施工人员安全。
(3)压浆过程中,应加强现场监护,防止人员误入危险区域。
(4)施工结束后,应对施工现场进行清理,消除安全隐患。
三、注意事项1. 施工人员应严格遵守操作规程,不得擅自更改施工工艺。
2. 施工过程中,如发现异常情况,应立即停止作业,并向上级汇报。
3. 施工人员应保持良好的作业状态,严禁酒后作业。
4. 施工现场应加强通风,确保施工环境安全。
四、交底人及日期交底人:XXX交底日期:XXXX年XX月XX日五、接受人及签字接受人:XXX签字:__________________备注:本安全技术交底适用于道路压浆施工全过程,施工人员应认真学习并严格遵守。
压浆操作安全技术交底引言压浆操作是一个常见的施工技术,在建筑工程中广泛应用。
然而,由于涉及高压液体的使用,压浆操作存在一定潜在的安全风险。
为了确保工人的安全,必须对压浆操作进行安全技术交底,使工人了解并遵守正确的操作方法和安全措施。
目的本文档的目的是为工人提供关于压浆操作的安全技术交底,以帮助他们了解和掌握正确的操作方法,并加强对安全意识的培养。
压浆操作的风险和关键安全要点在进行压浆操作时,存在以下潜在风险:1.压力过高导致设备破裂或爆炸的风险。
2.液体喷溅导致工人受伤的风险。
3.不恰当的设备使用导致设备故障和意外事故的风险。
为了确保安全,必须采取以下关键安全措施:1.确保操作人员具备操作设备的资质和技能,能够正确地使用和维护设备。
2.建立和执行严格的标准操作程序,包括设备启动、停止、维护等步骤。
3.检查和维护设备的完好性,确保设备能够正常运行。
4.穿戴适当的个人防护装备,如安全帽、护目镜、防护服等,以降低受伤的风险。
5.在压浆操作区域设置明确的警示标志和安全警戒线,防止未授权人员进入。
压浆操作的安全流程1. 准备工作•检查压浆设备的完好性和可靠性。
•检查压浆材料的质量和储存条件。
•确保操作人员具备相关的安全知识和技能。
2. 设备启动•按照设备操作手册的要求操作设备启动程序。
•检查压浆设备的行程、压力、流量等参数是否正常。
3. 压浆操作•穿戴适当的个人防护装备。
•根据要求调整压浆设备的压力和流量。
•保持压浆设备周围的工作区域整洁,防止绊倒和滑倒。
•在操作过程中保持警惕,及时发现并处理可能的问题。
4. 设备停止•按照设备操作手册的要求操作设备停止程序。
•关闭压浆设备的电源和气源。
5. 善后处理•清洁压浆设备和工作区域。
•检查设备的完好性和维护需求。
压浆操作的常见问题和应对措施1. 压力过高导致设备破裂或爆炸•定期检查和维护设备,确保设备能够承受压力。
•在操作过程中严格控制压力参数,避免过高压力的使用。
技术、安全、环保交底记录
四、作业标准、施工规范及验收标准、工程质量要求
4.1 施工准备
⑴后压浆灌注桩施工队伍,进场前必须进行技术培训,培训合格后方可开始施工。
⑵后压浆施工机具进场时必须进行调试和检查,仪器、仪表等必须进行检查和标定。
⑶钢筋笼制作宜采用加劲箍成型法,保证钢筋位置准确无误,以便压浆管道精确定位安装。
混凝土灌注过程中应注意防止钢筋笼上浮。
⑷寒冷季节施工时应做好压浆管路的防寒保暖工作。
4.2 后压浆系统安装
⑴桩端压浆导管可利用声测管,但必须在检测管底部设置出浆孔。
⑵压浆导管与钢筋笼采用铅丝绑扎固定,应牢固、均匀。
桩端压浆管绑扎在加筋箍内侧,并靠近钢筋笼主筋,固定绑扎点为每道加筋箍处,压浆导管的连接要求同灌注桩检测管连接要求。
一、交底项目:梁板压浆施工二、交底时间:____年__月__日三、交底对象:全体施工人员、监理人员四、交底内容:1. 工程概况工程名称:____________________工程地点:____________________施工单位:____________________监理单位:____________________2. 施工工艺及流程(1)施工工艺:梁板压浆施工采用压浆泵进行压浆,压浆材料采用水泥浆。
(2)施工流程:1)清理梁板表面,确保无油污、水渍、杂物等。
2)检查压浆管路,确保畅通无阻。
3)调整压浆泵压力,确保压浆均匀。
4)进行压浆作业,直至浆液饱满。
5)压浆完成后,对梁板表面进行清理,确保无浆液溢出。
3. 安全技术措施(1)人员安全:1)施工人员必须佩戴安全帽、安全带、防尘口罩等个人防护用品。
2)操作压浆泵人员应熟悉设备性能及操作规程,确保操作安全。
3)施工现场应设置安全警示标志,提醒施工人员注意安全。
(2)设备安全:1)压浆泵、电缆等设备应定期检查、维护,确保设备正常运行。
2)电缆、压浆管等易损部件应妥善保管,防止损坏。
3)施工现场应保持整洁,防止设备损坏。
(3)环境安全:1)施工现场应保持通风良好,防止有害气体积聚。
2)施工现场应设置排水沟,确保排水畅通。
3)施工现场应设置消防设施,确保火灾发生时能够及时扑救。
4. 应急措施(1)发生人员伤害事故时,应立即停止施工,及时救治伤员,并报告相关部门。
(2)发生设备故障时,应立即停止使用,排查故障原因,排除故障后才能继续使用。
(3)发生火灾事故时,应立即启动消防设施,进行扑救,并报告相关部门。
五、注意事项1. 施工人员应严格遵守操作规程,确保施工安全。
2. 压浆过程中,应密切关注压浆压力、浆液饱满度等指标,确保压浆质量。
3. 施工现场应保持整洁,防止浆液污染环境。
4. 施工结束后,应及时清理施工现场,确保环境整洁。
六、交底人:____________________七、接受人:____________________八、日期:____年__月__日。
一、交底目的为确保压浆作业过程中的安全生产,预防事故发生,提高作业人员的安全意识,现将压浆作业安全技术交底如下。
二、作业人员要求1. 进场作业人员应接受过相关专业职能培训,熟悉压浆作业流程和安全操作规程。
2. 进入现场人员必须戴安全帽,登高作业人员必须佩戴安全带。
不准穿高跟鞋,严禁酒后上岗工作。
三、施工现场安全管理1. 施工现场配电箱必须采用TN—S接零保护系统(即三相五线制)。
2. 配电箱和开关箱应安装牢固,设置地点应平坦并高出地面,其附近不得堆放杂物。
注意关闭电箱门,防止施工用水喷溅引发漏电事故。
3. 各种机具按用电规范实行“一机、一闸、一漏、一箱”制,开关箱距机具位置的距离不大于3米,以便于操作人员随时切断电源。
四、压浆作业操作安全1. 倒水泥时要有防护面具,操作过程中注意压力表的变化,防止管道堵塞压力太高爆管伤人。
2. 压浆为压力工作环境,在操作中注意眼睛的防护,必须佩戴防护眼镜。
3. 压浆过程中注意安全,要求无关人员远离压浆接口处,防止压浆管爆裂伤人。
拆除压浆管时,要注意高压管中带压力的浆液射出,压浆口不要正对操作人员。
4. 振实机振动时注意用电安全,振动板下不得把手伸入。
五、封端作业安全1. 封端时工作平台必须牢固稳定,高空作业时工作架有专人护定。
2. 施工现场泥浆池及空孔处应有警戒标志,一切安全设施装置及安全标志牌,禁止随意拆除或移动,夜间孔口要围护或遮盖。
六、应急处理1. 发生意外事故时,立即切断电源,迅速组织人员救助受伤人员,并及时上报事故情况。
2. 根据事故情况,采取相应的应急措施,如火灾、触电等。
七、总结通过本次安全技术交底,使作业人员充分了解压浆作业过程中的安全风险,提高安全意识,确保安全生产。
在工作中,严格遵守安全操作规程,做到安全生产无事故。
张拉压浆技术交底一、交底范围本交底适用于**特大桥主跨连续梁预应力钢束张拉及压浆施工。
二、张拉工艺(1)、连续梁预应力张拉应在梁体强度达到95%,弹性模量达到设计强度的100%后进行。
(2)、预应力张拉顺序:同一梁段的预应力按纵向、横向、竖向的顺序张拉,并及时压浆。
张拉顺序先腹板束,后顶板束,从外到内左右对称张拉。
(3)、预应力张拉施工时最靠近梁段悬臂端的横、竖向预应力同下一个节段的横、竖向预应力一起张拉。
(4)、预应力采用双控措施,预应力值以油压表读数为准,以预应力伸长量进行校核。
(5)、张拉前应仔细检查张拉设备是否齐全及符合设计要求,梁段纵向预应力钢束采用YDC-4500千斤顶及其已标定的配套工具张拉;横向预应力钢束采用DYC-270型千斤顶及其已标定的配套工具张拉;竖向预应力钢筋采用YDC-650型千斤顶及其已标定的配套工具张拉;测量钢束伸长量的钢直尺及施工联系用对讲机也应备齐。
(6)、张拉施工前应根据施工现场实际情况搭设简易、安全、实用的作业平台。
平台面积需满足施工要求,并有足够的安全保障措施。
(7)、张拉过程测量钢绞线伸长量的作业人员属高空作业,注意佩戴安全带。
纵向钢绞线张拉:1、张拉操作要点:安装顺序:安装工作锚、安装工作夹片、安装限位板、安装千斤顶、安装工具锚(1)、纵向钢绞线应按顺直方向每根对应穿过锚板孔,使工作锚板紧贴支承板。
(2)、将夹片用橡皮盘捆住,使夹片沿钢绞线滑移到锚环孔内。
(3)、夹片装完后,用一内径略大于钢绞线直径,长度约500mm的钢管将夹片捅捣整齐并打紧。
(4)、安装限位板及接长套,将钢绞线穿入油顶,使油顶限位器、锚环、接长套尽量靠拢并对位。
(5)、在油顶的后面安装一工具锚及夹片,为使工具锚好退下,可在工具锚上涂油或在夹片上打腊。
(6)、用小锤轻敲工具锚的夹片,以防滑丝。
(7)、调整顶、锚成一条直线,并与孔道方向一致。
2、操作要点:a、安装工作锚:使锚板与锚垫板尽可能安装在同一轴线上。
一、交底目的为确保连续梁压浆施工过程中的安全,提高施工质量,降低安全事故风险,特进行本次安全技术交底。
二、交底对象全体参与连续梁压浆施工的施工人员、监理人员及管理人员。
三、交底内容1. 施工前的准备工作(1)熟悉施工图纸及施工方案,明确施工工艺流程及施工质量要求。
(2)检查施工设备、材料是否符合要求,确保施工过程中设备运行正常。
(3)对施工人员进行安全教育培训,提高安全意识。
2. 施工过程中的安全注意事项(1)压浆前,应检查压浆管道、设备是否完好,确保管道畅通无阻。
(2)压浆过程中,操作人员应佩戴防护用品,如安全帽、防护眼镜、防尘口罩等。
(3)压浆时,应注意观察压浆压力、流速及排气情况,发现异常立即停机检查。
(4)压浆过程中,严禁操作人员擅自离开工作岗位,确保施工安全。
(5)压浆完成后,应及时清理施工现场,确保场地整洁。
3. 施工过程中的应急措施(1)如发现压浆管道泄漏,应立即关闭压浆泵,切断电源,防止漏浆事故发生。
(2)如发现压浆压力异常,应立即停止压浆,检查原因,排除故障。
(3)如发生人员受伤,应立即采取急救措施,并立即上报相关部门。
(4)如发生设备故障,应立即停止使用,并通知设备维修人员进行维修。
4. 施工过程中的质量控制(1)严格按照施工图纸及施工方案进行压浆施工,确保压浆质量。
(2)检查压浆材料是否符合要求,确保压浆材料质量。
(3)对压浆过程进行实时监控,确保压浆压力、流速及排气情况符合要求。
(4)压浆完成后,对压浆质量进行检验,确保压浆质量达到设计要求。
四、交底要求1. 施工人员必须严格按照安全技术交底内容进行施工,确保施工安全。
2. 施工过程中,如发现安全隐患,应立即停止施工,及时上报相关部门。
3. 施工人员应主动学习安全技术知识,提高自身安全素质。
4. 施工单位应定期对施工人员进行安全技术培训,提高施工人员的安全意识。
五、交底时间本次安全技术交底时间为____年____月____日。
压浆、封锚施工技术交底书连续梁注浆及封端技术交底〔第二版〕编制:审核:审批:单位:中铁二十三局郑西线二项目部时间:2007年12月8日工程概况客运专线铁路与我国既有铁路相比,具有速度高、对线路平顺性要求高等特点,要求其下部结构物具有较大的抗弯和抗扭刚度,整孔简支箱梁具有受力简单、明确、形式简洁、外形美观、抗弯和抗扭刚度大,建成后的桥梁养护工作量以及噪音小等优点,在许多国家的高速铁路建设中得到了广泛应用。
时速350公里客运专线整孔箱梁设计,在总结秦沈客运专线简支箱梁设计与施工经验的基础上,主要优化了简支箱梁梁端的支撑长度、进入孔的方案和顶落梁的措施等,并通过了部科技司组织的审查,为时速350公里客运专线铁路简直箱梁的设计奠定了基础。
新建铁路郑州至西安客运专线设计速度:最高运行速350Km/h。
环境类别及作用等级:一般大气条件下无防护措施的地面结构,环境类别为碳化环境;设计使用年限:正常使用条件下梁体结构设计使用寿命为100年;地震烈度:设防烈度八度。
我项目承建客运专线标段位于陕西省境内渭南渭河特大桥DK372+600~DK391+500范围内整孔箱梁预制及桥面系附属工程,总计544孔箱梁〔其中32米箱梁512孔、24米箱梁32孔〕。
梁场设计生产能力为45榀/月;整个生产工期为2006年9月至2018年5月,生产高峰期2007年7月至2018年4月。
【一】目的理解设计意图;明确预制箱梁施工工艺、操作要点和质量标准、规范。
【二】设计特点编制依据1、由于客运专线列车运行速度较高,要求线下结构提供的刚度较大,因此客运专线桥梁设计特点是:在保证桥梁结构强度和抗裂性能满足安全的前提下,重点在桥梁的动力性能分析、线性控制和耐久性设计三方面进行设计研究。
箱梁预制施工工艺重点注重耐久性方面的质量控制保证。
提高对管道灌浆材料性能要求,加强对预应力筋及锚头的保护措施以提高耐久性;高性能无收缩防腐灌浆剂的技术指标应满足抗压强度7天大于35Mpa,28天大于50 Mpa,抗折强度大于10 Mpa。
技术交底书JL—CX—7—05—05交底单位:中铁十三局集团阜盘高速公路北延伸线四标工程经理部编号:013图1 密封罩示意图对于纵向束:采用专用的密封罩封锚。
安装前将锚垫板外表清理干净,无砂浆杂屑,保证平整,然后在密封罩底面和橡胶密封圈外表均匀涂上一层玻璃胶,装上橡胶密封圈,将密封罩与锚垫板上的安装孔对正,用螺栓拧紧,注意将排气口朝向上方。
在压浆后一定时间撤除,撤除时间根据试验确定。
对于横向束:张拉端锚具夹片采用无收缩水泥砂浆封锚,砂浆必须将锚板及夹片、外露钢绞线全部包裹,覆盖层厚度大于15mm。
编制者:审核者:第1页共9页技术交底书JL—CX—7—05—05交底单位:中铁十三局集团阜盘高速公路北延伸线四标工程经理部编号:013工程名称阜盘延伸线第四合同段受控编号FPGSJSJD-013 主送单位各桥梁施工队日期2013年8月18日接受单位各桥梁施工队接受人编制者:审核者:第2页共9页技术交底书JL—CX—7—05—05普通压浆真空泵压浆泵真空辅助压浆很难形成气泡;同时,由于孔道与压浆机之间的正负压力差,大大提高了孔道压浆的饱满度。
在水泥浆中,减小了水灰比,添加了专用的添加剂,提高了水泥浆的流动度,减小了水泥浆的收缩。
编制者:审核者:第3页共9页技术交底书JL—CX—7—05—05交底单位:中铁十三局集团阜盘高速公路北延伸线四标工程经理部编号:013工程名称阜盘延伸线第四合同段受控编号FPGSJSJD-013 主送单位各桥梁施工队日期2013年8月18日接受单位各桥梁施工队接受人编制者:审核者:第4页共9页技术交底书JL—CX—7—05—05图3 负压容器示意图负压容器即储浆罐,防止浆液进入真空泵而损坏真空泵。
压力表在第一次使用前及此后监理工程师认为需要时应加以校准。
(3)抽真空设备真空泵选用正规厂家生产真空泵,在真空泵前配备空气滤清器,防止抽出的浆体直接进入真空泵而造成真空泵的损坏。
5〕.压浆施工在压浆之前,首先采用真空泵抽吸预应力孔道中的空气,使孔道内的真空度到达80%以上,然后在孔道的另一端再用压浆机以0.7Mpa的正压力将水泥浆压入预应力孔道。
压浆技术交底书
技术交底书
JL—CX—7—05—05
交底单位:中铁十三局集团有限公司阜盘高速公路北延伸线四标项目经理部编号:013
压浆技术交底
一、适用范围:
本技术交底书适用于阜盘高速公路北延伸线第四合同段,施工里程为K6+717.5至K8+765.281之间。
1.施工准备
1).锚头封闭
(1)预应力外露头切割
压力表的读数、每束预应力筋伸长量的记录得到监理工程师认可后方可切断端部多余的预应力筋。
对于钢绞线,使用砂轮锯从锚板后30mm处切割。
(2)封锚
图1 密封罩示意图
对于纵向束:采用专用的密封罩封锚。
安装前将锚垫板表面清理干净,无砂浆杂屑,保证平整,然后在密封罩底面和橡胶密封圈表面均匀涂上一层玻璃胶,装上橡胶密封圈,将密封罩与锚垫板上的安装孔对正,用螺栓拧紧,注意将排气口朝向上方。
在压浆后一定时间拆除,拆除时间根据试验确定。
对于横向束:张拉端锚具夹片采用无收缩水泥砂浆封锚,砂浆必须将锚板及夹片、外露钢绞线全部包裹,覆盖层厚度大于15mm。
编制者:审核者:第1页共9页
技术交底书
JL—CX—7—05—05
交底单位:中铁十三局集团有限公司阜盘高速公路北延伸线四标
项目经理部编号:013
工程名称阜盘延伸线第四合同段受控编号FPGSJSJD-013
编制者:审核者:第2页共9页
技术交底书
JL—CX—7—05—05
交底单位:中铁十三局集团有限公司阜盘高速公路北延伸线四标
项目经理部 编号:013 工程名称 阜盘延伸线第四合同段
受控编号 FPGSJSJD-013 主送单位 各桥梁施工队 日 期 8月18日
接受单位
各桥梁施工队
接 受 人
从进浆口压浆时,水泥浆从出浆口排出,至出浆口与进浆口的浆体稠度相同,封闭出浆口,压浆泵压力达到0.5~0.7Mpa ,持荷2分钟,无漏水、漏浆,压浆泵停机,同时关闭压浆端阀门。
孔道压浆完毕后,等待一定时间,至水泥浆流动性消失,拆除两端阀门,冲洗干净,倒用下一孔。
拌好的水泥浆经过1.2mm 的筛网过滤后存于储浆桶内。
压浆中发现浆流不动时,应立即拆下压浆阀,清洗待用。
夏季气温超过35℃时,应采取降温措施(降水温等),同时尽量安排在早晚压浆。
冬季气温低于5℃,不宜对孔道进行压浆,必须压浆时,应采取防寒保温措施,防止孔道冻裂。
因故不能及时进行压浆的孔道,应适当遮盖,防止养护水和雨水进入孔道,锈蚀钢绞线。
3.真空辅助压浆工艺
纵向预应力孔道采用真空辅助压浆工艺。
1).工作原理
首先在预留孔道的一端采用真空泵抽吸孔道中的空气,使孔道内达到-0.08Mpa 左右的真空度;然后在孔道的另一端再用压浆泵以0.7Mpa 的正压力将水泥浆压入孔道,由于孔道内只有极少的空气,
图2 真空辅助压浆示意图
很难形成气泡;同时,由于孔道与压浆机之间的正负压力差,大大提高了孔道压浆的饱满度。
在水泥浆中,减小了水灰比,添加了专用的添加剂,提高了水泥浆
的流动度,减小了水泥浆的收缩。
编制者: 审核者: 第3页 共9页
技 术 交 底 书
压浆泵
真空泵
普通压浆
真空辅助压浆。