关于编制17型车钩项目可行性研究报告编制说明
- 格式:doc
- 大小:3.16 MB
- 文档页数:122
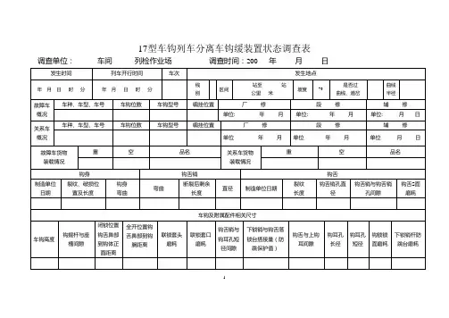
17型车钩列车分离车钩缓装置状态调查表1关于XX次列车分离的调查报告一、概况XX年XX月XX日XX时XX分,XX XX XX(单位职务姓名)接XX XX XX(单位职务姓名)通知,XX来(方向)XX 次列车编组XX辆XX时XX分在XXXXXX处机后XX辆XX XX XX(车种车型车号)和机后XX辆XX XX XX(车种车型车号)发生列车分离,机后XX辆前(后)钩开锁。
XX XX XX(单位职务姓名)处理后XX时XX分开车。
二、调查处理情况XX次列车于XX时XX分到达XX站X股,值班员XX安排检查X班作业,XX XX XX(职务姓名)对该车进行调查,情况如下:1、向司机(站方)联系情况列车停稳后,XX(职务姓名)与司机联系,司机反映:XXXXXX。
机车型号:XX,司机姓名:XX。
2、车辆检查情况机后XX辆XXXXXX(车种车型车号),定检:厂修XX XX,段修XX XX,辅修XX XX。
X位车钩开锁,车钩型号:XX。
机后XX辆XXXXXX(车种车型车号),定检:厂修XX XX,段修XX XX,辅修XX XX。
X位车钩开锁,车钩型号:XX。
XX(职务姓名)利用本务机拉开分离车辆,对车钩进行全面检查测量,检查测量情况:XX XX。
附列车分离调查表。
3、处理情况对分离车辆采取的处理措施:XXXXXX XXXXXX。
4、其他情况车站值班员及相关人员职名、姓名:XXXX。
三、列检作业情况日照运用车间XX作业场XX年XX月XX日照片:1、车号2、定检3、软管状况4、车钩标记5、配件损坏情况17型车钩列车分离调查预案接通知后,安排相关人员携带相应调查量具和17型车辆配件,迅速赶到现场。
联系车站进入现场防护并向司机了解本务机运行操纵情况和分离车辆方位,分离处的线路状态、确认故障车(钩舌呈开锁状态)位臵。
一、插设安全防护(红旗)二、校验量具:17型车钩列车分离调查样板尺。
三、填表:记录故障车车号定检(全定检)关系车、车号、定检,车钩型号、铸造标记、材质等。
关于编制铁路客车连接器项目可行性研究报告编制说明编制铁路客车连接器项目可行性研究报告是为了评估铁路客车连接器项目的可行性和可持续性,为相关决策提供科学依据和参考。
该报告应包含以下内容:一、项目概述:1.1项目背景:介绍铁路客车连接器项目的起源、背景和相关政策文件。
1.2项目目标:明确铁路客车连接器项目的主要目标和预期效益。
1.3项目范围:明确铁路客车连接器项目的边界和关键工作内容。
二、市场分析:2.1市场需求:分析国内外铁路客车连接器市场的规模、增长趋势和需求状况。
2.2市场竞争:了解国内外同类产品的竞争格局、技术水平、品牌影响力等。
2.3市场预测:基于前两点的分析,预测铁路客车连接器市场的发展趋势和未来需求。
三、技术分析:3.1技术可行性:评估铁路客车连接器项目所采用的技术是否成熟、稳定、可行。
3.2技术进步性:分析铁路客车连接器项目所采用的技术是否具备后续升级和改进的潜力。
3.3技术风险:评估铁路客车连接器项目在技术上可能遇到的困难、挑战和风险。
四、财务分析:4.2收益分析:评估铁路客车连接器项目的预期收入、成本和利润等财务指标。
4.3投资回报率:计算铁路客车连接器项目的投资回报率和财务效益。
五、风险评估:5.1市场风险:分析铁路客车连接器项目可能面临的市场需求波动、竞争加剧等风险。
5.2技术风险:评估铁路客车连接器项目在技术研发、生产过程中可能面临的风险。
5.3政策风险:分析铁路客车连接器项目在政策变动、法律法规改变等方面的风险。
5.4资金风险:评估铁路客车连接器项目可能面临的资金挑战和融资风险。
六、可行性分析结论:基于以上分析和评估,得出铁路客车连接器项目的可行性结论,包括项目是否值得投资、实施风险是否可控、预期收益是否可靠等。
16、17型重载货车车钩钩尾存在问题与改进毕业设计(论文)中文题目:16/17型重载货车车钩钩尾存在问题与改进学院:远程与继续教育学院专业:机械设计制造及其自动化姓名: xxx学号:08646651指导教师: xxx\12010年07月25日2北京交通大学毕业设计(论文)成绩评议毕业设计(论文)任务书本任务书下达给: 08秋级本科机械设计制造及其自动化专业学生 xxx设计(论文)题目:16/17型重载货车车钩钩尾存在问题与改进一、设计(论述)内容:随着重载货车的发展,单车载重、编组数量及运行速度不断提高,尤其是2万吨编组重载列车的开行给重载货车用16/17型车钩带来了前所未有的压力,车钩故障逐渐增多。
论文运用现代质量工程理论,通过对16/17型车钩运用检修情况的调研,得出16/17型车钩钩体尾销孔牵引弧面、钩舌牵引S面及钩尾框后弯角裂纹是目前重载货车车钩的主要故障。
本文通过对故障样件的化学成分、力学性能、金相及运用工况变化等方面的分析,主要分析钩尾故障形成的原因,并结合美国F型车钩技术,从结构和制造工艺两方面提出了相应的改进方案;论文通过对改进方案的有限元强度分析、疲劳寿命评估和试验验证,证明了改进方案的可行性。
目前改进方案及措施均通过了铁道部组织的技术审查,得到了成功的推广应用。
二、基本要求:第一:论述内容要与选题一致第二:论述内容表达清晰思路明确第三:通过论述了解16/17型车钩钩尾的结构特点第四:分析16/17型车钩钩尾故障形成的原因及提出改进措施三、重点研究的问题:第一:铁路货车车钩概况。
第二:16/17型车钩运用检修情况调查第三:重载货车车钩故障原因分析第四:车钩性能的改进措施。
四、主要技术指标:1.论文题目一般不超过25个字,要简练准确,可分二行书写;2.开题报告由学生认真书写,经指导教师签字后的开题报告有效;3.摘要中文摘要字数应在400字左右,包括论文题目、论文摘要、关键词(3至5个),英文摘要与中文摘要内容要相对应;4.目录按三级标题编写,要求层次清晰,且要与正文标题一致,主要包括摘要、正文主要层次标题、参考文献、附录等;5.正文论文正文包括绪论(或前言、概述等)、论文主体、结论。
铁路客货车项目可行性研究报告编制单位:北京中投信德国际信息咨询有限公司编制时间:高级工程师:高建关于编制铁路客货车项目可行性研究报告编制说明(模版型)【立项 批地 融资 招商】核心提示:1、本报告为模板形式,客户下载后,可根据报告内容说明,自行修改,补充上自己项目的数据内容,即可完成属于自己,高水准的一份可研报告,从此写报告不在求人。
2、客户可联系我公司,协助编写完成可研报告,可行性研究报告大纲(具体可跟据客户要求进行调整)编制单位:北京中投信德国际信息咨询有限公司专业撰写节能评估报告资金申请报告项目建议书商业计划书可行性研究报告目录第一章总论 (1)1.1项目概要 (1)1.1.1项目名称 (1)1.1.2项目建设单位 (1)1.1.3项目建设性质 (1)1.1.4项目建设地点 (1)1.1.5项目主管部门 (1)1.1.6项目投资规模 (2)1.1.7项目建设规模 (2)1.1.8项目资金来源 (3)1.1.9项目建设期限 (3)1.2项目建设单位介绍 (3)1.3编制依据 (3)1.4编制原则 (4)1.5研究范围 (5)1.6主要经济技术指标 (5)1.7综合评价 (6)第二章项目背景及必要性可行性分析 (7)2.1项目提出背景 (7)2.2本次建设项目发起缘由 (7)2.3项目建设必要性分析 (7)2.3.1促进我国铁路客货车产业快速发展的需要 (8)2.3.2加快当地高新技术产业发展的重要举措 (8)2.3.3满足我国的工业发展需求的需要 (8)2.3.4符合现行产业政策及清洁生产要求 (8)2.3.5提升企业竞争力水平,有助于企业长远战略发展的需要 (9)2.3.6增加就业带动相关产业链发展的需要 (9)2.3.7促进项目建设地经济发展进程的的需要 (10)2.4项目可行性分析 (10)2.4.1政策可行性 (10)2.4.2市场可行性 (10)2.4.3技术可行性 (11)2.4.4管理可行性 (11)2.4.5财务可行性 (11)2.5铁路客货车项目发展概况 (12)2.5.1已进行的调查研究项目及其成果 (12)2.5.2试验试制工作情况 (12)2.5.3厂址初勘和初步测量工作情况 (13)2.5.4铁路客货车项目建议书的编制、提出及审批过程 (13)2.6分析结论 (13)第三章行业市场分析 (15)3.1市场调查 (15)3.1.1拟建项目产出物用途调查 (15)3.1.2产品现有生产能力调查 (15)3.1.3产品产量及销售量调查 (16)3.1.4替代产品调查 (16)3.1.5产品价格调查 (16)3.1.6国外市场调查 (17)3.2市场预测 (17)3.2.1国内市场需求预测 (17)3.2.2产品出口或进口替代分析 (18)3.2.3价格预测 (18)3.3市场推销战略 (18)3.3.1推销方式 (19)3.3.2推销措施 (19)3.3.3促销价格制度 (19)3.3.4产品销售费用预测 (20)3.4产品方案和建设规模 (20)3.4.1产品方案 (20)3.4.2建设规模 (20)3.5产品销售收入预测 (21)3.6市场分析结论 (21)第四章项目建设条件 (22)4.1地理位置选择 (22)4.2区域投资环境 (23)4.2.1区域地理位置 (23)4.2.2区域概况 (23)4.2.3区域地理气候条件 (24)4.2.4区域交通运输条件 (24)4.2.5区域资源概况 (24)4.2.6区域经济建设 (25)4.3项目所在工业园区概况 (25)4.3.1基础设施建设 (25)4.3.2产业发展概况 (26)4.3.3园区发展方向 (27)4.4区域投资环境小结 (28)第五章总体建设方案 (29)5.1总图布置原则 (29)5.2土建方案 (29)5.2.1总体规划方案 (29)5.2.2土建工程方案 (30)5.3主要建设内容 (31)5.4工程管线布置方案 (32)5.4.1给排水 (32)5.4.2供电 (33)5.5道路设计 (35)5.6总图运输方案 (36)5.7土地利用情况 (36)5.7.1项目用地规划选址 (36)5.7.2用地规模及用地类型 (36)第六章产品方案 (38)6.1产品方案 (38)6.2产品性能优势 (38)6.3产品执行标准 (38)6.4产品生产规模确定 (38)6.5产品工艺流程 (39)6.5.1产品工艺方案选择 (39)6.5.2产品工艺流程 (39)6.6主要生产车间布置方案 (39)6.7总平面布置和运输 (40)6.7.1总平面布置原则 (40)6.7.2厂内外运输方案 (40)6.8仓储方案 (40)第七章原料供应及设备选型 (41)7.1主要原材料供应 (41)7.2主要设备选型 (41)7.2.1设备选型原则 (42)7.2.2主要设备明细 (43)第八章节约能源方案 (44)8.1本项目遵循的合理用能标准及节能设计规范 (44)8.2建设项目能源消耗种类和数量分析 (44)8.2.1能源消耗种类 (44)8.2.2能源消耗数量分析 (44)8.3项目所在地能源供应状况分析 (45)8.4主要能耗指标及分析 (45)8.4.1项目能耗分析 (45)8.4.2国家能耗指标 (46)8.5节能措施和节能效果分析 (46)8.5.1工业节能 (46)8.5.2电能计量及节能措施 (47)8.5.3节水措施 (47)8.5.4建筑节能 (48)8.5.5企业节能管理 (49)8.6结论 (49)第九章环境保护与消防措施 (50)9.1设计依据及原则 (50)9.1.1环境保护设计依据 (50)9.1.2设计原则 (50)9.2建设地环境条件 (51)9.3 项目建设和生产对环境的影响 (51)9.3.1 项目建设对环境的影响 (51)9.3.2 项目生产过程产生的污染物 (52)9.4 环境保护措施方案 (53)9.4.1 项目建设期环保措施 (53)9.4.2 项目运营期环保措施 (54)9.4.3环境管理与监测机构 (56)9.5绿化方案 (56)9.6消防措施 (56)9.6.1设计依据 (56)9.6.2防范措施 (57)9.6.3消防管理 (58)9.6.4消防设施及措施 (59)9.6.5消防措施的预期效果 (59)第十章劳动安全卫生 (60)10.1 编制依据 (60)10.2概况 (60)10.3 劳动安全 (60)10.3.1工程消防 (60)10.3.2防火防爆设计 (61)10.3.3电气安全与接地 (61)10.3.4设备防雷及接零保护 (61)10.3.5抗震设防措施 (62)10.4劳动卫生 (62)10.4.1工业卫生设施 (62)10.4.2防暑降温及冬季采暖 (63)10.4.3个人卫生 (63)10.4.4照明 (63)10.4.5噪声 (63)10.4.6防烫伤 (63)10.4.7个人防护 (64)10.4.8安全教育 (64)第十一章企业组织机构与劳动定员 (65)11.1组织机构 (65)11.2激励和约束机制 (65)11.3人力资源管理 (66)11.4劳动定员 (66)11.5福利待遇 (67)第十二章项目实施规划 (68)12.1建设工期的规划 (68)12.2 建设工期 (68)12.3实施进度安排 (68)第十三章投资估算与资金筹措 (69)13.1投资估算依据 (69)13.2建设投资估算 (69)13.3流动资金估算 (70)13.4资金筹措 (70)13.5项目投资总额 (70)13.6资金使用和管理 (73)第十四章财务及经济评价 (74)14.1总成本费用估算 (74)14.1.1基本数据的确立 (74)14.1.2产品成本 (75)14.1.3平均产品利润与销售税金 (76)14.2财务评价 (76)14.2.1项目投资回收期 (76)14.2.2项目投资利润率 (77)14.2.3不确定性分析 (77)14.3综合效益评价结论 (80)第十五章风险分析及规避 (82)15.1项目风险因素 (82)15.1.1不可抗力因素风险 (82)15.1.2技术风险 (82)15.1.3市场风险 (82)15.1.4资金管理风险 (83)15.2风险规避对策 (83)15.2.1不可抗力因素风险规避对策 (83)15.2.2技术风险规避对策 (83)15.2.3市场风险规避对策 (83)15.2.4资金管理风险规避对策 (84)第十六章招标方案 (85)16.1招标管理 (85)16.2招标依据 (85)16.3招标范围 (85)16.4招标方式 (86)16.5招标程序 (86)16.6评标程序 (87)16.7发放中标通知书 (87)16.8招投标书面情况报告备案 (87)16.9合同备案 (87)第十七章结论与建议 (89)17.1结论 (89)17.2建议 (89)附表 (90)附表1 销售收入预测表 (90)附表2 总成本表 (91)附表3 外购原材料表 (93)附表4 外购燃料及动力费表 (94)附表5 工资及福利表 (96)附表6 利润与利润分配表 (97)附表7 固定资产折旧费用表 (98)附表8 无形资产及递延资产摊销表 (99)附表9 流动资金估算表 (100)附表10 资产负债表 (102)附表11 资本金现金流量表 (103)附表12 财务计划现金流量表 (105)附表13 项目投资现金量表 (107)附表14 借款偿还计划表 (109) (113)第一章总论总论作为可行性研究报告的首章,要综合叙述研究报告中各章节的主要问题和研究结论,并对项目的可行与否提出最终建议,为可行性研究的审批提供方便。
关于编制铁路运输机械配件项目可行性研究报告编制说
明
编制铁路运输机械配件项目可行性研究报告是为了评估该项目的可行性,提供决策依据和行动计划。
在编制过程中,需涵盖项目概述、市场分析、技术可行性分析、经济效益分析、风险评估等内容。
首先,项目概述部分应明确项目的目标和背景。
介绍项目的发起者、
目的以及预期结果,以便读者了解该项目的重要性和意义。
其次,进行市场分析,包括对目标市场的研究和竞争对手的分析。
要
了解市场规模、发展趋势、需求特点、客户群体等信息,评估该项目的市
场竞争力和前景。
然后,进行技术可行性分析,评估所使用的技术是否满足项目需求。
对现有技术进行评估,包括技术成熟度、可行性、应用前景等方面的考虑。
同时,还要考虑技术的可获得性、可操作性和可维护性等因素。
接下来,进行经济效益分析,评估该项目的收益和成本。
包括资本投资、运营费用、市场潜力、销售预测等方面的考虑。
还需进行盈利模式的
分析,评估项目投资回报率、成本回收周期等指标。
最后,进行风险评估。
考虑到项目实施过程中可能面临的各种风险,
如市场风险、技术风险、政策风险等。
对各项风险进行定性与定量分析,
并提出相应的风险控制措施和解决方案。
关于编制动车组连接器项目可行性研究报告编制说明
一、研究报告编写的概念
编制动车组连接器项目可行性研究报告,是指在动车组项目中,针对
涉及的连接器设备,按报告格式依据所定的研究内容同时指定检查的范围,以文字报告的方式,全面、客观地勘查、分析、研究这一项目所涉及的动
车组连接器的技术、社会、经济可行性,并就市场及投资状况作出论证、
评价,以便为决策者、投资者提供明确的意见。
二、研究报告编写的内容
1.研究报告应包括以下基本内容:
(1)项目概况:简要介绍本项目的基本情况。
(2)技术可行性:包括连接器技术参数、性能参数、材料及材料选
型等。
(3)经济可行性:包括市场调查、投资计划编制、费用结构分析、
收益预测与分析、投资回报率与风险分析等。
(4)社会可行性:按照适用的社会原则、社会因素、法规及评价政策,研究本项目可行性,力求从社会效益的角度进行可行性研究。
(5)环境保护:应根据适用的环境保护法规,对环境保护约束及影
响进行调查与分析,对本项目的影响进行决策分析。
2.其他内容:
(1)项目组分析:应对项目组的构成、责任、权限及协作关系进行
分析。
17型车钩检查实作竞赛要求及标准1.作业场地1.1作业区域:钩缓检修线。
1.2场地设置:设置4组车钩检查装配场地,抽取2组同时进行。
1.3作业转向架:准备4个仃型合格的钩体,摆放在组装台上每工位准备4套钩腔内配件(钩舌、钩舌销、钩锁、钩舌推铁、下锁销组成、下锁销转轴)。
1.4场地标记:“车钩检查装配”标识,分别为1号至4号各一处1.5桌椅准备:每组设桌子、椅子。
1.6量具摆放:设置量具存放车2处。
1.7待考休息室:待考休息室1处,准备18人座椅,门口准备2把座椅。
待考休息室屏蔽手机信号。
1.8考毕休息室:考毕休息室1处,可与其他项目共用2.工具量具备品3人员安排3.1裁判员:设裁判员4人;2名裁判员为一组,负责计时、计分。
3.2竞赛人员:参赛选手按照预备会抽签形成的单项实作竞赛顺序表,在指定竞赛区域竞赛;每轮参赛2人3.3工作人员:10 人,负责竞赛期间配合工作。
4.竞赛要求4.1 项目设置:对所提供经抛丸除锈的17 型车钩钩腔内配件及钩舌等均进行检测,选配合格的配件组装车钩 1 套,检测装配尺寸并进行三态作用试验,包括钩腔件及钩舌检查测量、合格配件选用、车钩装配、组装尺寸检测、防跳性能检查、三态作用试验;不组装开口销、不涂抹二硫化钼、不做标识。
每组 4 套配件,既有合格品,也有不合格品,选择合格品装用。
考核对车钩参赛人员配件检测的规范性、对车钩组装的规范性及防止不合格品使用的能力。
4.2 实测项目:钩舌推铁磨耗、变形检测;钩锁各部磨耗检测;下锁销组成检测、下锁销转轴、钩舌各部磨耗检测;钩舌销检测;车钩装配间隙、三态作用试验及测量、防跳及搭接量测量。
4.3竞赛过程: 4 个工位,每个工位准备合格17 型钩体 1 件;每个钩体配置钩舌、钩锁销、钩锁、钩舌推铁、下锁销组成、下锁销转轴各 4 件,合格品与不合格品混放,根据裁判员要求设置故障品数量 2 名裁判员一组, 2 组同时进行竞赛,裁判员提前15 分钟入场。
附录616、17号车钩系统使用维护说明书目录前言1 16、17号车钩系统组成1.1 概述1.2 16号车钩系统组成1.2.1 16号车钩组成1.2.2 16号钩尾框、转动套、钩尾销及钩尾销托组成1.2.3 解钩装置1.3 17号车钩系统组成1.3.1 17号车钩组成1.3.2 17号钩尾框、17号车钩从板和钩尾销2 16号车钩与钩尾框组装注意事项附录1 16、17号车钩系统零部件的图样代号、名称、材质。
2 16、17号车钩系统的静强度指标前言16、17号车钩系统是为了适应大秦线运煤专列实现不摘钩进行翻车机卸货而设计的产品,具有连挂间隙小、结构强度高、联锁性能好及垂向防脱性能高等优点。
其中16号车钩为转动车钩,17号车钩为非转动车钩,配套装用16、17号车钩的单元列车可以按照预定计划在卸货台位之间运行,不用分解列车,即不需摘钩和摘解空气制动软管,就可以在转动翻车机上翻卸货物,保证了车辆连续运转,可提高卸货效率25%以上。
16、17号车钩系统包括16号车钩、16号车钩钩尾框、转动套、17号车钩、17号车钩钩尾框和其他配套用零部件。
为了保证16、17号车钩能够更好的为运煤专列服务,特编制本说明书。
本说明书主要包括16、17号车钩系统组成、16号车钩组装重点事项、16、17车钩系统日常检查与维护、翻卸作业注意事项。
编者力求通过本说明书,使读者能够充分了解16、17号车钩系统的结构特点和作用原理,掌握该车钩系统的日常检查与维护方法。
1 16、17号车钩系统组成1.1 概述16、17号车钩系统包括16号车钩、16号车钩钩尾框、转动套、17号车钩、17号车钩钩尾框和其他配套用零部件。
16、17号车钩的车钩连接轮廓符合TB/T2950,可与根据我国国家标准GB4952-85《机车车辆自动车钩连接轮廓》设计生产的车钩连挂。
16、17号车钩具有以下特点:1)车钩的连挂间隙小。
16、17号车钩的连挂间隙为9.5mm,比13号车钩减少了52%,从而可降低列车的纵向冲动,改善了列车的动力学性能,提高了铁路货运的安全可靠性。
车钩项目可行性研究报告编制单位:北京中投信德国际信息咨询有限公司编制时间:高级工程师:高建关于编制车钩生产建设项目可行性研究报告编制说明(模版型)【立项 批地 融资 招商】核心提示:1、本报告为模板形式,客户下载后,可根据报告内容说明,自行修改,补充上自己项目的数据内容,即可完成属于自己,高水准的一份可研报告,从此写报告不在求人。
2、客户可联系我公司,协助编写完成可研报告,可行性研究报告大纲(具体可跟据客户要求进行调整)编制单位:北京中投信德国际信息咨询有限公司专业撰写节能评估报告资金申请报告项目建议书商业计划书可行性研究报告目录第一章总论 (1)1.1项目概要 (1)1.1.1项目名称 (1)1.1.2项目建设单位 (1)1.1.3项目建设性质 (1)1.1.4项目建设地点 (1)1.1.5项目主管部门 (1)1.1.6项目投资规模 (2)1.1.7项目建设规模 (2)1.1.8项目资金来源 (3)1.1.9项目建设期限 (3)1.2项目建设单位介绍 (3)1.3编制依据 (3)1.4编制原则 (4)1.5研究范围 (5)1.6主要经济技术指标 (5)1.7综合评价 (6)第二章项目背景及必要性可行性分析 (7)2.1项目提出背景 (7)2.2本次建设项目发起缘由 (7)2.3项目建设必要性分析 (7)2.3.1促进我国车钩产业快速发展的需要 (8)2.3.2加快当地高新技术产业发展的重要举措 (8)2.3.3满足我国的工业发展需求的需要 (8)2.3.4符合现行产业政策及清洁生产要求 (8)2.3.5提升企业竞争力水平,有助于企业长远战略发展的需要 (9)2.3.6增加就业带动相关产业链发展的需要 (9)2.3.7促进项目建设地经济发展进程的的需要 (10)2.4项目可行性分析 (10)2.4.1政策可行性 (10)2.4.2市场可行性 (10)2.4.3技术可行性 (11)2.4.4管理可行性 (11)2.4.5财务可行性 (11)2.5车钩项目发展概况 (12)2.5.1已进行的调查研究项目及其成果 (12)2.5.2试验试制工作情况 (12)2.5.3厂址初勘和初步测量工作情况 (13)2.5.4车钩项目建议书的编制、提出及审批过程 (13)2.6分析结论 (13)第三章行业市场分析 (15)3.1市场调查 (15)3.1.1拟建项目产出物用途调查 (15)3.1.2产品现有生产能力调查 (15)3.1.3产品产量及销售量调查 (16)3.1.4替代产品调查 (16)3.1.5产品价格调查 (16)3.1.6国外市场调查 (17)3.2市场预测 (17)3.2.1国内市场需求预测 (17)3.2.2产品出口或进口替代分析 (18)3.2.3价格预测 (18)3.3市场推销战略 (18)3.3.1推销方式 (19)3.3.2推销措施 (19)3.3.3促销价格制度 (19)3.3.4产品销售费用预测 (20)3.4产品方案和建设规模 (20)3.4.1产品方案 (20)3.4.2建设规模 (20)3.5产品销售收入预测 (21)3.6市场分析结论 (21)第四章项目建设条件 (22)4.1地理位置选择 (22)4.2区域投资环境 (23)4.2.1区域地理位置 (23)4.2.2区域概况 (23)4.2.3区域地理气候条件 (24)4.2.4区域交通运输条件 (24)4.2.5区域资源概况 (24)4.2.6区域经济建设 (25)4.3项目所在工业园区概况 (25)4.3.1基础设施建设 (25)4.3.2产业发展概况 (26)4.3.3园区发展方向 (27)4.4区域投资环境小结 (28)第五章总体建设方案 (29)5.1总图布置原则 (29)5.2土建方案 (29)5.2.1总体规划方案 (29)5.2.2土建工程方案 (30)5.3主要建设内容 (31)5.4工程管线布置方案 (32)5.4.1给排水 (32)5.4.2供电 (33)5.5道路设计 (35)5.6总图运输方案 (36)5.7土地利用情况 (36)5.7.1项目用地规划选址 (36)5.7.2用地规模及用地类型 (36)第六章产品方案 (38)6.1产品方案 (38)6.2产品性能优势 (38)6.3产品执行标准 (38)6.4产品生产规模确定 (38)6.5产品工艺流程 (39)6.5.1产品工艺方案选择 (39)6.5.2产品工艺流程 (39)6.6主要生产车间布置方案 (39)6.7总平面布置和运输 (40)6.7.1总平面布置原则 (40)6.7.2厂内外运输方案 (40)6.8仓储方案 (40)第七章原料供应及设备选型 (41)7.1主要原材料供应 (41)7.2主要设备选型 (41)7.2.1设备选型原则 (42)7.2.2主要设备明细 (43)第八章节约能源方案 (44)8.1本项目遵循的合理用能标准及节能设计规范 (44)8.2建设项目能源消耗种类和数量分析 (44)8.2.1能源消耗种类 (44)8.2.2能源消耗数量分析 (44)8.3项目所在地能源供应状况分析 (45)8.4主要能耗指标及分析 (45)8.4.1项目能耗分析 (45)8.4.2国家能耗指标 (46)8.5节能措施和节能效果分析 (46)8.5.1工业节能 (46)8.5.2电能计量及节能措施 (47)8.5.3节水措施 (47)8.5.4建筑节能 (48)8.5.5企业节能管理 (49)8.6结论 (49)第九章环境保护与消防措施 (50)9.1设计依据及原则 (50)9.1.1环境保护设计依据 (50)9.1.2设计原则 (50)9.2建设地环境条件 (51)9.3 项目建设和生产对环境的影响 (51)9.3.1 项目建设对环境的影响 (51)9.3.2 项目生产过程产生的污染物 (52)9.4 环境保护措施方案 (53)9.4.1 项目建设期环保措施 (53)9.4.2 项目运营期环保措施 (54)9.4.3环境管理与监测机构 (56)9.5绿化方案 (56)9.6消防措施 (56)9.6.1设计依据 (56)9.6.2防范措施 (57)9.6.3消防管理 (58)9.6.4消防设施及措施 (59)9.6.5消防措施的预期效果 (59)第十章劳动安全卫生 (60)10.1 编制依据 (60)10.2概况 (60)10.3 劳动安全 (60)10.3.1工程消防 (60)10.3.2防火防爆设计 (61)10.3.3电气安全与接地 (61)10.3.4设备防雷及接零保护 (61)10.3.5抗震设防措施 (62)10.4劳动卫生 (62)10.4.1工业卫生设施 (62)10.4.2防暑降温及冬季采暖 (63)10.4.3个人卫生 (63)10.4.4照明 (63)10.4.5噪声 (63)10.4.6防烫伤 (63)10.4.7个人防护 (64)10.4.8安全教育 (64)第十一章企业组织机构与劳动定员 (65)11.1组织机构 (65)11.2激励和约束机制 (65)11.3人力资源管理 (66)11.4劳动定员 (66)11.5福利待遇 (67)第十二章项目实施规划 (68)12.1建设工期的规划 (68)12.2 建设工期 (68)12.3实施进度安排 (68)第十三章投资估算与资金筹措 (69)13.1投资估算依据 (69)13.2建设投资估算 (69)13.3流动资金估算 (70)13.4资金筹措 (70)13.5项目投资总额 (70)13.6资金使用和管理 (73)第十四章财务及经济评价 (74)14.1总成本费用估算 (74)14.1.1基本数据的确立 (74)14.1.2产品成本 (75)14.1.3平均产品利润与销售税金 (76)14.2财务评价 (76)14.2.1项目投资回收期 (76)14.2.2项目投资利润率 (77)14.2.3不确定性分析 (77)14.3综合效益评价结论 (80)第十五章风险分析及规避 (82)15.1项目风险因素 (82)15.1.1不可抗力因素风险 (82)15.1.2技术风险 (82)15.1.3市场风险 (82)15.1.4资金管理风险 (83)15.2风险规避对策 (83)15.2.1不可抗力因素风险规避对策 (83)15.2.2技术风险规避对策 (83)15.2.3市场风险规避对策 (83)15.2.4资金管理风险规避对策 (84)第十六章招标方案 (85)16.1招标管理 (85)16.2招标依据 (85)16.3招标范围 (85)16.4招标方式 (86)16.5招标程序 (86)16.6评标程序 (87)16.7发放中标通知书 (87)16.8招投标书面情况报告备案 (87)16.9合同备案 (87)第十七章结论与建议 (89)17.1结论 (89)17.2建议 (89)附表 (90)附表1 销售收入预测表 (90)附表2 总成本表 (91)附表3 外购原材料表 (92)附表4 外购燃料及动力费表 (93)附表5 工资及福利表 (95)附表6 利润与利润分配表 (96)附表7 固定资产折旧费用表 (97)附表8 无形资产及递延资产摊销表 (98)附表9 流动资金估算表 (99)附表10 资产负债表 (101)附表11 资本金现金流量表 (102)附表12 财务计划现金流量表 (104)附表13 项目投资现金量表 (106)附表14 借款偿还计划表 (108) (112)第一章总论总论作为可行性研究报告的首章,要综合叙述研究报告中各章节的主要问题和研究结论,并对项目的可行与否提出最终建议,为可行性研究的审批提供方便。
关于编制铁路客车配件项目可行性研究报告编制说明编制铁路客车配件项目可行性研究报告是为了评估该项目的可行性、风险和潜在收益,为决策者提供决策依据的重要文件。
下面将从报告的结构、内容和编制过程三个方面进行说明,以帮助编制者完成该报告。
一、报告结构:1.封面:包含报告的标题、日期和编制者等信息。
2.内容摘要:对整个报告内容进行简要概述,突出报告的核心内容和结果。
3.目录:列出了各章节和子章节的标题,方便读者查找相关内容。
4.引言:介绍项目的背景和目的,概述报告的主要内容和研究方法。
5.项目概况:包括项目的基本信息,如项目名称、规模、建设地点等。
6.市场调研与分析:对项目所属的铁路客车配件市场进行综合调研和分析,包括市场规模、竞争对手、潜在需求等。
7.技术可行性分析:评估项目所使用技术的可行性和成熟度,包括技术可行性、技术难题和技术进步等方面。
8.经济可行性分析:包括项目的投资规模、预计收入和支出、投资回收期等经济指标,综合评估项目的经济可行性。
9.风险评估:对项目可能面临的各类风险进行识别、评估和预警,提出相应的风险应对策略。
10.社会和环境影响分析:评估项目对社会和环境的影响,提出减少负面影响和促进正面影响的措施。
11.建议与决策:以研究结果为依据,对项目的可行性和建设方案进行总结和建议,为决策者提供决策依据。
13.附录:包括报告编写所需的各类数据、统计表格和图表等。
二、报告内容:1.市场调研与分析:需要明确铁路客车配件市场的现状和发展趋势,包括市场规模、竞争对手、市场需求和结构等。
2.技术可行性分析:对项目所需要的技术进行评估和分析,包括技术的成熟度、技术难题和前景等。
3.经济可行性分析:对项目的投资规模、预计收入和支出等经济指标进行分析,评估项目的盈利能力和投资回收期。
4.风险评估:对项目可能面临的各类风险进行识别、评估和预警,提出相应的风险应对策略。
5.社会和环境影响分析:评估项目对社会和环境的影响,提出减少负面影响和促进正面影响的措施。
铁路起重机项目可行性研究报告编制单位:北京中投信德国际信息咨询有限公司编制时间:高级工程师:高建关于编制铁路起重机项目可行性研究报告编制说明(模版型)【立项 批地 融资 招商】核心提示:1、本报告为模板形式,客户下载后,可根据报告内容说明,自行修改,补充上自己项目的数据内容,即可完成属于自己,高水准的一份可研报告,从此写报告不在求人。
2、客户可联系我公司,协助编写完成可研报告,可行性研究报告大纲(具体可跟据客户要求进行调整)编制单位:北京中投信德国际信息咨询有限公司专业撰写节能评估报告资金申请报告项目建议书商业计划书可行性研究报告目录第一章总论 (1)1.1项目概要 (1)1.1.1项目名称 (1)1.1.2项目建设单位 (1)1.1.3项目建设性质 (1)1.1.4项目建设地点 (1)1.1.5项目主管部门 (1)1.1.6项目投资规模 (2)1.1.7项目建设规模 (2)1.1.8项目资金来源 (3)1.1.9项目建设期限 (3)1.2项目建设单位介绍 (3)1.3编制依据 (3)1.4编制原则 (4)1.5研究范围 (5)1.6主要经济技术指标 (5)1.7综合评价 (6)第二章项目背景及必要性可行性分析 (7)2.1项目提出背景 (7)2.2本次建设项目发起缘由 (7)2.3项目建设必要性分析 (7)2.3.1促进我国铁路起重机产业快速发展的需要 (8)2.3.2加快当地高新技术产业发展的重要举措 (8)2.3.3满足我国的工业发展需求的需要 (8)2.3.4符合现行产业政策及清洁生产要求 (8)2.3.5提升企业竞争力水平,有助于企业长远战略发展的需要 (9)2.3.6增加就业带动相关产业链发展的需要 (9)2.3.7促进项目建设地经济发展进程的的需要 (10)2.4项目可行性分析 (10)2.4.1政策可行性 (10)2.4.2市场可行性 (10)2.4.3技术可行性 (11)2.4.4管理可行性 (11)2.4.5财务可行性 (11)2.5铁路起重机项目发展概况 (12)2.5.1已进行的调查研究项目及其成果 (12)2.5.2试验试制工作情况 (12)2.5.3厂址初勘和初步测量工作情况 (13)2.5.4铁路起重机项目建议书的编制、提出及审批过程 (13)2.6分析结论 (13)第三章行业市场分析 (15)3.1市场调查 (15)3.1.1拟建项目产出物用途调查 (15)3.1.2产品现有生产能力调查 (15)3.1.3产品产量及销售量调查 (16)3.1.4替代产品调查 (16)3.1.5产品价格调查 (16)3.1.6国外市场调查 (17)3.2市场预测 (17)3.2.1国内市场需求预测 (17)3.2.2产品出口或进口替代分析 (18)3.2.3价格预测 (18)3.3市场推销战略 (18)3.3.1推销方式 (19)3.3.2推销措施 (19)3.3.3促销价格制度 (19)3.3.4产品销售费用预测 (20)3.4产品方案和建设规模 (20)3.4.1产品方案 (20)3.4.2建设规模 (20)3.5产品销售收入预测 (21)3.6市场分析结论 (21)第四章项目建设条件 (22)4.1地理位置选择 (22)4.2区域投资环境 (23)4.2.1区域地理位置 (23)4.2.2区域概况 (23)4.2.3区域地理气候条件 (24)4.2.4区域交通运输条件 (24)4.2.5区域资源概况 (24)4.2.6区域经济建设 (25)4.3项目所在工业园区概况 (25)4.3.1基础设施建设 (25)4.3.2产业发展概况 (26)4.3.3园区发展方向 (27)4.4区域投资环境小结 (28)第五章总体建设方案 (29)5.1总图布置原则 (29)5.2土建方案 (29)5.2.1总体规划方案 (29)5.2.2土建工程方案 (30)5.3主要建设内容 (31)5.4工程管线布置方案 (32)5.4.1给排水 (32)5.4.2供电 (33)5.5道路设计 (35)5.6总图运输方案 (36)5.7土地利用情况 (36)5.7.1项目用地规划选址 (36)5.7.2用地规模及用地类型 (36)第六章产品方案 (38)6.1产品方案 (38)6.2产品性能优势 (38)6.3产品执行标准 (38)6.4产品生产规模确定 (38)6.5产品工艺流程 (39)6.5.1产品工艺方案选择 (39)6.5.2产品工艺流程 (39)6.6主要生产车间布置方案 (39)6.7总平面布置和运输 (40)6.7.1总平面布置原则 (40)6.7.2厂内外运输方案 (40)6.8仓储方案 (40)第七章原料供应及设备选型 (41)7.1主要原材料供应 (41)7.2主要设备选型 (41)7.2.1设备选型原则 (42)7.2.2主要设备明细 (43)第八章节约能源方案 (44)8.1本项目遵循的合理用能标准及节能设计规范 (44)8.2建设项目能源消耗种类和数量分析 (44)8.2.1能源消耗种类 (44)8.2.2能源消耗数量分析 (44)8.3项目所在地能源供应状况分析 (45)8.4主要能耗指标及分析 (45)8.4.1项目能耗分析 (45)8.4.2国家能耗指标 (46)8.5节能措施和节能效果分析 (46)8.5.1工业节能 (46)8.5.2电能计量及节能措施 (47)8.5.3节水措施 (47)8.5.4建筑节能 (48)8.5.5企业节能管理 (49)8.6结论 (49)第九章环境保护与消防措施 (50)9.1设计依据及原则 (50)9.1.1环境保护设计依据 (50)9.1.2设计原则 (50)9.2建设地环境条件 (51)9.3 项目建设和生产对环境的影响 (51)9.3.1 项目建设对环境的影响 (51)9.3.2 项目生产过程产生的污染物 (52)9.4 环境保护措施方案 (53)9.4.1 项目建设期环保措施 (53)9.4.2 项目运营期环保措施 (54)9.4.3环境管理与监测机构 (56)9.5绿化方案 (56)9.6消防措施 (56)9.6.1设计依据 (56)9.6.2防范措施 (57)9.6.3消防管理 (58)9.6.4消防设施及措施 (59)9.6.5消防措施的预期效果 (59)第十章劳动安全卫生 (60)10.1 编制依据 (60)10.2概况 (60)10.3 劳动安全 (60)10.3.1工程消防 (60)10.3.2防火防爆设计 (61)10.3.3电气安全与接地 (61)10.3.4设备防雷及接零保护 (61)10.3.5抗震设防措施 (62)10.4劳动卫生 (62)10.4.1工业卫生设施 (62)10.4.2防暑降温及冬季采暖 (63)10.4.3个人卫生 (63)10.4.4照明 (63)10.4.5噪声 (63)10.4.6防烫伤 (63)10.4.7个人防护 (64)10.4.8安全教育 (64)第十一章企业组织机构与劳动定员 (65)11.1组织机构 (65)11.2激励和约束机制 (65)11.3人力资源管理 (66)11.4劳动定员 (66)11.5福利待遇 (67)第十二章项目实施规划 (68)12.1建设工期的规划 (68)12.2 建设工期 (68)12.3实施进度安排 (68)第十三章投资估算与资金筹措 (69)13.1投资估算依据 (69)13.2建设投资估算 (69)13.3流动资金估算 (70)13.4资金筹措 (70)13.5项目投资总额 (70)13.6资金使用和管理 (73)第十四章财务及经济评价 (74)14.1总成本费用估算 (74)14.1.1基本数据的确立 (74)14.1.2产品成本 (75)14.1.3平均产品利润与销售税金 (76)14.2财务评价 (76)14.2.1项目投资回收期 (76)14.2.2项目投资利润率 (77)14.2.3不确定性分析 (77)14.3综合效益评价结论 (80)第十五章风险分析及规避 (82)15.1项目风险因素 (82)15.1.1不可抗力因素风险 (82)15.1.2技术风险 (82)15.1.3市场风险 (82)15.1.4资金管理风险 (83)15.2风险规避对策 (83)15.2.1不可抗力因素风险规避对策 (83)15.2.2技术风险规避对策 (83)15.2.3市场风险规避对策 (83)15.2.4资金管理风险规避对策 (84)第十六章招标方案 (85)16.1招标管理 (85)16.2招标依据 (85)16.3招标范围 (85)16.4招标方式 (86)16.5招标程序 (86)16.6评标程序 (87)16.7发放中标通知书 (87)16.8招投标书面情况报告备案 (87)16.9合同备案 (87)第十七章结论与建议 (89)17.1结论 (89)17.2建议 (89)附表 (90)附表1 销售收入预测表 (90)附表2 总成本表 (91)附表3 外购原材料表 (93)附表4 外购燃料及动力费表 (94)附表5 工资及福利表 (96)附表6 利润与利润分配表 (97)附表7 固定资产折旧费用表 (98)附表8 无形资产及递延资产摊销表 (99)附表9 流动资金估算表 (100)附表10 资产负债表 (102)附表11 资本金现金流量表 (103)附表12 财务计划现金流量表 (105)附表13 项目投资现金量表 (107)附表14 借款偿还计划表 (109) (113)第一章总论总论作为可行性研究报告的首章,要综合叙述研究报告中各章节的主要问题和研究结论,并对项目的可行与否提出最终建议,为可行性研究的审批提供方便。
YJ17-YJ27卷接机组项目可行性研究报告编制单位:北京中投信德国际信息咨询有限公司编制时间:高级工程师:高建关于编制YJ17-YJ27卷接机组项目可行性研究报告编制说明(模版型)【立项 批地 融资 招商】核心提示:1、本报告为模板形式,客户下载后,可根据报告内容说明,自行修改,补充上自己项目的数据内容,即可完成属于自己,高水准的一份可研报告,从此写报告不在求人。
2、客户可联系我公司,协助编写完成可研报告,可行性研究报告大纲(具体可跟据客户要求进行调整)编制单位:北京中投信德国际信息咨询有限公司专业撰写节能评估报告资金申请报告项目建议书商业计划书可行性研究报告目录第一章总论 (1)1.1项目概要 (1)1.1.1项目名称 (1)1.1.2项目建设单位 (1)1.1.3项目建设性质 (1)1.1.4项目建设地点 (1)1.1.5项目主管部门 (1)1.1.6项目投资规模 (2)1.1.7项目建设规模 (2)1.1.8项目资金来源 (3)1.1.9项目建设期限 (3)1.2项目建设单位介绍 (3)1.3编制依据 (3)1.4编制原则 (4)1.5研究范围 (5)1.6主要经济技术指标 (5)1.7综合评价 (6)第二章项目背景及必要性可行性分析 (7)2.1项目提出背景 (7)2.2本次建设项目发起缘由 (7)2.3项目建设必要性分析 (7)2.3.1促进我国YJ17-YJ27卷接机组产业快速发展的需要 (8)2.3.2加快当地高新技术产业发展的重要举措 (8)2.3.3满足我国的工业发展需求的需要 (8)2.3.4符合现行产业政策及清洁生产要求 (8)2.3.5提升企业竞争力水平,有助于企业长远战略发展的需要 (9)2.3.6增加就业带动相关产业链发展的需要 (9)2.3.7促进项目建设地经济发展进程的的需要 (10)2.4项目可行性分析 (10)2.4.1政策可行性 (10)2.4.2市场可行性 (10)2.4.3技术可行性 (11)2.4.4管理可行性 (11)2.4.5财务可行性 (12)2.5YJ17-YJ27卷接机组项目发展概况 (12)2.5.1已进行的调查研究项目及其成果 (12)2.5.2试验试制工作情况 (13)2.5.3厂址初勘和初步测量工作情况 (13)2.5.4YJ17-YJ27卷接机组项目建议书的编制、提出及审批过程 (13)2.6分析结论 (13)第三章行业市场分析 (15)3.1市场调查 (15)3.1.1拟建项目产出物用途调查 (15)3.1.2产品现有生产能力调查 (15)3.1.3产品产量及销售量调查 (16)3.1.4替代产品调查 (16)3.1.5产品价格调查 (16)3.1.6国外市场调查 (17)3.2市场预测 (17)3.2.1国内市场需求预测 (17)3.2.2产品出口或进口替代分析 (18)3.2.3价格预测 (18)3.3市场推销战略 (18)3.3.1推销方式 (19)3.3.2推销措施 (19)3.3.3促销价格制度 (19)3.3.4产品销售费用预测 (20)3.4产品方案和建设规模 (20)3.4.1产品方案 (20)3.4.2建设规模 (20)3.5产品销售收入预测 (21)3.6市场分析结论 (21)第四章项目建设条件 (22)4.1地理位置选择 (22)4.2区域投资环境 (23)4.2.1区域地理位置 (23)4.2.2区域概况 (23)4.2.3区域地理气候条件 (24)4.2.4区域交通运输条件 (24)4.2.5区域资源概况 (24)4.2.6区域经济建设 (25)4.3项目所在工业园区概况 (25)4.3.1基础设施建设 (25)4.3.2产业发展概况 (26)4.3.3园区发展方向 (27)4.4区域投资环境小结 (28)第五章总体建设方案 (29)5.1总图布置原则 (29)5.2土建方案 (29)5.2.1总体规划方案 (29)5.2.2土建工程方案 (30)5.3主要建设内容 (31)5.4工程管线布置方案 (32)5.4.1给排水 (32)5.4.2供电 (33)5.5道路设计 (35)5.6总图运输方案 (36)5.7土地利用情况 (36)5.7.1项目用地规划选址 (36)5.7.2用地规模及用地类型 (36)第六章产品方案 (38)6.1产品方案 (38)6.2产品性能优势 (38)6.3产品执行标准 (38)6.4产品生产规模确定 (38)6.5产品工艺流程 (39)6.5.1产品工艺方案选择 (39)6.5.2产品工艺流程 (39)6.6主要生产车间布置方案 (39)6.7总平面布置和运输 (40)6.7.1总平面布置原则 (40)6.7.2厂内外运输方案 (40)6.8仓储方案 (40)第七章原料供应及设备选型 (41)7.1主要原材料供应 (41)7.2主要设备选型 (41)7.2.1设备选型原则 (42)7.2.2主要设备明细 (43)第八章节约能源方案 (44)8.1本项目遵循的合理用能标准及节能设计规范 (44)8.2建设项目能源消耗种类和数量分析 (44)8.2.1能源消耗种类 (44)8.2.2能源消耗数量分析 (44)8.3项目所在地能源供应状况分析 (45)8.4主要能耗指标及分析 (45)8.4.1项目能耗分析 (45)8.4.2国家能耗指标 (46)8.5节能措施和节能效果分析 (46)8.5.1工业节能 (46)8.5.2电能计量及节能措施 (47)8.5.3节水措施 (47)8.5.4建筑节能 (48)8.5.5企业节能管理 (49)8.6结论 (49)第九章环境保护与消防措施 (50)9.1设计依据及原则 (50)9.1.1环境保护设计依据 (50)9.1.2设计原则 (50)9.2建设地环境条件 (51)9.3 项目建设和生产对环境的影响 (51)9.3.1 项目建设对环境的影响 (51)9.3.2 项目生产过程产生的污染物 (52)9.4 环境保护措施方案 (53)9.4.1 项目建设期环保措施 (53)9.4.2 项目运营期环保措施 (54)9.4.3环境管理与监测机构 (56)9.5绿化方案 (56)9.6消防措施 (56)9.6.1设计依据 (56)9.6.2防范措施 (57)9.6.3消防管理 (58)9.6.4消防设施及措施 (59)9.6.5消防措施的预期效果 (59)第十章劳动安全卫生 (60)10.1 编制依据 (60)10.2概况 (60)10.3 劳动安全 (60)10.3.1工程消防 (60)10.3.2防火防爆设计 (61)10.3.3电气安全与接地 (61)10.3.4设备防雷及接零保护 (61)10.3.5抗震设防措施 (62)10.4劳动卫生 (62)10.4.1工业卫生设施 (62)10.4.2防暑降温及冬季采暖 (63)10.4.3个人卫生 (63)10.4.4照明 (63)10.4.5噪声 (63)10.4.6防烫伤 (63)10.4.7个人防护 (64)10.4.8安全教育 (64)第十一章企业组织机构与劳动定员 (65)11.1组织机构 (65)11.2激励和约束机制 (65)11.3人力资源管理 (66)11.4劳动定员 (66)11.5福利待遇 (67)第十二章项目实施规划 (68)12.1建设工期的规划 (68)12.2 建设工期 (68)12.3实施进度安排 (68)第十三章投资估算与资金筹措 (69)13.1投资估算依据 (69)13.2建设投资估算 (69)13.3流动资金估算 (70)13.4资金筹措 (70)13.5项目投资总额 (70)13.6资金使用和管理 (73)第十四章财务及经济评价 (74)14.1总成本费用估算 (74)14.1.1基本数据的确立 (74)14.1.2产品成本 (75)14.1.3平均产品利润与销售税金 (76)14.2财务评价 (76)14.2.1项目投资回收期 (76)14.2.2项目投资利润率 (77)14.2.3不确定性分析 (77)14.3综合效益评价结论 (80)第十五章风险分析及规避 (82)15.1项目风险因素 (82)15.1.1不可抗力因素风险 (82)15.1.2技术风险 (82)15.1.3市场风险 (82)15.1.4资金管理风险 (83)15.2风险规避对策 (83)15.2.1不可抗力因素风险规避对策 (83)15.2.2技术风险规避对策 (83)15.2.3市场风险规避对策 (83)15.2.4资金管理风险规避对策 (84)第十六章招标方案 (85)16.1招标管理 (85)16.2招标依据 (85)16.3招标范围 (85)16.4招标方式 (86)16.5招标程序 (86)16.6评标程序 (87)16.7发放中标通知书 (87)16.8招投标书面情况报告备案 (87)16.9合同备案 (87)第十七章结论与建议 (89)17.1结论 (89)17.2建议 (89)附表 (90)附表1 销售收入预测表 (90)附表2 总成本表 (91)附表3 外购原材料表 (93)附表4 外购燃料及动力费表 (94)附表5 工资及福利表 (96)附表6 利润与利润分配表 (97)附表7 固定资产折旧费用表 (98)附表8 无形资产及递延资产摊销表 (99)附表9 流动资金估算表 (100)附表10 资产负债表 (102)附表11 资本金现金流量表 (103)附表12 财务计划现金流量表 (105)附表13 项目投资现金量表 (107)附表14 借款偿还计划表 (109) (113)第一章总论总论作为可行性研究报告的首章,要综合叙述研究报告中各章节的主要问题和研究结论,并对项目的可行与否提出最终建议,为可行性研究的审批提供方便。
关于编制动车组连接器项目可行性研究报告编制说明
一、背景
随着社会经济发展的不断推进,面对发展带来的挑战,我国既要坚持
有效利用资源,又要充分挖掘经济发展的空间,把发展推上一个新的台阶,实现供给侧结构性任务的完成。
在新时期以来,我国动车组产品质量不断
提高,但是连接器技术仍存在许多不足。
为了提高我国动车组连接器技术
水平,并加快动车组产品的开发和生产,必须进行可行性研究,制定出可
靠可行的连接器项目可行性研究报告。
二、项目目标
1、编制动车组连接器可行性研究报告,以便于有效指导动车组连接
器项目的技术开发和应用;
2、完善动车组连接器产品的设计、开发和制造技术,提高动车组可
靠性;
3、调整有关环节的结构,提升动车组的效率;
4、提供高可靠性的产品,保证安全、舒适、绿色和节能的出行环境;
5、减少动车组连接器的生产成本和营运成本,降低有关企业的经营
风险;
三、编制思路
1、预研究阶段:
(1)确定动车组连接器的项目研究目的及研究范围;
(2)收集相关资料,全面了解动车组连接器的有关情况;。
17型车钩项目可行性研究报告编制单位:北京中投信德国际信息咨询有限公司编制时间:高级工程师:高建关于编制17型车钩项目可行性研究报告编制说明(模版型)【立项 批地 融资 招商】核心提示:1、本报告为模板形式,客户下载后,可根据报告内容说明,自行修改,补充上自己项目的数据内容,即可完成属于自己,高水准的一份可研报告,从此写报告不在求人。
2、客户可联系我公司,协助编写完成可研报告,可行性研究报告大纲(具体可跟据客户要求进行调整)编制单位:北京中投信德国际信息咨询有限公司专业撰写节能评估报告资金申请报告项目建议书商业计划书可行性研究报告目录第一章总论 (1)1.1项目概要 (1)1.1.1项目名称 (1)1.1.2项目建设单位 (1)1.1.3项目建设性质 (1)1.1.4项目建设地点 (1)1.1.5项目主管部门 (1)1.1.6项目投资规模 (2)1.1.7项目建设规模 (2)1.1.8项目资金来源 (3)1.1.9项目建设期限 (3)1.2项目建设单位介绍 (3)1.3编制依据 (3)1.4编制原则 (4)1.5研究范围 (5)1.6主要经济技术指标 (5)1.7综合评价 (6)第二章项目背景及必要性可行性分析 (7)2.1项目提出背景 (7)2.2本次建设项目发起缘由 (7)2.3项目建设必要性分析 (7)2.3.1促进我国17型车钩产业快速发展的需要 (8)2.3.2加快当地高新技术产业发展的重要举措 (8)2.3.3满足我国的工业发展需求的需要 (8)2.3.4符合现行产业政策及清洁生产要求 (8)2.3.5提升企业竞争力水平,有助于企业长远战略发展的需要 (9)2.3.6增加就业带动相关产业链发展的需要 (9)2.3.7促进项目建设地经济发展进程的的需要 (10)2.4项目可行性分析 (10)2.4.1政策可行性 (10)2.4.2市场可行性 (10)2.4.3技术可行性 (11)2.4.4管理可行性 (11)2.4.5财务可行性 (11)2.517型车钩项目发展概况 (12)2.5.1已进行的调查研究项目及其成果 (12)2.5.2试验试制工作情况 (12)2.5.3厂址初勘和初步测量工作情况 (13)2.5.417型车钩项目建议书的编制、提出及审批过程 (13)2.6分析结论 (13)第三章行业市场分析 (15)3.1市场调查 (15)3.1.1拟建项目产出物用途调查 (15)3.1.2产品现有生产能力调查 (15)3.1.3产品产量及销售量调查 (16)3.1.4替代产品调查 (16)3.1.5产品价格调查 (16)3.1.6国外市场调查 (17)3.2市场预测 (17)3.2.1国内市场需求预测 (17)3.2.2产品出口或进口替代分析 (18)3.2.3价格预测 (18)3.3市场推销战略 (18)3.3.1推销方式 (19)3.3.2推销措施 (19)3.3.3促销价格制度 (19)3.3.4产品销售费用预测 (20)3.4产品方案和建设规模 (20)3.4.1产品方案 (20)3.4.2建设规模 (20)3.5产品销售收入预测 (21)3.6市场分析结论 (21)第四章项目建设条件 (22)4.1地理位置选择 (22)4.2区域投资环境 (23)4.2.1区域地理位置 (23)4.2.2区域概况 (23)4.2.3区域地理气候条件 (24)4.2.4区域交通运输条件 (24)4.2.5区域资源概况 (24)4.2.6区域经济建设 (25)4.3项目所在工业园区概况 (25)4.3.1基础设施建设 (25)4.3.2产业发展概况 (26)4.3.3园区发展方向 (27)4.4区域投资环境小结 (28)第五章总体建设方案 (29)5.1总图布置原则 (29)5.2土建方案 (29)5.2.1总体规划方案 (29)5.2.2土建工程方案 (30)5.3主要建设内容 (31)5.4工程管线布置方案 (32)5.4.1给排水 (32)5.4.2供电 (33)5.5道路设计 (35)5.6总图运输方案 (36)5.7土地利用情况 (36)5.7.1项目用地规划选址 (36)5.7.2用地规模及用地类型 (36)第六章产品方案 (38)6.1产品方案 (38)6.2产品性能优势 (38)6.3产品执行标准 (38)6.4产品生产规模确定 (38)6.5产品工艺流程 (39)6.5.1产品工艺方案选择 (39)6.5.2产品工艺流程 (39)6.6主要生产车间布置方案 (39)6.7总平面布置和运输 (40)6.7.1总平面布置原则 (40)6.7.2厂内外运输方案 (40)6.8仓储方案 (40)第七章原料供应及设备选型 (41)7.1主要原材料供应 (41)7.2主要设备选型 (41)7.2.1设备选型原则 (42)7.2.2主要设备明细 (43)第八章节约能源方案 (44)8.1本项目遵循的合理用能标准及节能设计规范 (44)8.2建设项目能源消耗种类和数量分析 (44)8.2.1能源消耗种类 (44)8.2.2能源消耗数量分析 (44)8.3项目所在地能源供应状况分析 (45)8.4主要能耗指标及分析 (45)8.4.1项目能耗分析 (45)8.4.2国家能耗指标 (46)8.5节能措施和节能效果分析 (46)8.5.1工业节能 (46)8.5.2电能计量及节能措施 (47)8.5.3节水措施 (47)8.5.4建筑节能 (48)8.5.5企业节能管理 (49)8.6结论 (49)第九章环境保护与消防措施 (50)9.1设计依据及原则 (50)9.1.1环境保护设计依据 (50)9.1.2设计原则 (50)9.2建设地环境条件 (51)9.3 项目建设和生产对环境的影响 (51)9.3.1 项目建设对环境的影响 (51)9.3.2 项目生产过程产生的污染物 (52)9.4 环境保护措施方案 (53)9.4.1 项目建设期环保措施 (53)9.4.2 项目运营期环保措施 (54)9.4.3环境管理与监测机构 (56)9.5绿化方案 (56)9.6消防措施 (56)9.6.1设计依据 (56)9.6.2防范措施 (57)9.6.3消防管理 (58)9.6.4消防设施及措施 (59)9.6.5消防措施的预期效果 (59)第十章劳动安全卫生 (60)10.1 编制依据 (60)10.2概况 (60)10.3 劳动安全 (60)10.3.1工程消防 (60)10.3.2防火防爆设计 (61)10.3.3电气安全与接地 (61)10.3.4设备防雷及接零保护 (61)10.3.5抗震设防措施 (62)10.4劳动卫生 (62)10.4.1工业卫生设施 (62)10.4.2防暑降温及冬季采暖 (63)10.4.3个人卫生 (63)10.4.4照明 (63)10.4.5噪声 (63)10.4.6防烫伤 (63)10.4.7个人防护 (64)10.4.8安全教育 (64)第十一章企业组织机构与劳动定员 (65)11.1组织机构 (65)11.2激励和约束机制 (65)11.3人力资源管理 (66)11.4劳动定员 (66)11.5福利待遇 (67)第十二章项目实施规划 (68)12.1建设工期的规划 (68)12.2 建设工期 (68)12.3实施进度安排 (68)第十三章投资估算与资金筹措 (69)13.1投资估算依据 (69)13.2建设投资估算 (69)13.3流动资金估算 (70)13.4资金筹措 (70)13.5项目投资总额 (70)13.6资金使用和管理 (73)第十四章财务及经济评价 (74)14.1总成本费用估算 (74)14.1.1基本数据的确立 (74)14.1.2产品成本 (75)14.1.3平均产品利润与销售税金 (76)14.2财务评价 (76)14.2.1项目投资回收期 (76)14.2.2项目投资利润率 (77)14.2.3不确定性分析 (77)14.3综合效益评价结论 (80)第十五章风险分析及规避 (82)15.1项目风险因素 (82)15.1.1不可抗力因素风险 (82)15.1.2技术风险 (82)15.1.3市场风险 (82)15.1.4资金管理风险 (83)15.2风险规避对策 (83)15.2.1不可抗力因素风险规避对策 (83)15.2.2技术风险规避对策 (83)15.2.3市场风险规避对策 (83)15.2.4资金管理风险规避对策 (84)第十六章招标方案 (85)16.1招标管理 (85)16.2招标依据 (85)16.3招标范围 (85)16.4招标方式 (86)16.5招标程序 (86)16.6评标程序 (87)16.7发放中标通知书 (87)16.8招投标书面情况报告备案 (87)16.9合同备案 (87)第十七章结论与建议 (89)17.1结论 (89)17.2建议 (89)附表 (90)附表1 销售收入预测表 (90)附表2 总成本表 (91)附表3 外购原材料表 (93)附表4 外购燃料及动力费表 (94)附表5 工资及福利表 (96)附表6 利润与利润分配表 (97)附表7 固定资产折旧费用表 (98)附表8 无形资产及递延资产摊销表 (99)附表9 流动资金估算表 (100)附表10 资产负债表 (102)附表11 资本金现金流量表 (103)附表12 财务计划现金流量表 (105)附表13 项目投资现金量表 (107)附表14 借款偿还计划表 (109) (113)第一章总论总论作为可行性研究报告的首章,要综合叙述研究报告中各章节的主要问题和研究结论,并对项目的可行与否提出最终建议,为可行性研究的审批提供方便。
总论章可根据项目的具体条件,参照下列内容编写。
(本文档当前的正文文字都是告诉我们在该处应该写些什么,当您按要求写出后,这些说明文字的作用完成,就可以删除了。
编者注)1.1项目概要1.1.1项目名称企业或工程的全称,应和项目建议书所列的名称一致1.1.2项目建设单位承办单位系指负责项目筹建工作的单位,应注明单位的全称和总负责人1.1.3项目建设性质新建或技改项目1.1.4项目建设地点XXXX工业园区1.1.5项目主管部门注明项目所属的主管部门。
或所属集团、公司的名称。
中外合资项目应注明投资各方所属部门。
集团或公司的名称、地址及法人代表的姓名、国籍。
1.1.6项目投资规模本次项目的总投资为XXX万元,其中,建设投资为XX万元(土建工程为XXX万元,设备及安装投资XXX万元,土地费用XXX万元,其他费用为XX万元,预备费XX万元),铺底流动资金为XX万元。
本次项目建成后可实现年均销售收入为XX万元,年均利润总额XX 万元,年均净利润XX万元,年上缴税金及附加为XX万元,年增值税为XX万元;投资利润率为XX%,投资利税率XX%,税后财务内部收益率XX%,税后投资回收期(含建设期)为5.47年。