工程量计算示例解答
- 格式:doc
- 大小:3.60 MB
- 文档页数:59
工程计量实例一、混凝工程量的计算1、条形基础混凝土垫层计算外墙条基础混凝土垫层体积=中心线长度×砼垫层的截面积内墙条基砼垫层体积=垫层的净长线长度×砼垫层的截面积2、整板基础、独立基础垫层的体积垫层体积=垫层面积×垫层厚度混凝土柱工程量计算构造柱工程量计算①构造柱体积=构造柱体积+马牙差体积=H×(A×B+0.03×b×n)式中:H——构造柱高度 A、B——构造柱截面长宽 b——构造柱与砖墙咬差1/2宽度 n——马牙差边数⑶、框架柱①现浇混凝土柱按设计图示尺寸以体积计算。
不扣除构件内钢筋、预埋铁件所占体积。
框架柱体积=框架柱截面积*框架柱柱高其中柱高: a 有梁板的柱高,应自柱基上表面(或楼板上表面)至上一层楼板下表面之间的高度计算。
无梁板的柱高,应自柱基上表面(或楼板上表面)至柱帽下表面之间的高度计算。
框架柱的柱高,应自柱基上表面至柱顶高度计算。
预制混凝土柱按设计图示尺寸以体积计算,不扣除构件内钢筋、预埋铁件所占体积,依附于柱的牛腿,并入相应柱身体积计算。
二、混凝土基础工程量计算1、条形基础工程量计算外墙条形基础的工程量=外墙条形基础中心线的长度×条形基础的截面积内墙条形基础的工程梁=内墙条形基础净长线的长度×条形基础的截面积。
三、满堂基础工程量满堂基础工程量=满堂基础底面积×满堂基础底板垂直部分厚度+上部棱台体积3、独立基础(砼独立基础与柱在基础上表面分界)(1)矩形基础:V=长×宽×高 (2)阶梯形基础:V=∑各阶(长×宽×高)四、钢筋混凝土板的工程量计算1、一般现浇板计算方法:现浇混凝土板按设计图示尺寸以体积计算。
不扣除构件内钢筋、预埋铁件及单个面积0.3m2以内的孔洞所占体积。
计算公式——V=板长×板宽×板厚2、有梁板系指主梁(次梁)与板现浇成一体。
【例】某工程采用预拌混凝土,已知C20混凝土独立基础85m3,独立基础模板接触面积179.1m2,用工料单价法计算工程造价(按三类工程取费,市区计取税金,预拌混凝土市场价330元/m3),其他可竞争措施项目仅计取“生产工具用具使用费”、“检验试验配合费”。
工程预算表取费程序表例题解析:1.其他可竞争措施项目中的其他11项费用按建设工程项目的实体项目和可竞争措施项目(11项费用除外)中人工费与机械费之和乘以相应系数计算。
2.企业管理费、规费、利润的计费基数是相同的,即按直接费中的人工费与机械费之和乘以相应费率,其中直接费包括直接工程费和措施费。
3.价款调整包括人、材、机的价差调整,价款调整不参与取企业管理费、规费和利润。
4.注意2012年新定额安全生产、文明施工费计算的变化。
【例】如图,计算人工挖土方、钎探、回填土、余土外运、砖基础工程量。
(土质类别为二类,垫层C15砼,室外地坪-0.300)【例】如下图所示尺寸,求混凝土带型基础模板和混凝土的工程造价。
备注:按三类工程取费,企业管理费费率为17%,利润费率为10%,规费费率为25%,税金税率为3.48%,安全生产、文明施工费为4.25%。
解:(1)带型基础外侧模板 S1=[(4.5×2+0.5×2)×2+(4.8+0.5×2)×2]×0.3=9.48 m2(2) 带型基础内侧模板 S2=[(4.5-0.5×2)×2+(4.8-0.5×2)×2]×0.3×2=8.76 m2带型基础模板工程量 S= S1+ S2=18.24 m2(模板工程量3分)(3)带形基础混凝土外墙 V=1×0.3×(4.5+4.5+4.8)×2=8.28 m3 (混凝土工程量2分)内墙 V=1×0.3×(4.8-1)=1.14 m3 (混凝土工程量2分)合计:9.42 m3预算表取费:1. 直接费 3329.7元2.其中人+机 1021.36元3.企业管理费 1021.36×17%=173.63元4.规费 1021.36×25%=255.34元5.利润 1021.36×10%=102.14元6安全生产、文明施工费 3860.81×4.25%=164.08元7.税金 4024.89×3.48%=140.07元【例】如图所示内外墙毛石基础、砖基础平面图和剖面图,毛石基础每级高度为350mm,试计算砌体基础工程量。
建筑工程工程量计算实例某建筑工程项目计划新建一座住宅楼,楼高10层,总建筑面积为5000平方米。
现需要进行工程量计算,具体如下:1. 地基基础工程量计算:地基基础工程主要包括沉降观测、地基处理以及地下管线工程等。
沉降观测:根据规范要求,每层楼应进行一次沉降观测,共计10次。
地基处理:根据勘察报告,地基处理面积为4000平方米,按照设计要求使用地基灌注桩,每平方米使用5根地基灌注桩。
地下管线工程:根据设计要求,需要进行电力、给排水和通风管线安装。
根据规范计算,每层楼电力管线工程量为2000米,给排水工程量为1500米,通风工程量为1000米。
2. 结构工程量计算:结构工程主要包括混凝土工程和砌体工程。
混凝土工程:根据设计要求,需要进行楼板、柱和墙体的混凝土浇筑。
根据建筑平面布置计算,每层楼板总面积为500平方米,每平方米混凝土浇筑体积为0.15立方米;每层柱总面积为200平方米,每平方米柱体积为0.1立方米;每层墙体总面积为1000平方米,每平方米墙体体积为0.05立方米。
砌体工程:根据建筑立面布置计算,每层墙体砌筑高度为3米,每层墙体总长度为1000米。
根据规范要求,每米墙体砌筑体积为0.1立方米。
3. 水电安装工程量计算:水电安装工程主要包括给水排水管道、电力线路、照明设施等。
给水排水管道:根据设计要求,需要进行给水和排水管道的安装。
根据规范计算,每层楼给水管道工程量为1000米,排水管道工程量为1200米。
电力线路:根据楼层布置和电力需求计算,每层楼电力线路工程量为1000米。
照明设施:根据设计要求,每层楼照明设施安装工程量为500平方米。
以上为某建筑工程项目中部分工程量计算实例,具体数值可能与实际情况有所差异,仅供参考。
工程量计算示例例1。
某建筑平面图如图1所示,墙体厚度240mm,台阶上部雨篷伸出宽度与阳台一致,阳台为全封闭。
按要求平整场地,土壤类别为Ⅲ类(坚土),大部分场地挖填找平厚度在±30cm以内,就地找平,但局部有23m3挖土,平均厚度为50cm,有5m弃土运输.计算人工场地平整的工程量。
图1 某建筑平面图例2.如图2所示,求建筑物人工平整场地工程量。
图2 人工平整场地示意图例3。
某工程场地平整,方格网边长确定为20m,各角点自然标高和设计标高如图所示.土类为Ⅱ类普通土,常年地下水位为-2.40m.计算人工开挖土方的工程量.图3 某工程场地示意图例 4.某建筑物基础平面及剖面如图所示。
已知设计室外地坪以下砖基础体积为15。
85m3,混凝土垫层体积为2.86m3,室内地面厚度为180mm,工作面C=300mm,土质为Ⅱ类普通土。
要求挖出土方堆于现场,回填后余下的土外运。
试对土石方工程相关项目进行列项,并计算各分项工程量.图4 某建筑物基础平面及剖面图a) 平面图b)基础1—1剖面图例5。
如图所示,现场土质为Ⅱ类普通土,地槽双面支挡土板,墙厚240mm,计算人工挖地槽和支挡土板工程量。
支挡土板沟槽平面图图5 支挡土板沟槽平面图例6.土壤类别为Ⅱ类普通土,基础为现浇混凝土独立基础,垫层宽度1。
5m,挖土深度2。
3m,其施工方案如图示.编制其工程量清单计价表。
图6 独立柱基础结构示意图a)独立柱基础平面图b)独立柱基础剖面图例7.如图7所示,某办公楼工程为砖混结构,外墙厚365mm,内墙厚240mm,楼板厚120mm,计算:“三线一面”基数;基础工程量;实砌墙体工程量。
门窗及墙体埋件见下表图7 某办公楼工程示意图例8。
某工程等高式标准砖大放脚基础如图所示,当基础墙高h=1。
6m,基础长l=27。
85m时,计算砖基础工程量。
例9。
某建筑物如图所示.内外墙与基础均为砖砌,均用M5水泥石灰砂浆砌筑。
内、外砖墙厚度均为240mm,外墙为清水砖墙,用水泥膏勾缝,外墙裙顶标高为1。
屋面工程1.某四坡屋面水平图,设计屋面坡度=0.5(即θ=26。
34’,坡度比例=1/4)。
应用屋面坡度系数计算以下数值:(1)屋面斜面积;(2)四坡屋面斜脊长度;(3)全部屋脊长度;(4)两坡沿山墙泛水长度。
【解】(1)查表10-1,C=1.118屋面斜面积=(40.0+10.5×2)(15.0+0.5×2)×1.118m2=41×16×1.118m2=733.41m2(2)查表10-1,D=1.5,四坡屋面斜脊长度=AD=8×1.5m=12m(3)全部屋脊长度=[12×2×2+(41-8×2)m=(48+25)m=73m(4)两坡沿山墙泛水长度=2AC=2×8×1.118m=17.89m(一端)2.如图所示,求带天窗的瓦屋面工程量。
【解】工程量=(45+0.4)×(20+0.4)×1.118m2=1035.45m23.某工厂车间,屋面为钢檩上铺石棉瓦,如图所示,计算瓦屋面工程量。
【解】根据定额工程量计算规则第一条、第四条规定及表10-1:工程量计算(水平投影):F={[(40+0.18×2)×(12+0.18×2)+20.6×(0.3+0.3)]×1.118+40.36×0.05×2}m2=[(498.85+12.36)×1.118+4.04]m2=575.57m24.有一带屋面小气窗的四坡水平瓦屋面,尺寸及坡度如图所示。
计算屋面工程量、屋脊长度和工料用量。
【解】(1)屋面工程量:按图示尺寸乘屋面坡度延尺系数,屋面小气窗不扣除,与屋面重叠部分面积不增加。
查得坡度系数,C=1.1180F w=(30.24+0.5×2)(13.74+0.5×2)×1.1180m2=514.81m2=5.1481×100m2(2)屋脊长度:1)正屋脊长度:若F=A,则L j1=(30.24—13.74)m=16.5m2)斜脊长度:查得坡度偶延尺系数D=1.50,斜脊4条,L j2=×1.50×4m=44.22m3)屋脊总长:L j=L j1+L j2=(16.5+44.22)m=60.72mL2=×1.5×4m=44.22m4)屋脊长度:L=(16.5+44.22)m=60.72m(3)工料用量:因屋面坡度较大,考虑檐瓦穿铁丝钉铁钉,按定额规定增加工料,檐长(30.24+13.74)×2=87.96m,根据定额9-2,该四坡水屋面的工料汇总在表内。
一、计算图示工程平整场地工程量(清单标准规那么)、各层建筑面积及总建筑面积(99重庆规那么)。
(18分)解:平整场地=153.19m2(2分)一层面积=153.19m2(5分)二层面积=138.34m2(5分)三层面积= 95.59m2(5分)总建筑面积=387.12 m2(1分)(工程量计算格式不限,计算式正确,答案错可酌情得分。
)案例2[解](共42分)一、计算工程量5 0 实心砖墙内墙=内墙毛面积= *9 m2内墙门窗= **6 m2内墙毛体积= m36 0 圈梁= +*4 m3一层外墙圈梁体积= ** m3一层内墙圈梁体积= ** m37 0 现浇混凝土钢筋= (338)*(1+)+ 524 kg t圈梁主筋= +*4*4* 338 kg圈梁箍筋= *1084* kg圈梁箍筋单长=圈梁箍筋支数= +1++1)*2)*4 1084 只(工程量计算格式不限,计算正确,并正确填入下表每项2分,计算式正确,答案错可酌情得分。
)二、编制分部份项工程量清单分部份项工程量清单工程名称:某三层建筑物第页共页序号清单项目(每项1分)项目名称(每项2分)计量单位(每项1分)工程数量(每项2分)1 01010100l001 平整场地土壤类别:三类取土运距:其土运距:5kmm 22 0 挖基础土方土壤类别:三类基础类型:三级等高大放脚条形砖基础垫层宽:815mm垫层厚:100mm垫层面积:+=42.68m2挖土深度:1.7m其土运距:5kmm³3 01030100l001 砖基础垫层种类:C10混凝土垫层(5~20碎石,特细砂)垫层厚:100mm垫层面积:+=42.68m2砖品种、规格强度等级:灰砂标砖基础类型:三级等高大放脚条形砖基础基础深:1.6m砂浆强度等级:水泥石灰砂浆m³4 010********l 实心砖墙砖品种、规格强度等级:灰砂标砖墙体类型:单面清水砖外墙m³墙体厚度:240mm墙体高度:3000mm勾缝要求:单面水泥膏勾缝砂浆强度等级:水泥石灰砂浆50 实心砖墙砖品种、规格强度等级:灰砂标砖墙体类型:混水砖内墙墙体厚度:240mm墙体高度:3000mm勾缝要求:无砂浆强度等级:水泥石灰砂浆m³6 0 圈梁梁底标高:<3000mm梁截面:180x240mm混凝土强度等级:C10混凝土拌合料要求: 5~20碎石、特细砂m³7 0 现浇混凝土钢筋钢筋种类规格:φ8~φ6t案例3序号项目编码项目名称计算式工程量单位备注外墙中心线= +++*2 m内墙净长线= m三层相同内墙下基础垫层净长线= m1 0 平整场地= +++*+ m22 0 挖基础土方= *+* m33 0 砖基础= *+ m3砖基础断面= *+3*4** m2C10垫层= *+* m34 0 实心砖墙外墙=外墙毛面积= *()m2 外墙门窗= **17+**3 m2 外墙毛体积= (m35 0 实心砖墙内墙=内墙毛面积= *9 m2 内墙门窗= **6 m2 内墙毛体积= m36 0 圈梁= +*4 m3一层外墙圈梁体积= ** m3一层内墙圈梁体积= ** m37 0 现浇构件钢筋= (+)*(1+)kg t圈梁主筋= +*4*4* kg圈梁箍筋= *1100* kg圈梁箍筋单长=圈梁箍筋支数= +1++1)*2)*4 1100 只(工程量计算格式不限,计算正确,并正确填入下表每项2分,计算式正确,答案错可酌情得分。
工程工程量计算实例
一、工程量计算概述
二、工程量计算
(一)土石方工程量计算
1.土石方工程量计算公式:
总量=挖方量+衬砌量+碾压量+其它;
2.土石方工程量计算结果:
根据上文提到的工程信息,按照国家工程技术标准进行计算:挖方量:1000m3;
衬砌量:1500m3;
碾压量:500m3;
其它:200m3
总量:3200m3
(二)主体结构工程量计算
1.主体结构工程量计算公式:
总量=混凝土量+钢筋量+模板量+其它;
2.主体结构工程量计算结果:
根据上文提到的工程信息
混凝土量:2500m3;
钢筋量:200t;
模板量:500m2;
其它:300m3
总量:3200m3
(三)装饰装修工程量计算
1.装饰装修工程量计算公式:
总量=墙面饰面量+地面饰面量+吊顶饰面量+其它;2.装饰装修工程量计算结果:
根据上文提到的工程信息。
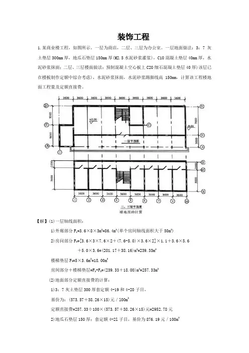
装饰工程1.某商业楼工程,如图所示。
一层为商店,二层、三层为办公室。
一层地面做法:3:7灰土垫层300mm厚,地瓜石垫层150mm厚(M2.5水泥砂浆灌浆),C10混凝土垫层40mm厚,水泥砂浆抹面;二层、三层楼面做法:预制混凝土空心板上C20细石混凝土垫层40厚)该层已在楼板制作定额中综合考虑),水泥砂浆抹面,水泥砂浆踢脚线高150mm,计算该工程楼地面工程量及定额直接费。
【解】(1)一层轴线面积:1)外廊部分F1=3.6×8×3m2=86.4m2(单个房间轴线面积大于50m2)2)房问部分F2=[3.6×3×7.6×2+(7.6-5.0)×3.6×2]×1.1+3.6×5.6+5.0×3.6=(201.17+38.16)m2=239.33m2楼梯垫层F3=5×3.6m2=18.00m2房间部分+楼梯垫层=F2+F3=(239.33+18.00)m2=257.33m2(2)地面部分定额直接费的计算:1)3:7灰土垫层300厚套定额4-19和4-20子目,基价为:(573.57+38.26×15)元/l00m2定额直接费=257.33÷100×(573.57+38.26×15)元=2952.78元2)地瓜石垫层150厚:套定额4-2l子目,基价为876.19元/100m2定额直接费=257.33÷100×876.19元=2254.70元3)混凝土垫层40厚:套定额4-25和4-26子目,基价为:(657.87-109.75×2)元/=100m2定额直接费=257.33÷100×(657.87-109.75×2)元=1128.06元4)水泥砂浆地面:套定额4-40子目,基价645.79元/100m2定额直接费=239.33÷100×645.79元=1545.57元二、三层楼面工程量只有外廊部分超过50m2,乘系数1.1,其他房间均为图示尺寸。
建筑工程量计算实例及解析
项目名称:小区住宅楼工程
1.模板工程量计算
1.1基础工程
基坑开挖:根据设计图纸,计算开挖面积及深度,参考设计图纸中所示的基坑形状和尺寸,通过公式计算出基坑开挖的体积。
混凝土浇筑:按照楼板和楼梯的设计尺寸,计算浇筑混凝土的体积。
钢筋工程:根据设计图纸,计算楼板和楼梯所需的钢筋数量。
1.2土建工程
墙体砌筑:根据设计图纸中的墙厚、墙高和墙长,计算墙体的砌筑面积。
地面铺砖:根据设计图纸中地面铺设的砖类型、规格和面积,计算所需要的砖的数量。
2.结构工程量计算
2.1混凝土工程
柱子浇筑:根据设计图纸,计算柱子的截面积以及高度,得出柱子的体积。
梁、板浇筑:按照设计图纸中的尺寸,计算梁、板的体积。
2.2钢材工程
钢柱、钢梁:根据设计图纸中的尺寸和数量,计算所需钢材的长度和重量。
钢筋混凝土楼梯:根据设计图纸,计算楼梯所需的钢筋数量。
3.室内装饰工程量计算
3.1石材工程
大理石铺贴:根据设计图纸中所示的铺贴面积和石材规格,计算所需石材的数量。
3.2涂料工程
乳胶漆涂刷:根据设计图纸中各个房间的面积和需要涂刷的次数,计算所需的乳胶漆数量。
3.3地板工程
实木地板:根据设计图纸中的地板面积和规格,计算所需实木地板的数量。
总结:以上是小区住宅楼工程的部分工程量计算过程,其中涉及到了模板工程、结构工程和室内装饰工程的计算。
通过对各项工程的量计算,可以为项目的计划和组织提供参考依据,以确保工程的顺利进行。
在实际工程量计算中,需要充分考虑设计、施工及质量要求,确保计算结果的准确性。
造价工程工程量计算实例假设有一座新建的办公楼,需要进行造价工程工程量计算。
下面是该项目的一个实例,以展示如何进行工程量计算。
1.地基基础工程量-打桩工程:根据设计要求,需要打30根钢筋混凝土桩。
每根桩的长度为15米,直径为1米。
根据单位长度占地面积为5平方米,可以得出总桩工程量为30*15*5=2250平方米。
-地下室开挖:根据设计要求,地下室的面积为1000平方米,深度为3米。
根据单位面积开挖量为1.5立方米/平方米,可以得出总开挖工程量为1000*3*1.5=4500立方米。
2.建筑工程量-门窗工程:根据设计要求,该办公楼的门窗数量为50个。
根据单位数量门窗用量为1个/平方米,可以得出总门窗工程量为50个。
3.安装工程量-电气安装工程:根据设计要求,该办公楼的电气安装包括照明、插座、空调等设备。
根据设计要求,照明设备数量为100个,插座数量为50个,空调设备数量为10个。
根据单位数量安装工程量为100个+50个+10个=160个。
-水暖安装工程:根据设计要求,该办公楼的水暖安装包括供水和排水管道。
根据设计要求,供水管道的长度为500米,排水管道的长度为800米。
根据单位长度安装工程量为500+800=1300米。
4.其他工程量-油漆工程:根据设计要求,需要进行室内外油漆。
根据设计要求,室内面积为2000平方米,室外面积为1500平方米。
根据单位面积油漆用量为0.2千克/平方米,可以得出总油漆工程量为2000*0.2+1500*0.2=700千克。
以上是该办公楼项目的一部分工程量计算实例。
工程量计算是建筑工程中非常重要的一环,它可以帮助项目管理人员合理安排工程时间、控制成本,并为项目的进展提供基础数据支持。
工程量计算示例解答假设一些项目是建造一栋三层住宅楼,总建筑面积为800平方米。
现在我们将对该项目进行工程量计算。
首先,我们需要确定建筑物的结构类型。
假设这是一栋钢混结构住宅楼。
那么我们需要测量和计算的主要部分包括结构、建筑装饰、给排水、电气、暖通空调、景观绿化等。
1.结构部分:首先,我们需要计算楼板的面积和混凝土用量。
根据楼层的数量,我们可以计算出总的楼板面积为800平方米*3层=2400平方米。
然后,根据设计要求,我们可以确定楼板厚度,假设楼板的厚度为0.15米。
所以,楼板的混凝土用量为2400平方米*0.15米=360立方米。
接下来,我们需要计算柱子和梁的混凝土用量。
假设柱子的截面积为0.5平方米,柱子的高度为3米,那么每个柱子的混凝土用量为0.5平方米*3米=1.5立方米。
假设每层楼有10个柱子,那么总共的柱子混凝土用量为10根*1.5立方米=15立方米。
假设梁的截面积为0.5平方米,梁的长度为6米,那么每个梁的混凝土用量为0.5平方米*6米=3立方米。
假设每层楼有15根梁,那么总共的梁混凝土用量为15根*3立方米=45立方米。
对于其他结构部分,如墙体、楼梯等的材料和用量,可以按照类似的方法进行计算。
2.建筑装饰部分:建筑装饰包括瓷砖、地板、门窗等。
我们可以根据设计要求确定材料的规格和数量。
假设瓷砖的规格是30厘米*30厘米,每平方米需要铺设10块瓷砖。
那么瓷砖的数量为800平方米*10块/平方米=8000块。
同样地,我们可以根据设计要求计算地板和门窗的材料和用量。
3.给排水部分:给排水部分主要包括水管、下水道等。
我们可以根据设计要求确定材料的规格和数量。
假设每层楼需要排水管道50米,那么总共的排水管道用量为50米*3层=150米。
4.电气部分:电气部分主要包括电线、开关等。
我们可以根据设计要求确定材料的规格和数量。
假设每层楼需要电线100米,那么总共的电线用量为100米*3层=300米。
工程量计算示例例1.某建筑平面图如图1所示,墙体厚度240mm,台阶上部雨篷伸出宽度与阳台一致,阳台为全封闭。
按要求平整场地,土壤类别为Ⅲ类(坚土),大部分场地挖填找平厚度在±30cm以内,就地找平,但局部有23m3挖土,平均厚度为50cm,有5m弃土运输。
计算人工场地平整的工程量。
图1 某建筑平面图例2.如图2所示,求建筑物人工平整场地工程量。
图2 人工平整场地示意图例3.某工程场地平整,方格网边长确定为20m,各角点自然标高和设计标高如图所示。
土类为Ⅱ类普通土,常年地下水位为-2.40m。
计算人工开挖土方的工程量。
图3 某工程场地示意图例4.某建筑物基础平面及剖面如图所示。
已知设计室外地坪以下砖基础体积为15.85m3,混凝土垫层体积为2.86m3,室内地面厚度为180mm,工作面C=300mm,土质为Ⅱ类普通土。
要求挖出土方堆于现场,回填后余下的土外运。
试对土石方工程相关项目进行列项,并计算各分项工程量。
图4 某建筑物基础平面及剖面图a) 平面图b)基础1-1剖面图例5.如图所示,现场土质为Ⅱ类普通土,地槽双面支挡土板,墙厚240mm,计算人工挖地槽和支挡土板工程量。
支挡土板沟槽平面图图5 支挡土板沟槽平面图例6.土壤类别为Ⅱ类普通土,基础为现浇混凝土独立基础,垫层宽度1.5m,挖土深度2.3m,其施工方案如图示。
编制其工程量清单计价表。
图6 独立柱基础结构示意图a)独立柱基础平面图b)独立柱基础剖面图例7.如图7所示,某办公楼工程为砖混结构,外墙厚365mm,内墙厚240mm,楼板厚120mm,计算:“三线一面”基数;基础工程量;实砌墙体工程量。
门窗及墙体埋件见下表图7 某办公楼工程示意图例8.某工程等高式标准砖大放脚基础如图所示,当基础墙高h=1.6m,基础长l=27.85m 时,计算砖基础工程量。
例9.某建筑物如图所示。
内外墙与基础均为砖砌,均用M5水泥石灰砂浆砌筑。
内、外砖墙厚度均为240mm,外墙为清水砖墙,用水泥膏勾缝,外墙裙顶标高为1.2m。
建筑工程量计算实例1. 混凝土工程量计算示例:某建筑项目需要进行混凝土施工,计算混凝土的工程量。
根据设计要求,柱子的尺寸为30cm×30cm×300cm,柱子的数量为20根。
根据定额表可以得到柱子混凝土的用量为0.1m³/根。
那么柱子的混凝土总用量为0.1m³/根×20根=2m³。
2. 砖砌工程量计算示例:某建筑项目需要进行砖砌施工,计算砖砌的工程量。
根据设计要求,墙体的尺寸为3m×4m,砖的规格为240mm×115mm×53mm。
根据定额表可以得到砖砌的用量为58块/m²。
那么墙体的砖砌总用量为58块/m²×3m×4m=696块。
3. 涂料工程量计算示例:某建筑项目需要进行涂料施工,计算涂料的工程量。
根据设计要求,墙面的面积为120m²,涂料的定额用量为0.2kg/m²。
那么墙面的涂料总用量为0.2kg/m²×120m²=24kg。
4. 电气工程量计算示例:某建筑项目需要进行电气施工,计算电线的工程量。
根据设计要求,房间的长和宽分别为6m和4m,房间的点位数量为8个。
根据定额表可以得到每个点位的电线用量为8m/个。
那么电线的总用量为8m/个×8个=64m。
5. 地砖工程量计算示例:某建筑项目需要进行地砖施工,计算地砖的工程量。
根据设计要求,地面的面积为50m²,地砖的规格为300mm×300mm×15mm。
根据定额表可以得到地砖的用量为11块/m²。
那么地面的地砖总用量为11块/m²×50m²=550块。
【1】如图4-93所示,某圆形沟槽,土质类别为三类土,挖深2.5m,采用500厚混凝土垫层。
求人工挖土方工程量和混凝土垫层工程量。
图4-93圆形沟槽【解】①清单计算:人工挖土方工程量=(πR2-πr2)h=[3.1416×(3.02-2.02)×2.5]=39.27混凝土垫层工程量=(3.0-2.0)×0.5×2πr R-r2=3.1416×2.0 3.0-2.02=7.9②定额计算混凝土垫层施工时,每边各增加300mm的工作面,所以槽底宽度应为:[(3.0-2.0) 0.3×2]m=1.6m计算挖沟槽、基坑时需放坡,放坡系数K=0.33(三类土)所以槽面宽度应为:[(3.0-2.0 0.3×2) 2.5×0.33×2]m=3.25m沟槽长度为:2πr R-r2=2×3.1416×2.0 3.0-2.02m=15.7m所以:人工挖土方工程量=[(1.6 3.25)×2.5×12×15.71]=95.24(套定额1-9)混凝土垫层工程量=(3.0-2.0)×0.5×2π×r R-r2【2】如图4-94所示某建筑物基础,采用机械坑内挖土方,土质类别二类,求挖地槽工程量。
图4-94某建筑物基础(a)平面图;(b)剖面图【解】①清单计算外墙地槽中心线长=[(12 6)×2×2 (6.3 18.9)×2]m=(72 50.4)m=122.4m内墙地槽净长=(18.9 6.3-1.3)m=23.9m地槽总长度=(122.4 23.9)m=146.3m所以地槽工程量=[1.3×(2.1-0.45)×146.3]=313.81②定额计算砖基础施工每边各增加工作面200mm。
所以槽底宽为:(1.3 0.2×2)m=1.7m二类土采用机械坑内挖土方的放坡系数K=0.33所以槽面宽为:[1.7 (2.1-0.45)×0.33×2]m=2.789m地槽总长度=146.3m所以地槽工程量=[(1.7 2.789)×1.65×12×146.3]=514.81(套定额1-5)备注:清单计算规则规定挖基础土方工程量按设计图示尺寸以基础垫层底面积乘以挖土深度计算。
工程量计算示例
例1.某建筑平面图如图1所示,墙体厚度240mm,台阶上部雨篷伸出宽度与阳台一致,阳台为全封闭。
按要求平整场地,土壤类别为Ⅲ类(坚土),大部分场地挖填找平厚度在±30cm以内,就地找平,但局部有23m3挖土,平均厚度为50cm,有5m弃土运输。
计算人工场地平整的工程量。
图1 某建筑平面图
例2.如图2所示,求建筑物人工平整场地工程量。
图2 人工平整场地示意图
例3.某工程场地平整,方格网边长确定为20m,各角点自然标高和设计标高如图所示。
土类为Ⅱ类普通土,常年地下水位为-2.40m。
计算人工开挖土方的工程量。
图3 某工程场地示意图
例 4.某建筑物基础平面及剖面如图所示。
已知设计室外地坪以下砖基础体积为15.85m3,混凝土垫层体积为2.86m3,室内地面厚度为180mm,工作面C=300mm,土质为Ⅱ类普通土。
要求挖出土方堆于现场,回填后余下的土外运。
试对土石方工程相关项目进行列项,并计算各分项工程量。
图4 某建筑物基础平面及剖面图
a) 平面图 b)基础1-1剖面图
例5.如图所示,现场土质为Ⅱ类普通土,地槽双面支挡土板,墙厚240mm,计算人工挖地槽和支挡土板工程量。
支挡土板沟槽平面图
图5 支挡土板沟槽平面图
例6.土壤类别为Ⅱ类普通土,基础为现浇混凝土独立基础,垫层宽度1.5m,挖土深度2.3m,其施工方案如图示。
编制其工程量清单计价表。
图6 独立柱基础结构示意图
a)独立柱基础平面图 b)独立柱基础剖面图
例7.如图7所示,某办公楼工程为砖混结构,外墙厚365mm,内墙厚240mm,楼板厚120mm,计算:“三线一面”基数;基础工程量;实砌墙体工程量。
门窗及墙体埋件见下表
图7 某办公楼工程示意图
例8.某工程等高式标准砖大放脚基础如图所示,当基础墙高h=1.6m,基础长l=27.85m 时,计算砖基础工程量。
例9.某建筑物如图所示。
内外墙与基础均为砖砌,均用M5水泥石灰砂浆砌筑。
内、外砖墙厚度均为240mm,外墙为清水砖墙,用水泥膏勾缝,外墙裙顶标高为1.2m。
圈梁用C20混凝土,Ⅰ级钢筋,沿外墙附设,截面为240mm×180mm。
基础为三级等高式大放脚砖基础,砖基础下垫层为C10混凝土垫层(所用混凝土碎石粒径为20mm,现场搅拌)。
垫层底宽830mm,厚100mm,垫层标高为-1.6m。
门窗洞口尺寸为:M-1(1200mm×2400mm),M-2(900mm×2000mm),C-1(1500mm×1800mm),试计算砖基础、清水砖外墙和混水砖内墙三个清单项目的清单项目费。
图9 某建筑平、剖面示意图
例10.某工程墙面的剖面图如图10示,砖墙厚240mm,红机砖砌筑M5水泥砂浆,圈梁沿外墙附设截面为240mm×180mm,M-1为1.2m×2.4m; M-2为0.9m×2.0m; C-1为1.5m ×1.8m。
编制砖墙清单计价表。
图10 某工程墙面剖面图
例11.求如图11所示现浇钢筋混凝土有梁板工程量
图11 现浇钢筋混凝土有梁板图
例12.求图12所示现浇钢筋混凝土连续梁工程量。
图12 现浇钢筋混凝土连续梁图
例13.如图13所示有梁式条形基础,计算其混凝土工程量。
图13 基础平面图及剖面图
a) 平面图 b) 内墙基础剖面图 c)1-1剖面图 d)内墙基础计算长度取值
例14.某现浇钢筋混凝土带型基础,如图14所示,现浇钢筋混凝土独立基础,如图示,
共三个。
混凝土垫层强度等级为C15,混凝土基础强度等级为C20,场外集中搅拌,计算现浇钢筋混凝土带型基础、独立基础混凝土工程量。
图14 现浇钢筋混凝土基础示意图
a)现浇混凝土带型基础示意图 b)现浇钢筋混凝土独立基础示意图
例15.如图15所示现浇钢筋混凝土单层厂房,屋面板顶面标高5.0m;柱基础顶面标高
-0.5m;柱截面尺寸为:Z3(300mm×400mm),Z4 (400mm×500mm),Z5(300mm×400mm),柱中心线与轴线重合。
用现场机拌C20混凝土20石泵送,屋面板混凝土按重量比加1%防水粉,编制工程量清单(不含基础,不计措施项目费)。
图15 现浇混凝土单层厂房
例16.见图16所示,计算8根现浇C20钢筋混凝土矩形梁的钢筋工程量,混凝土保护层为25mm。
图16 现浇C20钢筋混凝土矩形梁
例17.某钢筋混凝土配筋如图示。
已知板混凝土强度等级为C25,板厚100mm,正常环境下使用。
试计算板内钢筋工程量。
图17 现浇钢筋混凝土板配筋图
例18.某框架结构房屋,抗震等级为二级,其框架梁的配筋如图示,已知梁混凝土等级为C30,柱的截面尺寸为450mm×450mm,板厚100mm,正常室内环境使用,试计算梁内钢筋工程量。
图18 某框架结构房屋示意图
a)梁平面配筋图 b)腰筋及拉筋设置示意图 c)一、二级抗震等级楼层框架梁配筋示意图
注:在图b)中,ln表示相邻两跨的最大值,hb指梁的高度
例19.某独立小型住宅,基础平面及剖面如图19所示。
基础有100厚混凝土垫层;外墙拐角处,按基础宽度将分布筋改为受力筋;在内外墙丁字接头处受力筋铺至外墙中心线,计算钢筋工程量。
图19 钢筋混凝土条形基础a) 基础平面 b) 基础配筋断面
例20.某建筑物钢筋混凝土独立基础(杯型基础共24只)如图示,计算图示钢筋用量。
例21.图示为某钢筋混凝土连续梁配筋图,试计算该梁钢筋用量。
图21 梁配筋图
例22.已知某工程中构造柱的高度为3.8m,试计算图示位置的构造柱的混凝土工程量。
图22 构造柱设计示意图
a) 转角处 b) T形接头处 c) 十字接头处 d) 计算尺寸图
例23.某现浇框架结构房屋的三层结构平面如图示。
已知二层板顶高为3.3m,三层板顶标高为6.6m,板厚100mm,构件截面尺寸见表。
试对图中所示钢筋混凝土构件进行列项计算其工程量。
图23 三层结构平面图
例24.如图示,计算构造柱工程量。
90°转角:墙厚240mm,柱高12.0m;T形接头:墙厚240mm,柱高15.0m;十字形接头:墙厚240mm,柱高18.0m;一字形:墙厚240mm,柱高9.5m。
例25.如图示,圈梁截面为240mm×240mm,,墙上均设圈梁,门窗洞口处为圈梁代过梁,计算过梁和圈梁工程量。
图25 圈梁示意图
例26.有一两坡二毡三油卷材屋面,尺寸如图示。
屋面防水层构造层次为:预制钢筋混凝土空心板、1:2水泥砂浆找平层、冷底子油一道、二毡三油一砂防水层。
计算:1)当有女儿墙,屋面坡度为1:4时的工程量。
2)当有女儿墙,屋面坡度为2%时的工程量。
3)当无女儿墙有挑檐,坡度为2%时的工程量。
图26 两坡二毡三油卷材屋面尺寸示意图
a) 平面 b) 女儿墙 c) 挑檐
例27.如图示,L外1=50000mm,L外2=25000mm,女儿墙厚240mm,外墙厚365mm,屋面排水坡度2%,试计算其卷材平屋面工程量。
图27 卷材防水示意图
a) 女儿墙弯起部分示意图 b) 挑檐示意图
例28.根据图示尺寸和条件,计算屋面找坡工程量。
图28 平屋面找坡示意图
a) 尺寸示意图 b) 卷材搭接示意图
例29.某地下室工程外防水做法如图示,1:3水泥砂浆找平20mm厚,三元乙丙橡胶卷材防水(冷贴满铺),外墙防水高度做到±0.000,计算卷材防水工程量。
图29 某地下室示意图
例30.某工程地下室平面及墙身防水构造如图示,计算地下室墙身防水层工程量。
图30 地下室平面及墙身防水示意图
例31.某冷库室内设软木保温层,厚度100mm,层高3.4m,板厚100mm,如图示,试对其保温层列项并计算工程量。
图31 冷库平面图
例32.住宅楼一层住户平面如图示,地面做法如下:3:7灰土垫层300mm厚,60mm厚C15细石混凝土找平层,细石混凝土现场搅拌,20mm厚1:3水泥砂浆面层,计算整体面层工程量。
图32 一层平面图
例33.计算如图示房屋的花岗岩地面面层工程量。
图33 某房屋平面及基础剖
a)平面图 b) 基础剖面图
例34.如图示,设计为水泥砂浆面层,建筑物5曾,楼梯不同屋面,梯井宽度200mm,计算楼梯面层工程量。
图34 楼梯设计图
例35.某大楼有等高的8跑楼梯,采用不锈钢扶手栏杆,每跑楼梯高为2.00m,每跑楼梯扶手水平长为4m,扶手转弯处为0.3m,最后一跑楼梯连接的水平安全栏杆长为1.6m,求该大楼的扶手栏杆工程量。
图35 楼梯扶手示意图
例36.如图示,某建筑入口地面做法为:清理基层,刷素水泥浆,1:3水泥砂浆,水泥砂浆粘贴500mm×500mm大理石地面及大理石台阶,编制其工程量清单。
图36 某建筑大理石台阶。