建筑工程工程量计算例题
- 格式:ppt
- 大小:103.50 KB
- 文档页数:9
一、土石方工程清单编制例题例1:某工程外墙外边线尺寸为36.24m×12.24m,底层设有围护栏板的室外平台共4只,围护外围尺寸为3.84m×1.68m;设计室外地坪土方标高为-0.15m,现场自然地坪平均标高为-0.05m,现场土方多余,需运至场外5km处松散弃置,按规范编制该工程平整场地清单项目。
解:该工程按自然标高计算,多余土方平均厚度0.10m,按题意需考虑外运。
工程量计算:平整场地:S=36.24×12.24+3.84×1.68×4=469.38m2分部分项工程量清单表1-1序号项目编码项目名称计量单位工程数量1 010********* 平整场地,余土平均厚度0.1m,外运距离5km处松散弃置m2469.38例2:如图,某房屋工程基础平面及断面如图,已知:基底土质均衡,为二类土,地下常水位标高为-1.1m,土方含水率30%;室外地坪设计标高-0.15m,交付施工的地坪标高-0.3m,基坑回填后余土弃运5km。
试计算该基础土方开挖工程量,编制工程量清单。
解:本工程基础槽坑开挖按基础类型有1-1、2-2和J-1三种,应分别列项。
工程量计算:挖土深度=1.6-0.3=1.30 m1、断面1-1:L=(10+9)×2-1.1×6+0.38=31.78m (0.38为垛折加长度)V=31.78×1.4×1.3=57.84m3其中:湿土V=31.78×1.4×0.5=22.25m32、断面2-2:L=9-0.7×2+0.38=7.98mV=7.98×1.6×1.3=16.60m3其中:湿土V=7.98×1.6×0.5=6.38m33、J-1:V=2.2×2.2×1.3×3=18.88m3其中:湿土V=2.2×2.2×0.5×3=7.26m3图4-1根据工程量清单格式,编制该基础土方开挖工程量清单如下表:分部分项工程量清单表1-2序号项目编码项目名称计量单位工程数量1 010********* 挖1-1有梁式钢筋砼基槽二类土方,基底垫层宽度1.4m,开挖深度1.3m,湿土深度0.5m,土方含水率30%,弃土运距5km m357.842 010********* 挖2-2有梁式钢筋砼基槽二类土方,基底垫层宽度1.6m,开挖深度1.3m,湿土深度0.5m,土方含水率30%,弃土运距5km m316.603 010********* 挖J-1钢筋砼柱基基坑二类土方,基底垫层2.2m×2.2m,开挖深度1.3m,湿土深度0.5m,土方含水率30%,弃土运距5km m318.88例3:某工程室外排水管道WSI,工程量80m(含窨井),采用外径450mm水泥涵管直铺。
【例】某工程采用预拌混凝土,已知C20混凝土独立基础85m3,独立基础模板接触面积179.1m2,用工料单价法计算工程造价(按三类工程取费,市区计取税金,预拌混凝土市场价330元/m3),其他可竞争措施项目仅计取“生产工具用具使用费”、“检验试验配合费”。
工程预算表取费程序表例题解析:1.其他可竞争措施项目中的其他11项费用按建设工程项目的实体项目和可竞争措施项目(11项费用除外)中人工费与机械费之和乘以相应系数计算。
2.企业管理费、规费、利润的计费基数是相同的,即按直接费中的人工费与机械费之和乘以相应费率,其中直接费包括直接工程费和措施费。
3.价款调整包括人、材、机的价差调整,价款调整不参与取企业管理费、规费和利润。
4.注意2012年新定额安全生产、文明施工费计算的变化。
【例】如图,计算人工挖土方、钎探、回填土、余土外运、砖基础工程量。
(土质类别为二类,垫层C15砼,室外地坪-0.300)【例】如下图所示尺寸,求混凝土带型基础模板和混凝土的工程造价。
备注:按三类工程取费,企业管理费费率为17%,利润费率为10%,规费费率为25%,税金税率为3.48%,安全生产、文明施工费为4.25%。
解:(1)带型基础外侧模板 S1=[(4.5×2+0.5×2)×2+(4.8+0.5×2)×2]×0.3=9.48 m2(2) 带型基础内侧模板 S2=[(4.5-0.5×2)×2+(4.8-0.5×2)×2]×0.3×2=8.76 m2带型基础模板工程量 S= S1+ S2=18.24 m2(模板工程量3分)(3)带形基础混凝土外墙 V=1×0.3×(4.5+4.5+4.8)×2=8.28 m3 (混凝土工程量2分)内墙 V=1×0.3×(4.8-1)=1.14 m3 (混凝土工程量2分)合计:9.42 m3预算表取费:1. 直接费 3329.7元2.其中人+机 1021.36元3.企业管理费 1021.36×17%=173.63元4.规费 1021.36×25%=255.34元5.利润 1021.36×10%=102.14元6安全生产、文明施工费 3860.81×4.25%=164.08元7.税金 4024.89×3.48%=140.07元【例】如图所示内外墙毛石基础、砖基础平面图和剖面图,毛石基础每级高度为350mm,试计算砌体基础工程量。
建筑工程量计算实例一、概述建筑工程量计算是建筑工程中非常重要的一个步骤,它对于正确估算工程成本、合理安排施工计划以及控制工程质量都起着至关重要的作用。
本文将通过一个实例来说明建筑工程量计算的过程和方法。
二、工程描述我们以某个住宅小区的单层楼房为例进行工程量计算。
该楼房的平面布置为矩形,长30米,宽20米,总高度为12米。
楼房的结构主要是砖混结构,外墙面采用石材饰面,屋顶为钢结构加覆盖瓦。
该楼房共有5个单元,每个单元包含3个房间。
三、基础工程量计算1. 基础开挖根据设计要求,楼房的地基采用扩大基础,基础底板厚度为 1.5米。
根据楼房的平面尺寸,基础开挖的面积为(30+2×1.5)×(20+2×1.5) = 675平方米。
2. 地基处理楼房地基的处理包括平整、填土和夯实等工作。
根据设计要求,地基处理的总量为675平方米。
3. 混凝土楼房的地基、楼板和柱子等部分需要浇筑混凝土。
根据设计要求,总共需要混凝土的体积为(30×20×1.5) + (30×20×0.3) + (30×0.3×12×5) = 960立方米。
4. 钢筋混凝土中需要加入钢筋来增强结构的强度。
根据设计要求,总共需要钢筋的重量为(30×20×1.5)×150 + (30×20×0.3)×150 +(30×0.3×12×5)×150 = 216吨。
四、主体工程量计算1. 砌体墙楼房的外墙面采用砌体墙,根据设计要求,总共需要砌体的面积为(30+20)×2×12×5 = 2400平方米。
2. 石材饰面外墙砌体墙需要进行石材饰面装饰,根据设计要求,所需石材的面积为(30+20)×2×12 = 960平方米。
七、计算题:1、已知建筑平面图及剖面图如图示,墙厚370 mm,部分楼层墙厚240 mm,层高2。
7 m,试计算其建筑面积。
解:建筑面积=(22+0。
37)×(10+0.37)+(5+0。
37)×(5+0.37)=260。
81m22、某工程捣制钢筋混凝土独立基础,模板接触面积为50m2,查表可知一次使用模板每10m2需用板材0。
36m3,方才0。
45m3,模板周转次数6次,每次周转损耗率16.6%,试计算混凝土模板一次需用量和施工定额摊销量。
解:混凝土模板摊销量计算1)计算混凝土模板一次使用量:模板一次使用量=50×0。
36 m3/10 m2=1。
8m32)计算周转使用量模板周转使用量={一次使用量×[1+(周转次数—1)×损耗率]}/周转次数=1.8×[1+(6-1)×16。
6%] /6=0。
549m33)计算回收量(模板)模板回收量= 一次使用量×(1-损耗率)/周转次数=1.8/6×(1—16。
6%)=0.25m34)计算摊销量(模板)模板摊销量=周转使用量—回收量=0。
549—0.25=0.299 m33、依据湖北省建筑装饰工程消耗量定额及统一基价表,如图某单层建筑物,外墙顶面高度3.00米,外墙设计采用15mm厚1∶1∶6混合砂浆打底,50×230外墙砖贴面,室内外地坪高差—0。
45m,设计地面做法为30mm厚细石混凝土找平,1∶3水泥砂浆铺贴300×300mm地砖面层,踢脚为150mm高地砖。
试计算楼地面工程装饰的工程量。
(门、窗居墙中安装,墙厚240mm,门窗框厚90mm,每个房间的中心轴线尺寸为3300*6000mm,窗C1、C2、M1洞口尺寸分别为:1.5×1。
2m、1。
5×2。
0m、0.9×2.4m).解:楼地面工程项目和工程量分别为:⑴30mm细石砼找平层(3。
造价员考试复习案例一、土石方工程清单编制例题例1:某工程外墙外边线尺寸为36.24m ×12.24m ,底层设有围护栏板的室外平台共4只,围护外围尺寸为3.84m ×1.68m ;设计室外地坪土方标高为-0.15m ,现场自然地坪平均标高为-0.05m ,现场土方多余,需运至场外5km 处松散弃置,按规范编制该工程平整场地清单项目。
解:该工程按自然标高计算,多余土方平均厚度0.10m ,按题意需考虑外运。
工程量计算:平整场地:S =36.24×12.24+3.84×1.68×4=469.38m 2分部分项工程量清单 表1-1序号项目编码项目名称计量单位工程数量1010101001001平整场地,余土平均厚度0.1m ,外运距离5km 处松散弃置m 2469.38例2:如图,某房屋工程基础平面及断面如图,已知:基底土质均衡,为二类土,地下常水位标高为-1.1m ,土方含水率30%;室外地坪设计标高-0.15m ,交付施工的地坪标高-0.3m ,基坑回填后余土弃运5km 。
试计算该基础土方开挖工程量,编制工程量清单。
解:本工程基础槽坑开挖按基础类型有1-1、2-2和J -1三种,应分别列项。
工程量计算:挖土深度=1.6-0.3=1.30 m1、断面1-1:L =(10+9)×2-1.1×6+0.38=31.78m (0.38为垛折加长度) V =31.78×1.4×1.3=57.84m 3其中:湿土 V =31.78×1.4×0.5=22.25m 32、断面2-2:L =9-0.7×2+0.38=7.98m图4-1V =7.98×1.6×1.3=16.60m 3 其中:湿土 V =7.98×1.6×0.5=6.38m 33、J -1: V =2.2×2.2×1.3×3=18.88m 3 其中:湿土 V =2.2×2.2×0.5×3=7.26m 3根据工程量清单格式,编制该基础土方开挖工程量清单如下表:分部分项工程量清单表1-2序号项目编码项目名称计量单位工程数量1010101003001挖1-1有梁式钢筋砼基槽二类土方,基底垫层宽度1.4m ,开挖深度1.3m ,湿土深度0.5m ,土方含水率30%,弃土运距5kmm 357.842010101003002挖2-2有梁式钢筋砼基槽二类土方,基底垫层宽度1.6m ,开挖深度1.3m ,湿土深度0.5m ,土方含水率30%,弃土运距5kmm 316.603010101003003挖J -1钢筋砼柱基基坑二类土方,基底垫层2.2m ×2.2m ,开挖深度1.3m ,湿土深度0.5m ,土方含水率30%,弃土运距5km m 318.88例3:某工程室外排水管道WSI ,工程量80m (含窨井),采用外径450mm 水泥涵管直铺。
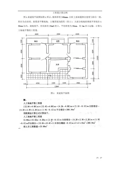
工程量计算示例例1.某建筑平面图如图1所示,墙体厚度240mm,台阶上部雨篷伸出宽度与阳台一致,阳台为全封闭。
按要求平整场地,土壤类别为Ⅲ类(坚土),大部分场地挖填找平厚度在±30cm以内,就地找平,但局部有23m3挖土,平均厚度为50cm,有5m弃土运输。
计算人工场地平整的工程量。
图1 某建筑平面图例2.如图2所示,求建筑物人工平整场地工程量。
图2 人工平整场地示意图例3.某工程场地平整,方格网边长确定为20m,各角点自然标高和设计标高如图所示。
土类为Ⅱ类普通土,常年地下水位为-2.40m。
计算人工开挖土方的工程量。
图3 某工程场地示意图例4.某建筑物基础平面及剖面如图所示。
已知设计室外地坪以下砖基础体积为15.85m3,混凝土垫层体积为2.86m3,室内地面厚度为180mm,工作面C=300mm,土质为Ⅱ类普通土。
要求挖出土方堆于现场,回填后余下的土外运。
试对土石方工程相关项目进行列项,并计算各分项工程量。
图4 某建筑物基础平面及剖面图a) 平面图b)基础1-1剖面图例5.如图所示,现场土质为Ⅱ类普通土,地槽双面支挡土板,墙厚240mm,计算人工挖地槽和支挡土板工程量。
支挡土板沟槽平面图例6.土壤类别为Ⅱ类普通土,基础为现浇混凝土独立基础,垫层宽度1.5m,挖土深度2.3m,其施工方案如图示。
编制其工程量清单计价表。
图6 独立柱基础结构示意图a)独立柱基础平面图b)独立柱基础剖面图例7.如图7所示,某办公楼工程为砖混结构,外墙厚365mm,内墙厚240mm,楼板厚120mm,计算:“三线一面”基数;基础工程量;实砌墙体工程量。
门窗及墙体埋件见下表图7 某办公楼工程示意图例8.某工程等高式标准砖大放脚基础如图所示,当基础墙高h=1.6m,基础长l=27.85m 时,计算砖基础工程量。
例9.某建筑物如图所示。
内外墙与基础均为砖砌,均用M5水泥石灰砂浆砌筑。
内、外砖墙厚度均为240mm,外墙为清水砖墙,用水泥膏勾缝,外墙裙顶标高为1.2m。
2、计算图示工程各层建筑面积及总建筑面积1、计算图示工程平整场地工程量(清单规范规则)、各层建筑面积及总建筑面积(99重庆规则)。
(18分)解:平整场地=153.19m2(2分)一层面积=153.19m2(5分)二层面积=128.98m2(5分)三层面积= 95.59m2(5分)总建筑面积=377.78 m2(1分)(工程量计算格式不限,计算结果±1m2以内得分。
)案例2某建筑物如下图所示。
内、外墙与基础均为MU7.5灰砂标砖砖砌,均用M7.5水泥石灰砂浆砌筑。
土壤为三类土,不考虑弃土运距5km。
内、外砖墙厚度均为240mm,外墙为单面清水砖墙,M7.5水泥砂浆勾缝。
圈梁断面为240mm×180mm,用C20混凝土(碎石粒径5-20,特细沙)沿内外墙每层及基础设置,纵向钢筋4φ8,箍筋φ6@200,135o弯钩。
层高均为3000mm,板厚120mm,无女儿墙。
内外墙基础均为三级等高大放脚砖基础,断面相同如图所示,砖基础下为C10混凝土垫层(混凝土碎石粒径5-20,特细沙)。
门窗洞口尺寸为:M-l尺寸为900mm×2400mm; C-1尺寸为1800mm×1500mm。
试依据所提供资料,编制分部分项工程量清单(钢筋锚固、搭接量按0.0533的系数计算)。
(42分)M-1 M-1M-1C-1C-1C-1C-1C-1二、三层平面图C-1基础断面图分部分项工程量清单工程名称:某三层建筑物第页共页(工程量计算格式不限,计算正确,并正确填入下表每项2分,计算式正确,答案错可酌情得分。
)2、编制分部分项工程量清单分部分项工程量清单垫层面积:0.815x(43.2+9.17)=42.68m2挖土深度:案例3某建筑物如下图所示。
内、外墙与基础均为MU7.5灰砂标砖砖砌,均用M7.5水泥石灰砂浆砌筑。
土壤为三类土,不考虑弃土运距5km。
内、外砖墙厚度均为240mm,外墙为单面清水砖墙,M7.5水泥砂浆勾缝。
建筑工程量计算单选题1、按照《建筑工程建筑面积计算规范》的规定,建筑物内的管道井应( )计算建筑面积。
A、不B、按其投影面积C、按其投影面积的一半D、按建筑物的自然层正确答案:建筑物内的管道中应按建筑物的自然层来计算建筑面积。
答案解释:D2、题2工程图纸中,图示尺寸为实物尺寸的1/10,则比例为( )。
A、1:100B、1:1000C、1:10D、10:1正确答案:答案解释:C3、题3按照《全国统一建筑工程预算工程量计算规则》的规定,水塔混凝土的工程量计算,包括筒身和槽底两部分。
筒身与槽底的划分界限为( )。
A、槽底连接的圈梁B、设计室外地坪C、槽的底部D、槽底连接的圈梁底正确答案:水塔混凝土工程量包括筒身和塔底两部分,筒身与塔底的划分,以塔底连接的圈梁底为界。
答案解释:D4、题4以下属于按专业划分的建筑工程图的是( )。
A、平面图B、立面图C、桥梁工程图D、剖面图正确答案:答案解释:C5、题5工程图纸中,除建筑标高以米为单位标注外,其他尺寸均以( )为单位。
A、mB、kmC、cmD、mm正确答案:答案解释:D6、题6图样中,下方轴线编号为( )。
A、自左向右数字编号B、自右向左数字编号C、自左向右字母编号D、自右向左字母编号正确答案:轴线编号一般在图的下方和左侧,左侧编号自下而上字母编号,下方编号自左向右数字编号。
答案解释:A7、题7工程图纸绘制时,小比例尺常用于( )。
A、详图B、平面图C、立面图D、总平面图正确答案:答案解释:D8、题8工程图纸中应分层次标注尺寸,其中最外层标注( )。
A、细部尺寸B、分尺寸C、总尺寸D、门窗尺寸正确答案:答案解释:C9、题9工程图样中只用米和毫米做单位,下列选项中以米为单位标注的是( )。
A、建筑标高B、门窗尺寸C、房间尺寸D、大房间尺寸正确答案:图样中除建筑标高和总平面图尺寸用米作单位外,其余全部以毫米作单位。
答案解释:A10、题10按照《建筑工程建筑面积计算规范》的规定,以下关于建筑面积计算说法正确的是( )。
(建筑工程管理)工程量计算第十章工程量计算一、单项选择题:⒈已知某建筑物外边线长20m,宽15m,则其平整场地工程量为();A、456 m2B、300 m2C、374 m2D、415 m2⒉某工程使用100块预制平板,每块体积0.120m3,则该平板的制作工程量为();A、12m3B、12.18m3C、12.24 m3D、12.36m3⒊室内顶棚装饰距离室内地坪高度在() m以上时,应计算满堂脚手架;A、3B、3.6C、4.2D、5.2⒋现浇钢筋混凝土楼梯工程量,按()计算;A、实际体积计算B、斜面积计算C、水平投影面积D、垂直投影面积⒌墙的厚度砖数为1.5的标准砖砌体时,计算其体积厚度应是();A、355mmB、370mmC、365mmD、360mm⒍凡坑底面积大于20 m2,挖土厚度在()以外,则称挖土方;A、10cmB、20cmC、30cmD、45cm⒎钢筋砼带形高杯墙基础,当高杯部分的高度()高杯部分的厚度时,高杯部分并入基础内计算;A、≤3倍B、>3倍C、≤5倍D、>5倍⒏直径为φ10的钢筋每米重量为()kg/mA、0.650B、0.617C、0.888D、0.750⒐现浇钢筋砼独立柱基础与框架柱的分界线以()为准;A、室外地坪标高B、室内地坪标高C、±0.000D、柱基上表面⒑8mm的钢板每m2重量为()kg/m2㎏;A、0.395B、78.5C、47.1D、62.8 ⒒某工程使用YKB365-4的预应力空心板400块,每块图示体积为0. 125m3,则该空心板的制作工程量应是() m3;A、50B、50.75C、400D、406 ⒓、砖砌体内钢筋加固按()计算;A、钢筋重量B、钢筋长度C、墙体体积D、实厚度为⒔钢筋工程中,半圆弯钩增加长度为();A、3.9 dB、6.25 dC、5.9 dD、30 d⒕计算砌筑基础工程量时,应扣除单个面积在()以上的孔洞所占面积;A、0.15m2㎡B、0.3m2㎡C、0.45m2㎡D、0.6m2㎡⒖基槽是指基底宽度3m以内,基槽长度为基底宽度的();A、2倍B、1倍 C、4倍D、3倍⒗、在计算砖墙的工程量时,1/2砖墙的计算厚度应按();A、53mm㎜B、115mm㎜C、120mm㎜D、240mm㎜⒘整体面层、找平层的工程量,应扣除地面上()所占面积;A、间壁墙B、附墙烟囱C、突出地面的设备基础D、0.3m2以内的孔洞⒙楼地面工程中,地面垫层工程量,按底层()乘设计垫层厚度以立方米计算;A、主墙中心线间净面积B、建筑面积C、主墙间净面积D、主墙外边线间面积⒚筑物基础打预制钢筋混凝土方桩120根,桩长(桩顶面至桩尖底)9.5 m,断面尺寸为250mm×250mm,若将桩送入地下0.5 m,则送桩工程量为( );A、7.5 m3B、3.75m3C、11.25 m3D、5.63 m3⒛挑檐、天沟、腰线等装饰抹灰的工程量,应();A、按延长米计算,并执行零星抹灰定额B、按“米”计算,并入相应的外墙装饰抹灰工程量内计算C、按图示尺寸展开面积以“平方米”计算,并入相应的外墙装饰抹灰工程量内D、按图示尺寸展开面积以“平方米”计算,并执行零星抹灰定额21.某单层建筑物天棚净高8.3m,其满堂脚手架的增加层为();A、1B、2C、3D、422.将10根300mm×300mm预制钢筋砼方桩送入地坪以下1m深,其送桩工程量为();A、0.9 m3B、1.35 m3C、0.09 m3D、3.0 m323. 卷材屋面女儿墙处弯起部分工程量,图纸无规定时,可按()计算;A、上弯500mm㎜B、上弯250mm㎜C、上弯350mm㎜D、上弯150mm某建24.某钢筋混凝土楼梯,楼梯间为一砖墙,墙间中心线宽为3.3 m,梯阶长度为2.7 m,休息平台1.5 m,楼梯板连接梁宽0.24 m,其工程量为( );A、13.59㎡B、12.86㎡C、14.7㎡D、14. 6㎡25.沟槽底宽3.1 m,槽长20 m,槽深0.4 m的挖土为( ) ;A、平整场地B、挖沟槽C、挖基坑D、一般土方26.建筑挖土一律以( )标高为准;A、室外设计B、室内设计C、室外自然D、基础顶面27灰工程量,应扣除( )所占面积;A、踢脚线B、门窗洞口及空圈C、挂镜线D、墙与构件交界处28.现浇钢筋混凝土构件中墙、板上的孔洞超过( )时应与扣除;A、0.25m2㎡B、0.3 m2㎡㎡C、0.45 m2㎡㎡D、0.5 m2㎡29.钢筋工程中,弯起角度为450时,增加长度为( );A、0.268 hB、0.33 hC、0.414 hD、0. 577 h30. 计算打入预制砼桩送桩工程量时,送桩长度为自桩顶面至自然地面另加( );A、1.0mB、1.5 mC、0.25mD、0.5m 内墙抹31. 墙面勾缝工程量按垂直投影面积以平方米计算应扣除的面积是( );A、门窗洞口抹灰面积B、腰线抹灰所占面积C、墙裙抹灰的面积D、附墙柱的勾缝面积32.各类木门窗制作、安装的工程量均按( )计算;A、框外围面积B、洞口面积C、扇外围面积D、洞口面积除以1.0333. 以下应计入砌筑墙体工程量的内容是( );A、突出墙面的窗台虎头砖B、三匹砖以内的腰线突出部分C、女儿墙压顶D、三匹砖以上的挑檐突出部分34.不按实体体积计算混凝土工程量的有( );A、现浇钢筋混凝土阳台B、现浇钢筋混凝土栏板C、现浇钢筋混凝土楼梯D、现浇钢筋混凝土栏杆35. 现浇砼圈梁的工程量( );A、并入墙体工程量B、单独计算,执行圈梁定额C、并入楼板工程量D、不计算36.工程量计算时,240厚砖墙T形接头构造柱的断面积为( );㎡A、0.0576m2B、0.072 m2C、0.0792 m2D、0.09 m237.砼基础垫层厚度大于300mm时,套用( )定额;A、砼的基础B、砼的基础垫层C、砼的垫层D、砼的楼地面垫层38.砖墙基础与砖墙的划分,以( )为界。
女儿墙工程量计算例题1. 女儿墙工程量计算例题女儿墙是一种常见的建筑构件,常用于围墙、栏杆、护栏等场所。
在建筑工程中,计算女儿墙的工程量是非常重要的一项任务。
本文将通过一个实际例题,详细介绍女儿墙工程量的计算方法,并探讨其在实际工程中的应用。
2. 问题描述某个小区需要建造一条围墙,其中包括了若干段女儿墙。
根据设计要求,每段女儿墙的高度为1.2米,长度为3米。
每段女儿墙上需要安装8个柱子,并在柱子之间安装护栏。
3. 女儿墙柱子数量计算首先我们需要计算出每段女儿墙上所需的柱子数量。
根据设计要求,每段女儿墙上需要安装8个柱子。
4. 女儿墙护栏数量计算接下来我们需要计算出每段女儿墙上所需的护栏数量。
由于每段女儿墙长度为3米,并且设计要求是在两个相邻柱子之间安装一个护栏。
首先我们需要计算出每段女儿墙上的柱子数量。
根据设计要求,每段女儿墙上需要安装8个柱子。
柱子数量 = 8个接下来我们计算出每段女儿墙上的护栏数量。
由于每段女儿墙长度为3米,并且设计要求是在两个相邻柱子之间安装一个护栏。
护栏数量 = (女儿墙长度 / 护栏间距) - 1其中,女儿墙长度为3米,护栏间距为1.2米。
护栏数量 = (3 / 1.2) - 1 = 2所以,每段女儿墙上需要安装2个护栏。
5. 女儿墙砖块数量计算接下来我们需要计算出每段女儿墙所需的砖块数量。
由于每段女儿墙的高度为1.2米,长度为3米,并且设计要求是使用标准砖块进行砌筑。
首先我们需要计算出每平方米所需的砖块数量。
标准砖块的尺寸通常为240mm × 115mm × 53mm(长× 宽× 高)。
标准砖块面积= (240 / 1000) × (115 / 1000) = 0.0276平方米每平方米所需的砖块数量 = 1 / 标准砖块面积 = 1 / 0.0276 = 36.23块所以,每平方米的女儿墙所需的砖块数量为36.23块。
工程量清单计价【任务】某建筑①轴外墙砖基础如下图:中心线长39.3m,高1.00m,具体做法:100mm厚C15砼垫层;防水砂浆防潮层一道;M5水泥砂浆砌砖基础,对此基础工程进行清单报价(按08规范做招标控制价)。
①1.确定工程量清单项目及工程量序号项目编码项目名称项目特征描述计量单位工程量综合单价金额(元)合价其中计费基数暂估价2.综合单价组价假定:企业管理费率9%;利润率8%,材料检验试验费率0.2%,仅考虑人工价差11元/工日工程量清单综合单价分析表(山西省用)工程名称:共页第页序号项目编码项目名称项目单位及数量定额编号定额名称定额单位含量人工费①材料费②机械费③动态调整和风险费用④企业管理费⑤=(①+②+③)×费率利润⑥=(①+②+③+⑤)×费率综合单价(元)⑦=(①+②+③+④+⑤+⑥)/清单工程量二、措施项目清单的计价【任务】假设投标企业为总承包企业。
该拟建工程为六层建筑,分部分项工程直接工程费为100000元。
根据施工组织设计确定该拟建工程只发生文明施工、安全施工、临时设施、混凝土及钢筋混凝土模板、脚手架、垂直运输等费用。
用我省《计价依据》2005年费用定额和建筑工程消耗量定额计价(材料的检验试验费按材料费的0.2%,风险因素按材料费得3.5%,企业管理费按直接费得9%,利润按直接费加企业管理费得8%).表2.2-25 措施项目费分析工程名称:×××工程序号措施项目名称单位数量金额(元)小计人工费材料费机构费企业管理费利润风险因素1 文明施工项 12 安全施工项 12 模板项 1其中垫层模板m214……3 脚手架项 1 …………………3、填写措施项目清单计价表,见表2-5,表2-6措施项目清单与计价表(一)序号项目名称计算基础费率(%)金额(元)1 环境保护费2 文明施工费直接工程费3 安全施工费4 临时设施费(生活)5 临时设施费(生产)6 夜间施工费7 二次搬运费8 冬雨季施工费9 定位复测、工程定点、场地清理10 生产工具用具使用费11 模板12 脚手架13 垂直运输14 大型机械进出场安拆15 施工降水排水合计表2-6 措施项目清单与计价表(二)序号项目编码项目名称项目特征描述计量单位工程量金额(元)综合单价合价1 B1201 垫层模板砼基础垫层钢m2模板合计【任务】某工程直接工程费200万元,其中人工费55万元,材料费135万元,技术措施费50万元,其中人工工资占12.5万元,试按清单计价模式计算其工程造价。
建筑工程预算工程量土石方工程计算例题:例题:某工程基础平面图、剖面图如下所示,自然地坪平均标高为设计室外地坪标高。
已知室外设计地坪以下各个项目的工程量为:垫层体积4.12m3,砖基础体积24.62m3;地圈梁(底标高为设计室外地坪标高)体积2.55m3。
试求建筑物平整场地、挖土方、基础回填土、室内回填土、余(取)土运输工程量(不考虑挖填土方运输)。
图示尺寸单位为毫米,按三类土计算。
解:1、场地平整面积S=(9+0.24+4)×(6+0.24+4)=135.58 m22、挖土方:(采用人工放坡开挖)H=2.0-0.3=1.7m 放坡系数K=0.33 工作面宽度C=300mm断面1:断面面积S1=(B+2C+KH) ×H=(1+2×0.3+0.33×1.7) ×1.7=3.6737 m2断面长度L1=(9+6)×2+[9-(0.3×2+0.5×2)]=37.4m断面1开挖体积V1=S1×L1=3.6737×37.4=137.40 m3断面2:断面面积S2=(B+2C+KH)×H=(0.8+2×0.3+0.33×1.7)×1.7=3.3337 m2断面长度L2=2×(3-10.322+⨯-10.322+⨯)=2.8m断面1开挖体积V2=S2×L2=3.3337×2.8=9.33 m3挖土方V= V1+ V2=137.40+9.33=146.73 m33、基础回填土体积=146.73-4.12-24.62=117.99 m34、室内回填土厚度=0.3-0.1=0.2m室内回填土净面积=(4.5-0.24)×(3-0.24)×4 =47.03 m2室内回填土体积=47.03×0.2=9.41 m35、余(取)土运输工程量=挖土方-基础回填土体积-室内回填土体积=146.73-117.99-9.41=19.33 m3。