接线图.梯形图48例(欧姆龙PLC经验设计法)
- 格式:pdf
- 大小:6.36 MB
- 文档页数:59
西门子PLC编程接线图详解及梯形图程序实例
今天给大家分享的是关于PLC编程控制入门常用到的实例。
里面包含的知识点是较为齐全的,如:I/O分配表、PLC接线图、梯形图程序等。
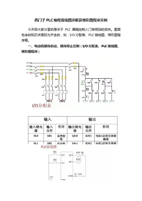
一、电动机顺序启动、顺序停止控制(I/O分配表、PLC接线图、梯形图程序)
二、电动机的顺序启动、同时停止(I/O分配表、PLC接线图、梯形图程序)
三、电动机的顺序启动、逆序停止(I/O分配表、PLC接线图、梯形图程序)
四、电动机延时启动、停止控制(I/O分配表、PLC接线图、梯形图程序)
五、笼型感应电动机定子绕组从串电阻降压启动控制系统(I/O分配表、PLC接线图、梯形图程序)
六、三相绕线感应电动机转子绕组串电阻降压启动控制系统(I/O 分配表、PLC接线图、梯形图程序)
七、Y-△降压启动控制系统(I/O分配表、PLC接线图、梯形图程
序)Y-△降压启动控制(1)
Y-△降压启动控制(2)
八、自耦变压器降压启动控制系统(I/O分配表、PLC接线图、梯形图程序)。
A-2接线图A-2-1CPU 单元20点I/O型CPU单元A-2 接线图附录A-2-1 CPU 单元30点I/O 型CPU 单元40点I/O型CPU单元A-2 接线图附录A-2-2 扩展I/O 单元分配给扩展I/O 单元的首输入字显示为CIO m 且首输出字显示为CIO n 。
A-2-2扩展I/O 单元8点输入单元8点输出单元16点输出单元A-2 接线图附录A-2-2 扩展I/O单元32点输出单元A-2 接线图附录A-2-2 扩展I/O单元20点I/O单元A-2 接线图附录A-2-2 扩展I/O 单元40点I/O 单元A-2-3扩展单元CP1W-AD041模拟量输入单元接线图z 输入端子排列注电流输入时,请将V IN1~I IN1, V IN2~I IN2,V IN3~I IN3以及V IN4~I IN4短路。
z 接线方式示例:V IN1电压输入 1I IN1电流输入 1COM1输入公共端 1V IN2电压输入 2I IN2电流输入 2COM2输入公共端 2V IN3电压输入 3I IN3电流输入 3COM3输入公共端 3V IN4电压输入 4I IN4电流输入 4COM4输入公共端 4A-2 接线图附录A-2-3 扩展单元CP1W-DA041模拟量输出单元接线图z 输出端子排列z 接线方式示例:V OUT1电压输出 1I OUT1电流输出 1COM1输出公共端 1V OUT2电压输出 2I OUT2电流输出 2COM2输出公共端 2V OUT3电压输出 3I OUT3电流输出 3COM3输出公共端 3V OUT4电压输出 4I OUT4电流输出 4COM4输出公共端4CP1W-MAD11 模拟量I/O 单元接线图z I/O 端子排列注 电流输入时,请将V IN0~I IN0以及V IN1~I IN1短路。
z 接线方式•模拟量输入接线•模拟量输出接线V OUT 电压输出I OUT 电流输出COM 输出公共端V IN0电压输入 0I IN0电流输入 0COM0输入公共端 0V IN1电压输入 1I IN1电流输入 1COM1输入公共端1A-2 接线图附录A-2-3 扩展单元示例:CP1W-TS001/TS002/TS101/TS102 温度传感器单元接线图z 热电偶的连接•CP1W-TS001CP1W-TS001中最多可连接2 个热电偶K 、J 。
PLC控制启动效率高、响应快、接线少、控制方便,PLC广泛应用到了工业自动控制中。
PLC指令众多,灵活应用指令进行编程是从事点电气控制设计人员必须思考的问题,现以三相异步电动机Y—△自动降压启动控制为例,说明PLC编程的多种方法。
关键词:PLC指令梯形图Y-△启动一、PLC的概述可编程控制器简称PC或PLC,它是在电气控制技术和计算机技术基础上开发出来的,并逐渐发展成为以微处理器为核心,把自动化技术、计算机技术、通信技术融为一体的新型工业控制装置。
目前,PLC 已广泛应用于各种生产机械和生产过程的自动化控制中,成为一种最普及、应用场合最多的工业控制装置,被公认为现代工业自动化的三大支柱(PLC、机器人、CAD/CAM)之一。
PLC不仅充分发挥了计算机的优点,可以满足各种工业生产过程自动控制的要求,同时又兼顾了一般电气操作人员的技术水平和习惯,采用梯形图或状态转移图等编程方式,使PLC的使用始终保持大众化的优点。
当生产流程需要改变时,可以现场改变程序,使用方便灵活。
工业自动控制系统中,电机Y—△降压启动都采用PLC进行控制。
PLC控制启动具有效率高、响应快、接线少、控制方便等优点,但在设计PLC控制线路及程序中必须兼顾考虑PLC及接触器的动作特点,否则实际运行中将出现理论分析上不可能出现的问题,启动无法进行而烧毁元件.下面以一台三相异步电动机Y—△自动降压启动控制为例,说明PLC控制的灵活性。
二、设计要求三相异步电动机启动时将三相定子绕组接成星形,以降低定子绕组电压,达到减小启动电流的目的;启动结束后再将三相定子绕组接成三角形,电动机在额定电压下正常运行.要求:启动时三相异步电动机接成Y型,经过一段时间自动转化为△型运行,要求Y型断开后△型才能启动,防止Y型未断△型启动造成电源短路。
三相异步电动机Y-△自动降压启动控制电路如图所示:三、设计方案方案一:利用控制电路图和梯形图一一对应的PLC控制通过分析继电交流接触控制电路的动作原理,确定控制对象及控制内容。
PLC顺序控制中编制梯形图的四种方式可(编程)控制器(PLC)外部接线简单方便,它的控制主要是程序的设计,编制梯形图是最常用的编程方式,使用中一般有经验设计法,逻辑设计法,继电器(控制电路)移植法和顺序控制设计法,其中顺序控制设计法也叫功能表图设计法,功能表图是一种用来描述(控制系统)的控制过程功能、特性的图形,它主要是由步、转换、转换条件、箭头线和动作组成。
这是一种先进的设计方法,对于复杂系统,可以节约60%~90%的设计时间.我国1986年颁布了功能表图的国家标准(GB6988.6-86)。
有了功能表图后,可以用四种方式编制梯形图,它们分别是:起保停编程方式、步进梯形指令编程方式、移位(寄存器)编程方式和置位复位编程方式。
本文以三菱公司F1系列PLC为例,说明实现顺序控制的四种编程方式。
例如:某PLC控制的回转工作台控制钻孔的过程是:当回转工作台不转且钻头回转时,若(传感器)X400(检测)到工件到位,钻头向下工进Y430当钻到一定深度钻头套筒压到下接近开关X401时,计时器T450计时,4s后快退Y431到上接近开关X402,就回到了原位。
功能表图见图1:图1功能表图2使用起保停电路的编程方式起保停电路仅仅使用与触点和线圈有关的指令,无需编程元件做中间环节,各种型号PLC的指令系统都有相关指令,加上该电路利用自保持,从而具有记忆功能,且与传统继电器控制电路基本相类似,因此得到了广泛的应用。
这种编程方法通用性强,编程容易掌握,一般在原继电器控制系统的PLC改造过程中应用较多。
如图2为使用起保停电路编程方式编制的与图1顺序功能图所对应的梯形图,图2中只有常开触点、常闭触点及输出线圈组成。
图2起保停电路实现顺序控制3使用步进梯形指令的编程方式步进梯形指令是专门为顺序控制设计提供的指令,它的步只能用状态寄存器S来表示,状态寄存器有断电保持功能,在编制顺序控制程序时应与步进指令一起使用,而且状态寄存器必须用置位指令SET置位,这样才具有控制功能,状态寄存器S才能提供STL触点,否则状态寄存器S与一般的中间继电器M相同。
OMRON PLC HMI连接电缆整理1、电脑针脚定义 (2)A、计算机9针公头针脚定义 (2)B、计算机25针母头针脚定义 (2)2、PLC RS-232母头针脚定义(CPM2A、CP1选件、CQ、CJ、CS) (3)3、计算机-PLC编程电缆 (3)4、计算机-HMI编程电缆 (4)A、计算机-NS/NP编程电缆 (4)B、计算机-NTZ编程电缆 (5)5、PLC-HMI RS-232通信电缆 (6)A、PLC-NS/NP 通信电缆 (6)B、PLC-NTZ通信电缆 (6)1、电脑针脚定义A、计算机9针公头针脚定义电脑9针RS-232串口针脚定义(插针)引脚 简写 功能说明1 CD载波侦测(Carrier Detect)接收数据(Receive)2 RXD发送数据(Transmit)3 TXD数据终端准备(Data Terminal Ready)4 DTR地线(Ground)5 GND数据准备好(Data Set Ready)6 DSR7 RTS请求发送(Request To Send)清除发送(Clear To Send)8 CTS振铃指示(Ring Indicator)9 RIB、计算机25针母头针脚定义电脑25针RS-232串口针脚定义(孔)引脚 简写 功能说明载波侦测(Carrier Detect)8 CD接收数据(Receive)3 RXD发送数据(Transmit)2 TXD数据终端准备(Data Terminal Ready)20 DTR7 GND地线(Ground)数据准备好(Data Set Ready)6 DSR请求发送(Request To Send)4 RTS5 CTS清除发送(Clear To Send)振铃指示(Ring Indicator)22 RI2、PLC RS-232母头针脚定义(CPM2A 、CP1选件、CQ 、CJ 、CS )引脚 信号略称 信号名称 信号方向 1 FG 帧用接地- 2 SD(TXD) 发送数据 输出 3 RD(RXD) 接收数据 输入 4 RS(RTS) 发送请求 输出 5 CS(CTS) 清除发送 输入 6 5V 电源 - 7 DR(DSR) 数传机就绪 输入 8 ER(DTR) 终端设备就绪 输出 9SG(0V)信号用接地-3、计算机-PLC 编程电缆4、计算机-HMI编程电缆A、计算机-NS/NP编程电缆B、计算机-NTZ编程电缆5、PLC-HMI RS-232通信电缆A、PLC-NS/NP 通信电缆B、PLC-NTZ通信电缆。
PLC编程基本功:梯形图与控制线路(附1164个三菱PLC实用案例)专注自动化培训14年技成培训网PLC的软件编程语言与一般计算机语言相比,具有明显的特点,它既不同于高级语言,也不同于一般的汇编语言,且要满足易于编写和调试的要求。
早期的PLC仅支持梯形图编程语言和指令表编程语言,现根据国际电工委员会制定了五种能支持PLC编程的语言,分别是:梯形图Delete(LD)、指令表Delete(IL)、功能模块图Delete(FBD)、顺序功能流程图Delete(SFC)、结构化文本Delete(ST)等等,今天给大家分享一些PLC的控制线路和梯形图,这算是比较基础实用的部分,一起来看看吧!起动、自锁和停止控制的PLC线路与梯形图起动、自锁和停止控制能使用驱动指令(OUT),也能够使用置位指令(SET、RST)来实现。
1、采用线圈驱动指令实现起动、自锁和停止控制线路与梯形图说明:点击起动按钮SB1时,PLC内部梯形图程序中的起动触点X000闭合,输出线圈Y000得电,输出端子Y0内部硬触点闭合,Y0端子与COM端子之间内部接通,接触器线圈KM得电,主电路中的KM主触点闭合,电动机得电起动。
点击停止按钮SB2时,PLC内部梯形图程序中的停止触点X001断开,输出线圈Y000失电, Y0、COM端子之间的内部硬触点断开,接触器线圈KM失电,主电路中的KM主触点断开,电动机失电停转。
2、采用置位复位指令实现起动、自锁和停止控制其PLC接线图与上面类似。
线路与梯形图说明:点击起动按钮SB1时,梯形图中的起动触点X000闭合,[SET Y000]指令执行,指令执行结果将输出继电器线圈Y000置1,相当于线圈Y000得电,使Y0、COM端子之间的内部硬触点接通,接触器线圈KM得电,主电路中的KM主触点闭合,电动机得电起动。
点击停止按钮SB2时,梯形图程序中的停止触点X001闭合,[RST Y000]指令被执行,指令执行结果将输出线圈Y000复位,相当于线圈Y000失电,Y0、COM端子之间的内部硬触点断开,接触器线圈KM失电,主电路中的KM主触点断开,电动机失电停转。
CPM1A 系列PLC 中常用的15 个专用继电器及它具体编号和功能如下:25200 继电器:高速计数复位标志(软件复位)25208 继电器:外设通讯口复位时仅一个扫描周期为ON 然后回到OFF 状态。
ON 为保持强制置位/ 复位的接点;OFF 为解除强制置位/ 复位的接点。
25211 继电器:强制置位/ 复位的保持标志。
编程模式与监视模式互相切换时。
1809 变ON 并报警,25309 继电器:扫描时间出错报警。
当PLC 扫描周期超过100 时。
但CPU 仍继续工作;当PLC 扫描周期超过130 时,CPU 将停止工作。
25313 继电器:常ON 继电器25314 继电器:常OFF 继电器25315 为ON 一个扫描周期,25315 继电器:第一次扫描标志。
PLC 开始运行时。
然后变OFF可用在定时或构成闪烁电路。
其中,25500~25502 继电器:时钟脉冲标志。
这 3 个继电器用于产生时钟脉冲。
25500 产生0.1 脉冲(0.05sON 0.05sOFF 电源中断时能保持当前值;25501 产生0.2 脉冲( 0.1sON 0.1sOFF 具有断电保持功能;25502 产生1s 脉冲( 0.5sON 0.5sOFF 具有断电保持功能。
欧姆龙PLC脉冲输出连续,独立模式什么区别?独立模式下操作:1)在独立模式下,仅由PULS(065)指定的输出脉冲数将被输出。
2)在执行SPED(064)之前,输出脉冲数必须通过执行PULS(065)来指定。
(如果输出脉冲数没有被预先指定,脉冲将不会输出)。
3)当计算的动程脉冲数是负的,将使用动程脉冲数的绝对值。
(例如,如果动程脉冲数是-500,将使用500这个值),见例图1所示。
连续模式下的操作:1)在连续模式下,脉冲按定义的值输出,直到执行C = 003的INI(061)指令,或再次执行F = 0000的SPED(064)指令或将PLC切换到编程模式才停止,见例图2所示。
欧姆龙是日系PLC中最重要的品牌,其PLC产品在中国大陆占有率名列前茅,研究欧姆龙PLC的维修具有普遍的工控意义,下文以开关电源维修为例来分析欧姆龙PLC的维修过程。
如果一台欧姆龙PLC,上电后不显示了,往往是开关电源坏了。
千万不要以为是多么难修复,因此而将这台PLC报销了是很可惜的。
欧姆龙PLC的开关电源往往是很简单的,实物测绘的电路如下:该电路简直太精简了。
除了一只电源模块,似乎见不到别的元件。
最近修过几台。
发现这类电源有一个通病:坏的元件只有三个,F11保险丝;IC11电源模块;这第三个元件最不为人注意,即C12这只电解电容。
其实它也是整个电源损坏的元凶。
但说它是元凶,又有点冤枉,听我道来。
C12紧靠着电源模块的散热片安装,天长日久以后,其内部的电解液受热蒸发,逐步干涸。
而C12从表面上看不出异常,在线测量也不短路。
如果拆下,测其容量仅剩几微法,为原容量的十分之一了。
电源模块原来取用的是平稳的电流,电容失容后,回路电流就有些波起浪涌了。
这一下电源模块受不了了,击穿短路顺理成章。
F11当然也臣从君命,一块玩完。
C12的失容现象,暴露了该电源在结构布局上的不合理电解电容不能紧靠散热片安装。
这当然是设计者的疏忽。
因此对使用几年以上的欧姆龙PLC,出现上电倒好似没通电的征象时,多数是C12已失容,并由C12的失容,IC11模块和F11已经寿终正寢了。
IC11和F11的损坏,搭表笔一测便知,C12有时被忽略。
换上好件后,一上电,不带载可能还行,一带载便听见啪的一声,你换上的好件又坏了。
千万别抱怨供应商给你提供的是次品,而是你的检修功夫不到位呀。
一定要检查C12!!电路简单归简单,你还是想弄清IC11MIP0223SC这只电源模块的来龙去脉电路是如何工作的,弄不通这一点,电路倒真是简单得太没劲了。
下面看IC11的原理图资料表(又是英文的,没办法,中文的难找):其实外文的资料也没甚大不了。
不必要把所参数都猜出来,也不必要把原理方框图内的各个单元电路都吃透。