厂房与民用建筑防火间距
- 格式:doc
- 大小:19.06 KB
- 文档页数:2
表3.4.1 厂房之间及与乙、丙、丁、戊类仓库、民用建筑等的防火间距(m)表3.5.1甲类仓库之间及与其他建筑、明火或散发火花地点、铁路、道路等的防火间距(m)表3.5.2 乙、丙、丁、戊类仓库之间及与民用建筑的防火间距(m)从几个表中我们能发现一些规律:1.甲乙类厂房、乙类仓库与民用建筑中的单多层、裙房之间的防火间距都为25m,与高层民用建筑之间的防火间距都为50m。
(甲类仓库比较特殊,需考虑储存物品的类项)2.单、多层和高层甲、乙类厂房与室外变配电站的防火间距也为25m。
3.除甲类仓库和室外变配电站外,厂房仓库与民用建筑的防火间距可按下列公式计算:D=L+N1+N2L(类型)取值:高层厂房仓库13米,甲类厂房仓库12米,其他10米N(耐火等级)取值:一、二级0,三级2,四级4举例:一级耐火等级的高层乙类仓库与四级耐火等级多层丙类仓库之间的防火间距应为13+0+4=17m(高层:13,一级:0,四级:4)三级耐火等级的丙类单层仓库与四级耐火等级的多层厂房之间的间距应为10+2+4=16m(其他建筑:10,三级:2,四级:4)自己多试试几个例子。
民用建筑就相对简单一点了表5.2.2 民用建筑之间的防火间距(m)就是电话号码13 9 11 14 6 7 9 8(10)(12)(后面10、12就是8叠加2)接下来就是几条允许减少的条件注:建筑高度大于100m的民用建筑与相邻建筑的防火间距,满足条件也不能减。
其实厂房、仓库、和民用建筑间的防火间距允许减小条件都是大同小异,这里放在一起给大家好好区别有助记忆。
1.厂房:两座厂房相邻较高一面外墙为防火墙,或相邻两座高度相同的一、二级耐火等级建筑中相邻任一侧外墙为防火墙且屋顶的耐火极限不低于1.00h 时,其防火间距不限,但甲类厂房之间不应小于4m。
丙、丁、戊类厂房与民用建筑的耐火等级均为一、二级,当较高一面外墙为无门、窗、洞口的防火墙,或比相邻较低一座建筑屋面高15m及以下范围内的外墙为无门、窗、洞口的防火墙时,其防火间距不限。
建/构筑物防火间距一般规定条文厂房——厂房甲类厂房——甲类厂房: 12米;甲类厂房——乙、丙、丁、戊类厂房(库房): 12米;乙类厂房——乙、丙、丁、戊类厂房(库房): 10米;丙、丁类厂房——乙、丙、丁、戊类厂房(库房):10米;厂房——普通民用建筑、明火点甲、乙类厂房——民用建筑: 25米;丙、丁类厂房——民用建筑: 10米;戊类厂房——民用建筑: 6米;高层厂房(檐口高度≥24米)——民用建筑: 13米;甲类厂房——明火点或室外散发火花点: 30米;★注:①明火点包括室内、外的,而散发火花点仅指室外的。
②锅炉的炉膛或炉门属明火点,但不应把整栋锅炉房建筑看作明火点。
锅炉房的火灾危险性类别:锅炉房为丁类;③甲类生产场所不得建高层厂房。
★注:①使用室内干式变压器的变配电房可视为一、二级耐火等级的丙类厂房。
厂房——道路(车行道路路边)甲类厂房——厂外道路: 15米;甲类厂房——厂内主要道路: 10米;甲类厂房——厂内次要道路: 5米;其它厂房——道路:无规定;库房——厂房(库房)甲类库房——甲类库房: 20米;甲类库房(储量≤10吨)——甲类等其它厂房(库房): 12米;甲类库房(储量>10吨)——甲类等其它厂房(库房): 15米;甲类库房——高层库房: 13米;其它类别库房——其它类别类厂房(库房): 10米;高层库房——高层库房: 13米;库房——普通民用建筑、明火点甲类库房(储量≤10吨)——民用建筑: 25米;甲类库房(储量>10吨)——民用建筑: 30米;甲类库房(储量≤10吨)——明火或室外散发火花点:25米;甲类库房(储量>10吨)——明火或室外散发火花点:30米;乙类库房——民用建筑: 25米;丙、丁类库房——民用建筑: 10米;戊类库房——民用建筑: 6米;库房——道路(车行道路路边)甲类库房——厂外道路: 20米;甲类库房——厂内主要道路: 10米;甲类库房——厂内次要道路: 5米;其它类别库房——道路:无规定;甲、乙、丙类液体储罐区(罐体外壁)——建/构筑物它们与建构筑物的最小防火间距如下表(m):注:甲、乙、丙类液体的固定顶储罐区,半露天堆场和乙,丙类液体桶装堆场与甲类厂房(仓库)、民用建筑的防火间距,应按本表的规定增加25%,且甲、乙类液体储罐区,半露天堆场,乙、丙类液体桶装堆场与甲类厂房(仓库)、民用建筑的防火间距不应小于25m,与明火或散发火花地点的防火间距,应按本表四级耐火等级建筑的规定增加25%;②直埋地下的甲、乙、丙类液体卧式罐,当单罐容积小于等于50m3,总容积小于等于200 m3时,其罐外壁与建构筑物之间的防火间距可按本表规定减少50%。
高层民用建筑与丙类厂房的防火间距为了保障公共安全和减少火灾对人员和财产的损失,高层民用建筑和丙类厂房都需要严格遵守防火规定。
其中一个重要的防火措施就是保持适当的防火间距,以确保建筑物之间有足够的空间来防止火势蔓延。
本文将探讨高层民用建筑和丙类厂房的防火间距的相关要求和注意事项。
我们来了解高层民用建筑的防火间距要求。
根据相关法规和标准,高层民用建筑的防火间距应根据建筑物的高度和周边环境进行合理确定。
一般而言,高层民用建筑的防火间距要求如下:在城市密集区域,建筑物高度在24米以下时,相邻建筑物之间的防火间距应不小于6米;高度在24米以上的建筑物,防火间距应根据消防规范的要求来确定。
高层民用建筑的防火间距还需要考虑建筑物的用途和建筑物之间的消防通道。
例如,住宅楼和商业大厦的防火间距要求相对较低,因为这些建筑物一般没有高温或易燃物质。
而医院、学校等公共建筑的防火间距要求则相对较高,因为这些建筑物可能存在更高的火灾风险。
另一方面,丙类厂房的防火间距要求与高层民用建筑有所不同。
丙类厂房通常指危险化学品生产、储存或使用的场所,因此其防火要求更为严格。
根据相关法规和标准,丙类厂房的防火间距应根据丙类物质的危险性等级、储存容量和厂房布局等因素进行合理确定。
一般而言,丙类厂房的防火间距要求如下:对于危险性较低的丙类厂房,防火间距一般不小于15米;对于危险性较高的丙类厂房,防火间距则需要更大,一般不小于30米。
丙类厂房的防火间距还需要考虑周边环境的因素。
如果丙类厂房周围有其他建筑物或人口密集区域,防火间距需要相应增加,以降低火灾对周边环境的影响。
同时,在丙类厂房的防火间距设计中,还需要考虑防火墙、防火隔离带等防火措施的设置,以提高建筑物的整体防火能力。
高层民用建筑和丙类厂房的防火间距是保障公共安全的重要措施之一。
根据不同建筑物的用途、高度和周边环境等因素,防火间距的要求有所不同。
合理设置防火间距可以有效减少火灾蔓延的风险,保护人员生命财产安全。
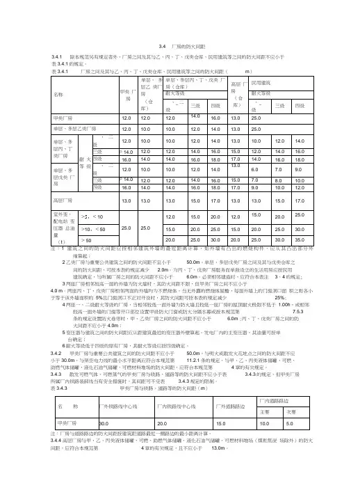
3.4 厂房的防火间距3.4.1 除本规范另有规定者外,厂房之间及其与乙、丙、丁、戊类仓库、民用建筑等之间的防火间距不应小于表3.4.1的规定。
表3.4.1 厂房之间及其与乙、丙、丁、戊类仓库、民用建筑等之间的防火间距(m)缘算起;2乙类厂房与重要公共建筑之间的防火间距不宜小于50.0m。
单层、多层戊类厂房之间及其与戊类仓库之间的防火间距,可按本表的规定减少 2.0m。
为丙、丁、戊类厂房服务而单独设立的生活用房应按民用建筑确定,与所属厂房之间的防火间距不应小于 6.0m。
必须相邻建造时,应符合本表注3、4的规定;3两座厂房相邻较高一面的外墙为防火墙时,其防火间距不限,但甲类厂房之间不应小于4.0 m。
两座丙、丁、戊类厂房相邻两面的外墙均为不燃烧体,当无外露的燃烧体屋檐,每面外墙上的门窗洞口面积之和各小于等于该外墙面积的5%且门窗洞口不正对开设时,其防火间距可按本表的规定减少25%;4两座一、二级耐火等级的厂房,当相邻较低一面外墙为防火墙且较低一座厂房的屋顶耐火极限不低于1.00h,或相邻较高一面外墙的门窗等开口部位设置甲级防火门窗或防火分隔水幕或按本规范第7.5.3条的规定设置防火卷帘时,甲、乙类厂房之间的防火间距不应小于 6.0m ;丙、丁、戊类厂房之间的防火间距不应小于4.0m;5变压器与建筑之间的防火间距应从距建筑最近的变压器外壁算起。
发电厂内的主变压器,其油量可按单台确定;6耐火等级低于四级的原有厂房,其耐火等级应按四级确定。
3.4.2 甲类厂房与重要公共建筑之间的防火间距不应小于50.0m,与明火或散发火花地点之间的防火间距不应小于30.0m,与架空电力线的最小水平距离应符合本规范第11.2.1条的规定,与甲、乙、丙类液体储罐,可燃、助燃气体储罐,液化石油气储罐,可燃材料堆场的防火间距,应符合本规范第4章的有关规定。
3.4.3 散发可燃气体、可燃蒸气的甲类厂房与铁路、道路等的防火间距不应小于表 3.4.3的规定,但甲类厂房所属厂内铁路装卸线当有安全措施时,其间距可不受表 3.4.3规定的限制。
首先记忆特殊的:1,甲乙类厂房距离民用建筑单多层25米,高层50米。
变压器距离甲类厂房和乙类厂房仓库25米。
2,变压器根据总油量分为三个级别:5-10,10-50,大于50。
和丙丁戊类厂房仓库分别是123412,3453,4564。
和民用建筑分别是3453,4564,5675.
除了12都乘5.
3,丙类厂房和丁戊类厂房与高层民用建筑3454,13151815.丙丁戊类厂房高层和单多层一二级相同,34,1315。
4,空白区域:L=A+B1+B2,第一步A的取值首先看到高层就是13,没有高层甲类是12,没有高层没有甲类是10.第二步看耐火等级,B1B2取值分别代表两个相邻建筑的耐火等级,一二级取0,三级取2,四级取4。
记忆:厂房之间及其与乙、丙、丁、戊类仓库、民用建筑之间防火间距最小距离。
3.4 厂房的防火间距时间:2007-05-28 来源:作者:本规范第3.4和3.5节中规定的有关防火间距均为建筑间的最小间距要求。
从防火角度和保障人员安全、减少财产损失来看,在有条件时,设计者应尽可能采用较大间距。
防火间距的确定主要综合考虑满足扑救火灾需要,防止火势向邻近建筑蔓延扩大以及节约用地等因素。
影响防火间距的因素较多、条件各异,从火灾蔓延角度看,主要有“飞火”、“热对流”和“热辐射”等。
1 “飞火”与风力、火焰高度有关。
在大风情况下,从火场飞出的“火团”可达数十米至数百米。
显然,如以飞火为主要危险源,要求距离太大,难以做到。
2 “热对流”,主要考虑热气流喷出窗口后会向上升腾,对相邻建筑的火灾蔓延影响较“热辐射”小,可以不考虑。
3 “热辐射”,火灾时建筑物可能产生的热辐射强度是确定防火间距应考虑的主要因素。
热辐射强度与消防扑救力量、火灾延续时间、可燃物的性质和数量、相对外墙开口面积的大小、建筑物的长度和高度以及气象条件等有关。
国外虽有按热辐射强度理论计算防火间距的公式,但没有把影响热辐射的一些主要因素(如发现和扑救火灾早晚、火灾持续时间)考虑进去,计算数据往往偏大,目前国内还缺乏这方面的研究成果。
因此,本条规定防火间距主要是根据当前消防扑救力量,结合火灾实例和消防灭火的实际经验确定的。
据调查,一、二级耐火等级建筑之间,在初期火灾时有10m左右的间距,三、四级耐火等级建筑有14~18m的距离,一般能满足扑救需要和控制火势蔓延。
火灾蔓延与很多条件有关,本条规定的基本数据,只是考虑一般情况,基本能防止初期火灾的蔓延。
3.4.1 本条规定了厂房之间及厂房与乙、丙、丁、戊类仓库之间以及与其他建筑物之间的防火间距。
1 规范中表3.4.1是指厂房防火间距的基本要求。
由于厂房生产类别、高度不同,具体执行应有所区别,因此,根据厂房生产的火灾危险性类别不同分别作出了不同的规定。
对于现有厂房改、扩建时,如执行防火间距的规定有困难,当采取了防火措施后可以减少间距。
3.4 厂房的防火间距3.4.1 除本标准另有规定者外,厂房之间及其与乙、丙、丁、戊类仓库、民用建筑等之间的防火间距不应小于表3.4.1的规定。
缘算起;2 乙类厂房与重要公共建筑之间的防火间距不宜小于50.0m。
单层、多层戊类厂房之间及其与戊类仓库之间的防火间距,可按本表的规定减少2.0m。
为丙、丁、戊类厂房效劳而单独设立的生活用房应按民用建筑确定,与所属厂房之间的防火间距不应小于6.0m。
必须相邻建造时,应符合本表注3、4的规定;3 两座厂房相邻较高一面的外墙为防火墙时,其防火间距不限,但甲类厂房之间不应小于4.0m。
两座丙、丁、戊类厂房相邻两面的外墙均为不燃烧体,当无外露的燃烧体屋檐,每面外墙上的门窗洞口面积之和各小于等于该外墙面积的5%,且门窗洞口不正对开设时,其防火间距可按本表的规定减少25%;4 两座一、二级耐火等级的厂房,当相邻较低一面外墙为防火墙且较低一座厂房的屋顶耐火极限不低于1.00h,或相邻较高一面外墙的门窗等开口部位设置甲级防火门窗或防火分隔水幕或按本标准第7.5.3条的规定设置防火卷帘时,甲、乙类厂房之间的防火间距不应小于6.0m;丙、丁、戊类厂房之间的防火间距不应小于4.0m;5 变压器与建筑之间的防火间距应从距建筑最近的变压器外壁算起。
发电厂内的主变压器,其油量可按单台确定;6 耐火等级低于四级的原有厂房,其耐火等级应按四级确定。
3.4.2 甲类厂房与重要公共建筑之间的防火间距不应小于50.0m,与明火或散发火花地点之间的防火间距不应小于30.0m,与架空电力线的最小水平距离应符合本标准第11.2.1条的规定,与甲、乙、丙类液体储罐,可燃、助燃气体储罐,液化石油气储罐,可燃材料堆场的防火间距,应符合本标准第4章的有关规定。
3.4.3 散发可燃气体、可燃蒸气的甲类厂房与铁路、道路等的防火间距不应小于表3.4.3的规定,但甲类厂房所属厂内铁路装卸线当有平安措施时,其间距可不受表3.4.3规定的限制。
丙类厂房与民用建筑的防火间距火灾,真是个让人感到心头一紧的家伙。
想象一下,如果咱们的丙类厂房和民用建筑没有按规定保持适当的防火间距,那可就等于是给火灾开了绿色通行证,恨不得让它随时随地来个“突袭”。
要知道,这可不是小事。
今天,就跟大家聊聊这防火间距的那些事儿,让咱们都能在火灾面前挺直腰杆,不慌不忙。
1. 为什么要讲防火间距1.1 火灾的威胁大家伙儿都知道,火灾那真是个不请自来的“大明星”,一旦出现,后果可真是不堪设想。
不仅房屋受损,人的生命安全也可能受到威胁。
所以咱们在建筑设计的时候,得特别注意防火间距,确保火灾不会因为距离太近而迅速蔓延。
就像咱们去菜市场,距离小贩摊位太近,可能会被溅到油,建筑也是一样,距离不够,火焰一旦扑过去,那损失可就大了去了。
1.2 防火间距的作用防火间距的设定,就是为了给建筑之间留出足够的“喘息空间”,这样即使发生了火灾,火焰也不会轻易跳到邻近的建筑上去。
就像咱们有时候怕饭菜被别人抢一样,建筑之间保持适当的距离,就是为了避免火灾“抢”走别人家的东西,减少损失。
毕竟,火灾这种东西,可不像小猫小狗那样好说话。
2. 丙类厂房的防火间距标准2.1 丙类厂房的特性丙类厂房,指的是一些有一定危险性的厂房,比如化工厂或者机械加工厂。
这类厂房里常常存放一些容易燃烧的材料,火灾一旦发生,简直就像点燃了一根导火线。
因此,这类厂房的防火间距得特别注意,不可掉以轻心。
就好比你在家里放了几瓶汽油,跟邻居之间最好保持点距离,否则小火星一飞,就能引发大麻烦。
2.2 具体要求根据相关规定,丙类厂房与民用建筑之间的防火间距通常需要满足一定的标准。
这些标准根据不同地区、不同建筑类型会有所不同。
一般来说,像化工厂、机械厂这些地方,建议与周围建筑保持较大的距离,有时候甚至需要几十米,这样火灾发生时,火势才不容易蔓延。
想象一下,如果你把炉子放在家门口,结果一开火就点燃了整栋楼,那就麻烦了。
3. 民用建筑的防火间距3.1 民用建筑的防火要求民用建筑,咱们的家园、学校、医院等等,这些地方人多,万一发生火灾,后果可不堪设想。
厂房防火间距的规定1、乙类厂房与重要公共建筑之间的防火间距不宜小于50m ,与明火或散发火花地点不宜小于30m。
2、单层或多层戊类厂房之间及其与戊类仓库之间的防火间距,可按本表的规定减少2m。
单层多层戊类厂房与民用建筑之间的防火间距可按本规范第 5.2.2条的规定执行。
3、为丙、丁、戊类厂房服务而单独设立的生活用房应按民用建筑确定,与所届厂房之间的防火间距不应小于6m。
必须相邻建造时,应符合本表注2、3 的规定。
4、两座厂房相邻较高一面的外墙为防火墙时,其防火间距不限,但甲类厂房之间不应小于4m。
5、两座丙、丁、戊类厂房相邻两面的外墙均为不燃烧体,当无外露的燃烧体屋檐,每面外墙上的门窗洞口面积之和各不大于该外墙面积的5%,且门窗洞口不正对开设时,其防火间距可按本表的规定减少25%。
6、甲、乙类厂房(仓库)不应与本规范第3.3.8条规定外的其他建筑贴邻建造。
7、两座一、二级耐火等级的厂房,当相邻较低一面外墙为防火墙且较低一座厂房的屋顶耐火极限不低于1.00h ,或相邻较高一面外墙的门窗等开口部位设置甲级防火门窗或防火分隔水幕或按本规范第 6.5.2条的规定设置防火卷帘时,甲、乙类厂房之间的防火间距不应小于6m ;丙、丁、戊类厂房之间的防火间距不应小于4m o8、发电厂内的主变压器,其油量可按单台确定。
9、耐火等级低丁四级的原有厂房,其耐火等级可按四级确定。
10、当丙、丁、戊类厂房与丙、丁、戊类仓库相邻时,应符合本表注2、3 的规定。
11、当丙、丁、戊类厂房与民用建筑的耐火等级均为一、二级时,其防火间距可按下列规定执行:(1) 当较高一面外墙为不开设门窗洞口的防火墙,或比相邻较低一座建筑屋面高15m及以下范围内的外墙为不开设门窗洞口的防火墙时,其防火间距可不限;(2) 相邻较低一面外墙为防火墙,且屋顶不设天窗、屋顶耐火极限不低丁1.00h ,或相邻较高一面外墙为防火墙,且墙上开口部位采取了防火保护措施,其防火间距可适当减小,但不应小丁4m 。
建筑设计防火规范(2018年版)3.4 厂房的防火间距3.4.1 除本规范另有规定外,厂房之间及与乙、丙、丁、戊类仓库、民用建筑等的防火间距不应小于表3.4.1的规定,与甲类仓库的防火间距应符合本规范第3.5.1条的规定。
表3.4.1 厂房之间及与乙、丙、丁、戊类仓库、民用建筑等的防火间距(m)注:1 乙类厂房与重要公共建筑的防火间距不宜小于50m;与明火或散发火花地点,不宜小于30m。
单、多层戊类厂房之间及与戊类仓库的防火间距可按本表的规定减少2m,与民用建筑的防火间距可将戊类厂房等同民用建筑按本规范第5.2.2条的规定执行。
为丙、丁、戊类厂房服务而单独设置的生活用房应按民用建筑确定,与所属厂房的防火间距不应小于6m。
确需相邻布置时,应符合本表注2、3的规定。
2 两座厂房相邻较高一面外墙为防火墙,或相邻两座高度相同的一、二级耐火等级建筑中相邻任一侧外墙为防火墙且屋顶的耐火极限不低于1.00h时,其防火间距不限,但甲类厂房之间不应小于4m。
两座丙、丁、戊类厂房相邻两面外墙均为不燃性墙体,当无外露的可燃性屋檐,每面外墙上的门、窗、洞口面积之和各不大于外墙面积的5%,且门、窗、洞口不正对开设时,其防火间距可按本表的规定减少25%。
甲、乙类厂房(仓库)不应与本规范第3.3.5条规定外的其他建筑贴邻。
3 两座一、二级耐火等级的厂房,当相邻较低一面外墙为防火墙且较低一座厂房的屋顶无天窗,屋顶的耐火极限不低于1.00h,或相邻较高一面外墙的门、窗等开口部位设置甲级防火门、窗或防火分隔水幕或按本规范第6.5.3条的规定设置防火卷帘时,甲、乙类厂房之间的防火间距不应小于6m;丙、丁、戊类厂房之间的防火间距不应小于4m。
4 发电厂内的主变压器,其油量可按单台确定。
5 耐火等级低于四级的既有厂房,其耐火等级可按四级确定。
6 当丙、丁、戊类厂房与丙、丁、戊类仓库相邻时,应符合本表注2、3的规定。
3.4.2 甲类厂房与重要公共建筑的防火间距不应小于50m,与明火或散发火花地点的防火间距不应小于30m。
厂房的防火间距3.4.1 除本规范另有规定者外,厂房之间及其与乙、丙、丁、戊类仓库、民用建筑等之间的防火间距不应小于表的规定。
注:1 建筑之间的防火间距应按相邻建筑外墙的最近距离计算,如外墙有凸出的燃烧构件,应从其凸出部分外缘算起;2 乙类厂房与重要公共建筑之间的防火间距不宜小于50.0m。
单层、多层戊类厂房之间及其与戊类仓库之间的防火间距,可按本表的规定减少2.0m。
为丙、丁、戊类厂房服务而单独设立的生活用房应按民用建筑确定,与所属厂房之间的防火间距不应小于6.0m。
必须相邻建造时,应符合本表注3、4的规定;3 两座厂房相邻较高一面的外墙为防火墙时,其防火间距不限,但甲类厂房之间不应小于4.0m。
两座丙、丁、戊类厂房相邻两面的外墙均为不燃烧体,当无外露的燃烧体屋檐,每面外墙上的门窗洞口面积之和各小于等于该外墙面积的5%,且门窗洞口不正对开设时,其防火间距可按本表的规定减少25%;4 两座一、二级耐火等级的厂房,当相邻较低一面外墙为防火墙且较低一座厂房的屋顶耐火极限不低于,或相邻较高一面外墙的门窗等开口部位设置甲级防火门窗或防火分隔水幕或按本规范第7.5.3条的规定设置防火卷帘时,甲、乙类厂房之间的防火间距不应小于6.0m;丙、丁、戊类厂房之间的防火间距不应小于4.0m;5 变压器与建筑之间的防火间距应从距建筑最近的变压器外壁算起。
发电厂内的主变压器,其油量可按单台确定;6 耐火等级低于四级的原有厂房,其耐火等级应按四级确定。
3.4.2 甲类厂房与重要公共建筑之间的防火间距不应小于50.0m,与明火或散发火花地点之间的防火间距不应小于30.0m,与架空电力线的最小水平距离应符合本规范第条的规定,与甲、乙、丙类液体储罐,可燃、助燃气体储罐,液化石油气储罐,可燃材料堆场的防火间距,应符合本规范第4章的有关规定。
3.4.3 散发可燃气体、可燃蒸气的甲类厂房与铁路、道路等的防火间距不应小于表的规定,但甲类厂房所属厂内铁路装卸线当有安全措施时,其间距可不受表规定的限制。
3.4 厂房的防火间距之勘阻及广创作除本规范另有规定者外,厂房之间及其与乙、丙、丁、戊类仓库、民用建筑等之间的防火间距不该小于表的规定。
表厂房之间及其与乙、丙、丁、戊类仓库、民用建筑等之间的防火间外墙有凸出的燃烧构件,应从其凸出部分外缘算起;2 乙类厂房与重要公共建筑之间的防火间距不宜小于。
单层、多层戊类厂房之间及其与戊类仓库之间的防火间距,可按本表的规定减少。
为丙、丁、戊类厂房服务而单独设立的生活用房应按民用建筑确定,与所属厂房之间的防火间距不该小于。
必须相邻建造时,应符合本表注3、4的规定;3 两座厂房相邻较高一面的外墙为防火墙时,其防火间距不限,但甲类厂房之间不该小于。
两座丙、丁、戊类厂房相邻两面的外墙均为不燃烧体,当无外露的燃烧体屋檐,每面外墙上的门窗洞口面积之和各小于等于该外墙面积的5%,且门窗洞口不正对开设时,其防火间距可按本表的规定减少25%;4 两座一、二级耐火等级的厂房,当相邻较低一面外墙为防火墙且较低一座厂房的屋顶耐火极限不低于,或相邻较高一面外墙的门窗等开口部位设置甲级防火门窗或防火分隔水幕或按本规范第条的规定设置防火卷帘时,甲、乙类厂房之间的防火间距不该小于;丙、丁、戊类厂房之间的防火间距不该小于;5 变压器与建筑之间的防火间距应从距建筑最近的变压器外壁算起。
发电厂内的主变压器,其油量可按单台确定;6 耐火等级低于四级的原有厂房,其耐火等级应按四级确定。
甲类厂房与重要公共建筑之间的防火间距不该小于,与明火或散发火花地点之间的防火间距不该小于,与架空电力线的最小水平距离应符合本规范第条的规定,与甲、乙、丙类液体储罐,可燃、助燃气体储罐,液化石油气储罐,可燃资料堆场的防火间距,应符合本规范第4章的有关规定。
散发可燃气体、可燃蒸气的甲类厂房与铁路、道路等的防火间距不该小于表的规定,但甲类厂房所属厂内铁路装卸线当有平安措施时,其间距可不受表规定的限制。
表甲类厂房与铁路、道路等的防火间距(m)离计算。
3.4 厂房的防火间距3.4.1 除本规范另有规定者外,厂房之间及其与乙、丙、丁、戊类仓库、民用建筑等之间的防火间距不应小于表3.4.1的规定。
表3.4.1 厂房之间及其与乙、丙、丁、戊类仓库、民用建筑等之间的防火间距(m)注:1 建筑之间的防火间距应按相邻建筑外墙的最近距离计算,如外墙有凸出的燃烧构件,应从其凸出部分外缘算起;2 乙类厂房与重要公共建筑之间的防火间距不宜小于50.0m。
单层、多层戊类厂房之间及其与戊类仓库之间的防火间距,可按本表的规定减少2.0m。
为丙、丁、戊类厂房服务而单独设立的生活用房应按民用建筑确定,与所属厂房之间的防火间距不应小于6.0m。
必须相邻建造时,应符合本表注3、4的规定;3 两座厂房相邻较高一面的外墙为防火墙时,其防火间距不限,但甲类厂房之间不应小于4.0m。
两座丙、丁、戊类厂房相邻两面的外墙均为不燃烧体,当无外露的燃烧体屋檐,每面外墙上的门窗洞口面积之和各小于等于该外墙面积的5%,且门窗洞口不正对开设时,其防火间距可按本表的规定减少25%;4 两座一、二级耐火等级的厂房,当相邻较低一面外墙为防火墙且较低一座厂房的屋顶耐火极限不低于1.00h,或相邻较高一面外墙的门窗等开口部位设置甲级防火门窗或防火分隔水幕或按本规范第7.5.3条的规定设置防火卷帘时,甲、乙类厂房之间的防火间距不应小于6.0m;丙、丁、戊类厂房之间的防火间距不应小于4.0m;5 变压器与建筑之间的防火间距应从距建筑最近的变压器外壁算起。
发电厂内的主变压器,其油量可按单台确定;6 耐火等级低于四级的原有厂房,其耐火等级应按四级确定。
3.4.2 甲类厂房与重要公共建筑之间的防火间距不应小于50.0m,与明火或散发火花地点之间的防火间距不应小于30.0m,与架空电力线的最小水平距离应符合本规范第11.2.1条的规定,与甲、乙、丙类液体储罐,可燃、助燃气体储罐,液化石油气储罐,可燃材料堆场的防火间距,应符合本规范第4章的有关规定。
乙类厂房与民用建筑的安全间距
乙类厂房与民用建筑的安全间距是指根据国家相关法律法规和建筑设计规范,为了防止乙类厂房在发生火灾或其他安全事故时对附近民用建筑造成危害,在设计和布置乙类厂房时需要保留一定的安全间隔距离。
根据《工业企业设计防火规范》GB 50016-2014的规定,乙类
厂房与民用建筑的安全间距一般应满足以下要求:
1. 厂房与民用建筑的建筑物间距应满足建筑设计防火技术要求,一般不应小于30米。
2. 当厂房高度超过24米时,与民用建筑的离距应按照《建筑
设计防火规范》GB 50045-95的规定执行。
3. 厂房与民用建筑的地下建筑部分,与地上建筑的间距应满足地下建筑消防通道要求。
4. 如有特殊情况,需要根据乙类厂房的具体情况进行安全间距的评估和确定。
需要注意的是,以上仅为一般的规定,具体的乙类厂房与民用建筑的安全间距还需根据不同的地区、具体乙类厂房的特点以及法规要求进行具体的设计和评估。
因此,在设计乙类厂房时,应咨询相关专业人士并遵循当地的法律法规和标准。
某单层木地板加工厂房(耐火等级为三级)受选址条件所限,在消防设计图中显示该厂房与相邻的一栋已建耐火等级为三级的多层办公楼之间的防火间距仅为12m,根据《建筑设计防火规范》50016-2014规定,该防火间距不符合规范要求,为此厂方拟将该木地板加工厂房改为石棉加工厂房。
该石棉加工厂房与该多层办公楼之间的最小防火间距应为()m。
A.6
B.8
C.10
D.12
2.高层热处理厂房与建筑高度为25m的普通写字楼之间的防火间距不应小于()m。
A.20
B.18
C.15
D.13
解析
第1题:根据《建规》3.3.1,石棉加工厂房为戊类厂房,由于该厂房为单层厂房,根据《建规》3.4.1注1,单、多层戊类厂房与民用建筑的防火间距可将戊类厂房等同民用建筑按本《建规》第5.2.2条的规定执行。
根据《建规》5.2.2,三级耐火等级的民用建筑之间的防火间距8m,建议考友们遇到厂房与民用建筑的防火间距时,应考虑该厂房是否为单、多层戊类厂房。
本题答案为B。
第2题:本题考查的范围比较多,既有生产危险性分类、防火间距,也有建筑分类的相关知识。
根据《建规》3.1.1,热处理厂房的火灾危险性为丁类;根据《建规》5.1.1,建筑高度为25m的写字楼属于二类高层民用建筑。
根据《建规》表3.4.1,高层丁类厂房与二类高层民用建筑之间的防火间距不应小于13m。
本题答案为D。
(来源学川教育)。