民用建筑防火间距
- 格式:docx
- 大小:9.12 KB
- 文档页数:1
民用建筑防火间距以下是给大家带来的关于民用建筑防火间距的相关内容,以供参考。
影响建筑防火间距的影响因素很多,如风向、风速、外墙材料的燃烧性能、外墙开口面积的大小、室内可燃物的种类及数量、相邻建筑物的高度、室内消防设施情况、消防车到达的时间及扑救情况等。
这些都对防火间距的设置有一定的影响。
在民用建筑方面,建筑物之间的防火间距应按相邻建筑外墙的最近水平距离算起,当外墙有凸出的可燃或难燃构件时,应从其凸出部分外缘算起。
在《建筑设计防火规范》GB50016-2014中,对民用建筑防火间距要求主要是根据建筑的类型及耐火等级确定的,在日常的设计中,常常无法满足以上的要求,建规在综合考虑的基础上给出了一些可以适当缩小防火间距或者不限防火间距的情况:1.相邻两座单、多层建筑,当相邻外墙为不燃性墙体且无外露的可燃性屋檐,每面外墙上无防火保护的门、窗、洞口的面积之和不大于外墙面积的5%时,其防火间距可按本表的规定减少25%。
2.两座建筑相邻较高一面为防火墙,或高出相邻较低一座一、二级耐火等级建筑的屋面15m及以下范围内的外墙为防火墙是,其防火间距不限。
3.相邻两座高度相同的一、二级耐火等级建筑中相邻任一侧外墙为防火墙,屋顶的耐火极限不低于1.00h时,其防火间距不限。
4.相邻两座建筑中较低一座建筑的耐火等级不小于二级,相邻较低一面外墙为防火墙且屋顶无天窗,屋顶的耐火极限不低于1.00h时,其防火间距不应小于3.5m;对于高层建筑,不应小于4m。
5.相邻两座建筑中较低一座建筑的耐火等级不低于二级且屋顶无天窗,相邻较高一面外墙高出较低一座建筑的屋面15m及以下范围内的开口部位设置甲级防火门、窗,或设置符合现行国家标准《自动喷水灭火系统设计规范》GB50084规定的防火分隔水幕或本规范第6.5.3条规定的防火卷帘时,其防火间距不应小于3.5m,对于高层建筑,不应小于4m。
高层民用建筑与丙类厂房的防火间距为了保障公共安全和减少火灾对人员和财产的损失,高层民用建筑和丙类厂房都需要严格遵守防火规定。
其中一个重要的防火措施就是保持适当的防火间距,以确保建筑物之间有足够的空间来防止火势蔓延。
本文将探讨高层民用建筑和丙类厂房的防火间距的相关要求和注意事项。
我们来了解高层民用建筑的防火间距要求。
根据相关法规和标准,高层民用建筑的防火间距应根据建筑物的高度和周边环境进行合理确定。
一般而言,高层民用建筑的防火间距要求如下:在城市密集区域,建筑物高度在24米以下时,相邻建筑物之间的防火间距应不小于6米;高度在24米以上的建筑物,防火间距应根据消防规范的要求来确定。
高层民用建筑的防火间距还需要考虑建筑物的用途和建筑物之间的消防通道。
例如,住宅楼和商业大厦的防火间距要求相对较低,因为这些建筑物一般没有高温或易燃物质。
而医院、学校等公共建筑的防火间距要求则相对较高,因为这些建筑物可能存在更高的火灾风险。
另一方面,丙类厂房的防火间距要求与高层民用建筑有所不同。
丙类厂房通常指危险化学品生产、储存或使用的场所,因此其防火要求更为严格。
根据相关法规和标准,丙类厂房的防火间距应根据丙类物质的危险性等级、储存容量和厂房布局等因素进行合理确定。
一般而言,丙类厂房的防火间距要求如下:对于危险性较低的丙类厂房,防火间距一般不小于15米;对于危险性较高的丙类厂房,防火间距则需要更大,一般不小于30米。
丙类厂房的防火间距还需要考虑周边环境的因素。
如果丙类厂房周围有其他建筑物或人口密集区域,防火间距需要相应增加,以降低火灾对周边环境的影响。
同时,在丙类厂房的防火间距设计中,还需要考虑防火墙、防火隔离带等防火措施的设置,以提高建筑物的整体防火能力。
高层民用建筑和丙类厂房的防火间距是保障公共安全的重要措施之一。
根据不同建筑物的用途、高度和周边环境等因素,防火间距的要求有所不同。
合理设置防火间距可以有效减少火灾蔓延的风险,保护人员生命财产安全。
民用建筑总平面布置及防火间距民用建筑在总平面布局中应避免布置在甲、乙类厂(库)房,甲、乙、丙类液体储罐,可燃气体储罐和可燃材料堆场的附近。
同时应对建筑的消防给水、消防车道和建筑之间的防火间距作出合理的布局。
一、民用建筑的防火间距:1.单多层建筑与其他建筑的防火间距:a、与单多层建筑的防火间距根据耐火等级不同,其防火间距也不同,一二级与一二级为6米、三级7米、四级9米;三级及与一二级7米、三级8米、四级10米;四级一二级9米、三级10米、四级12米;b、与高层建筑的防火间距,一二级不小于9米、三级不小于11米、四级不小于14米;&高层之间不小于13米。
2、防火间距减小或不限的措施:a、相邻两座单.多层建筑,当相邻外墙为不燃性墙体且无外露的可燃性屋檐,每面外墙上无防火保护的门、窗、洞口不正对开设且该门、窗、洞口的面积之和不大于外墙面积的5%时,其防火间距可按本表的规定减少25%;A相邻两座建筑中较低一座建筑的耐火等级不低于二级,相邻较低一面外墙为防火墙且屋顶无天窗,屋顶的耐火极限不低于IeOOh时,其防火间距不应小于3.5m;对于高层建筑,不应小于4m;C、相邻两座建筑中较低一座建筑的耐火等级不低于二级且屋顶无天窗,相邻较高一面外墙高出较低一座建筑的屋面15m及以下范围内的开口部位设置甲级防火门、窗,或设置符合现行国家标准《自动喷水灭火系统设计规范》GB50084规定的防火分隔水幕或本规范第6.5.3条规定的防火卷帘时,其防火间距不应小于3.5m;对于高层建筑,不应小于4m;d.两座建筑相邻较高一面外墙为防火墙,或高出相邻较低一座一、二级耐火等级建筑的屋面15m及以下范围内的外墙为防火墙时,其防火间距不限;e.相邻两座高度相同的一、二级耐火等级建筑中相邻任一侧外墙为防火墙,屋顶的耐火极限不低于IeOOh时,其防火间距不限;f、通过连廊.天桥或底部的建筑物等连接的建筑,其应按照两栋建筑考虑;g、低于四级耐火等级的建筑可以按照四级耐火等级确定。
一、民用建筑之间的防火间距记忆技巧:电话号码13911 146798 (10) (12)特别提醒:①相邻两座单、多层建筑,当相邻外墙为不燃性墙体且无外露的可燃性屋檐,每面外墙上无防火保护的门、窗、洞口不正对开设且面积之和不大于该外墙面积的5%时,其防火间距可按本表规定减少25% ②两座建筑相邻较高一面外墙为防火墙,或高出相邻较低一座一、二级耐火等级建筑的屋面15m及以下范围内的外墙为防火墙时,其防火间距可不限③相邻两座高度相同的一、二级耐火等级建筑中相邻任一侧外墙为防火墙时,屋面板的耐火极限不低于1.0h时,其防火间距可不限。
④相邻两座建筑中较低一座建筑的耐火等级不低于二级,屋面板的耐火极限不低于1.00h, 屋顶无天窗且相邻较低一面外墙为防火墙时,其防火间距不应小于3.5m:对于高层建筑,不应小于4m.⑤相邻两座建筑中较低一座建筑的耐火等级不低于二级且屋顶无天窗,相邻较高一面外墙高出较低一座建筑的屋面15m及以下范围内的开口部位设置甲级防火门、窗,或设置符合现行国家标准《自动喷水灭火系统设计规范》GB 50084规定的防火分隔水幕或规范规定的防火卷帘时,其防火间距不应小于3.5m:对于高层建筑,不应小于4m。
⑥建筑高度大于100m的民用建筑与相邻建筑的防火间距,当符合规范允许减小的条件时, 仍不应减小。
【常见题型】【实务2017-46】在建筑高度为126.7m的办公塔楼短边侧拟建一座建筑高度为23.9m,耐火等级为二级的商业建筑。
该商业建筑屋面板耐火极限为1.00h且无天窗,毗邻办公塔楼的外墙为防火墙,其防火间距不应小于( ) m.A.4B.9C.6D.13【练习题】某现存某住宅楼高30m.耐火等级为一级,现需在其旁边建造一综合办公楼,耐火等级为一级,关于两建筑之间的防火间距,以下说法不正确的是( )。
A.两座建筑较低一面外墙为防火墙时,且屋顶的耐火极限为1.00h屋顶无天窗,防火间距不应小于3.5mB.若拟建造办公综合楼高度为25m:则两建筑之间防火间距不应小于13mC.若拟建造办公综合楼高度为20m,则两建筑之间防火间距不应小于9mD.两座建筑高度相同时,相邻任一侧外墙为防火墙,屋顶的耐火极限不低于1.00h时,其防火间距不限【练习题】某超高层综合楼与相邻多层商场,耐火等级均为二级,相邻两侧外墙为防火墙, 则其防火间距( )A.不限B.不应小于9mC.不应小于4mD.不应小于3.5m。
民用建筑的防火间距记忆口诀(原创实用版)目录一、民用建筑防火间距的口诀二、民用建筑防火间距的规定三、特殊情况下的防火间距处理四、如何巧记民用建筑防火间距正文一、民用建筑防火间距的口诀在记忆民用建筑防火间距时,可以参考以下口诀:民用不燃体,开口较小四分一;较高 15 米,等高不限较低高出 5 米;换窗换门 3.5 和 4 米,超高民用不减少。
这个口诀概括了民用建筑防火间距的一些基本规则,可以帮助我们在实际应用中快速记忆和判断。
二、民用建筑防火间距的规定根据我国《建筑设计防火规范》,民用建筑的防火间距有以下规定:1.一、二级耐火等级民用建筑之间的防火间距不小于 6 米;2.一、二级耐火等级民用建筑与三级耐火等级民用建筑之间的防火间距不小于 9 米;3.一、二级耐火等级民用建筑与四级耐火等级民用建筑之间的防火间距不小于 11 米。
三、特殊情况下的防火间距处理在特殊情况下,防火间距可以按照以下原则进行处理:1.相邻两座单多层建筑,当相邻外墙为不燃性墙体且无外露的可燃性屋檐,每面外墙上无防火保护的门窗洞口不正对开且面积之和不大于该外墙面积;2.乙类厂房与重要公共建筑之间的防火间距不宜小于 50 米,与明火或散发火花地点不宜小于 30 米;3.单层或多层戊类厂房之间及其与戊类仓库之间的防火间距,可按本表的规定减少 2 米;4.单层多层戊类厂房与民用建筑之间的防火间距,可根据实际情况适当减小。
四、如何巧记民用建筑防火间距为了巧记民用建筑防火间距,我们可以采用以下方法:1.结合口诀,理解并记住各种耐火等级建筑之间的防火间距规定;2.观察实际建筑布局,了解建筑之间的相对位置关系,以便在实际应用中快速判断防火间距;3.参加消防培训和演练,增强对建筑防火知识的理解和实践能力。
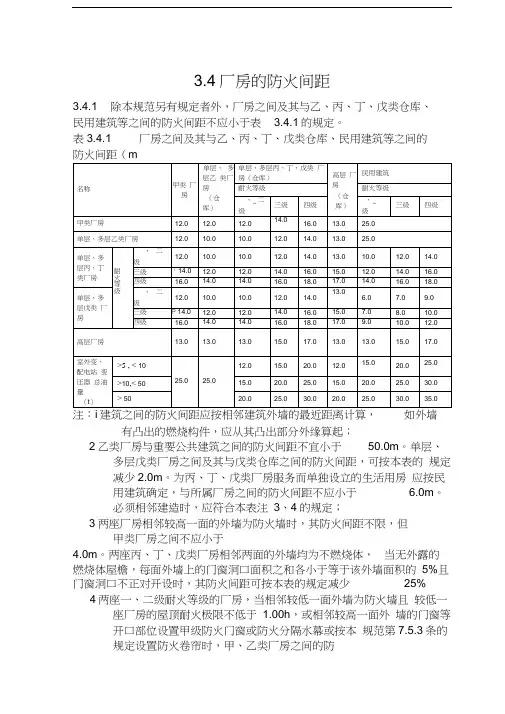
3.4厂房的防火间距3.4.1 除本规范另有规定者外,厂房之间及其与乙、丙、丁、戊类仓库、民用建筑等之间的防火间距不应小于表 3.4.1的规定。
表3.4.1 厂房之间及其与乙、丙、丁、戊类仓库、民用建筑等之间的防火间距(m注:i建筑之间的防火间距应按相邻建筑外墙的最近距离计算,如外墙有凸出的燃烧构件,应从其凸出部分外缘算起;2乙类厂房与重要公共建筑之间的防火间距不宜小于50.0m。
单层、多层戊类厂房之间及其与戊类仓库之间的防火间距,可按本表的规定减少2.0m。
为丙、丁、戊类厂房服务而单独设立的生活用房应按民用建筑确定,与所属厂房之间的防火间距不应小于 6.0m。
必须相邻建造时,应符合本表注3、4的规定;3两座厂房相邻较高一面的外墙为防火墙时,其防火间距不限,但甲类厂房之间不应小于4.0m。
两座丙、丁、戊类厂房相邻两面的外墙均为不燃烧体,当无外露的燃烧体屋檐,每面外墙上的门窗洞口面积之和各小于等于该外墙面积的5%且门窗洞口不正对开设时,其防火间距可按本表的规定减少25% 4两座一、二级耐火等级的厂房,当相邻较低一面外墙为防火墙且较低一座厂房的屋顶耐火极限不低于 1.00h,或相邻较高一面外墙的门窗等开口部位设置甲级防火门窗或防火分隔水幕或按本规范第7.5.3条的规定设置防火卷帘时,甲、乙类厂房之间的防火间距不应小于6.0m;丙、丁、戊类厂房之间的防火间距不应小于 4.0m;5变压器与建筑之间的防火间距应从距建筑最近的变压器外壁算起。
发电厂内的主变压器,其油量可按单台确定;6耐火等级低于四级的原有厂房,其耐火等级应按四级确定。
342 甲类厂房与重要公共建筑之间的防火间距不应小于50.0 m,与明火或散发火花地点之间的防火间距不应小于30.0m,与架空电力线的最小水平距离应符合本规范第11.2.1条的规定,与甲、乙、丙类液体储罐,可燃、助燃气体储罐,液化石油气储罐,可燃材料堆场的防火间距,应符合本规范第4章的有关规定。
丙类厂房与民用建筑的防火间距火灾,真是个让人感到心头一紧的家伙。
想象一下,如果咱们的丙类厂房和民用建筑没有按规定保持适当的防火间距,那可就等于是给火灾开了绿色通行证,恨不得让它随时随地来个“突袭”。
要知道,这可不是小事。
今天,就跟大家聊聊这防火间距的那些事儿,让咱们都能在火灾面前挺直腰杆,不慌不忙。
1. 为什么要讲防火间距1.1 火灾的威胁大家伙儿都知道,火灾那真是个不请自来的“大明星”,一旦出现,后果可真是不堪设想。
不仅房屋受损,人的生命安全也可能受到威胁。
所以咱们在建筑设计的时候,得特别注意防火间距,确保火灾不会因为距离太近而迅速蔓延。
就像咱们去菜市场,距离小贩摊位太近,可能会被溅到油,建筑也是一样,距离不够,火焰一旦扑过去,那损失可就大了去了。
1.2 防火间距的作用防火间距的设定,就是为了给建筑之间留出足够的“喘息空间”,这样即使发生了火灾,火焰也不会轻易跳到邻近的建筑上去。
就像咱们有时候怕饭菜被别人抢一样,建筑之间保持适当的距离,就是为了避免火灾“抢”走别人家的东西,减少损失。
毕竟,火灾这种东西,可不像小猫小狗那样好说话。
2. 丙类厂房的防火间距标准2.1 丙类厂房的特性丙类厂房,指的是一些有一定危险性的厂房,比如化工厂或者机械加工厂。
这类厂房里常常存放一些容易燃烧的材料,火灾一旦发生,简直就像点燃了一根导火线。
因此,这类厂房的防火间距得特别注意,不可掉以轻心。
就好比你在家里放了几瓶汽油,跟邻居之间最好保持点距离,否则小火星一飞,就能引发大麻烦。
2.2 具体要求根据相关规定,丙类厂房与民用建筑之间的防火间距通常需要满足一定的标准。
这些标准根据不同地区、不同建筑类型会有所不同。
一般来说,像化工厂、机械厂这些地方,建议与周围建筑保持较大的距离,有时候甚至需要几十米,这样火灾发生时,火势才不容易蔓延。
想象一下,如果你把炉子放在家门口,结果一开火就点燃了整栋楼,那就麻烦了。
3. 民用建筑的防火间距3.1 民用建筑的防火要求民用建筑,咱们的家园、学校、医院等等,这些地方人多,万一发生火灾,后果可不堪设想。
建筑防火距离规范标准最新建筑防火距离规范是确保建筑物在设计和建设过程中满足消防安全要求的重要标准。
随着技术的发展和火灾案例的累积,这些规范会不断更新以适应新的安全需求。
以下是最新建筑防火距离规范标准的概述:# 建筑防火距离规范标准最新概述1. 总则- 建筑防火距离规范旨在减少火灾发生时的损害,保护人员安全和财产安全。
- 规范适用于新建、改建和扩建的各类民用和工业建筑。
2. 建筑分类- 根据建筑物的使用性质、高度和面积,将建筑分为不同的防火类别。
3. 防火间距- 防火间距是指建筑物之间、建筑物与围墙、建筑物与道路等之间的最小安全距离。
- 防火间距的确定应考虑建筑物的用途、高度、结构材料等因素。
4. 防火分区- 防火分区是将建筑物内部划分为若干个独立的防火单元,以控制火灾的蔓延。
- 每个防火分区应有独立的疏散通道和安全出口。
5. 疏散通道和安全出口- 疏散通道应保持畅通无阻,不得堆放杂物。
- 安全出口的数量和宽度应满足规范要求,确保紧急情况下人员能够迅速疏散。
6. 消防设施- 建筑物应根据其规模和用途配备相应的消防设施,如消火栓、灭火器、烟雾探测器等。
- 消防设施应定期检查和维护,确保其正常工作。
7. 建筑材料和构件- 建筑材料和构件应满足防火性能要求,减少火灾发生时的燃烧速度和烟雾产生。
- 外墙保温材料应使用难燃或不燃材料。
8. 电气安全- 电气线路和设备的安装应符合防火安全要求,避免因电气故障引发火灾。
- 应定期对电气系统进行检查和维护。
9. 特殊场所防火要求- 对于特殊场所,如医院、学校、剧院等人员密集场所,应有更为严格的防火距离和疏散要求。
10. 监督检查- 建筑管理部门应定期对建筑物的防火措施进行检查,确保规范得到有效执行。
# 结语建筑防火距离规范标准的更新是为了更好地适应社会发展和科技进步的需要,保障人民生命财产安全。
建筑设计、施工和使用过程中应严格遵守这些规范,以预防火灾事故的发生。
1、将一、二级耐火等级多层建筑之间的防火间距定为6m。
2、规定一、二级耐火等级高层建筑之间的防火间距不应小于13m。
4、两座厂房相邻较高一面外墙为防火墙时,其防火间距不限,但甲类厂房之间不应小于4m。
11、甲、乙类厂房与普通的单、多层民用建筑之间的防火间距不应小于25m,与高层民用建筑之间的防火间距不应小于50m。
5、甲、乙类厂房与重要公共建筑的防火间距不应小于50m,与明火或散发火花地点的防火间距不应小于30m。
6、厂区围墙与厂区内建筑的间距不宜小于5m,围墙两侧建筑的间距应满足相应建筑的防火间距的要求。
10、甲类物品库房与重要的公共建筑、高层民用建筑之间的防火间距不应小于50m。
12、甲类物品库房之间的防火间距不应小于20m。
13、甲类仓库与高层仓库的防火间距不应小于13m。
7、除乙类第6项物品外的乙类仓库,与民用建筑之间的防火间距不宜小于25m,与重要公共建筑的防火间距不应小于50m,与高层民用建筑的防火间距不应小于50m。
8、民用建筑,两座建筑相邻较高一面外墙为防火墙,或高出相邻较低一座一、二级耐火等级建筑的屋面15m及以下范围内的外墙为防火墙时,其防火间距可不限。
9、民用建筑,相邻两座高度一样的一、二级耐火等级建筑中相邻任一侧外墙为防火墙时,其防火间距可不限。
【本文档内容可以自由复制内容或自由编辑修改内容期待你的好评和关注,我们将会做得更好】。
一二级高层民用建筑防火间距好嘞,咱们今天聊聊一二级高层民用建筑的防火间距。
这话题听起来有点严肃,不过别担心,咱就轻松聊聊。
你知道,高层建筑就像大楼里的小巨人,站得高,看得远,但也得小心火灾的风险。
想想,如果你在高楼大厦里,突然有个火灾,那可真是头疼的事儿。
就像咱们说的“火烧眉毛”,根本来不及反应。
为了让这些“小巨人”更加安全,防火间距就显得尤为重要了。
先来说说这防火间距是啥意思。
简单来说,就是建筑之间得留有一定的空间,防止火势蔓延。
就好比邻居之间要有点距离,才能避免打架。
火灾一旦发生,火焰和浓烟就像是恶作剧的小孩,瞬间就能跑到隔壁去,所以要让建筑之间的“个人空间”大一点,这样才能减少损失,保护大家的安全。
想象一下,如果你家旁边的楼和你家挨得太近,一旦着火,火就像是脱缰的野马,根本停不下来。
哎哟,那可真是想都不敢想。
说到具体的防火间距,哎,这可是有讲究的。
不同高度、不同类型的建筑,要求的间距可不一样。
就拿一二级高层建筑来说吧,一般高度在二十米到六十米之间,差不多七八层到十几层。
这个高度也算是人们生活的主战场,常常能见到。
如果说建筑物之间的间距太近,就像是两只小鸟挤在一个窝里,空间狭小,难免会出点问题。
根据国家标准,间距一般要保持在五到十米左右,具体情况得根据实际情况来定。
这个间距的设定,像极了我们生活中需要保持的那种安全距离,既不冷漠,又不会太亲密,正好合适。
而且呀,建筑的外立面材料也得考虑进去。
有些材料可容易燃烧,这种情况下,间距就得加大,防止火势蔓延。
这就像穿衣服一样,夏天穿个短袖,冬天得穿厚外套,得根据气候变化来调整。
你看,火灾不是单一的问题,涉及到的方面可真不少。
建筑材料的选择、设计的布局,都关系到咱们的安全。
有人可能会觉得,哎呀,防火间距有必要这么麻烦吗?其实不然,这可关系到你我的生命安全呀,千万不能大意。
这个防火间距的规定也不是一成不变的。
随着建筑技术的发展,建筑设计越来越智能化,也许将来会有更高效的方法来保障我们的安全。
民用建筑的防火间距
注:①两座建筑相邻较高的一面的外墙为防火墙时,其防火间距不限。
②相邻的两座建筑物,较低一座的耐火等级不低于二级、屋顶不设天窗、屋顶承重构件的耐火极限不低于1h,且相邻的较低一面外墙为防火墙时,其防火间距可适当减少,但不应小于3.5m。
③相邻的两座建筑物,较低一座的耐火等级不低于二级,当相邻较高一面外墙的开口部位设有防火门窗或防火卷帘和水幕时,其防火间距可适当减少,但不应小于3.5m。
④两座建筑相邻两面的外墙为非燃烧体如无外露的燃烧体屋檐,当每面外墙上的门窗洞口面积之和不超过该外墙面积的5%,且门窗口不正对开设时,其防火间距可按本表减少25%。
⑤耐火等级低于四级的原有建筑物,其防火间距可按四级确定。
民用建筑与所属单独建造的终端变电所、燃煤锅炉房
第燃油、燃气锅炉房及蒸发量超过上述规定的燃煤锅炉房,其防火间距应按本规范第
第数座一、二级耐火等级且不超过六层的住宅,如占地面积的总和不超过2500m2时,可成组布置,但组内建筑之间的间距不宜小于4m。
组与组或组与相邻建筑之间的防火间距仍不应小于本规范第5.2.1
条的规定。
工业建筑、民用建筑、木结构防火间距公式
工业建筑防火间距公式B1,B2为所在建筑物耐火等级,一二级耐火等级B1,B2=0三级耐火等级时B1,B2=2四级耐火等级时B1,B2=4一般厂房:10+B1+B2 举例:三级的丁类和四级的戊类10+2+4=16m甲类厂房:12+B1+B2 举例:二级的甲类和三级的丙类12+0+2=14m高层厂房:
13+B1+B2 举例:一级高层丙类和四级丁类
13+0+4=17m
单多层民用建筑防火间距公式(高层记住13 9 11 14)B1,B2为所在建筑物耐火等级,一二级耐火等级B1,B2=0三级耐火等级时B1,B2=1四级耐火等级时B1,B2=3单多层公式:6+B1+B2 举例:三级的办公室和四级的住宅
6+1+3=10m
木结构建筑防火间距公式一二级耐火等级B1=0三级耐火等级时B1=1四级耐火等级时B1=3单多层公式:8+B1 举例:木结构和四级民用建筑8+3=11m。
的门、窗、洞口不正对开设且面积之和不大于该外墙面积的5%时,其防火间距可按本表规定减少25%。
2)两座建筑相邻较高一面外墙为防火墙,或高出相邻较低一座一、二级耐火等级建筑的屋面15m及以下范围内的外墙为防火墙时,其防火间距可不限。
3)相邻两座高度相同的一、二级耐火等级建筑中相邻任一侧外墙为防火墙,屋顶的耐火极限不低于时,其防火间距可不限。
4)相邻两座建筑中较低一座建筑的耐火等级不低于二级,屋顶的耐火极限不低于,屋顶无天窗且相邻较低一面外墙为防火墙时,其防火间距不应小于;对于高层建筑,不应小于4m。
5)相邻两座建筑中较低一座建筑的耐火等级不低于二级且屋顶无天窗,相邻较高一面外墙高出较低一座建筑的屋面15m及以下范围内的开口部位设置甲级防火门、窗,或设置符合规定的防火分隔水幕或防火卷帘时,其防火间距不应小于3.5m;对于高层建筑,不应小于4m。
6)相邻建筑通过底部的建筑物、连廊或天桥等连接时,其间距不应小于本表的规定。
7)耐火等级低于四级的既有建筑的耐火等级可按四级确定。
8)建筑高度大于100m的民用建筑与相邻建筑的防火间距,当符合上述允许减小的条件时,仍不应减小。