建筑防火常用间距
- 格式:doc
- 大小:187.00 KB
- 文档页数:7
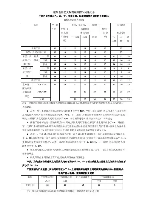
建筑设计防火规范相关防火间距汇总(总4页)--本页仅作为文档封面,使用时请直接删除即可----内页可以根据需求调整合适字体及大小--厂房之间及其与乙、丙、丁、戊类仓库、民用建筑等之间的防火距离(m)(建筑设计防火规范)注:1 建筑之间的防火间距应按相邻建筑外墙的最近距离计算,如外墙有凸出的燃烧构件,应从其凸出部分外缘算起。
2 乙类厂房与重要公共建筑之间的防火间距不宜小于50m。
单层、多层戊类厂房之间及其与戊类仓库之间的防火间距,可按本表的规定减少2m。
为丙、丁、戊类厂房服务而单独设立的生活用房应按民用建筑确定,与所属厂房之间的防火间距不应小于60m。
必须相邻建造时,应符合本表注3、4的规定。
3 两座厂房相邻较高一面的外墙为防火墙时,其防火间距不限,但甲类厂房之间不应小于4m。
两座丙、丁、戊累厂房相邻两面的外墙均为不燃烧体当无外露的燃烧体屋檐,每面外墙上的门窗洞口面积之和各小于等于该外墙面积的 5%,且门窗洞口不正对开设时,其防火间距可按本表的规定减少 25%4 两座一、二级耐火等级的厂房,当相邻较低一面外墙为防火墙且较低一座厂房的屋顶耐火极限不低于,或相邻较高一面外墙的门窗等开口部位设置甲级防火门窗或防火分隔水幕或按本规范第条的规定设置防火卷帘时,甲、乙类厂房之间的防火间距不应小于;丙、丁、戊类厂房之间的防火间距不应小于。
5 变压器与建筑之间的防火间距应从距建筑最近的变压器外壁算起。
发电厂内的主变压器,其油量可按单台确定6 耐火等级低于四级的原有厂房,其耐火等级应按四级确定。
甲类厂房与重要公共建筑之间的防火间距不应小于,与明火或散发火花地点之间的防火间距不应小于厂区围墙与厂内建筑之间的间距不宜小于5m,且围墙两侧的建筑之间还应满足相应的防火间距要求。
甲类厂房与铁路、道路等的防火间距注:厂房与道路路边的防火间距按建筑距道路最近一侧路边的最小距离计算甲类仓库之间及其与其它建筑、明火或散发火花地点、铁路等的防火间距(m)注:甲类仓库之间的防火间距,当第3、4项物品储量小于等于2t,第 1、2、5、6项物品储量小于等于5t时,不应小于,甲类仓库与高层仓库之间的防火间距不应小于13m乙、丙、丁、戊类仓库之间及其与民用建筑之间的防火间距(m)注:1 单层、多层戊类仓库之间的防火间距,可按本表减少;2 两座仓库相邻较高一面外墙为防火墙,且总占地面积小于等于本规范第条一座仓库的最大允许占地面积规定时,其防火间距不限;3除乙类第 6项物品外的乙类仓库,与民用建筑之间的防火间距不宜小于,与重要公共建筑之间的防火间距不宜小于,与铁路、道路等的防火间距不宜小于表中甲类仓库与铁路、道路等的防火间距。
防火间距记忆方法
防火间距是指建筑物之间或建筑物与周边环境之间的安全距离,是防止火灾蔓延的重要措施。
下面介绍一些防火间距的记忆方法。
1. “三三制”记忆法
建筑物与建筑物之间的防火间距应遵循“三三制”,即低于24米高度的建筑物之间的防火间距应不少于3米,24米及以上的建筑物之间的防火间距应不少于6米。
这个记忆方法可以用“三三制”简单概括。
2. “一四七”记忆法
建筑物与周边环境之间的防火间距应遵循“一四七”,即低于24米高度的建筑物与周边环境之间的防火间距应不少于1米,24米至60米高度的建筑物应不少于4米,高于60米的建筑物应不少于7米。
这个记忆方法可以用“一四七”简单概括。
3. “七不合法”记忆法
按照《消防法》规定,不得在建筑物内堆放易燃、易爆物品,不得在建筑物下水道、排水沟、消防通道上堆放杂物,不得在建筑物主入口前停放车辆,不得在消防水源设施周围设置障碍物,不得将建筑物的防火门用于日常通行,不得在建筑物内设置防火不达标的门窗,不得在建筑物内搭建隔断。
这个记忆方法可以用“七不合法”简单概括,提醒人们在日常生活中注意消防安全。
以上是几种常用的防火间距记忆方法,希望广大读者在日常生活中能够加强消防安全意识,做好防火间距的管理和维护工作,预防火
灾事故的发生。
建筑防火间距的规定与计算常识大全建筑物的防火安全是每个建筑师和设计者都必须要考虑的重要因素之一。
正确的防火间距规定与计算对于保护建筑物及其周围环境的安全至关重要。
本文将详细介绍建筑防火间距的相关规定和计算常识,以帮助读者更好地理解和应用于实际工作中。
一、防火间距规定的重要性防火间距是指建筑物之间的空间距离,是为了减少火势蔓延,以保护建筑物及其周围环境的安全而设置的。
合理的防火间距规定能够有效地降低火灾发生的风险,减少人员伤亡和财产损失。
同时,防火间距的合理设置也有助于消防人员进行更加高效的灭火工作,提高灭火的成功率。
二、防火间距规定的种类根据不同的建筑物类型和用途,防火间距的规定也有所不同。
以下是一些常见的防火间距规定:1. 工业建筑:根据国家标准《工业企业设计防火规范》,工业建筑之间的防火间距应不小于20米,以确保火灾不会蔓延到相邻建筑物。
2. 商业建筑:商业建筑的防火间距通常由当地消防部门根据具体情况进行评估和规定,一般要求商业建筑之间的间距不小于15米。
3. 住宅建筑:住宅建筑的防火间距规定也由当地消防部门负责制定,一般要求住宅之间的间距不小于6米。
4. 地下建筑:地下建筑的防火间距规定相对复杂,需要考虑地下通道的布局、出口数量和位置等因素,以保证人员疏散的安全和顺畅。
以上只是一些常见建筑物的防火间距规定,具体的规定还需根据当地的法律法规和标准来确定。
三、防火间距的计算方法在实际设计建筑物时,防火间距的计算非常重要。
以下是一些常用的计算方法:1. 传统计算方法:根据建筑物的类型和规模,可以通过传统的公式和经验值来计算防火间距。
例如,可以根据建筑物高度和所在区域的风力等级来计算出最小的防火间距。
2. 数值模拟方法:随着计算机技术的发展,数值模拟方法在防火间距的计算中越来越常用。
通过建筑物的三维模型和火灾特性等参数,可以利用计算机模拟火势的蔓延,进而确定最适合的防火间距。
需要注意的是,在进行防火间距计算时,必须考虑建筑物的功能、用途、周围环境以及消防设备的设置等因素,并遵守当地的防火规范和标准。
厂房之间及其与乙、丙、丁、戊类仓库、民用建筑等之间的防火距离(m)(建筑设计防火规范)注:1 建筑之间的防火间距应按相邻建筑外墙的最近距离计算,如外墙有凸出的燃烧构件,应从其凸出部分外缘算起。
2 乙类厂房与重要公共建筑之间的防火间距不宜小于50m。
单层、多层戊类厂房之间及其与戊类仓库之间的防火间距,可按本表的规定减少2m。
为丙、丁、戊类厂房服务而单独设立的生活用房应按民用建筑确定,与所属厂房之间的防火间距不应小于60m。
必须相邻建造时,应符合本表注3、4的规定。
3 两座厂房相邻较高一面的外墙为防火墙时,其防火间距不限,但甲类厂房之间不应小于4m。
两座丙、丁、戊累厂房相邻两面的外墙均为不燃烧体当无外露的燃烧体屋檐,每面外墙上的门窗洞口面积之与各小于等于该外墙面积的5%,且门窗洞口不正对开设时,其防火间距可按本表的规定减少25%4 两座一、二级耐火等级的厂房,当相邻较低一面外墙为防火墙且较低一座厂房的屋顶耐火极限不低于1、00h,或相邻较高一面外墙的门窗等开口部位设置甲级防火门窗或防火分隔水幕或按本规范第7、5、3条的规定设置防火卷帘时,甲、乙类厂房之间的防火间距不应小于6、0m;丙、丁、戊类厂房之间的防火间距不应小于4、0m。
5 变压器与建筑之间的防火间距应从距建筑最近的变压器外壁算起。
发电厂内的主变压器,其油量可按单台确定6 耐火等级低于四级的原有厂房,其耐火等级应按四级确定。
甲类厂房与重要公共建筑之间的防火间距不应小于50、0m,与明火或散发火花地点之间的防火间距不应小于30、0m厂区围墙与厂内建筑之间的间距不宜小于5m,且围墙两侧的建筑之间还应满足相应的防火间距要求。
甲类厂房与铁路、道路等的防火间距注:厂房与道路路边的防火间距按建筑距道路最近一侧路边的最小距离计算甲类仓库之间及其与其它建筑、明火或散发火花地点、铁路等的防火间距(m)注:甲类仓库之间的防火间距,当第3、4项物品储量小于等于2t,第1、2、5、6项物品储量小于等于5t 时,不应小于12、0m,甲类仓库与高层仓库之间的防火间距不应小于13m乙、丙、丁、戊类仓库之间及其与民用建筑之间的防火间距(m)注:1 单层、多层戊类仓库之间的防火间距,可按本表减少2、0m;2 两座仓库相邻较高一面外墙为防火墙,且总占地面积小于等于本规范第3、3、2条一座仓库的最大允许占地面积规定时,其防火间距不限;3除乙类第6项物品外的乙类仓库,与民用建筑之间的防火间距不宜小于25、0m,与重要公共建筑之间的防火间距不宜小于30、0m,与铁路、道路等的防火间距不宜小于表3、5、1中甲类仓库与铁路、道路等的防火间距。
施工现场临时建筑防火间距
一,易燃易爆危险品库房与在建工程的防火间距不应小于 15m,可燃材料堆场及其加工场、固定动火作业场与在建工程的防火间距不应小于 10m,其他临时用房、临时设施与在建工程的防火间距不应小于 6m。
二,施工现场主要临时用房、临时设施的防火间距不应小于下表的规定,当办公用房、宿舍成组布置时,其防火间距可适当减小,但应符合下列规定:
1 每组临时用房的栋数不应超过 10 栋,组与组之间的防火间距不应小于 8m。
2 组内临时用房之间的防火间距不应小于 3.5m,当建筑构件燃烧性能等级为 A 级时,其防火间距可减少到 3m。
本条规定明确了不同临时用房、临时设施与在建工程的最小防火间距。
临时用房、临时设施与在建工程的防火间距采用 6m,主要是考虑临时用房层数不高、面积不大,故采用了现行国家标准《建筑设计防火规范》GB 50016—2006 中多层民用建筑之间的防火间距的数值。
同时,由于可燃材料堆场及其加工场、固定动火作业场、易燃易爆危险品库房的火灾危险性较高,故提高了要求。
本条为强制性条文。
民用建筑的防火间距记忆口诀【原创实用版】目录1.民用建筑防火间距的口诀2.民用建筑防火间距的特殊情况3.厂房、仓库防火间距的记忆公式4.高层建筑与民用建筑的防火间距5.结论正文一、民用建筑防火间距的口诀为了方便记忆,我们可以用口诀的形式来记住民用建筑的防火间距。
"民用不燃体,开口较小四分一较高 15,等高不限较低高出 5 米,换窗换门 3.5 和 4 米,超高民用不减少"。
这个口诀包含了民用建筑防火间距的基本原则,即不燃体建筑之间的开口较小,高度较高,且在等高情况下,间距不限。
如果建筑高度较低,间距应不小于 5 米。
对于有窗户或门的建筑,间距应增加 3.5 米或 4 米。
对于超高建筑,防火间距不减少。
二、民用建筑防火间距的特殊情况在特殊情况下,民用建筑的防火间距需要考虑建筑的耐火等级。
例如,当相邻两座单多层建筑的相邻外墙为不燃性墙体且无外露的可燃性屋檐时,每面外墙上无防火保护的门窗洞口不正对开且面积之和不大于该外墙面积时,防火间距可适当减小。
三、厂房、仓库防火间距的记忆公式厂房、仓库的防火间距可以通过以下公式来计算:L2(R1R2-4)C。
其中,L 为厂房、仓库建筑之间的防火间距;R1、R2 分别为建筑 1 和建筑 2 的耐火等级(耐火等级一级、二级取值为 2,三级取值 3,四级取值 4);C 为修正常数,一般情况取值 10,有高层建筑取值 13,有甲类取值 12。
四、高层建筑与民用建筑的防火间距高层建筑与 1、2 级耐火等级的民用建筑防火间距是 9 米;裙房与1、2 级耐火等级的民用建筑防火间距是 6 米;高层建筑与 3 级耐火等级的民用建筑防火间距是 11 米;裙房与 3 级耐火等级的民用建筑防火间距是 7 米;高层建筑与 4 级耐火等级的民用建筑防火间距是 14 米;裙房与 4 级耐火等级的民用建筑防火间距是 9 米。
综上所述,民用建筑的防火间距需要根据建筑的耐火等级、高度、开口大小等因素来综合考虑。
建筑设计防⽕规范相关防⽕间距汇总⼚房之间及其与⼄、丙、丁、戊类仓库、民⽤建筑等之间的防⽕距离(m)(建筑设计防⽕规范)注:1 建筑之间的防⽕间距应按相邻建筑外墙的最近距离计算,如外墙有凸出的燃烧构件,应从其凸出部分外缘算起。
2 ⼄类⼚房与重要公共建筑之间的防⽕间距不宜⼩于50m。
单层、多层戊类⼚房之间及其与戊类仓库之间的防⽕间距,可按本表的规定减少2m。
为丙、丁、戊类⼚房服务⽽单独设⽴的⽣活⽤房应按民⽤建筑确定,与所属⼚房之间的防⽕间距不应⼩于60m。
必须相邻建造时,应符合本表注3、4的规定。
3 两座⼚房相邻较⾼⼀⾯的外墙为防⽕墙时,其防⽕间距不限,但甲类⼚房之间不应⼩于4m。
两座丙、丁、戊累⼚房相邻两⾯的外墙均为不燃烧体当⽆外露的燃烧体屋檐,每⾯外墙上的门窗洞⼝⾯积之和各⼩于等于该外墙⾯积的 5%,且门窗洞⼝不正对开设时,其防⽕间距可按本表的规定减少 25%4 两座⼀、⼆级耐⽕等级的⼚房,当相邻较低⼀⾯外墙为防⽕墙且较低⼀座⼚房的屋顶耐⽕极限不低于,或相邻较⾼⼀⾯外墙的门窗等开⼝部位设置甲级防⽕门窗或防⽕分隔⽔幕或按本规范第条的规定设置防⽕卷帘时,甲、⼄类⼚房之间的防⽕间距不应⼩于;丙、丁、戊类⼚房之间的防⽕间距不应⼩于。
5 变压器与建筑之间的防⽕间距应从距建筑最近的变压器外壁算起。
发电⼚内的主变压器,其油量可按单台确定6 耐⽕等级低于四级的原有⼚房,其耐⽕等级应按四级确定。
甲类⼚房与重要公共建筑之间的防⽕间距不应⼩于,与明⽕或散发⽕花地点之间的防⽕间距不应⼩于⼚区围墙与⼚内建筑之间的间距不宜⼩于5m,且围墙两侧的建筑之间还应满⾜相应的防⽕间距要求。
甲类⼚房与铁路、道路等的防⽕间距注:⼚房与道路路边的防⽕间距按建筑距道路最近⼀侧路边的最⼩距离计算甲类仓库之间及其与其它建筑、明⽕或散发⽕花地点、铁路等的防⽕间距(m)注:甲类仓库之间的防⽕间距,当第3、4项物品储量⼩于等于2t,第 1、2、5、6项物品储量⼩于等于5t时,不应⼩于,甲类仓库与⾼层仓库之间的防⽕间距不应⼩于13m⼄、丙、丁、戊类仓库之间及其与民⽤建筑之间的防⽕间距(m)注:1 单层、多层戊类仓库之间的防⽕间距,可按本表减少;2 两座仓库相邻较⾼⼀⾯外墙为防⽕墙,且总占地⾯积⼩于等于本规范第条⼀座仓库的最⼤允许占地⾯积规定时,其防⽕间距不限;3除⼄类第 6项物品外的⼄类仓库,与民⽤建筑之间的防⽕间距不宜⼩于,与重要公共建筑之间的防⽕间距不宜⼩于,与铁路、道路等的防⽕间距不宜⼩于表中甲类仓库与铁路、道路等的防⽕间距。
各类建筑物的防火间距总结,值得收藏!
各类建筑物的防火间距
◆ 厂房之间及与乙、丙、丁、戊类仓库、民用建筑等的防火间距(m)
◆ 甲类仓库之间及与其他建筑、明火或散发火花地点、铁路、道路等的防火间距(m)
◆ 乙、丙、丁、戊类仓库之间及与民用建筑的防火间距(m)
◆ 民用建筑之间的防火间距(m)
(a)高层民用建筑之间防火间距
(b)高层民用建筑与普通建筑之间间距
防火间距不足时的措施
口诀:强拆江堤
①降:改变建筑物内的生产和使用性质,尽量降低建筑物的火灾危险性;限制库房内储存物品的数量。
②提:提高部分构件的耐火性能和燃烧性能。
③墙:将建筑物的普通外墙改造为防火墙或减少相邻建筑的开口面积,如开设门窗应采用防火门窗或加防火水幕保护;设置独立的室外防火墙,在设置防火墙时,应兼顾通风排烟和破财扑救,切忌盲目设置,顾此失彼。
④拆:拆除部分耐火等级低、占地面积小、适用性不强且与新建筑物相邻的原有陈旧建筑物。
第3.1.1条生产的火灾危险性可按表分为五类。
注:①在生产过程中,如使用或产生易燃、可燃物质的量较少,不足以构成爆炸或火灾危险时,可以按实际情况确定其火灾危险性的类别。
②一座厂房内或防火分区内有不同性质的生产时,其分类应按火灾危险性较大的部分确定,但火灾危险性大的部分占本层或本防火分区面积的比例小于5%(丁、戊类生产厂房的油漆工段小于10%),且发生事故时不足以蔓延到其他部位,或采取防火措施能防止火灾蔓延时,可按火灾危险性较小的部分确定。
丁、戊类生产厂房的油漆工段,当采用封闭喷漆工艺时,封闭喷漆空间内保持负压、且油漆工段设置可燃气体浓度报警系统或自动抑爆系统时,油漆工段占其所在防火分区面积的比例不应超过20%。
③生产的火灾危险性分类举例见。
第3.2.1条各类厂房的耐火等级、层数和占地面积应符合表的要求(本规范另有规定者除外)。
注:①防火分区间应用防火墙分隔。
一、二级耐火等级的单层厂房(甲类厂房除外)如面积超过本表规定,设置防火墙有困难时,可用防火水幕带或防火卷帘加水幕分隔。
②一级耐火等级的多层及二级耐火等级的单层、多层纺织厂房(麻纺厂除外)可按本表的规定增加50%,但上述的厂房原棉开包、清花车间均应设防火墙分隔。
③一、二级耐火等级的单层、多层造纸生产联合厂房,其防火分区最大允许占地面积可按本表的规定增加倍。
④甲、乙、丙类厂房装有自动灭火设备时,防火分区最大允许占地面积可按本表的规定增加一倍;丁戊类厂房装设自动灭火设备时,其占地面积不限。
局部设置时,增加面积可按该局部面积的一倍计算。
⑤一、二级耐火等级的谷物筒仓工作塔,且每层人数不超过2个时,最多允许层数可不受本表限制。
⑥邮政楼的邮件处理中心可按丙类厂房确定。
第3.2.7条变电所、配电所不应设在有爆炸危险的甲、乙类厂房内或贴邻建造,但供上述甲、乙类专用的10kV 及以下的变电所、配电所,当采用无门窗洞口的防火墙隔开时,可一面贴邻建造。
第三节厂房的防火间距第3.3.1条厂房之间的防火间距不应小于表的规定(本规范另有规定者除外)。
民用建筑之间的防火间距民用建筑之间的防火间距(m)
注:1 相邻两座单、多层建筑,当相邻外墙为不燃性墙体且无外露的可燃性屋檐,每面外墙上无防火保护的门、窗、洞口不正对开设且该门、窗、洞口的面积之和不大于外墙面积的5%时,其防火间距可按本表的规定减少25%。
2 两座建筑相邻较高一面外墙为防火墙,或高出相邻较低一座一、二级耐火等级建筑的屋面15m 及以下范围内的外墙为防火墙时,其防火间距不限。
3 相邻两座高度相同的一、二级耐火等级建筑中相邻任一侧外墙为防火墙,屋顶的耐火极限不低于1.00h 时,其防火间距不限。
4 相邻两座建筑中较低一座建筑的耐火等级不低于二级,相邻较低一面外墙为防火墙且屋顶无天窗,屋顶的耐火极限不低于1.00h 时,其防火间距不应小于3.5m;对于高层建筑,不应小于4m。
5 相邻两座建筑中较低一座建筑的耐火等级不低于二级且屋顶无天窗,相邻较高一面外墙高出较低一座建筑的屋面15m 及以下范围内的开口部位设置甲级防火门、窗,或设置符合现行国家标准《自动喷水灭火系统设计规范》GB 50084 规
定的防火分隔水幕或本规范第6.5.3 条规定的防火卷帘时,其防火间距不应小于3.5m;对于高层建筑,不应小于4m。
6 相邻建筑通过连廊、天桥或底部的建筑物等连接时,其间距不应小于本表的规定。
7 耐火等级低于四级的既有建筑,其耐火等级可按四级确定。
防火间距知识点
防火间距是指建筑物之间或建筑物与周围环境之间的距离。
在防火设计中,防火间距是至关重要的因素之一,它可以提高建筑物的抗火性能,减少火灾的危害程度。
防火间距一般分为以下几种:
1.建筑物之间的防火间距
对于相邻建筑物之间的防火间距,一般应该满足建筑防火规定中的规定。
例如在住宅区建设中,建筑物的防火间距一般不得小于12米,公共建筑物之间一般不得小于15米。
同时,还应考虑周围环境的因素,如通风条件、灌溉设施、地形等。
2.建筑物与周围环境的防火间距
建筑物与周围环境的防火间距,也是建筑防火规定中的重要内容。
在保持建筑之间合适的防火间距下,还需要考虑建筑物的布局、建筑的高度以及周围环境的行车、行人通行等因素。
3.通道、楼梯的防火间距
通道、楼梯等公共部位的防火间距也要按照建筑防火规定中的规定执行。
建筑物内部通道宽度一般不小于1.2米,楼梯宽度一般不小于1.5米,若楼高超过50米,每5层以上应设备梯间。
此外,还应该保证通道、楼梯等公共部位与周围墙体的间距在一定范围内。
防火间距的设计与建设要求的必要性主要体现在:
1.防止相邻建筑物之间发生火劫难以控制,成为连锁反应发生更严重的火灾。
2.防止因建筑物之间或与周围环境的防火间距不足引起建筑物着火,导致火灾扩散。
3.在火灾发生后,防火间距能够有效地减少火灾蔓延速度,使人们有足够时间进行疏散。
总之,防火间距的设置是建筑安全设计的重要因素之一,也是建筑防火设计要求的关键。
为了提高建筑物的安全性和防火性能,必须严格依照规定来进行设计和施工,并完善相应的管理和监督机制。
3.4 厂房的防火间距3.4。
1 除本规范另有规定者外,厂房之间及其与乙、丙、丁、戊类仓库、民用建筑等之间的防火间距不应小于表3。
4。
1的规定。
缘算起;2 乙类厂房与重要公共建筑之间的防火间距不宜小于50。
0m。
单层、多层戊类厂房之间及其与戊类仓库之间的防火间距,可按本表的规定减少2。
0m.为丙、丁、戊类厂房服务而单独设立的生活用房应按民用建筑确定,与所属厂房之间的防火间距不应小于6。
0m。
必须相邻建造时,应符合本表注3、4的规定;3 两座厂房相邻较高一面的外墙为防火墙时,其防火间距不限,但甲类厂房之间不应小于4。
0m。
两座丙、丁、戊类厂房相邻两面的外墙均为不燃烧体,当无外露的燃烧体屋檐,每面外墙上的门窗洞口面积之和各小于等于该外墙面积的5%,且门窗洞口不正对开设时,其防火间距可按本表的规定减少25%;4 两座一、二级耐火等级的厂房,当相邻较低一面外墙为防火墙且较低一座厂房的屋顶耐火极限不低于1.00h,或相邻较高一面外墙的门窗等开口部位设置甲级防火门窗或防火分隔水幕或按本规范第7.5。
3条的规定设置防火卷帘时,甲、乙类厂房之间的防火间距不应小于6。
0m;丙、丁、戊类厂房之间的防火间距不应小于4。
0m;5 变压器与建筑之间的防火间距应从距建筑最近的变压器外壁算起。
发电厂内的主变压器,其油量可按单台确定;6 耐火等级低于四级的原有厂房,其耐火等级应按四级确定。
3。
4.2 甲类厂房与重要公共建筑之间的防火间距不应小于50。
0m,与明火或散发火花地点之间的防火间距不应小于30.0m,与架空电力线的最小水平距离应符合本规范第11。
2.1条的规定,与甲、乙、丙类液体储罐,可燃、助燃气体储罐,液化石油气储罐,可燃材料堆场的防火间距,应符合本规范第4章的有关规定。
3。
4。
3 散发可燃气体、可燃蒸气的甲类厂房与铁路、道路等的防火间距不应小于表3.4。
3的规定,但甲类厂房所属厂内铁路装卸线当有安全措施时,其间距可不受表3.4。
3.4 厂房的防火间距3。
4。
1 除本规范另有规定者外,厂房之间及其与乙、丙、丁、戊类仓库、民用建筑等之间的防火间距不应小于表3。
4.1的规定。
算起;2 乙类厂房与重要公共建筑之间的防火间距不宜小于50。
0m.单层、多层戊类厂房之间及其与戊类仓库之间的防火间距,可按本表的规定减少2.0m。
为丙、丁、戊类厂房服务而单独设立的生活用房应按民用建筑确定,与所属厂房之间的防火间距不应小于6。
0m.必须相邻建造时,应符合本表注3、4的规定;3 两座厂房相邻较高一面的外墙为防火墙时,其防火间距不限,但甲类厂房之间不应小于4。
0m.两座丙、丁、戊类厂房相邻两面的外墙均为不燃烧体,当无外露的燃烧体屋檐,每面外墙上的门窗洞口面积之和各小于等于该外墙面积的5%,且门窗洞口不正对开设时,其防火间距可按本表的规定减少25%;4 两座一、二级耐火等级的厂房,当相邻较低一面外墙为防火墙且较低一座厂房的屋顶耐火极限不低于1。
00h,或相邻较高一面外墙的门窗等开口部位设置甲级防火门窗或防火分隔水幕或按本规范第7.5.3条的规定设置防火卷帘时,甲、乙类厂房之间的防火间距不应小于6.0m;丙、丁、戊类厂房之间的防火间距不应小于4.0m;5 变压器与建筑之间的防火间距应从距建筑最近的变压器外壁算起.发电厂内的主变压器,其油量可按单台确定;6 耐火等级低于四级的原有厂房,其耐火等级应按四级确定。
3.4.2 甲类厂房与重要公共建筑之间的防火间距不应小于50.0m,与明火或散发火花地点之间的防火间距不应小于30.0m,与架空电力线的最小水平距离应符合本规范第11。
2.1条的规定,与甲、乙、丙类液体储罐,可燃、助燃气体储罐,液化石油气储罐,可燃材料堆场的防火间距,应符合本规范第4章的有关规定。
3.4。
3 散发可燃气体、可燃蒸气的甲类厂房与铁路、道路等的防火间距不应小于表3。
4。
3的规定,但甲类厂房所属厂内铁路装卸线当有安全措施时,其间距可不受表3。
72有关规范要求的防火间距及各规范适用范围防火间距是指建筑物或设备之间应保持的一定距离,目的是为了防止火灾蔓延,并确保人员的安全疏散通道。
不同的建筑和设备在防火间距上有不同的要求,下面以常见的规范要求为例进行介绍。
1.建筑物之间的防火间距:根据《消防法》和《建筑设计防火规范》,建筑物之间应保持一定的防火间距,以防止火势蔓延。
具体要求如下:-低层建筑:一般要求距离不小于6米,如果建筑物高度超过18米,还要根据建筑物高度和外墙的耐火等级进行调整。
-多层住宅楼:一般要求距离不小于8米,如果建筑物高度超过24米,还要根据建筑物高度和外墙的耐火等级进行调整。
-商业建筑和公共建筑:一般要求距离不小于10米,如果建筑物高度超过36米,还要根据建筑物高度和外墙的耐火等级进行调整。
2.设备之间的防火间距:安全生产设备、电气设备等之间也需要保持一定的防火间距,以防止设备间的火灾相互蔓延。
具体要求如下:-安全生产设备:如锅炉、压力容器等设备,一般要求设备之间距离不小于5米,以确保设备散热和人员疏散的安全。
-电气设备:根据《电气安全规范》的规定,不同的电气设备之间有不同的防火间距要求,一般要求设备之间距离不小于0.5米,以确保电气设备之间的散热和防火。
3.适用范围:不同的规范要求适用的范围有所不同,下面以两个常见的规范为例进行介绍。
-《消防法》:适用于我国范围内所有建筑物和设备的防火要求,包括住宅楼、商业建筑、公共建筑等各类建筑,以及配套的安全生产设备和电气设备。
-《建筑设计防火规范》:适用于建筑物的设计、施工和验收过程中的防火要求,包括建筑物之间的防火间距、建筑材料的防火性能、建筑物内部的防火隔离等。
总结:防火间距是保证建筑物和设备防火安全的重要手段之一、建筑物之间的防火间距和设备之间的防火间距根据不同的规范有所不同,一般以保证防火蔓延的安全距离为原则。
不同的规范有不同的适用范围,需要根据具体情况进行选择和应用。
建筑和设备的设计、施工和验收过程中,应严格按照相关规范的要求进行操作,以确保防火安全。
建筑防火间距规范建筑防火间距是指建筑物之间的最小距离,目的是为了降低建筑火灾发生时火势蔓延的速度,保护人员的生命安全,减少财产损失。
下面是关于建筑防火间距规范的内容:一、建筑防火间距的定义建筑防火间距是指相邻两个建筑物之间的最小距离,其主要包括垂直间距和水平间距两个方面。
垂直间距是指相邻建筑物之间的地面高度差,水平间距是指相邻建筑物之间的水平距离。
二、建筑防火间距的分类根据建筑物的性质和高度不同,建筑防火间距可以分为以下几类:1. 低层建筑:低层建筑一般不超过18米,防火间距一般为6米。
2. 中层建筑:中层建筑一般为18-50米,防火间距一般为9米。
3. 高层建筑:高层建筑一般超过50米,防火间距一般为18米或以上。
三、建筑防火间距的计算方法建筑防火间距的计算主要包括:1. 根据建筑物的高度和性质确定相应的防火间距。
2. 根据建筑物的立面形式和结构特点确定水平防火间距。
3. 针对特定情况,可以通过设置消防设备、采取防火墙等方式来满足防火间距要求。
四、建筑防火间距规范的应用建筑防火间距规范主要适用于以下情况:1. 建筑物之间的防火间距。
2. 建筑物与道路、植被等公共空间的防火间距。
3. 建筑物与边界线、其他建筑设施等的防火间距。
五、建筑防火间距规范的意义建筑防火间距规范的实施有以下几个方面的意义:1. 提高建筑物的火灾防范能力,减少火灾的发生。
2. 降低火势蔓延的速度,保护人员的生命安全。
3. 减少火灾对周围建筑物和环境的影响,减少财产损失。
4. 为消防队提供灭火和救援的条件。
六、建筑防火间距规范的执行建筑防火间距规范的执行主要包括以下几个方面:1. 在建筑设计阶段,要按照规范对防火间距进行合理设置。
2. 在建筑施工过程中,要确保防火间距的符合规范要求。
3. 在建筑使用和维护阶段,要定期检查和维护建筑防火间距。
总结起来,建筑防火间距规范对于保护人员生命安全和减少火灾损失具有非常重要的意义。
相关部门和建筑设计建设单位应该严格遵守和执行建筑防火间距规范,在建筑物的设计、施工和使用过程中,不仅要关注建筑的美观和实用性,更要注重建筑的防火安全性。
第3.1.1条生产的火灾危险性可按表3.1.1分为五类。
注:①在生产过程中,如使用或产生易燃、可燃物质的量较少,不足以构成爆炸或火灾危险时,可以按实际情况确定其火灾危险性的类别。
②一座厂房内或防火分区内有不同性质的生产时,其分类应按火灾危险性较大的部分确定,但火灾危险性大的部分占本层或本防火分区面积的比例小于5%(丁、戊类生产厂房的油漆工段小于10%),且发生事故时不足以蔓延到其他部位,或采取防火措施能防止火灾蔓延时,可按火灾危险性较小的部分确定。
丁、戊类生产厂房的油漆工段,当采用封闭喷漆工艺时,封闭喷漆空间内保持负压、且油漆工段
设置可燃气体浓度报警系统或自动抑爆系统时,油漆工段占其所在防火分区面积的比例不应超过
20%。
③生产的火灾危险性分类举例见附录三。
第3.2.1条各类厂房的耐火等级、层数和占地面积应符合表3.2.1的要求(本规范另有规定者除外)。
注:①防火分区间应用防火墙分隔。
一、二级耐火等级的单层厂房(甲类厂房除外)如面积超过本表规定,设置防火墙有困难时,可用防火水幕带或防火卷帘加水幕分隔。
②一级耐火等级的多层及二级耐火等级的单层、多层纺织厂房(麻纺厂除外)可按本表的规定增加
50%,但上述的厂房原棉开包、清花车间均应设防火墙分隔。
③一、二级耐火等级的单层、多层造纸生产联合厂房,其防火分区最大允许占地面积可按本表的规
定增加1.5倍。
④甲、乙、丙类厂房装有自动灭火设备时,防火分区最大允许占地面积可按本表的规定增加一倍;
丁戊类厂房装设自动灭火设备时,其占地面积不限。
局部设置时,增加面积可按该局部面积的一
倍计算。
⑤一、二级耐火等级的谷物筒仓工作塔,且每层人数不超过2个时,最多允许层数可不受本表限制。
⑥邮政楼的邮件处理中心可按丙类厂房确定。
第3.2.7条变电所、配电所不应设在有爆炸危险的甲、乙类厂房内或贴邻建造,但供上述甲、乙类专用的10kV 及以下的变电所、配电所,当采用无门窗洞口的防火墙隔开时,可一面贴邻建造。
第三节厂房的防火间距
第3.3.1条厂房之间的防火间距不应小于表3.3.1的规定(本规范另有规定者除外)。
注:①防火间距应按相邻建筑物外墙的最近距离计算,如外墙有凸出的燃烧构件,则应从其凸出部分外缘算起(以后有关条文均同此规定)。
②甲类厂房之间及其与其他厂房之间的防火间距,应按本表增加2m,戊类厂房之间的防火间距,可按本表减小2m。
③高层厂房之间及其与其他厂房之间的防火间距,应按本表增加3m。
④两座厂房相邻较高一面的外墙为防火墙时,其防火间距不限,但甲类厂房之间不应小于4m。
⑤两座一、二级耐火等级厂房,当相邻较低一面外墙为防火墙且较低一座厂房的屋盖耐火极限不低于1h时,其防火间距可适当减少,但甲、乙类厂房不应小于6m;丙、丁、戊类厂房不应小于4m。
⑥两座一、二级耐火等级厂房,当相邻较高一面外墙的门窗等开口部位设有防火门窗或防火卷帘和水幕时,其防火间距可适当减少,但甲、乙类厂房不
应小于6m;丙、丁、戊类厂房不应小于4m。
⑦两座丙、丁、戊类厂房相邻两面的外墙均为非燃烧体,如无外露的燃烧体屋檐,当每面外墙上的门墙洞口面积之和各不超过该外墙面积的5%,且门窗洞口不正对开设时,其防火间距可按本表减少25%。
⑧耐火等级低于四级的原有厂房,其防火间距可按四级确定。
第3.3.8条丙、丁、戊类厂房与民用建筑之间的防火间距,不应小于本规范第3.3.1条的规定、但单层、多层戊类厂房与民用建筑之间的防火间距,可按本规范第5.2.1条的规定执行;甲、乙类厂房与民用建筑之间的防火间距,不应小于25m,距重要的公共建筑不宜小于50m。
注:为丙、丁、戊类厂房服务而单独设立的生活室与所属厂房之间的防火间距,可适当减少,但不应小于6.00m。
第3.3.9条散发可燃气体、可燃蒸气的甲类厂房与下述地点的防火间距不应小于下列规定:
明火或散发火花的地点—— 30m;
厂外铁路线(中心线) ——30m;
厂内铁路线(中心线) ——20m;
厂外道路(路边) ——15m;
厂内主要道路(路边) ——10m;
厂内次要道路(路边) ——5m。
注:①散发比空气轻的可燃气体、可燃蒸气的甲类厂房与电力牵引机车的厂外铁路线的防火间距可减为20m。
②上述甲类厂房所属厂内铁路装卸线如有安全措施,可不受限制。
第3.3.10条室外变、配电站与建筑物、堆物、储罐之间的防火间距不应小于表3.3.10的规定。
注:①防火间距应从距建筑物、堆场、储罐最近的变压器外壁算起,但室外变、配电构架距堆场、储罐和甲、乙类的厂房不宜小于25m,距其他建筑物不宜小于10m。
②本条的室外变、配电站,是指电力系统电压为35~500kV,且每台变压器容量在10000kVA以上的室外变、配电站,以及工业企业的变压器总油量超过5t的室外总降压变电站。
③发电厂内的主变压器,其油量可按单台确定。
④干式可燃气体储罐的防火间距应按本表湿式可燃气体储罐增加25%。
第3.3.12条厂区围墙与厂内建筑的间距不宜小于5m,围墙两侧建筑物之间应满足防火
第4.1.1条储存物品的火灾危险性可按表4.1.1分为五类。
注:①储存物品的火灾危险性分类举例见附录四。
②难燃物品、非燃物品的可燃包装重量超过物品本身重量1/4时,其火灾危险性应为丙类。
第4.2.1条库房的耐火等级、层数和建筑面积应符合表4.2.1的要求。
注:①高层库房、高架仓库和筒仓的耐火等级不应低于二级;二级耐火等级的筒仓可采用钢板仓。
储存特殊贵重物品的库房,其耐火等级宜为一级。
②独立建造的硝酸铵库房、电石库房、聚乙烯库房、尿素库房、配煤库房以及车站、码头、机场内的中转仓库,其建筑面积可按本表的规定增加1.00倍,但耐火等级不应低于二级。
③装有自动灭火设备的库房,其建筑面积可按本表及注②的规定增加1.00倍。
④石油库内桶装油品库房面积可按现行的国家标准《石油库设计规范》执行。
⑤煤均化库防火分区最大允许建筑面积可为12000m2,但耐火等级不应低于二级。
⑥本条和本规范有关条文中规定的“占地面积”均指建筑面积。
第4.3.1条乙、丙、丁、戊类物品库房之间的防火间距不应小于表4.3.1的规定。
注:①两座库房相邻较高一面外墙为防火墙,且总建筑面积不超过本规范第4.2.1第一座库房的面积规定时,其防火间距不限。
②高层库房之间以及高层库房与其他建筑之间的防火间距应按本表增加3.00m。
③单层、多层戊类库房之间的防火间距可按本表减少2.00m。
第4.3.4条甲类物品库房与其他建筑物的防火间距不应小于表4.3.4
条的规定。
注:①甲类物品库房之间的防火间距不应小于20m,但本表第3、4项物品储量不超过2t,第1、2、5、6项物品储量不超过5t时,可减少12m。
②甲类库房与重要的公共建筑的防火间距不应小于50m。
第4.4.2条甲、乙、丙类液体的储罐区和乙、丙类液体的桶罐堆场与建筑物的防火间距,不应小于表4.4.2的规定。
注:①防火间距应从建筑物最近的储罐外壁、堆垛外缘算起。
但储罐防火堤外侧基脚线至建筑物的距离不应小于10m。
②甲、乙、丙类液体的固定顶储罐区、半露天堆场和乙、丙类液体堆场与甲类厂(库)房以及民用建筑的防火间距,应按本表的规定增加25%。
但甲、乙类液体储罐区、半露天堆场和乙、丙类液体堆场与上述建筑物的防火间距不应小于25m,与明火或散发火花地点的防火间距,应按本表四级建筑的规定增加25%。
③浮顶储罐或闪点大于120℃的液体储罐与建筑物的防火间距,可按本表的规定减少25%。
④一个单位如有几个储罐区时,储罐区之间的防火间距不应小于本表相应储量储罐与四级建筑的较大值。
⑤石油库的储罐与建筑物、构筑物的防火间距可按《石油库设计规范》的有关规定执行。
第4.8.3条库房、储罐、堆场与铁路、道路的防火间距,不应小于表4.8.3的规定。
注:①厂内铁路装卸线与设有装卸站台的甲类物品库房的防火间距,可不受本表规定的限制。
②未列入本表的堆场、储罐、库房与铁路、道路的防火间距,可根据储存物品的火灾危险性适当减少。
第6.0.10条环形消防车道至少应有两处与其他车道连通。
尽头式消防车道应设回车道或面积不小于12m×12m的回车场。
供大型消防车使用的回车场面积不应小于15m×15m。