厂房防火间距的规定
- 格式:doc
- 大小:15.00 KB
- 文档页数:2
车间、厂房、储罐安全间距
1、甲类车间之间的防火距离不应小于12米,甲类车间离主干道之间
的防火距离不应小于10米,离次干道之间的防火距离不应小于5米
乙类车间之间之间的防火距离不应小于10米甲类与乙类车间之间之间的防火距离不应小于12米
2、厂区围墙与厂内建筑之间的间距不宜小于5.0m,且围墙两侧的建筑之间还应满足相应的防火间距要求
3、甲类厂房与重要公共建筑之间的防火间距不应小于50.0m,与明
火或散发火花地点之间的防火间距不应小于30.0 m,与甲、乙、丙类液体储罐,可燃、助燃气体储罐,液化石油气储罐,可燃材料堆场的防火间距,储罐防火堤外侧基脚线至建筑物的距离不应小于10 ;乙
类仓库,与民用建筑之间的防火间距不宜小于25.0m,与重要公共
建筑之间的防火间距不宜小于30.0m,
4、散发可燃气体、可燃蒸气的甲类厂房与道路等的防火间距不应小于表2.1的规定,但甲类厂房所属厂内铁路装卸线当有安全措施时,其间距可不受表2.1规定的限制。
表2.1 甲类厂房与铁路、道路等的防火间距(m)
注:厂房与道路路边的防火间距按建筑距道路最近一侧路边的最小距离计算。
5、高层厂房与甲、乙、丙类液体储罐,可燃、助燃气体储罐,液
化石油气储罐,可燃材料堆场(煤和焦炭场除外)的防火间距不应小
于13.0m。
6、两排卧式储罐之间的防火间距不应小于3米,防火堤内侧基脚线至立式储罐外壁的水平距离不应小于罐壁高度的一半,防火堤内侧基脚线至卧式储罐外壁的水平距离不应小于3米。
厂房、仓库、储罐、加油站安全间距1.厂房、仓库等建筑物的防火间距(表1-1) (GB50016-2006)表1-1 厂房、仓库等建筑物的防火间距2.液体储罐的防火间距(表1-2)(GB50016-2006)表1-2 液体储罐的防火间距(m)3. 加油站内、外建筑(设施)之间的防火距离(表2-1、表2-2)(GB50156-2002(2006年版))表2-1 加油站内设施之间的防火距离表2-2 加油站与站外建筑物之间的防火距离等于50立方米。
二级加油站总容积大于60立方米,小于或等于120立方米,单罐容积小于或等于50立方米。
三级加油站总容积小于或等于60立方米,单罐容积小于或等于30立方米。
柴油罐容积可折半计入油罐总容积。
. 建规(GB50016-2006)中常涉及的部分安全规定1.厂房、仓库1. 建筑面积小于等于300m2的独立甲、乙类单层厂房,可采用三级耐火等级的建筑。
()2. 厂房内设置甲、乙类中间仓库时,其储量不宜超过一昼夜的需要量。
()3. 仓库内严禁设置员工宿舍。
()4. 甲、乙类仓库内严禁设置办公室、休息室等,并不应贴邻建造。
()5. 有爆炸危险的甲、乙类厂房宜独立设置,并宜采用敞开或半敞开式。
其承重结构宜采用钢筋混凝土或钢框架、排架结构。
()6. 有爆炸危险的甲、乙类厂房的总控制室应独立设置。
()7.甲、乙、丙类液体仓库应设置防止液体流散的设施。
遇湿会发生燃烧爆炸的物品仓库应设置防止水浸渍的措施。
()2.安全出口8. 厂房的安全出口应分散布置。
每个防火分区、一个防火分区的每个楼层,其相邻2个安全出口最近边缘之间的水平距离不应小于。
()9. 厂房的每个防火分区其安全出口的数量应经计算确定,且不应少于2个,当符合下列条件时,可设置1个安全出口:()1 甲类厂房,每层建筑面积小于等于100m2,且同一时间的生产人数不超过5人;2 乙类厂房,每层建筑面积小于等于150m2,且同一时间的生产人数不超过10 人;3 丙类厂房,每层建筑面积小于等于250m2,且同一时间的生产人数不超过20 人10. 每座仓库的安全出口不应少于2个,当一座仓库的占地面积小于等于300m2时,可设置1 个安全出口。
仓库防火安全距离是多少仓库防火安全距离是指在防火规定中,仓库与其他建筑物、设备、草木等的间距限制。
这些间距的限制是为了保证发生火灾时,不会对周围的建筑物、设备、和人员造成威胁。
相关法律法规在中国,关于仓库的防火安全距离,有《城市规划法》和《消防法》规定。
根据《城市规划法》,每个城市应该对建筑物进行规划,包括防火安全距离。
具体来说,防火安全距离是建筑物的间距,以及在建筑物与道路、河流等设施之间的距离。
《消防法》中规定,建筑物之间的防火间距一般应该按照以下标准进行规定:•独立的厂房,其间距应该为厂房高度的1/2或防火墙高度的1/3。
•非独立的厂房(即分隔墙高度小于完全封闭墙高度的墙体),其间距应该为厂房高度的1/2或者防火墙高度的1/6。
•分隔墙高度足够高的建筑,防火间距可为防火墙高度的1/2。
为什么要关注防火安全距离?防火安全距离的设定是为了防止火灾的蔓延,同时保护人们的生命和财产安全。
如果仓库的防火安全距离不符合标准,当周围发生火灾时,火势可能会蔓延到仓库内部,并且向周围建筑延伸,这样就会造成人员伤亡和财产损失。
此外,如果仓库的防火安全距离距离相邻建筑物过近,也可能会造成堵塞路面和消防车的无法通行,导致救援不及时。
如何保障仓库的防火安全距离?保障仓库的防火安全距离具体应当从以下几个方面着手:合理规划在设计建筑物之后,需要对其所在区域的规划进行设计和安排,要求设置良好的消防通道和安全距离。
根据不同的建筑类型和地理位置,合理安排建筑物之间的间距,以确保防火安全距离的效果。
安装火灾报警在仓库内设置多个火灾报警设备,以确保在发生火灾时能够及时触发报警,通知警报系统并启动灭火措施,保障安全距离。
定期检查对仓库的消防系统和报警设备定期进行检查和维护,保证其工作状态良好,保障防火安全距离。
结论仓库防火安全距离的设定非常重要,涉及到人员和物资的安全。
需要根据相关标准进行规划和实施,并定期检查和维护。
只有这样,才能够最大程度地保障人员和财产的安全,避免火灾的发生和蔓延。
简述厂房和库房的防火间距一、前言在现代工业生产中,厂房和库房是必不可少的建筑物。
然而,由于生产过程中使用的设备和物品都具有易燃性,因此这些建筑物必须考虑防火安全问题。
其中一个重要的防火安全措施就是设置防火间距。
本文将详细介绍厂房和库房的防火间距。
二、什么是防火间距防火间距指的是建筑物之间或同一建筑物内不同区域之间应保持的最小距离,以确保在发生火灾时能够有效地控制火势扩散。
根据国家标准《建筑设计防火规范》(GB 50016-2014),对于不同类型的建筑物和不同用途的区域,其要求的防火间距也有所不同。
三、厂房的防火间距1. 厂房与厂房之间对于相邻两个厂房之间的防火间距,国家标准规定为不小于20米。
如果两个相邻厂房之间有公共道路或广场,则可以适当缩小到15米。
2. 厂房内部对于厂房内部不同区域之间的防火间距,也需要根据具体情况进行设置。
一般来说,应根据生产工艺流程和物品存放情况确定不同区域之间的防火隔离要求。
例如,易燃液体储存区与其他区域之间的防火间距应不小于10米;易燃气体储存区与其他区域之间的防火间距应不小于15米。
3. 厂房与库房之间厂房与库房之间的防火间距也需要根据具体情况进行设置。
一般来说,如果库房内储存的物品易燃或有毒性,则其与厂房之间的防火隔离要求更高。
例如,如果库房内储存的是易燃液体,则其与厂房之间的防火隔离距离应不小于20米。
四、库房的防火间距1. 库房与库房之间对于相邻两个库房之间的防火间距,国家标准规定为不小于20米。
如果两个相邻库房之间有公共道路或广场,则可以适当缩小到15米。
2. 库房内部对于库房内部不同区域之间的防火间距,也需要根据具体情况进行设置。
一般来说,应根据物品存放情况和储存方式确定不同区域之间的防火隔离要求。
例如,易燃液体储存区与其他区域之间的防火间距应不小于10米;易燃气体储存区与其他区域之间的防火间距应不小于15米。
3. 库房与厂房之间库房与厂房之间的防火隔离要求与厂房与库房之间的要求类似。
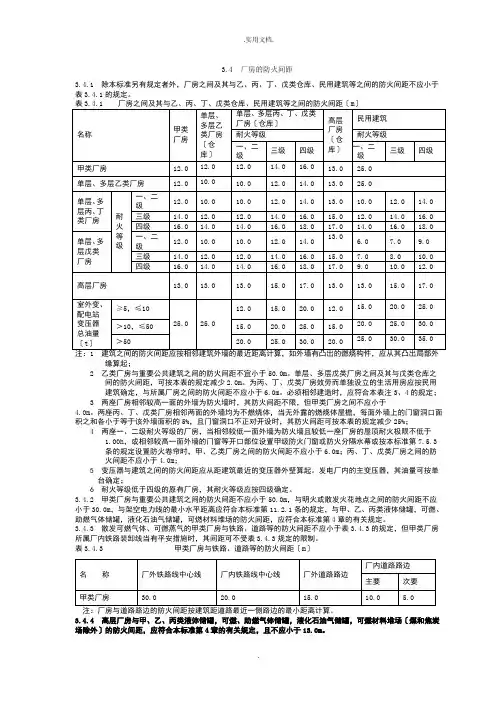
注:1 建筑之间的防火间距应按相邻建筑外墙的最近距离计算,如外墙有凸出的燃烧构件,应从其凸出部分外缘算起;2 乙类厂房与重要公共建筑之间的防火间距不宜小于50.0m。
单层、多层戊类厂房之间及其与戊类仓库之间的防火间距,可按本表的规定减少2.0m。
为丙、丁、戊类厂房服务而单独设立的生活用房应按民用建筑确定,与所属厂房之间的防火间距不应小于6.0m。
必须相邻建造时,应符合本表注3、4 的规定;3 两座厂房相邻较高一面的外墙为防火墙时,其防火间距不限,但甲类厂房之间不应小于4.0m。
两座丙、丁、戊类厂房相邻两面的外墙均为不燃烧体,当无外露的燃烧体屋檐,每面外墙上的门窗洞口面积之和各小于等于该外墙面积的5%,且门窗洞口不正对开设时,其防火间距可按本表的规定减少25%;4 两座一、二级耐火等级的厂房,当相邻较低一面外墙为防火墙且较低一座厂房的屋顶耐火极限不低于1.00h,或相邻较高一面外墙的门窗等开口部位设置甲级防火门窗或防火分隔水幕或按本规范第7.5.3 条的规定设置防火卷帘时,甲、乙类厂房之间的防火间距不应小于6.0m;丙、丁、戊类厂房之间的防火间距不应小于4.0m;5 变压器与建筑之间的防火间距应从距建筑最近的变压器外壁算起。
发电厂内的主变压器,其油量可按单台确定;6 耐火等级低于四级的原有厂房,其耐火等级应按四级确定。
3.4.2 甲类厂房与重要公共建筑之间的防火间距不应小于50.0m ,与明火或散发火花地点之间的防火间距不应小于30.0m,与架空电力线的最小水平距离应符合本规范第11.2.1 条的规定,与甲、乙、丙类液体储罐,可燃、助燃气体储罐,液化石油气储罐,可燃材料堆场的防火间距,应符合本规范第4 章的有关规定。
3.4.3 散发可燃气体、可燃蒸气的甲类厂房与铁路、道路等的防火间距不应小于表3.4.3 的规定,但甲类厂房所属厂内铁路装卸线当有安全措施时,其间距可不受表3.4.3 规定的限制。
表3.4.3 甲类厂房与铁路、道路等的防火间距(m)注:厂房与道路路边的防火间距按建筑距道路最近一侧路边的最小距离计算。
3.4 厂房的防火间距3.4.1 除本标准另有规定者外,厂房之间及其与乙、丙、丁、戊类仓库、民用建筑等之间的防火间距不应小于表3.4.1的规定。
缘算起;2 乙类厂房与重要公共建筑之间的防火间距不宜小于50.0m。
单层、多层戊类厂房之间及其与戊类仓库之间的防火间距,可按本表的规定减少2.0m。
为丙、丁、戊类厂房效劳而单独设立的生活用房应按民用建筑确定,与所属厂房之间的防火间距不应小于6.0m。
必须相邻建造时,应符合本表注3、4的规定;3 两座厂房相邻较高一面的外墙为防火墙时,其防火间距不限,但甲类厂房之间不应小于4.0m。
两座丙、丁、戊类厂房相邻两面的外墙均为不燃烧体,当无外露的燃烧体屋檐,每面外墙上的门窗洞口面积之和各小于等于该外墙面积的5%,且门窗洞口不正对开设时,其防火间距可按本表的规定减少25%;4 两座一、二级耐火等级的厂房,当相邻较低一面外墙为防火墙且较低一座厂房的屋顶耐火极限不低于1.00h,或相邻较高一面外墙的门窗等开口部位设置甲级防火门窗或防火分隔水幕或按本标准第7.5.3条的规定设置防火卷帘时,甲、乙类厂房之间的防火间距不应小于6.0m;丙、丁、戊类厂房之间的防火间距不应小于4.0m;5 变压器与建筑之间的防火间距应从距建筑最近的变压器外壁算起。
发电厂内的主变压器,其油量可按单台确定;6 耐火等级低于四级的原有厂房,其耐火等级应按四级确定。
3.4.2 甲类厂房与重要公共建筑之间的防火间距不应小于50.0m,与明火或散发火花地点之间的防火间距不应小于30.0m,与架空电力线的最小水平距离应符合本标准第11.2.1条的规定,与甲、乙、丙类液体储罐,可燃、助燃气体储罐,液化石油气储罐,可燃材料堆场的防火间距,应符合本标准第4章的有关规定。
3.4.3 散发可燃气体、可燃蒸气的甲类厂房与铁路、道路等的防火间距不应小于表3.4.3的规定,但甲类厂房所属厂内铁路装卸线当有平安措施时,其间距可不受表3.4.3规定的限制。
建筑设计防火规范(2018 年版)3 .4 厂房的防火间距3.4 .1 除本规范另有规定外,厂房之间及与乙、丙、丁、戊类仓库、民用建筑等的防火间距不应小于表3.4 .1 的规定,与甲类仓库的防火间距应符合本规范第3.5.1 条的规定。
表 3. 4.1 厂房之间及与乙、丙、丁、戊类仓库、民用建筑等的防火间距 注:1 乙类厂房与重要公共建筑的防火间距不宜小于 50m ;与明火或散发火花地点, 不 宜小于 30m 。
单、多层戊类厂房之间及与戊类仓库的防火间距可按本表的规定减少 2m , 与民用建筑的防火间距可将戊类厂房等同民用建筑按本规范第 5.2. 2 条的规定执行。
为 丙、丁、 戊类厂房服务而单独设置的生活用房应按民用建筑确定, 与所属厂房的防火间距不 应小于 6m 。
确需相邻布置时,应符合本表注 2、 3 的规定。
2 两座厂房相邻较高一面外墙为防火墙, 或相邻两座高度相同的一、 二级耐火等级建 筑中相邻任一侧外墙为防火墙且屋顶的耐火极限不低于 1 .00h 时,其防火间距不限,但甲 类厂房之间不应小于 4m 。
两座丙、丁、戊类厂房相邻两面外墙均为不燃性墙体,当无外露 的可燃性屋檐,每面外墙上的门、窗、洞口面积之和各不大于外墙面积的 5 %,且门、窗、 洞口不正对开设时,其防火间距可按本表的规定减少 25 %。
甲、乙类厂房 (仓库)不应与本 规范第 3. 3.5 条规定外的其他建筑贴邻。
3 两座一、 二级耐火等级的厂房, 当相邻较低一面外墙为防火墙且较低一座厂房的屋 顶无天窗,屋顶的耐火极限不低于 1. 00h ,或相邻较高一面外墙的门、窗等开口部位设置 甲级防火门、窗或防火分隔水幕或按本规范第 6. 5.3 条的规定设置防火卷帘时,甲、乙 类厂房之间的防火间距不应小于 6m ;丙、丁、戊类厂房之间的防火间距不应小于 4m 。
4 发电厂内的主变压器,其油量可按单台确定。
5 耐火等级低于四级的既有厂房,其耐火等级可按四级确定。
3.4 厂房的防火间距时间:2007-05-28 来源:作者:本规范第3.4和3.5节中规定的有关防火间距均为建筑间的最小间距要求。
从防火角度和保障人员安全、减少财产损失来看,在有条件时,设计者应尽可能采用较大间距。
防火间距的确定主要综合考虑满足扑救火灾需要,防止火势向邻近建筑蔓延扩大以及节约用地等因素。
影响防火间距的因素较多、条件各异,从火灾蔓延角度看,主要有“飞火”、“热对流”和“热辐射”等。
1 “飞火”与风力、火焰高度有关。
在大风情况下,从火场飞出的“火团”可达数十米至数百米。
显然,如以飞火为主要危险源,要求距离太大,难以做到。
2 “热对流”,主要考虑热气流喷出窗口后会向上升腾,对相邻建筑的火灾蔓延影响较“热辐射”小,可以不考虑。
3 “热辐射”,火灾时建筑物可能产生的热辐射强度是确定防火间距应考虑的主要因素。
热辐射强度与消防扑救力量、火灾延续时间、可燃物的性质和数量、相对外墙开口面积的大小、建筑物的长度和高度以及气象条件等有关。
国外虽有按热辐射强度理论计算防火间距的公式,但没有把影响热辐射的一些主要因素(如发现和扑救火灾早晚、火灾持续时间)考虑进去,计算数据往往偏大,目前国内还缺乏这方面的研究成果。
因此,本条规定防火间距主要是根据当前消防扑救力量,结合火灾实例和消防灭火的实际经验确定的。
据调查,一、二级耐火等级建筑之间,在初期火灾时有10m左右的间距,三、四级耐火等级建筑有14~18m的距离,一般能满足扑救需要和控制火势蔓延。
火灾蔓延与很多条件有关,本条规定的基本数据,只是考虑一般情况,基本能防止初期火灾的蔓延。
3.4.1 本条规定了厂房之间及厂房与乙、丙、丁、戊类仓库之间以及与其他建筑物之间的防火间距。
1 规范中表3.4.1是指厂房防火间距的基本要求。
由于厂房生产类别、高度不同,具体执行应有所区别,因此,根据厂房生产的火灾危险性类别不同分别作出了不同的规定。
对于现有厂房改、扩建时,如执行防火间距的规定有困难,当采取了防火措施后可以减少间距。
标准厂房安全防护距离的具体标准可能会因各种因素而异,例如工厂的类型、生产过程、排放物种类和浓度、地形地貌等。
但一般来说,厂房与民用建筑之间的防火间距不应小于本规范第331条的规定,但甲、乙类厂房与民用建筑之间的防火间距不应小于25m。
距重要的公共建筑不宜小于50m。
此外,厂房的耐火等级也会影响安全防护距离。
例如,一、二级耐火等级的民用建筑与一、二级耐火等级的厂房之间的防火间距不应小于6米,与三、四级耐火等级的厂房之间的防火间距分别为7米和9米。
请注意,上述规定只是基础的安全防护距离,实际情况可能会根据特定要求进行相应的调整。
在设计和规划厂房时,应咨询专业的建筑师或工程师,以确保满足所有安全和法规要求。
厂房防火间距的规定1、乙类厂房与重要公共建筑之间的防火间距不宜小于50m ,与明火或散发火花地点不宜小于30m。
2、单层或多层戊类厂房之间及其与戊类仓库之间的防火间距,可按本表的规定减少2m。
单层多层戊类厂房与民用建筑之间的防火间距可按本规范第 5.2.2条的规定执行。
3、为丙、丁、戊类厂房服务而单独设立的生活用房应按民用建筑确定,与所届厂房之间的防火间距不应小于6m。
必须相邻建造时,应符合本表注2、3 的规定。
4、两座厂房相邻较高一面的外墙为防火墙时,其防火间距不限,但甲类厂房之间不应小于4m。
5、两座丙、丁、戊类厂房相邻两面的外墙均为不燃烧体,当无外露的燃烧体屋檐,每面外墙上的门窗洞口面积之和各不大于该外墙面积的5%,且门窗洞口不正对开设时,其防火间距可按本表的规定减少25%。
6、甲、乙类厂房(仓库)不应与本规范第3.3.8条规定外的其他建筑贴邻建造。
7、两座一、二级耐火等级的厂房,当相邻较低一面外墙为防火墙且较低一座厂房的屋顶耐火极限不低于1.00h ,或相邻较高一面外墙的门窗等开口部位设置甲级防火门窗或防火分隔水幕或按本规范第 6.5.2条的规定设置防火卷帘时,甲、乙类厂房之间的防火间距不应小于6m ;丙、丁、戊类厂房之间的防火间距不应小于4m o8、发电厂内的主变压器,其油量可按单台确定。
9、耐火等级低丁四级的原有厂房,其耐火等级可按四级确定。
10、当丙、丁、戊类厂房与丙、丁、戊类仓库相邻时,应符合本表注2、3 的规定。
11、当丙、丁、戊类厂房与民用建筑的耐火等级均为一、二级时,其防火间距可按下列规定执行:(1) 当较高一面外墙为不开设门窗洞口的防火墙,或比相邻较低一座建筑屋面高15m及以下范围内的外墙为不开设门窗洞口的防火墙时,其防火间距可不限;(2) 相邻较低一面外墙为防火墙,且屋顶不设天窗、屋顶耐火极限不低丁1.00h ,或相邻较高一面外墙为防火墙,且墙上开口部位采取了防火保护措施,其防火间距可适当减小,但不应小丁4m 。
建筑设计防火规范(2018年版)3.4 厂房的防火间距3.4.1 除本规范另有规定外,厂房之间及与乙、丙、丁、戊类仓库、民用建筑等的防火间距不应小于表3.4.1的规定,与甲类仓库的防火间距应符合本规范第3.5.1条的规定。
表3.4.1 厂房之间及与乙、丙、丁、戊类仓库、民用建筑等的防火间距(m)注:1 乙类厂房与重要公共建筑的防火间距不宜小于50m;与明火或散发火花地点,不宜小于30m。
单、多层戊类厂房之间及与戊类仓库的防火间距可按本表的规定减少2m,与民用建筑的防火间距可将戊类厂房等同民用建筑按本规范第5.2.2条的规定执行。
为丙、丁、戊类厂房服务而单独设置的生活用房应按民用建筑确定,与所属厂房的防火间距不应小于6m。
确需相邻布置时,应符合本表注2、3的规定。
2 两座厂房相邻较高一面外墙为防火墙,或相邻两座高度相同的一、二级耐火等级建筑中相邻任一侧外墙为防火墙且屋顶的耐火极限不低于1.00h时,其防火间距不限,但甲类厂房之间不应小于4m。
两座丙、丁、戊类厂房相邻两面外墙均为不燃性墙体,当无外露的可燃性屋檐,每面外墙上的门、窗、洞口面积之和各不大于外墙面积的5%,且门、窗、洞口不正对开设时,其防火间距可按本表的规定减少25%。
甲、乙类厂房(仓库)不应与本规范第3.3.5条规定外的其他建筑贴邻。
3 两座一、二级耐火等级的厂房,当相邻较低一面外墙为防火墙且较低一座厂房的屋顶无天窗,屋顶的耐火极限不低于1.00h,或相邻较高一面外墙的门、窗等开口部位设置甲级防火门、窗或防火分隔水幕或按本规范第6.5.3条的规定设置防火卷帘时,甲、乙类厂房之间的防火间距不应小于6m;丙、丁、戊类厂房之间的防火间距不应小于4m。
4 发电厂内的主变压器,其油量可按单台确定。
5 耐火等级低于四级的既有厂房,其耐火等级可按四级确定。
6 当丙、丁、戊类厂房与丙、丁、戊类仓库相邻时,应符合本表注2、3的规定。
3.4.2 甲类厂房与重要公共建筑的防火间距不应小于50m,与明火或散发火花地点的防火间距不应小于30m。
甲级厂房防火间距
甲级厂房的防火间距规定如下:
1. 甲类厂房与重要公共建筑的防火间距不应小于50m。
这是因为甲类厂房由于其特殊的性质,如可能涉及易燃易爆物质,因此需要与重要的公共建筑保持一定的安全距离,以防止火灾蔓延至公共建筑或引发更大的灾难。
2. 甲类厂房与明火或散发火花地点的防火间距不应小于30m。
这是为了确保在甲类厂房内部或附近出现的任何明火或火花不会迅速蔓延到厂房,从而降低火灾的风险。
3. 对于散发可燃气体或可燃蒸气的甲类厂房,其与铁路、道路等的防火间距也有所规定。
具体的距离应参照相关表格来确定,但如果甲类厂房所属的厂内铁路装卸线有适当的安全措施,那么其防火间距可以不受限制。
4. 有爆炸危险的甲、乙类厂房最好独立设置,并采用敞开或半敞开式结构,这样可以进一步确保周围环境的安全。
3.4 厂房的防火间距3.4。
1 除本规范另有规定者外,厂房之间及其与乙、丙、丁、戊类仓库、民用建筑等之间的防火间距不应小于表3。
4。
1的规定。
缘算起;2 乙类厂房与重要公共建筑之间的防火间距不宜小于50。
0m。
单层、多层戊类厂房之间及其与戊类仓库之间的防火间距,可按本表的规定减少2。
0m.为丙、丁、戊类厂房服务而单独设立的生活用房应按民用建筑确定,与所属厂房之间的防火间距不应小于6。
0m。
必须相邻建造时,应符合本表注3、4的规定;3 两座厂房相邻较高一面的外墙为防火墙时,其防火间距不限,但甲类厂房之间不应小于4。
0m。
两座丙、丁、戊类厂房相邻两面的外墙均为不燃烧体,当无外露的燃烧体屋檐,每面外墙上的门窗洞口面积之和各小于等于该外墙面积的5%,且门窗洞口不正对开设时,其防火间距可按本表的规定减少25%;4 两座一、二级耐火等级的厂房,当相邻较低一面外墙为防火墙且较低一座厂房的屋顶耐火极限不低于1.00h,或相邻较高一面外墙的门窗等开口部位设置甲级防火门窗或防火分隔水幕或按本规范第7.5。
3条的规定设置防火卷帘时,甲、乙类厂房之间的防火间距不应小于6。
0m;丙、丁、戊类厂房之间的防火间距不应小于4。
0m;5 变压器与建筑之间的防火间距应从距建筑最近的变压器外壁算起。
发电厂内的主变压器,其油量可按单台确定;6 耐火等级低于四级的原有厂房,其耐火等级应按四级确定。
3。
4.2 甲类厂房与重要公共建筑之间的防火间距不应小于50。
0m,与明火或散发火花地点之间的防火间距不应小于30.0m,与架空电力线的最小水平距离应符合本规范第11。
2.1条的规定,与甲、乙、丙类液体储罐,可燃、助燃气体储罐,液化石油气储罐,可燃材料堆场的防火间距,应符合本规范第4章的有关规定。
3。
4。
3 散发可燃气体、可燃蒸气的甲类厂房与铁路、道路等的防火间距不应小于表3.4。
3的规定,但甲类厂房所属厂内铁路装卸线当有安全措施时,其间距可不受表3.4。
3.4 厂房的防火间距3。
4。
1 除本规范另有规定者外,厂房之间及其与乙、丙、丁、戊类仓库、民用建筑等之间的防火间距不应小于表3。
4.1的规定。
算起;2 乙类厂房与重要公共建筑之间的防火间距不宜小于50。
0m.单层、多层戊类厂房之间及其与戊类仓库之间的防火间距,可按本表的规定减少2.0m。
为丙、丁、戊类厂房服务而单独设立的生活用房应按民用建筑确定,与所属厂房之间的防火间距不应小于6。
0m.必须相邻建造时,应符合本表注3、4的规定;3 两座厂房相邻较高一面的外墙为防火墙时,其防火间距不限,但甲类厂房之间不应小于4。
0m.两座丙、丁、戊类厂房相邻两面的外墙均为不燃烧体,当无外露的燃烧体屋檐,每面外墙上的门窗洞口面积之和各小于等于该外墙面积的5%,且门窗洞口不正对开设时,其防火间距可按本表的规定减少25%;4 两座一、二级耐火等级的厂房,当相邻较低一面外墙为防火墙且较低一座厂房的屋顶耐火极限不低于1。
00h,或相邻较高一面外墙的门窗等开口部位设置甲级防火门窗或防火分隔水幕或按本规范第7.5.3条的规定设置防火卷帘时,甲、乙类厂房之间的防火间距不应小于6.0m;丙、丁、戊类厂房之间的防火间距不应小于4.0m;5 变压器与建筑之间的防火间距应从距建筑最近的变压器外壁算起.发电厂内的主变压器,其油量可按单台确定;6 耐火等级低于四级的原有厂房,其耐火等级应按四级确定。
3.4.2 甲类厂房与重要公共建筑之间的防火间距不应小于50.0m,与明火或散发火花地点之间的防火间距不应小于30.0m,与架空电力线的最小水平距离应符合本规范第11。
2.1条的规定,与甲、乙、丙类液体储罐,可燃、助燃气体储罐,液化石油气储罐,可燃材料堆场的防火间距,应符合本规范第4章的有关规定。
3.4。
3 散发可燃气体、可燃蒸气的甲类厂房与铁路、道路等的防火间距不应小于表3。
4。
3的规定,但甲类厂房所属厂内铁路装卸线当有安全措施时,其间距可不受表3。
(1).厂房之间的防火间距不应小于下表2.3.1的规定(本规范另有规定者除外)建筑物构件的燃烧性能和耐火极限表2.3.1注:①防火间距应按相邻建筑物外墙的最近距离计算,如外墙有凸出的燃烧构件,则应从其凸出部分外缘算起(以后有关条文均同此规定)②甲类厂房之间及其与其他厂房之间的防火间距,应按本表增加2m,戊类厂房之间的防火间距,可按本表减少2m。
③高层厂房之间及其与其他厂房之间的防火间距,应按本表增加3m。
④两座厂房相邻较高一面的外墙为防火墙时,其防火间距不限,但甲类厂房之间不应小于4m。
⑤两座一、二级耐火等级厂房,当相邻较低一面外墙(来自:)为防火墙且较低一座厂房的屋盖耐火极限不低于1h时,其防火间距可适当减少,但甲、乙类厂房不应小于6m;丙、丁、戊类厂房不应小于4m。
⑥两座一、二级耐火等级厂房,当相邻较高一面外墙的门窗等开口部位设有防火门窗或防火卷帘和水幕时,其防火间距可适当减少,但甲、乙类厂房不应小于6m; 丙、丁、戊类厂房不应小于4m。
⑦两座丙、丁、戊类厂房相邻两面的外墙均为非燃烧体,如无外露的燃烧体屋檐,当每面外墙上的门窗洞口面积之和各不超过该外墙面积的5%,且门窗洞口不正对开设时,其防火间距可按本表减少25%。
⑧耐火等级低于四级的原有厂房,其防火间距可按四级确定。
(2).一座凵、山形厂房,其两翼之间的防火间距不宜小于本规范表规定。
如该厂房的占地面积不超过本规范规定的防火分区最大允许占地面积(面积不限者,不应超过10000m2),其两翼之间的间距可为6m。
(3).厂房附设有化学易燃物品的室外设备时,其室外设备外壁与相邻厂房室外附设设备外壁之间的距离,不应小于10m。
与相邻厂房外墙之间的防火间距,不应小于本规范的规定(非燃烧体的室外设备按一、二级耐火等级建筑确定)。
(4).数座厂房(高层厂房和甲类厂房除外)的占地面积总和不超过本规范的规定的防火分区最大允许占地面积时,可成组布置,但允许占地面积应综合考虑组内各个厂房的耐火等级、层数和生产类别,按其中允许占地面积较小的一座确定(面积不限者,不应超过10000m2)。
厂房防火间距的规定
1、乙类厂房与重要公共建筑之间的防火间距不宜小于50m,与明火或散发火花地点不宜小于30m。
2、单层或多层戊类厂房之间及其与戊类仓库之间的防火间距,可按本表的规定减少2m。
单层多层戊类厂房与民用建筑之间的防火间距可按本规范第条的规定执行。
3、为丙、丁、戊类厂房服务而单独设立的生活用房应按民用建筑确定,与所属厂房之间的防火间距不应小于6m。
必须相邻建造时,应符合本表注2、3的规定。
4、两座厂房相邻较高一面的外墙为防火墙时,其防火间距不限,但甲类厂房之间不应小于4m。
5、两座丙、丁、戊类厂房相邻两面的外墙均为不燃烧体,当无外露的燃烧体屋檐,每面外墙上的门窗洞口面积之和各不大于该外墙面积的5%,且门窗洞口不正对开设时,其防火间距可按本表的规定减少25%。
6、甲、乙类厂房(仓库)不应与本规范第条规定外的其他建筑贴邻建造。
7、两座一、二级耐火等级的厂房,当相邻较低一面外墙为防火墙且较低一座厂房的屋顶耐火极限不低于,或相邻较高一面外墙的门窗等开口部位设置甲级防火门窗或防火分隔水幕或按本规范第条的规定设置防火卷帘时,甲、乙类厂房之间的防火间距不应小于6m;丙、丁、戊类厂房之间的防火间距不应小于4m。
8、发电厂内的主变压器,其油量可按单台确定。
9、耐火等级低于四级的原有厂房,其耐火等级可按四级确定。
10、当丙、丁、戊类厂房与丙、丁、戊类仓库相邻时,应符合本表注2、3的规定。
11、当丙、丁、戊类厂房与民用建筑的耐火等级均为一、二级时,其防火间距可按下列规定执行:
(1)当较高一面外墙为不开设门窗洞口的防火墙,或比相邻较低一座建筑屋面高15m及以下范围内的外墙为不开设门窗洞口的防火墙时,其防火间距可不限;
(2)相邻较低一面外墙为防火墙,且屋顶不设天窗、屋顶耐火极限不低于,或相邻较高一面外墙为防火墙,且墙上开口部位采取了防火保护措施,其防火间距可适当减小,但不应小于4m。