基础工程独立基础课程设计
- 格式:doc
- 大小:517.50 KB
- 文档页数:11
江西应用技术职业学院课程设计说明书课程名称:基础工程课程设计设计题目:柱下独立基础设计专业:建筑工程技术专业班级 11建工01班学生姓名: 张指导教师:宗亮土木工程系2011年 12 月 27 日目录一、设计资料二、设计任务三、独立基础设计计算书1、选择基础埋置深度2、计算地基承载力特征值3、初步选择基底尺寸4、验算持力层的地基承载力5、计算基底净反力6、基础高度(采用阶梯形基础)7、验算基础高度8、变阶处抗冲切验算9、配筋计算10、基础配筋大详图11、确定A、B两轴柱子基础底面尺寸12、设计图纸(附图纸)三、设计技术说明及主要参考文献柱下独立基础课程设计一、设计资料Kz1:N=600KN,MX=150KN·m,My=120KN·m Kz2:N=750KN,My=175KN·mKz3:N=900KN,MX=100KN·m,My=110KN·mKz4:N=500KN,MX=150KN·m,My=150KN·m Kz5:N=1000KN,MX=135KN·mKz6:N=850KN,MX=105KN·m,My=115KN·m Kz7:N=500KNKz8:N=700KN Kz9:N=800KN,MX=200KN·m框架柱截面尺寸为500mm×500mm,室外地坪标高同自然地面,室内外高差300mm。
二、设计任务三、独立基础设计计算书 柱KZ 11.选择基础材料基础采用C25混凝土,HPB235级钢筋,预估基础高度0.8m 。
2.选择基础埋置深度 基础埋置深度为2.5m3.求地基承载力特征值f a 查表得b η=0.3,d η=1.6。
基地以上土的加权平均重度为m γ=17.363m KN持力层承载力特征值f a (先不考虑对基础宽度修正)为ak a f f =+m γηd (d-0.5)=200+1.6×17.36×(2.5-0.5)=256KPa上式d 按室外地面算起。
基础⼯程课程设计--钢筋混凝⼟柱下独⽴基础设计《基础⼯程》课程设计⽬录1、钢筋混凝⼟柱下独⽴基础设计 (1)1.1 已知条件 (1)1.2 持⼒层的选择 (1)1.3 地基承载⼒特征值及修正 (1)1.4 确定基础底⾯尺⼨ (2)1.5 软弱下卧层承载⼒验算 (3)1.6 计算沉降量 (3)1.7 基础剖⾯设计及配筋计算 (5)1.8 绘制施⼯图 (7)2、桩基础设计 (8)2.1 已知条件 (8)2.2 桩的类型及截⾯尺⼨的选择 (8)2.3 桩端持⼒层、承台埋深的选择及单桩竖向承载⼒的计算 (8)2.4 确定桩数、间距及平⾯布置 (9)2.5 承台设计 (10)2.6 沉降计算 (13)2.7 绘制施⼯图 (15)设计⼀:钢筋混凝⼟柱下独⽴基础设计1.1 已知条件按照《基础⼯程》课程设计任务书(见附录)中的要求得知:竖向⼒609KN =9+600=k F ;⼒矩M=155KN ?m ;⽔平荷载H=10+9=19KN ;准永久组合F=609-50=559KN 。
1.2持⼒层的选择依据《建筑地基基础设计规范》GB 50007-2011(以下简称《规范》),在保证建筑安全和正常使⽤的前提下,基础应尽量浅埋,⼀般情况下不⼩于0.5m 。
根据荷载和地基条件,应初步考虑以③层黏⼟层为独⽴基础的持⼒层。
基地埋深为2.0m ,选择矩形基础。
1.3地基承载⼒特征值及修正由表⼀知:黏⼟层承载⼒特征值为kPa f ak 190=、孔隙⽐58..0=e 、液性指数78.0=l I 。
查表(参3)2-15得:。
、6.13.0==d b ηη那么修正地基承载⼒特征值公式:()()5.03-+-+=d b f f m d b ak a γηγη其中:基地以下⼟的天然重度:;3/20m kN =γ平均重度:基础底⾯以上⼟的加权()();3/5.190.28.96.192.08.9202.0201.1185.0m kN m =-?+-?+?+?=γ;基础埋置深度:m d 0.2=估计基础宽度⼩于3m,那么取b=2。
《基础工程》课程设计任务书(一)上部结构资料某框架结构柱网图如下,柱截面为400*400mm 2,F1=724kN ,F2=1424kN ,F3=2024kN 。
(二)地质资料经探测,地层岩性及土的物理力学性质如下表。
地下水埋深为5m ,无腐蚀性。
层号土名状态密实度 厚度 密度 含水量 孔隙比 I P I L 压缩系数 标贯击数 压缩模量 mg/cm 3 % Mpa -1 N 63.5 MPa 1 人工填土 可塑 稍密 2 2.022 粉土 可塑 中密3 2.02 21 0.6 7 0.21 0.21 12 8 3 粉质粘土 软塑 中密 5 2.01 23.9 0.75 12 0.82 0.35 6.6 5.64 粉土 可塑 中密 2 2.02 25 0.66 11.4 5粉土可塑密实未揭开2.02250.6120.4F1 F2F2F1F2F3F3F2 F1F2F2 F1钢筋混凝土柱下独立基础1、选择持力层设基础埋深d=2.5m ,这时地基持力层为粉土2、计算地基承载力特征值,并修正根据标贯击数N=12查表得:kPa f ak 156)140180(10151012140=-⨯--+=因为埋深d=2m>0.5m ,故还需对ak f 进行修正设基础底面宽度不大于3m 。
查表得修正系数ηb =0.5,ηd =2.0 则修正后的地基承载力特征值为f a =f ak + ηd γm (d-0.5)=156+2×20.2×(2.5-0.5)=236.8kPa3、计算基础所需底面尺寸基础埋深d=2m ,分析该框架结构柱网布置图可知,柱子受三种不同荷载,把受荷载为724KN 的基础作第一类基础,受荷载为1424KN 的基础为第二类基础,受荷载为2024KN 的基础为第三类基础 (1)、第一类基础,其轴心荷载F1=724KN ,则有:m d f F b G a 69.15.2208.23674.072411=⨯-⨯=-≥γ取1b =1.7m ,因b <3m ,不必进行承载力宽度修正(2)、第二类基础,其轴心荷载为F2=1424KN ,则有:m d f F b G a 38.25.2208.23674.0142422=⨯-⨯=-≥γ取2b =2.4m ,因b <3m ,不必进行承载力宽度修正(3)、第三类基础,其轴心荷载为2024KN ,则有:m d f F b G a 83.25.2208.23674.0202433=⨯-⨯=-≥γ取3b =2.9m ,因b<3m ,不必进行承载力宽度修正4、验算软弱层强度和沉降量(1)持力层承载力验算1)第一类基础kPa f a 8.236=基底处总竖向力:KN G F k k 26.6805.2207.174.07242=⨯⨯+⨯=+基基底平均压力:kPa f kPa A G F P a k k k 8.23638.2357.126.6802=<==+=(可以) 2)、第二类基础kPa f a 8.236=基底处总竖向力:KN G F k k 76.13415.2204.274.014242=⨯⨯+⨯=+基基底平均压力:kPa f kPa A G F P a k k k 8.23694.2324.276.13412=<==+=(可以) 3)、第三类基础kPa f a 8.236=基底处总竖向力:KN G F k k 26.19185.2209.274.020242=⨯⨯+⨯=+基基底平均压力:kPa f kPa A G F P a k k k 8.23609.2289.226.19182=<==+=(可以) (2)软弱下卧层承载力验算1)第一类基础由43.16.5/8/21==s s E E 50.047.17.1/5.2/>==b z 查表得︒=47.21θ393.0tan =θ,下卧层顶面处的附加应力:kPa z b z l P lb cd k 78.39)393.05.227.1()5.22.2038.235(7.1)tan 2)(tan 2()(22z =⨯⨯+⨯-⨯=++-=θθσσ 下卧层顶面处的自重应力:kPa cz 1015.22.205.22.20=⨯+⨯=σ 下卧层承载力特征值:m KN zd czm /2.20=+=σγkPa f az 06.240)5.05(2.204.18.112=-⨯⨯+=验算:az z cz f kPa <=+=+78.14010178.39σσ(可以) 经验算,基础底面尺寸及埋深满足要求2)第二类基础由43.16.5/8/21==s s E E 50.004.14.2/5.2/>==b z 查表得︒=04.21θ385.0tan =θ,下卧层顶面处的附加应力:kPa z b z l P lb cd k 18.56)385.05.224.2()5.22.2094.232(4.2)tan 2)(tan 2()(22z =⨯⨯+⨯-⨯=++-=θθσσ 下卧层顶面处的自重应力:kPa cz 1015.22.205.22.20=⨯+⨯=σ 下卧层承载力特征值:m KN zd czm /2.20=+=σγkPa f az 06.240)5.05(2.204.18.112=-⨯⨯+=验算:az z cz f kPa <=+=+18.15710118.56σσ(可以) 经验算,基础底面尺寸及埋深满足要求 3)第三类基础由43.16.5/8/21==s s E E 50.086.09.2/5.2/>==b z 查表得︒=86.20θ381.0t a n =θ,下卧层顶面处的附加应力: kPa z b z l P lb cd k 69.64)381.05.229.2()5.22.2009.228(9.2)tan 2)(tan 2()(22z =⨯⨯+⨯-⨯=++-=θθσσ 下卧层顶面处的自重应力:kPa cz 1015.22.205.22.20=⨯+⨯=σ 下卧层承载力特征值:m KN zd czm /2.20=+=σγkPa f az 06.240)5.05(2.204.18.112=-⨯⨯+=验算:az z cz f kPa <=+=+69.16510169.64σσ(可以)经验算,基础底面尺寸及埋深满足要求(3)、验算沉降量分析柱网布置图可得,只须验算四个基础的沉降量即可,分别设为a 、b 、c 、d ,如下图所示:ab cdehfg1)、计算基础a 的沉降kN mm l E r a aa/0544.088.07.184.011202=⨯⨯-=-=ωμδkN mm r E ab /00557.06814.34.011202=⨯⨯-=-=πμδkN mm r E ad/00557.06814.34.011202=⨯⨯-=-=πμδ mmF F F s ad ab aa a 25.55142400557.0142400557.07240544.0221=⨯+⨯+⨯=⋅+⋅+⋅=δδδ 2)、计算基础b 的沉降kN mm l E r b bb /0385.088.04.284.011202=⨯⨯-=-=ωμδkN mm r E ba /00557.06814.34.011202=⨯⨯-=-=πμδkN mm r E bc /00557.06814.34.011202=⨯⨯-=-=πμδkN mm r E be /00557.06814.34.011202=⨯⨯-=-=πμδmmF F F F s be bc ab bb b 06.78142400557.020*******.072400557.014240385.02312=⨯+⨯+⨯+⨯=⋅+⋅+⋅+⋅=δδδδ 3)、计算基础c 的沉降kN mm l E r c cc /0319.088.09.284.011202=⨯⨯-=-=ωμδkN mm r E cb /00557.06814.34.011202=⨯⨯-=-=πμδkN mm r E ch /00557.06814.34.011202=⨯⨯-=-=πμδkN mm r E cf /00557.06814.34.011202=⨯⨯-=-=πμδkN mm r E cd /00557.06814.34.011202=⨯⨯-=-=πμδmmF F F F F s cd cf ch cb cc c 55.99142400557.0142400557.020*******.0142400557.020240319.022323=⨯+⨯+⨯+⨯+⨯=⋅+⋅+⋅+⋅+⋅=δδδδδ 4)、计算基础d 的沉降kN mm l E r b dd/0385.088.04.284.011202=⨯⨯-=-=ωμδkN mm r E dg/00557.06814.34.011202=⨯⨯-=-=πμδ kN mm r E dc /00557.06814.34.011202=⨯⨯-=-=πμδkN mm r E da /00557.06814.34.011202=⨯⨯-=-=πμδmmF F F F s da dc dg dd d 23.7472400557.020*******.072400557.014240385.01312=⨯+⨯+⨯+⨯=⋅+⋅+⋅+⋅=δδδδ 5)、a 、b 两基础的沉降差mm s s a b ab 81.2225.5506.78=-=-=∆根据框架结构相邻柱基沉降差允许值可知:[∆]=mm l 12002.0=。
独立基础设计课程设计一、课程目标知识目标:1. 学生能理解独立基础的概念、分类及适用条件。
2. 学生能掌握独立基础的受力分析及计算方法。
3. 学生能了解独立基础与上部结构的关系及其在工程实践中的应用。
技能目标:1. 学生能运用所学知识,进行独立基础的选型及初步设计。
2. 学生能运用计算方法,完成独立基础的受力分析及计算。
3. 学生能通过实际案例,分析独立基础在设计中的关键问题及解决方法。
情感态度价值观目标:1. 学生培养对土木工程专业的兴趣,增强对基础工程设计的好奇心。
2. 学生树立正确的工程观念,认识到独立基础设计在工程中的重要性。
3. 学生通过团队合作,培养沟通协调能力和解决问题的能力。
本课程针对高中年级学生,结合土木工程专业背景,以独立基础设计为主题,旨在使学生在掌握基础理论知识的基础上,提高实际操作能力。
课程充分考虑学生的认知水平、兴趣和实际需求,注重培养学生的工程素养和实际应用能力。
通过本课程的学习,学生将能够为未来进一步学习土木工程专业打下坚实基础。
二、教学内容1. 独立基础概述:介绍独立基础的定义、分类(如扩展基础、柱下独立基础等)、特点及适用范围。
教材章节:第一章第三节2. 独立基础的受力分析:讲解独立基础受力原理,包括地基反力、基础底面压力等。
教材章节:第二章第一节3. 独立基础的计算方法:学习基础底面尺寸、配筋计算等内容,掌握独立基础设计的计算步骤。
教材章节:第二章第二节4. 独立基础与上部结构的关系:分析独立基础与建筑物上部结构之间的相互影响,探讨合理的设计方法。
教材章节:第三章第一节5. 独立基础设计实例:通过实际工程案例,讲解独立基础设计的过程,分析设计中遇到的问题及解决方法。
教材章节:第四章6. 独立基础设计软件应用:介绍常用基础设计软件,如理正、PKPM等,并进行实操训练。
教材章节:第五章教学内容根据课程目标进行科学、系统地组织,注重理论与实践相结合。
教学大纲明确了各部分内容的安排和进度,旨在帮助学生扎实掌握独立基础设计的相关知识。
基础工程课程设计1 柱下独立基础设计姓名:学号:班级:指导教师:设计条件:1、某框架结构建筑物设计安全等级为乙级,柱网尺寸为6.5m ×6.5m,柱截面尺寸为400mm ×400mm;经过上部结构验算,作用于基础顶面的荷载效应准永久组合及标准组合分别为F=2520kN ;F k =2800kN,M k =逆时针,H k =50kN ←,荷载效应基本组合由永久荷载控制;2、天然土层分布①0~0.8m,填土,γ=17kN/m 3;②~2.0m,粉质粘土,γ=18kN/m 3,I L =,Es=,f ak =185kPa ;③~6.0m,粉土粘粒含量为8%,γ=19kN/m 3, Es=,f ak =300kPa ; 地下水位在地面下6.0m 处; ④~10.0m,粘土,γsat =19kN/m 3,0e=,L I =, Es=,f ak =280kPa ;⑤~12.0m 为淤泥质粘土,饱和容重sat γ=m 3, f ak =146kPa,压缩模量s E =; ⑥12.0m 以下为密实粘性土,γsat =20kN/m 3,0e=,L I =, Es=30MPa,f ak =430kPa;要求:设计该柱下基础提示:按照讲述的基础设计步骤进行,注意需要验算地基变形一. 选择基础类型及材料选择柱下独立基础,基础采用C20混凝土,HPB235级钢筋,预估基础高度; 二.选择持力层确定基础埋深选择③号土层为持力层,基础进入持力层;基础埋深为2+=;三.确定地基承载力特征值查表2-15得,;基底以上土的加权平均重度为:持力层承载力特征值为:四.确定基础底面尺寸取柱底荷载标准值:F k=2800kN,M k=,H k=50kN;基础底面积为:由于偏心不大,基础底面积按20%扩大,即:初步选定基础底面积五.地基验算1.持力层地基承载力验算符合要求;偏心距:符合要求;基底最大压力:符合要求;2.抗冲切承载力验算1基底净反力:2判断冲切椎体是否在基础底面以内:基础有效高度:有垫层在基础底面以内;3计算参数符合要求;3.软弱下卧层验算⑤号土层为软土,需进行验算;查表2-15得,;由于,故应力扩散角.符合要求4.地基沉降计算第一层土:第二层土:第三层土:故计算时取至基底下第二层土;查表2-20可得:故取地基以下两层满足规范要求;查表2-18可得:满足要求; 六.配筋计算基底净反力:取18根直径20mm钢筋取18根直径16mm钢筋布筋如下图:。
课程名称:《基础工程》设计题目:柱下钢筋混凝土独立基础院_ 系:土木工程系专业:建筑工程1班年级:__________ 2013级_________学号: ________________________________姓名:____________ 张旭___________指导教师: ____________________________西南交通大学2016年4月10日《基础工程》课程设计(2013张旭)课程设计任务书专业建筑工程姓名张旭学号2013开题日期:2016 年4 月2日完成日期:2016年4月20日题目 _____________ 柱下钢筋混凝土独立基础_____________一、设计的目的通过该设计使学生初步掌握柱下钢筋混凝土独立基础(浅基础)的设计方法,设计思路,熟练浅基础设计的计算理论及具体步骤。
通过该课程设计的联系,达到应用浅基础的设计理论解决工程实际问题的目的。
二、设计的内容及要求1、选择浅基础具体类型;2、拟定基础埋深 d、基础高度h和立面型式;3、计算地基承载力、基础底面积并判断是否满足设计要求;并进行地基基础检算;4、计算并分析设计基础是否满足抗冲切、抗弯承载力(并有配筋计算分析)等;5、用CA蔭制施工图,包括立面、剖面、平面图;6、并作简单的施工说明;7、图文排版按照教务网上有关“毕业设计排版要求” 一致。
三、指导教师评语四、成绩 _________________ E C ________ D指导教师(签章)2 0 1 6年月日《基础工程》课程设计(2013张旭)目录第一部分课程设计资料............................................................................................................................................. -4 - 1.1 设计题目 ................................................................................................................................................................ -4 - 1.2设计资料.................................................................................................................................................................... -4 -1)地形 ................................................................................................................................................................. -4 - 2)工程地质资料 .............................................................................................................................................. -4 - 1.3水文资料为 ............................................................................................................................................................... -5 - 1.4上部结构资料........................................................................................................................................................... -5 - 1.5材料....................................................................................................................................................................... -5 - 1.6分组....................................................................................................................................................................... -5 - 第二部分课程设计 ..................................................................................................................................................... -6 - 2.1柱子以及荷载......................................................................................................................................................... -6 - 2.1.1选择柱子(⑦一B)..................................................................................................................................... - 6 - 2.1.2柱下荷载......................................................................................................................................................... -6 - 2.2基础材料及立面形式............................................................................................................................... -6 - 2.3确定持力层选择及基础埋置深度 d .................................................................................................................... - 6 - 2.4具体设计计算..................................................................................................................... 错误!未定义书签。
基础工程课程设计独立基础设计一、前言基础工程是建筑工程中最重要的环节之一,它直接关系到整个建筑的安全性和稳定性。
因此,在大学土木工程专业的学习过程中,独立完成基础设计是非常必要且重要的课程设计之一。
在本文中,我将详细介绍独立完成基础设计所需的步骤和注意事项。
二、课程设计要求在进行基础设计前,需要了解课程设计的具体要求。
通常情况下,课程设计要求包括但不限于以下内容:1. 设计范围:确定基础设计的范围,包括建筑物类型、地理位置、土壤情况等。
2. 设计标准:根据国家相关标准和规范进行基础设计。
3. 设计内容:包括基坑开挖、地基处理、地下水处理等。
4. 设计报告:撰写详细的设计报告,包括图纸、计算书等。
三、步骤1. 确定建筑物类型和地理位置首先需要明确所要进行基础设计的建筑物类型和地理位置。
不同类型的建筑物其承载能力不同,因此其基础形式也会有所不同。
另外,地理位置也会影响基础设计,例如地形、土壤类型等。
2. 了解土壤情况了解土壤情况是进行基础设计的前提。
需要对土壤进行勘探和测试,包括土层分布、土质分类、含水量等。
根据测试结果,可以确定地基处理方式和基础形式。
3. 设计基坑开挖在进行基坑开挖前,需要确定地下水位和承载力。
根据地下水位和承载力的大小,选择适合的开挖方式。
在开挖过程中需要注意安全问题,并采取相应的防护措施。
4. 地基处理地基处理是为了增加地基承载能力和稳定性。
常用的处理方式包括加固、排水、灌浆等。
在选择处理方式时需要考虑土壤类型和建筑物类型。
5. 设计基础形式根据建筑物类型、地理位置和土壤情况确定适合的基础形式。
常见的基础形式包括浅层基础、深层基础和特殊基础。
在设计过程中需要考虑荷载大小、荷载分布以及土壤承载能力等因素。
6. 撰写设计报告撰写详细的设计报告是基础设计的重要环节。
报告应包括图纸、计算书和说明书等内容,详细描述基础设计的过程和结果。
在撰写过程中需要注意规范和准确性。
四、注意事项1. 确保安全在进行基础设计前需要了解施工现场的安全情况,采取相应的安全措施。
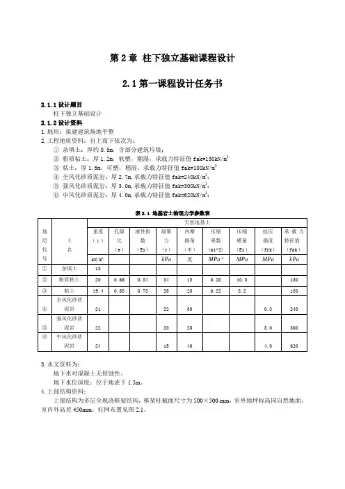
第2章柱下独立基础课程设计2.1第一课程设计任务书2.1.1设计题目柱下独立基础设计2.1.2设计资料1.地形:拟建建筑场地平整2.工程地质资料:自上而下依次为:①杂填土:厚约0.5m,含部分建筑垃圾;②粉质粘土:厚1.2m,软塑,潮湿,承载力特征值fak=130kN/m2;③粘土:厚1.5m,可塑,稍湿,承载力特征值fak=180kN/m2;④全风化砂质泥岩:厚2.7m,承载力特征值fak=240kN/m2;⑤强风化砂质泥岩:厚3.0m,承载力特征值fak=300kN/m2;⑥中风化砂质泥岩:厚4.0m,承载力特征值fak=620kN/m2;表2.1 地基岩土物理力学参数表地层代号土名天然地基土重度(γ)孔隙比(e)液性指数(Es)凝聚力(c)内摩擦角(Φ)压缩系数(a1-2)压缩模量(Es)抗压强度(frk)承载力特征值(fak)kN/m³kPa度1MPa MPa MPa kPa①杂填土18②粉质粘土20 0.65 0.84 34 13 0.20 10.0 130③粘土19.4 0.58 0.78 25 23 0.22 8.2 180④全风化砂质泥岩21 22 30 0.8 240⑤强风化砂质泥岩22 20 25 3.0 300⑥中风化砂质泥岩24 15 40 4.0 6203.水文资料为:地下水对混凝土无侵蚀性。
地下水位深度:位于地表下1.5m。
4.上部结构资料:上部结构为多层全现浇框架结构,框架柱截面尺寸为500×500 mm,室外地坪标高同自然地面,室内外高差450mm。
柱网布置见图2.1。
图2.1 柱网平面图5.上部结构作用在柱底的荷载效应标准组合值见表2.2;上部结构作用在柱底的荷载效应基本组合值见表2.3;表2.2 柱底荷载效应标准组合值题号F k(kN) M k (kN•m) V k (kN)A轴B轴C轴A轴B轴C轴A轴B轴C轴1 975 1548 1187 140 100 198 46 48 442 1032 1615 1252 164 125 221 55 60 523 1090 1730 1312 190 150 242 62 66 574 1150 1815 1370 210 175 271 71 73 675 1218 1873 1433 235 193 297 80 83 746 1282 1883 1496 257 218 325 86 90 837 1339 1970 1560 284 242 355 96 95 898 1402 2057 1618 231 266 377 102 104 989 1534 2140 1677 335 288 402 109 113 10610 1598 2205 1727 365 309 428 120 117 114表2.3 柱底荷载效应基本组合值题号 F (kN) M (kN•m) V (kN)A轴B轴C轴A轴B轴C轴A轴B轴C轴1 1268 2012 1544 183 130 258 60 62 582 1342 2100 1627 214 163 288 72 78 673 1418 2250 1706 248 195 315 81 86 744 1496 2360 1782 274 228 353 93 95 885 1584 2435 1863 306 251 386 104 108 966 1667 2448 1945 334 284 423 112 117 1087 1741 2562 2028 369 315 462 125 124 1168 1823 2674 2104 391 346 491 133 136 1289 1995 2783 2181 425 375 523 142 147 13810 2078 2866 2245 455 402 557 156 153 1496.材料:混凝土等级C20~C30,钢筋HPB300、HRB335级。
一、课程设计的目的基础工程课程设计是土木工程专业教育的一个重要教学环节,是全面检验和巩固基础工程课程学习效果的一个有效方式。
通过本次课程设计使学生能够运用已学过基础工程设计理论和方法进行一般形式的基础的设计,进一步理解基础工程设计的基本原理。
设置课程设计的目的是加强学生对本课程及相关课程知识的理解,培养学生综合分析问题的能力和运用基础理论知识解决实际工程问题的能力,为毕业设计打下坚实的基础,也有助于学生毕业后能尽早进入“工程角色”。
多年来的教学实践反映了课程设计这一教学环节对学生能力的培养起到了一定的作用。
二、课程设计的内容1、设计资料1、地形拟建建筑场地平整2、工程地质条件自上而下土层依次如下:号土层:杂填土,层厚约0.5m,含部分建筑垃圾号土层:粉质黏土,层厚1.2m,软塑,潮湿,承载力特征值f ak=130kPa。
●号土层:黏土,层厚1.5m,可塑,稍湿,承载力特征值f ak=180kPa。
❍号土层:细砂,层厚2.7m,中密,承载力特征值f ak=240kPa。
⏹号土层:强风化砂质泥岩,厚度未揭露,承载力特征值f ak=300kPa。
3、岩土设计技术参数地基岩土物理力学参数如表1.1所示。
表1.1 地基岩土物理力学参数土层编土的名称重度(kN/m3)孔隙比e液性指数I L黏聚力c(kPa)内摩擦角(°)压缩模量Es(MPa)标准贯入锤击数N承载力特征值f ak(kPa)号杂填土18粉质黏土20 0.65 0.84 34 13 7.5 6 130 ●黏土19.4 0.58 0.78 25 23 8.2 11 180 ❍细砂21 0.62 30 11.6 16 240⏹强风化砂质泥岩22 18 22 300(1)拟建场区地下水对混凝土结构无腐蚀性。
(2)地下水位深度:位于地表下1.5m5、上部结构资料拟建建筑物为多层全现浇框架结构,框架柱截面尺寸为500mm×500mm。
室外地坪标高同自然地面,室内外高差450mm。
基础工程课程设计课程名称:《基础工程》设计题目:柱下独立基础课程设计院系:土木工程学院专业:道路、桥梁、隧道工程年级:2009级姓名:李涛学号:20090710149指导教师:李文广徐州工程学院土木工程学院2011 年12 月15 日目录1、柱下独立基础设计资料2、柱下独立基础设计2.1 基础设计材料2.2 基础埋置深度选择2.3地基承载力特征值2.4 基础底面尺寸的确定2.5 验算持力层地基承载力2.6 基底净反力的计算2.7 基础高度的确定2.7.1 抗剪验算2.7.2 抗冲切验算2.8 地基沉降计算2.9 配筋计算3 软弱下卧层承载力验算4《规范》法计算沉降量5地基稳定性验算5 参考文献 6设计说明 附录 基础施工图一、基础设计资料 2号题 B 轴柱底荷载:① 柱底荷载效应标准组合值:KN F k 1615=,m KN M k ⋅=125,KN V k 60=; ② 柱底荷载效应基本组合值:KN F 2099.5=,m KN M ⋅=162.5,KN V 78=。
持力层选用4号粘土层,承载力特征值240=ak f kPa ,框架柱截面尺寸为500×500 mm ,室外地坪标高同自然地面,室内外高差450mm 。
二、独立基础设计1.选择基础材料:C25混凝土,HPB235钢筋,预估基础高度0.8m 。
2.基础埋深选择:根据任务书要求和工程地质资料,第一层土:杂填土,厚0.5m ,含部分建筑垃圾;第二层土:粉质粘土,厚1.2m , 软塑,潮湿,承载力特征值akf = 130kPa第三层土:粘土,厚1.5m , 可塑,稍湿,承载力特征值akf = 180kPa第四层土:全风化砂质泥岩,厚2.7m ,承载力特征值akf = 240kPa地下水对混凝土无侵蚀性,地下水位于地表下1.5m 。
取基础底面高时最好取至持力层下0.5m ,本设计取第三层土为持力层,所以考虑取室外地坪到基础底面为m 3.75.15.02.15.0=+++。
目录一、柱下独立基础设计 (2)1.1.1设计资料 (2)1.1.2选择基础材料 (3)1.1.3选择基础埋置深度 (3)1.1.4求地基承载力特征值。
(3)1.1.5初步选择基底尺寸 (4)1.1.6验算持力层地基承载力 (4)1.1.7计算基底反力 (4)1.1.8基础高度 (5)1.1.9配筋计算 (7)1.2.1确定A、B、D三轴柱子基础底面尺寸 (9)1.2.2设计图纸 (10)二、灌注桩基础设计 (11)2.1.1设计资料 (11)2.1.2灌注桩基设计 (11)2.1.3桩基的验算 (12)2.1.4承台设计 (13)2.1.5桩身结构设计 (17)2.1.6估算Ⓑ、Ⓒ轴线柱下桩数 (19)2.1.7设计图纸 (21)一、柱下独立基础设计1.1.1设计资料1、地形拟建建筑场地平整。
2、工程地质条件 自上而下土层依次如下:①号土层,杂填土,层厚0.6m ,含部分建筑垃圾。
②号土层,粉质黏土,层厚1.5m,软塑,潮湿,承载力特征值kPa f ak 150=。
③号土层,黏土,层厚1.8m,可塑,稍湿,承载力特征值kPa f ak 190=. ④号土层,细砂,层厚2.0m ,中密,承载力特征值kPa f ak 240=。
⑤号土层,强风化砂质泥岩,厚度未揭露,承载力特征值kPa f ak 310=. 本人为第13组5第五号,即选择5号题目,基础持力层选用4号土层,设计C 轴柱下独立基础。
各轴的柱底荷载效应标准组合值和荷载效应基本组合值: (1)柱底荷载效应标准组合值如下Ⓐ轴荷载:Fk=1150kN Mk=210kN.M Vk=71kN Ⓑ轴荷载:Fk=1815kN Mk=175kN 。
M Vk=73kN Ⓒ轴荷载:Fk=1370kN Mk=271kN.M Vk=67kN错误!轴荷载:Fk=1170kN Mk=192kN 。
M Vk=72kN(2)柱底荷载效应基本组合值如下Ⓐ轴荷载:F=1552.5kN M=283.5kN 。
. .基础工程课程设计(1) 柱下独立基础设计教育资料word. .姓名:学号:班级:指导教师:设计条件:1、某框架结构建筑物设计安全等级为乙级,柱网尺寸为6.5m×6.5m,柱截面尺寸为400mm×400mm。
经过上部结构验算,作用于基础顶面的荷载效应准永久组合及标准组合分别为F=2520kN;F=2800kN,M=80kN.m(逆时针),H=50kN(←),荷载效应基本组合由永久荷载控kkk制。
2、天然土层分布?3=17kN/m,填土,~0.8m①0;?3=18kN/m2.0m,粉质粘土,②0.8~,I=0.82,Es=3.3MPa,f=185kPa;akL?3=19kN/m8%),,粉土(粘粒含量为③2.0~6.0m, Es=5.5MPa,f=300kPa;ak地下水位在地面下6.0m处。
?eI3 =280kPa; Es=6.0MPa=0.81,6.0④~10.0m,粘土,,=19kN/m=0.83,f,?E3=1.5MPa。
饱和容重=17.4kN/m ⑤10.0~12.0m为淤泥质粘土,压缩模量,,aksat L0f=146kPa ak ssat?e I3 =430kPaf。
Es=30MPa⑥12.0m以下为密实粘性土,=20kN/m=0.65,=0.5,,,aksat L0要求:设计该柱下基础(提示:按照讲述的基础设计步骤进行,注意需要验算地基变形!)教育资料word. .一.选择基础类型及材料选择柱下独立基础,基础采用C20混凝土,HPB235级钢筋,预估基础高度0.95m。
二.选择持力层(确定基础埋深)选择③号土层为持力层,基础进入持力层0.5m。
基础埋深为2+0.5=2.5m。
三.确定地基承载力特征值,查表2-15得, 。
c基底以上土的加权平均重度为:持力层承载力特征值为:四.确定基础底面尺寸取柱底荷载标准值:F=2800kN,M=80kN.m,H=50kN。
《基础工程》课程设计姓名:班级:学号:东莞理工学院2012年5月1 设计题目柱下独立基础设计2 设计任务本课程设计的任务是完成单柱下的独立基础的设计与验算。
通过本次设计使学生能够运用已学过的扩展基础设计理论和方法,理解基础设计的基本原理,掌握基础设计的步骤和方法。
3 设计资料(1)上部结构资料某教学实验楼,上部结构为六层钢筋混凝土框架体系,其框架、主梁、次梁均为现浇整体式,混凝土强度等级C30。
(2)建筑场地资料地基与基础设计等级为乙级。
拟建场地位于市区内,地势平坦。
建筑场地位于非地震区,不考虑地震影响。
建筑场地地下水为潜水,地下水位距地表2.5m。
据已有资料分析,该场地地下水对混凝土无腐蚀性。
建筑地基的土层分布情况及各土层物理、力学指标见附表1。
(3)设计规范建筑地基基础设计规范(GB 50007-2002)混凝土结构设计规范(GB 50010--2002)(4)设计荷载建筑室内地面标高为±0.00,室外地面标高为-0.30m,,柱底标高-0.8m。
柱网图见图1柱截面尺寸:500mm×500mm柱底荷载标准组合值:A轴F₁=1706KN M₁=298KN/m V₁=100KNB轴F₁=1520KN M₁=242KN/m V₁=109KNC轴F₁=1315KN M₁=221KN/m V₁=102KN其中弯矩M k和水平力V k均为横向。
表1 地基土物理力学性质指标图1 柱网平面图4 独立基础设计(1) 选择基础材料基础采用C30混凝土,HPB300级钢筋,预估计基础高度1m (2)选择基础埋深取室外地面到基础底面为h=0.5+1=1.5m(3)求地基承载力特征值f a根据粘土e=1.02,I L =0.7,查表得ηb =0.3,ηd =1.6。
基底以上土的加权平均中毒为 m γ =5.15.182.08.04.185.05.17⨯+⨯+⨯=18.11KN/m 3持力层承载力特征值f a (先不考虑对基础宽度修正)为 a f =kPa d k f m d a 98.178)5.05.1(1.186.1150)5.0(=-⨯⨯+=-+γη 上式d 按室外地面算起。
基础工程课程设计(1) 柱下独立基础设计姓名:学号:班级:指导教师:设计条件:1、某框架结构建筑物设计安全等级为乙级,柱网尺寸为6.5m ×6.5m ,柱截面尺寸为400mm ×400mm 。
经过上部结构验算,作用于基础顶面的荷载效应准永久组合及标准组合分别为F=2520kN ;F k =2800kN ,M k =80kN.m(逆时针),H k =50kN(←),荷载效应基本组合由永久荷载控制。
2、天然土层分布①0~0.8m ,填土,γ=17kN/m 3;②0.8~2.0m ,粉质粘土,γ=18kN/m 3,I L =0.82,Es=3.3MPa ,f ak =185kPa ;③2.0~6.0m ,粉土(粘粒含量为8%),γ=19kN/m 3, Es=5.5MPa ,f ak =300kPa ; 地下水位在地面下6.0m 处。
④6.0~10.0m ,粘土,γsat =19kN/m 3,0e =0.83,L I =0.81, Es=6.0MPa ,f ak =280kPa ; ⑤10.0~12.0m 为淤泥质粘土,饱和容重sat γ=17.4kN/m 3, f ak =146kPa ,压缩模量s E =1.5MPa 。
⑥12.0m 以下为密实粘性土,γsat =20kN/m 3,0e =0.65,L I =0.5, Es=30MPa ,f ak =430kPa 。
要求:设计该柱下基础(提示:按照讲述的基础设计步骤进行,注意需要验算地基变形!)一.选择基础类型及材料选择柱下独立基础,基础采用C20混凝土,HPB235级钢筋,预估基础高度0.95m。
二.选择持力层(确定基础埋深)选择③号土层为持力层,基础进入持力层0.5m。
基础埋深为2+0.5=2.5m。
三.确定地基承载力特征值f a’ρc=8%,查表2-15得,ηb=0.5,ηd=2.0。
基底以上土的加权平均重度为:γm=17×0.8+18×1.2+19×0.52.5=17.88kN/m3持力层承载力特征值为:f a’=f ak+ηd γm(d−0.5)=300+2×17.88×(2.5−0.5)=371.52kPa四.确定基础底面尺寸取柱底荷载标准值:F k=2800kN,M k=80kN.m,H k=50kN。
课程设计计算书课程:《基础工程》课程设计设计题目:独立基础和双柱联合基础指导教师:张吾渝专业年级: 2020级土木工程专业(建筑方向)建筑(1)班所在学院和系:土木工程学院设计者:童守珍学号:07日期:2021年5月前言《基础工程》是《土力学》的后继课程,本课程是一本独立的课程,可是又于《土力学》教材的内容紧密结合。
我国改革开放以来,大规模的现代化建设的需要和国际上的科学进步和技术进展,基础工程领域内取得了许多新的成绩,在设计与施工领域涌现了许多新成熟的功效和观点。
本次课程设计,确实是基于如此的基础,在教师和同窗帮忙下,我学会了独立基础和双柱联合基础的设计,这队我以后的工作和学习有专门大的帮忙。
本设计是基础工程课程的一个重要环节,对培育和提高学生的大体技术,启发学生对实际结构工作情形的熟悉和巩固所学的理论知识具有重要作用。
本设计要紧分为三个层次,独立基础的设计及其荷载配筋计算、双柱联合基础的设计及荷载配筋计算,最后是地梁的设计。
由于编者水平,本设计中还存在很多错误和不足,敬请广大教师和读者批评指正。
编者2021年5月目录一、《土力学基础工程》课程设计任务书 (1)1.工程概况 (1)2.地质资料 (1)3.上部荷载 (1) (1)5.设计步骤 (1)二. 依照底层柱网平面图可知柱截面尺寸 (2)三. B-9轴处柱下设计钢筋混凝土独立基础 (2)初步确信基础尺寸 (2)验算荷载偏心距e (2)验算基底的最大压力P kmax (2)计算基底净反力设计值 (2)基础高度 (3)配筋计算 (3)四. 钢筋混凝土双柱联合基础设计 (5)确信基底尺寸 (5)计算基础内力 (6)确信基础高度 (6)抗冲切承载力验算 (6)抗剪切强度的验算 (7)配筋计算 (7)五. 柱间地梁设计 (8)外墙地梁设计 (8)内墙地梁设计 (9)六. 施工图的绘制 (9)七. 参考文献 (9)八. 课程设计感想 (9)课程设计计算书任务书一、《土力学与基础工程》课程设计任务书 1 工程概况:某中学五层教学楼,全框架结构,底层柱网平面如下图。
地基基础课程设计计算书第一部分毛石条形基础设计一、荷载计算外纵墙:取两窗中心线的距离3.3m为计算单元宽度山墙:取1m为计算单元宽度内横墙:取1m为计算单元宽度内纵墙:取两门中心线的间距8.26m为计算单元宽度二、确定基础埋深=2m,内纵墙和内因为标准冻深为1.2m,所以外纵墙和山墙的基础埋深d1=2.6m横墙的基础埋深d2三、地基承载力特征值的确定三、计算各道墙的基础地面尺寸1、基础宽度外纵墙:山墙:内横墙:内纵墙:取b=1.5m2.基础高度外纵墙:取h=1000mm 放大脚所需台阶数:山墙:取h=1000mm放大脚所需台阶数:内横墙:取h=1000mm放大脚所需台阶数:内纵墙:取h=1000mm放大脚所需台阶数:基础剖面图:外纵墙和山墙为1-1剖面图,内横墙和内纵墙为2-2剖面图1-1剖面图图12-2剖面图K平面图布置图:图3 四、软弱下卧层强度验算1.下卧层修正后的地基承载力特征值:mz经深度修正下卧层承载力设计值为:1a f2. 下卧层顶面处的自重应力:cz P3. 确定地基压力扩角θ,按持力层与下卧层压缩模量值之比:Es4. 土的自重应力:c5. 下卧层顶面处附加应力及验算下卧层承载力: 外纵墙:山墙:内横墙:内纵墙:第二部分柱下钢筋混凝土独立基础设计一、柱下钢筋混凝土独立基础设计任务书(一)设计题目某教学楼为四层钢筋混凝土框架结构,采用柱下独立基础,柱网布置如图1所示,试设计该基础。
(二)设计资料⑴工程地质条件该地区地势平坦,无相邻建筑物,经地质勘察:持力层为粉质粘土,土的天然重度为20 kN/m3,地基承载力特征值f ak=130kN/m2,地下水位在-1.5m处,无侵蚀性。
⑵给定参数柱截面尺寸为500mm×500mm,在基础顶面处的相应于荷载效应标准组合,由上部结构传来轴心荷载为1150kN,弯矩值为210kN·m,水平荷载为71kN。
⑶材料选用混凝土:采用C30(可以调整)(f t=1.43N/mm2)钢筋:采用HPB335(可以调整)(f y=300 N/mm2)(三)设计内容⑴确定基础埋置深度⑵确定地基承载力特征值⑶确定基础的底面尺寸⑷确定基础的高度⑸基础底板配筋计算⑹绘制施工图(平面图、详图)(四)设计要求⑴计算书要求书写工整、数字准确、图文并茂。
基础工程课程设计课程名称:《基础工程》设计题目:柱下独立基础课程设计院系:土木工程学院专业:道路、桥梁、隧道工程年级:2009级姓名:李涛学号:20090710149指导教师:李文广徐州工程学院土木工程学院2011 年12 月15 日目录1、柱下独立基础设计资料2、柱下独立基础设计2.1 基础设计材料2.2 基础埋置深度选择2.3地基承载力特征值2.4 基础底面尺寸的确定2.5 验算持力层地基承载力2.6 基底净反力的计算2.7 基础高度的确定2.7.1 抗剪验算2.7.2 抗冲切验算2.8 地基沉降计算2.9 配筋计算3 软弱下卧层承载力验算4《规范》法计算沉降量5地基稳定性验算5 参考文献 6设计说明 附录 基础施工图一、基础设计资料 2号题 B 轴柱底荷载:① 柱底荷载效应标准组合值:KN F k 1615=,m KN M k ⋅=125,KN V k 60=; ② 柱底荷载效应基本组合值:KN F 2099.5=,m KN M ⋅=162.5,KN V 78=。
持力层选用4号粘土层,承载力特征值240=ak f kPa ,框架柱截面尺寸为500×500 mm ,室外地坪标高同自然地面,室内外高差450mm 。
二、独立基础设计1.选择基础材料:C25混凝土,HPB235钢筋,预估基础高度0.8m 。
2.基础埋深选择:根据任务书要求和工程地质资料,第一层土:杂填土,厚0.5m ,含部分建筑垃圾;第二层土:粉质粘土,厚1.2m , 软塑,潮湿,承载力特征值akf = 130kPa第三层土:粘土,厚1.5m , 可塑,稍湿,承载力特征值akf = 180kPa第四层土:全风化砂质泥岩,厚2.7m ,承载力特征值akf = 240kPa地下水对混凝土无侵蚀性,地下水位于地表下1.5m 。
取基础底面高时最好取至持力层下0.5m ,本设计取第三层土为持力层,所以考虑取室外地坪到基础底面为m 3.75.15.02.15.0=+++。
由此得基础剖面示意图如下:8002200-0.450±0.000F =1339KN k M =284KN V =94KNk k F kM kV k基础剖面示意图3.求地基承载力特征值af根据粘土62.0=e ,78.0=L I ,查表得 2=b η,3=d η 基底以上土的加权平均重度3/15.033.70.5215.04.92.0)1020(1205.018m KN r m =⨯+⨯+⨯-+⨯+⨯=持力层承载力特征值af (先不考虑对基础宽度修正))5.03.7(15.033240)5.0(-⨯⨯+=-+=d f f m d ak a γη a KP 384.29=(上式d 按室外地面算起) 4.初步选择基底尺寸取柱底荷载标准值:KN F k 6151=,m KN M k ⋅=125,KN V k 60= 计算基础和回填土重kG 时的基础埋深()m d 3.9250.453.73.721=++=基础底面积:20926.420725.1102.229.3846151m d f F A G a k =⨯-⨯-=⋅-=γ由于偏心不大,基础底面积按20%增大,即:20911.5926.42.12.1m A A =⨯==初步选定基础底面面积2623m b l A =⨯=⋅=>5.911,且m m b 3.2<=不需要再对af 进行修正。
5.验算持力层地基承载力回填土和基础重:911.5)20725.1102.2(⨯⨯+⨯=⋅⋅=A d G G k γKN 99.398= 偏心距: m l m G F M e k k k k 5.0608.099.39816158.060125=<=+⨯+=+=,0m in >k P ,满足基底最大压力: ⎪⎭⎫⎝⎛⨯+⨯+=⎪⎭⎫ ⎝⎛++=308.061699.398161561max l e A G F P k k k k)15.461(2.137.389a a a KP f KP =<=所以,最后确定基础底面面积长m 3,宽m 2。
6.计算基底净反力取柱底荷载效应基本组合设计值:KN F 2099.5=,m KN M ⋅=162.5,KN V 78=。
净偏心距 m N M e n 107.05.20998.0785.1620,=⨯+==基础边缘处的最大和最小净反力)3107.061(235.2099)61(0,max ,min,⨯±⨯⨯=±=l e lb F n n n pa a kP kP 79.42403.275=7.基础高度(采用阶梯形基础)柱边基础截面抗冲切验算(见下图)冲切验算简图(a )柱下冲切;(b )变阶处冲切m l 3=,m b 2=,m b a c t 5.0==,m a c 5.0=。
初步选定基础高度mm h 800=,分两个台阶,每阶高度均为400mm 的。
mm h 750)1040(8000=+-=(有垫层)。
m b m h a a t b 2275.025.020=≤=⨯+=+=,取m a b 2=mm a a a b t m 1250220005002=+=+=因偏心受压,n p 取KPa p n 79.424max ,=冲切力:⎥⎥⎦⎤⎢⎢⎣⎡⎪⎭⎫ ⎝⎛---⎪⎭⎫ ⎝⎛--=200max ,2222h b b b h a l P F c c n l⎥⎥⎦⎤⎢⎢⎣⎡⎪⎭⎫ ⎝⎛---⨯⎪⎭⎫ ⎝⎛--⨯=275.025.022275.025.02379.424KN 79.424=抗冲切力:75.025.11027.10.17.07.030⨯⨯⨯⨯⨯=h a f m t hp β KN KN 79.42444.833>=,满足8.变阶处抗冲切验算m b a t 11==,m a 5.11=,mm h 3505040001=-= m b m h a a t b 27.135.021201=<=⨯+=+=,取m a b 7.1=m a a a b t m 35.127.112=+=+=冲切力:⎥⎥⎦⎤⎢⎢⎣⎡⎪⎭⎫ ⎝⎛---⎪⎭⎫ ⎝⎛--=2011011max ,2222h b b b h a l P F n l =⎥⎥⎦⎤⎢⎢⎣⎡⎪⎭⎫ ⎝⎛---⨯⎪⎭⎫ ⎝⎛--⨯235.02122235.025.12379.424 KN 75.372=抗冲切力:35.035.11027.10.17.07.0301⨯⨯⨯⨯⨯=h a f m t hp βKN KN 75.37265.420>=,满足9.配筋计算选用的HPB235 级钢筋,2/210mm N f y = (1)基础长边方向 І-І截面(柱边)柱边净反力:()min ,max ,min ,2n n cn Ⅰn P P la l P P -++= ()029.27579.424325.03029.275-⨯⨯++=a KP 47.312= 悬臂部分净反力平均值:()()a Ⅰn n KP P P 63.36847.31279.4242121,max ,=+⨯=+ 弯矩: ()()c c In n Ⅰb b a l P P M +-⎪⎪⎭⎫ ⎝⎛+=222412,max , )5.022()5.03(63.3682412+⨯⨯-⨯⨯=m KN ⋅=99.431260,55.30477502109.01099.4319.0mm h f M A y ⅠIs =⨯⨯⨯== Ⅲ-Ⅲ 截面(变阶处)()min ,max ,1min ,2n n n Ⅲn P P la l P P -++= ()029.27579.424325.13029.275-⨯⨯++= a KP 35.387=()()121,max ,22241b b a l P P M Ⅲn n Ⅲ+-⎪⎪⎭⎫ ⎝⎛+=)122()5.13(235.38779.4242412+⨯⨯-⨯+⨯=m KN ⋅=35.1902601,55.28773502109.01035.1909.0mm h f M A y ⅢⅢs =⨯⨯⨯== 比较1,S A 和ⅢS A ,,应按1,S A 配筋,实际配140@1211140@1615ΦΦ和 则钢筋根数:2111402800=+=n ,2277.31266.3129121.113151.201mm mm A s ≥=⨯+⨯=满足 (2)基础短边方向因为该基础受单向偏心荷载作用,所以,在基础短边方向的基底反力可按均匀分布计算,取:()()a n n n KP P P P 72.17200.9544.2502121min .max .=+⨯=+=与长边方向的配筋计算方法相同,可得Ⅱ-Ⅱ截面(柱边)的计算配筋值2,02.2068mm A ⅡS =,Ⅳ-Ⅳ 截面(变阶处)的计算配筋值213.1673mm A S =。
因此按ⅡS A ,在短边方向配筋,实际配200@1219Φ。
则钢筋根数 1912003600=+=n ,2202.20689.2148191.113mm mm A s >=⨯= 10.基础配筋大样图:见施工图11.确定A 、C 两轴柱子基础底面尺寸由任务书得:9号题A 、C 两柱子基底荷载分别为:A 轴:KN F k 1032=,m KN M k ⋅=164,KN V k 55=; C 轴:KN F k 1252=,m KN M k ⋅=221,KN V k 52=; 由前面计算得持力层承载力特征值a a KP f 29.384= 计算基础和回填土重k G 时的基础埋深m d 425.2=A 轴基础底面积:20148.320725.1102.229.3841032m d f F A G a k =⨯-⨯-=⋅-=γ基础底面积按20%增大,即:20778.3148.32.12.1m A A =⨯==初步选定基础底面面积)778.3(4.140.38.422m m b l A >=⨯=⋅=,且m b 3=,不需要再对fa 进行修正。
C 轴基础底面积:2020725.1102.229.3841252m d f F A G a k =⨯-⨯-=⋅-=γ基础底面积按20%增大,即:2054.83.12.1m A A =⨯==初步选定基础底面面积221.114.110.38.3m m b l A >=⨯=⋅=,且m b 3=, 不需要再对a f 进行修正。
12.A 、C 两轴持力层地基承载力验算(略)根据以上计算,可以绘制出基础平面布置图和B 轴柱子基础大样图。
见基础平面布置图。
三、软弱下卧层承载力验算 (1) 软弱下卧层埋深 d=3.2m(2) 软弱下卧层顶面处土的自重应力 z σ=18⨯0.5+20⨯1.2+19.4⨯1.5=62.1kPa (3) 软弱下卧层顶面处土的加权平均重度 m γ=41.192.31.62=kN/m 查表得, 全风化砂质泥岩 2=b η,3=d η (4)按深度修正后软弱下卧层的承载力特征值227.391)5.02.3(41.193240)5.0(=-⨯⨯+=-+=d f f m d ak a γη kPa由7.02.11/2.8/21≈=s s E E ,Z=3.2>0.5b ,查表得地基压力扩散角θ=23°z c σ+z σ=40.87+62.1=102.97kPa <a f =391.227kPa 满足四、《规范》法计算沉降量 (1). 基底压力MPakPa d p p kPa A G F p 159.01595.04.92.0100.1205.018177)(1778.26.32.28.26.32013390==⨯-⨯-⨯-⨯-=-==⨯⨯⨯⨯+=+=γ基底附加压力kPa z l z b p p lb c k z 87.40)23tan 2.326.3)(23tan 2.328.2()2.223.16177(8.26.3)tan 2)(tan 2()(oo =⨯+⨯+⨯-⨯⨯=++-=θθσ(2). 确定沉降计算深度根据b=2.8m 查表得△z=0.6m 。