基础工程柱下独立基础课程设计
- 格式:doc
- 大小:454.00 KB
- 文档页数:18
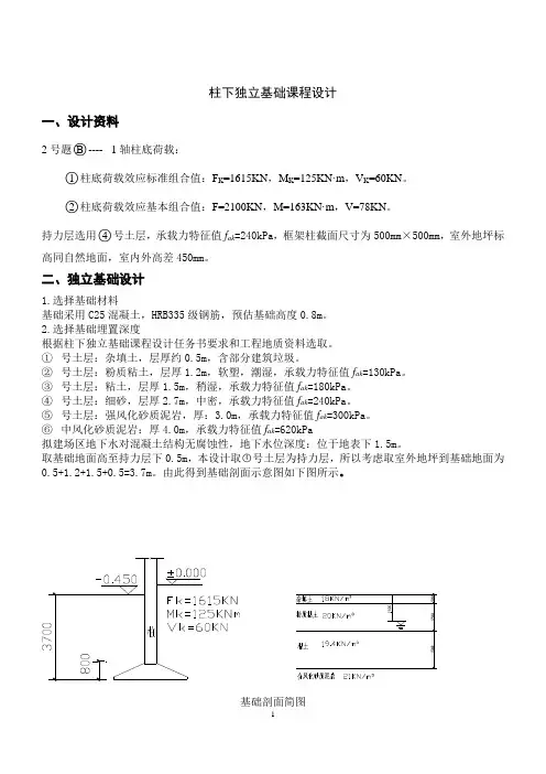
柱下独立基础课程设计一、设计资料2号题○B----1轴柱底荷载:○1柱底荷载效应标准组合值:F K=1615KN,M K=125KN·m,V K=60KN。
○2柱底荷载效应基本组合值:F=2100KN,M=163KN·m,V=78KN。
持力层选用○4号土层,承载力特征值f ak=240kPa,框架柱截面尺寸为500mm×500mm,室外地坪标高同自然地面,室内外高差450mm。
二、独立基础设计1.选择基础材料基础采用C25混凝土,HRB335级钢筋,预估基础高度0.8m。
2.选择基础埋置深度根据柱下独立基础课程设计任务书要求和工程地质资料选取。
①号土层:杂填土,层厚约0.5m,含部分建筑垃圾。
②号土层:粉质粘土,层厚1.2m,软塑,潮湿,承载力特征值f ak=130kPa。
③号土层:粘土,层厚1.5m,稍湿,承载力特征值f ak=180kPa。
④号土层:细砂,层厚2.7m,中密,承载力特征值f ak=240kPa。
⑤号土层:强风化砂质泥岩,厚:3.0m,承载力特征值f ak=300kPa。
⑥中风化砂质泥岩:厚4.0m,承载力特征值f ak=620kPa拟建场区地下水对混凝土结构无腐蚀性,地下水位深度:位于地表下1.5m。
取基础地面高至持力层下0.5m,本设计取○4号土层为持力层,所以考虑取室外地坪到基础地面为0.5+1.2+1.5+0.5=3.7m。
由此得到基础剖面示意图如下图所示。
基础剖面简图3.求地基承载力特征值f a查表2-15取b η=2.0,d η=3.0。
基地以上土的加权平均重度为180.520120-100.29.4 1.5110.23.7m γ⨯+⨯+⨯+⨯+⨯=()=13.683m KN 持力层承载力特征值f a (先不考虑对基础宽度修正)为ak a f f =+m γηd (d-0.5)=240+3.0×13.68×(3.7-0.5)=371.33KPa注:上式d 按室外地面算起4.初步选择基础尺寸取柱底荷载标准值:F K =1615KN ,M K =125KN·m ,V K =60KN 。
标准文档柱下独立基础课程设计姓名:班级:学号:指导老师:罗晓辉目录一、设计任务书....................................... - 3 -二、不考虑地基处理和角边柱影响中柱的沉降验算 ......... - 3 -三、地基处理后边柱J-1基础设计....................... - 5 -四、地基处理后边柱J-2的设计......................... - 8 -五、地基处理后角柱J-3的设计........................ - 11 -六、地基处理后中柱J-4的设计........................ - 13 -七、地基处理后中柱J-5的设计........................ - 15 -八、基础结构布置平面图.............................. - 17 -一、设计任务书采用柱下独立基础方案。
材料采用C25,基底设置C15、厚度100mm 的混凝土垫层;配筋采用Ⅱ级普通圆钢筋。
承受轴心荷载的基础底板一般采用正方形,若偏心荷载则采用矩形底板,其长宽比采用1.2。
设计计算内容:(1)在不考虑地基处理和角、边柱的影响时,中柱按地基承载力确定的基础底面积是否满足沉降要求?(2)若通过地基处理(地基处理深度从基础底面以下5.5m 内),使得地基承载力设计值达到160kPa ,进行如下设计计算:1)根据地基强度确定中柱、角与边柱的(角与边柱需考虑100kN ·m 的力矩荷载。
力矩作用方向根据右手螺旋法则确定,且指向柱网平面惯性轴)柱下基础底面尺寸;2)基础配筋、冲切验算;3)完成有关计算部分的计算简图、基础配筋图等。
二、不考虑地基处理和角边柱影响中柱的沉降验算不考虑地基处理和角、边柱的影响时,中柱按地基承载力确定的基底面积是否满足沉降要求?(1)按承载力确定基础尺寸由勘察报告可知,基础的埋深为2.4m ,持力层为粘土层。
基础⼯程课程设计--钢筋混凝⼟柱下独⽴基础设计《基础⼯程》课程设计⽬录1、钢筋混凝⼟柱下独⽴基础设计 (1)1.1 已知条件 (1)1.2 持⼒层的选择 (1)1.3 地基承载⼒特征值及修正 (1)1.4 确定基础底⾯尺⼨ (2)1.5 软弱下卧层承载⼒验算 (3)1.6 计算沉降量 (3)1.7 基础剖⾯设计及配筋计算 (5)1.8 绘制施⼯图 (7)2、桩基础设计 (8)2.1 已知条件 (8)2.2 桩的类型及截⾯尺⼨的选择 (8)2.3 桩端持⼒层、承台埋深的选择及单桩竖向承载⼒的计算 (8)2.4 确定桩数、间距及平⾯布置 (9)2.5 承台设计 (10)2.6 沉降计算 (13)2.7 绘制施⼯图 (15)设计⼀:钢筋混凝⼟柱下独⽴基础设计1.1 已知条件按照《基础⼯程》课程设计任务书(见附录)中的要求得知:竖向⼒609KN =9+600=k F ;⼒矩M=155KN ?m ;⽔平荷载H=10+9=19KN ;准永久组合F=609-50=559KN 。
1.2持⼒层的选择依据《建筑地基基础设计规范》GB 50007-2011(以下简称《规范》),在保证建筑安全和正常使⽤的前提下,基础应尽量浅埋,⼀般情况下不⼩于0.5m 。
根据荷载和地基条件,应初步考虑以③层黏⼟层为独⽴基础的持⼒层。
基地埋深为2.0m ,选择矩形基础。
1.3地基承载⼒特征值及修正由表⼀知:黏⼟层承载⼒特征值为kPa f ak 190=、孔隙⽐58..0=e 、液性指数78.0=l I 。
查表(参3)2-15得:。
、6.13.0==d b ηη那么修正地基承载⼒特征值公式:()()5.03-+-+=d b f f m d b ak a γηγη其中:基地以下⼟的天然重度:;3/20m kN =γ平均重度:基础底⾯以上⼟的加权()();3/5.190.28.96.192.08.9202.0201.1185.0m kN m =-?+-?+?+?=γ;基础埋置深度:m d 0.2=估计基础宽度⼩于3m,那么取b=2。
基础工程课程设计任务书题目:钢筋混凝土柱下独立基础设计专业:土木工程(建筑工程)班级:姓名:学号:指导教师:时间:一、设计目的与题目1、设计目的课程设计是高等教育中一直强调和重视的教学实践环节,是土木工程专业最重要的专业基础课程之一。
《基础工程课程设计》是学生在学习《土力学》、《钢筋混凝土结构》和《基础工程》的基础上,综合应用所学的理论知识,完成基础设计任务。
该课程设计的主要目的是经过本课程设计的学习,要求学生能够掌握大、中型建筑物的地基基础设计方法。
本课程的主要任务是培养学生:(1)具备应用基础工程设计基础知识和基本理论解决实际问题的能力,掌握浅基础和深基础的选型和埋深的确定、设计、计算方法;(2)能够运用数学、力学、土力学等知识对基础的基本构件进行受力分析及公式推导,建立基本公式,并正确地通过验算过程进行优化和改进;(3)能够结合行业背景进行设计,解决工程中基本构件的截面设计及承载力校核问题,以及地基承载力的确定、地基变形沉降校验问题;(4)能够熟练使用专业相关规范和图集,结合本课程的知识,结合区域特点,提出复杂工程问题的解决方案,能够处理实际工程问题。
(5)能够基于所学知识提出新型浅基础和深基础的结构,并按照规范要求进行内力分析和承载能力验算,论证设计过程和结果的合理性。
2、设计题目兰州市区某教学楼为五层钢筋混凝土框架结构,柱网布置如图1所示,试设计该基础。
二、设计条件1、场地工程地质条件:拟建场地地形平坦,地面高程在1525.20~1529.23m 之间。
本次勘察深度范围内,场地地层自上而下依次分布有:①杂填土层(Q4ml):总体厚度0.50~2.50m。
黄褐色,土质不均匀,以粉土为主,含大量建筑垃圾、植物根系等,稍湿,稍密。
②黄土状粉土层(Q4al+pl):埋深 1.50~4.50m,厚度0.20~6.30m,层面高程1522.09~1527.45。
褐黄色,土质较均匀,孔隙、虫孔较发育,具水平层理,无光泽反应,干强度低,韧性低,摇振反应中等,稍湿-湿,稍密。
基础工程课程设计--某住宅楼柱下独立基础设计
某住宅楼柱下独立基础设计是建筑基础工程的重要组成部分,其中包含的技术要求较高,必须结合实际情况考虑,进行综合把握,以确保设计工程的安全性和可行性。
为了解
决针对某住宅楼柱下独立基础设计计划而提出的技术问题,本文将会结合实际情况,从计
算基础、材料条件、施工工艺和运行状况等方面,提出独立基础的设计技术方案。
首先是计算独立基础的基本工程参数。
在某住宅楼柱下设置独立基础时,必须考虑不
同的抗压和抗拔强度和稳定性。
根据实际地质情况,设计基础高度、结构体积、材质类型
等参数,同时也要考虑项目总体费用,以确保基础性能和使用年限。
其次是材料和技术条件,根据不同的基础类型选用合适的材料。
同时,基础必须考虑排水、抗冻、抗裂等技术
设计,以及具体的施工工艺,才能确保基础的整体性能。
最后,在施工过程中,要严格控
制施工条件,保证基础结构和支护体系的完整性,提高建筑施工中的合理性和效率。
上述是某住宅楼柱下独立基础设计的一般设计准则,以确保其安全性和可行性。
设计时,必须按照本文中提出的技术方案进行细致的分析;工程施工,必须严格按照设计要求,按照实际施工工艺的要求,确保施工质量和可靠性。
确保塔楼和楼宇支撑阻力对独立基础
的总体稳定性。
柱下钢筋混凝土独立基础课程设计
柱下钢筋混凝土独立基础是建立在土壤中,用于支撑楼房柱子的基础
结构。
设计一个合理的柱下钢筋混凝土独立基础课程可以帮助学生掌
握基础设计的理论和实践技能。
以下是一个基础设计课程设计的指导。
一. 介绍
1.1 基础概述
1.2 教学目标
1.3 课程结构
1.4 难点强调
二. 土工实践
2.1 土壤力学基础
2.2 土壤分类与结构
2.3 土壤力学参数测定
三. 基础设计分析
3.1 负载分析
3.2 基础尺寸计算
3.3 基础安全性分析
四. 钢筋混凝土设计
4.1 混凝土本构关系
4.2 钢筋形态与尺寸
4.3 柱下独立基础钢筋配筋
五. 力学实践
5.1 梁设计原理
5.2 基础钢筋配筋实验
5.3 基础模型制作
六. 应用实战
6.1 西安高新技术产业园某项目的基础设计
6.2 基础施工问题的解决
6.3 实战案例分析
七. 总结
7.1 课程回顾
7.2 应用展示
7.3 知识点强调
以上是一个基础设计课程设计的指导。
该课程涵盖了土工实践、基础设计分析以及钢筋混凝土设计等主题。
在该课程中,学生将掌握基础设计的理论和实践技能,并在应用实战中掌握基础施工问题的解决方案。
基础⼯程柱下独⽴基础设计任务书⼀、设计⽬的根据本课程教学⼤纲的要求,学⽣应通过本设计掌握天然地基上的浅基础设计的原理与⽅法,培养学⽣的分析问题、实际运算和绘制简单施⼯图的能⼒,以巩固和加强对基础设计原理的理解。
⼆、设计题⽬○B轴柱下钢筋砼独⽴基础设计三、设计分组成员四、设计资料(1)上部结构资料设计⼀多层现浇框架建筑物基础,按使⽤功能要求,上部结构的柱截⾯尺⼨设计为500×500mm2,室外地坪为天然地⾯,室内地坪标⾼⾼于室外地坪0.45m。
柱底荷载标准值如表1所⽰,柱⽹分布如图1所⽰。
表1图1(2)场地与地质条件资料建筑场地平整。
⾃上⽽下的⼟层依次如下:1号⼟层,杂填⼟,层厚0.5m,重度γ=18k N/m3。
2号⼟层,粘⼟,层厚2m,重度γ=19kN/m3,孔隙⽐e=0.68,液性指数为I l =0.78,可塑,稍湿,承载⼒特征值f ak=180kPa,压缩模量为15Mpa。
3号⼟层,淤泥⼟,重度γ=14k N/m3承载⼒特征值f ak=94kPa压缩模量为3Mpa。
(3)⽔⽂地质条件地下⽔位深度:位于地表以下2m处;地下⽔对混凝⼟结构⽆腐蚀性。
五、设计指导1、选择基础材料2、确定地基持⼒层与基础埋深3、确定地基承载⼒特征值4、确定基础底⾯尺⼨5、验算地基变形(需要验算沉降的验算沉降)6、确定基础⾼度h7、基础底板配筋计算书1、设计基本资料1.1⼟层结构:给定的场地条件如图2所⽰:1.2柱底荷载效应标准组合值: F 1730M 150m V 66K K K kN kN kN==?=1.3持⼒层的选择:持⼒层在此选⽤②号⼟层,根据已知资料可知该⼟层为粘⼟,层厚2m ,重度: 319/kN m γ=,孔隙⽐: e 0.68=,液性指数为: 0.78l I =,承载⼒特征值:180ak f kPa=,可塑,稍湿,压缩模量为15MPa 。
,柱截⾯尺⼨为500mm 500mm ?,室外地坪标⾼同⾃然地⾯,室内外⾼差450mm 。
柱下独立基础课程设计1000字为了设计一门高质量、高效益的柱下独立基础课程,我们需要深入了解该课程的背景和目的。
柱下独立基础是土木工程中的一个重要概念,它是指一种独立于整体结构的基础形式,通常用于支撑单独的柱子或支柱。
设计合理的柱下独立基础能够确保整个建筑结构的稳定和安全。
一、总体目标和学习目标总体目标是通过本课程学习,学生将能够:1.了解和掌握柱下独立基础的概念和原理。
2.熟悉柱下独立基础的设计流程和相关设计规范。
3.能够进行柱下独立基础的施工、验收和后续维护管理。
学习目标分为以下几个方面:1.了解土工材料及其物理特性。
2.熟悉基础设计的主要原则。
3.掌握计算柱下独立基础的荷载和荷载组合。
4.了解柱下独立基础设计中的常见问题及其解决方法。
5.知晓柱下独立基础施工过程中需要注意的事项。
二、教学内容本课程的教学内容包括以下几个方面:1.柱下独立基础的概述和基本概念。
2.土工材料及其物理特性。
3.基础设计的主要原则,包括确定荷载、荷载组合和地基承载力等。
4.柱下独立基础的设计方法,包括承载力计算、地基基础的合理选型。
5.柱下独立基础的施工过程,包括土方开挖、灌注、固结等。
6.柱下独立基础验收标准及验收过程的相关知识。
7.柱下独立基础后续维护管理的相关知识。
三、教学方法和手段为了达到本课程的学习目标,我们将采用以下教学方法和手段:1.理论授课:通过讲解基础知识、设计原则、计算方法等,提高学生的理论水平和理解能力。
2.案例研讨:通过课程案例,让学生深入了解柱下独立基础的设计和实际应用。
3.实验教学:通过模拟实验,让学生实际操作,增强实践能力。
4.自主学习:通过自主学习,在教师指导下,学生可以深入掌握柱下独立基础的设计、施工及验收标准等相关知识。
5.网络教学:通过网络教学平台,提供课程资料下载、网络学习、在线答疑等服务,增加互动性。
四、评价方式课程的评价方式应该与学习目标相匹配,评价方式应包含以下几个方面:1.理论考试:考查学生对柱下独立基础设计理论知识的掌握情况。
. .基础工程课程设计(1) 柱下独立基础设计教育资料word. .姓名:学号:班级:指导教师:设计条件:1、某框架结构建筑物设计安全等级为乙级,柱网尺寸为6.5m×6.5m,柱截面尺寸为400mm×400mm。
经过上部结构验算,作用于基础顶面的荷载效应准永久组合及标准组合分别为F=2520kN;F=2800kN,M=80kN.m(逆时针),H=50kN(←),荷载效应基本组合由永久荷载控kkk制。
2、天然土层分布?3=17kN/m,填土,~0.8m①0;?3=18kN/m2.0m,粉质粘土,②0.8~,I=0.82,Es=3.3MPa,f=185kPa;akL?3=19kN/m8%),,粉土(粘粒含量为③2.0~6.0m, Es=5.5MPa,f=300kPa;ak地下水位在地面下6.0m处。
?eI3 =280kPa; Es=6.0MPa=0.81,6.0④~10.0m,粘土,,=19kN/m=0.83,f,?E3=1.5MPa。
饱和容重=17.4kN/m ⑤10.0~12.0m为淤泥质粘土,压缩模量,,aksat L0f=146kPa ak ssat?e I3 =430kPaf。
Es=30MPa⑥12.0m以下为密实粘性土,=20kN/m=0.65,=0.5,,,aksat L0要求:设计该柱下基础(提示:按照讲述的基础设计步骤进行,注意需要验算地基变形!)教育资料word. .一.选择基础类型及材料选择柱下独立基础,基础采用C20混凝土,HPB235级钢筋,预估基础高度0.95m。
二.选择持力层(确定基础埋深)选择③号土层为持力层,基础进入持力层0.5m。
基础埋深为2+0.5=2.5m。
三.确定地基承载力特征值,查表2-15得, 。
c基底以上土的加权平均重度为:持力层承载力特征值为:四.确定基础底面尺寸取柱底荷载标准值:F=2800kN,M=80kN.m,H=50kN。
目录一、设计资料二、独立基础设计1、选择基础材料 (1)2、确定基础埋置深度 (2)3、计算地基承载力特征值 (3)4、初步选择基底尺寸 (4)5、验算持力层的地基承载力 (5)6、软弱下卧层的验算 (6)7、地基变形验算 (7)8、计算基底净反力 (8)9、验算基础高度 (9)10、基础高度(采用阶梯形基础) (10)11、变阶处抗冲切验算 (11)12、配筋计算 (12)13、确定A、B两轴柱子基础底面尺寸 (13)15、 B、C两轴持力层地基承载力验算 (14)16、设计图纸 (15)17、设计资料及设计任务进度...............................16-19柱下独立基础课程设计二、独立基础设计1.选择基础材料基础采用C25混凝土,HRB335级钢筋,预估基础高度0.75m。
2.选择基础埋置深度根据柱下独立基础课程设计任务书要求和工程地质资料选取。
①号土层:杂填土,层厚约0.5m,含部分建筑垃圾。
②号土层:粉质粘土,层厚1.2m,软塑,潮湿,承载力特征值f ak=130kPa。
③号土层:粘土,层厚1.5m,稍湿,承载力特征值f ak=180kPa。
④号土层:细砂,层厚3.0m,中密,承载力特征值f ak=240kPa。
⑤号土层:强风化砂质泥岩,很厚,中密,承载力特征值f ak=300kPa。
-0.45 +0.00Vk=96kNFk=1339KN 3.7m Mk=284KN.m基础剖面简图1、确定基础的埋置深度:由于该框架结构处于青海,则必须考虑土的冻账都基础的影响,则有: :根据设计设计资料易知以上设计地面基础的顶面应低于设计遭受外界的破坏,所以同时为了避免基础外露不易浅于)规范规定基础的埋深(的控制:同时基础还受以下条件地基冻结条件所控制,故基础的埋置深度收到采用条形基础。
即有:得出查表为:基底平均压力测资料可知西宁地区的根据西宁地区的地质勘)(即:城市近郊,不冻胀图得出:粘性土依次和,教材查表《土力学与基础工程》三个参数依次参考最大冻结深度为西宁地区标准冻深为mm 100,m 5.01 1.098m,2.200021.1,2.2h 5-7,k 11002m,1.195.00.10.116.1-95.0,0.10.14-73-72-7,,-1.34m; 1.34m-1.16m,-;,max min max 000max min =+-=-==-=⨯⨯⨯=ψψψ==ψ=ψ=ψψψψ=ψψψ=-=h z d m pa z z z z z h z d d ze zw zs d ze zw zs ze zw zs ze zw zs d d① 号土层:染填土,层厚约0.5m ,含部分建筑垃圾② 号土层:粉质黏土,层厚1.2m 软塑,潮湿,承载力特征值f ak =130KPa 。
基础工程课程设计(柱下独立基础)基础工程课程设计(1)柱下独立基础设计姓氏:学校编号:班级级别:讲师:设计条件:1框架结构建筑设计安全等级为乙级,柱网尺寸为6.5m×6.5m,柱截面尺寸为400 mm× 400 mm检查上部结构后,作用在基础顶面上的荷载效应的准永久组合和标准组合分别为f = 2520 kn。
Fk=2800kN,Mk=80kN.m(逆时针),Hk=50kN(←),载荷效应的基本组合由永久载荷控制。
2,天然土层分布①0 ~ 0.8m,填土,?= 17kN/m3;②0.8 ~ 2.0m,粉质粘土,?=18kN/m3,IL = 0.82,Es = 3.3兆帕,FAK = 185千帕;③2.0 ~ 6.0m,含泥量8%,?=19kN/m3,Es = 5.5兆帕,FAK = 300千帕;地下水位低于地面6.0米。
④6.0 ~ 10.0米,粘土,?3sat=19kN/m,0=0.83,L=0.81,EIEs = 6.0兆帕,FAK = 280千帕;⑤10.0 ~ 12.0 m为饱和容重的淤泥质粘土?Sat=17.4kN/m3,FAK =146千帕,压缩模量Es = 1.5兆帕⑥12.0米以下的密实粘性土。
sat=20kN/m3,e0=0.65,IL=0.5,Es=30MPa,fak=430kPa要求:设计柱下基础(提示:按照所述基础设计步骤,注意检查基础变形!)1。
选择基础类型和材料选择柱下的独立基础。
基础采用C20混凝土和HPB235级钢筋,估计基础高度为0.95米2。
选择持力层(确定基础埋深)选择3号土层作为持力层,基础进入持力层0.5m基础埋深为2+0.5 = 2.5m3。
确定地基承载力特征值c,参考表2-15。
地基以上土的加权平均重量为持力层承载力特征值为4。
确定基础底部尺寸取柱底荷载标准值:Fk=2800kN,Mk=80kN.m,Hk=50kN基础底部面积为。
由于偏心率小,基础底面面积扩大了20%,即最初选择基础底面面积,不需要修正。
可编辑修改精选全文完整版柱下独立基础课程设计指导书地基基础设计是土木工程结构设计的重要组成部分,必须根据上部结构条件(建筑物的用途和安全等级、建筑布置、上部结构类型等)和工程地质条件(建筑场地、地基岩土和气候条件等),结合考虑其他方面的要求(工期、施工条件、造价和节约资源等),合理选择地基基础方案,因地制宜,精心设计,以确保建筑物和构筑物的安全和正常使用。
一、独立基础的设计内容与步骤(1)初步设计基础的结构型式、材料与平面布置; (2)确定基础的埋置深度d ;(3)计算地基承载力特征值ak f ,并经深度和宽度修正,确定修正后的地基承载力特征值a f ; (4)根据作用在基础顶面荷载 F 和深宽修正后的地基承载力特征值,计算基础的底面积; (5)计算基础高度并确定剖面形状;(6)若地基持力层下部存在软弱土层时,则需验算软弱下卧层的承载力;(7)地基基础设计等级为甲、乙级建筑物和部分丙级建筑物应计算地基的变形; (8)验算建筑物或构筑物的稳定性(如有必要时); (9)基础细部结构和构造设计; (10)绘制基础施工图。
如果步骤(1)~(7)中有不满足要求的情况时,可对基础设计进行调整,如采取加大基础埋置深度d 或加大基础宽度b 等措施,直到全部满足要求为止。
二、地基基础设计基本规定1.地基基础设计等级根据地基复杂程度、建筑物规模和功能特征以及由于地基问题可能造成建筑物破坏或影响正常使用的程度,将地基基础设计分为三个设计等级,设计时应根据具体情况,按表1选用。
表1 地基基础设计等级2.地基计算的规定根据建筑物地基基础设计等级及长期荷载作用下地基变形对上部结构的影响程度,地基基础设计应符合下列规定:(1)所有建筑物的地基计算均应满足承载力计算的有关规定。
(2)设计等级为甲级、乙级的建筑物,均应按地基变形设计。
(3)表2所列范围内设计等级为丙级的建筑物可不作变形验算,如有下列情况之一时,仍应作变形验算:① 地基承载力特征值小于 l30 kPa ,且体型复杂的建筑: ② 在地基基础上及其附近有地面堆载或相邻基础荷载差异较大,可能引起地基产生过大的不均匀沉降时;③ 软弱地基上的建筑物存在偏心荷载时; ④ 相邻建筑距离过近,可能发生倾斜时;⑤ 地基内有厚度较大或厚薄不均的填土,其自重固结未完成时。
基础工程课程设计(1) 柱下独立基础设计姓名:学号:班级:指导教师:设计条件:1、某框架结构建筑物设计安全等级为乙级,柱网尺寸为6.5m ×6.5m ,柱截面尺寸为400mm ×400mm 。
经过上部结构验算,作用于基础顶面的荷载效应准永久组合及标准组合分别为F=2520kN ;F k =2800kN ,M k =80kN.m(逆时针),H k =50kN(←),荷载效应基本组合由永久荷载控制。
2、天然土层分布①0~0.8m ,填土,γ=17kN/m 3;②0.8~2.0m ,粉质粘土,γ=18kN/m 3,I L =0.82,Es=3.3MPa ,f ak =185kPa ;③2.0~6.0m ,粉土(粘粒含量为8%),γ=19kN/m 3, Es=5.5MPa ,f ak =300kPa ; 地下水位在地面下6.0m 处。
④6.0~10.0m ,粘土,γsat =19kN/m 3,0e =0.83,L I =0.81, Es=6.0MPa ,f ak =280kPa ; ⑤10.0~12.0m 为淤泥质粘土,饱和容重sat γ=17.4kN/m 3, f ak =146kPa ,压缩模量s E =1.5MPa 。
⑥12.0m 以下为密实粘性土,γsat =20kN/m 3,0e =0.65,L I =0.5, Es=30MPa ,f ak =430kPa 。
要求:设计该柱下基础(提示:按照讲述的基础设计步骤进行,注意需要验算地基变形!)一.选择基础类型及材料选择柱下独立基础,基础采用C20混凝土,HPB235级钢筋,预估基础高度0.95m。
二.选择持力层(确定基础埋深)选择③号土层为持力层,基础进入持力层0.5m。
基础埋深为2+0.5=2.5m。
三.确定地基承载力特征值f a’ρc=8%,查表2-15得,ηb=0.5,ηd=2.0。
基底以上土的加权平均重度为:γm=17×0.8+18×1.2+19×0.52.5=17.88kN/m3持力层承载力特征值为:f a’=f ak+ηd γm(d−0.5)=300+2×17.88×(2.5−0.5)=371.52kPa四.确定基础底面尺寸取柱底荷载标准值:F k=2800kN,M k=80kN.m,H k=50kN。
基础工程课程设计(1) 柱下独立基础设计姓名:学号:班级:指导教师:设计条件:1、某框架结构建筑物设计安全等级为乙级,柱网尺寸为6.5m ×6.5m ,柱截面尺寸为400mm ×400mm 。
经过上部结构验算,作用于基础顶面的荷载效应准永久组合及标准组合分别为F=2520kN ;F k =2800kN ,M k =80kN.m(逆时针),H k =50kN(←),荷载效应基本组合由永久荷载控制。
2、天然土层分布①0~0.8m ,填土,γ=17kN/m 3;②0.8~2.0m ,粉质粘土,γ=18kN/m 3,I L =0.82,Es=3.3MPa ,f ak =185kPa ;③2.0~6.0m ,粉土(粘粒含量为8%),γ=19kN/m 3, Es=5.5MPa ,f ak =300kPa ;地下水位在地面下6.0m 处。
④6.0~10.0m ,粘土,γsat =19kN/m 3,0e =0.83,L I =0.81, Es=6.0MPa ,f ak =280kPa ; ⑤10.0~12.0m 为淤泥质粘土,饱和容重sat γ=17.4kN/m 3, f ak =146kPa ,压缩模量s E =1.5MPa 。
⑥12.0m 以下为密实粘性土,γsat =20kN/m 3,0e =0.65,L I =0.5, Es=30MPa ,f ak =430kPa 。
要求:设计该柱下基础(提示:按照讲述的基础设计步骤进行,注意需要验算地基变形!)一.选择基础类型及材料选择柱下独立基础,基础采用C20混凝土,HPB235级钢筋,预估基础高度0.95m。
二.选择持力层(确定基础埋深)选择③号土层为持力层,基础进入持力层0.5m。
基础埋深为2+0.5=2.5m。
三.确定地基承载力特征值f a’ρc=8%,查表2-15得,ηb=0.5,ηd=2.0。
基底以上土的加权平均重度为:γm=17×0.8+18×1.2+19×0.52.5=17.88kN/m3持力层承载力特征值为:f a’=f ak+ηd γm(d−0.5)=300+2×17.88×(2.5−0.5)=371.52kPa四.确定基础底面尺寸取柱底荷载标准值:F k=2800kN,M k=80kN.m,H k=50kN。
《基础工程》课程设计任务书(一)上部结构资料某框架结构柱网图如下,柱截面为400*400mm 2,F1=724kN ,F2=1424kN ,F3=2024kN 。
(二)地质资料经探测,地层岩性及土的物理力学性质如下表。
地下水埋深为5m ,无腐蚀性。
层号土名状态密实度 厚度 密度 含水量 孔隙比 I P I L 压缩系数 标贯击数 压缩模量 mg/cm 3 % Mpa -1 N 63.5 MPa 1 人工填土 可塑 稍密 2 2.022 粉土 可塑 中密3 2.02 21 0.6 7 0.21 0.21 12 8 3 粉质粘土 软塑 中密 5 2.01 23.9 0.75 12 0.82 0.35 6.6 5.64 粉土 可塑 中密 2 2.02 25 0.66 11.4 5粉土可塑密实未揭开2.02250.6120.4F1 F2F2F1F2F3F3F2 F1F2F2 F1钢筋混凝土柱下独立基础1、选择持力层设基础埋深d=2.5m ,这时地基持力层为粉土2、计算地基承载力特征值,并修正根据标贯击数N=12查表得:kPa f ak 156)140180(10151012140=-⨯--+=因为埋深d=2m>0.5m ,故还需对ak f 进行修正设基础底面宽度不大于3m 。
查表得修正系数ηb =0.5,ηd =2.0 则修正后的地基承载力特征值为f a =f ak + ηd γm (d-0.5)=156+2×20.2×(2.5-0.5)=236.8kPa3、计算基础所需底面尺寸基础埋深d=2m ,分析该框架结构柱网布置图可知,柱子受三种不同荷载,把受荷载为724KN 的基础作第一类基础,受荷载为1424KN 的基础为第二类基础,受荷载为2024KN 的基础为第三类基础 (1)、第一类基础,其轴心荷载F1=724KN ,则有:m d f F b G a 69.15.2208.23674.072411=⨯-⨯=-≥γ取1b =1.7m ,因b <3m ,不必进行承载力宽度修正(2)、第二类基础,其轴心荷载为F2=1424KN ,则有:m d f F b G a 38.25.2208.23674.0142422=⨯-⨯=-≥γ取2b =2.4m ,因b <3m ,不必进行承载力宽度修正(3)、第三类基础,其轴心荷载为2024KN ,则有:m d f F b G a 83.25.2208.23674.0202433=⨯-⨯=-≥γ取3b =2.9m ,因b<3m ,不必进行承载力宽度修正4、验算软弱层强度和沉降量(1)持力层承载力验算1)第一类基础kPa f a 8.236=基底处总竖向力:KN G F k k 26.6805.2207.174.07242=⨯⨯+⨯=+基基底平均压力:kPa f kPa A G F P a k k k 8.23638.2357.126.6802=<==+=(可以) 2)、第二类基础kPa f a 8.236=基底处总竖向力:KN G F k k 76.13415.2204.274.014242=⨯⨯+⨯=+基基底平均压力:kPa f kPa A G F P a k k k 8.23694.2324.276.13412=<==+=(可以) 3)、第三类基础kPa f a 8.236=基底处总竖向力:KN G F k k 26.19185.2209.274.020242=⨯⨯+⨯=+基基底平均压力:kPa f kPa A G F P a k k k 8.23609.2289.226.19182=<==+=(可以) (2)软弱下卧层承载力验算1)第一类基础由43.16.5/8/21==s s E E 50.047.17.1/5.2/>==b z 查表得︒=47.21θ393.0tan =θ,下卧层顶面处的附加应力:kPa z b z l P lb cd k 78.39)393.05.227.1()5.22.2038.235(7.1)tan 2)(tan 2()(22z =⨯⨯+⨯-⨯=++-=θθσσ 下卧层顶面处的自重应力:kPa cz 1015.22.205.22.20=⨯+⨯=σ 下卧层承载力特征值:m KN zd czm /2.20=+=σγkPa f az 06.240)5.05(2.204.18.112=-⨯⨯+=验算:az z cz f kPa <=+=+78.14010178.39σσ(可以) 经验算,基础底面尺寸及埋深满足要求2)第二类基础由43.16.5/8/21==s s E E 50.004.14.2/5.2/>==b z 查表得︒=04.21θ385.0tan =θ,下卧层顶面处的附加应力:kPa z b z l P lb cd k 18.56)385.05.224.2()5.22.2094.232(4.2)tan 2)(tan 2()(22z =⨯⨯+⨯-⨯=++-=θθσσ 下卧层顶面处的自重应力:kPa cz 1015.22.205.22.20=⨯+⨯=σ 下卧层承载力特征值:m KN zd czm /2.20=+=σγkPa f az 06.240)5.05(2.204.18.112=-⨯⨯+=验算:az z cz f kPa <=+=+18.15710118.56σσ(可以) 经验算,基础底面尺寸及埋深满足要求 3)第三类基础由43.16.5/8/21==s s E E 50.086.09.2/5.2/>==b z 查表得︒=86.20θ381.0t a n =θ,下卧层顶面处的附加应力: kPa z b z l P lb cd k 69.64)381.05.229.2()5.22.2009.228(9.2)tan 2)(tan 2()(22z =⨯⨯+⨯-⨯=++-=θθσσ 下卧层顶面处的自重应力:kPa cz 1015.22.205.22.20=⨯+⨯=σ 下卧层承载力特征值:m KN zd czm /2.20=+=σγkPa f az 06.240)5.05(2.204.18.112=-⨯⨯+=验算:az z cz f kPa <=+=+69.16510169.64σσ(可以)经验算,基础底面尺寸及埋深满足要求(3)、验算沉降量分析柱网布置图可得,只须验算四个基础的沉降量即可,分别设为a 、b 、c 、d ,如下图所示:ab cdehfg1)、计算基础a 的沉降kN mm l E r a aa/0544.088.07.184.011202=⨯⨯-=-=ωμδkN mm r E ab /00557.06814.34.011202=⨯⨯-=-=πμδkN mm r E ad/00557.06814.34.011202=⨯⨯-=-=πμδ mmF F F s ad ab aa a 25.55142400557.0142400557.07240544.0221=⨯+⨯+⨯=⋅+⋅+⋅=δδδ 2)、计算基础b 的沉降kN mm l E r b bb /0385.088.04.284.011202=⨯⨯-=-=ωμδkN mm r E ba /00557.06814.34.011202=⨯⨯-=-=πμδkN mm r E bc /00557.06814.34.011202=⨯⨯-=-=πμδkN mm r E be /00557.06814.34.011202=⨯⨯-=-=πμδmmF F F F s be bc ab bb b 06.78142400557.020*******.072400557.014240385.02312=⨯+⨯+⨯+⨯=⋅+⋅+⋅+⋅=δδδδ 3)、计算基础c 的沉降kN mm l E r c cc /0319.088.09.284.011202=⨯⨯-=-=ωμδkN mm r E cb /00557.06814.34.011202=⨯⨯-=-=πμδkN mm r E ch /00557.06814.34.011202=⨯⨯-=-=πμδkN mm r E cf /00557.06814.34.011202=⨯⨯-=-=πμδkN mm r E cd /00557.06814.34.011202=⨯⨯-=-=πμδmmF F F F F s cd cf ch cb cc c 55.99142400557.0142400557.020*******.0142400557.020240319.022323=⨯+⨯+⨯+⨯+⨯=⋅+⋅+⋅+⋅+⋅=δδδδδ 4)、计算基础d 的沉降kN mm l E r b dd/0385.088.04.284.011202=⨯⨯-=-=ωμδkN mm r E dg/00557.06814.34.011202=⨯⨯-=-=πμδ kN mm r E dc /00557.06814.34.011202=⨯⨯-=-=πμδkN mm r E da /00557.06814.34.011202=⨯⨯-=-=πμδmmF F F F s da dc dg dd d 23.7472400557.020*******.072400557.014240385.01312=⨯+⨯+⨯+⨯=⋅+⋅+⋅+⋅=δδδδ 5)、a 、b 两基础的沉降差mm s s a b ab 81.2225.5506.78=-=-=∆根据框架结构相邻柱基沉降差允许值可知:[∆]=mm l 12002.0=。
基础工程课程设计作者姓名许亚楠学号1117班级09土木1班学科专业基础工程指导教师田管凤所在院系建筑工程系提交日期柱下独立基础课程设计一、地形拟建建筑场地平整二、建筑场地资料地基基础设计品级为乙级。
拟建场地位于市区内,地势平坦。
建筑场地位于非地震区,不考虑地震影响。
建筑场地地下水为潜水,地下水位距地表。
据已有资料分析,该场地地下水对混凝土无侵蚀性。
建筑地基的土层散布情况及各土层物理、力学指标见附表13、岩土设计技术参数地基岩土物理力学参数如表所示。
注:地下水位距地表。
图1 柱网平面图4、水文地质条件 (1) 拟建场区地下水对混凝土结构无侵蚀性。
(2)地下水位深度:位于地表下。
五、上部结构材料拟建建筑物为多层全现浇框架结构,框架柱截面尺寸为500mm ×500mm 。
室外地坪标高同自然地面,室内外高差450mm 。
柱网布置如图所示。
6、上部结构作用7、材料混凝土强度品级为C30,钢筋采用HRB335级。
1.肯定基础的埋置深度基础的最小埋深d min =Z d -h max ,Z d =Z 0ΨZs ΨZw ΨZe 。
查表2-11,表2-12及表2-13得d min =Z d -h max <0。
故基础的埋置深度不受地基冻结条件所控制而有其他因素肯定。
基础埋深不易浅于,因为表土一般都松软,易受雨水及外界影响,不宜作为基础的持力层。
另外,基础顶面应低于设计地面100mm 以上,避免基础外露,蒙受外界的破坏。
持力层为③层。
2.肯定基础底面的尺寸按照粘土e=,l I =,查表,深度修正系数ηd =0、ηb =1,估计基础宽度不大于,可以不做宽度修正,取基础埋深为2m 。
基底以上土的加权平均重度为: r m =[18×+19×1]/= KN/m 3修正后地基承载力特征值为 F a =f ak +ηd r m =225+×(+)=计算基础和回填土重K G 时的基础埋置深度为 d=++/2=按中心荷载初估基础底面积 C 轴: 21245.61.920.92521342m dr f F A a =⨯-=-=-考虑偏心荷载作用,将基底面积扩大倍,即:A=×A 1=, l=,b=,b<3m, 不需要在对fa 进行修正基础及回填土重KN dA r G 307.81.89.120=⨯⨯==-基础的总垂直荷载F+G=1342+=基底的总力矩M=187+96×=总荷载的偏心582.06192.01649.8316.6=<==le按式(2-41)计算基底边缘最大应力:)49.3192.061(1.88.3071342)61(max ⨯+++=++=l ek A G F p =m 2<=m 2 知足地基承载力要求。
一、课程设计的目的基础工程课程设计就是土木工程专业教育的一个重要教学环节,就是全面检验与巩固基础工程课程学习效果的一个有效方式。
通过本次课程设计使学生能够运用已学过基础工程设计理论与方法进行一般形式的基础的设计,进一步理解基础工程设计的基本原理。
设置课程设计的目的就是加强学生对本课程及相关课程知识的理解,培养学生综合分析问题的能力与运用基础理论知识解决实际工程问题的能力,为毕业设计打下坚实的基础,也有助于学生毕业后能尽早进入“工程角色”。
多年来的教学实践反映了课程设计这一教学环节对学生能力的培养起到了一定的作用。
二、课程设计的内容1、设计资料1、地形拟建建筑场地平整2、工程地质条件自上而下土层依次如下:号土层:杂填土,层厚约0、5m,含部分建筑垃圾号土层:粉质黏土,层厚1、2m,软塑,潮湿,承载力特征值f ak=130kPa。
●号土层:黏土,层厚1、5m,可塑,稍湿,承载力特征值f ak=180kPa。
❍号土层:细砂,层厚2、7m,中密,承载力特征值f ak=240kPa。
⏹号土层:强风化砂质泥岩,厚度未揭露,承载力特征值f ak=300kPa。
3、岩土设计技术参数地基岩土物理力学参数如表1、1所示。
表1、1 地基岩土物理力学参数土层编号土的名称重度(kN/m3)孔隙比e液性指数I L黏聚力c(kPa)内摩擦角(°)压缩模量Es(MPa)标准贯入锤击数N承载力特征值f ak(kPa)杂填土18粉质黏土20 0、65 0、84 34 13 7、5 6 130 ●黏土19、4 0、58 0、78 25 23 8、2 11 180 ❍细砂21 0、62 30 11、6 16 240⏹强风化砂质泥岩22 18 22 300(1)拟建场区地下水对混凝土结构无腐蚀性。
(2)地下水位深度:位于地表下1、5m5、上部结构资料拟建建筑物为多层全现浇框架结构,框架柱截面尺寸为500mm×500mm。
室外地坪标高同自然地面,室内外高差450mm。
柱网布置如图1、1所示。
图1、1 柱网平面图6、上部结构作用上部结-构作用在柱底的荷载效应标准组合值如表1、2所示,上部结构作用在柱底的荷载效应基本组合值如表1、3所示。
表1、2柱底荷载效应标准组合值表1、3柱底荷载效应基本组合值混凝土强度等级为C25~C30,钢筋采用HPB300、HRB335级。
2、设计分组根据以上所给设计资料及学生人数,将学生划分为6组。
分组示意如下: 第1组,共8人,基础持力层选用●号土层,设计A轴柱下独立基础。
第2组,共8人,基础持力层选用❍号土层,设计A轴柱下独立基础。
第3组,共8人,基础持力层选用●号土层,设计B轴柱下独立基础。
第4组,共7人,基础持力层选用❍号土层,设计B轴柱下独立基础。
第5组,共7人,基础持力层选用●号土层,设计C轴柱下独立基础。
第6组,共7人,基础持力层选用❍号土层,设计C轴柱下独立基础。
超过42人的,合到第6组。
3、设计要求每人根据所在组号与题号,完成指定轴线的柱下独立基础设计。
对于另外两根轴线的基础,只要求根据所给荷载确定基础底面尺寸,以便画出基础平面图。
要求分析过程详细,计算步骤完整,设计说明书面报告的编写应具有条理性,图纸整洁清晰。
4、设计内容(1)设计柱下独立基础,包括确定基础埋置深度、基础底面尺寸,对基础进行结构内力分析、强度计算,确定基础高度,进行配筋计算并满足构造设计要求,地基沉降计算,编写设计计算书。
(2)绘制基础施工图,包括基础平面布置图、独立基础大样图,并提出必要的技术说明。
5、设计成果1、设计计算书设计计算书包括以下内容:(1)确定地基持力层与基础埋深度。
(2)确定基础底面尺寸,验算地基承载力(3)对基础进行抗冲承载力验算,确定基础高度。
(4)对基础进行正截面受弯承载力验算,确定基础底板配筋。
(5)地基沉降计算2、设计图纸设计图纸包括以下内容:(1)基础平面布置图。
(2)独立基础大样图。
(3)设计说明。
三、课程设计参考资料(1)《建筑结构荷载规范》(GB 50009-2010),中国建筑工业出版社(2)《建筑地基基础设计规范》(GB 50007-2011),中国建筑工业出版社(3)《建筑桩基技术规范》(JGJ 94-2008),中国建筑工业出版社(4)《混凝土结构设计规范》(GB 50010-2010),中国建筑工业出版社(5《基础工程》(第2版)周景星李广信虞石民王洪瑾编著清华大学出版社一、本组设计资料:③组B轴柱底荷载柱底荷载效应标准组合值F K=1815KN M K=175KN、M V K=73KN柱底荷载效应基本组合值F=2360KN M=228KN、M V=95KN持力层为③土层承载力特征值f ak=180kg地下水位深度位于地表下1、5m框架柱截面尺寸500mm*500mm室外地坪标高同自然地面,室内外高差450mm二.基础设计:1选择基础材料基础采用C25混凝土,HPB235级钢筋,预估基础高度0、8m2.选择基础埋置深度根据任务书要求与工程地质资料①号土层:杂填土,层厚约0、5m,含部分建筑垃圾。
②号土层:粉质粘土,层厚1、2m,软塑,潮湿,承载力特征值f ak=130kPa。
③号土层:粘土,层厚1、5m,稍湿,承载力特征值f ak=180kPa。
地下水对混凝土无侵蚀性,地下水位于地表下1、5m取基础底面高时最好取至持力层下0、5m,本设计取③土层为持力层,所以考虑取室外地坪到基础底面为0、5+1、2+0、5=2、2m,基础剖向示意图如下:3、求地基承载力特征值f a根据③土层为粘土58.0=e ,78.0=L I ,查表2、6得 3.0=b η,6.1=d η基地以上土的加权平均重度: 3/23.162.25.0)104.19(2.0)1020(1205.018m KN r m =⨯-+⨯-+⨯+⨯=持力层承载力特征值af (先不考虑对基础宽度修正))5.02.2(23.166.1180)5.0(-⨯⨯+=-+=d f f m d ak a γηa KP 15.224=(上式d 按室外地面算起) 4.初步选择基底尺寸取柱底荷载标准值F K =1815KN,M K =175KN·m,V K =73KN计算基础与回填土重k G 时的基础埋深:m d 425.2)65.22.2(21=+=基础底面积为:=0A 294.920725.1107.015.2241815m d f F G a k =⨯-⨯-=-γ考虑偏心荷载的影响,基础面积加大范围为(10%-40%)此处按20%增大面积A=1、2A 0=1、2×9、94=11、928m 2 ≈12、0m 2初步选定基础底面面积A=l ×b=4×3=12m 2,且b=3m 不需要再对a f 进行修正。
5.验算持力层地基承载力 基础与回填土重为:12)20725.1107.0(⨯⨯+⨯=⋅⋅=A d G G k γKN 498= 偏心距: m l m G F M e k k k k 6.06100.049818158.073175=<=+⨯+=+=,0m in >k P ,满足。
基底最大压力: ⎪⎭⎫⎝⎛⨯+⨯+=⎪⎭⎫ ⎝⎛++=41.06112498181561max l e AG F P k kk k )98.268(2.166.221a a a KP f KP =<=安全 所以,最后确定基础底面面积长m 4,宽m 3。
6、计算基底净反力取柱底荷载效应基本组合设计值:F=2360KN,M=228KN·m,V=95KN 。
净偏心距 m N M e n 13.023608.0952280,=⨯+==基础边缘处的最大与最小净反力)413.061(342360)61(0,max,min ,⨯±⨯⨯=±=l e lb F n n n p a akP kP 02.23532.158=7.基础高度(采用阶梯形基础)柱边基础截面抗冲切验算(见下图)图2 冲切验算简图 (a)柱下冲切;(b)变阶处冲切l=4m,b=3m,m a m b a c c t 5.0,5.0===。
初步选定基础高度mm h 800=,分两个台阶,每个台阶均为400mm 。
0h =800-(40+10)=750mm(有垫层),则m b m h a a t b 3275.025.020=<=⨯+=+=,取ma b 2=因此,可得:mm a a a b t m 1250220005002=+=+=因偏心受压,n p 取KPa p n 02.235max ,= 冲切力:⎥⎥⎦⎤⎢⎢⎣⎡⎪⎭⎫ ⎝⎛---⎪⎭⎫ ⎝⎛--=200max ,2222h b b b h a l P F c c n l⎥⎥⎦⎤⎢⎢⎣⎡⎪⎭⎫ ⎝⎛---⨯⎪⎭⎫ ⎝⎛--⨯=275.025.023375.025.02402.235KN 31.646= 抗冲切力:75.025.11027.10.17.07.030⨯⨯⨯⨯⨯=h a f m t hp β KN KN 31.64644.833>=,满足 8、变阶处抗冲切验算m b a t 5.11==,m a 9.11=,mm h 350104040001=+-=)( m b m h a a t b 32.235.025.1201=<=⨯+=+=,取m a b 2.2=m a a a b t m 85.122.25.12=+=+=冲切力:⎥⎥⎦⎤⎢⎢⎣⎡⎪⎭⎫ ⎝⎛---⎪⎭⎫ ⎝⎛--=2011011max ,2222h b b b h a l P F n l=⎥⎥⎦⎤⎢⎢⎣⎡⎪⎭⎫ ⎝⎛---⨯⎪⎭⎫ ⎝⎛--⨯235.025.123335.029.12402.235 KN 94.455= 抗冲切力:35.085.11027.10.17.07.0301⨯⨯⨯⨯⨯=h a f m t hp β KN KN 94.45563.575>=,满足 9、配筋计算选用的HPB235 级钢筋,2/210mm N f y =(1)(1)基础长边方向,对于Ⅰ-Ⅰ截面(柱边),柱边净反力为kPap p l a l p p n n cn I n 46.201)32.15802.235(425.0432.158)(2min ,max ,min ,,=-⨯⨯++=-++= 悬臂部分净反力平均值:()()a Ⅰn n KP P P 24.21846.20102.2352121,max ,=+⨯=+弯矩: ()()c c I n n Ⅰb b a l P P M +-⎪⎪⎭⎫ ⎝⎛+=222412,max , )5.032()5.04(24.2182412+⨯⨯-⨯⨯= m KN ⋅=06.724 260,01.51087502109.01006.7249.0mm h f M A y ⅠI s =⨯⨯⨯==对于截面Ⅲ-Ⅲ(变阶处),有 ()min ,max ,1min ,2n n n Ⅲn P P l a l P P -++=()32.15802.235429.1432.158-⨯⨯++= a KP 89.214=()()121,max ,22241b b a l P P M Ⅲn n Ⅲ+-⎪⎪⎭⎫ ⎝⎛+=)5.132()9.14(289.21402.2352412+⨯⨯-⨯+⨯= m KN ⋅=02.3102601,62.46863502109.01002.3109.0mm h f M A y ⅢⅢs =⨯⨯⨯== 比较1,S A 与ⅢS A ,,应按1,S A 配筋,实际配160@18Φ则钢筋根数:2075.1911603000≈=+=n ,221.51085090205.254mm mm A s <=⨯=,所以配21根。