柱下独立基础课程设计任务书
- 格式:doc
- 大小:95.50 KB
- 文档页数:4
课程设计任务书
学生姓名: xxx 专业班级:工程管理xxx
指导教师: xxxxxxxxxx 工作单位: xxxx大学
题目: 某住宅楼柱下独立基础设计
初始条件:
多层框架住宅楼拟采用柱下独立基础,建筑安全等级为二级;
勘查期间测得地下水混合水位深为3.5m,地下水水质分析结果表明,本场地下水无腐蚀性;
已知上部框架结构由柱子传来的荷载,轴力F=2600 kN,弯矩M=230 kN·m,剪力V=50 kN (以下荷载均为标准值)
要求完成的主要任务:(包括课程设计工作量及其技术要求,以及说明书撰写等具体要求)1、基础底面尺寸的选择;
2、计算修正后的地基承载力特征值;
3、地基承载力验算;
4、软弱下卧层的验算;
5、基础抗冲切验算(基础采用锥形基础);
6、地基沉降量计算;
7、需要提交的报告:计算说明书和基础施工图。
8、设计计算书和设计图纸格式必须满足《课程设计说明书统一书写格式》(附件二)
要求,具体请参见该规范,详见。
时间安排:
2010年6月7日~2010年6月13日
指导教师签名:年月日
系主任(或责任教师)签名:年月日。
标准文案柱下钢筋混凝土独立基础设计任务书(一)设计题目某教学楼为四层钢筋混凝土框架结构,柱下独立基础,柱网布置如图所示,试设计该基础。
(二)设计资料⑴工程地质条件该地区地势平坦,无相邻建筑物,经地质勘察:持力层为粘性土,土的天然重度为18 kN/m3,地基承载力特征值f ak=230kN/m2,地下水位在-6.3m处。
相关数据可查阅规范。
⑵给定参数柱截面尺寸为450mm×450mm,在基础顶面处的相应于荷载效应标准组合,荷载由上部结构传来有以下五种情况:①单柱轴心荷载为900kN,弯矩值为100kN·m,水平荷载为20kN。
②单柱轴心荷载为850kN,弯矩值为80kN·m,水平荷载为15kN。
③单柱轴心荷载为850kN,弯矩值为90kN·m,水平荷载为15kN。
④单柱轴心荷载为800kN,弯矩值为70kN·m,水平荷载为10kN。
⑤单柱轴心荷载为800kN,弯矩值为50kN·m,水平荷载为10kN。
⑶材料选用混凝土:采用C20(可以调整)(f t=1.1N/mm2);钢筋:采用HRB335(可以调整)(f y=210 N/mm2)。
(三)设计内容(只需设计一个独立基础)⑴定基础埋置深度;⑵定地基承载力特征值;⑶确定基础的底面尺寸;⑷确定基础的高度;⑸基础底板配筋计算;⑹绘制施工图(平面图、详图)。
(四)设计要求⑴计算书要求书写工整、数字准确、图文并茂。
⑵制图要求所有图线、图例尺寸和标注方法均应符合新的制图标准,图纸上所有汉字和数字均应书写端正、排列整齐、笔画清晰,中文书写为仿宋字。
(五)设计成果要求课程设计结束各位同学须按时提交以下成果并统一用档案袋装好:⑴设计任务书一份;⑵设计计算书一份;⑶基础设计施工图纸一张(A1#图纸)图纸应该包括:基础平面布置图、基础配筋图、基础配筋详图以及相应的剖面图等。
(六)具体各组设计任务如下:(2~3人一组)第一组:设计第①种荷载下的柱下独立基础;第二组:设计第②种荷载下的柱下独立基础;第三组:设计第③种荷载下的柱下独立基础;第四组:设计第④种荷载下的柱下独立基础;第五组:设计第⑤种荷载下的柱下独立基础。
基础工程课程设计任务书题目:钢筋混凝土柱下独立基础设计专业:土木工程(建筑工程)班级:姓名:学号:指导教师:时间:一、设计目的与题目1、设计目的课程设计是高等教育中一直强调和重视的教学实践环节,是土木工程专业最重要的专业基础课程之一。
《基础工程课程设计》是学生在学习《土力学》、《钢筋混凝土结构》和《基础工程》的基础上,综合应用所学的理论知识,完成基础设计任务。
该课程设计的主要目的是经过本课程设计的学习,要求学生能够掌握大、中型建筑物的地基基础设计方法。
本课程的主要任务是培养学生:(1)具备应用基础工程设计基础知识和基本理论解决实际问题的能力,掌握浅基础和深基础的选型和埋深的确定、设计、计算方法;(2)能够运用数学、力学、土力学等知识对基础的基本构件进行受力分析及公式推导,建立基本公式,并正确地通过验算过程进行优化和改进;(3)能够结合行业背景进行设计,解决工程中基本构件的截面设计及承载力校核问题,以及地基承载力的确定、地基变形沉降校验问题;(4)能够熟练使用专业相关规范和图集,结合本课程的知识,结合区域特点,提出复杂工程问题的解决方案,能够处理实际工程问题。
(5)能够基于所学知识提出新型浅基础和深基础的结构,并按照规范要求进行内力分析和承载能力验算,论证设计过程和结果的合理性。
2、设计题目兰州市区某教学楼为五层钢筋混凝土框架结构,柱网布置如图1所示,试设计该基础。
二、设计条件1、场地工程地质条件:拟建场地地形平坦,地面高程在1525.20~1529.23m 之间。
本次勘察深度范围内,场地地层自上而下依次分布有:①杂填土层(Q4ml):总体厚度0.50~2.50m。
黄褐色,土质不均匀,以粉土为主,含大量建筑垃圾、植物根系等,稍湿,稍密。
②黄土状粉土层(Q4al+pl):埋深 1.50~4.50m,厚度0.20~6.30m,层面高程1522.09~1527.45。
褐黄色,土质较均匀,孔隙、虫孔较发育,具水平层理,无光泽反应,干强度低,韧性低,摇振反应中等,稍湿-湿,稍密。
基础⼯程柱下独⽴基础设计任务书⼀、设计⽬的根据本课程教学⼤纲的要求,学⽣应通过本设计掌握天然地基上的浅基础设计的原理与⽅法,培养学⽣的分析问题、实际运算和绘制简单施⼯图的能⼒,以巩固和加强对基础设计原理的理解。
⼆、设计题⽬○B轴柱下钢筋砼独⽴基础设计三、设计分组成员四、设计资料(1)上部结构资料设计⼀多层现浇框架建筑物基础,按使⽤功能要求,上部结构的柱截⾯尺⼨设计为500×500mm2,室外地坪为天然地⾯,室内地坪标⾼⾼于室外地坪0.45m。
柱底荷载标准值如表1所⽰,柱⽹分布如图1所⽰。
表1图1(2)场地与地质条件资料建筑场地平整。
⾃上⽽下的⼟层依次如下:1号⼟层,杂填⼟,层厚0.5m,重度γ=18k N/m3。
2号⼟层,粘⼟,层厚2m,重度γ=19kN/m3,孔隙⽐e=0.68,液性指数为I l =0.78,可塑,稍湿,承载⼒特征值f ak=180kPa,压缩模量为15Mpa。
3号⼟层,淤泥⼟,重度γ=14k N/m3承载⼒特征值f ak=94kPa压缩模量为3Mpa。
(3)⽔⽂地质条件地下⽔位深度:位于地表以下2m处;地下⽔对混凝⼟结构⽆腐蚀性。
五、设计指导1、选择基础材料2、确定地基持⼒层与基础埋深3、确定地基承载⼒特征值4、确定基础底⾯尺⼨5、验算地基变形(需要验算沉降的验算沉降)6、确定基础⾼度h7、基础底板配筋计算书1、设计基本资料1.1⼟层结构:给定的场地条件如图2所⽰:1.2柱底荷载效应标准组合值: F 1730M 150m V 66K K K kN kN kN==?=1.3持⼒层的选择:持⼒层在此选⽤②号⼟层,根据已知资料可知该⼟层为粘⼟,层厚2m ,重度: 319/kN m γ=,孔隙⽐: e 0.68=,液性指数为: 0.78l I =,承载⼒特征值:180ak f kPa=,可塑,稍湿,压缩模量为15MPa 。
,柱截⾯尺⼨为500mm 500mm ?,室外地坪标⾼同⾃然地⾯,室内外⾼差450mm 。
1 柱下独立基础课程设计设计资料地形拟建建筑地形平整工程地质条件自上而下土层依次如下:② 土层:杂填土,层厚含部分建筑垃圾。
②号土层:粉质黏土,层厚,软塑,潮湿,承载力特征值110ak f kPa =。
③号土层:黏土,层厚,可塑,稍湿,承载力特征值160ak f kPa =。
④号土层:细砂,层厚,中密,承载力特征值k 220a a f kP =。
⑤号土层:强风化砂质泥岩,厚度未揭露,承载力特征值320ak f kPa =。
岩土设计参数表1地基岩土物理学参数土层 编号土的 名称重度γ3m kN孔隙 比e液性指数I l粘聚力c kPa 内摩擦角ϕ0()压缩 模量sE a MP① 杂填土 18 ----------② 粉质 粘土 20 34 13 ③ 黏土2523 ④ 细砂 21-- -- 30⑤强风化砂质 泥岩22-- ------18水文地质条件1) 拟建场区地下水对混凝土结构无腐蚀性。
2) 地下水位深度:位于地表下。
上部结构材料拟建建筑物为多层全现浇框架结构,框架柱截面尺寸为500mm ⨯500mm 。
室外地坪标高同自然地面,室内外高差450mm 。
柱网布置图如图1所示:材料混凝土强度等级为2030C C -,钢筋采用HPB235、HRB335级。
本人设计资料本人07分组情况为第一组第九个,根据分组要求及参考书柱底荷载效应标准组合值及柱底荷载效应基本组合值选用第一组C 轴柱底荷载。
1)底荷载效应标准组合值:k K K F 1648N M 397m V 138k kN kN ===g ,,。
2)柱底荷载效应基本组合值:F 2134kN M 525kN m V 156k N ===g ,,。
持力层选用③号土层,承载力特征值k F 160kPa =。
框架柱截面尺寸为500mm ⨯500mm ,室外地坪标高同自然地面,室内外高差450mm 。
设计 C 轴柱下独立基础。
独立基础设计选择基础材料基础采用C25混凝土,HPB235级钢筋,预估基础高度。
. .基础工程课程设计(1) 柱下独立基础设计教育资料word. .姓名:学号:班级:指导教师:设计条件:1、某框架结构建筑物设计安全等级为乙级,柱网尺寸为6.5m×6.5m,柱截面尺寸为400mm×400mm。
经过上部结构验算,作用于基础顶面的荷载效应准永久组合及标准组合分别为F=2520kN;F=2800kN,M=80kN.m(逆时针),H=50kN(←),荷载效应基本组合由永久荷载控kkk制。
2、天然土层分布?3=17kN/m,填土,~0.8m①0;?3=18kN/m2.0m,粉质粘土,②0.8~,I=0.82,Es=3.3MPa,f=185kPa;akL?3=19kN/m8%),,粉土(粘粒含量为③2.0~6.0m, Es=5.5MPa,f=300kPa;ak地下水位在地面下6.0m处。
?eI3 =280kPa; Es=6.0MPa=0.81,6.0④~10.0m,粘土,,=19kN/m=0.83,f,?E3=1.5MPa。
饱和容重=17.4kN/m ⑤10.0~12.0m为淤泥质粘土,压缩模量,,aksat L0f=146kPa ak ssat?e I3 =430kPaf。
Es=30MPa⑥12.0m以下为密实粘性土,=20kN/m=0.65,=0.5,,,aksat L0要求:设计该柱下基础(提示:按照讲述的基础设计步骤进行,注意需要验算地基变形!)教育资料word. .一.选择基础类型及材料选择柱下独立基础,基础采用C20混凝土,HPB235级钢筋,预估基础高度0.95m。
二.选择持力层(确定基础埋深)选择③号土层为持力层,基础进入持力层0.5m。
基础埋深为2+0.5=2.5m。
三.确定地基承载力特征值,查表2-15得, 。
c基底以上土的加权平均重度为:持力层承载力特征值为:四.确定基础底面尺寸取柱底荷载标准值:F=2800kN,M=80kN.m,H=50kN。
基础工程课程设计柱下独立基础精编W O R D版IBM system office room 【A0816H-A0912AAAHH-GX8Q8-GNTHHJ8】柱下独立基础课程设计姓名:班级:学号:指导老师:罗晓辉目录一、设计任务书......................................................二、不考虑地基处理和角边柱影响中柱的沉降验算........................三、地基处理后边柱J-1基础设计......................................四、地基处理后边柱J-2的设计........................................五、地基处理后角柱J-3的设计........................................六、地基处理后中柱J-4的设计........................................七、地基处理后中柱J-5的设计........................................八、基础结构布置平面图..............................................一、设计任务书采用柱下独立基础方案。
材料采用C25,基底设置C15、厚度100mm 的混凝土垫层;配筋采用Ⅱ级普通圆钢筋。
承受轴心荷载的基础底板一般采用正方形,若偏心荷载则采用矩形底板,其长宽比采用1.2。
设计计算内容:(1)在不考虑地基处理和角、边柱的影响时,中柱按地基承载力确定的基础底面积是否满足沉降要求?(2)若通过地基处理(地基处理深度从基础底面以下5.5m 内),使得地基承载力设计值达到160kPa ,进行如下设计计算:1)根据地基强度确定中柱、角与边柱的(角与边柱需考虑100kN·m 的力矩荷载。
力矩作用方向根据右手螺旋法则确定,且指向柱网平面惯性轴)柱下基础底面尺寸;2)基础配筋、冲切验算;3)完成有关计算部分的计算简图、基础配筋图等。
可编辑修改精选全文完整版柱下独立基础课程设计指导书地基基础设计是土木工程结构设计的重要组成部分,必须根据上部结构条件(建筑物的用途和安全等级、建筑布置、上部结构类型等)和工程地质条件(建筑场地、地基岩土和气候条件等),结合考虑其他方面的要求(工期、施工条件、造价和节约资源等),合理选择地基基础方案,因地制宜,精心设计,以确保建筑物和构筑物的安全和正常使用。
一、独立基础的设计内容与步骤(1)初步设计基础的结构型式、材料与平面布置; (2)确定基础的埋置深度d ;(3)计算地基承载力特征值ak f ,并经深度和宽度修正,确定修正后的地基承载力特征值a f ; (4)根据作用在基础顶面荷载 F 和深宽修正后的地基承载力特征值,计算基础的底面积; (5)计算基础高度并确定剖面形状;(6)若地基持力层下部存在软弱土层时,则需验算软弱下卧层的承载力;(7)地基基础设计等级为甲、乙级建筑物和部分丙级建筑物应计算地基的变形; (8)验算建筑物或构筑物的稳定性(如有必要时); (9)基础细部结构和构造设计; (10)绘制基础施工图。
如果步骤(1)~(7)中有不满足要求的情况时,可对基础设计进行调整,如采取加大基础埋置深度d 或加大基础宽度b 等措施,直到全部满足要求为止。
二、地基基础设计基本规定1.地基基础设计等级根据地基复杂程度、建筑物规模和功能特征以及由于地基问题可能造成建筑物破坏或影响正常使用的程度,将地基基础设计分为三个设计等级,设计时应根据具体情况,按表1选用。
表1 地基基础设计等级2.地基计算的规定根据建筑物地基基础设计等级及长期荷载作用下地基变形对上部结构的影响程度,地基基础设计应符合下列规定:(1)所有建筑物的地基计算均应满足承载力计算的有关规定。
(2)设计等级为甲级、乙级的建筑物,均应按地基变形设计。
(3)表2所列范围内设计等级为丙级的建筑物可不作变形验算,如有下列情况之一时,仍应作变形验算:① 地基承载力特征值小于 l30 kPa ,且体型复杂的建筑: ② 在地基基础上及其附近有地面堆载或相邻基础荷载差异较大,可能引起地基产生过大的不均匀沉降时;③ 软弱地基上的建筑物存在偏心荷载时; ④ 相邻建筑距离过近,可能发生倾斜时;⑤ 地基内有厚度较大或厚薄不均的填土,其自重固结未完成时。
基础工程课程设计(1) 柱下独立基础设计姓名:学号:班级:指导教师:设计条件:1、某框架结构建筑物设计安全等级为乙级,柱网尺寸为6.5m ×6.5m ,柱截面尺寸为400mm ×400mm 。
经过上部结构验算,作用于基础顶面的荷载效应准永久组合及标准组合分别为F=2520kN ;F k =2800kN ,M k =80kN.m(逆时针),H k =50kN(←),荷载效应基本组合由永久荷载控制。
2、天然土层分布①0~0.8m ,填土,γ=17kN/m 3;②0.8~2.0m ,粉质粘土,γ=18kN/m 3,I L =0.82,Es=3.3MPa ,f ak =185kPa ;③2.0~6.0m ,粉土(粘粒含量为8%),γ=19kN/m 3, Es=5.5MPa ,f ak =300kPa ; 地下水位在地面下6.0m 处。
④6.0~10.0m ,粘土,γsat =19kN/m 3,0e =0.83,L I =0.81, Es=6.0MPa ,f ak =280kPa ; ⑤10.0~12.0m 为淤泥质粘土,饱和容重sat γ=17.4kN/m 3, f ak =146kPa ,压缩模量s E =1.5MPa 。
⑥12.0m 以下为密实粘性土,γsat =20kN/m 3,0e =0.65,L I =0.5, Es=30MPa ,f ak =430kPa 。
要求:设计该柱下基础(提示:按照讲述的基础设计步骤进行,注意需要验算地基变形!)一.选择基础类型及材料选择柱下独立基础,基础采用C20混凝土,HPB235级钢筋,预估基础高度0.95m。
二.选择持力层(确定基础埋深)选择③号土层为持力层,基础进入持力层0.5m。
基础埋深为2+0.5=2.5m。
三.确定地基承载力特征值f a’ρc=8%,查表2-15得,ηb=0.5,ηd=2.0。
基底以上土的加权平均重度为:γm=17×0.8+18×1.2+19×0.52.5=17.88kN/m3持力层承载力特征值为:f a’=f ak+ηd γm(d−0.5)=300+2×17.88×(2.5−0.5)=371.52kPa四.确定基础底面尺寸取柱底荷载标准值:F k=2800kN,M k=80kN.m,H k=50kN。
柱下独立基础课程设计任务书一、设计资料1、地形拟建建筑场地平整2、工程地质条件自上而下土层依次如下:号土层:杂填土,层厚约0.5m,含部分建筑垃圾号土层:粉质黏土,层厚1.2m,软塑,潮湿,承载力特征值f ak=130kPa。
●号土层:黏土,层厚1.5m,可塑,稍湿,承载力特征值f ak=180kPa。
❍号土层:细砂,层厚2.7m,中密,承载力特征值f ak=240kPa。
⏹号土层:强风化砂质泥岩,厚度未揭露,承载力特征值f ak=300kPa。
3、岩土设计技术参数地基岩土物理力学参数如表1.1所示。
表1.1 地基岩土物理力学参数重度4、水文地质条件(1)拟建场区地下水对混凝土结构无腐蚀性。
(2)地下水位深度:位于地表下1.5m5、上部结构资料拟建建筑物为多层全现浇框架结构,框架柱截面尺寸为500mm×500mm。
室外地坪标高同自然地面,室内外高差450mm。
柱网布置如图1.1所示。
图1.1 柱网平面图6、上部结构作用上部结-构作用在柱底的荷载效应标准组合值如表1.2所示,上部结构作用在柱底的荷载效应基本组合值如表1.3所示。
表1.2 柱底荷载效应标准组合值7、材料混凝土强度等级为C25~C30,钢筋采用HPB300、HRB335级。
二、设计分组根据以上所给设计资料及学生人数,将学生划分为2组。
分组示意如下:第1组,共10人,基础持力层选用●号土层,设计A轴柱下独立基础。
第2组,共10人,基础持力层选用❍号土层,设计A轴柱下独立基础。
第3组,共10人,基础持力层选用●号土层,设计B轴柱下独立基础。
第4组,共10人,基础持力层选用❍号土层,设计B轴柱下独立基础。
第5组,共10人,基础持力层选用●号土层,设计C轴柱下独立基础。
第6组,共10人,基础持力层选用❍号土层,设计C轴柱下独立基础。
三、设计要求每人根据所在组号和题号,完成指定轴线的柱下独立基础设计。
对于另外两根轴线的基础,只要求根据所给荷载确定基础底面尺寸,以便画出基础平面图。
《基础工程》课程设计任务书(一)上部结构资料某框架结构柱网图如下,柱截面为400*400mm 2,F1=724kN ,F2=1424kN ,F3=2024kN 。
(二)地质资料经探测,地层岩性及土的物理力学性质如下表。
地下水埋深为5m ,无腐蚀性。
层号土名状态密实度 厚度 密度 含水量 孔隙比 I P I L 压缩系数 标贯击数 压缩模量 mg/cm 3 % Mpa -1 N 63.5 MPa 1 人工填土 可塑 稍密 2 2.022 粉土 可塑 中密3 2.02 21 0.6 7 0.21 0.21 12 8 3 粉质粘土 软塑 中密 5 2.01 23.9 0.75 12 0.82 0.35 6.6 5.64 粉土 可塑 中密 2 2.02 25 0.66 11.4 5粉土可塑密实未揭开2.02250.6120.4F1 F2F2F1F2F3F3F2 F1F2F2 F1钢筋混凝土柱下独立基础1、选择持力层设基础埋深d=2.5m ,这时地基持力层为粉土2、计算地基承载力特征值,并修正根据标贯击数N=12查表得:kPa f ak 156)140180(10151012140=-⨯--+=因为埋深d=2m>0.5m ,故还需对ak f 进行修正设基础底面宽度不大于3m 。
查表得修正系数ηb =0.5,ηd =2.0 则修正后的地基承载力特征值为f a =f ak + ηd γm (d-0.5)=156+2×20.2×(2.5-0.5)=236.8kPa3、计算基础所需底面尺寸基础埋深d=2m ,分析该框架结构柱网布置图可知,柱子受三种不同荷载,把受荷载为724KN 的基础作第一类基础,受荷载为1424KN 的基础为第二类基础,受荷载为2024KN 的基础为第三类基础 (1)、第一类基础,其轴心荷载F1=724KN ,则有:m d f F b G a 69.15.2208.23674.072411=⨯-⨯=-≥γ取1b =1.7m ,因b <3m ,不必进行承载力宽度修正(2)、第二类基础,其轴心荷载为F2=1424KN ,则有:m d f F b G a 38.25.2208.23674.0142422=⨯-⨯=-≥γ取2b =2.4m ,因b <3m ,不必进行承载力宽度修正(3)、第三类基础,其轴心荷载为2024KN ,则有:m d f F b G a 83.25.2208.23674.0202433=⨯-⨯=-≥γ取3b =2.9m ,因b<3m ,不必进行承载力宽度修正4、验算软弱层强度和沉降量(1)持力层承载力验算1)第一类基础kPa f a 8.236=基底处总竖向力:KN G F k k 26.6805.2207.174.07242=⨯⨯+⨯=+基基底平均压力:kPa f kPa A G F P a k k k 8.23638.2357.126.6802=<==+=(可以) 2)、第二类基础kPa f a 8.236=基底处总竖向力:KN G F k k 76.13415.2204.274.014242=⨯⨯+⨯=+基基底平均压力:kPa f kPa A G F P a k k k 8.23694.2324.276.13412=<==+=(可以) 3)、第三类基础kPa f a 8.236=基底处总竖向力:KN G F k k 26.19185.2209.274.020242=⨯⨯+⨯=+基基底平均压力:kPa f kPa A G F P a k k k 8.23609.2289.226.19182=<==+=(可以) (2)软弱下卧层承载力验算1)第一类基础由43.16.5/8/21==s s E E 50.047.17.1/5.2/>==b z 查表得︒=47.21θ393.0tan =θ,下卧层顶面处的附加应力:kPa z b z l P lb cd k 78.39)393.05.227.1()5.22.2038.235(7.1)tan 2)(tan 2()(22z =⨯⨯+⨯-⨯=++-=θθσσ 下卧层顶面处的自重应力:kPa cz 1015.22.205.22.20=⨯+⨯=σ 下卧层承载力特征值:m KN zd czm /2.20=+=σγkPa f az 06.240)5.05(2.204.18.112=-⨯⨯+=验算:az z cz f kPa <=+=+78.14010178.39σσ(可以) 经验算,基础底面尺寸及埋深满足要求2)第二类基础由43.16.5/8/21==s s E E 50.004.14.2/5.2/>==b z 查表得︒=04.21θ385.0tan =θ,下卧层顶面处的附加应力:kPa z b z l P lb cd k 18.56)385.05.224.2()5.22.2094.232(4.2)tan 2)(tan 2()(22z =⨯⨯+⨯-⨯=++-=θθσσ 下卧层顶面处的自重应力:kPa cz 1015.22.205.22.20=⨯+⨯=σ 下卧层承载力特征值:m KN zd czm /2.20=+=σγkPa f az 06.240)5.05(2.204.18.112=-⨯⨯+=验算:az z cz f kPa <=+=+18.15710118.56σσ(可以) 经验算,基础底面尺寸及埋深满足要求 3)第三类基础由43.16.5/8/21==s s E E 50.086.09.2/5.2/>==b z 查表得︒=86.20θ381.0t a n =θ,下卧层顶面处的附加应力: kPa z b z l P lb cd k 69.64)381.05.229.2()5.22.2009.228(9.2)tan 2)(tan 2()(22z =⨯⨯+⨯-⨯=++-=θθσσ 下卧层顶面处的自重应力:kPa cz 1015.22.205.22.20=⨯+⨯=σ 下卧层承载力特征值:m KN zd czm /2.20=+=σγkPa f az 06.240)5.05(2.204.18.112=-⨯⨯+=验算:az z cz f kPa <=+=+69.16510169.64σσ(可以)经验算,基础底面尺寸及埋深满足要求(3)、验算沉降量分析柱网布置图可得,只须验算四个基础的沉降量即可,分别设为a 、b 、c 、d ,如下图所示:ab cdehfg1)、计算基础a 的沉降kN mm l E r a aa/0544.088.07.184.011202=⨯⨯-=-=ωμδkN mm r E ab /00557.06814.34.011202=⨯⨯-=-=πμδkN mm r E ad/00557.06814.34.011202=⨯⨯-=-=πμδ mmF F F s ad ab aa a 25.55142400557.0142400557.07240544.0221=⨯+⨯+⨯=⋅+⋅+⋅=δδδ 2)、计算基础b 的沉降kN mm l E r b bb /0385.088.04.284.011202=⨯⨯-=-=ωμδkN mm r E ba /00557.06814.34.011202=⨯⨯-=-=πμδkN mm r E bc /00557.06814.34.011202=⨯⨯-=-=πμδkN mm r E be /00557.06814.34.011202=⨯⨯-=-=πμδmmF F F F s be bc ab bb b 06.78142400557.020*******.072400557.014240385.02312=⨯+⨯+⨯+⨯=⋅+⋅+⋅+⋅=δδδδ 3)、计算基础c 的沉降kN mm l E r c cc /0319.088.09.284.011202=⨯⨯-=-=ωμδkN mm r E cb /00557.06814.34.011202=⨯⨯-=-=πμδkN mm r E ch /00557.06814.34.011202=⨯⨯-=-=πμδkN mm r E cf /00557.06814.34.011202=⨯⨯-=-=πμδkN mm r E cd /00557.06814.34.011202=⨯⨯-=-=πμδmmF F F F F s cd cf ch cb cc c 55.99142400557.0142400557.020*******.0142400557.020240319.022323=⨯+⨯+⨯+⨯+⨯=⋅+⋅+⋅+⋅+⋅=δδδδδ 4)、计算基础d 的沉降kN mm l E r b dd/0385.088.04.284.011202=⨯⨯-=-=ωμδkN mm r E dg/00557.06814.34.011202=⨯⨯-=-=πμδ kN mm r E dc /00557.06814.34.011202=⨯⨯-=-=πμδkN mm r E da /00557.06814.34.011202=⨯⨯-=-=πμδmmF F F F s da dc dg dd d 23.7472400557.020*******.072400557.014240385.01312=⨯+⨯+⨯+⨯=⋅+⋅+⋅+⋅=δδδδ 5)、a 、b 两基础的沉降差mm s s a b ab 81.2225.5506.78=-=-=∆根据框架结构相邻柱基沉降差允许值可知:[∆]=mm l 12002.0=。
地基基础课程设计任务书(柱下独立基础)--土木双学位一、工程概况北方地区某报社印刷车间,位于城市郊区,为三层两跨钢筋混凝土框架结构,柱网布置如图1所示,柱截面尺寸为400×600mm ,室内外地面高差为0.3m 。
建筑场地地质条件见表A ,作用于基础顶面的荷载见表B 。
4321ABC84006600720072007200图1 柱网布置图表A :建筑场地地质条件(地下水位于粉、细砂层底)A-1(标准冻深1.5M )编号 土层名称 土层厚度(m) γkN/m 3ω (%) е I L Es MPa C kPa φ° f akkPa 冻胀性 Ⅰ 人工填土 1.2 17.586冻胀Ⅱ 亚粘土 6.5 19.6 30.3 0.85 0.65 5.5 25 15 140 弱冻胀 Ⅲ 淤泥质亚粘土 5.0 17.5 36.6 1.20 1.0 1.6 22 12 78弱冻胀Ⅳ粉、细砂7.019.41030160 弱冻胀A-2(标准冻深1.7M )编号 土层名称 土层厚度(m) γkN/m 3ω (%) е I L Es MPa C kPa φ° f akkPa 冻胀性 Ⅰ 多年素填土 1.4 18.390 冻胀 Ⅱ 粉土5.818.5230.90.65 6.12815160 弱冻胀Ⅲ淤泥质粉质粘土2.5 17.2 45 1.20 1.0 1.8 24 11 75 弱冻胀Ⅳ粉、细砂12 19.4 10 30 160 弱冻胀A-3(标准冻深1.9M)编号土层名称土层厚度(m) γkN/m3w(%) еI L Es MPa C kPa φ°f akkPa冻胀性Ⅰ杂填土 1.5 16.7 90 冻胀Ⅱ粉质粘土 4.7 17.9 15 0.8 0.94 6.5 15 24 142 弱冻胀Ⅲ粘土 6.8 21.0 27 0.6 1.0 5.6 24 13 170 弱冻胀Ⅳ粉、细砂10 19.0 10 30 160 弱冻胀A-4(标准冻深2.1M)编号土层名称土层厚度(m) γkN/m3w(%) еI L Es Mpa C kPa φ°f akkPa冻胀性Ⅰ粉质粘土 1.3 17.9 17 0 145 冻胀Ⅱ粉土 3.6 18.5 17 0.48 0.14 5.4 15 20 138 弱冻胀Ⅲ粘土 4.8 20 24 0.6 0.8 4.8 24 12 170 弱冻胀Ⅳ粉、细砂12.6 19.0 10 30 160 弱冻胀 A-5(标准冻深1.3M)编号土层名称土层厚度(m) γkN/m3w(%) еI L Es Mpa C kPa φ°f akkPa冻胀性Ⅰ人工填土 1.4 16.2 20 0 95 冻胀Ⅱ亚粘土 4.5 19.0 19 0.5 0.19 6.5 18 22 155 弱冻胀Ⅲ粉土 4.0 18.4 28 0.7 0.87 5.5 10 15 143 弱冻胀Ⅳ粉、细砂12.6 19.0 10 30 160 弱冻胀表B:上部结构传来荷载(作用于基础顶面,弯矩作用于跨度方向)B-1柱标准组合准永久组合基本组合A柱N(kN)750 650 1100M(kN.m)100 86 139B柱N(kN)950 835 1352.5M(kN.m)50 42 78C柱N(kN)650 565 947.5B-2柱标准组合准永久组合基本组合N(kN)850 750 1200 A柱M(kN.m)120 106 159N(kN)1050 935 1452.5 B柱M(kN.m)60 52 88N(kN)750 665 1047.5 C柱M(kN.m)90 79 128.5B-3柱标准组合准永久组合基本组合N(kN)950 850 1300 A柱M(kN.m)140 126 189N(kN)1150 1035 1552.5 B柱M(kN.m)80 72 108N(kN)850 765 1147.5 C柱M(kN.m)110 99 148.5B-4柱标准组合准永久组合基本组合N(kN)1025 922.5 1384 A柱M(kN.m)152.5 137.5 206N(kN)1200 1140 1620 B柱M(kN.m)105 100 142N(kN)900 810 1215 C柱M(kN.m)125 119 169B-5柱标准组合准永久组合基本组合N(kN)1125 1012.5 1519 A柱M(kN.m)130 117 175.5 B柱N(kN)1300 1172.5 1760N(kN)1000 900 1350C柱M(kN.m)120 108 162B-6柱标准组合准永久组合基本组合N(kN)1000 945 1350A柱M(kN.m)160 144 216N(kN)1200 1080 1620B柱M(kN.m)95 85.5 128.5N(kN)950 850 1300C柱M(kN.m)115 103.5 155.5B-7柱标准组合准永久组合基本组合N(kN)1200 1097.5 1559A柱M(kN.m)170 155 223.5N(kN)1375 1315 1295B柱M(kN.m)122.5 117.5 159.5N(kN)900 810 1215C柱M(kN.m)125 119 169二、题目分配荷载B-1 B-2 B-3 B-4 B-5 B-6 B-7 地质条件A-1 1、2 9、10 17、18 25、26 33、34 41、42 49、50A-2 3、4 11、12 59、20 27、28 35、36 43、44 51、58A-3 5、6 13、14 21、22 29、30 37、38 45、46 53、54A-4 7、8 15、16 23、24 31、32 39、40 47、48 55、56A-557、5859、6061、6263、6465、6667、6869、70注:学号为单号的设计A 、B 柱基础,学号为双号的设计B 、C 柱基础;三、设计要求1、设计A 、B (或B 、C )柱下独立基础;2、计算A 、B (或B 、C )柱下独立基础,并按容许变形值调整基底尺寸;3、绘制基础平面图和基础详图,编写施工说明(A1图纸594mm ×841mm )。
柱下钢筋混凝土独立基础设计柱下钢筋混凝土独立基础设计一、课程设计任务书(一)设计题目柱下钢筋混凝土独立基础设计(二)工程概况某五层两跨钢筋混凝土框架结构车间,柱网平面布置见附图1-1,柱截面尺寸bc×ac=400×600mm,各柱相应于荷载效应标准组合、基本组合及准永久组合时作用于基础顶面荷载,见表1-1。
表1-1 柱底荷载效应标准组合值题号Fk(kN)Mk(kN•m)Vk(kN)A 轴 B轴 C轴 A轴 B轴 C轴 A轴 B轴 C轴 1 975 1548 1187 140 100 198 46 48 44 2 1032 1615 1252 164 125 221 55 60 52 3 1090 1730 1312 190 150 242 62 66 57 4 1150 1815 1370 210 175 271 71 73 67 5 1218 1873 1433 235 193 297 80 83 74 6 1282 1883 1496 257 218 325 86 90 83 7 1339 1970 1560 284 242 355 96 95 89 8 1402 2057 1618 231 266 377 102 104 98 9 1534 2140 1677 335 288 402 109 113 106 10 1598 2205 1727 365 309 428 120 117 114 注:弯矩作用于跨度方向,且各轴线弯矩的作用方向相同。
可近似的取荷载效应基本组合的设计值为标准组合的1.35倍,荷载效应准永久组合的设计值为标准组合的0.8倍。
(三)工程地质资料 1.土层分布(自上而下)(1)人工填土,稍湿,松散,含煤灰,厚 1.5 m,天然容重γ=19.2kN/m3;(2)粉质粘土,呈黄褐色,可塑,厚5.0 m,天然容重γ=18.8kN/m3,压缩模量ES=5.1Mpa,地基承载力特征值fak=230kN/m2;(3)淤泥质粉质粘土,厚5.5 m,孔隙比e=1.1,天然容重γ=18 kN/m3,天然含水量ω=36%,液性指数IL=1.0,压缩模量ES=3 Mpa,地基承载力特征值fak=88kN/m2。
《土力学与基础工程》课程设计任务书一、设计资料1、工程概况某五层综合楼,全框架结构。
底层柱网平面如图所示,柱截面尺寸均为 450mm ×450mm ,室内外高差为0.45m 。
2、地质资料(1)地基土自上而下:第一层:素填土,厚1m ,3/8.17m kN ;第二层:粉质黏土,厚9m ,3/7.18m kN ,885.0e,MPa E s 5.7,c=15kpa ,20,aka kp f 280第三层:碎石土:很厚,中密(2)地下水:建设场地内地表以下无地下水;(3)西宁地区标准冻深- 1.16m ,最大冻深-1.34m ,土的冻胀类别属不冻胀。
3、荷载(1)外柱:A 、D 轴,基础承受上部荷载M kN M k2201,kN V kN F kk 48178011,。
(2)内柱:B 、C 轴,基础承受荷载kN F k15602。
二、设计内容1、设计③轴外柱下钢筋混凝土独立基础、内柱下双柱联合基础;2、绘制基础平面布置图(1:100)、配筋图(1:30),并编写施工说明;三、设计步骤1、确定基础的埋置深度2、确定持力层承载力特征值;3、按持力层承载力特征值确定基底尺寸;4、基础结构设计;5、绘制施工图并附施工说明。
四、设计要求1、设计计算过程条理清楚,内容完整;2、设计步骤合理,设计图纸清晰;3、计算说明书一律用A4纸打印,题目为三号黑体,标题用小四黑体,正文为小四宋体,1.25行间距。
4、手绘施工图,图纸一律用铅笔按比例绘制,要求线条清楚,绘图正确。
五、进度和考核集中设计一周,按百分制记分。
六、参考文献1、赵明华主编,《土力学与基础工程》,武汉理工大学出版社。
2、中华人民共和国国家标准,建筑地基基础设计规范(GB50007-2011).北京:中国建筑工业出版社,2011。
《土力学与地基工程》课程设计计算书一、确定基础持力层及基础的类型地基土自上而下分为两层,第一层为1.0m 厚的杂填土,第二层为9.0m 的粉质粘土,第三层为很厚的碎石类土。
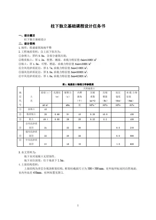
柱下独立基础课程设计任务书
一、设计资料
1、地形
拟建建筑场地平整
2、工程地质条件
自上而下土层依次如下:
号土层:杂填土,层厚约0.5m,含部分建筑垃圾
号土层:粉质黏土,层厚1.2m,软塑,潮湿,承载力特征值f ak=130kPa。
●号土层:黏土,层厚1.5m,可塑,稍湿,承载力特征值f ak=180kPa。
❍号土层:细砂,层厚2.7m,中密,承载力特征值f ak=240kPa。
⏹号土层:强风化砂质泥岩,厚度未揭露,承载力特征值f ak=300kPa。
3、岩土设计技术参数
地基岩土物理力学参数如表1.1所示。
表1.1 地基岩土物理力学参数
重度
4、水文地质条件
(1)拟建场区地下水对混凝土结构无腐蚀性。
(2)地下水位深度:位于地表下1.5m
5、上部结构资料
拟建建筑物为多层全现浇框架结构,框架柱截面尺寸为500mm×500mm。
室外地坪标高同自然地面,室内外高差450mm。
柱网布置如图1.1所示。
图1.1 柱网平面图
6、上部结构作用
上部结-构作用在柱底的荷载效应标准组合值如表1.2所示,上部结构作用在柱底的荷载效应基本组合值如表1.3所示。
表1.2 柱底荷载效应标准组合值
7、材料
混凝土强度等级为C25~C30,钢筋采用HPB300、HRB335级。
二、设计分组
根据以上所给设计资料及学生人数,将学生划分为2组。
分组示意如下:
第1组,共10人,基础持力层选用●号土层,设计A轴柱下独立基础。
第2组,共10人,基础持力层选用❍号土层,设计A轴柱下独立基础。
第3组,共10人,基础持力层选用●号土层,设计B轴柱下独立基础。
第4组,共10人,基础持力层选用❍号土层,设计B轴柱下独立基础。
第5组,共10人,基础持力层选用●号土层,设计C轴柱下独立基础。
第6组,共10人,基础持力层选用❍号土层,设计C轴柱下独立基础。
三、设计要求
每人根据所在组号和题号,完成指定轴线的柱下独立基础设计。
对于另外两根轴线的基础,只要求根据所给荷载确定基础底面尺寸,以便画出基础平面图。
要求分析过程详细,计算步骤完整,设计说明书面报告的编写应具有条理性,图纸整洁清晰。
四、设计内容
(1)设计柱下独立基础,包括确定基础埋置深度、基础底面尺寸,对基础进行结构内力分析、强度计算,确定基础高度,进行配筋计算并满足构造设计要求,地基沉降计算,编写设计计算书。
(2)绘制基础施工图,包括基础平面布置图、独立基础大样图,并提出必要的技术说明。
五、设计成果
1、设计计算书
设计计算书包括以下内容:
(1)确定地基持力层和基础埋深度。
(2)确定基础底面尺寸,验算地基承载力
(3)对基础进行抗冲承载力验算,确定基础高度。
(4)对基础进行正截面受弯承载力验算,确定基础底板配筋。
(5)地基沉降计算2、设计图纸
设计图纸包括以下内容:
(1)基础平面布置图。
(2)独立基础大样图。
(3)设计说明。